断路器控制及二次回路
- 格式:pptx
- 大小:1.39 MB
- 文档页数:17
断路器控制回路图控制回路是二次回路的重要组成部分,电气设备的种类和型号多种多样,控制回路的接线方式也很多,但其基本原理是相似的。
这里以某变电站控制回路图为例,简要说明看图的基本方法。
完整的二次回路原理图一般由四张图构成:原理图—端子图—端子图—原理图。
完整的控制回路图一般包括操作箱接点联系图—保护屏端子图—汇控柜端子图—断路器控制回路图。
按照上述顺序联接。
下面逐一进行说明:1、操作箱接点联系图我们以A相合闸回路为例来简要说明一下识图方法(图1)。
图1 A相合闸回路先来看图上的两种端子:是箱端子,位于保护装置后侧,是屏端子,一般位于保护屏后两侧,固定在保护屏上。
图的左边为装置的逻辑回路,右侧相对于逻辑回路标有继电装置的种类及回路名称。
如图中根据回路名称,我们可以快速找到A相合闸回路,其中包括跳位监视回路、合闸回路、防跳回路。
跳位监视回路从正电源101通过4D62屏端子接至4n76箱端子,通过跳闸位置继电器TWJa接至4n44,并引至屏端子4D168,从屏端子通过电缆连接至断路器操作机构箱。
图中的7A为回路编号(功能相同的回路在不同型号的设备中都有统一编号,比如合闸回路的编号一般为7,跳闸回路编号一般为37)。
合闸回路的启动靠手动合闸继电器SHJ或重合闸继电器ZHJ,手合命令发出后启动SHJ,重合闸命令发出后启动ZHJ,然而合闸命令只是一个脉冲,保证合闸回路导通直至断路器合上的是合闸保持继电器HBJa。
SHJ或ZHJ发出合闸脉冲后,HBJa线圈励磁,启动合闸回路的HBJa长开接点,这时合闸回路靠HBJa接点继续导通,直至A 相合闸成功,机构箱内的合闸回路断开,HBJa线圈失磁,HBJa长开触点才断开,切断合闸回路。
图中1TBJa为跳跃闭锁继电器,它有两个线圈,一个是电流启动线圈,串联在跳闸回路中,以便当继电保护装置动作于跳闸时,使1TBJa可靠的启动。
一个是防跳回路中的电压保持线圈,其主要作用是在继电器动作后能可靠地自保持。
搜狐博客> 左路传中> 日志> 110kV变电站二次回路图解2007-07-14 | 第三章断路器的控制--110kV六氟化硫(SF6)断路器标签:断路器六氟化硫2.110kV六氟化硫(SF6)断路器SF6断路器是110kV电压等级最常用的开断电器,关于它的控制,本章选用的模型是西高电气公司生产的LW25-126型SF6断路器。
LW25-126型SF6断路器广泛应用于110kV电压等级,运行经验丰富,具有一定的代表性。
2.1操作机构LW25-126型SF6断路器采用弹簧机构,其机构电气回路如图3-1-1、图3-1-2所示。
图3-1-1 (点击看大图)图3-1-2(点击看大图)图3-1-1所示的是断路器机构的控制回路图,红色部分为合闸回路,绿色部分为跳闸回路,黄色部分为储能电机启动回路。
图3-1-2所示为弹簧储能电机的电源回路。
主要部件的符号与名称对应关系如表3-1所示。
表3-1 LW25-126型六氟化硫断路器控制回路主要部件符号名称备注11-52C 合闸操作按钮手动合闸11-52T 分闸操作按钮手动跳闸43LR “远方/就地”切换开关52Y “防跳”继电器8M 空气开关储能电机电源投入开关88M 储能电机接触器动作后接通电机电源48T 电动机超时继电器49M 电动机过流继电器49MX 辅助继电器反映电机过流、过热故障33hb 合闸弹簧限位开关33HBX 辅助继电器反映合闸弹簧储能状态52a、52b 断路器辅助接点52a为常开接点、52b为常闭接点63GLX SF6低气压闭锁继电器LW25-126型SF6断路器的操作回路中,有一个“远方/就地”切换开关43LR。
“就地”是指在断路器本体机构箱使用合闸按钮11-52C或分闸按钮11-52T操作,“远方”是指一切通过微机操作箱向断路器发出的跳、合闸指令。
正常运行情况下,43LR处于“远方”状态,由操作人员在控制室对断路器进行操作;对断路器进行检修时,将43LR置于“就地”状态,在断路器本体进行跳、合闸试验。
二次回路基本知识讲课内容:一、了解一次设备和二次设备的基本概念。
二、了解二次回路的工作任务和主要内容。
三、了解二次回路原理接线图、展开接线图、安装接线图的作用与特点。
四、掌握二次设备的图形符号、文字符号和回路标号及元器件的常用表示方法。
五、掌握阅读二次回路图的基本方法六、简述二次回路的重要性变配电所的操作电源及测量控制信号回路讲课内容:一、了解一下变配电所的操作电源二、掌握断路器的控制回路、电气测量、信号回路的基本知识。
一、二次回路内容变配电所的二次部分对于实现变配电所安全、优质和经济的电能分配具有极为重要的作用。
变配电所的电气设备按其作用的不同可分为一次设备和二次设备,其控制保护接线回路又可分为一次回路和二次回路。
一次设备是指直接输送和分配电能的高电压、大电流设备,包括电力母线、电力线路、高压断路器、高压隔离开关、电流互感器、电压互感器等。
由变配电所一次设备组成的整体称为变配电所一次部分。
二次设备是指对一次设备进行监察、控制、测量、调节和保护的低电压、小电流设备,包括继电保护及安全自动装置、操作电源、熔断器等。
由变配电所二次设备组成的整体称为变配电所二次部分。
一次回路又称为一次接线是将一次设备相互连接而形成的电路。
二次回路又称为二次接线是将二次设备相互连接而形成的电路。
包括电气设备的测量回路、控制操作回路、信号回路、保护回路等。
二次回路的工作任务是反映一次设备的工作状态及控制一次设备,即在一次设备发生故障时,能迅速反应故障,并使故障设备退出工作,保证变配电所处于安全的运行状态。
二次回路的主要内容是高压电气设备和电力线路的控制、信号、测量及监察、继电保护及自动装置、操作电源等系统。
a、控制系统控制系统是由控制器具、控制对象及控制网络构成控制系统的作用是对变电站的开关设备进行就地或远方跳、合闸操作,以满足改变主系统运行方式及处理故障的要求。
b、信号系统信号系统是由信号发送机构、信号接受显示元件及其网络构成。
操作回路及断路器是继电保护系统实现自动控制和保护功能的执行单元,是保证电力系统安全稳定运行的关键,根据反措要求“220 kV及以上电压等级的元件保护,应实现保护的双重化”,保护的双重化有两个方面的要求,一是元件配置不同厂家、不同原理的两套保护,实现保护功能;二是由不同的保护作用不同的断路器,实现后备作用,如断路器失灵保护的设置。
正是基于这种要求,使用双跳闸线圈断路器及双操作回路操作箱成为必然要求,是减少保护可靠动作瓶颈的主要措施。
同时在压力闭锁、非全相和重合闸配合等回路的配置提出了新的要求,现就有关问题进行分析。
1.压力闭锁回路的实现在压力异常的情况下,为保证系统的运行安全以及断路器的安全工作,需要对相应的操作进行闭锁,也正是因为在操作回路中串人了多个常开的闭锁接点,也增加了拒动的可能性,综合上述两个方面,需要对闭锁回路进行合理的配置。
压力闭锁回路的供电采用操作电源自动切换。
在“四统一”设计中,虽然设置了双操作电源、双跳闸线圈,但由于压力接点只有一组,为了保证压力回路的可靠供电,采用操作电源的自动切换,即正常情况下两组操作电源同时存在,切换回路用操作电源一;而当操作电源一消失后,自动切换至操作电源二,保证操作回路二的完整性。
该设计对于切换回路以外的回路故障造成的一组操作电源的消失,有很好的补偿作用,但其一个致命的缺点就是当在公共的压力回路发生故障,由于切换回路的存在会造成两组操作电源的相继消失。
根本的解决办法是实现操作回路(包括压力闭锁回路)的完全双重化。
即在双跳闸线圈的基础上,由两套完全独立的压力接点起动独立的重动中间继电器,分别应用于两个独立的操作回路,保证两个回路的工作完全独立,互不影响。
在220 kV 断路器更换中,已经广泛采用这种方式,取得了良好的工作效果。
对压力整定回路的要求。
在压力接点的输出整定值,一定要保证同一级闭锁两组接点定值的准确性和输出的同步性,防止发生不同步引起的闭锁失败(即一组回路已经闭锁了相应的操作,而另外一组仍然处于允许状态),造成对开关的损坏或扩大事故范围,危及系统的安全运行。
二次接线技术规范(一)一般规定4.3.1 本节适用于继电保护、自动装置、控制、信号和测量等二次回路。
4.3.2 二次回路的工作电压不应超过400伏。
4.3.3 在有振动的地方,应采取防止导线接头松脱和继电器误动作的措施。
(二)断路器的控制回路4.3.4 总降压变电所和大型配电所的断路器一般采用电磁或弹簧储能操动机构;出线回路少且就地控制的配电所,当开断容量又能满足要求时也可采用手力操动机构。
4.3.5 断路器控制回路需满足下列要求:一、应能监视电源及跳、合闸回路的完整性,在断路器跳、合闸线圈及合闸接触器线圈上,不允许并接电阻。
二、应能指示断路器合闸与跳闸的位置状态,自动合闸或跳闸时应有明显信号。
三、在操动机构本身没有机械“防跳”装置时,应有电气“防跳”装置。
四、合闸或跳闸完成后应使命令脉冲自动解除。
五、接线应简单可靠,使电缆芯最少。
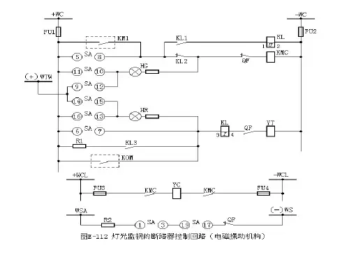
4.3.6 一般采用灯光监视的接线方式,断路器在合闸位置时红灯亮,跳闸位置时绿灯亮,需要时也可采用音响监视的接线方式,断路器合闸或跳闸位置由控制开关的手柄来表示,其垂直位置为合闸,水平位置为跳闸,控制开关手柄内应有信号灯。
4.3.7 当采用硅整流电容储能直流系统时,为了减少故障时储能电容的能量消耗,应将回路内的指示灯等常接负载的正极自控制电源+KM小母线改接至另外的电源回路。
此时,对控制回路的正电源应采用别的办法进行监视。
4.3.8 断路器的事故跳闸信号回路应采用不对应接线:一、断路器手力操作时,利用操动机构与操动把手的辅助接点构成的不对应接线。
二、断路器为电磁或弹簧操动时,利用控制开关与操动机构辅助接点构成的不对应接线。
4.3.9 断路器的防跳回路应满足下列要求:一、由电流起动的防跳继电器的动作时间,不应大于跳闸脉冲发出至断路器辅助触点切断跳闸回路的时间。
二、一般利用防跳继电器的常开触点,对跳闸脉冲予以自保持。
当保护跳闸回路串有信号继电器时,该防跳继电器触点应串接其电流自保持线圈。
二次回路的作用及工作原理
二次回路(secondary circuit)定义:测量回路、继电保护回路、开关控制及信号回路、操作电源回路、断路器和隔离开关的电气闭锁回路等全部低压回路。
它是由二次设备互相连接,构成对一次设备进行监测、控制、调节和保护的电气回路称为二次回路。
二次回路的工作原理:在电气系统中由互感器的次级绕组、测量监视仪器、继电器、自动装置等通过控制电缆连成的电路。
用以控制、保护、调节、测量和监视一次回路中各参数和各元件的工作状况。
用于监视测量表计、控制操作信号、继电保护和自动装置等所组成电气连接的回路均称为二次回路或称二次接线。
二次设备是用于对电力系统及一次设备的工况进行监测、控制、测量、调节和保护的低压电器设备,包括测量仪表、一次设备的控制、运行情况监视信号以及自动化监控系统、继电保护和安全自动装置、通信设备等。
二次设备之间按一定的功能要求连接在一起所构成的电气回路统称为二次接线或称为二次回路,它是确保电力系统安全生产、经济运行和可靠供电不可缺少的重要组成部分。
220KV 线路保护二次回路介绍二次设备是指对一次设备的工作进行监视、控制、调节、保护以及为运行、维护人员提供运行状况或生产指挥信号所需的低压电器设备。
由二次设备相互连接,构成对一次设备监视、控制、调节和保护的电器回路称为二次回路。
一、TA 二次电流回路220KV TA 一般有六个二次绕组,分别用于本线路保护(两组)、母差保护(两组)、测量、计量。
以某一220KV 线路保护为例,如图(一)所示,交流电流回路的联结关系为TA 本体接线盒——TA 端子箱——CSC-122A 断路器保护——CSC-101A 线路保护——录波屏。
如图(二)所示,交流电流回路的联结关系为TA 本体接线盒——TA 端子箱——PSL601G 线路保护。
CSC-101A 1x CSC-122A 3x端子箱A 屏图(一)1n PSL601G端子箱B 屏图(二) 注意事项:1)电流回路严禁开路。
电流互感器的二次回路不允许开路,否则将产生危险的高电压,威胁人身和设备的安全。
因为电流互感器二次回路在运行中开路时,其一次电流均成为励磁电流使铁芯中的磁通密度急剧上升,从而在二次绕组中感应高达数千伏的感应电势,严重威胁设备本身和人身的安全。
这就要求回路各个连接环节的螺丝必须紧固,连接二次线无断线或接触不良,同时回路的末端必须可靠短接好,如上图(一)中的录波屏处2C2、2C4、2C6、2C7端子和图(二)中的PSL601G 保护屏处1D17、1D18、1D19、1D20端子。
2)每组二次绕组的N 回路有且只能有一点接地,严禁多点接地。
电流互感器的二次回路必须有一点直接接地,这是为了避免当一、二次绕组间绝缘击穿后,使二次绕组对地出现高电压而威胁人身和设备的安全。
同时,二次回路中只允许有一点接地,不能有多点接地,否则会由于地中电流的存在而引起继电保护的误动。
因为一个变电所的接地网并不是一个等电位面,在不同点间会出现电位差。
当大的接地电流注入接地网时,各点的电位差增大。