UPS四种并机方式
- 格式:doc
- 大小:95.50 KB
- 文档页数:3
UPS并机的性能分析目前,计算机系统已成为发电厂,工业企业,政府,银行的控制枢纽中心,其供电电源普遍采用UPS,因而UPS的安全可靠性就直接影响发电厂机组的安全稳定运行。
用户为了提高UPS的供电可靠性不遗余力。
目前,大多发电厂及大型工业政府企业和政府为了提高供电的安全可靠性而广泛采用并机方案,但投入后与可靠性而要求还是有较大的差距,出现了各类故障,严重威胁负载的供电安全。
本文对采用并机方案时常被忽视的技术问题进行分析整理以供参考。
1 常见的三种UPS并机方案1.1串联热备份方案本方案是并机早期的链接方式,因受当时并机技术的制约,本方案中设备的使用率较低,安全可靠性有限,不能满足用户的更高安全要求,目前用户已很少采用此种并机方案.由于两台UPS无需在同一控制程序下协调工作,无需通讯链接,所以只要UPS功率满足负载要求的情况下,可以是不同品牌的UPS,如图1所示。
1.2 “1+1”并机方案在用户既要求提高安全可靠性又要求提高设备使用率的情况下,随着并机技术的不断发展,可以实现两台UPS在同一控制程序下稳定地协调工作,根据两台UPS的工作方式称之为“1+1"并机。
正常工作时两台UPS各承担50%负载;若其中一台UPS出现故障,另一台UPS自动承担100%发在,故障UPS自动退出并机模式;当故障UPS维修好以后可直接投入并机,两台UPS自动均分负载;若故障UPS退出并机还没有维修好,而带载UPS也出现故障,此时将自动切换至带载UPS的旁路;当两台UPS全部维修好以后,按并机开启步骤可将两台UPS投入到“1+1”并机工作状态,如图2所示.图2 “1+1”UPS并机方案单击UPS若逆变器裤长时就自动切换至旁路,“1+1”并机相对单机UPS,多了一台UPS自动承担100%负载安全保护措施,可以有效避免逆变器切换至旁路时造成的切换风险,“1+1”并机相对性能稳定的单机安全可靠性又得到了较大的提高,可在同一控制程序下协调工作,两机之间需要通讯连接,所以两台UPS要求是同品牌就、同系列、同规格的UPS。
UPS 的并机运行摘要:本文着重讨论UPS 在并机运行中的环流及降低环流的措施,并提出UPS是否运行可靠的检验标准。
关键词 :热冗余 同步 环流UPS 两台以上并联运行(这里只讨论两台并联)近几年来应用的越来越多。
其基本思想是每台UPS 去总负载的二分之一,减轻了每台UPS 的负载,相对满载运行可靠性有所提高;当一台UPS 损坏时自动退出,另一台承担全部负载,又提高了整体的可靠性。
这种联接方式被称为热冗余。
一. 并机中环流的产生两台UPS 并机运行中的环流历来是困扰电源稳定运行的难题。
假定两台UPS 输出存在相位差T ,就某一瞬间t1,u1>u2如图1。
图1现在,两UPS 同时向同一负载供电,如图2。
I2Z2U2I3Z3I1Z1U1图2 根据基尔霍夫定律得到方程组:i1+ 2i =3iu1-i1z1-3i z3=0u2-2i z2-3i z3=0三方程联立求解,得 2i = -122u u Z -+3i /2 现讨论如下:1. 空载时3i =0, 2i = -122u u Z-。
因为1u > 2u , 2i <0。
2i 为负说明实际方向与标定方向相反,也就是说2i 不是流向负载,而是流向2u 内部,形成环流。
环流破坏电源2u 的稳定性,严重时会使2u 损坏。
2. 当负载较轻,即3i 较小,或两电源差较大,2i 也会出现负值,形成环流。
同时,当电源阻抗较小时,环流有增大的趋势,这就是大功率电源轻载运行时环流问题十分突出的原因。
3. 当12u u =时322i i =,两电源均匀向负载供电,不存在环流。
4. 当两电源差固定,若负载电流增大到一定量时,2i 为正,说明2u 向负载供电,环流为零。
公式说明,增大负载可有效地抑制环流。
5. 仅仅是由于两电源的输出电压(两电源的相同差为0)引起的环流,总是保持一个方向;而由于相位差所造成的环流是相互的。
UPS 当电源阻抗为0.1倍负载阻抗时,由于相位差引起的环流有如下规律:上表中,电压差可由余弦定理推算出。
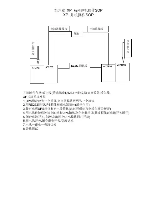
第六章XP 系列并机操作SOPXP 并机操作SOP并机附件包括:输出线(特殊插座),R232控制线,脚架延长条,输入线.XP长机并机操作:1.UPS模块放到一个箱体,充电器模块放到另一个箱体2.用RS232连接UPS箱体和充电器箱体(通讯作用)3.接市电到UPS箱体和充电器箱体(此过程保证市电输入开关断开)4.用电池连接线连接电池组和UPS箱体及充电器箱体(此过程保证电池开关断开)5.闭合电池开关,直流试机(两个UPS模块同时开机)6.断电池开关,闭合市电开关,交流试机7.电池—市电—旁路切换8.带载测试二.并机注意问题1.并机时候注意必须按照说明书中的安装方式安装,即两个UPS模块必须插在同一个箱体中方能并机成功。
(也可参考前面机型描述的示意图)2.并机上电后,请确认是否两个UPS是否建立起通讯。
方法为在LCD面板查询UPS 的状态,是否一个模块为主机,而另一个模块为从机。
若两个都为主机则异常!请确认并机线是否松脱,或UPS的ID地址是否相同。
确认OK后,再进行开机动作。
3.并机带载后发现“冗余能力失效”的故障,请参考前面的列表,若用户需要使用扩容的模式,请通过LCD面板设置。
4.XP机器具有1+1并联功能,但在进行长机并机时,机器仍然识别为标机并机,因此需要在背板上的MODEL3侦测脚上插上短路PIN(如图1所示);或者打开UPS模块,在功率板上插上短路PIN(如图2 所示);或者在信号连接器上插上短路PIN(如图3所示)图1 图2图3建议用图1的方式插上短路PIN,操作步骤如下:1.拆开上盖板后面螺丝(数量1个),如下图:2.拆下上盖板:按下图所示方向推出上盖板。
3.如下图,俯视可以见到背板上MODEL3侦测脚位置,在此位置插上短路PIN即可。
第六章XP 系列并机操作SOPXP 并机操作SOP#1UPS #2UPS #1CHGR #2CHGR电池RS232 通讯线电池连接线电池连接线市电输入线市电输入线并机附件包括:输出线(特殊插座),R232 控制线,脚架延长条,输入线.XP 长机并机操作:1.UPS 模块放到一个箱体,充电器模块放到另一个箱体2.用RS232 连接UPS 箱体和充电器箱体(通讯作用)3.接市电到UPS 箱体和充电器箱体(此过程保证市电输入开关断开)4.用电池连接线连接电池组和UPS 箱体及充电器箱体(此过程保证电池开关断开)5.闭合电池开关,直流试机(两个UPS 模块同时开机)6.断电池开关,闭合市电开关,交流试机7.电池—市电—旁路切换8.带载测试二.并机注意问题1.并机时候注意必须按照说明书中的安装方式安装,即两个UPS 模块必须插在同一个箱体中方能并机成功。
UPS并机控制逻辑概述UPS(不间断电源)是一种电力设备,其作用是提供干净、稳定的电力供应,可在主电源故障时提供备用电源,从而保证关键设备的正常运行。
而并机控制逻辑是指多个UPS设备进行并机运行时的控制逻辑,以保障系统的可靠性和可用性。
并机运行的意义在许多关键设备和系统中,对电力的连续性和稳定性要求极高,一旦主电源出现故障,系统可能会停机导致严重后果。
为了解决这一问题,引入了并机运行的概念。
多个UPS设备通过并机运行,可以相互备份,当其中一个UPS发生故障时,其他UPS设备可以接管负载,保持关键设备的正常运行。
并机控制逻辑的要点并机控制逻辑是实现UPS设备并机运行的核心部分,其主要包括以下要点:1. 负载均衡在多个UPS设备进行并机运行时,负载均衡是十分重要的。
通过合理地分配负载,可以保证每个UPS设备的负载均衡,从而提高系统的可靠性和效率。
负载均衡的原则是根据每个UPS设备的容量和负载情况来分配负载,避免某一个UPS设备过载,造成系统故障。
2. 同步控制并机运行需要保证多个UPS设备的输出电压、频率和相位一致,以避免因不同UPS 设备之间存在差异而导致设备损坏或工作异常。
同步控制通常通过相位锁定环路(PLL)实现,监测主电源的频率和相位,并将其同步到其他UPS设备上,从而实现并机运行。
3. 故障检测与切换并机运行时,对故障的检测和快速切换是关键。
通过监测UPS设备的输入电压、输出电压和负载情况,可以实时检测到设备的故障,并迅速切换负载到其他正常的UPS设备上,以保障系统的连续性。
4. 通信与协调多个UPS设备进行并机运行时,需要进行通信和协调。
通过网络或串口通信,UPS 设备可以实时地进行数据传输和交互,共享系统状态信息,从而实现对并机运行的集中控制和管理。
UPS并机控制逻辑实现步骤1. 初始化设置在并机控制逻辑的实现中,首先需要进行初始化设置。
包括设置UPS设备的容量、负载情况、通信方式等参数,以及建立通信连接。
UPS四种并机方式UPS四种并机方式为了让设备有可靠的电源供应,在UPS的应用上有以下四种并机方式,有利提高了后备电源的可靠性一、主从热备份主机带负载,备机空载,备机接入主机的BYPASS(旁路)输入端(见图1)。
优点:●灵活性高,不受品牌限制。
●安装简单,无需额外调试。
●不增加额外辅助电路,不增加购置成本。
●可作n+1热备份,可分期扩容。
缺点:●瞬时过载能力低。
●两机老化不一致。
●备机电池长期不处于浮充状态,影响电池寿命。
二、互动热备份两机分别带负载,预先由人工分配负载,是主从热备份的的改进型(见图2)。
优点:●本方案是主从热备份的改进型,是人工一次分配负载的并机方案。
除保留主从热备份的优点外全部克服其缺点。
●瞬间过载能力强。
●不存在备机电池长期浮充状态。
●没有冗余并机方案的致命弱点——环流。
缺点:如果负载功率不能由人工分配时,此方案不适用。
三、互动热备份(ATS)单机带载,单元互动(见图3)。
优点:●由于采用单元互动,系统故障几率大大下降。
●两台UPS可轮换工作。
●没有瓶颈故障点。
缺点:瞬时过载能力低。
四、冗余并联(N+X)自动均分负载。
从并机柜、并机模块、并机板、无线并机到数码控制自动并机(并机之UPS采用电流控制均分,完全独立控制)的发展过程(见图4)。
优点:●瞬间过载能力强。
●没有瓶颈故障点。
●自动均分功率。
缺点:●存在环流,不同并机方法,具有不同环流。
环流增加无功损耗,降低系统可靠性。
●无论何种并机方案,均需增加额外辅助电路,随之而来是增加成本,增加故障点。
五、结论1、冗余并联功率均分,技术档次最高。
如能彻底解决环流,才能认可本方案可靠性最高。
但如果并机环流处理不好,则严重影响其可靠性,无功损耗增大。
2、目前流行的并机板冗余并机方案,由于采用电压控制方案,未能长度解决环流问题,除了调试均分负载困难外,还存在老化漂移及温度漂移的致命缺点。
3、如果冗余并机采用并机板方案,而又未解决环流这一核心问题,其并机可靠性还不如主从热备份,更不如互动热备份。
ups并机操作流程下载温馨提示:该文档是我店铺精心编制而成,希望大家下载以后,能够帮助大家解决实际的问题。
文档下载后可定制随意修改,请根据实际需要进行相应的调整和使用,谢谢!并且,本店铺为大家提供各种各样类型的实用资料,如教育随笔、日记赏析、句子摘抄、古诗大全、经典美文、话题作文、工作总结、词语解析、文案摘录、其他资料等等,如想了解不同资料格式和写法,敬请关注!Download tips: This document is carefully compiled by theeditor. I hope that after you download them,they can help yousolve practical problems. The document can be customized andmodified after downloading,please adjust and use it according toactual needs, thank you!In addition, our shop provides you with various types ofpractical materials,such as educational essays, diaryappreciation,sentence excerpts,ancient poems,classic articles,topic composition,work summary,word parsing,copy excerpts,other materials and so on,want to know different data formats andwriting methods,please pay attention!UPS 并机操作流程一般包括以下步骤:1. 准备工作确保两台 UPS 型号、容量、输入输出参数等相同。
ups并机工作原理及扩容方案并机工作原理及扩容方案1. 负载均分的工作原理. 并机的基本条件两台或多台UPS 能够实现交流输出的并联运行,必须做到:输出电压、频率、相位保持基本一致。
在这种情况下,如果参与并机的所有UPS 又有相同的输出阻抗,则它们就可以均分负载。
如下图所示:当参与并联的UPS 电压、相位以及输出阻抗不完全一致时,他们就不能做到输出电流的完全一致(即负载均分)。
如果差别较大还可能造成环流短路,损坏设备。
所以一般情况下,参与并联的UPS 应是同等容量的,尽可能地保证所有UPS 的电气参数基本一致。
对于不同容量的UPS,它们的电路参数差别较大,虽然说电路参数和运行效果可以通过校准在一定程度上使之接近,但这只是在稳定情况下得到的效果,一旦运行情况发生变化仍然会发生偏离。
. 并机系统中UPS 动作的控制参与并联的UPS 之间有信号线,这些信号线将各个UPS 的运行状态相互告知,所以并联中的UPS 不仅知道自己的状态同时也知道对方的状态。
根据自己的状态和对方的状态,就可以控制自己可以做那些动作、不可以做那些动作。
比如当自己的整流输入没电了,电池可能要放电,如果电池放电结束,如果是单机UPS,这时应当转旁路。
但是当得知对方的逆变器正在运行后,它就不会向旁路转换,而只是停止自身逆变器的工作,等待市电的恢复。
所有可以预知的情况都已被写入控制程序当中,因此UPS不会发生错误的动作。
. 并联UPS的接线为保证并联的UPS能可靠的运行并很好的均分负载,就要对并联UPS的输入、输出连线提出一些要求。
如下图所示:并机时,整流输入没有特殊的要求,但要求两台UPS的旁路必须来自同一路市电,并且尽量采用相同规格和长度的电缆。
来自同一路市电这对UPS的同步运行是尤其重要的。
首先来说,UPS转旁路运行时,如果两个旁路电源有较大的差别(幅值、相位、频率)就会出现较大的环流;如果是同一路电源就没问题。
而且只要各并联UPS能较好地与各自旁路同步,就能满足并联的基本要求而不会出现环流增大的问题。
UPS并机类型
1、单机系统是指单台ups给负载供电,ups宕机可能引起负载掉电,可靠性最低
2、串联热备份系统是指备用ups串接在主用ups的旁路中,正常情况下主用ups带负载,主用ups故障跳转旁路时,备用ups工作。
可靠性较单机系统更高,但现在几乎已经不用了。
3、1+1并联冗余系统是指2台ups的输出并接在一起,共同给负载供电。
任意一台ups故障,剩下一台UPS可以带全部负载。
正常情况下,2台UPS均分负载。
可靠性较1、2方案都高。
4、N+1并联冗余系统和1+1并联冗余系统是类似的,N是指N台UPS并联后的容量可以带全部负载,1是指备用UPS的容量。
例如,200KVA的系统,可以构成200+200的1+1冗余系统,也可以构成100+100+100的2+1冗余系统,N=2。
不论是方案3还是方案4,因为UPS 输出都并联在同一个配电母排上,所以存在“单点故障”要消除单点故障就需要用到方案5-7.
5、单机双总线系统是指2套独立的UPS分别给双电源负载供电,任意一条总线退出,不影响系统使用。
俗称“2N”系统。
6、单机三总线系统是指3台独立的UPS两两经过sts切换后给双电源负载供电。
相对于方案5来说,方案6的优势在于提高了单机系统的效率,可以降低能耗
7、并机双总线系统是指方案5中,每条总线上的UPS都是N+1冗余系统,每条总线都有冗余。
可靠性最高。
俗称“2*(N+1)系统”。
ups并机控制逻辑UPS并机控制逻辑概述UPS并机是指将多个UPS设备通过某种方式组合在一起,形成一个整体,实现对负载的共同保护。
UPS并机控制逻辑是指通过一定的算法和程序,控制多个UPS设备之间的协同工作,使其能够实现负载的平稳转移和共同保护。
UPS并机的优势相比于单个UPS设备,UPS并机具有以下优势:1. 提高了系统可靠性:当一个UPS设备出现故障时,其他设备可以自动接管其负载,从而保证系统的可靠性。
2. 提高了系统容量:通过将多个UPS设备组合在一起,可以提高系统的容量,满足大型负载需求。
3. 提高了系统可维护性:当需要维修或更换某个UPS设备时,其他设备可以继续为负载提供保护。
4. 降低了总拥有成本:相比于单个大容量的UPS设备,采用小容量的多台UPS组成并机可以降低总拥有成本。
主要技术要求为了实现UPS并机控制逻辑,需要满足以下技术要求:1. 可靠性要求:由于涉及到对负载的保护,因此UPS并机控制逻辑需要具有高可靠性,能够在任何情况下保证负载的稳定供电。
2. 灵活性要求:UPS并机需要支持多种负载类型和不同容量的UPS设备,因此控制逻辑需要具有灵活性,能够适应不同的应用场景。
3. 可扩展性要求:为了满足未来系统扩展需求,UPS并机控制逻辑需要具有可扩展性,能够方便地增加或减少UPS设备。
4. 易维护性要求:UPS并机控制逻辑需要具有易维护性,能够方便地进行故障排除和维护操作。
实现方法为了实现UPS并机控制逻辑,可以采用以下方法:1. 选取合适的通信方式:由于多个UPS设备之间需要进行通信协调工作,因此需要选取合适的通信方式。
常见的通信方式包括CAN总线、RS485总线、以太网等。
2. 设计合理的协议:为了使多个UPS设备之间能够互相协调工作,需要设计合理的通信协议。
该协议应包括数据格式、数据传输速率、错误检测等内容。
3. 实现负载转移算法:当一个UPS设备出现故障或需要维修时,需要将其负载平稳地转移到其他UPS设备上。
UPS并机四种方式的优缺点UPS并机是指将多台独立的不间断电源设备通过特定的方式连接在一起,以实现互相备份和协同工作。
在实际应用中,UPS并机有四种连接方式,分别是主备模式、并机模式、逆变模式和双转换器模式。
下面将对这四种方式的优缺点进行详细介绍。
1.主备模式:主备模式是指通过一个主力UPS和一个备用UPS进行并机运行。
主力UPS负责供电,备用UPS处于待命状态。
主力UPS出现故障时,备用UPS 将自动接管供电,保证供电的连续性。
优点:-可以提供高可靠性,因为备用UPS能够实时备份主力UPS的功率。
-故障发生时切换速度快,几乎没有停电时间。
-维护和保养工作可以在故障发生时进行,不影响系统运行。
缺点:-系统的效率相对较低,因为备用UPS大部分时间处于待命状态。
-主力UPS和备用UPS之间需要传输大量的电力,这会增加设备的成本和复杂性。
-主备UPS之间的切换可能会造成电力波动,对一些敏感设备可能会造成影响。
2.并机模式:并机模式是指将多台相同功率的UPS设备并连在一起,每台UPS都能够同时提供电力供应。
优点:-可以增加系统的功率,满足大功率负载的需求。
-通过并联运行,可以提高系统的可靠性,一台设备发生故障时,其他设备仍能维持供电。
-并机系统可以实时监测UPS的工作状态和负载情况,提供更好的管理和维护。
缺点:-并机系统需要进行精细的功率管理和负载均衡,否则可能导致一些设备的负载过重,影响系统的稳定性。
-并机系统的维护和管理相对复杂,需要专业的技术人员进行操作和维护。
-并机系统通常需要一定的空间和机房布局,对于空间有限的场所可能有限制。
3.逆变模式:逆变模式是指UPS提供供电时将交流电转换为直流电,再将直流电逆变为交流电供电。
逆变模式主要应用于对电网质量要求较高的场合。
优点:-可以提供更稳定的电压和频率,能够满足敏感设备对于电力质量的要求。
-在电网质量不稳定或存在暂时性干扰时,逆变模式可以提供一定程度的滤波和稳定功能。
3C20KS主机(UPS)并机操作
操作/维护说明
并机前,需对单机调试:
1. 闭合单台电池开关,按开机键一秒,UPS主机风扇转动,单台UPS此时进入自检状态,UPS电池灯会亮,冷启动开机成功。
2. 确定电源配接正确,UPS冷启动开机后,先闭合单台UPS输入开关,此时,逆变器灯会亮,UPS输出(OUTPUT)也会亮,电池在市电模式下运行正常!
3. 按下OFF键关闭UPS,断开电池开关,断开市电开关。
此时,确定单台UPS运行正常,并已关机,请按以上操作,对第二台UPS 进行上电调试,无任何问题,开始并机操作!
并机操作:
1.已遵循以上单机调试要求:
2. 开机:
a.闭合两台UPS的输入开关,电池开关,此时UPS主机面板上市电灯亮;
b.按下单台UPS开机ON键4S,两台UPS此时同时开机,逆变指示灯,输出指示灯亮。
测量两台UPS输出电压正常,闭合两台UPS的输出开关,UPS开机操作成功!
3.关机:
逆变状态下依次关机,首先对负载进行保存,然后断开两台UPS输出开关。
依次对机器进行关机动作(按下两台UPS的OFF键),当最后一台机
器完成关机动作时,各台机器同时关断逆变器而转至旁路状态。
此时,断开UPS电池开关,断开输入开关,关机操作结束!
维护:
1. 正常时(UPS很少后备供电的情况下),电池可每到4至6个月充,放电一次,放电至关机后连续充电,且标准充电时间不少于12个小时。
请注意必须带上百分之五十以上的负载进行放电,以保持电池的寿命。
2. 请每隔一个月对UPS主机的风扇口灰尘进行清扫一次,以保证UPS充分散热(切勿用湿抹布,用毛刷即可!)。
1+1的直接并机系统与N +1模块式并联UPS 的区别1. 供电系统的可靠性高大量的UPS 电源的运行实践表明:随着位于UPS 冗余系统中的UPS 单机的数量增加,整个UPS 并机系统的可靠性是不断下降的。
见下表的数据:注: 1. 数据来源于美国军用标准MIL-HDBK-217C and Reliability Engineering, 1997.2. A 在表中是把UPS 单机的MTBF (平均无故障率时间) 取为1来进行相对比较的。
2.供电系统抗”输出过载”的能力强冗余系统中的UPS 单机的数量增加会导致整套UPS 冗余并机系统的“输出功率的余量”也在逐渐地减小(这意味着:UPS 并机系统的抗”输出过载”能力也在逐渐地降低)。
因此,从应用技术的角度看,用户应尽量地选用最可靠的“1+1”型冗余供电系统。
见下表的数据:133%负载功率 125%载功率3. 有输出隔离变压器艾默生的中大功率UPS 系列产品带输出隔离变压器。
UPS 逆变器在输出隔离变压器的原边绕组中流过的高频滤波电流及三相输出不平衡电流所产生的”零线对地线”的共模干扰电源不会被耦合到变压器的副边绕组上。
所以,UPS 输出电源的”零线对地线”的电位很低(仅为0.6伏左右)。
完全满足服务器要求其供电电源的”零线对地线”的电位<1伏的技术需求。
而模块式UPS 没有输出的隔离变压器,所以”零线对地线”,抗过载能力和三相不平衡能力等输出特性均不如1+1并机。
4. 整体价格较低模块式UPS 的价格比同等容量的并联UPS 系统的价格要高。
模块式UPS 后期维护的成本也很高,只会更换整个模块。
而并机UPS 可以做到器件级的维修,降低用户后期的使用成本。
5. 承重问题由于模块式UPS 的电池往往内置在机架里,所以对地板的承重要求比较高。
并机系统的电池和UPS 是分开独立放置的,对承重无明显要求,且两者分开安放的安全性要高一些。
6. 应用问题目前模块式UPS 在电信等高端用户场合尚无规模运用,其产品本身的性能和可靠性没有得到市场的长期考验和认同。
ups并机操作流程下载温馨提示:该文档是我店铺精心编制而成,希望大家下载以后,能够帮助大家解决实际的问题。
文档下载后可定制随意修改,请根据实际需要进行相应的调整和使用,谢谢!并且,本店铺为大家提供各种各样类型的实用资料,如教育随笔、日记赏析、句子摘抄、古诗大全、经典美文、话题作文、工作总结、词语解析、文案摘录、其他资料等等,如想了解不同资料格式和写法,敬请关注!Download tips: This document is carefully compiled by theeditor. I hope that after you download them,they can help yousolve practical problems. The document can be customized andmodified after downloading,please adjust and use it according toactual needs, thank you!In addition, our shop provides you with various types ofpractical materials,such as educational essays, diaryappreciation,sentence excerpts,ancient poems,classic articles,topic composition,work summary,word parsing,copy excerpts,other materials and so on,want to know different data formats andwriting methods,please pay attention!1. 前期准备确保两台 UPS 型号、容量相同,且处于正常工作状态。
UPS并机说明:该方案是用两台艾默生iTrust Industry 40KVA系列UPS并联运行,每台分别连接单独的电池组。
艾默生iTrust Industry系列机器的关键词描述:它:1.属于高端机器,适用于石油、化工、电力行业。
2.属于工频机器,更加稳定可靠。
3.三进单出机器,使负载连接更方便。
4.直接并机工作,不需要并机柜,最多可达8台并联。
5.输入输出有隔离变压器,使电网和负载隔开,更加可靠安全。
6.面板有大屏幕中文显示屏。
7.采取电流均衡方式。
UPS“1+1”冗余并机原理图重要说明:1、两台UPS的主输入为380V(三相四线),可分别来自不同的变电所(当然也可选同一个变电所),但两个UPS的备用旁路输入(220V)必须是同一个电源。
这是因为,当两台UPS的逆变器同时出现故障时,两个UPS都将通过旁路输出,如果这时不是来自同一个电源则会出现压差和相位不同步的问题。
2、并机系统中每单台UPS都有一块并机板,通过电缆相连接。
系统配馈电柜输出到负载。
1、并机原理:iTrust Industry UPS在并联时,互相获取对方的频率、相位、电压、电流等参数,从而达到同相并均分电流。
这种技术在强大的微处理器功能支持下,就可达到输出同相并均分负载以及在故障时UPS快速脱离的功能。
iTrust Industry将UPS并机概念提高了一个崭新的高度。
当并机时,两台UPS均会跟踪旁路,使得频率、相位方面都已经非常接近了,但UPS还会小幅度快速调整输出电压的相位,因为当两台UPS之间出现相位差时,会产生环流。
而UPS通过各自的电流监测电路,发现电流增大时,则CPU会控制输出电压相位向相反方向移动,减少环流,反复多次,直到找到一个最小点,这就是同相点。
在正常情况下两台UPS同相并均分负载。
当负载加大时,会引起输出电流加大(△I>0),而输出电压降低(△V<0)电压及电流的变化值之乘积为负(△I×△V<0)。
UPS并联、串联介绍
1.冗余并联:将两台UPS直接并联输出,但UPS之间必须要有并联的控制电路;这样可以提供系统的可靠性,也可以用来增大系统的总容量
2.主从并联:将一台UPS的输出接到另外一台UPS的旁路输入,作为主UPS的备份机使用,在主UPS发生故障时自动转到这台UPS 供电,但要求主UPS的旁路输入可以与主交流电压输入分离;这样可以提供系统的可靠性
3.串联:将一台UPS的输出接到另外一台UPS的输入,两台UPS 同时带负载,前面的UPS故障后会传旁路,后面的UPS继续保护负载;这样也可以提高系统的可靠性
(1).冗余并联必须是同型号、同功率的UPS并联;主从并联可以不同型号、不同功率、甚至不同厂家的UPS并联;
(2).冗余并联必须安装在同一个位置;而主从并联可以安装在不同的位置;
(3).冗余并联UPS系统的可靠性要比主从并联的UPS的可靠性差一点,因为冗余并联至少要比主从并联多出一套并联控制系统,增加了故障点;
(4).冗余并联UPS的电池得到了相同的充电和放电过程,并且在市电长期不停电的情况下便于进行手动放电维护;主从并联UPS的主UPS的电池使用得较多,从UPS的电池很少使用,并且从UPS的电池不便于进行手动放电的维护。
UPS四种并机方式 (2007-05-18 20:56)
分类:STS/UPS技术
为了让设备有可靠的电源供应,在UPS的应用上有以下四种并机方式,有利提高了后备电源的可靠性
一、主从热备份
主机带负载,备机空载,备机接入主机的BYPASS(旁路)输入端(见图1).
优点:
●灵活性高,不受品牌限制.
●安装简单,无需额外调试.
●不增加额外辅助电路,不增加购置成本.
●可作n+1热备份,可分期扩容.
缺点:
●瞬时过载能力低.
●两机老化不一致.
●备机电池长期不处于浮充状态,影响电池寿命.
二、互动热备份
两机分别带负载,预先由人工分配负载,是主从热备份的的改进型(见图2). 优点:
●本方案是主从热备份的改进型,是人工一次分配负载的并机方案.除保留主从热备份的优点外全部克服其缺点.
●瞬间过载能力强.
●不存在备机电池长期浮充状态.
●没有冗余并机方案的致命弱点——环流.
缺点:
如果负载功率不能由人工分配时,此方案不适用.
三、互动热备份(ATS/STS)
单机带载,单元互动(见图3).
优点:
●由于采用单元互动,系统故障几率大大下降.
●两台UPS可轮换工作.
●没有瓶颈故障点.
缺点:
瞬时过载能力低.
四、冗余并联(N+X)
自动均分负载.从并机柜、并机模块、并机板、无线并机到数码控制自动并机(并机之UPS采用电流控制均分,完全独立控制)的发展过程(见图4).
优点:
●瞬间过载能力强.
●没有瓶颈故障点.
●自动均分功率.
缺点:
●存在环流,不同并机方法,具有不同环流.环流增加无功损耗,降低系
统可靠性.
●无论何种并机方案,均需增加额外辅助电路,随之而来是增加成本,增
加故障点.
五、结论
1、冗余并联功率均分,技术档次最高.如能彻底解决环流,才能认可本方案可靠性最高.但如果并机环流处理不好,则严重影响其可靠性,无功损耗增大.
2、目前流行的并机板冗余并机方案,由于采用电压控制方案,未能长度解决环流问题,除了调试均分负载困难外,还存在老化漂移及温度漂移的致命缺点.
3、如果冗余并机采用并机板方案,而又未解决环流这一核心问题,其并机可靠性还不如主从热备份,更不如互动热备份.
4、从兼顾可靠性与投资成本两方面原因考虑,建议采用互动热备份(ATS/STS).
5、有些品牌UPS单机运行可靠性已经很高,单机(仅逆变。