钢筋支架计算书(完整版)
- 格式:doc
- 大小:57.00 KB
- 文档页数:3
底板钢筋工程支架方案1)为了确保底板上部钢筋能承受钢筋施工和作业荷载。
在上层钢筋底部制作能承受重量的钢筋支架,以保证底板顶部钢筋位置正确和施工作业安全。
底板钢筋支架用φ28钢筋制作,纵横间距为800mm,支架之间的拉杆用φ25钢筋,每跨设纵向剪刀撑。
绑扎钢筋时,用电焊将承台钢筋与钢筋支架焊牢(详见附图),钢筋支架立杆设置止水钢板,同时在支架加工时确保加工精度,从而确保上皮钢筋的平整度和标高正确。
2)钢筋支架的计算:钢筋支架计算书一、参数信息:钢筋支架(马凳)应用于高层建筑中的大体积混凝土基础底板或者一些大型设备基础和高厚混凝土板等的上下层钢筋之间。
钢筋支架采用钢筋焊接制的支架来支承上层钢筋的重量,控制钢筋的标高和上部操作平台的全部施工荷载。
支架一般按排布置,立柱和上层采用φ28钢筋,斜杆采用φ25钢筋,焊接成一片进行布置。
对水平杆,进行强度和刚度验算,对立柱和斜杆,进行强度和稳定验算。
作用的荷载包括自重和施工荷载。
钢筋支架所承受的荷载包括上层钢筋的自重、施工人员及施工设备荷载。
钢筋支架的材料根据上下层钢筋间距的大小以及荷载的大小来确定,可采用钢筋或者型钢。
上层钢筋的自重荷载标准值为 1.200kN/m施工设备荷载标准值为 2.000kN/m施工人员荷载标准值为1.500kN/m横梁的截面抵抗矩 W=2.155cm3横梁钢材的弹性模量 E=2.05×105N/mm2横梁的截面惯性矩 I=3.017cm4立柱的高度 h=0.60m立柱的间距 l=0.80m钢材强度设计值 f=300N/mm2立柱的截面抵抗矩 W=2.155cm3二、支架横梁的计算支架横梁按照三跨连续梁进行强度和挠度计算,支架横梁在小横杆的上面。
按照支架横梁上面的脚手板和活荷载作为均布荷载计算支架横梁的最大弯矩和变形。
1.均布荷载值计算静荷载的计算值 q1=1.2×1.200+1.2×2.000=3.840kN/m活荷载的计算值 q2=1.4×1.500=2.100kN/m支架横梁计算荷载组合简图(跨中最大弯矩和跨中最大挠度)支架横梁计算荷载组合简图(支座最大弯矩)2.强度计算最大弯矩考虑为三跨连续梁均布荷载作用下的弯矩跨中最大弯矩计算公式如下:跨中最大弯矩为M1=(0.08×3.840+0.10×2.100)×0.802=0.331kN.m支座最大弯矩计算公式如下:支座最大弯矩为M2=-(0.10×3.120+0.117×2.100)×0.802=-0.357kN.m我们选择支座弯矩和跨中弯矩的最大值进行强度验算:=0.357×106/1534=232.72N/mm2支架横梁的计算强度小于300.0N/mm2,满足要求!3.挠度计算最大挠度考虑为三跨连续梁均布荷载作用下的挠度计算公式如下:静荷载标准值q1=0.600+2.000=2.600kN/m活荷载标准值q2=1.500kN/m三跨连续梁均布荷载作用下的最大挠度V=(0.677×2.600+0.990×1.500)×800.04/(100×2.05×105×19180)=3.38mm 支架横梁的最大挠度小于800.0/150与10mm,满足要求!三、支架立柱的计算支架立柱的截面积A=4.91cm2截面回转半径i=0.625cm立柱的截面抵抗矩W=1.534cm3支架立柱作为轴心受压构件进行稳定验算,计算长度按上下层钢筋间距确定:式中──立柱的压应力;N──轴向压力设计值;──轴心受压杆件稳定系数,根据立杆的长细比=h/i,经过查表得到,=0.580;A──立杆的截面面积,A=4.91cm2;[f]──立杆的抗压强度设计值,[f]=300N/mm2;采用第二步的荷载组合计算方法,可得到支架立柱对支架横梁的最大支座反力为经计算得到 N=2.52kN, =256.429N/mm2;立杆的稳定性验算σ<=[f],满足要求!。
泰州市东风路南段快速改造工程第一标段主线、B线、D线钢箱梁安装临时支架计算书主线支架 B匝道支架 D匝道支架南通市路桥工程有限公司2016年3月目录1、结构分析内容与结论 (1)1.1计算的依据 (1)1.2结构分析内容 (1)1.3 结构分析结论 (1)2、施工临时支架计算 (1)2.1 施工组织设计中临时支架的设计概况 (1)2.2 复核计算采用规范 (8)2.3 材料特性和容许值 (8)2.4 作用力取值 (9)3、主线钢支架计算分析 (11)3.1 计算模型 (11)3.2 外荷载作用 (12)3.3 主线钢支架结构分析结果 (13)4、B匝道钢支架计算分析 (20)4.1 计算模型 (20)4.2 外荷载作用 (21)4.3 B匝道钢支架结构分析结果 (22)5、D匝道钢支架计算分析 (29)5.1 计算模型 (29)5.2 外荷载作用 (30)5.3 D匝道钢支架结构分析结果 (31)6、基础及地基承载力验算 (37)泰州市东风路南段快速改造工程第一标段主线、B线、D线钢箱梁安装临时支架计算书1、结构分析内容与结论1.1计算的依据1、依据《泰州市东风路南段快速改造工程第一标段主线、B线、D线钢箱梁施工图》;2、依据泰州市东风路南段快速改造工程第一标段主线、B线、D线钢箱梁安装方案支架设计。
1.2结构分析内容依据钢管格构支架的结构设计构造大样图,根据《铁路钢桥制造规范》(TB 10212-2009)、《公路桥涵钢结构及木结构设计规范》(JTJ 025-86)和《钢结构设计规范》(GB 50017-2003)的要求,施工阶段考虑了钢管临时支架结构自重、施工机具和人群临时荷载,以及钢箱梁安装施工全过程作用于支架上的最不利荷载,分析计算施工阶段最不利荷载作用下钢管格构支架构件的应力和内力值、支架水平位移、基础支撑反力值。
1.3 结构分析结论在各施工阶段荷载作用下,钢管格构支架结构自重、施工机具和人群荷载,以及钢箱梁最不利值作用下,钢管格构支架的φ325x7mm钢管立柱、14#槽钢水平连杆和斜杆应力均满足规范要求;双拼32#工字钢弯曲应力满足规范要求;钢管格构支架的屈曲稳定系数满足规范要求。
恒智天成安全计算软件钢筋支架计算书一、参数信息恒智天成安全计算软件钢筋支架(马凳)应用于高层建筑中的大体积混凝土基础底板或者一些大型设备基础和高厚混凝土板等的上下层钢筋之间。
钢筋支架采用钢筋焊接制的支架来支承上层钢筋的重量,控制钢筋的标高和上部操作平台的全部施工荷载。
型钢主要采用角钢和槽钢组成。
型钢支架一般按排布置,立柱和上层一般采用型钢,斜杆可采用钢筋和型钢,焊接成一片进行布置。
对水平杆,进行强度和刚度验算,对立柱和斜杆,进行强度和稳定验算。
作用的荷载包括自重和施工荷载。
钢筋支架所承受的荷载包括上层钢筋的自重、施工人员及施工设备荷载。
钢筋支架的材料根据上下层钢筋间距的大小以及荷载的大小来确定,可采用钢筋或者型钢。
上层钢筋的自重荷载标准值为0.800 kN/m;施工设备荷载标准值为0.960 kN/m;施工人员荷载标准值为1.248 kN/m;横梁的截面抵抗矩W= 4.493 cm3;横梁钢材的弹性模量E=2.05×105 N/mm2;横梁的截面惯性矩I= 10.783 cm4;立柱的高度h= 1.88 m;立柱的间距l= 1.29 m;钢材强度设计值f= 206.00 N/mm2;二、支架横梁的计算支架横梁按照三跨连续梁进行强度和挠度计算,支架横梁在小横杆的上面。
按照支架横梁上面的脚手板和活荷载作为均布荷载计算支架横梁的最大弯矩和变形。
1.均布荷载值计算静荷载的计算值 q1=1.2×0.800+1.2×0.960=2.112 kN/m活荷载的计算值 q2=q2=1.4×1.248=1.747kN/m支架横梁计算荷载组合简图(跨中最大弯矩和跨中最大挠度)支架横梁计算荷载组合简图(支座最大弯矩)2.强度计算最大弯矩考虑为三跨连续梁均布荷载作用下的弯矩M1max=0.08q1l2+0.10q2l2跨中最大弯矩为M1=(0.08×2.112+0.10×1.747)×1.292=0.572kN.m支座最大弯矩计算公式如下:M2max=-0.10q1l2-0.117q2l2支座最大弯矩为M2=-(0.10×2.112 +0.117×1.747)×1.292=-0.692kN.m我们选择支座弯矩和跨中弯矩的最大值进行强度验算:σ=0.692×106/(4.493×103)=153.938N/mm2支架横梁的计算强度小于206.00 N/mm2,满足要求!3.挠度计算最大挠度考虑为三跨连续梁均布荷载作用下的挠度计算公式如下:νmax=(0.677q1+0.990q2)l4/100EI静荷载标准值q1= 0.800+0.960=1.760kN/m活荷载标准值q2=1.248kN/m三跨连续梁均布荷载作用下的最大挠度V max=(0.677×1.760 +0.990×1.248)×12904/(100×2.05×105×10.783×104)=3.040mm支架横梁的最大挠度3.040mm小于min(1290/150,10)mm,满足要求!三、支架立柱的计算支架立柱的截面积A=5.333 cm2截面回转半径i=1.719 cm立柱的截面抵抗矩W=6.062 cm3支架立柱作为轴心受压构件进行稳定验算,计算长度按上下层钢筋间距确定:σ = N/φA+M w/W ≤ [f]式中σ──立柱的压应力;N──轴向压力设计值;φ──轴心受压杆件稳定系数,根据立杆的长细比λ=h/i,经过查表得到,φ=0.521;A──立杆的截面面积,A=5.333 cm2;[f]──立杆的抗压强度设计值,[f]=206 N/mm2;采用第二步的荷载组合计算方法,可得到支架立柱对支架横梁的最大支座反力为N max=0.617q1l+0.583q2l经计算得到 N=0.617×2.112×1.290+0.583×1.747×1.290=2.995kN;σ=2.995×1000/(0.521×5.333×100)+0.692×1000/6.062=124.878N/mm2;立杆的稳定性验算σ<[f],满足要求!。
**大厦底板钢筋支架布置及计算书一、钢筋支架的布置主楼1.8m厚大底板钢筋支架立杆用L50×50角钢@1500双向,下端焊接在500mm长的L50×50角钢上,上端与支架横杆(L50×50角钢)焊接连接,中部水平杆及斜撑为Ф18钢筋@4500双向。
中部水平杆及斜撑沿周边通设。
钢筋支架横杆用L50×50角钢,焊接在立杆上,横向通长,纵向间距@1500,具体见下图。
50×50φ32@150单层双向φ32@150单层双向AФ18二级钢@4500AФ18二级钢@450050×50250×50A-A剖面图φ32@150单层双向Ф18二级钢@4500Ф18二级钢@4500φ32@150单层双向50×501L50×50立杆与下部水平角钢焊接L50×5050×50ф18斜撑与下部角钢焊接2立杆与上部水平角钢焊接50×50支架强度计算1、立杆单根立杆受荷面积为:1.5×1.5=2.25㎡每平方米上层钢筋重量:(2×1000/150)×6.31=84.13kg每平方米施工荷载按200 kg考虑,考虑到浇捣混凝土时冲击荷载施工荷载取300 kg/㎡。
单根立杆承受荷载为P=2.25×(300+84.13)=0.864t=8.64KN立杆按两端铰支计算(实际为上下端焊接,计算偏于安全)立杆压弯失稳临界力Pcr=π2EI/L2(1)其中:E为钢材弹性模量,取2.0×105N/mm2I为L50×50角钢惯矩,I=[By23-(B-b)·(y2-t)3-by13]=3.8652×104㎜4L为立杆长度取1600㎜由(1)式可计算得:Pcr=3.142×2.0×105×3.8652×104/16002=29.77KN由Pcr>P可知立杆满足要求2、横杆横杆按多跨连续梁计算。
钢筋支架计算书计算依据:1、《钢结构设计规范》GB50017-2014一、参数信息钢筋支架(马凳)应用于高层建筑中的大体积混凝土基础底板或者一些大型设备基础和高厚混凝土板等的上下层钢筋之间。
钢筋支架采用钢筋焊接制的支架来支承上层钢筋的重量,控制钢筋的标高和上部操作平台的全部施工荷载。
钢筋支架示意图作用的荷载包括自重和施工荷载。
钢筋支架所承受的荷载包括上层钢筋的自重、施工人员及施工设备荷载。
钢筋支架的材料根据上下层钢筋间距的大小以及荷载的大小来确定,可采用钢筋或者型钢。
1.基本参数支架横梁间距l a(m) 1.00 钢材强度设计值f(N/mm2)300.000.29 施工人员荷载标准值(kN/m2)0.50上层钢筋的自重荷载标准值(kN/m2)施工设备荷载标准值(kN/m2)0.502.横梁参数横梁材质HRB400Φ22钢筋钢筋级别HRB400钢筋直径(mm)22 最大允许挠度(mm) 6横梁的截面抵抗矩W(cm3) 1.045 横梁钢材的弹性模量E(N/mm2) 2.05×105横梁的截面惯性矩I(cm4) 1.1503.立柱参数立柱高度h(m) 1.13 立柱间距l(m) 1.00立柱材质HRB400Φ22钢筋钢筋级别HRB400钢筋直径(mm)22二、支架横梁的计算支架横梁按照三跨连续梁进行强度和挠度计算,支架横梁在小横杆的上面。
按照支架横梁上面的脚手板和活荷载作为均布荷载计算支架横梁的最大弯矩和变形。
1.均布荷载值计算静荷载的计算值q1=1.2×0.29×1.00=0.35 kN/m活荷载的计算值q2=1.4×0.50×1.00+1.4×0.50×1.00=1.40 kN/m支架横梁计算荷载组合简图(跨中最大弯矩和跨中最大挠度)支架横梁计算荷载组合简图(支座最大弯矩)2.强度计算最大弯矩考虑为三跨连续梁均布荷载作用下的弯矩M1max=0.08q1l2+0.10q2l2跨中最大弯矩为M1=(0.08×0.35+0.10×1.40)×1.002=0.168 kN·m支座最大弯矩计算公式如下:M2max=-0.10q1l2-0.117q2l2支座最大弯矩为M2=-(0.10×0.35+0.117×1.40)×1.002=-0.199 kN·m我们选择支座弯矩和跨中弯矩的最大值进行强度验算:σ=0.199×106/1045.36=189.981 N/mm2支架横梁的计算强度小于360.00 N/mm2,满足要求!3.挠度计算最大挠度考虑为三跨连续梁均布荷载作用下的挠度计算公式如下:νmax=(0.677q1+0.990q2)l4/100EI静荷载标准值q1=0.29kN/m活荷载标准值q2=0.50+0.50=1.00kN/m三跨连续梁均布荷载作用下的最大挠度νmax=(0.677×0.29+0.990×1.00)×1000.004/(100×2.05×105×11499.01)=5.033mm 支架横梁的最大挠度5.033mm小于6mm,满足要求!三、支架立柱的计算支架立柱的截面积A=3.80 cm2截面回转半径i=0.55 cm立柱的截面抵抗矩W=1.05 cm3支架立柱作为轴心受压构件进行稳定验算,计算长度按上下层钢筋间距确定:σ = N/φA ≤ [f]式中σ──立柱的压应力;N──轴向压力设计值;φ──轴心受压杆件稳定系数,根据立杆的长细比λ=h/i=205,经过查表得到,φ=0.172;A──立杆的截面面积,A=3.80 cm2;[f]──立杆的抗压强度设计值,[f]=360.00 N/mm2;采用第二步的荷载组合计算方法,可得到支架立柱对支架横梁的最大支座反力为N max=1.1q1l经计算得到 N=1.1×0.348×1=0.383kN;σ=0.383×1000/(0.172×3.801×100)=5.855N/mm2;立杆的稳定性验算 σ≤[f],满足要求!。
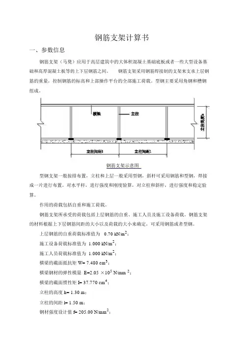
钢筋支架计算书一、参数信息钢筋支架(马凳)应用于高层建筑中的大体积混凝土基础底板或者一些大型设备基础和高厚混凝土板等的上下层钢筋之间。
钢筋支架采用钢筋焊接制的支架来支承上层钢筋的重量,控制钢筋的标高和上部操作平台的全部施工荷载。
型钢主要采用角钢和槽钢组成。
钢筋支架示意图型钢支架一般按排布置,立柱和上层一般采用型钢,斜杆可采用钢筋和型钢,焊接成一片进行布置。
对水平杆,进行强度和刚度验算,对立柱和斜杆,进行强度和稳定验算。
作用的荷载包括自重和施工荷载。
钢筋支架所承受的荷载包括上层钢筋的自重、施工人员及施工设备荷载。
钢筋支架的材料根据上下层钢筋间距的大小以及荷载的大小来确定,可采用钢筋或者型钢。
上层钢筋的自重荷载标准值为0.70 kN/m2;施工设备荷载标准值为1.000 kN/m2;施工人员荷载标准值为1.000 kN/m2;横梁的截面抵抗矩W= 7.480 cm3;横梁钢材的弹性模量E=2.05×105 N/mm2;横梁的截面惯性矩I= 37.770 cm4;立柱的高度h= 1.30 m;立柱的间距l= 1.50 m;钢材强度设计值f= 205.00 N/mm2;二、支架横梁的计算支架横梁按照三跨连续梁进行强度和挠度计算,支架横梁在小横杆的上面。
按照支架横梁上面的脚手板和活荷载作为均布荷载计算支架横梁的最大弯矩和变形。
1.均布荷载值计算静荷载的计算值q1=1.2×0.70×1.50=1.26 kN/m活荷载的计算值q2=1.4×1.00×1.50+1.4×1.00×1.50=4.20 kN/m支架横梁计算荷载组合简图(跨中最大弯矩和跨中最大挠度)支架横梁计算荷载组合简图(支座最大弯矩)2.强度计算最大弯矩考虑为三跨连续梁均布荷载作用下的弯矩M1max=0.08q1l2+0.10q2l2跨中最大弯矩为M1=(0.08×1.26+0.10×4.20)×1.502=1.172 kN·m支座最大弯矩计算公式如下:M2max=-0.10q1l2-0.117q2l2支座最大弯矩为M2=-(0.10×1.26+0.117×4.20)×1.502=-1.389 kN·m我们选择支座弯矩和跨中弯矩的最大值进行强度验算:σ=1.389×106/7480.00=185.715 N/mm2支架横梁的计算强度小于205.00 N/mm2,满足要求!3.挠度计算最大挠度考虑为三跨连续梁均布荷载作用下的挠度计算公式如下:νmax=(0.677q1+0.990q2)l4/100EI静荷载标准值q1=1.05kN/m2活荷载标准值q2=1.50+1.50=3.00kN/m2三跨连续梁均布荷载作用下的最大挠度νmax=(0.677×1.05+0.990×3.00)×1500.004/(100×2.05×105×377700.00)=2.407mm支架横梁的最大挠度2.41mm小于min(1500/150,10)mm,满足要求!三、支架立柱的计算支架立柱的截面积A=8.16 cm2截面回转半径i=2.15 cm立柱的截面抵抗矩W=7.48 cm3支架立柱作为轴心受压构件进行稳定验算,计算长度按上下层钢筋间距确定:σ = N/φA ≤ [f]式中σ──立柱的压应力;N──轴向压力设计值;φ──轴心受压杆件稳定系数,根据立杆的长细比λ=h/i=60,经过查表得到,φ=0.818;A──立杆的截面面积,A=8.16 cm2;[f]──立杆的抗压强度设计值,[f]=205.00 N/mm2;采用第二步的荷载组合计算方法,可得到支架立柱对支架横梁的最大支座反力为N max=0.617q1l+0.583q2l经计算得到N=0.617×1.26×1.5+0.583×4.2×1.5=4.84kN;σ=4.84×1000/(0.82×8.16×100)=7.25N/mm2;立杆的稳定性验算σ≤[f],满足要求!。
钢筋支架计算书一、参数信息钢筋支架(马凳)应用于高层建筑中的大体积混凝土基础底板或者一些大型设备基础和高厚混凝土板等的上下层钢筋之间。
钢筋支架采用钢筋焊接制的支架来支承上层钢筋的重量,控制钢筋的标高和上部操作平台的全部施工荷载。
型钢主要采用角钢和槽钢组成。
钢筋支架示意图型钢支架一般按排布置,立柱和上层一般采用型钢,斜杆可采用钢筋和型钢,焊接成一片进行布置。
对水平杆,进行强度和刚度验算,对立柱和斜杆,进行强度和稳定验算。
作用的荷载包括自重和施工荷载。
钢筋支架所承受的荷载包括上层钢筋的自重、施工人员及施工设备荷载。
钢筋支架的材料根据上下层钢筋间距的大小以及荷载的大小来确定,可采用钢筋或者型钢。
上层钢筋的自重荷载标准值为0.70 kN/m2;施工设备荷载标准值为 1.000 kN/m2;施工人员荷载标准值为 1.000 kN/m2;横梁的截面抵抗矩 W= 7.480 cm3;横梁钢材的弹性模量 E=2.05 ×105 N/mm 2;横梁的截面惯性矩 I= 37.770 cm4;立柱的高度 h= 1.30 m;立柱的间距 l= 1.50 m;钢材强度设计值 f= 205.00 N/mm2;二、支架横梁的计算支架横梁按照三跨连续梁进行强度和挠度计算,支架横梁在小横杆的上面。
按照支架横梁上面的脚手板和活荷载作为均布荷载计算支架横梁的最大弯矩和变形。
1.均布荷载值计算静荷载的计算值q1=1.2 ×0.70 ×1.50=1.26 kN/m活荷载的计算值q2=1.4 ×1.00 ×1.50+1.4 1×.00 ×1.50=4.20 kN/m支架横梁计算荷载组合简图(跨中最大弯矩和跨中最大挠度)支架横梁计算荷载组合简图(支座最大弯矩 )2.强度计算最大弯矩考虑为三跨连续梁均布荷载作用下的弯矩M 1max=0.08q1l2+0.10q2l2跨中最大弯矩为M 1=(0.08 ×1.26+0.10 4×.20) ×1.502=1.172 kN m·支座最大弯矩计算公式如下:M 2max=-0.10q1l2 -0.117q2l 2支座最大弯矩为M 2=-(0.10 1×.26+0.117 4×.20) ×1.502=-1.389 kN m·我们选择支座弯矩和跨中弯矩的最大值进行强度验算:σ =1.38962× 10/7480.00=185.715 N/mm支架横梁的计算强度小于205.00 N/mm2,满足要求!3.挠度计算最大挠度考虑为三跨连续梁均布荷载作用下的挠度计算公式如下 :νmax=(0.677q1+0.990q2)l4/100EI静荷载标准值 q1=1.05kN/m2活荷载标准值 q2=1.50+1.50=3.00kN/m2三跨连续梁均布荷载作用下的最大挠度νmax=(0.677×1.05+0.990 3×.00)×1500.004/(100×2.05×105×377700.00)=2.407mm 支架横梁的最大挠度 2.41mm小于 min(1500/150,10)mm,满足要求 !三、支架立柱的计算2支架立柱的截面积 A=8.16 cm立柱的截面抵抗矩 W=7.48 cm3支架立柱作为轴心受压构件进行稳定验算,计算长度按上下层钢筋间距确定:σ= N/ φ A ≤ [f]式中σ──立柱的压应力;N──轴向压力设计值;φ──轴心受压杆件稳定系数 ,根据立杆的长细比λ =h/i=60,经过查表得到 , φ=0.818;A──立杆的截面面积 ,A=8.16 cm2;[f]──立杆的抗压强度设计值, [f] =205.00 N/mm2;采用第二步的荷载组合计算方法,可得到支架立柱对支架横梁的最大支座反力为N max=0.617q1l+0.583q2l经计算得到N=0.617 ×1.26 ×1.5+0.583 ×4.2 ×1.5=4.84kN;2σ =4.84 × 1000/(0.82× 8.16× 100)=7.25N/mm;立杆的稳定性验算σ≤ [f],满足要求 !。
钢筋支架计算书一、参数信息:钢筋支架(马凳)应用于高层建筑中的大体积混凝土基础底板或者一些大型设备基础和高厚混凝土板等的上下层钢筋之间。
钢筋支架采用钢筋焊接制的支架来支承上层钢筋的重量,控制钢筋的标高和上部操作平台的全部施工荷载。
型钢主要采用角钢和槽钢组成。
型钢支架一般按排布置,立柱和上层一般采用型钢,斜杆可采用钢筋和型钢,焊接成一片进行布置。
对水平杆,进行强度和刚度验算,对立柱和斜杆,进行强度和稳定验算。
作用的荷载包括自重和施工荷载。
钢筋支架所承受的荷载包括上层钢筋的自重、施工人员及施工设备荷载。
钢筋支架的材料根据上下层钢筋间距的大小以及荷载的大小来确定,可采用钢筋或者型钢。
上层钢筋的自重荷载标准值为 1.3kN/m施工设备荷载标准值为 3.25kN/m施工人员荷载标准值为1.95kN/m横梁的截面抵抗矩 W=49cm3横梁钢材的弹性模量 E=2.05×105N/mm2横梁的截面惯性矩 I=245cm4立柱的高度 h=1.50m立柱的间距 l=1.20m钢材强度设计值 f=205.00N/mm2立柱的截面抵抗矩 W=49cm3二、支架横梁的计算支架横梁按照三跨连续梁进行强度和挠度计算,支架横梁在小横杆的上面。
按照支架横梁上面的脚手板和活荷载作为均布荷载计算支架横梁的最大弯矩和变形。
1.均布荷载值计算静荷载的计算值 q1=1.2×1.3+1.2×3.25=5.46kN/m活荷载的计算值 q2=1.4×1.95=2.73kN/m支架横梁计算荷载组合简图(跨中最大弯矩和跨中最大挠度)支架横梁计算荷载组合简图(支座最大弯矩)2.强度计算最大弯矩考虑为三跨连续梁均布荷载作用下的弯矩跨中最大弯矩计算公式如下:跨中最大弯矩为M1=(0.08×5.46+0.10×2.73)×1.202=1.022kN.m支座最大弯矩计算公式如下:支座最大弯矩为M2=-(0.10×5.46 +0.117×2.73)×1.202=-1.246kN.m 我们选择支座弯矩和跨中弯矩的最大值进行强度验算:=1.246×106/49000=25.429N/mm2支架横梁的计算强度小于205.0N/mm2,满足要求!3.挠度计算最大挠度考虑为三跨连续梁均布荷载作用下的挠度计算公式如下:静荷载标准值q1= 1.3+3.25=4.55kN/m活荷载标准值q2= 1.95kN/m三跨连续梁均布荷载作用下的最大挠度V=(0.677×4.55 +0.990×1.95)×12004/(100×2.05×105×2450000)=0.207mm支架横梁的最大挠度小于1200/150与10mm,满足要求!三、支架立柱的计算支架立柱的截面积A=14.345cm2截面回转半径i=4.14cm立柱的截面抵抗矩W=49cm3支架立柱作为轴心受压构件进行稳定验算,计算长度按上下层钢筋间距确定:式中──立柱的压应力;N──轴向压力设计值;──轴心受压杆件稳定系数,根据立杆的长细比=h/i,经过查表得到,=0.899;A──立杆的截面面积,A=14.345cm2;[f]──立杆的抗压强度设计值,[f]=205.00N/mm2;采用第二步的荷载组合计算方法,可得到支架立柱对支架横梁的最大支座反力为经计算得到 N=5.952kN, =30.044N/mm2;不考虑风荷载时,立杆的稳定性验算σ小于或等于[f],满足要求!。
钢筋支架计算书一、参数信息:钢筋支架(马凳)应用于高层建筑中的大体积混凝土基础底板或者一些大型设备基础和高厚混凝土板等的上下层钢筋之间。
钢筋支架采用钢筋焊接制的支架来支承上层钢筋的重量,控制钢筋的标高和上部操作平台的全部施工荷载。
型钢主要采用角钢和槽钢组成。
型钢支架一般按排布置,立柱和上层一般采用型钢,斜杆可采用钢筋和型钢,焊接成一片进行布置。
对水平杆,进行强度和刚度验算,对立柱和斜杆,进行强度和稳定验算。
作用的荷载包括自重和施工荷载。
钢筋支架所承受的荷载包括上层钢筋的自重、施工人员及施工设备荷载。
钢筋支架的材料根据上下层钢筋间距的大小以及荷载的大小来确定,可采用钢筋或者型钢。
上层钢筋的自重荷载标准值为 m施工设备荷载标准值为 m施工人员荷载标准值为m横梁的截面抵抗矩 W=49cm3横梁钢材的弹性模量 E=×105N/mm2横梁的截面惯性矩 I=245cm4立柱的高度 h=1.50m立柱的间距 l=1.20m钢材强度设计值 f=mm2立柱的截面抵抗矩 W=49cm3二、支架横梁的计算支架横梁按照三跨连续梁进行强度和挠度计算,支架横梁在小横杆的上面。
按照支架横梁上面的脚手板和活荷载作为均布荷载计算支架横梁的最大弯矩和变形。
1.均布荷载值计算静荷载的计算值 q1=×+×=m活荷载的计算值 q2=×=m支架横梁计算荷载组合简图(跨中最大弯矩和跨中最大挠度)支架横梁计算荷载组合简图(支座最大弯矩)2.强度计算最大弯矩考虑为三跨连续梁均布荷载作用下的弯矩跨中最大弯矩计算公式如下:跨中最大弯矩为M1=×+××= 支座最大弯矩计算公式如下:支座最大弯矩为M2=-× +××= 我们选择支座弯矩和跨中弯矩的最大值进行强度验算:=×106/49000=mm2支架横梁的计算强度小于mm2,满足要求!3.挠度计算最大挠度考虑为三跨连续梁均布荷载作用下的挠度计算公式如下:静荷载标准值q1= +=m活荷载标准值q2= m三跨连续梁均布荷载作用下的最大挠度V=× +××12004/(100××105×2450000)=0.207mm支架横梁的最大挠度小于1200/150与10mm,满足要求!三、支架立柱的计算支架立柱的截面积A=14.345cm2截面回转半径i=4.14cm立柱的截面抵抗矩W=49cm3支架立柱作为轴心受压构件进行稳定验算,计算长度按上下层钢筋间距确定:式中──立柱的压应力;N──轴向压力设计值;──轴心受压杆件稳定系数,根据立杆的长细比=h/i,经过查表得到,=; A──立杆的截面面积,A=14.345cm2;[f]──立杆的抗压强度设计值,[f]=mm2;采用第二步的荷载组合计算方法,可得到支架立柱对支架横梁的最大支座反力为经计算得到 N=, =mm2;不考虑风荷载时,立杆的稳定性验算σ小于或等于[f],满足要求!。
0#段、边跨现浇段支架检算一、编制依据1、施工图设计文件及地勘报告,以及设计变更、补充、修改图纸及文件资料。
2、国家有关的政策、法规、施工验收规范和工程建设标准强制性条文,以及现行有关施工技术规范、标准等。
3、参考《建筑施工扣件式钢管脚手架安全技术规范》、《混凝土工程模板与支架技术》、《铁路桥涵施工手册》、《建筑施工计算手册》。
二、现浇箱梁满堂支架布置及搭设要求采用扣件式脚手架搭设,使用与立杆配套的横杆及立杆可调底座、立杆可调托撑。
立杆顶设二层方木,立杆顶托上横桥向设10×10cm方木;横向方木上设10×10cm的纵向方木,其中腹板下间距15cm,翼板下间距35cm,底板下25cm。
模板用厚15mm的优质竹胶合板。
腹板下立杆横桥向间距×纵桥向间距×横杆步距为30cm×60cm×60cm,翼板下立杆横桥向间距×纵桥向间距×横杆步距为60cm×60cm×120cm支架结构体系,底板下立杆横桥向间距×纵桥向间距×横杆步距为60cm×60cm×120cm支架结构体系,支架纵横均每隔四排设置剪刀撑.三、计算假定:a、翼缘板砼(一区)及模板重量由翼缘板下支架承担;b、腹板砼(二区)及模板重量由腹板模板与其下支架承担。
c、顶板及底板砼(三)及模板重量由底板模板及底板支架承担;d、支架连接按铰接计算;四、现浇箱梁支架、模板验算0#段与边跨现浇段模板、支架采用同等形式施工,0#段施工荷载大于现浇段,所以只进行0#段支架、模板验算。
㈠、荷载计算1、荷载分析根据本桥0#段箱梁的结构特点,在施工过程中将涉及到以下荷载形式:⑴q1——箱梁自重荷载,新浇混凝土密度取2600kg/m3。
⑵q2——根据《路桥施工计算手册》中,模板、组合钢模、连接件及钢楞容重为0.75kN/m2, 此处取q2=1.0kPa(偏于安全)。
广场工程地下室底板钢筋支架计算书一、参数信息:钢筋支架(马凳)应用于高层建筑中的大体积混凝土基础底板或者一些大型设备基础和高厚混凝土板等的上下层钢筋之间。
钢筋支架采用钢筋焊接制的支架来支承上层钢筋的重量,控制钢筋的标高和上部操作平台的全部施工荷载。
型钢主要采用角钢和槽钢组成。
型钢支架一般按排布置,立柱和上层一般采用型钢,斜杆可采用钢筋和型钢,焊接成一片进行布置。
对水平杆,进行强度和刚度验算,对立柱,进行强度和稳定验算。
作用的荷载包括自重和施工荷载。
钢筋支架所承受的荷载包括上层钢筋的自重、施工人员及施工设备荷载。
钢筋支架的材料根据上下层钢筋间距的大小以及荷载的大小来确定,可采用钢筋或者型钢。
上层钢筋的自重荷载标准值为1.500kN/m2施工设备荷载标准值为2.000kN/m2施工人员荷载标准值为2.000kN/m2横梁采用8#槽钢横梁的截面抵抗矩W=25.3cm3横梁钢材的弹性模量E=2.05×105N/mm2横梁的截面惯性矩I=101.3cm4立柱采用8#槽钢立柱的高度h=4.5m立柱的间距l=2m钢材强度设计值f=205N/mm2立柱的截面抵抗矩W=25.3cm3二、支架横梁的计算支架横梁按照三跨连续梁进行强度和挠度计算,支架横梁在小横杆的上面。
按照支架横梁上面的脚手板和活荷载作为均布荷载计算支架横梁的最大弯矩和变形。
1.均布荷载值计算静荷载的计算值q1=1.2×1.500+1.2×2.000=4.200kN/m活荷载的计算值q2=1.4×2.000=2.800kN/m支架横梁计算荷载组合简图(跨中最大弯矩和跨中最大挠度)支架横梁计算荷载组合简图(支座最大弯矩)2.强度计算最大弯矩考虑为三跨连续梁均布荷载作用下的弯矩跨中最大弯矩计算公式如下:跨中最大弯矩为M1=(0.08×4.200+0.10×2.800)×2.002=2.464kN.m支座最大弯矩计算公式如下:支座最大弯矩为M2=-(0.10×4.200+0.117×2.800)×2.002=-2.990kN.m我们选择支座弯矩和跨中弯矩的最大值进行强度验算:=2.990×106/25300.0=118.198N/mm2支架横梁的计算强度小于205N/mm2,满足要求!3.挠度计算最大挠度考虑为三跨连续梁均布荷载作用下的挠度计算公式如下:静荷载标准值q1=1.500+2.000=3.500kN/m活荷载标准值q2=2.000kN/m三跨连续梁均布荷载作用下的最大挠度V=(0.677×3.500+0.990×2.000)×2000.04/(100×2.05×105×1013000.0)=3.351mm支架横梁的最大挠度小于2000.0/150与10mm,满足要求!三、支架立柱的计算支架立柱的截面积A=10.24cm2截面回转半径i=3.150cm立柱的截面抵抗矩W=25.3cm3支架立柱作为轴心受压构件进行稳定验算,计算长度按上下层钢筋间距确定:式中──立柱的压应力;N──轴向压力设计值;──轴心受压杆件稳定系数,根据立杆的长细比=h/i,经过查表得到,=0.340;A──立杆的截面面积,A=10.24cm2;[f]──立杆的抗压强度设计值,[f]=205N/mm2;采用第二步的荷载组合计算方法,可得到支架立柱对支架横梁的最大支座反力为经计算得到N=8.45kN, =142.461N/mm2;立杆的稳定性验算σ<=[f],满足要求!。
钢筋支架计算书一、参数信息钢筋支架(马凳)应用于高层建筑中的大体积混凝土基础底板或者一些大型设备基础和高厚混凝土板等的上下层钢筋之间。
钢筋支架采用钢筋焊接制的支架来支承上层钢筋的重量,控制钢筋的标高和上部操作平台的全部施工荷载。
本工程塔楼范围内底板钢筋支架主要采用角钢(L50×5.0)和槽钢(8#槽钢)组成;其他底板钢筋支架采用25#螺纹钢筋制作。
其中8#轻型槽钢焊接钢筋支撑网架间距2000通长设置,25钢筋焊接马凳间距1000通长设置。
底板钢筋支架示意图塔楼底板钢筋支架平面布置图塔楼部分钢筋支架剖面图其他底板钢筋支架大样图型钢支架按排布置,立柱和上层采用型钢,斜撑采用L50×5.0角钢,焊接成一片进行布置。
对水平杆,进行强度和刚度验算,对立柱,进行强度和稳定验算。
二、塔楼范围底板钢筋支架承载力验算1.支架横梁1的计算作用的荷载包括自重和施工荷载。
钢筋支架所承受的荷载包括上层钢筋的自重、施工人员及施工设备荷载。
钢筋支架的材料根据上下层钢筋间距的大小以及荷载的大小来确定,可采用钢筋或者型钢。
上层钢筋的自重荷载标准值为4.80 kN/m;施工设备荷载标准值为16.000 kN/m(其中集中堆载按5KN/m2考虑);施工人员荷载标准值为5.000 kN/m(根据GB50009-2012取值);横梁的截面抵抗矩W= 25.300 cm3;横梁钢材的弹性模量E=2.05×105 N/mm2;横梁的截面惯性矩I= 101.300 cm4;立柱的高度h= 3.10 m;立柱的间距l= 1.00 m;钢材强度设计值f= 215.00 N/mm2;支架横梁1按照简支梁及悬臂梁进行强度和挠度计算。
按照支架横梁上面的脚手板和活荷载作为均布荷载计算支架横梁的最大弯矩和变形。
1.1均布荷载值计算静荷载的计算值 q1=1.2×4.80=5.76 kN/m活荷载的计算值 q2=1.4×5.00+1.4×16.00=29.40 kN/m均布荷载计算值 q=q1+q2=5.76+29.40=35.16 kN/m其中 l1=1.0m,l2=0.5m;支架横梁计算荷载组合简图1.2强度计算(1)中间跨简支梁在均布荷载作用下的弯矩M1max=ql12/8- ql22/2跨中最大弯矩为M1=35.16×(12/8-0.52/2)=0 kN·m支座最大弯矩计算公式如下:M2max=-ql22/2支座最大弯矩为M2=-0.5×35.16×0.52=-4.395kN·m(2)边跨简支梁在均布荷载作用下的弯矩(不考虑集中堆载)静荷载的计算值 q1=1.2×4.80=5.76 kN/m活荷载的计算值 q2=1.4×5.00=7.00 kN/m均布荷载计算值 q=q1+q2=5.76+7.00=12.16 kN/m其中 l3=2.0m,l2=0.5m;M1max=ql32/8- ql22/4跨中最大弯矩为M1=12.16×(22/8-0.52/4)=5.32 kN·m支座最大弯矩计算公式如下:M2max=-ql22/2支座最大弯矩为M2=-0.5×12.16×0.52=-1.52kN·m我们选择支座弯矩和跨中弯矩的最大值进行强度验算:σ=5.32×106/25300.00=210.3 N/mm2支架横梁的计算强度小于215.00 N/mm2,满足要求! 1.3挠度计算简支梁在均布荷载作用下的挠度静荷载标准值 q1=4.80kN/m活荷载标准值 q2=5.00+16.00=21.00kN/m均布荷载标准值 q=q1+q2=25.80 kN/m其中 l1=1.0m,l2=0.5m;跨中挠度计算公式如下:ν1max =5ql14/384EI中间跨简支梁均布荷载作用下跨中的最大挠度ν1max=5×25.8×1000.004/(384×2.05×105×1013000.00)=1.617mm;悬臂梁在均布荷载作用下的挠度自由端挠度计算公式如下:ν2max =ql24/8EI中间跨悬臂梁均布荷载作用下自由端的最大挠度ν2max=25.8×0.54×1000.004/8×2.05×105×1013000.00=0.971mm;边跨简支梁均布荷载作用下跨中的最大挠度ν=5×9.8×8×1000.004/(384×2.05×105×1013000.00)=4.92mm;3max边跨悬臂梁均布荷载作用下自由端的最大挠度=9.8×0.54×1000.004/8×2.05×105×1013000.00=0.369mm;ν2max支架横梁的最大挠度4.92mm小于min(1000/150,10)mm,满足要求!2.支架横梁2的计算作用的荷载包括自重和施工荷载。
钢筋支架计算书一、参数信息:钢筋支架(马凳)应用于高层建筑中的大体积混凝土基础底板或者一些大型设备基础和高厚混凝土板等的上下层钢筋之间。
钢筋支架采用钢筋焊接制的支架来支承上层钢筋的重量,控制钢筋的标高和上部操作平台的全部施工荷载。
型钢主要采用角钢和槽钢组成。
型钢支架一般按排布置,立柱和上层一般采用型钢,斜杆可采用钢筋和型钢,焊接成一片进行布置。
对水平杆,进行强度和刚度验算,对立柱,进行强度和稳定验算。
作用的荷载包括自重和施工荷载。
钢筋支架所承受的荷载包括上层钢筋的自重、施工人员及施工设备荷载。
钢筋支架的材料根据上下层钢筋间距的大小以及荷载的大小来确定,可采用钢筋或者型钢。
1.基本参数立柱材质12.6号槽钢施工设备荷载标准值为 4.000kN/m施工人员荷载标准值为4.000kN/m横梁采用10号工字钢横梁的截面抵抗矩 W=49cm3横梁钢材的弹性模量E=2.05×105N/mm2横梁的截面惯性矩 I=245cm4立柱采用10号工字钢立柱的高度 h=4.5m立柱的间距 l=2m钢材强度设计值 f=205N/mm2立柱的截面抵抗矩 W=49cm3二、支架横梁的计算支架横梁按照三跨连续梁进行强度和挠度计算,支架横梁在小横杆的上面。
按照支架横梁上面的脚手板和活荷载作为均布荷载计算支架横梁的最大弯矩和变形。
1.均布荷载值计算静荷载的计算值 q1=1.2×3.000=3.600kN/m活荷载的计算值 q2=1.4×4.000+1.4×4.000=11.200kN/m支架横梁计算荷载组合简图(跨中最大弯矩和跨中最大挠度)支架横梁计算荷载组合简图(支座最大弯矩)2.强度计算最大弯矩考虑为三跨连续梁均布荷载作用下的弯矩跨中最大弯矩计算公式如下:跨中最大弯矩为:M1=(0.08×3.600+0.10×11.200)×2.002=5.632kN.m支座最大弯矩计算公式如下:支座最大弯矩为M2=-(0.10×3.600+0.117×11.200)×2.002=-6.682kN.m我们选择支座弯矩和跨中弯矩的最大值进行强度验算:σ=6.682×106/49000.0=136.359N/mm2支架横梁的计算强度小于205N/mm2,满足要求!3.挠度计算最大挠度考虑为三跨连续梁均布荷载作用下的挠度计算公式如下:静荷载标准值q1=3.000+4.000=7.000kN/m;活荷载标准值q2=4.000kN/m三跨连续梁均布荷载作用下的最大挠度V=(0.677×7.000+0.990×4.000)×2000.04/(100×2.05×105×2450000.0)=2.771mm支架横梁的最大挠度小于2000.0/150与10mm,满足要求三、支架立柱的计算支架立柱的截面积A=14.3cm2截面回转半径i=4.140cm立柱的截面抵抗矩W=49cm3支架立柱作为轴心受压构件进行稳定验算,计算长度按上下层钢筋间距确定:式中σ──立柱的压应力;N──轴向压力设计值;φ──轴心受压杆件稳定系数,根据立杆的长细比λ=h/i,经过查表得到,φ=0.53;A──立杆的截面面积,A=14.3cm2;[f]──立杆的抗压强度设计值,[f]=205N/mm2;Mw──立杆的受的最大弯矩值,Mw=6.68kN.m2;采用第二步的荷载组合计算方法,可得到支架立柱对支架横梁的最大支座反力为经计算得到 N=34.80kN, σ=182.276N/mm2;立杆的稳定性验算σ<=[f],满足要求!钢筋支架计算满足要求!。
钢筋支架计算书钢筋支架(马凳)应用于高层建筑中的大体积混凝土基础底板或者一些大型设备基础和高厚混凝土板等的上下层钢筋之间。
钢筋支架采用钢筋焊接制的支架来支承上层钢筋的重量,控制钢筋的标高和上部操作平台的全部施工荷载。
对水平杆,进行强度和刚度验算,对立柱和斜杆,进行强度和稳定验算。
作用的荷载包括自重和施工荷载。
钢筋支架所忍受的荷载包含上层钢筋的蔡国用、施工人员及砼冲击荷载。
钢筋支架的材料根据上下层钢筋间距的大小以及荷载的大小去确认,可以使用钢筋。
1、参数信息7-1#塔楼核心筒区域按照0.8×0.8米布置,7-2#塔楼核心筒区域按照1.5×1.5米布置,非核心筒区域立杆按照1.5×1.5米布置。
1、恒荷载:包括施工设备、材料恒荷载及钢筋自重荷载。
1)设备、材料恒载考虑为0.4kn/m。
2)钢筋自重荷载:7-1#塔楼底板钢筋(上层钢筋28@200双层双向,下层钢筋32/36@150单层双向)的恒荷载,28钢筋每米重量为4.84kg,排序0.8m×0.8m范围内28@200mm的钢筋恒荷载标准值,0.8m宽度范围内共计0.8/0.2=4根,则每平方米钢筋恒荷载为(4.84×0.8×4×4)/(0.8×0.8)=96.8kg/m2,即0.968kn/m2。
钢支撑横梁自重,0.8×4.84/(0.8×0.8)=6.05kg/m2,即0.06kn/m2。
由此则可得钢筋自重的线荷载为:(0.968+0.06)×0.8=0.822kn/m7-2#塔楼底板钢筋(上层钢筋32@160单层双向,下层钢筋32@160单层双向)的恒荷载。
32钢筋每米重量为6.31kg,排序1.0m×1.0m范围内28@200mm的钢筋恒荷载标准值,1.0m宽度范围内共计1.0/0.16=7根,则每平方米钢筋恒荷载为(6.31×1.0×7×2)/(1.0×1.0)=88.34kg/m2,即0.883kn/m2。
一、荷载统计:1、恒载:(1)结合上铁钢筋支撑架实际受力情况不须计入的荷载如下:1)模板及支架自重标准值G;1k2)新浇砼自重准值G;2k3)新浇砼对模板的侧压力标准值G;4k(2)只需要计入钢筋自重标准值G,按钢筋实际配筋量进行计3k算。
2、活载:(1)结合上铁钢筋支撑架实际受力情况不须计入的荷载如下:1)振捣砼时产生的荷载标准值Q;2k2)倾倒砼时产生的荷载标准值Q;3k(2)只需要计入施工人员及施工设备荷载标准值Q,根据现场1k实际情况进行计算,对于常规施工部位按3KN/m2。
二、荷载组合1、当恒载起控制作用时,荷载设计值按下式进行计算:1311.35 1.40.7d k K S G Q =+⨯注:对于1K Q 大于4 KN/m 2时,分项系数由1.4修改为1.3。
2、当活载起控制作用时,荷载设计值按下式进行计算:2311.2 1.4d k K S G Q =+注:对于1K Q 大于4 KN/m 2时,分项系数由1.4修改为1.3。
结构重要性系数取 =0.9 荷载设计值S=Max (1d S ,2d S ) 三、构件计算: 1、钢梁钢梁间距B ,作用于钢梁的线荷载0.9q S B =⨯⨯ (1)内力计算:钢梁按5跨连续梁计算,计算简图如下图所示:注:当进料长度不能满足5跨连续时,应根据静力计算手册,进行调整。
2M q L =⨯⨯表中系数 V q L=⨯⨯表中系数钢梁截面参数:截面面积A 、抵抗性矩W X 、惯性矩I (2)抗弯强度计算:XMf W ≤ 底板钢筋作为平面外的支点(3)剪应力计算:τV A≤ (4)挠度计算:430.9(L/1000,4)100K G B L f Min EI⨯⨯⨯⨯=≤表中系数2、立柱立柱截面参数:截面面积A 、抵抗性矩W X 、惯性矩I 、回转半径i 、立柱几何高度H 、侧向支撑间距h 0、净截面面积An 。
钢梁支座反力为立柱轴向压力,按五跨连续计算立柱轴向压力; R1=0.394q L ⨯ R2=(0.606+0.526)q L ⨯ R3=(0.474+0.5)q L ⨯立柱轴向压力F=Max(R1,R2,R3) (1)长细比计算: 立柱计算长度0H =H[]150H i λλ=≤=(2)轴心受压强度计算:[]n Ff f A =≤(3)稳定性计算:[]Ff f A ψ=≤在计算稳定性系数时,h i λ=其中h 0 为侧向支撑点间的距离;i为相应方向的回转半径,对于角钢选取最小回转半径。
钢筋支架计算书计算依据:1、《钢结构设计标准》GB50017-2017一、参数信息钢筋支架(马凳)应用于高层建筑中的大体积混凝土基础底板或者一些大型设备基础和高厚混凝土板等的上下层钢筋之间。
钢筋支架采用钢筋或型钢焊接制的支架来支承上层钢筋的重量,控制钢筋的标高和上部操作平台的全部施工荷载。
钢筋支架示意图型钢支架一般按排布置,立柱和上层一般采用型钢,斜杆可采用钢筋和型钢,焊接成一片进行布置。
对水平杆,进行强度和刚度验算,对立柱和斜杆,进行强度和稳定验算。
作用的荷载包括自重和施工荷载。
钢筋支架所承受的荷载包括上层钢筋的自重、施工人员及施工设备荷载。
钢筋支架的材料根据上下层钢筋间距的大小以及荷载的大小来确定,可采用钢筋或者型钢。
1.基本参数2.横梁参数3.立柱参数二、顶层支架横梁的计算支架横梁按照三跨连续梁进行强度和挠度计算,支架横梁在小横杆的上面。
按照支架横梁上面的脚手板和活荷载作为均布荷载计算支架横梁的最大弯矩和变形。
1.均布荷载值计算静荷载的计算值q1=1.2×1.10×1.50=1.98 kN/m活荷载的计算值q2=1.4×0.50×1.50+1.4×0.50×1.50=2.10 kN/m支架横梁计算荷载组合简图(跨中最大弯矩和跨中最大挠度)支架横梁计算荷载组合简图(支座最大弯矩)2.强度计算最大弯矩考虑为三跨连续梁均布荷载作用下的弯矩M1max=0.08q1l2+0.101q2l2跨中最大弯矩为M1=(0.08×1.98+0.101×2.10)×1.202=0.534 kN·m支座最大弯矩计算公式如下:M2max=-0.10q1l2-0.117q2l2支座最大弯矩为M2=-(0.10×1.98+0.117×2.10)×1.202=-0.639 kN·m我们选择支座弯矩和跨中弯矩的最大值进行强度验算:σ=0.639×106/5080.00=125.773 N/mm2<205 N/mm2满足要求!3.挠度计算最大挠度考虑为三跨连续梁均布荷载作用下的挠度计算公式如下:νmax=(0.677q1+0.990q2)l4/100EI静荷载标准值q1=1.65kN/m活荷载标准值q2=0.50×1.50+0.50×1.50=1.50 kN/m三跨连续梁均布荷载作用下的最大挠度νmax=(0.677×1.65+0.990×1.50)×1200.004/(100×2.05×105×12.19×104)=2.1592mm<Min( 1.20×103/150,10)=8.00mm满足要求!三、中间层支架横梁的计算支架横梁按照三跨连续梁进行强度和挠度计算,支架横梁在小横杆的上面。
钢筋支架计算书一、设计参数根据工程要求和结构设计要求,我们对钢筋支架进行计算。
以下是设计参数:1. 支架材料:选用高强度钢材;2. 支架尺寸:支架高度为H,宽度为W,厚度为T;3. 荷载要求:支架需要承受的垂直加载为P,水平荷载为F;4. 安全系数:选用适当的安全系数,确保支架的安全可靠;5. 工作环境:考虑支架所处的工作环境,包括温度、湿度等因素。
二、计算方法根据给定的设计参数,我们可以进行以下计算:1. 钢筋选择根据支架所需要承受的荷载和工作环境的要求,选择合适的高强度钢材,并计算所需的钢筋直径、间距等尺寸。
2. 支架高度计算根据支架所需承受的垂直加载和工作环境要求,计算支架的最小高度。
考虑安全系数和结构稳定性,确保支架能够承受垂直荷载。
3. 支架宽度计算根据支架所需承受的水平荷载和工作环境要求,计算支架的最小宽度。
考虑安全系数和结构稳定性,确保支架能够承受水平荷载。
4. 支架厚度计算根据支架所需承受的垂直和水平荷载,以及工作环境要求,计算支架的最小厚度。
考虑安全系数和结构稳定性,确保支架能够承受荷载并保持稳定。
5. 结构稳定性计算进行支架的结构稳定性计算,包括对支架的抗倾覆能力、抗滑动能力等进行分析。
根据工作环境的要求,确保支架在各种工况下的稳定性。
三、计算结果根据以上的计算方法,我们得到了钢筋支架的相关计算结果如下:1. 钢筋选择:选择直径为D的高强度钢筋,并按照一定的间距进行布置。
2. 支架高度计算:根据垂直荷载P和工作环境要求,计算得到支架的最小高度为H。
3. 支架宽度计算:根据水平荷载F和工作环境要求,计算得到支架的最小宽度为W。
4. 支架厚度计算:根据垂直和水平荷载,以及工作环境要求,计算得到支架的最小厚度为T。
5. 结构稳定性计算:进行抗倾覆能力和抗滑动能力等方面的计算,并确保支架在各种工况下的稳定性。
四、结论根据以上计算结果,我们可以得出钢筋支架的尺寸和布置方案。
在实际施工中,需要严格按照计算结果进行钢筋支架的制作和安装,以确保支架的安全可靠和结构稳定。
钢筋支架计算书
一、参数信息:
钢筋支架(马凳)应用于高层建筑中的大体积混凝土基础底板或者一些大型设备基础和高厚混凝土板等的上下层钢筋之间。
钢筋支架采用钢筋焊接制的支架来支承上层钢筋的重量,控制钢筋的标高和上部操作平台的全部施工荷载。
型钢主要采用角钢和槽钢组成。
型钢支架一般按排布置,立柱和上层一般采用型钢,斜杆可采用钢筋和型钢,焊接成一片进行布置。
对水平杆,进行强度和刚度验算,对立柱和斜杆,进行强度和稳定验算。
作用的荷载包括自重和施工荷载。
钢筋支架所承受的荷载包括上层钢筋的自重、施工人员及施工设备荷载。
钢筋支架的材料根据上下层钢筋间距的大小以及荷载的大小来确定,可采用钢筋或者型钢。
上层钢筋的自重荷载标准值为 1.3kN/m
施工设备荷载标准值为 3.25kN/m
施工人员荷载标准值为1.95kN/m
横梁的截面抵抗矩 W=49cm3
横梁钢材的弹性模量 E=2.05×105N/mm2
横梁的截面惯性矩 I=245cm4
立柱的高度 h=1.50m
立柱的间距 l=1.20m
钢材强度设计值 f=205.00N/mm2
立柱的截面抵抗矩 W=49cm3
二、支架横梁的计算
支架横梁按照三跨连续梁进行强度和挠度计算,支架横梁在小横杆的上面。
按照支架横梁上面的脚手板和活荷载作为均布荷载计算支架横梁的最大弯矩和变形。
1.均布荷载值计算
静荷载的计算值 q1=1.2×1.3+1.2×3.25=5.46kN/m
活荷载的计算值 q2=1.4×1.95=2.73kN/m
支架横梁计算荷载组合简图(跨中最大弯矩和跨中最大挠度)
支架横梁计算荷载组合简图(支座最大弯矩)
2.强度计算
最大弯矩考虑为三跨连续梁均布荷载作用下的弯矩
跨中最大弯矩计算公式如下:
跨中最大弯矩为
M1=(0.08×5.46+0.10×2.73)×1.202=1.022kN.m
支座最大弯矩计算公式如下:
支座最大弯矩为
M2=-(0.10×5.46 +0.117×2.73)×1.202=-1.246kN.m
我们选择支座弯矩和跨中弯矩的最大值进行强度验算:
=1.246×106/49000=25.429N/mm2
支架横梁的计算强度小于205.0N/mm2,满足要求!
3.挠度计算
最大挠度考虑为三跨连续梁均布荷载作用下的挠度
计算公式如下:
静荷载标准值q1= 1.3+3.25=4.55kN/m
活荷载标准值q2= 1.95kN/m
三跨连续梁均布荷载作用下的最大挠度
V=(0.677×4.55 +0.990×1.95)×12004/(100×2.05×105×2450000)=0.207mm 支架横梁的最大挠度小于1200/150与10mm,满足要求!
三、支架立柱的计算
支架立柱的截面积A=14.345cm2
截面回转半径i=4.14cm
立柱的截面抵抗矩W=49cm3
支架立柱作为轴心受压构件进行稳定验算,计算长度按上下层钢筋间距确定:
式中──立柱的压应力;
N──轴向压力设计值;
──轴心受压杆件稳定系数,根据立杆的长细比=h/i,经过查表得到,=0.899; A──立杆的截面面积,A=14.345cm2;
[f]──立杆的抗压强度设计值,[f]=205.00N/mm2;
采用第二步的荷载组合计算方法,可得到支架立柱对支架横梁的最大支座反力为
经计算得到 N=5.952kN, =30.044N/mm2;
不考虑风荷载时,立杆的稳定性验算σ小于或等于[f],满足要求!。