BV铜芯绝缘导线载流量表
- 格式:doc
- 大小:29.50 KB
- 文档页数:1
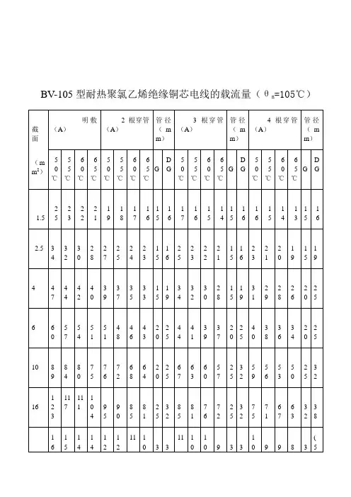
注:明敷载流量值系根据S>2De(De-电线外径)计算注:明敷载流量值系根据S>2De(De-电线外径)计算注:明敷载流量值系根据 S>2De(De-电线外径)计算注 1.本电线的聚氯乙烯绝缘中加了耐热增塑剂,线芯允许工作温度可达105℃,适用于高温场所,但要求电线接头用焊接或绞接后表面锡la处理。
电线实际允许工作温度还取决于电线与电线及电器接头的允许温度,当接头允许温度为95℃时,表中数据应乘以0.92,85℃时应乘以0.84。
2.BLV-105型铝芯耐热线的载流量可按表中的数据乘以0.78。
3.本表中载流量数据系编者经计算得出,仅供参考。
注:明敷载流量值系根据S>2De(De-电线外径)计算注:明敷载流量值系根据S>2De(De-电线外径)计算聚氯乙烯绝缘电线穿塑料管敷设的载流量(θn=70℃)n注:1.目前BXF型铜芯只生产≤95mm2规格。
2.表中代号G为焊接钢管(又称“低压流体输送用焊接钢管”),管径指内径(GB3092-82《低压流体输送焊接钢管》),DG为电线管,管径指外径(GB3640-83《普通碳素钢电线套管》)。
3.括号中管径为51mm的电线管不推荐使用,因为管壁太薄,弯曲时容易破裂。
4.表中管径适用于:直管≤30m:一个弯≤20m:二个弯≤15m:三个弯≤8m,超长应设拉线盒:或将管径放大一级。
橡皮绝缘电线穿塑料管敷设的载流量(θn=65℃)注 1、目前BXF型铜芯只生产≤95mm2规格。
2、硬塑料管规格为轻型管,管径指内径,鸿雁电器公司生产无增塑料刚性PVC管,亦相当于重型管并符合IEC614标准,穿管标准见第十章。
3、表中管径适用于:直管≤30m;一个弯≤20m;二个弯≤15m;三个弯≤8m;超长应设拉线盒或增大一级管径。
橡皮绝缘电线明敷的载流量(θn=65℃)单位:A注目前BLXF型铝芯只生产2.5—185mm2规格,BXF型铜芯只生产小于95mm2规格。
各种导线载流量⼤全、最新导线载流量对照表?
导线载流量⼀般是指BV线安全载流量,导线载流量选取需符合IEC_60364-5-523-1983标准;下
⾯胜华电⽓⼩编就来介绍下导线载流量对照表⼤全。
⼀、导线载流量对照表
1、BV、BVR和BLV(铝芯)聚氯⼄烯绝缘电线明敷的载流量表
2、RV,RVV,RVB,RVS,RFB,RFS,BVV塑料绝缘软线、塑料护套线明敷设的载流量表
3、BLV聚氯⼄烯绝缘电线穿塑料管敷设的载流量表(点击可放⼤)
⼆、电缆载流量对照表
1、聚氯⼄烯绝缘电线穿塑料管敷设的载流量表
2、聚氯⼄烯绝缘电⼒电缆直埋地敷设的载流量表
三、导线载流量估算⽅法:
1.5、
2.5、4、6、10mm2的导线可将其截⾯积数乘以5倍。
16、25mm2的导线可将其截⾯积数乘以4倍。
35、50mm2的导线可将其截⾯积数乘以3倍。
70、95mm2 的导线可将其截⾯积数乘以2.5倍。
120、150、185mm2的导线可将其截⾯积数乘以2倍。
三
BV-105型耐耐热聚氯乙烯绝缘铜
注:1.本电线的聚氯乙烯绝缘中增加了耐热增塑剂,线芯允许工作温度可达105℃,适用于高温场
2.BLV-105型铝芯耐热线的载流量可按表中数据乘以0.78。
3.本表中载流量数据系经计算得出,仅供使用参考,上海电缆研究所尚未提供试验数电线实际工作允许温度还取决于电线与电线、电线与电器接头的允许工作温度。
当接头温度要求9
注:1.导电线芯最高允许温度+65℃; 2.25平方毫米及以上铜芯导线穿管时应用“(二)”型
绝缘铜芯电线的载流量(A )
高温场所,但要求电线接头用焊接或绞接后表面锡蜡处理。
温度。
当接头温度要求95℃时,表中数据应乘以0.92;接头允许温度为85℃时,表中数据乘以0.84
25℃500V铜芯绝缘导线长期连续负荷允许载流量表
)”型结构产品。
截面m㎡最大直径铝A 铜A2.53.91731.64 4.42247.56 4.92967.1107621191687817925101182813511.51563815013.221552170152827349517.538696212019431118015021539147018523.5666181024026.5857235030029.5107029304003313903870铜芯1*107*1.351 1.613.480.61*167*1.701 1.614.51061*257*2.14 1.2 1.616.3143.1标称面积m ㎡线芯结构no/mm绝缘厚度mm 护套厚度mm BV 聚氯乙烯铜线 BLV 聚氯乙烯铝线BVR 铜软线 BV -105 铜105℃BVV 铜线(潮湿环境高防护)BXF 橡皮绝缘铜线BLXF 橡皮绝缘铝线 BLVV 铝线(潮湿环境高防护)计算外径mm 环境25℃时载流量(A)空气敷电 线 电 缆 载 流 量VV29-铜芯聚氯乙烯绝缘钢带铠装聚氯乙烯护套电常用线缆规格(BV BLV BVR )VLV29铝芯聚氯乙烯绝缘钢带铠装聚氯乙烯护套电详细介绍:● UL1007电子连接线产品说明:● 额定温度 :80℃ 额定电压:300V● 标准 :UL758, UL1581 及 CSA No.● 导体使用单条或绞线 32 - 16AWG裸铜或镀锡铜 ● 聚氯乙烯绝缘● 可通过UL VW- 1 及 CSA FT1 垂直耐燃测试● 使用标准厚度、易剥、易裁● 具抗酸硷、耐油性、防潮、防霉等特性线号线数/线径英制公制CSA TypeAWG NO/mm mm mm Ft/coil M/coil UL1007287/0.1270.41 1.20± 0.102000610267/0.1600.41 1.30± 0.102000610CSA T1(TR-64)2411/0.1600.41 1.40± 0.1020006102217/0.1600.41 1.60± 0.102000610(Stranded)2021/0.1780.41 1.80± 0.1020006101834/0.1780.41 2.10± 0.102000610绞 线1626/0.2540.41 2.40± 0.102000610UL1007CSA T1(TR-64)247/0.2030.41 1.40± 0.102000610227/0.2540.41 1.60± 0.102000610(Stranded)207/0.3100.41 1.80± 0.102000610187/0.4040.41 2.10± 0.102000610先绞后镀167/0.4880.41 2.30± 0.102000610CSA T1(TR-64)241/0.5110.41 1.35± 0.102000610221/0.6430.41 1.50± 0.102000610(Stranded)201/0.8130.41 1.65± 0.102000610181/1.0240.41 1.85± 0.102000610单 条161/1.2900.41 2.15± 0.102000610(导线截面积及载流量.jpg)UL10070.41 1.10± 0.102000610267/0.1600.41 1.30± 0.102000610307/0.102261/0.4040.41 1.25± 0.102000610缆载Ω/km 354 223 140 88.754.7 37.1 23.7 14.214088.7 54.7 37.1 23.7 14.2 145 89.1 56.3 35 22.2 13.9。
BV-105 型耐热聚氯乙烯绝缘铜芯电线的载流量(θ n=105℃)明敷 截 面 (A) 2 根穿管 管 径 3 根穿管 管 径 4 根穿管 管 径 ( m (A) ( m (A) ( m (A) m) m) m) D G 5 5 6 6 0 5 0 5 G ℃ ℃ ℃ ℃ D G 5 5 6 6 0 5 0 5 G ℃ ℃ ℃ ℃ D G(m m2 )5 5 6 6 5 5 6 6 0 5 0 5 0 5 0 5 G ℃ ℃ ℃ ℃ ℃ ℃ ℃ ℃1.52 52 32 22 11 91 81 71 1 6 51 61 71 61 51 1 4 51 61 61 51 41 1 3 51 62.53 43 23 02 82 72 52 42 31 1 5 62 52 32 22 11 1 5 62 32 12 01 91 1 5 944 74 44 24 03 93 73 53 31 1 5 93 43 23 02 81 1 5 93 12 92 82 62 2 0 566 05 75 45 15 14 84 64 32 2 0 54 44 13 93 72 2 0 54 03 83 63 42 2 0 5108 9 1 2 3 1 68 48 07 57 67 26 86 42 2 0 56 76 36 05 72 3 5 25 95 65 35 02 3 5 21611 11 1 7 1 0 4 1 5 1 4 1 49 5 1 29 0 1 28 58 12 3 5 28 58 17 6 1 07 22 3 5 27 5 1 07 16 76 33 3 2 8 ( 3 511 1 03 311 1 093 399825579071482 837262 816162 1 ) ( 5 5 0 1 ) ( 5 5 0 1 )352 0 51 9 11 8 51 7 41 6 01 5 21 4 41 3 63 3 2 81 3 81 3 11 2 411 ( 7 3 5 2 1 ) 1 5 2 ( 4 5 0 1 ) ( 5 5 0 1 )1 2 61 2 011 1 3 0 7502 6 42 5 12 3 82 2 52 0 21 9 21 8 21 7 2( 4 5 0 1 ) ( 5 5 0 1 )1 7 91 7 01 6 11 5 91 5 11 4 31 3 5703 1 02 9 52 8 02 6 42 4 02 2 82 1 72 0 42 1 32 0 31 9 21 8 11 9 31 8 41 7 41 6 46 5953 8 0 4 4 8 5 1 93 6 2 4 2 7 4 9 43 4 3 4 0 5 4 6 93 2 4 3 8 2 4 4 22 9 2 3 4 7 3 9 92 7 8 3 3 1 3 8 02 6 4 3 1 4 3 6 02 4 9 2 9 6 3 4 05 02 6 22 4 92 3 6 2 8 1 3 2 72 2 3 2 6 5 3 0 86 52 3 3 2 7 5 3 2 02 2 2 2 6 1 3 0 52 1 0 2 4 8 2 8 91 9 8 2 3 4 2 7 26 51206 531 2 1 9 6 3 6 2 3 4 56 56 51506 56 58 0注 1.本电线的聚氯乙烯绝缘中加了耐热增塑剂,线芯允许工作温度可达 105℃,适用于高温场所,但要求电线接头 用焊接或绞接后表面锡 la 处理。
绝缘导线载流量计算表一般铜导线的安全载流量为5~8A/mm2,铝导线的安全载流量为3~5A/mm2。
如:2.5mm2BVV铜导线安全载流量的推荐值2.5×8A/mm2=20A4mm2BVV铜导线安全载流量的推荐值4×8A/mm2=32A二、计算铜导线截面积利用铜导线的安全载流量的推荐值5~8A/mm2,计算出所选取铜导线截面积S的上下范围:S=<I/(5~8)>=0.125I~0.2I(mm2)S-----铜导线截面积(mm2)I-----负载电流(A)三、功率计算一般负载(也可以成为用电器,如点灯、冰箱等等)分为两种,一种式电阻性负载,一种是电感性负载。
对于电阻性负载的计算公式:P=UI对于日光灯负载的计算公式:P=UIcosф,其中日光灯负载的功率因数cosф=0.5。
不同电感性负载功率因数不同,统一计算家庭用电器时可以将功率因数cosф取0.8。
也就是说如果一个家庭所有用电器加上总功率为6000瓦,则最大电流是I=P/Ucosф=6000/220×0.8=34(A)但是,一般情况下,家里的电器不可能同时使用,所以加上一个公用系数,公用系数一般0.5。
所以,上面的计算应该改写成I=P×公用系数/Ucosф=6000×0.5/220×0.8=17(A)也就是说,这个家庭总的电流值为17A。
则总闸空气开关不能使用16A,应该用大于17A 的。
估算口诀:二点五下乘以九,往上减一顺号走。
三十五乘三点五,双双成组减点五。
条件有变加折算,高温九折铜升级。
穿管根数二三四,八七六折满载流。
说明:(1)本节口诀对各种绝缘线(橡皮和塑料绝缘线)的载流量(安全电流)不是直接指出,而是“截面乘上一定的倍数”来表示,通过心算而得。
由表53可以看出:倍数随截面的增大而减小。
“二点五下乘以九,往上减一顺号走”说的是2.5mm’及以下的各种截面铝芯绝缘线,其载流量约为截面数的9倍。
300V-1000V电缆载流量(本资料选自《电气工程》常用数据速查手册)1)、导线载流量。
450V/750V 及以上橡胶绝缘、塑料绝缘电线的载流量。
BVVB型、 BLVVB型、 RVVB型电线载流量见表 8-24 。
(2)、450V/750V 及以下橡胶绝缘电力电缆的载流量。
通用橡套软电缆的载流量见表 8-25 。
(3)、 1KV聚氯乙烯绝缘电力电缆的载流量。
1KV 聚氯乙烯绝缘钢带铠装聚氯乙烯护套电力电缆载流量见表 8-26 。
(4)防火电缆的载流量。
1 、阻燃电缆的载流量。
1)B、R系列阻燃电线、电缆的载流量见表 8-27 。
2 )交联聚氯乙烯绝缘阻燃电力电缆的载流量见表 8-28 、表 8-29 ,短路电流见表 8-30。
3 )聚氯乙烯绝缘阻燃电力电缆的载流量见表 8-31 。
(5)耐火电缆的载流量。
1 )聚氯乙烯绝缘耐火电缆的载流量见表8-32 。
2 )BV-105 型耐热聚氯乙烯绝缘铜芯电线的载流量见表8-33 。
3)BTTQ、BTTVQ系列耐火电缆技术数据见表8-34 。
4 )BTTZ、BTTVZ 系列耐火电缆技术数据见表8-35 。
5 )NH-YYJV系列耐火电力电缆技术数据见表 8-36 —— 8-38 。
(6)表 8-39 。
聚氯乙烯绝缘低烟低卤阻燃电力电缆的载流量。
(7)表 8-40 。
交联聚氯乙烯绝缘低烟无卤阻燃电力电缆的载流量。
目录表 8-24 BVVB 型、 BLVVB型、 RVVB型电线载流量 ................错误 ! 不决义书签。
450V/750V 及以下橡胶绝缘电力电缆的载流量......................错误 ! 不决义书签。
通用橡套软电缆的载流量见表8-25 ...........................错误 ! 不决义书签。
YQ、 YQW、YHQ、型 / A . .................................错误 ! 不决义书签。
⒉尽可能避免在露天以裸露方式存放电缆,电缆盘不允许平放。
⒊吊装包装件时,严禁几盘同时吊装。
在车辆、船舶等运输工具上,电缆盘要用合适方法加以固定,防止互相碰撞或翻倒,以防止机械损伤电缆。
⒋电缆严禁与酸、碱及矿物油类接触,要与这些有腐蚀性的物质隔离存放.贮存电缆的库房内不得有破坏绝缘及腐蚀金属的有害气体存在。
⒌电缆在保管期间,应定期滚动(夏季3个月一次,其他季节可酌情延期)。
滚动时,将向下存放盘边滚翻朝上,以免底面受潮腐烂。
存放时要经常注意电缆封头是否完好无损。
⒍电缆贮存期限以产品出厂期为限,一般不宜超过一年半,最长不超过二年。
四、电线电缆的安装与施工电线电缆敷设安装的设计和施工应按GB 50217-94《电力工程电缆设计规范》等有关规定进行,并采用必要的电缆附件(终端和接头)。
供电系统运行质量、安全性和可靠性不仅与电线电缆本身质量有关,还与电缆附件和线路的施工质量有关。
通过对线路故障统计分析,由于施工、安装和接续等因素造成的故障往往要比电线电缆本体缺陷造成的故障可能性大得多。
因此要正确地选用电线电缆及配套附件,除按规范要求进行设计和施工外,还应注意如下几个方面的问题:⒈电缆敷设安装应由有资格的专业单位或专业人员进行,不符合有关规范规定要求的施工和安装,有可能导致电缆系统不能正常运行。
⒉人力敷设电缆时,应统一指挥控制节奏,每隔 1.5~3米有一人肩扛电缆,边放边拉,慢慢施放。
⒊机械施放电缆时,一般采用专用电缆敷设机并配备必要牵引工具,牵引力大小适当、控制均匀,以免损坏电缆。
⒋施放电缆前,要检查电缆外观及封头是否完好无损,施放时注意电缆盘的旋转方向,不要压扁或刮伤电缆外护套,在冬季低温时切勿以摔打方式来校直电缆,以免绝缘、护套开裂。
⒌敷设时电缆的弯曲半径要大于规定值。
在电缆敷设安装前、后用1000V兆欧表测量电缆各导体之间绝缘电阻是否正常,并根据电缆型号规格、长度及环境温度的不同对测量结果作适当地修正,小规格(10mm 2 以下实芯导体)电缆还应测量导体是否通断。
注:明敷载流量值系根据S>2De(De-电线外径)计算注:明敷载流量值系根据S>2De(De-电线外径)计算注:明敷载流量值系根据 S>2De(De-电线外径)计算注 1.本电线的聚氯乙烯绝缘中加了耐热增塑剂,线芯允许工作温度可达105℃,适用于高温场所,但要求电线接头用焊接或绞接后表面锡la处理。
电线实际允许工作温度还取决于电线与电线及电器接头的允许温度,当接头允许温度为95℃时,表中数据应乘以0.92,85℃时应乘以0.84。
2.BLV-105型铝芯耐热线的载流量可按表中的数据乘以0.78。
3.本表中载流量数据系编者经计算得出,仅供参考。
注:明敷载流量值系根据S>2De(De-电线外径)计算注:明敷载流量值系根据S>2De(De-电线外径)计算聚氯乙烯绝缘电线穿塑料管敷设的载流量(θn=70℃)n注:1.目前BXF型铜芯只生产≤95mm2规格。
2.表中代号G为焊接钢管(又称“低压流体输送用焊接钢管”),管径指内径(GB3092-82《低压流体输送焊接钢管》),DG为电线管,管径指外径(GB3640-83《普通碳素钢电线套管》)。
3.括号中管径为51mm的电线管不推荐使用,因为管壁太薄,弯曲时容易破裂。
4.表中管径适用于:直管≤30m:一个弯≤20m:二个弯≤15m:三个弯≤8m,超长应设拉线盒:或将管径放大一级。
橡皮绝缘电线穿塑料管敷设的载流量(θn=65℃)注 1、目前BXF型铜芯只生产≤95mm2规格。
2、硬塑料管规格为轻型管,管径指内径,鸿雁电器公司生产无增塑料刚性PVC管,亦相当于重型管并符合IEC614标准,穿管标准见第十章。
3、表中管径适用于:直管≤30m;一个弯≤20m;二个弯≤15m;三个弯≤8m;超长应设拉线盒或增大一级管径。
橡皮绝缘电线明敷的载流量(θn=65℃)单位:A注目前BLXF型铝芯只生产2.5—185mm2规格,BXF型铜芯只生产小于95mm2规格。