交通量调查方案
- 格式:doc
- 大小:63.50 KB
- 文档页数:2
竭诚为您提供优质文档/双击可除交通流量调查篇一:20xx交通流量调查报告班级:城规11-01学号:20xx17020xx0一、调查说明(1)目的:将所学知识付诸于实践,同学们在相互合作,分组统计12小时(上午7点至晚上7点)的交通流量状况。
通过对交通流量的切实感知,来分析所统计出来的数据,得出一些结论,为交通管理和控制,交通道路体系规划提供重要的依据。
(2)方法:人工观测(3)内容:十字路口的交通流量调查(4)地点:湖南省长沙市湘府中路和韶山南路交汇十字路口(5)车种划分:小汽车、公交车、货车及其他(6)调查周期:15分钟(7)调查工具:笔、交通量调查表二、调研步骤(1)选址:选定需要测量的交通路口。
(2)分组:共分为8个点,三个时间段(7:00——11:00;11:00——15:00;15:00——19:00),每个小组负责一个时间段的一个点的相关统计。
(3)实地观测,记录(4)数据整理与分析三、调研分析(1)选址区位分析如图所示,所选位置为湘府路和韶山南路的十字路口交汇处,共确定了8个点,本次分析的是观测点1和观测点2这两个点。
并且分析总结了这两个方向(二)相关图表图一:1点18小时内的车流量统计表图二:2点18小时内的车流量统计表(三)关于1点,车流量分析如上图一所示,关于小汽车:图表呈山形高低起伏,以8:00——8:15和17:15——17:30为两个高峰点,数值都超过500辆,这是上、下班高峰期的体现。
早上7:00-11:00阶段车流量波动较为平缓,整体数值偏高。
下午15:00-19:00的车流量变化较大,数值波动起伏。
关于公交车和货车及其它:车辆呈现平稳的变化趋势,这表明公交车按时接送,在16:45——18:30这段较为高峰的时期,这些车的数量反而有所减少,或许是因为适逢下班高峰期,交通较为拥堵,所造成的车时延误的状况增多的缘故。
总体来说,公交车和货车及其他的车流量状况变化趋势比较小。
交通量调查方案一.调查员:汪洋,曹昌衡,叶新晨,邵俊豪二.调查地点:三.调查时间:四.调查工具手机:用做计时器,以及组员之间信息交流纸笔:记录数据五.调查方法:人工量测方法,在观测地点量测调查所得资料:分类车辆交通量;车辆在某一行驶方向,某一车道上的交通量,以及双向交通量;交叉口各引道上的交通量及每一入口引道各流向交通量,各出口引道交通量和交叉口总交通量;非机动车交通量和行人交通量;车辆排队长度及车辆的时间和空间占有率等;车辆所属车主,车辆所属地区,车辆所属部门和系统;司机和骑车人对交通管理和控制的遵守情况六.调查目的:1.预测交通量的发展趋势2.为道路规划建设及交通管理与控制提供交通量流向数据3.评价交通管理措施,道路改造的使用效果4.评价道路交通安全程度5.合理安排交通运营计划,确定交通管制措施6.研究通过调查事项的交通实态7.推算道路通行能力及道路运输成本和效益七.调查步骤:1.制定调查计划2.讨论并确定实施方案3.实地调查4.整理数据5.分析研究6.写出书面调查报告调查要求:●调查人员在调查前收集相关资料,做好调查准备;●调查人员按照规定的时间到达指定地点,在调查过程中仔细认真,有责任心,做好记录;●计算高峰小时系数PHF值。
●利用好交通量中不同类型车辆的换算系数。
●15分钟最高交通量为由高峰小时内连续15min累计交通量最大的区间的累计交通量推算而得的小时交通量,也称扩大高峰小时交通量。
●数据分析是要求绘制交通流量图,交通变化图,交叉口交通流量图等能够表现交通变化的相关图形,还要计算交通量特定参数。
●做好统计,数据填入统计表中(统计表请见——交通量统计表),对数据进行分析,小组讨论,每个人写好调查报告。
表1地点距离天气日期年月日星期调查人表二:。
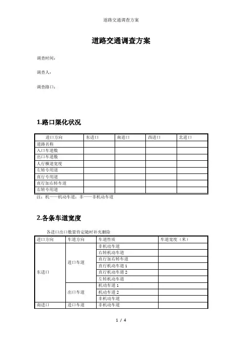
道路交通调查方案调查时间:
调查人:
调查路口:
1.路口渠化状况
注:机——机动车道;非——非机动车道
2.各条车道宽度
3.车流量调查
信号灯配时情况:
东西向直行:绿灯秒红灯秒
东西向左拐:绿灯秒红灯秒南北向直行:绿灯秒红灯秒南北向左拐:绿灯秒红灯秒
平峰机动车各种车型的交通量
午.晚高峰机动车各种车型的交通量
4.综合交通问题分析
结合上面各路口交通量信息,规划处合适的高峰平峰时间配置,并根据时间不同,周末,节日时间的不同的交通量安排合适的方案配置。
5.堵车情况
6.最先考察路口附近的环境,周围小区或者工厂什么居多,居住和外出的人群,再分析导致路口拥堵的主要原因,是该路段在特定时间上下班开车人多还是人流量,非机动车多等导致路况复杂,根据实际情况给出更好的解决方案。
竭诚为您提供优质文档/双击可除交通流量调查方案篇一:第五组交通量调查方案山西大学商务学院旁交通量调查方案一、调查的背景和意义:为了学习该课程的交通量调查方法及计算表达方法,同时,为道路规划部门提供依据及交通设施的更新及管理、维护等,从而开展此次调查。
二、调查目的:1.了解山西交通职业技术学院校门口交通量情况。
2.对调查结果进行分析,提出解决学校门后交通堵塞,交通事故发生效率高的建议并规划出合理的出行路线,给他人出行提供参考。
三、调查对象及时间:20xx年10月13日太原市小店区太榆路山西大学商务学院交叉口交通量车型:(机动车非机动车)四、调查成员:组长:组员五、调查工具:手机:用做计时器,以及组员之间信息交流纸笔:记录数据电脑:查数据,定方案具体内容。
六、调查方法:人工计数法,在观测地点量测优点:组织工作简单,调配人员灵活,机动灵活,易于掌握。
缺点:人力需求大,劳动强度大,数据较大时易因记忆错误而影响结果的精确性,适用于短期的交通量调查。
七、调查步骤:1.制定调查计划:a组:从太原到榆次机动车非机动车b组:从榆次到太原机动车非机动车c组:经过商务学院路段机动车非机动车统一计时调查人员在调查前收集相关资料,做好调查准备;选择好观测时间段:责任心,做好记录;扩大高峰小时交通量。
2.讨论并确定实施方案:制定调查表格方案调查采集数据所需表格:a,b组所需表格调查人员按照规定的时间到达指定地点,在调查过程中首先保证自身安全,仔细认真,有计算高峰小时系数phF值。
分钟最高交通量为由高峰小时内连续15min累计交通量最大的区间的累计交通量推算而得的小时交通量,也称c组所需表格:3.实地调查:a组采集实时数据:b组采集实时数据:c组采集实时数据:4.整理数据:车型统计表:篇二:交通调查方案交通调查方案1、调查目的本次交通调查的主要目的是要分别对周驻南高速公路(驻马店境)项目、明港机场高速公路项目影响区的公路交通流向、流量及交通出行特征作一次定量的了解,为拟建高速公路的工可报告预测远景交通量提供依据,同时也为经济评价和公路相关设计采集参数。
道路路段交通量调查与分析报告篇一:道路交通交叉口调查报告实实验课程:学生姓名:学号:专业班级:验报告年月日信号控制交通口交通量调查报告城市规划111班熊苑6001211013一、道路交通量调查方法时间安排:调查日期:20XX年10月6日星期一调查时间:下午16:00至17:00 共一个小时调研地点:红谷中大道—绿茵路,南北向为八车道,东西向为六车道调查目的:交通调查是交通工作的一个重要组成部分,它是交通规划、道路设计、交通管理与控制、交通安全及交通流理论的基础工作。
通过调查与分析,明确交通问题的性质,提出解决问题的方案;同时,在路网系统调查的基础上,分析交通变化规律,为建立交通流理论模型、交通预测模型等提供基础资料。
调查内容:1、交叉口流量流向调查:采用人工计数法,实地调查十字路口各进口道的车数,连续调查一小时不间断。
2、交叉口基础设施调查:调查各进口车道数、车道宽度、信号灯配时情况等。
二、调查路口信号灯配时情况东西向直行:绿灯45秒红灯95秒东西向左拐:绿灯45秒红灯95秒南北向直行:绿灯20秒红灯115秒南北向左拐:绿灯20秒红灯120秒三、交叉口机动车流量观测统计表交叉口机动车流量观测统计表1日期:20XX年10月6日周一晴地点:红谷中大道—绿茵路西侧调查员:程之浩交通量柱状图1交叉口机动车流量观测统计表2日期:20XX年10月6日周一晴地点:红谷中大道—绿茵路北侧调查员:王可心交通量柱状图2交叉口机动车流量观测统计表3日期:20XX年10月6日周一晴地点:红谷中大道—绿茵路东侧调查员:熊苑交通量柱状图3篇二:公路交通量调查解决方案公路交通量调查解决方案一、Traffic-Master双线圈公路交通量调查设备我公司的双线圈式交通量调查设备Traffic-Master,来自德国Weiss-Electronic公司,已经历全球三十多年的应用考验,具有卓越的品质保证。
该产品第一批通过交通运输部相关检测机构的检测,并被推荐作为I级ABC类设备使用。
交通量调查方案交通量调查交通量调查方案祥云中街交叉口和金桥路T字口交通量观测调查方案一、调查目的:1.预测交通量的发展趋势2.为道路规划建设及交通管理与控制提供交通量流向数据3.评价交通管理措施,道路改造的使用效果4.评价道路交通安全程度5.合理安排交通运营计划,确定交通管制措施6.(转载自: 蓬勃范文网:交通量调查方案交通量调查)研究通过调查事项的交通实态二、调查要求:1.制定调查计划2.讨论并确定实施方案3.实地调查4.整理数据5.分析研究6.写出书面调查报告。
三、调查时间:2012年2月26日下午18:30~20:30四、调查地点:祥云中路与金阳路交叉口和金桥路T字路口祥云中街与金阳路交叉口金桥路T字路口五、调查工具:手机:用做计时器,以及组员之间信息交流纸笔:记录数据六、调查方法:人工量测方法,在观测地点观测调查所得资料:分类车辆交通量;车辆在某一行驶方向,某一车道上的交通量,以及双向交通量;交叉口各引道上的交通量及每一入口引道各流向交通量,各出口引道交通量和交叉口总交通量;七、调查内容:(1)在祥云中街与金阳路交叉口将安排10位调查员,每位调查员负责直行、左转、右转三个方向的车流量统计。
具体分工如下:由东向西行,1车道~A,2车道~B,3车道~C;由西向东行,1车道~D,2车道~E,3车道~F;由北向南行,1车道~G,2车道~H;由南向北行,1车道~I,2车道~J。
(2)在金桥路T字路口将安排2位调查员,自东向出(左转、右转)~K,自北向南(直行、左转)和自南向北直行~L。
注:车道的划分自路缘石起,依次划分为1、2、3车道交通量调查方案交通量调查浜ら€氶噺璋冩煡銆恡raffic volume survey銆戞寚鐨勬槸涓€瀹氭椂闂淬€佷竴瀹氭湡闂存垨杩炵画鏈熼棿鍐咃紝瀵归€氳繃閬撹矾鏌愪竴鏂 潰鍚勭 绫诲瀷浜ら€氬崟浣嶆暟閲忕殑瑙傛祴璁板綍宸ヤ綔銆傝皟鏌ュ唴瀹逛氦閫氶噺鏄 弿杩颁氦閫氭祦鐗规€х殑鏈€閲?..交通调查是一种用客观的手段,测定道路交通流以及与其有关现象的数据,并行分析,从而了解与掌握交通流的规律。
第1篇一、实验背景随着我国经济的快速发展和城市化进程的加快,交通问题日益凸显。
为了更好地了解城市交通现状,提高交通管理效率,培养交通工程专业学生的实际操作能力,我们开展了本次交通调查实验。
二、实验目的1. 掌握交通调查的基本方法和步骤。
2. 了解城市交通现状,为交通规划和管理提供数据支持。
3. 培养学生的团队合作精神和实际操作能力。
三、实验内容本次实验主要围绕以下几个方面展开:1. 交通量调查:通过对道路上车流量、车速、车型等数据的采集,分析交通流量分布规律。
2. 交通设施调查:调查道路状况、交通标志、信号灯等设施,评估其合理性和安全性。
3. 交通秩序调查:观察行人、非机动车、机动车等交通参与者的行为,分析交通秩序状况。
四、实验地点及时间实验地点:我国某城市主要道路实验时间:2021年X月X日至X月X日五、实验方法1. 交通量调查:采用人工计数法,由实验小组分工合作,对道路上的车辆进行计数,并记录车型、车速等信息。
2. 交通设施调查:采用现场观察法,对道路状况、交通标志、信号灯等设施进行拍照记录,并分析其合理性和安全性。
3. 交通秩序调查:采用现场观察法,观察行人、非机动车、机动车等交通参与者的行为,记录违规现象。
六、实验过程1. 交通量调查:实验小组在实验地点设立调查点,对道路上的车辆进行计数,并记录车型、车速等信息。
调查过程中,小组成员互相配合,确保数据准确。
2. 交通设施调查:实验小组对道路状况、交通标志、信号灯等设施进行拍照记录,并分析其合理性和安全性。
调查过程中,小组成员注意观察设施的损坏程度和设置位置。
3. 交通秩序调查:实验小组观察行人、非机动车、机动车等交通参与者的行为,记录违规现象。
调查过程中,小组成员注意保持安全距离,避免影响交通秩序。
七、实验结果与分析1. 交通量调查结果:通过对道路上车流量、车速、车型等数据的分析,得出以下结论:- 交通高峰时段,车流量明显增加,车速降低。
交通量调查方法嘿,朋友们!今天咱来聊聊交通量调查方法。
你说这交通量就像是城市的脉搏,一跳一跳的,可重要啦!咱先说说人工计数法吧,这就好比是咱们亲手去感受脉搏的跳动。
找几个认真负责的小伙伴,站在路口或者路段上,瞪大眼睛,一个车一个车地数。
这可是个细致活儿,需要耐心和专注呢。
就好像数星星似的,可不能数错啦!你想想,要是数错了,那得出的结果不就不准确了嘛,那不就白忙乎啦!这种方法虽然有点原始,但有时候还真少不了它,简单直接,一目了然。
还有一种浮动车法,这就像是派了个“侦察兵”在马路上跑。
选一辆车,让它按照正常的路线行驶,一边开一边记录遇到的车辆和时间。
这多有意思呀,就好像这辆车在和其他车玩“躲猫猫”游戏。
通过它的记录,就能算出交通量啦。
这种方法能得到比较动态的数据,就像是给交通脉搏来了个实时监测。
再说说自动计数法,这可就先进多啦!就像是给路口装了个“电子眼”,能自动识别和记录车辆。
不用人一直盯着,多省事儿呀!这“电子眼”可厉害啦,不管白天黑夜,都能准确地工作。
它就像个不知疲倦的小卫士,默默地守护着交通流量的数据。
那这些方法怎么用合适呢?这可得根据实际情况来呀!要是就想快速了解一个小路口的情况,人工计数法就挺合适呀,简单又直接。
要是想了解一条长路段的动态变化,浮动车法就派上用场啦。
要是要长期监测一个地方,那肯定得是自动计数法呀,让它一直工作就行啦。
咱说交通量调查可不是随便玩玩的,这关系到城市的规划、道路的建设呢!要是没搞清楚交通量,就瞎修路、建桥,那不就浪费资源啦?就好比你不知道自己饭量,瞎点一堆吃的,最后吃不完多浪费呀!而且交通量调查还能帮助我们了解人们的出行习惯,知道大家都啥时候出门,都爱走哪条路,这多重要呀!这样就能更好地规划交通,让大家出行更方便、更快捷。
所以呀,交通量调查方法可不能小瞧了,它们就像是我们了解交通的“眼睛”和“耳朵”。
通过它们,我们才能更好地把握城市交通的“脉搏”,让城市的交通更顺畅,让我们的生活更美好!大家说是不是这个理儿呀!。
交通量计数方法与调查方法1. 介绍交通量计数和调查是交通规划和交通工程中重要的环节。
它们提供了交通系统运行状况和交通需求的基本信息,为制定交通规划和设计交通设施提供依据。
本文将介绍交通量计数的基本概念和常用的计数方法,以及常用的交通量调查方法。
2. 交通量计数方法2.1 系统测量系统测量是一种基于传感器和自动化设备进行交通量计数的方法。
这些传感器可以是地面线圈、红外线传感器、摄像机等。
系统测量具有高效、准确、连续、无人为因素干扰等优点。
它不仅能够进行交通量计数,还可以获取交通流的速度、密度等信息。
2.2 人工测量人工测量是一种通过人工观察和手动计数进行交通量计数的方法。
这种方法需要人员在道路边缘或交通岗亭等位置进行观察,并记录每辆车的通过时间或车牌号码。
人工测量在交通量较小的场所和例如交叉口等特殊情况下较为常见。
2.3 统计抽样统计抽样是一种基于统计学方法的交通量计数方法。
通过对样本区域进行交通量测量,并根据此样本推算出整个交通流的量。
这种方法通常使用随机抽样和统计分析来确定样本数量和位置。
统计抽样能够提供足够准确的交通量信息,并适用于大范围的交通网络。
2.4 路段流量和路口流量计数路段流量计数是指测量交通流经过特定路段的车辆数量。
常用的方法包括地面线圈、红外线传感器和摄像机等。
路段流量计数可以评估道路的运行状况和瓶颈位置。
路口流量计数是指测量交通流经过路口的车辆数量。
常用的方法包括摄像机和交通信号机等。
路口流量计数可以评估路口的通行能力和交通调整需求。
3. 交通量调查方法3.1 汽车计数调查汽车计数调查是一种常用的交通量调查方法。
它通过在目标路段或路口安装传感器或摄像机,记录通过的汽车数量。
汽车计数调查可以获取每小时、每天、每周等不同时间段的交通量信息。
3.2 人行调查人行调查用于评估道路上行人的数量和行为。
这种调查一般通过人工观察和手动计数进行。
可以在道路边缘、人行人行道或人行跨越设施等位置进行观察。
交通调查方案设计篇一:交通调查方案交通调查方案一、交通量调查调查目的:为了解迎宾路-丰乐路-东华二路交叉口的交通现状,调查该交叉口连续12小时的交通量,高峰小时系数、交通构成比例以及直行、左转、右转车辆的比例,车道分布情况以及信号相位。
调查对象:迎宾路-丰乐路-东华二路调查时间:上午7时至下午7时调查方法:人工观测法调查员配置:上午7时至9时和下午1时30分至2时30分、下午5时至7时在A、B、C、D路口分别安排5人(共60人);上午9时至11时、上午11时至下午1时30分、下午2时30分到5时在A、B、C、D路口分别安排2至3人(约30人)。
二、地点车速调查道路上车辆数量大,不能去不观测,时应抽取样本进行观测据以推算车流总体车速。
此时为保证退宿那精度,应确定最小样本;????n????E?n——最小样本量; K——置信水平系数;2?——估计样本标准偏差;E——观测的车速允许误差仪器名称及主要规格(包括量程、分度值、精度等)铅笔表格秒表量程精度卷尺量程:30m 精度1mm调查方法:人工测量法(1)调查前:确定调查时间)调查地点(迎宾大道中、院士路)设计调查表格准备设备。
(2)调查:分20组左右,每4人一组用卷尺量取20米的路段共测30个数据,路段两端各2人,1人计时1人填表,计时的2人将秒表调对一致(转载于: 小龙文档网:交通调查方案设计)。
车辆通过终点断面时计时根据记录的数据进行数据分析并讨论调查地点存在的交通问题及人工测量法的不足篇二:交通调查课程设计交通调查报告班级: 12级交通1班姓名:刘飞学号:1204090125 指导老师:吴中XX. 6. 211. 概述在制定交通规划时,为分析交通现状和存在的问题,建立交通需求预测模型并预测交通需求,分析交通的供求平衡以及交通供求关系的发展趋势,通常要进行大规模的交通调查,这一部分工作在制定交通规划的过程中占有相当大的比重。
因此,进行合理而有效的交通调查,是交通规划中的重要课题之一,也是规划成败的关键。
交通调查方案模板一、调查目的本次交通调查的目的是为了了解当地交通状况,分析交通流量、交通方式、拥堵情况、交通事故发生率等,为当地交通管理提供数据支持,以提高交通安全性、舒适性和效率。
二、调查范围本次交通调查的范围为当地主要道路、交叉口和公共交通站点。
具体包括:1. 主要道路:包括主干道、次干道和支路等;2. 交叉口:包括路口、环形岛、立交桥等;3. 公共交通站点:包括公交车站、地铁站点等。
三、调查内容本次交通调查的内容主要包括以下几个方面:1. 交通流量:包括道路流量、交叉口流量、公共交通流量等;2. 交通方式:包括各种交通方式的比例,如自驾、公交、步行等;3. 拥堵情况:包括道路拥堵程度、拥堵时间、拥堵原因等;4. 交通事故:包括事故发生率、事故类型、事故原因等;5. 其他相关信息:包括路况信息、周边环境等。
四、调查方法本次交通调查将采用以下几种方法进行:1. 实地观察:派遣调查员对调查范围内的道路、交叉口和公共交通站点进行实地观察,记录相关数据;2. 问卷调查:设计问卷调查表,对当地居民和企业进行随机抽样调查,收集相关数据;3. 数据分析:对收集到的数据进行分析,运用统计学方法进行数据处理和图表展示;4. 专家咨询:邀请交通管理专家和相关领域专家进行咨询,对调查结果进行评估和修正。
五、调查时间与地点本次交通调查的时间和地点将根据实际情况进行调整,具体如下:1. 时间:XX年X月至XX年X月;2. 地点:当地主要道路、交叉口和公共交通站点。
六、参与人员与分工本次交通调查需要以下人员参与:调查员、数据分析员、专家顾问等。
具体分工如下:1. 调查员:负责实地观察、问卷调查等相关工作,确保数据的准确性和完整性;2. 数据分析员:负责收集到的数据的整理、分析和图表制作,为决策提供数据支持;3. 专家顾问:负责提供专业意见和建议,对调查结果进行评估和修正。
七、预期结果与分析本次交通调查预期能够得到较为全面的交通状况数据,并对当地交通状况进行分析,提出以下改进建议:1. 优化交通管理措施,提高交通安全性、舒适性和效率;2. 合理规划道路建设,提高道路通行能力;3. 加强公共交通设施建设,提高公共交通运力;4. 加强对驾驶员的交通安全教育,提高驾驶员的交通安全意识。
综合训练项目一————对阜新市中华路与人民大街环形交叉口交通量调查的方案学院:建筑与交通学院班级:姓名:学号:辽宁工程技术大学环形交叉口交通量调查一、交叉口交通量调查的目的交通量是指单位时间内,通过道路某一断面的交通实体数。
环形交叉口是在交叉口中央设置一个中心岛,用环道组织渠化交通,驶入交叉口的车辆,一律绕岛作逆时针单向行驶,至所要去的路口离岛驶出。
收集交通量数据,了解交通量地域空间上的分布规律,为了解全面的交通情况提供必要的数据,对交通规划,道路建设,交通控制与管理有着举足轻重的作用。
二、交叉口基本情况介绍(一)、此环形交叉口设置在在中华路与人民大街交汇处。
周边具有阜新市人民政府,阜新市地震局,辽宁工程技术大学等人流集散地,行人及机动车数量较大。
(二)、交叉口基本情况中华路人民大街项目东路西路南路北路道路等级次干道次干道次干道次干道车道数双向八车道双向八车道双向八车道双向车道车道宽(m) 3.5 3.5 3.5 3.5过街设施斑马线斑马线无斑马线信号灯无无无无东西方向:路中间是用白色护栏隔开。
机动车道和非机动车道是用白色护栏隔开。
南北方向:用绿化带隔开,机动车道和非机动车道用白色实线隔开。
三、调查内容(一)、调查时间:7:00-8:30,每10分钟记录一次(二)、调查方法:人工计数法(三)、调查人员分工及观测点:东出口3人南出口3人西出口3人北出口3人人员分工:一人调查直行车辆数量及类型一人调查左转车辆数量及类型一人调查右转车辆数量及类型(四)、调查工具:笔若干、交通量调查表、通信设备、计时设备。
(五)、注意:交通量计数单位为辆/min;精度为1。
四、车种划分普通小汽车、公交车普通载重车(≤5t)大型载货车(>5t)五、调查记录表格(样例)人工观测交通量记录表调查路口:调查位置:观测方向:调查人: 调查时间: 天气:六、调查资料整理 (一)、环形交叉口机动车交通组成分析表(二)、例七、交通分析及建议认真分析数据,了解此路口的交通情况。
信息采集与分析
一、实验意义
交通量是指在指定时间段内,通过道路某一地点,某一段或某一车道交通体的数量。
交通量是交通工程学中最基本的资料,收集交通量数据,了解交通量在时间、空间上的变化和分布规律,为交通规划,道路建设,交通控制与管理提供必要的数据。
二、实验目的:
通过观测,搜集交通量资料,了解交通量在时间、空间上的变化和分布规律,为交通规划、道路建设、交通控制与管理、工程经济分析等提供必要的数据。
三、实验内容
公路高峰小时交通量调查交叉口的流量流向调查,采用人工计数法实地调查记录十字型交叉口环形交叉口某一时段各进口道各流向的流量数据。
方法:人工观测
地点:邯郸市河北工程大学学院北路与滏西大街交叉路口
调查周期: 5分钟
调查工具:工具:表格、铅笔、秒表、手表、记录板、表格。
基本要求:连续记录在单位时间内(15分钟)道路某一截面的车流量,并按车辆分类记录,填入统一设计的调查记录表中。
调查记录表内容要实事求是一一的填写,不能主观臆断造数据,并保证数据连续性。
四、实验数据
交叉口名称:光明大街和农林路交叉口时间:8:20-10:00 天气:晴好观测日期:2013年05月11号星期:六方向:自南向北
五、小结
1.从交通工具来看,以小汽车为主,小汽车占据十分重要的角色,公交车和货车及其他的车辆相对来说要少很多。
2.从时间上来看,公交车和货车及其他的车辆增减变化不明显,而小汽车则一高峰点为中心呈现变化趋势。
8:20——10:00为高峰小时阶段,正逢上班高峰期,所以出现高峰点。
实习二道路断面交通量调查一、实习目的1.掌握交通量的时间分布规律,探求各种与交通量有关的系数;2.了解交通量在时间、空间上的分布规律;3.为制订交通规划掌握必要的交通量数据等。
二、调查内容道路路段平峰、高峰机动车分车型、分流向断面流量调查。
三、调查方法由3个小组组成1大组,共6人负责某一断面流量调查,每人听从组长安排完成连续10个小时车流量调查。
具体分工及组织听从组长的安排。
四、实习设备:秒表或手机、记录板、纸和笔。
五、调查要求1)调查路段:昆明理工大学呈贡校区正大门(景明南路段);2)调查时段:8:00~18:00,其中上午8:00~10:00、下午16:00~18:00定义为高峰,其它为平峰。
3)调查数据使用:该组的所有原始数据作为该组每个成员共享。
六、数据分析及评价1.调查实习概述(包含调查目的、时间、地点及人员等);1).断面流量调查的时间:2012年6月26日,8:00—18:00,分为三个时段。
早高峰:8:00—10:00,晚高峰:16:00—18:00,其余的为平峰时间。
2).断面流量调查的地点:理工大呈贡校区正大门景明南路2.实习地点平面示意图;3. 每15分钟路段断面流量大小及各车型(客车各车型及货车各轴车型)比率;1).每15min路段断面流量大小2).每15min路段流量各车型比例4.分钟路段断面流量大小及各车型变化柱状图或曲线图,并加以文字分析;A2040608010012014016008:00—08:1508:30—08:4509:00—09:1509:30—09:4510:00—10:1510:30—10:4511:00—11:1511:30—11:4512:00—12:1512:30—12:4513:00—13:1513:30—13:4514:00—14:1514:30—14:4515:00—15:1515:30—15:4516:00—16:1516:30—16:4517:00—17:1517:30—17:45客车1型断面流量A1234567891008:00—08:1508:30—08:4509:00—09:1509:30—09:4510:00—10:1510:30—10:4511:00—11:1511:30—11:4512:00—12:1512:30—12:4513:00—13:1513:30—13:4514:00—14:1514:30—14:4515:00—15:1515:30—15:4516:00—16:1516:30—16:4517:00—17:1517:30—17:45客车2型断面流量2468101208:00—08:1508:30—08:4509:00—09:1509:30—09:4510:00—10:1510:30—10:4511:00—11:1511:30—11:4512:00—12:1512:30—12:4513:00—13:1513:30—13:4514:00—14:1514:30—14:4515:00—15:1515:30—15:4516:00—16:1516:30—16:4517:00—17:1517:30—17:45客车3型断面流量12345608:00—08:1508:30—08:4509:00—09:1509:30—09:4510:00—10:1510:30—10:4511:00—11:1511:30—11:4512:00—12:1512:30—12:4513:00—13:1513:30—13:4514:00—14:1514:30—14:4515:00—15:1515:30—15:4516:00—16:1516:30—16:4517:00—17:1517:30—17:45246810121408:00—08:1508:30—08:4509:00—09:1509:30—09:4510:00—10:1510:30—10:4511:00—11:1511:30—11:4512:00—12:1512:30—12:4513:00—13:1513:30—13:4514:00—14:1514:30—14:4515:00—15:1515:30—15:4516:00—16:1516:30—16:4517:00—17:1517:30—17:45货车2轴断面流量1).由总断面流量可以看出,分布基本均匀,在11:30—12:00和17:00—18:001234567891008:00—08:1508:30—08:4509:00—09:1509:30—09:4510:00—10:1510:30—10:4511:00—11:1511:30—11:4512:00—12:1512:30—12:4513:00—13:1513:30—13:4514:00—14:1514:30—14:4515:00—15:1515:30—15:4516:00—16:1516:30—16:4517:00—17:1517:30—17:450.10.20.30.40.50.60.70.80.9108:00—08:1508:30—08:4509:00—09:1509:30—09:4510:00—10:1510:30—10:4511:00—11:1511:30—11:4512:00—12:1512:30—12:4513:00—13:1513:30—13:4514:00—14:1514:30—14:4515:00—15:1515:30—15:4516:00—16:1516:30—16:4517:00—17:1517:30—17:45货车4轴断面流量0.10.20.30.40.50.60.70.80.9108:00—08:1508:30—08:4509:00—09:1509:30—09:4510:00—10:1510:30—10:4511:00—11:1511:30—11:4512:00—12:1512:30—12:4513:00—13:1513:30—13:4514:00—14:1514:30—14:4515:00—15:1515:30—15:4516:00—16:1516:30—16:4517:00—17:1517:30—17:45货车6轴断面流量A时候是高峰流量。
道路交通量调查1.1时间安排调查日期:2023年5月1日观察第A-E组视频录制调查1.2调差地点数博大道与栋青路交叉口1.3调查目的交通调查的目的是通过对各类交通情况进行调查,收集准确的数据信息,以便在交通规划、交通设施建设、交通控制与管理、交通安全、交通环境保护和交通流理论研究等方面提供服务。
增强我们交通认知与感知,了解调查方法、调查内容等,实践的形式进行针对性更强,理论与实际相结合-。
1.4调查内容先进行网络与书本查阅交口基本信息,在城市中连接哪几个重要地段,其次交叉口机动车交通流量调查方法采用人工计数法,实地调查记录十字型各进口道各流向的车数,调查5个小时总的交通量情况。
在前期工作中先了解调查对象的周边情况,学校、美食、居住或沿街商铺,其次,对机动车车道与非机动车的汽车类型进行分类,以方便后期进行调查,在实地调查采用人工计数法,利用三脚架支撑手机摄影形式记录各车型在数博大道与栋青路交叉口东、西、南、北方向各个时间段流量。
最后,返校统计数据,以报告形式呈现成果。
1.5调查流程5月1日观察第A-E组录制的视频,进行数据统计,填写报告1.6调查方法利用手机对调查路段进行拍摄,结束后根据视频进行数据整理。
8:58,将手表对准镜头,「现在时间是8:58。
」9:00,将手表对准镜头,「现在时间是9:00,开始调查。
」9:05,将手表对准镜头,「现在时间是9:05,结束调查。
」9:10,将手表对准镜头,「现在时间是9:10,结束调查。
」9:15,将手表对准镜头,「现在时间是9:15,结束调查。
」9:20,将手表对准镜头,「现在时间是9:20,结束调查。
」9:25,将手表对准镜头,「现在时间是9:25,结束调查。
」9:30,将手表对准镜头,「现在时间是9:30,结束调查。
」9:32,将手表对准镜头,「现在时间是9:32,结束拍摄。
」1.7注意事项1. 在进行调查时,应确保自身安全,避免影响正常交通秩序。
2. 调查同学站在人行道上,不准站在机动车与非机动车的隔离带上。
交通量调查方案
一.调查员:汪洋,曹昌衡,叶新晨,邵俊豪
二.调查地点:
三.调查时间:
四.调查工具
手机:用做计时器,以及组员之间信息交流
纸笔:记录数据
五.调查方法:
人工量测方法,在观测地点量测
调查所得资料:分类车辆交通量;车辆在某一行驶方向,某一车道上的交通量,以及双向交通量;交叉口各引道上的交通量及每一入口引道各流向交通量,各出口引道交通量和交叉口总交通量;非机动车交通量和行人交通量;车辆排队长度及车辆的时间和空间占有率等;车辆所属车主,车辆所属地区,车辆所属部门和系统;司机和骑车人对交通管理和控制的遵守情况
六.调查目的:
1.预测交通量的发展趋势
2.为道路规划建设及交通管理与控制提供交通量流向数据
3.评价交通管理措施,道路改造的使用效果
4.评价道路交通安全程度
5.合理安排交通运营计划,确定交通管制措施
6.研究通过调查事项的交通实态
7.推算道路通行能力及道路运输成本和效益
七.调查步骤:
1.制定调查计划
2.讨论并确定实施方案
3.实地调查
4.整理数据
5.分析研究
6.写出书面调查报告
调查要求:
●调查人员在调查前收集相关资料,做好调查准备;
●调查人员按照规定的时间到达指定地点,在调查过程中仔细认真,有责任心,
做好记录;
●计算高峰小时系数PHF值。
●利用好交通量中不同类型车辆的换算系数。
●15分钟最高交通量为由高峰小时内连续15min累计交通量最大的区间的累
计交通量推算而得的小时交通量,也称扩大高峰小时交通量。
●数据分析是要求绘制交通流量图,交通变化图,交叉口交通流量图等能够表
现交通变化的相关图形,还要计算交通量特定参数。
●做好统计,数据填入统计表中(统计表请见——交通量统计表),对数据进
行分析,小组讨论,每个人写好调查报告。
表1
地点距离天气
日期年月日星期调查人
表二:。