星三角启动器电气图
- 格式:pdf
- 大小:501.63 KB
- 文档页数:5
星三角启动接线图及工作原理
1、星三角启动控制图
星三角启动电路 L1/L2/L3 分别表示三根相线; QS表示空气开关;
Fu1 表示主回路上的保险; Fu2 表示控制回路上的保险;SP表示停止
按钮; ST表示启动按钮;
KT表示时间继电器的线圈,后缀的数字表示它不一样的触点;
KMy表示星接触器的线圈,后缀的数字表示它不一样的触点;
KM△表示三角接触器的线圈,后缀的数字表示它不一样的触点;KM 表示主接触器的线圈,
后缀的数字表示它不一样的触点;
U1/V1/W1分别表示电动机绕组的三个同名端;U2/V2/W2 分别表示电动机绕组的另三个同
名端;
2、星三角启动电路原理
合上 QS空气开关,按下 St 启动按钮, KT 时间继电器线圈、 KMy星接触器线圈得电动作。
KMY-1触点闭合, KM主接触器得电动作; KMY-2触点闭合,电动机线圈处于星形接法, KMY-3 断开,防止 KM△误动作;
KM-1闭合,自保启动按钮; kM-2 闭合为三角形工作做好准备;kM-3 闭合,电动机得电运转,处于星形启动状态。
时间继电器延时抵达此后,延时触点KT-1 断开,KMy线圈断电,KMY-1断开,KM经过KM-2 仍旧得电吸合着;KMY-2 断开,为电动机线圈处于三角形接法作准备;KMY-3闭合,使KM△得电吸合;
KM△-1 断开,停止为时间继电器线圈供电;KM△ -2 断开,保证 KMY不可以得电误动作:KM
△-3 闭合是电动机线圈处于三角形运行状态。
电动机的三角形运行状态,一定要按下SP 停止按钮,才能使所有接触器线圈失电跳开,
才能停止运行 .
1 / 1。
Y—△降压起动电气原理图及讲解This model paper was revised by the Standardization Office on December 10, 2020Y—△降压起动也称为星形—三角形降压起动,简称星三角降压起动。
这一线路的设计思想仍是按时间原则控制起动过程。
所不同的是,在起动时将电动机定子绕组接成星形,每相绕组承受的电压为电源的相电压(220V),减小了起动电流对电网的影响。
而在其起动后期则按预先整定的时间换接成三角形接法,每相绕组承受的电压为电源的线电压(380V),电动机进入正常运行。
凡是正常运行时定子绕组接成三角形的鼠笼式异步电动机,均可采用这种线路。
2.典型线路介绍定子绕组接成Y—△降压起动的自动控制线路如图所示。
图Y—△降压起动控制线路工作原理:按下起动按钮SB2,接触器KM1线圈得电,电动机M接入电源。
同时,时间继电器KT及接触器KM2线圈得电。
接触器KM2线圈得电,其常开主触点闭合,电动机M定子绕组在星形连接下运行。
KM2的常闭辅助触点断开,保证了接触器KM3不得电。
时间继电器KT的常开触点延时闭合;常闭触点延时继开,切断KM2线圈电源,其主触点断开而常闭辅助触点闭合。
接触器KM3线圈得电,其主触点闭合,使电动机M由星形起动切换为三角形运行。
停车按SB1 辅助电路断电各接触器释放` 电动机断电停车线路在KM2与KM3之间设有辅助触点联锁,防止它们同时动作造成短路;此外,线路转入三角接运行后,KM3的常闭触点分断,切除时间继电器KT、接触器KM2,避免KT、KM2线圈长时间运行而空耗电能,并延长其寿命。
三相鼠笼式异步电动机采用Y—△降压起动的优点在于:定子绕组星形接法时,起动电压为直接采用三角形接法时的1/3,起动电流为三角形接法时的1/3,因而起动电流特性好,线路较简单,投资少。
其缺点是起动转矩也相应下降为三角形接法的1/3,转矩特性差。
所以该线路适用于轻载或空载起动的场合。
星三角启动电路图此种接法只适合于电动机正常运行时为三角型联接。
所需主要元器件:三个交流接触器,一个热继电器,一个时间继电器,启动、停止按钮各一,熔断器两个。
三个接触器作用:一个为主电路接通电源,一个为Y型启动,一个为△启动。
时间继电器作用:通过设定确定星型到三角型转换的时间,需要延时触点。
热继电器作用:提供过载保护。
熔断器作用:为电动机提供短路保护。
了解Y--△这是一种降压启动方式,适用的电机有局限性,能降多少压,怎么个算法,看下面的:可以看到通过Y--△,能够实现降压启动,降压起动时的电流为直接启动时的1/3。
下面重点巩固一下接线方式,这个看过很多次,也画过很多次,过了一段时间,今天再画时,又有些健忘了。
无奈,继续加强。
先来看一下主接线图。
Y-△启动的话,先要星型启动的话,肯定KM和 KM -Y 先要启动,之后KM -Y要停下来,KM要一直得电,不然没电源肯定不行,KM和KM-△要一直运行,到正常运行。
接下来看下控制回路图吧:根据上面一次回路的分析,再看这个控制回路,很简单的,按下启动按钮SB2,主回路电源启动,KM线圈得电,其常开触点闭合,实现自保持,SB2复归;下面的时间继电器线圈回路和KM-Y线圈回路也接通,这时Y型启动已经实现,通过时间继电器时间的整定,Y型回路的时间继电器NC(常闭)触点得电后要延时打开,使Y启动保持住,而△回路KT的NO(常开)触点得电后要延时闭合,使得△型回路不得电,同时Y型启动的接触器常闭接点对△回路有闭锁(Y-△两回路都要有闭锁)。
整定时间到后,时间继电器的常开触点瞬时闭合,接通△型回路,KM-△线圈得电,其常开触点闭合,起保持作用,而其常闭触点断开,切断Y型启动回路,同时另一个常闭触点使得KT时间继电器回路断开,KT 线圈失电,常闭瞬时复归,常开也复归,电机此时已经处于正常运行状态,实现了降压启动。
这里最需要注意的就是时间继电器的触点,带有延时的触点,是得电延时还是失电延时,一定要记牢才行,这里也是从网上学到的一个口诀,记住了也就好处理了。
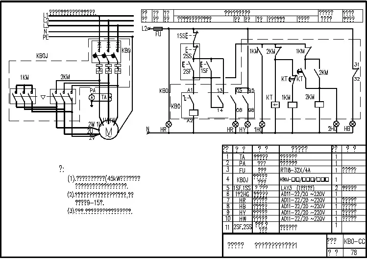
电动机星三角启动接线图及工作原理
1、星三角启动控制图
星三角启动电路 L1/L2/L3分别表示三根相线;QS表示空气开关;
Fu1表示主回路上的保险;Fu2表示控制回路上的保险;
SP表示停止按钮;ST表示启动按钮;
KT表示时间继电器的线圈,后缀的数字表示它不同的触点;
KMy表示星接触器的线圈,后缀的数字表示它不同的触点;
KM△表示三角接触器的线圈,后缀的数字表示它不同的触点;KM表示主接触器的线圈,后缀的数字表示它不同的触点;
U1/V1/W1分别表示电动机绕组的三个同名端; U2/V2/W2分别表示电动机绕组的另三个同名端;
2、星三角启动电路原理
合上QS空气开关,按下St启动按钮,KT时间继电器线圈、KMy星接触器线圈得电动作。
KMY-1触点闭合,KM主接触器得电动作;KMY-2触点闭合,电动机线圈处于星形接法,KMY-3断开,避免KM△误动作;
KM-1闭合,自保启动按钮;kM-2闭合为三角形工作做好准备;kM-3闭合,电动机得电运转,处于星形启动状态。
时间继电器延时到达以后,延时触点KT-1断开,KMy线圈断电,KMY-1断开,KM通过KM-2仍然得电吸合着;KMY-2断开,为电动机线圈处于三角形接法作准备;KMY-3闭合,使KM△得电吸合;
KM△-1断开,停止为时间继电器线圈供电;KM△-2断开,确保KMY不能得电误动作:KM△-3闭合是电动机线圈处于三角形运转状态。
电动机的三角形运转状态,必须要按下SP停止按钮,才能使全部接触器线圈失电跳开,才能停止运转.。
星三角降压启动电路图-Y—△降压起动控制线路在以前变频器、软启动器等电子设备价格比较贵,技术比较落后的时候是一个最常用的的电工电路,随着科技的发展,这种启动方式有逐步被淘汰的趋势,但是该启动电路中应用的基本电路中的互锁、自锁、延时继电器,电机的绕组接法等对于刚刚接触电路的朋友是一个很好的教材,下面就根据星三角降压启动电路图给大家介绍一下星三角降压启动电路的工作过程以及电流电压关系。
1、首先介绍一下图纸中各个元器件的符号L1/L2/L3分别表示三根相线;QS表示空气开关;Fu1表示主回路上的保险;Fu2表示控制回路上的保险;SP表示停止按钮;ST表示启动按钮;KT表示时间继电器的线圈,后缀的数字表示它不同的触点;KMy表示星接触器的线圈,后缀的数字表示它不同的触点;KM△表示三角接触器的线圈,后缀的数字表示它不同的触点;KM表示主接触器的线圈,后缀的数字表示它不同的触点;U1/V1/W1分别表示电动机绕组的三个同名端;U2/V2/W2分别表示电动机绕组的另三个同名端;2、下面介绍一下工作过程合上QS,按下St,KT、KMy得电动作。
KMY-1闭合,KM得电动作;KMY-2闭合,电动机线圈处于星形接法,KMY-3断开,KMY 和KM△互锁避免KM△误动作;KM-1闭合,自锁启动按钮;kM-2闭合为三角形工作做好准备;kM-3闭合,电动机得电运转,处于星形启动状态。
时间继电器延时到达以后,延时触点KT-1断开,KMy线圈断电,KMY-1断开,KM通过KM-2仍然得电吸合着;KMY-2断开,为电动机线圈处于三角形接法作准备;KMY-3闭合,使KM△得电吸合;KM△-1断开,停止为时间继电器线圈供电;KM△-2断开,确保KMY不能得电误动作:KM△-3闭合是电动机线圈处于三角形运转状态。
电动机的三角形运转状态,必须要按下SP停止按钮,才能使全部接触器线圈失电跳开,才能停止运转。
3、星三角降压启动中的电压电流关系星启动时:电机每个线圈上的电压是220V电流I星=U星/Z三角启动:电机每个线圈上的电压是380VI角=U/角ZI星/I角=U星/U角=220/380;星型启动的电压约为三角形启动的1/3。
1、星三角启动控制图
星三角启动电路 L1/L2/L3分别表示三根相线;QS表示空气开关;
Fu1表示主回路上的保险;Fu2表示控制回路上的保险;
SP表示停止按钮;ST表示启动按钮;
KT表示时间继电器的线圈,后缀的数字表示它不同的触点;
KMy表示星接触器的线圈,后缀的数字表示它不同的触点;
KM△表示三角接触器的线圈,后缀的数字表示它不同的触点;KM表示主接触器的线圈,后缀的数字表示它不同的触点;
U1/V1/W1分别表示电动机绕组的三个同名端; U2/V2/W2分别表示电动机绕组的另三个同名端;
2、星三角启动电路原理
合上QS空气开关,按下St启动按钮,KT时间继电器线圈、KMy星接触器线圈得电动作。
KMY-1触点闭合,KM主接触器得电动作;KMY-2触点闭合,电动机线圈处于星形接法,KMY-3断开,避免KM△误动作;
KM-1闭合,自保启动按钮;kM-2闭合为三角形工作做好准备;kM-3闭合,电动机得电运转,处于星形启动状态。
时间继电器延时到达以后,延时触点KT-1断开,KMy线圈断电,KMY-1断开,KM通过KM-2仍然得电吸合着;KMY-2断开,为电动机线圈处于三角形接法作准备;KMY-3闭合,使KM△得电吸合;
KM△-1断开,停止为时间继电器线圈供电;KM△-2断开,确保KMY不能得电误动作:KM △-3闭合是电动机线圈处于三角形运转状态。
电动机的三角形运转状态,必须要按下SP停止按钮,才能使全部接触器线圈失电跳开,才能停止运转.。
电机星三角降压启动原理电路图分析上图所示为异步电动机星三角起动控制电路图,此种接法只适合于电动机正常运行时为三角型联接。
所需主要元器件:三个交流接触器、热继电器、时间继电器,启动、停止按钮各一,熔断器五个三个接触器作用:一个为主电路接通电源,一个为Y型启动,一个为△启动.时间继电器作用:通过设定确定星型到三角型转换的时间,需要延时触点。
热继电器作用:提供过载保护。
熔断器作用:为电动机提供短路保护。
星形——三角形降压启动控制电动机起动时,把定子绕组接成星形,以降低起动电压,减小起动电流;待电动机起动后,再把定子绕组改接成三角形,使电动机全压运行。
Y—△起动只能用于正常运行时为△形接法的电动机。
这是一种降压启动方式,适用的电机有局限性,能降多少压,怎么个算法,看下面图示。
可以看到通过Y--△,能够实现降压启动,降压起动时的电流为直接启动时的1/3。
下面重点巩固一下接线方式,这个看过很多次,也画过很多次,过了一段时间,今天再画时,又有些健忘了,无奈,继续加强。
先来看一下主接线图。
Y-△启动的话,先要星型启动的话,肯定KM和 KM -Y 先要启动,之后KM -Y要停下来,KM要一直得电,不然没电源肯定不行,KM和KM-△要一直运行,到正常运行。
接下来看一下控制回路吧:根据上面一次回路的分析,再看这个控制回路,很简单的,按下启动按钮SB2,主回路电源启动,KM线圈得电,其常开触点闭合,实现自保持,SB2复归;下面的时间继电器线圈回路和KM-Y线圈回路也接通,这时Y型启动已经实现,通过时间继电器时间的整定,Y型回路的时间继电器NC(常闭)触点得电后要延时打开,使Y启动保持住,而△回路KT的NO(常开)触点得电后要延时闭合,使得△型回路不得电,同时Y型启动的接触器常闭接点对△回路有闭锁(Y-△两回路都要有闭锁)。
整定时间到后,时间继电器的常开触点瞬时闭合,接通△型回路,KM-△线圈得电,其常开触点闭合,起保持作用,而其常闭触点断开,切断Y型启动回路,同时另一个常闭触点使得KT时间继电器回路断开,KT线圈失电,常闭瞬时复归,常开也复归,电机此时已经处于正常运行状态,实现了降压启动。
电动机星三角启动接线图及工作原理
1、星三角启动控制图
星三角启动电路L1/L2/L3分别表示三根相线;QS表示空气开关;
Fu1表示主回路上的保险;Fu2表示控制回路上的保险;
SP表示停止按钮;ST表示启动按钮;
KT表示时间继电器的线圈,后缀的数字表示它不同的触点;
KMy表示星接触器的线圈,后缀的数字表示它不同的触点;
KM△表示三角接触器的线圈,后缀的数字表示它不同的触点;KM表示主接触器的线圈,后缀的数字表示它不同的触点;
U1/V1/W1分别表示电动机绕组的三个同名端;U2/V2/W2分别表示电动机绕组的另三个同名端;
2、星三角启动电路原理
合上QS空气开关,按下St启动按钮,KT时间继电器线圈、KMy星接触器线圈得电动
作;KMY-1触点闭合,KM主接触器得电动作;KMY-2触点闭合,电动机线圈处于星形接法,KMY-3断开,避免KM△误动作;
KM-1闭合,自保启动按钮;kM-2闭合为三角形工作做好准备;kM-3闭合,电动机得电运转,处于星形启动状态;
时间继电器延时到达以后,延时触点KT-1断开,KMy线圈断电,KMY-1断开,KM通过KM-2仍然得电吸合着;KMY-2断开,为电动机线圈处于三角形接法作准备;KMY-3闭合,使KM△得电吸合;
KM△-1断开,停止为时间继电器线圈供电;KM△-2断开,确保KMY不能得电误动作:KM△-3闭合是电动机线圈处于三角形运转状态;
电动机的三角形运转状态,必须要按下SP停止按钮,才能使全部接触器线圈失电跳开,才能停止运转.。
星形三角形降压启动电路图及原理星形三角形降压启动电路是一种常用的电路设计,用于控制电机或其他负载的启动和降压。
它可以有效地降低电机启动时的电流冲击,延长设备的使用寿命,同时还能提高电机的效率和稳定性。
本文将介绍星形三角形降压启动电路的原理和电路图,并对其工作过程进行详细解析。
首先,我们来看一下星形三角形降压启动电路的原理。
在电机启动时,由于电机的惯性作用,需要较大的电流来克服电机的惯性力,这就会导致电流冲击。
而星形三角形降压启动电路通过控制电机的起动电压,使电机在启动时的电流得到有效的限制,从而减小了电流冲击,保护了电机和其周边设备。
同时,通过逐步降低电压,电机的启动过程更加平稳,提高了电机的启动效率和稳定性。
接下来,我们将详细介绍星形三角形降压启动电路的电路图。
如下图所示,星形三角形降压启动电路包括主断路器、主接触器、星形三角形切换器、过载继电器、热继电器、控制电源和电机。
主断路器用于控制电路的通断,主接触器用于控制电机的启停,星形三角形切换器用于控制电机的起动方式,过载继电器和热继电器用于保护电机和电路,控制电源为整个电路提供控制信号和电源。
在电路图中,主断路器接入电源,主接触器接入电机的主回路,星形三角形切换器接入电机的起动回路,过载继电器和热继电器接入电机的保护回路,控制电源为整个电路提供控制信号和电源。
当电机需要启动时,通过控制电源给星形三角形切换器提供信号,切换器将电机的起动方式从星形切换为三角形,从而实现电机的平稳启动和降压。
最后,我们来总结一下星形三角形降压启动电路的工作原理。
当电机启动时,星形三角形降压启动电路通过逐步降低电压的方式,有效地限制了电机的启动电流,减小了电流冲击,保护了电机和其周边设备。
同时,通过控制电源给星形三角形切换器提供信号,实现了电机的平稳启动和降压,提高了电机的启动效率和稳定性。
总的来说,星形三角形降压启动电路是一种非常实用的电路设计,能够有效地保护电机和其周边设备,提高电机的效率和稳定性。
三相异步电动机星三角接线示意图与星三角起动电机2010-06-04 06:55:27 阅读448 评论0 字号:大中小订阅三相异步电动机的接法与星三角起动目前电动机的接法有两种(参考电机铭牌):一:额定电压380V/220V,接法为星/三角。
这表明电机每相绕组的额定电压为220V,如果电源线电压为220V,定子绕组则应接成三角形,如果电源电压为380V,则应接成星形。
切不可误将星形接成三角形,将烧毁电机。
二:额定电压为380V,接法为三角形,这表明定子每相绕组的额定电压是380V,适用于电源线电压为380V的场合。
如果电机额定电压为220V(日本工业电压为220V,电机额定电压为220V,民用照明为110V),电机原接法为三角形,可改成星形接法接到380V电压上。
如电机已经是星形接法,则不能再接到380V电源上。
再说星—三角降压起动:目前,我国三相异步电动机功率在3KW以下的一般用星型接法,4KW及以上时,均采用三角形接法,以利广泛采用星—三角降压起动。
星型起动的目的是降低电机的起动电流,减少对电网的冲击。
星型起动时,加在定子每相绕组上的电压为电源电压的根3分之一倍(220V),待电动机转速接近额定转速时,转为三角形运转。
由计算得知,定子绕组接成星形起动时,由电源供给的起动电流仅为接成三角形时的三分之一,星形接法时的起动转矩也减小为三角形接法时的三分之一。
星-三角转换只适用于定子输出绕组为三角形接法的三相异步电机。
电机直接启动时电流可以达到额定电流的4-7倍,对电源影响较大,甚至会出现启动失败的情况,因此,在大电机启动是一般采用以下方法来限制启动电流:1、降压启动2、转子串电阻启动(绕线式电机适用)3、自耦变压器启动4、星-三角转换启动等等,总之一个目的就是为了降低启动电流。
星-三角转换启动就是在启动瞬间,通过控制外围接触器,使三相定子绕组一端短接,构成Y 型接法,即星型接法,在电机启动后(并为达到额定),通过控制外围接触器,将星型短接去除,三相首位连接,构成闭合三角形形式,即三角形接法,此时才达到额定运行状态。
浅析星三角控制
发布时间:2006.01.20 阅览次数:3773 作者:王昌永 单位:
摘要:本文通过对几种星三角控制系统的详细分析,深入探索它们的优缺点,加深我们对星三角控制系统的认识和理解。
一、概述:
星三角控制是三项交流异步电动机(三角形连接)常用的一种控制方法。
它通过把电机启动过程划分为星形启动和三角形启动两部分,从而减小电机启动过程中电机绕组通过的电流,减少电机启动过程中承受的冲击,保护电机。
电机星三角控制的主回路有两种,见图一、图二,控制回路种类比较多,见图三到图八。
下面对它们进行详细讨论。
二、主回路:
图一、二所示为星三角控制的主回路电路图,它们控制回路可互用。
动作顺序为:星形启动时,KM1、KM2闭合,星形启动结束时,KM2断开,KM3闭合,转换为三角形启动,启动结束后,三角形运行。
从图中可以看出:它们的区别在于,接触器KM1通过的电流大小不同,图一中的KM1通过的电流是图二中KM1的 倍,电机静止时,图一中的KM3主接触点上下两侧都不带电,相对来说比较安全,但此时图二中的KM3主接触点上侧带电。
三、控制回路:
根据选择的电器元件不同,控制回路有以下几种:使用PLC控制的和没使用PLC控制的,下面对它们进行详细讨论。
㈠首先讨论没使用PLC控制的,他又有以下几种:
1.使用瞬时断开延时闭合的常开点的时间继电器控制,见图三。
它的动作顺序为:
⑴按下启动按钮SB2,KM1线圈得电自保,同时KM2线圈得电,开始星形启动,此时时间继电器KT开始延时;
⑵当延时时间到时,KT常开触点闭合,中间继电器K线圈得电,断开KM2线圈回路,KM2常闭点闭合,KM3线圈得电并自保,电机进入三角形启动阶段,直至达到电机正常转速并持续运行。
2. 使用瞬时断开延时闭合的常闭点的时间继电器控制,见图四。
它的动作顺序为:
⑴按下启动按钮SB2,KM1线圈得电自保,同时KM2线圈得电,开始星形启动,此时时间继电器KT开始延时;
⑵当延时时间到时,KT常闭触点闭合,中间继电器K线圈得电自保,断开KM2线圈回路,KM2常闭点闭合,KM3线圈得电,电机进入三角形启动阶段,直至达到电机正常转速并持续运行。
3. 使用瞬时闭合延时断开的常闭点的时间继电器控制,见图五。
它的动作顺序为:
⑴按下启动按钮SB2,KM1线圈得电自保,同时中间继电器K线圈得电,常开点闭合,KM2线圈得电,开始星形启动,此时时间继电器KT开始延时;
⑵当延时时间到时,KT常闭触点断开,中间继电器K线圈失电,常开点断开,KM2线圈失电;中间继电器K常闭点闭合,KM2常闭点闭合,KM3线圈得电自保,电机进入三角形启动阶段,直至达到电机正常转速并持续运行。
4. 使用瞬时闭合延时断开的常开点的时间继电器控制,见图六。
它的动作顺序为:
⑴按下启动按钮SB2,KM1线圈得电自保,同时中间继电器K线圈得电,常开点闭合,KM2线圈得电,开始星形启动,此时时间继电器KT开始延时;
⑵当延时时间到时,KT常开触点断开,中间继电器K线圈失电,常开点断开,KM2线圈失电;中间继电器K常闭点闭合,KM2常闭点闭合,KM3线圈得电自保,电机进入三角形启动阶段,直至达到电机正常转速并持续运行。
5. 使用瞬时闭合延时断开的常闭点和瞬时断开延时闭合的常开点的时间继电器控制,见图七。
它的动作顺序为:
⑴按下启动按钮SB2,KM1线圈得电自保,同时KM2线圈得电,开始星形启动,此时时间继电器KT开始延时;
⑵当延时时间到时,KT常闭触点断开,KM2线圈失电;KT常开触点闭合, KM2常闭点闭合,KM3线圈得电,电机进入三角形启动阶段,直至达到电机正常转速并持续运行。
6. 使用瞬时闭合延时断开的常开点和瞬时断开延时闭合的常闭点的时间继电器控制,见图八。
它的动作顺序为:
⑴按下启动按钮SB2,KM1线圈得电自保,同时KT线圈得电,KM2线圈得电,开始星形启动,此时时间继电器KT开始延时;
⑵当延时时间到时,KT常开触点断开,KM2线圈失电;KT常闭触点闭合, KM2常闭点闭合,KM3线圈得电自保,电机进入三角形启动阶段,直至达到电机正常转速并持续运行。
㈡有PLC控制的星三角控制电路见图九,它的PLC控制梯形图见图十。
它的动作顺序为:
⑴按下启动按钮SB2,X1.1得电,Y1.1线圈得电,K1线圈得电,KM1线圈得电;
⑵Y1.2线圈得电,KM2线圈得电,KM2线圈得电,开始星形启动,此时时间继电器T1开始延时;
⑶当延时时间到时,T1常闭触点断开,Y1.2线圈失电,K2线圈失电,KM2线圈失电;T1常开触点闭合,Y1.2常闭触点闭合,K3线圈失电, KM2常闭点闭合,KM3线圈得电自保,电机进入三角形启动阶段,直至达到电机正常转速并持续运行。
四、总结:
以上是对三角形连接的交流异步电机星三角控制的介绍,其中的电路由我设计、收集、整理,如有错误之处,请给予指正。
作者单位:山东上汽汽车变速器有限公司
地址:山东省烟台市 265000
Email:changyongwang@hotmail.com。