7.1生产现场和生产过程、环境存在风险和隐患辨识、评估分级与控制措施.docx
- 格式:docx
- 大小:14.65 KB
- 文档页数:1
生产现场过程隐患排查及评估分级清单一、背景生产现场常常存在着各种各样的隐患,这些隐患如果不及时排查和解决,将会带来巨大的安全风险和经济损失。
因此,各生产企业必须高度重视隐患排查和评估工作,建立完善的隐患排查和评估分级清单,从源头控制隐患,确保生产过程的安全和稳定。
二、隐患排查的原则1.全面性:不放过任何一个生产活动的环节,包括建筑工程、设备、物料、能源等;2.系统性:从整体到局部、从表面到深层、从静态到动态、从常规到非常规,充分挖掘和发现隐患;3.聚焦性:根据实际情况,把重点放在可能产生严重后果的隐患上;4.可操作性:采取科学的技术手段和管理方法来排查和解决隐患,确保实效。
三、隐患评估的原则1.风险评估:根据隐患的性质、类型、数量、分布及环境因素等,进行适当的风险评估;2.评级分层:根据风险评估结果,把隐患分为一般、较大、重大三个等级,并制定相应的控制措施;3.鉴别防范:根据不同等级的隐患,采取相应的技术和管理措施,从源头上控制风险;4.反馈完善:隐患排查和评估是一个动态的过程,要根据实际情况及时反馈和调整。
四、各类型隐患的排查和控制1. 安全隐患1.设备安全隐患:如设备老化、维护不当、安装不符合标准、存在安全隐患的设备未及时更换等;2.电气安全隐患:如电线老化、接头不牢固、线路不合理、线路过载或短路等;3.作业安全隐患:如操作不规范、操作人员不熟练、工具使用不当等;4.环境安全隐患:如安全通道被堵塞、防火设施损坏等。
2. 生产隐患1.原材料质量隐患:如原材料含杂质、质量不稳定、检测手段不当等;2.操作工艺隐患:如加工操作不规范、工艺流程混乱等;3.产品质量隐患:如无法达到产品标准、存在生产过程不可控等。
3. 管理隐患1.财务管理隐患:如资金周转不灵、亏损增长等;2.人力资源管理隐患:如员工流失率高、培训不到位等;3.行政管理隐患:如行政管理流程混乱、手续不全等。
五、隐患评估分级清单1.一般隐患:风险等级较低,能够通过改进操作方法、按规定的工艺条件操作、加强管理、加强监督等措施控制风险。
生产现场和生产过程、环境存在的风险和隐患辨识、评估分级与控制措施合同订立的一般程序(赠品不喜欢可以删除)一、合同订立的需要条件(一)须有双方或多方当事人合同为各方达成的协议,属于双方或多方的法律行为,因此,订立合同须由至少两方当事人参与,仅一方当事人不存在订立合同问题。
订约当事人是否为双方或多方,决定于参与订约的人是否为相互独立的意思主体。
在一般情形下,订约当事人各方的经济目的是相反的,但在某些情形下,订约当事人各方也可有相同的经济目的,但须能为相互独立的意思表示。
(二)须有当事人之间的意思表示的互动合同订立是由独立的主体相互接触,互为意思表示,直到达成协议的过程。
因此,合同的订立须有当事人互为意思表示,从要约、再要约,直到承诺。
(三)须为特定当事人之间为缔约而为意思表示订立合同只能是在特定的人或者特定范围内的人之间进行,并且当事人须以缔约为目的进行接触,当事人之间相互所为的意思表示是为订约发出的。
若不特定的人之间或者虽为特定人之间相互接触,进行协商,但并不是以订约为目的,则不属于合同订立问题。
二、合同订立的程序合同的签订,一般应基于双方当事人的合意,既意思表示一致。
合同订立的过程就是当事人双方使其意思表示趋于一致的过程,这一过程在合同法上称为要约和承诺。
(一)什么是要约1、要约是指一方当事人向他人作出的以一定条件订立合同的意思表示。
前者是要约人,后者称为受要约人。
要约取得法律效力,应具备以下条件:第一、要约必须是特定人的真实意思表示。
第二、要约必须是向相对人发出的意思表示。
要约的相对人可以是特定的人,也可以是不特定的人。
向特定人发出要约,通常是指某一具体的法人或自然人。
向不特定的人发出要约,一般是指向社会公众发出的要约。
三:要约必须是能够反映所要订立合同主要内容的意思表示。
要约的目的在于取得相对人的承诺,建立合同关系。
要约能否为另一方所接受,关键是看发出的要约对对方是否亦有利。
即使对方表示了愿意订立合同的意思,双方还必须要订立合同的主要条款,如标的、数量、质量、价款或报酬、履行期限、地点和方式、违约责任、争议的处理方法以及要求对方答复的期限等,以供被要约人考虑是否承诺。
工贸行业安全生产标准化要素与内容要素一:目标1、制度:安全生产目标管理制度要以文件形式发布;2、文件:1)总体和年度安全生产目标2)年度安全生产目标分解3)安全生产目标实施计划和考核办法4)安全生产目标实施情况检查、监测记录5)安全生产目标完成效果评估与考核要素二:组织机构与职责1、制度:1)安全管理机构及配备包括单位的主要负责人、安全管理机构、其它相关机构负责人、安全管理人员、工会代表等2)安全管理人员包括企业负责人、安全管理负责人、安全管理人员持安全资质考核合格证书的情3)安全管理人员机构和人员的管理制度4)安全会议管理制度2、文件:1)安全管理机构组织机构图2)安委会或安全领导小组设立文件3)安全管理人员的任命文件4)安全生产会议记录每季度1次,会议要包括上次会议工作要求的落实情况,有未完成项要有整改措施5)安全生产工作职责主要负责人、分管安全生产负责人、技术生产分管负责人、安全管理人员、车间班组负责人、所有从业人员等,均要以文件形式发布6)安全生产责任制各部门、各单位、安全管理机构、生产、安全、技术等部门、各班组、各岗位等,均要以文件形式发布7)安全生产责任书8)安全生产责任考核、奖惩制度及考核结果、实施情况9)管理人员安全生产责任制及工作权限培训及记录表10)安全生产责任制评审记录要素三:安全生产投入1、制度:1)安全费用提取和使用管理制度2)员工工伤保险管理制度3)安全生产责任险管理制度4)安全生产投入与保障制度2、文件:1)年度安全生产投入计划2)安全生产投入科目及使用台帐3)安全生产费用使用台帐4)安全生产费用提取与使用的财务科目5)安全生产费用使用计划6)安全生产费用归类统计台帐7)安全生产责任险缴纳情况及凭证8)工伤保险缴纳台帐及凭证要素四:法律法规与安全管理制度1、制度:1识别、获取、评审、更新、发布安全生产法律法规、标准规范的制度2企业规章制度管理、编制、修订、发布、发放、培训、实施、考核管理办法3文件和档案管理制度4安全生产法律法规、标准规范培训制度5安全生产法律法规、标准规范执行情况考核制度6各项安全生产管理制度7各项安全生产操作规程2、文件:1识别、获取、评审、更新安全生产法律法规、标准规范机构及职责2安全生产法律法规、标准规范分类汇总3安全生产法律法规、标准规范清单4安全生产法律法规、标准规范发布清单5安全生产法律法规、标准规范培训记录6安全生产法律法规、标准规范执行情况考核记录7安全生产法律法规、标准规范符合性评价评审记录8制度发放记录9制度执行记录10制度培训记录11制度考核记录12制度发布文件13设备、设施安全操作规程、岗位安全操作规程发布文件14设备、设施安全操作规程、岗位安全操作规程发放记录15设备、设施安全操作规程、岗位安全操作规程培训记录16设备、设施安全操作规程、岗位安全操作规程考核记录17法律、法规、标准规范、操作规程、规章制度、管理制度执行情况检查评估报告18制度、安全操作规程修订文件19制度、安全操作规程修订计划要素五:教育培训1、制度:安全生产教育培训制度2、文件:1安全生产教育培训计划2企业安全教育培训档案3安全教育培训台帐4安全生产教育培训计划执行情况检查记录5“三级”安全教育培训档案、台帐、记录包括培训教材、讲义、讲稿、培训人员签到、培训考试考核结果等6企业主要负责人、安全分管负责人、安全管理人员培训合格证、台账7特种作业人员培训及培训合格证、台账、档案8岗位操作人员安全教育与生产技能培训记录和考核记录9新员工三级教育记录、档案与台帐10职业健康培训、教育记录和考核记录、台帐、档案11新工艺、新技术、新设备、新材料投入使用前对岗位操作人员进行的专门安全教育、培训记录、档案与台帐12对外来人员的安全教育、培训档案、记录与台帐13操作人员转岗、离岗一年以上重点上岗者的安全教育、培训记录、档案与台帐要素六:生产设备设施1、制度:1企业新建、改建、扩建工程安全设施“三同时”管理制度2设备、设施采购、租赁、安装、验收、检测管理制度3设施、设施使用、检查、保养、维护、维修、检修、改造、报废管理制度4设施、设施变更管理制度5设施、设施标准化、定型化、工具化管理制度6企业安全设施、设施包括检查、检测、防护、配备管理制度7设备、设施操作规程管理制度8设备、设施使用、操作安全管理制度9安全设备、设备管理制度10设备、设施安全防护管理制度11安全警示标识使用、管理制度12设备、设施安全条件与状况检查制度2、文件:1设备、设施台帐2设备、设施档案图纸、技术资料、产品合格证、技术说明、出厂日期、生产产家,生产日期、购入日期、验收日期等3设备、设施管理人员及机构设置文件4设备、设施采购、验收、安装、检测、检定记录5设备、设施安全运行记录6设备、设施检修、维修、保养、检定记录7设施、设施安全运行情况检查记录8安全防护设施、设备检查、检定、保养、维护、维修、运行记录9设备、设施维修计划10设备、设施维修方案11设备、设施操作人员培训方案与记录12设备、设施检修、保养、检查人员培训方案与记录13设备、设施检修、维护、保养、检查、检定现场作业安全规范14设备、设施检修、维护、保养、检查、检定现场作业安全监督检查记录15设备、设施检修、维护、保养、检查、检定前安全培训、教育记录16设备、设施检修、维护、保养、检查、检定安全交底记录17设备、设施检修、维护、保养、检查、检定安全验收记录18设备、设施检修、维护、保养、检查、检定风险分析记录19拆除的生产设备、设施涉及到危险物品处置安全方案19拆除的生产设备、设施涉及到危险物品处置的安全、技术交底20安全警示标识使用分布记录与档案、台帐21设备、设施安全条件与状况、防护情况安全检查记录与台帐22设备、设施安全条件与状况、防护情况等安全要素评价报告要素七:作业安全1、制度:1“三违违章作业、违2危险作业安全管理制3操作牌使用管理制度4警示标识和安全防护管理制度5承包商、分包商、供应商安全管理制度6人员、机构、工艺、技术、设施、作业过程及环境变更安全管理制度7作业安全条件审查制度8作业现场安全管理制度9作业现场安全检查制度10劳动和安全防护用品管理制度2、文件:1生产现场和生产过程、环境存有风险的隐患辩识、评估分级2风险和隐患辩识和控制措施3危险性大作业许可和工作票制4劳动和安全防护用品发放标准和发放记录5承包商、分包商和供应商名单、档案和台帐及相关审查评估记录6承包商、分包商和供应商风险评估报告与记录7承包商、分包商和供应商安全情况监控、监测记录与报告8承包商、分包商和供应商安全协议9变更实施计划无变更不需要10变更审批和验收报告无变更不需要11变更备案无变更不需要要素八:隐患排查与治理1、制度:1隐患排查治理管理制度2安全预案工作管理制度2、文件:1安全检查计划2隐患排查方案3隐患排查、检查记录4隐患汇总登记台帐5隐患治理方案6隐患评估分级7隐患排查和治理统计分析表8隐患整改后复查记录9重点隐患档案10重大隐患治理后验收、验证和评估11各类安全检查记录12安全预警指数系统见注释13安全预警系统的风险分析每月一次14安全预警参数确定记录15安全预警监控参数记录及分析台帐16安全预警监控参数及风险计算方法要素九:重大危险源监控1、制度:1危险源辩识管理制度2危险源管理制度3重大危险源监控管理制度2、文件:1危险源辩识报告2危险源清单与台帐3危险源档案4重大危险源备案资料5放射物品、剧毒物品、易制毒化学品、易制爆化学品使用许可证、采购许可证和备案证明6危险源监控、监管、检测设备、设施台帐7危险源监管、监控、检测记录8危险源安全检查记录9危险源现场安全警示标志设置记录、台帐和设署分布图10危险源监控、监管、检测设备、设施设置记录和位置分布图11危险源监控、监管、检测设备、设施安装、验收、维修、保养、检查、检定记录要素十:职业健康1、制度:1职业危害因素管理制度2职业健康管理制度3职业危害和职业健康安全检查制度4职业危害防护用品、设备、设施管理制度2、文件:1职业危害因素申报资料及批复2职业危害因素和职业卫生定期检测、评估报告3职业卫生管理档案4职业健康监护档案5职业危害安全检查记录5职业危害因素和职业健康管理台帐6从业人员职业健康检查记录、台帐与档案7职业危害告知与培训记录与档案8职业危害宣传资料与记录9现场设置的职业危害与职业卫生检测数据告知牌10与职业签订的劳动合同中的职业危害告知记录11职业危害防护用品、设施、设备台帐与档案12职业危害防护用品、设备、设施发放、设置记录与档案13职业危害防护器具、设备、设施定期检验、检定和维护、保养记录14职业危害防护器具、设备、设施维修、定期检测记录15职业危害急救物品台帐要素十一:应急救援1、制度:1应急救援管理制度预案编制、实施、演练、机构、人员、处置方案编制与评审、人员培训、教育等2应急救援预案管理制度编制、修订、发布与管理、演练结果评估与改进3应急救援设施、装置、物资管理制度采购、设置、检查、配备、维修、保养、管理及定期检查、更换、配备等4应急救援队伍、人员训练、培训、教育、专家库更新管理制度2、文件:1应急救援管理、指挥机构、人员网格图示2应急救援管理、指挥机构、人员设置文件3应急救援预案及发布指令文件4应急救援预案修订记录与发布通知文件5专项应急救援预案6应急救援预案、专项预案、处置方案编制与评审记录7应急救援演练计划8应急救援演练方案9重点部位与岗位应急处置方案10应急救援演练记录与档案11应急救援演练效果评估及改进报告12应急救援队伍及人员台帐与档案13应急救援设施、设备、装备、装置、物资台帐与档案14应急救援设施、设备、装备、装置、物资定期采购、更换、设置、配备计划15应急救援设施、设备、装备、装置、物资定期检查、维修、维护、保养记录16应急救援专家、装备、物资、救援队伍人员档案、台帐及数据库17应急救援队伍培训、教育、训练记录18应急救援预案备案材料要素十二:事故报告、调查和处理1、制度:1安全生产事故管理制度包括事故的报告、调查和处理、应急处置、事故通报等2安全生产事故责任追究与奖惩制度2、文件:1安全生产事故档案2安全生产事故台帐3安全生产事故调查报告4安全生产事故统计分析报告5安全生产事故责任追究与奖惩记录与资料6安全生产事故报告7安全生产事故通报8安全生产事故分析报告9安全生产事故分析、学习记录10导致安全生产事故的隐患检查与整改情况记录要素十三:绩效评定和持续改进1、制度:1安全生产标准化绩效评定管理制度2安全生产标准化持续改进工作管理制度2、文件:1安全生产标准化自评报告一年一次2安全生产标准化绩效讨论和会议记录、纪要3安全生产标准化持续改进计划、实施结果与考核报告注释:1.安全生产预警指数概括为:将管理学、安全系统科学、减灾防灾科学、预测预警技术及系统原理、预防原理、人本原理、事故致因理论等多学科方法和理论应用于安全生产风险管理中,通过数据统计、分析、建模、计算,用来定量化表示企业安全生产现状和趋势的数值.2. 安全生产预警指数系统是以日常隐患排查结果和仪器仪表监测检测数据为基础,辨识和提取有效信息,分析其可能产生的后果并予以量化,将有关信息录入安全生产预警指数管理系统软件,通过软件进行统计、系数修正、计算,得出安全生产预警指数,形成直观的、动态的反映企业安全生产现状的安全生产预警指数图;运用预测理论,建立数学模型,对未来的安全生产趋势进行预测,形成安全生产趋势图.3.安全生产预警的基础是数据的收集,数据来源为两个方面:隐患排查的结果及仪器仪表监测数据.在隐患排查中,不仅要发现物的不安全状态,同时对人的行为也要加以判断,对于好的安全行为要及时表扬并记录在案,仪器仪表监测过程中不正常的数据要进行整理.通过对历史数据、即时数据的整理、分析、存储,建立安全预警数据档案.对收集到的信息、数据进行分析,判断已经发生的异常征兆及可能发生的连锁反应,评价事故征兆可能造成的损失.对分析的结果进行分类统计,录入软件系统,形成部门安全预警情况报告,上报企业安全管理部门,汇总分析后,得出当前安全生产预警指数报告.4.安全生产预警指数的计算是以规定时间段内的各部门安全预警情况报告为基础,进行报告份数、演练、培训、事故、隐患整改率等系数修正,计算得到安全生产预警指数值,并生成安全生产预警指数图;根据安全生产预警指数值,运用预测理论进行数学建模,生成安全生产趋势图.安全生产预警指数=安全预警报告修正值+事故修正值+隐患排查率修正值+培训、演练修正值+其他修正值具体就是建立一个数据分析软件,把各种数据,及检测监测结果导入系统,并预设警示值等.长沙市芙蓉区安全生产监督管理局黄一迅编制。
生产现场和生产过程环境存在的风险和隐患辨识评估分级与控制措施生产现场和生产过程中存在各种风险和隐患,对员工的生命和健康构成威胁,甚至可能导致严重的事故和损失。
因此,对于这些风险和隐患的辨识、评估分级和控制措施的制定非常重要。
本文将分析生产现场和生产过程中可能存在的风险和隐患,并提出相应的控制措施。
首先,生产现场和生产过程中可能存在的风险和隐患主要包括以下几个方面:1.物理风险:如机械设备故障、物体坠落、电气设备故障引发的火灾和爆炸等,可能对员工的生命安全和生产设备造成损害。
2.化学风险:生产过程中使用的化学物质,如有毒气体、腐蚀性物质、易燃物质等,可能对员工的健康和环境构成危害。
3.生物风险:如生物实验室、食品加工工厂等生产现场,可能存在细菌、病毒以及害虫等生物危害,对员工的健康和产品质量构成威胁。
4.人为因素:如操作不当、作业疏忽、无证上岗等,可能导致设备故障、事故和环境污染等风险。
对于这些风险和隐患,应该进行辨识、评估和控制。
首先,要对生产现场进行全面的隐患排查和风险分析,查找潜在的风险和隐患点。
其次,对于已经发现的风险和隐患,应该进行评估分级,确定其重要程度和危害程度。
一般来说,可以采用ABC分类法进行评估,即按照重要性和危害程度分为A、B、C三个级别,A级别为最高,C级别为最低。
根据分级结果,制定相应的控制措施。
针对不同的风险和隐患,可以采取不同的控制措施。
例如,对于机械设备故障,可以进行定期检查和维护,确保其正常工作;对于化学品风险,可以采取替代、隔离、通风等措施,减少危害;对于人为因素,应加强操作培训和管理,确保员工操作规范和安全意识。
此外,还可以通过配备个人防护装备、安装安全设备、建立预警机制等方式来防控风险和隐患。
而且,应建立完善的应急管理措施,包括事故预案、演练和应急处置流程等,以应对突发事故。
总之,生产现场和生产过程中存在各种风险和隐患,对员工的生命和健康构成威胁。
为了控制这些风险和隐患,应该进行全面的辨识、评估和分级,并制定相应的控制措施,以保障员工的安全和生产的顺利进行。
生产现场环境风险和隐患辨识与控制(DOCX 82页)(4) 新安装设备施未经安全验收就进行生产作业。
(5) 未按规定放置、堆垛材料、制品及工具。
(6) 工作前未检查设备施或设备施带故障安全装置不齐全便进行操作。
(7) 在消防器材动力配电箱、板、柜周围堆放物品且违反堆放间距规定。
(8) 危险作业未经审批或虽经审批但安全措施未落实。
(9) 在禁火区域内吸烟或违章明火作业。
(10) 在有毒、粉尘等作业场所进餐、饮水未按规定使用通风除尘设备。
(11) 危险作业时监护措施未落实及未设置警戒区域或未挂警示牌。
(12) 职业禁忌症者未及时调换工种。
(13) 发现隐患未排除、报告、冒险作业。
(14) 不按操作规定进行操作。
(15) 随意挪用现场安全设施或损坏现场安全标志。
(16) 吊物、传运物件操作方法违反规程规定。
(17) 起重作业操作方法、指挥信号违反规程或现场施工安全操作措施规定。
(18) 使用的安全工具、安全用具不合格。
(19) 任意拆除设备施的安全装置、仪器、仪表、警示装置的。
(20) 设备运转时跨越、触摸或擦拭运动部位。
(21) 检修设备时未切断电源。
(22) 擅自启用查封或报废设备。
(23) 检修电器设施是未停电、验电、接地及挂牌操作。
(24) 安全电压灯具与使用电压及要求不符。
(25) 工作中不遵守劳动纪律从事与生产无关的活动。
(26) 其它违反环境和职业健康安全法律、法规、条例、标准、规程的指令的行为。
(二)违章指挥行为(1) 指派不具备安全资格的人员上岗不考虑工人的工种与技术等级进行分工。
(2) 没有工作交底没有安全技术措施没有创造生产安全的必备条件即组织生产。
(3) 擅自变更经批准的安全技术措施。
(4) 对职工发现的装置性违章和技术人员拟定的反装置性违章措施不闻不问不组织消除。
(5) 擅自决定变动、拆除、挪用或停用安全装置和设施。
(6) 设备带病运行、超负荷运行而没有相应的技术措施和安全保障措施或是让职工冒险作业。
第七章作业安全7.1 生产现场管理和生产过程控制。
7.1.1企业应加强生产现场安全管理和生产过程的控制。
对生产过程及物料、设备设施、器材、通道、作业环境等存在的隐患,应进行分析和控制。
7.1.1.1对生产现场和生产过程、环境存在的风险和隐患进行辨识、评估分级,并制定相应的控制措施。
(20分)见7-1风险和隐患识别表7.1.1.2严禁架空电线跨越爆炸和火灾危险场所。
(4分)实地查核。
7.1.1.3非经允许,禁止与生产无关人员进入生产操作现场。
应划出非岗位操作人员行走的安全路线。
(4分)实地查核。
7.1.1.4行灯电压不应大于36V,在金属容器内或潮湿场所,则电压不应大于12V。
(2分)实地查核。
7.1.1.5设应急照明,正常照明中断时,应急照明应能自动启动。
(4分)实地查核。
7.1.1.6易燃、可燃或有毒介质导管不应直接进入仪表操作室或有人值守、休息的房间,应通过变送器把信号引进仪表操作室。
(4分)实地查核。
7.1.1.7建立对“三违”行为的管理制度,明确监控的责任、方法、记录、考核等事项。
(4分)见4.2.27.1.2对动火作业、受限空间内作业、临时用电作业、高处作业等危险性较高的作业活动实施作业许可管理,严格履行审批手续。
作业许可证应包含危害因素分析和安全措施等内容。
企业进行爆破、吊装等危险作业时,应当安全专人进行现场安全管理,确保安全规程的遵守和安全措施的落实。
7.1.2.1建立至少包括下列危险作业的安全管理制度,明确责任部门、人员、许可范围、审批程序、许可签发人员等:(1)危险区域动火作业;(2)进入受限空间作业;(3)能源介质作业;(4)高处作业;(5)大型吊装作业;(6)交叉作业;(7)其他危险作业。
(2分)见4.2.27.1.2.2对危险作业的安全管理工作实施作业许可。
作业许可证应包含危害因素分析和安全措施等内容。
(6分)示例:临时用电作业票一级动火申请表说明:1、严禁在易燃易爆和火灾危害的场所随意动火。
安全生产风险分级管控和隐患整改制度一、背景为了保障安全生产,提高工作场所的安全性和可靠性,制定本安全生产风险分级管控和隐患整改制度。
该制度旨在识别和评估安全风险,并采取相应的管控措施,确保隐患得到及时整改。
二、风险分级管控1. 风险识别和评估:- 根据工作场所的特点和条件,对可能存在的安全风险进行识别和全面评估。
- 制定风险评价标准,将风险按照严重程度和概率进行分级。
2. 风险管控措施:- 根据风险等级制定相应的管控措施,包括防范措施、应急措施和管理措施。
- 将管控措施纳入工作程序和操作规范,确保其有效实施。
3. 风险监控和评估:- 建立风险监控机制,对管控措施的有效性进行定期评估和监测。
- 根据评估结果,及时调整和改进管控措施,确保风险得到有效控制。
三、隐患整改制度1. 隐患排查和记录:- 开展定期隐患排查,记录发现的安全隐患。
- 隐患记录应包括隐患的位置、性质、原因等详细信息。
2. 隐患整改措施:- 对发现的隐患制定整改措施和责任分工。
- 制定整改计划,明确整改的时间节点和目标。
3. 整改落实和验收:- 确保整改措施得到及时实施和完成。
- 进行整改验收,确保整改效果符合要求。
四、制度执行和监督1. 制度执行:- 针对本制度制定具体的操作细则和工作程序。
- 建立制度执行的考核和激励机制,强化执行力度。
2. 监督和检查:- 设置专门机构或人员负责对制度执行情况进行监督和检查。
- 对违反制度规定的行为进行处理,并进行相应的记录。
五、制度宣传和培训1. 制度宣传:- 制定宣传方案,将制度内容向全体员工进行宣传。
- 定期组织安全培训和讲座,提高员工的安全意识和知识水平。
2. 培训和教育:- 制定培训计划,对员工进行相应的安全培训。
- 提供必要的教育资源,帮助员工掌握安全生产知识和技能。
六、附则1. 本制度自发布之日起生效。
2. 对于特定行业或特殊情况,可以根据实际情况进行相应的调整和补充。
3. 对于违反本制度的行为,将依据相关法律法规进行处理。
对生产现场和生产过程、环境存在的风险和隐患进行辨识、评估分级,并制定相应的控制措施一、生产现场从事产品生产、制造或提供生产服务的场所,即劳动者运用劳动手段,作用于劳动对象,完成一定生产作业任务的场所。
1、定置管理根据物流运动的规律性,科学地确定物品在场所内的位置,即定置。
定置方法有两种基本形式。
(1)固定位置即场所固定、物品存放位置固定、物品的信息媒介物固定。
(2)相对位置即相对地固定一个存放物品的区域,至于在这个区域内的具体放置位置,则根据当时的生产情况及一定的规则来决定。
(3)良好的定置管理,要求信息媒介物达到五方面的要求:1)场所标志清楚。
2)场所设有定置图。
3)位置台账齐全。
4)存放物的序号、编号齐备。
5)信息标准化。
(4)定置管理基本要求:有物必分类,有类必分区、有区必有牌,按区存放,按图定置,图物相符。
1)生产现场实行定置摆放2)工位器具、料箱摆放整齐、平稳,高度合适,沿人行道两边不得有突出或锐边物品。
3)危险部位应设置安全标志2、作业现场通道3、作业区域地面状况4、作业现场消防设备设施二、生产过程从原材料投入生产开始,直到成品检验合格入库为止所经历的全部劳动过程。
它包括基本生产过程(即制造零部件和装配产品的过程)和辅助生产过程(生产准备、器材供应、检验、设备维修、储运等)。
三、环境生产作业环境包括物理环境、化学环境、空间环境和时间环境等。
对物理和化学环境的环境主要是指作业现场的温度、湿度、压力、照明、噪声、粉尘、毒物、强烈气味、移动和振动,工作气氛;通风、电磁波和各种射线等。
对空间和时间环境的治理比较好的方法是推行定置管理。
对生产作业现场的物品放置定位。
设置一些安全标志、安全标语和安全警示牌。
生产作业场所环境不良1)照明采光不良(照度不足、场所烟雾尘弥漫视物不清、光线过强等)2)通风不良(无通风换气设备、通风系统效率低、风流短路、其他)3)作业场所设计或安装不符合要求。
如厂房狭窄、门窗设计不合理。
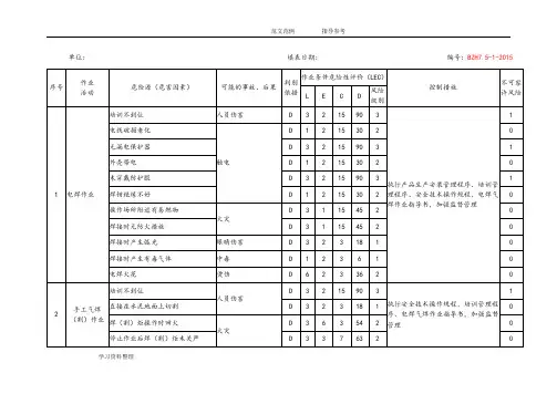
生产现场和生产过程、环境存在的风险和隐患辨识、评估分级与控制措施
设备名
序号称或环
境名称
生产设1
备
2
配电箱、
开关箱3仓库
4
配电房
存在风险和隐患可能造成后果
危险
控制措施
级别
未重复可靠接地触电伤人五级必须重复可靠接地
未达到“三级配电、两级
触电伤人五级
按要求实行“三级配电、两保护”要求级保护”
部分无漏电保护器触电伤人五级及时检查安装
部分未接保护零线触电伤人五级
及时检查,按规范要求接好
保护零线
电器元件损坏或配备不
触电伤人四级
定期检查,及时更换损坏的符合要求电器元件
配电箱的门盖未严密上
触电伤人五级
立即更换配电箱并定期检锁查
可燃物品堆放与电气开
火灾四级
保持一定安全距离并定期关及照明灯接触检查
安全防护用品不全,无应
触电伤人五级配齐安全防护用品急灯
无安全警示标志和操作
触电伤人五级
设置醒目的安全警示标志规程并张贴操作规程。