水泥抗压夹具自校记录表
- 格式:xls
- 大小:16.00 KB
- 文档页数:1
水泥胶砂强度抗压夹具自校规程【编号:YXWS-QSM-ZY-26 : 2015(S)】本规程适用于新购的、使用中的和维修后的水泥胶砂强度抗压夹具自校。
1、总则水泥胶砂强度抗压夹具是用于按GB/T17671-1999标准检验水泥胶砂强度的专用设备,校验周期为一年。
2、技术要求2.1、上、下压板表面应光洁,手摸无粗糙感;2.2、上、下压板宽度〉40mm,厚度〉10mm ,长度40mm ± 0.1mm;2.3、上、下压板与试件整个接触表面的平面公差为0.01mm;2.4、上压板上的球座中心应在夹具中心轴线与上压板下表面的交点上,公差为土1mm,上压板随着与试件的接触而自动找平,在加荷过程中,上下压板的相应位置应保持固定;借助专用试块上下压板长度方向的两端面边应相互重合,不重合边最大偏差不超过0.2mm ;2.5、下压板的表面对夹具的轴线应是垂直的,并且在加荷过程中应保持垂直;。
2.6、上下压板的自由距离>45mm,定位高度不高于下压板表面5mm,间距为41〜55 mm;2.7、框架底部中心定位孔为C 8 mm X 8 mm,传压柱进行导向运动时垂直滑动而不发生明显摩擦和晃动,上端中心工艺为C 8 mm X 8 mm;2.8、球座应能自由转动,以使夹具上压板能一开始就适应试体的形状,并且在试验中仍能保持;2.9、抗压夹具不放试体时,若加压到工作位置,压力试验机不应有负荷指示;2.10、抗压夹具应保持清洁,不得有碰伤和划痕;2.11、抗压夹具应有牢固的铭牌,其内容包括:仪器名称、规格型号、出厂编号、出厂日期;3、校验设备3.1、游标卡尺:量程200mm 分度值0.02mm,附带专用试块;3.2. 塞尺(厚薄规):量程0.01〜1 mm,分度值0.01 mm ;4、校验方法4.1、上压板的长度、宽度、厚度、自由距离、球座中心、定位销、框架底部中心定位孔用分度值为0.02mm的卡尺检测;4.2、非负荷下压力在压力试验机上用最小度盘检测;4.3、用塞尺测量上、下压板与试件整个接触面的平面公差;4.4、外观要求用目测检测;5、校验结果评定新购的、使用中的和维修后的水泥胶砂强度抗压夹具应满足所有要求。
水泥胶砂强度抗压夹具自校规程【编号:YXWS-QSM-ZY-26:2015(S)】本规程适用于新购的、使用中的和维修后的水泥胶砂强度抗压夹具自校。
1、总则水泥胶砂强度抗压夹具是用于按GB/T17671-1999标准检验水泥胶砂强度的专用设备,校验周期为一年。
2、技术要求2.1、上、下压板表面应光洁,手摸无粗糙感;2.2、上、下压板宽度>40mm,厚度>10mm,长度40mm ±0.1mm;2.3、上、下压板与试件整个接触表面的平面公差为0.01mm;2.4、上压板上的球座中心应在夹具中心轴线与上压板下表面的交点上,公差为±1mm,上压板随着与试件的接触而自动找平,在加荷过程中,上下压板的相应位置应保持固定;借助专用试块上下压板长度方向的两端面边应相互重合,不重合边最大偏差不超过0.2mm;2.5、下压板的表面对夹具的轴线应是垂直的,并且在加荷过程中应保持垂直;。
2.6、上下压板的自由距离>45mm,定位高度不高于下压板表面5mm,间距为41~55 mm;2.7、框架底部中心定位孔为¢8 mm×8 mm,传压柱进行导向运动时垂直滑动而不发生明显摩擦和晃动,上端中心工艺为¢8 mm×8 mm;2.8、球座应能自由转动,以使夹具上压板能一开始就适应试体的形状,并且在试验中仍能保持;2.9、抗压夹具不放试体时,若加压到工作位置,压力试验机不应有负荷指示;2.10、抗压夹具应保持清洁,不得有碰伤和划痕;2.11、抗压夹具应有牢固的铭牌,其内容包括:仪器名称、规格型号、出厂编号、出厂日期;3、校验设备3.1、游标卡尺:量程200mm 分度值0.02mm,附带专用试块;3.2.塞尺(厚薄规):量程0.01~1 mm,分度值0.01 mm;4、校验方法4.1、上压板的长度、宽度、厚度、自由距离、球座中心、定位销、框架底部中心定位孔用分度值为0.02mm的卡尺检测;4.2、非负荷下压力在压力试验机上用最小度盘检测;4.3、用塞尺测量上、下压板与试件整个接触面的平面公差;4.4、外观要求用目测检测;5、校验结果评定新购的、使用中的和维修后的水泥胶砂强度抗压夹具应满足所有要求。
雷氏夹校验记录TGX003-2008 验编号:BD10-001表003水泥抗压夹具校验记录TGX003-2008校验编号:BD10-002表005-2校验编号:BD10-003表007-3校验编号:BD10-004表008-3粗骨料压碎值仪校验记录TGX010-2008校验编号:BD10-005表010建筑用砂、石容量筒校验记录TGX011-2008校验编号:BD10-006表011-2混凝土拌合物容量筒校验记录TGX012-2008校验编号BD10-007表012TGX013-2008 校验编号:BD10-008表013-2TGX014-2008 校验编号:BD10-009表014-2振筛机校验记录TGX016-2008 校验编号:BD10-010表016TGX020-2008 校验编号:BD10-011表020TGX020-2008 校验编号:BD10-013表020TGX020-2008 校验编号:SW1105-BD-013表020TGX020-2008 校验编号:SW1105-BD-014表020砂浆稠度仪校验记录TGX021-2008校验编号:BD10-015表021TGX029-2008 校验编号:BD10-016表029-3TGX029-2008 校验编号:BD10-017表029-3TGX029-2008 校验编号:BD10-018表029-3TGX029-2008 校验编号:BD10-019表029-3砂浆试模校验记录TGX029-2008 校验编号:BD10-026表029-3砂浆试模校验记录TGX029-2008 校验编号:BD10-027表029-3TGX030-2008 校验编号:BD10-028表030-2TGX030-2008 校验编号:BD10-029表030-2混凝土抗渗仪校验记录TGX033-2008校验编号:BD10-036表033混凝土电通量测量仪校验记录TGX039-2008校验编号:BD10-037表039灌砂筒校验记录TGX047-2008 校验编号:BD10-038表047-2动力触探仪校验记录TGX077-2008校验编号:BD10-039表077-2雷氏膨胀测定仪校验记录TGX047-2008校验编号:BD10-039表077-2击实仪校验记录TGX047-2008 校验编号:BD10-039表077-2光电式液、塑限测定仪校验记录TGX047-2008校验编号:BD10-039表077-2比重瓶校验记录TGX047-2008 校验编号:BD10-039表077-2玻璃仪器校验记录TGX047-2008 校验编号:BD10-001 表077-2环刀校验记录TGX047-2008 校验编号:BD10-039表077-2钢筋冷弯弯芯校验记录TGX047-2008校验编号:BD10-039表077-2电热枯燥箱校验记录TGX047-2008校验编号:BD10-039表077-2恒温恒湿养护箱校验记录TGX047-2008校验编号:BD10-039表077-2沸煮箱校验记录TGX047-2008 校验编号:BD10-039表077-2砼气压式含气量测定仪校验记录TGX047-2008校验编号:BD10-039表077-2土壤CBR试模校验记录TGX047-2008校验编号:BD10-039表077-2无侧限抗压强度试模校验记录TGX047-2008校验编号:BD10-039表077-2石料磨光机校验记录TGX047-2008校验编号:BD10-039表077-2水泥负压筛析仪校验记录TGX003-2008校验编号:BD10-040表078。
水泥抗压夹具校验方法11.1适用范围本方法适用于新购和使用中以及检修后的40mm×40mm的水泥抗压夹具的校验。
11.2技术要求1、抗压夹具应保持清洁,不得有碰伤划痕;应有牢固的铭牌,内容包括:仪器名称、规格型号、制造厂名、出厂编号、出厂日期。
2、上、下压板应为硬质钢材制成,其长度为40±0.1mm,宽度为40mm,厚度大于10mm。
3、上、下压板与试件整个接触表面的平面公差为0.01mm。
上、下压板自由距离大于45mm。
4、上压板的球座中心应在夹具中心轴线与上压板下表面的交点上,公差为±1mm,上压板随着与试件的接触而自动找平。
5、下压板的表面对夹具的轴线应是垂直的,并且在加荷过程中应保持垂直。
6、定位销高度不高于下压板表面5mm,间距为41-55mm。
11.3校验项目及条件1、校验项目2、目测检查符合技术要求。
a、上、下压板的长度、宽度、厚度及自由距离。
b、上、下压板的平面公差c、球座中心位置。
3、校验用器具a、游标卡尺:量程300mm,分度值0.02mmb、钢直尺:量程:300mm,分度值1mm。
11.4校验方法1、目测外观检查:2、用钢直尺测量上、下压板的自由距离。
3、用游标卡尺测量上、下压板的长度、宽度、厚度及球座中心位置。
11.5校验结果处理全部校验项目均符合要求为合格。
11.6校验/检验周期校验/检验周期为12个月。
水泥抗压夹具校验记录检定单位:仪器编号:校验号:项目技术要求校验数据结果一、外观抗压夹具应保持清洁,不得有碰伤划痕;应有牢固的铭牌。
二、技术参数1、上、下压板长度为40±0.1mm,宽度为40mm,厚度大于10mm。
2、上、下压板与试件整个接触表面的平面公差为0.01mm。
上、下压板自由距离大于45mm。
3、上压板的球座中心应在夹具中心轴线与上压板下表面的交点上,公差为±1mm,上压板随着与试件的接触而自动找平。
4、下压板的表面对夹具的轴线应是垂直的,并且在加荷过程中应保持垂直。
湖南省大围山至浏阳(湘赣线)高速公路试验仪器(设备)自校规程版本号: A修订次: 0受控状态:受控湖南省大浏(湘赣线)高速公路第一监理处试验室目录一、水泥及水泥混凝土仪器设备1、水泥负压筛析仪校验方法 (5)水泥负压筛析仪校验记录2、水泥混凝土坍落度筒及捣棒校验方法 (7)水泥混凝土坍落度筒及捣棒校验记录3、水泥混凝土粗集料压碎值仪校验方法 (10)水泥混凝土粗集料压碎值仪校验记录4、抗压夹具校验方法 (13)抗压夹具校验记录5、水泥混凝土、砂浆试模校验方法 (15)6、水泥安定性试验用雷氏夹校验方法 (20)水泥安定性试验用雷氏夹校验记录、7、维卡仪自检校验方法 (22)维卡仪自检校验记录8、水泥胶砂试模校验记录 (24)水泥胶砂试模校验记录9、水泥砼拌合机校验方法 (26)水泥砼拌合机校验记录10、水泥砼恒温恒湿养护箱校验方法 (28)水泥砼恒温恒湿养护箱校验记录11、砂、石标准筛校验方法 (30)砂、石标准筛校验记录12、容量筒自检校验方法 (33)容量筒校验记录二、土工仪器设备1、手动击实仪校验记录 (37)2、贯入式触探仪校验记录 (38)3、灌砂筒校验方法 (39)灌砂筒校验记录4、铝盒自检校验方法 (42)铝盒自检校验方法三、力学仪器设备1、路面弯沉仪校验方法 (45)路面弯沉仪校验记录一、水泥及水泥混凝土仪器设备1、水泥负压筛析仪自检校验方法一、技术要求1. 数显时间控制器误差2min±5s2. 筛析仪性能,要求求密封良好,负压可调范围为4000 Pa ~6000Pa。
3. 水泥细度筛,筛网不得有堵塞、破洞现象,其校正系数应在0.80~1.20范围内。
二、校验项目及条件1. 校验项目(1)数显时间控制器误差(2)筛析仪性能(3)水泥细度筛2. 校验用器具及标准物质(1)电子计时表(2)天平:称量2000g,分度值0.01g。
(3)水泥细度和比表面积标准粉三、校验方法1. 采用电子计时表测试数显时间控制器是否准确。
一:土工类仪器设备校准方法001 液塑限联合测定仪校准方法(JTJZ 01 — 03)二:集料类仪器设备校准方法002 电热鼓风干燥箱校准方法(JTJZ 01—02)003 标准筛校准方法([JTJZ02 — 01)004 压碎值试验仪校准方法(JTJZ 02 — 03)005 砂当量仪校准方法(JTJZ 02 — 06)006 容量筒校准方法(JTJZ02 — 08)三:沥青、沥青混合料类仪器设备校准方法007 沥青针入度仪校准方法(JTJZ 04-01)008 沥青延度仪校准方法(JTJZ 04-02)009 沥青软化点仪校准方法(JTJZ 04-03)010 克利夫兰开口杯闪点仪校准方法(JTJZ 04 — 04)011 沥青混合料拌和机校准方法(JTJZ 04 — 06)012 马歇尔自动击实仪校准方法(JTJZ 04-07)013 马歇尔稳定度仪校准方法(JTJZ04 — 08) 014 马歇尔试模校准方法(JTJZ 04 — 12)015 恒温烘箱校准方法(JTJZ 04 — 13)五:其他类仪器设备校准方法016 摆式摩擦系数测定仪校准方法(JTJZ 05 — 03) 017 玻璃器皿校准方法(JTJZ 05 — 06)018 工作温度计校准方法(JTJZ 05 — 07)六:常用仪器设备检查方法019 电动脱模器检查方法(JTJC 01)020 取芯机检查方法021 砂饱和面干试模校准方法022 沥青路面渗水试验仪校准方法023 路面构造深度仪校准方法校准报告记录表编号001 液塑限联合测定仪校准记录表(B01-03)002 标准筛(金属穿孔板)校准记录表(B02-01-1)003 标准筛(金属编织网)校准记录表(B02-01-2)004 压碎值试验仪校准记录表(GB/T 14685压碎值试验仪)(B02-03-1)005 压碎值试验仪校准记录表(JTG E42压碎值试验仪)(B02-03-2)006 砂当量仪校准记录表(B02-06)007 容量筒校准记录表(B02-08)008 沥青针入度仪校准记录表(B04-01)009 沥青延度仪校准记录表(B04-02)010 沥青软化点仪校准记录表(B04-03)011 沥青闪点仪校准记录表(B04-04)012 沥青混合料拌和机校准记录表(B04-06)013 沥青混合料击实仪校准记录表(B04-07)014 马歇尔稳定度仪校准记录表(B04-08)015 马歇尔试模校准记录表(B04-12)016 恒温烘箱校准记录表(B04-13)017 摆式摩擦系数测定仪校准记录表(B05-03)018 玻璃器皿校准记录表(B05-06)019 工作温度计校准记录表(B05-07)020 电动脱模器检查记录表(B06-01)021 取芯机检查记录表(B06-04)022 砂饱和面干试模校准记录表(B08-01)023 沥青路面渗水试验仪校准记录表(B04-01)024 路面构造深度仪校准记录表(B05-08)电热鼓风干燥箱校准方法(JTJZ 01—02)1 适用范围本方法适用于各种电热鼓风干燥箱的校准。
量筒容积的校正方法1.首先称出量筒的质量m1,然后向量筒中加入清水(温度为20±2℃的饮用水),当水的凹液面与量筒所标的刻度相齐时,称取量筒和水的质量m2,用下式计算量筒的容积V(ml):V= m2- m1当误差范围在±1%时,该量筒合格。
2.使用仪器设备:电子天平,分度值为0.01g。
仪器编号:0301 校验编号:0301校验人:复核人:校验日期:2010年10 月14 日仪器编号:0302 校验编号:0302校验人:复核人:校验日期:2010 年10 月14 日水泥抗压夹具校验规程本规程适用于新的或使用中的水泥抗压夹具的校验。
1.总则水泥抗压夹具是用于按IS0679.1989水泥强度试验方法测定水泥胶砂强度的专用夹具。
对夹具定期检查,至少每半年检查一次。
2.技术要求2.1外观:应有铭牌(其中要包括名称制造厂名、型号、出厂日期、出厂编号),外观整洁、无锈蚀。
2.2与试件接触面应平整、光滑。
2.3球座应能转动,试件破坏后,滑块能自动回复到原来位置。
2.4夹具受压面积为40 mm×40mm,宽度为40±0.1mm。
3.校验用标准器具游标卡尺,分度值为0.02mm;标准样块。
4.校验方法4.1 技术要求2.1、2.3通过目测观察4.2技术要求2.2用标准样块进行检查,夹具与标准样块上下接触面应无缝隙。
4.3技术要求2.4用游标卡尺进行检查,在宽度方向测量两处取其平均值。
5.检验结果评定满足2.1~2.4条要求的抗压夹具为合格,发给合格证,任何一条技术要求不符合的发给结果通知书。
抗压夹具校验记录仪器编号:0301 校验编号:0301校验员:审核员:校验日期:2010 年10 月14 日李氏瓶容积的校正方法本规程适用于新的或使用中的李氏瓶的校验1.校验周期为一年。
2.技术要求3.校验用标准器具:电子天平,分度值为0.01g。
4.校验方法:首先称出李氏瓶的质量m1,然后向李氏瓶中加入清水(温度为20±2℃的饮用水),当水的凹液面与李氏瓶所标的刻度相齐时,称取李氏瓶和水的质量m2,用下式计算李氏瓶标明的容量V(ml):V= m2- m15.附录李氏瓶校验记录表仪器编号:0401 校验编号:0401校验人:复核人:校验日期:2010年10 月14 日针片状规准仪校验方法1、概述本仪器是用来测定水泥混凝土使用的5mm以上的粗集料的针状及片状颗粒含量,以百分率计。
(注:工地试验室需要自校的内容:试模、雷氏夹、容量瓶、容积升、水泥抗压夹具、压碎值仪、坍落桶、铝盒、负压筛、灌砂桶)9.1.3仪器自校规程及表格(注:自校规程及表格打印出来装订成册)。
目录1、灌砂法容重测定仪校验方法……………………………………1页2、雷氏夹校验方法………………………………………………….3页3、水泥标准筛校验方法…………………………………………….5页4、水泥试模校验方法……………………………………………….6页5、混凝土及砂浆试模校验方法…………………………………….7页6、密度筒校验方法………………………………………………….9页7、40m m×40mm水泥抗压夹具校验方法........................................11页8、水泥混凝土用粗集料压碎值仪校验............................................13页9、坍落度筒及捣棒校验方法............................................................15页一灌砂法容重测定仪校验方法本方法适用于新的或使用中的容重测定仪的校验。
(一)概述灌砂法容重测定仪用于现场测定基层或底基层、砂石路面及路基土、回填土的各种材料压实层的密度和压实度。
(二)技术要求2.1 外观:无裂纹或其他明显变形。
2.2 容积和密度标定的精度误差控制在5%以内。
(三)校验用标准器具3.1 电子天平:称量15kg,感量0.5g。
3.2 温度计:量程0~50℃,精度1℃。
(四)校验方法4.1 外观:目测。
4.2 标定罐容积的测量:称取标定罐及平板玻璃盖板的质量(m1),精确至0.5g。
向罐内徐徐注入饮用水直至水面凸出罐口内缘,然后用玻璃板沿罐口迅速滑行,使其紧贴罐口水面(水面无气泡为止),擦干罐外水分,称取罐、水、玻璃板总质量m2,并测量水温,精确至1℃。
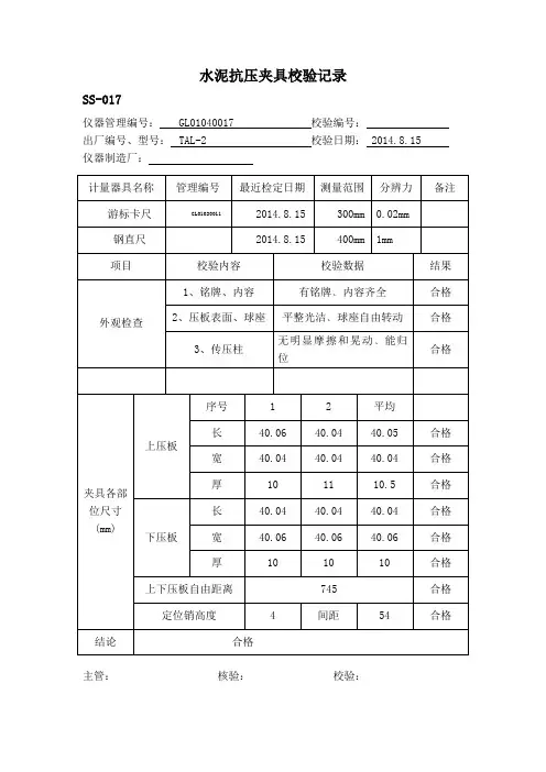
水泥抗压夹具校验方法本方法适用于新的、使用中和修理后的水泥抗压夹具的检验。
1 概述水泥抗压夹具是《水泥胶砂强度检验方法》GB17671-1999的专用夹具。
2 技术要求2.1 应有牢固的铭牌,其内容包括:名称、规格型号、制造厂、出厂编号和日期。
2.2 抗压夹具应保持清洁,不得有碰伤划痕。
2.3 上、下压板表面平整光洁,球座应能自由转动。
2.4 传压柱进行导向运动时垂直滑动而不发生明显摩擦和晃动,外力撤消后,传压柱能自动返回原位。
2.5上、下压板应为硬质钢材制成,其长度为(40士0.)mm,宽度大于40m m,厚度大于10mm。
2.6上、下压板与试件整个接触表面的平面度为0.01mm,上、下压板自由距离>45mm。
2.7定位销高度不高于下压板表面5mm,间距为41~55mm。
3 校验项目及条件3.1 校验项目3.1.1 目测检查外观。
3.1.2 上、下压板的长度、宽度、厚度。
3.1.3xx、下压板的平面度。
3.1.4xx、下压板自由距离3.1.5 定位销高度、间距。
3.2 校验用器具3.2.1xx:量程300mm,分度值0.02mm;3.2.2 钢直尺:量程300mm,分度值1mm;3.2. 3刀口尺、xx。
4 检查方法目测及手感检查外观;用钢直尺测量上、下压板自由距离;用游标卡尺测量上、下压板的长、宽、厚及定位销高度、间距;用刀口尺、塞尺检查压板表面的平面度。
5 校验结果处理全部校验项目均符合技术要求为合格。
6 校验周期校验周期为一年。
7 校验记录附:校验记录水泥抗压夹具校验记录表送检单位:仪器编号:校验编号:校验项目单位技术要求1 应有牢固的铭牌;2 抗压夹具应保持清洁,不得有碰伤划痕;校验数据测值平均结果外观状态目测3 上、下压板表面平整光洁,球座应能自由转动;4 传压柱进行导向运动时垂直滑动而不发生明显摩擦和晃动,外力撤消后,传压柱能自动返回原位。
xxmm 40 士0.11 O20上压板尺寸宽mm >40厚mm >10xxmm 40士0.1下压板尺寸宽mm >40厚mm压板表面的平面度自由距离定位销高间距mmmm mm mm >10 ±0.1 >45< 5mm41~55 校验结论校验:日期:复核:日期:。