巴氏杀菌乳国标
- 格式:docx
- 大小:14.18 KB
- 文档页数:1
中华人民共和国国家标准GB 19645—2010食品安全国家标准巴氏杀菌乳National food safety standardPasteurized milk中华人民共和国卫生部发布前言本标准代替GB 19645-2005《巴氏杀菌、灭菌乳卫生标准》以及GB 5408.1-1999《巴氏杀菌乳》中的部分指标,GB 5408.1-1999《巴氏杀菌乳》中涉及到本标准的指标以本标准为准。
本标准与GB 19645-2005相比,主要变化如下:——将《巴氏杀菌、灭菌乳卫生标准》分为《巴氏杀菌乳》、《灭菌乳》、《调制乳》三个标准,本标准为《巴氏杀菌乳》;——修改了“范围”的描述;——明确了“术语和定义”;——修改了“感官指标”;——取消了脱脂、部分脱脂产品的脂肪要求;——增加了羊乳的蛋白质要求;——将“理化指标”中酸度值的限量要求修改为范围值;——取消了“兽药残留指标 ”;——取消了“农药残留指标 ”;——“污染物限量”直接引用GB 2762的规定;——“真菌毒素限量”直接引用GB 2761的规定;——修改了“微生物指标”的表示方法;——取消了“食品添加剂”的要求;——修改了“标识”的规定。
本标准所代替标准的历次版本发布情况为:——GB 19645-2005。
食品安全国家标准巴氏杀菌乳1 范围本标准适用于全脂、脱脂和部分脱脂巴氏杀菌乳。
2规范性引用文件本标准中引用的文件对于本标准的应用是必不可少的。
凡是注日期的引用文件,仅所注日期的版 本适用于本标准。
凡是不注日期的引用文件,其最新版本(包括所有的修改单)适用于本标准。
3 术语和定义3.1 巴氏杀菌乳 pasteurized milk仅以生牛(羊)乳为原料,经巴氏杀菌等工序制得的液体产品。
4 技术要求4.1原料要求:生乳应符合GB 19301的要求。
4.2 感官要求:应符合表1的规定。
表1 感官要求项 目 要 求 检验方法色泽 呈乳白色或微黄色。
滋味、气味 具有乳固有的香味,无异味。
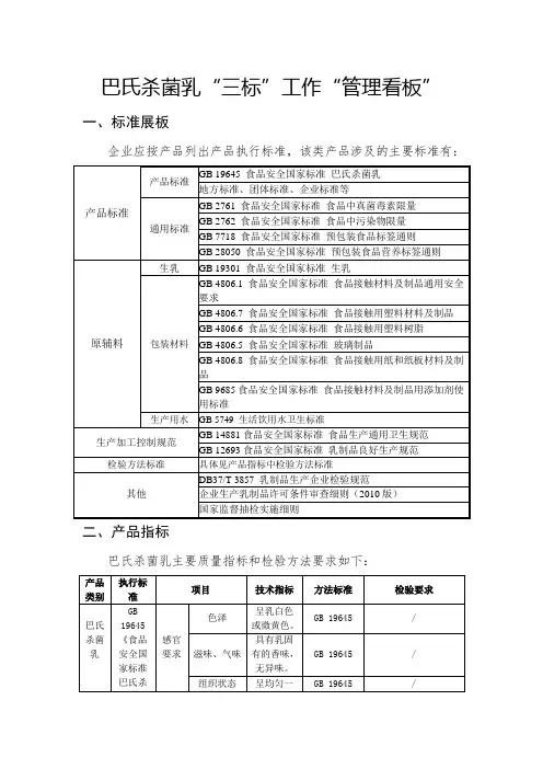
巴氏杀菌乳“三标”工作“管理看板”一、标准展板企业应按产品列出产品执行标准,该类产品涉及的主要标准有:二、产品指标巴氏杀菌乳主要质量指标和检验方法要求如下:三、关键指标及风险防控措施巴氏杀菌乳整体质量情况较好,近年来抽检主要问题集中在菌落总数、大肠菌群等微生物项目。
此外,还有个别产品的黄曲霉毒素M1和兽药残留问题。
为有效控制巴氏杀菌乳质量风险,建议生产企业在各环节按照以下措施进行严格管理:(一)生乳验收杀菌前生乳中的菌落总数会影响终产品的菌落总数和大肠菌群指标。
生乳的收集、运输、贮存过程中的温度及容器、管路的洁净程度是影响其菌落总数的关键因素。
生乳中的黄曲霉毒素M1含量和兽药残留是造成终产品相关指标超标的原因,生乳验收检测是关键防控措施。
(二)巴氏杀菌(三)CIP清洗(四)空气系统(五)储运和销售(六)包装材料管理五、其他推荐性程序或参数仅供参考,企业应根据具体情况制定相关程序或参数。
(一)生乳验收指标(二)过程检验指标(三)CIP清洗参考程序1.冷加工管线每次生产完用碱液清洗,每周用酸碱液清洗:40℃~60℃水冲洗4min;1%、78℃碱液循环6min;40℃~60℃水洗至中性;90℃热水循环5min。
2.热加工管线每次生产完用酸碱液清洗,清洗时间应随热交换器的长度适当延长:40℃~60℃水冲洗4min;1%、78℃碱液循环6min~20min;40℃~60℃水洗至中性;1%、78℃酸液循环6min~20min;40℃~60℃水洗至中性;90℃热水循环5min。
3.灌装管线杀菌设备的杀菌段到灌装机的灌装嘴之间所有容器及流经通道:杀菌水温度提至90℃~95℃;时间延长到15min~20min。
(四)巴氏杀菌参考参数仅供参考,企业应根据设备的具体情况制定相关参数。
1.间歇式巴氏杀菌63℃,30min。
温差不超过0.5℃,保温期内充分搅拌,最短保温期保证不低于30min。
液体上部空气温度应高于66℃,温度传感器距离液面至少25mm。
巴氏杀菌乳感官质量评鉴细则1范围本细则适用于GB5408.1产品分类定义的全脂巴氏杀菌乳、部分脱脂巴氏杀菌乳和脱脂巴氏杀菌乳的感官质量评鉴。
2样品的制备将选定用于感官评鉴的样品事先存放于15℃恒温箱中,保证在统一呈送时样品温度恒定和均一,防止因温度不均匀造成样品评鉴失真。
由于液体乳容易造成脂肪上浮,在进行评鉴之前应将样品进行充分混匀,再进行分装,保证每一份样品都均匀一致。
呈送给评鉴人员的样品的摆放顺序应注意让样品在每个位置上出现的几率是相同的或采用圆型摆方法。
食品感官评鉴中由于受很多因素的影响,故每次用于感官评鉴的样品数应控制在4—8个,每个样品的分量应控制在30—60毫升;对于实验所用器皿应不会对感官评定产生影响,一般采用玻璃材质,也可采用没有其他异味的一次性塑料或纸杯作为感官评鉴实验用器皿。
样品的制备标示应采用盲法,不应带有任何不适当的信息,以防对评鉴员的客观评定产生影响,样品应随机编号,对有完整商业包装的样品,应在评鉴前对样品包装进行预处理,以去除相应的包装信息。
3实验室要求感官评鉴实验室应设置于无气味、无噪音区域中。
为了防止评鉴前通过身体或视觉的接触,使评鉴员得到一些片面的、不正确的信息,影响他们感官反应和判断,评鉴员进入评鉴区时要避免经过准备区和办公区。
3.1评鉴区评鉴区是感官评鉴实验室的核心部分,气温应控制在20℃—22℃范围内,相对湿度应保持在50%—55%,通风情况良好,保持其中无气味、无噪音。
应避免不适宜的温度和湿度对评鉴结果产生负面的影响。
评鉴区通常分为三个部分:品评室、讨论室和评鉴员休息室。
3.1.1品评室品评室应与准备区相隔离,并保持清洁,采用中性或不会引起注意力转移的色彩,例如白色。
房间通风情况良好,安静。
根据品评室空间大小和评鉴人员数量分割成数个评鉴工作间,内设工作台和照明光源。
3.1.1.1评鉴工作间每个评鉴工作间长和宽约1m。
评鉴工作间过小,评鉴员会感到“狭促”;但过分宽大会浪费空间。
摘 要:保证农产品、食品质量,生产、加工、流通是必须严格把控的环节。
而标准则是保证这些环节可靠性的最重要依据。
随着国际贸易不断深入,各个国家和地区对农产品、食品的质量、安全指标要求差异较大,农药残留等污染物指标限量也各异。
本文根据国际贸易需求,针对巴氏杀菌乳开展了国内外法规/标准安全指标比对分析,得出了我国与CAC、欧盟、日本、韩国、美国、俄罗斯等主要贸易区域或国家间巴氏杀菌乳的相关法规/标准安全指标的差异,为今后巴氏杀菌乳的生产、加工、流通、国际贸易提供技术支撑。
关键词:巴氏杀菌乳,安全指标,标准比对DOI编码:10.3969/j.issn.1674-5698.2021.01.002Comparative Analysis of Safety Indexes of Pasteurized Milk inRegulations & Standards at Home and AbroadGAN Ke-qin TIAN Fang WANG Bin ZHANG Ming ZHANG Li-zhen GAO Jun(China National Institute of Standardization )Abstract: To ensure the quality of agricultural products and food, production, processing and circulation are the links that must be strictly controlled. Standard is the most important basis to ensure the reliability of these links. With the continuous development of international trade, various countries and regions have different requirements on the quality and safety indexes of agricultural products and food, and the limits of pollutants such as pesticide residues are also different. Based on the needs of international trade, this paper carries out a comparative analysis of safety indicators in regulations and standards for pasteurized milk home and abroad, and obtains the difference of pasteurized milk between China and CAC, EU, Japan, South Korea, the United States, Russia and other major trade areas or countries. The differences in regulations and standards safety indexes will provide technical support for the future production, processing and circulation and international trade of pasteurized milk.Keywords: pasteurized milk, safety index, standard comparison巴氏杀菌乳国内外法规/标准中安全指标比对分析甘克勤 田 方 汪 滨 张 明 张利真 高 俊(中国标准化研究院)基金项目:本文系标准创新管理专项“中非纺织、建筑等主要贸易领域标准比对分析”(项目编号:252019C-7273)的研究成果。
巴氏杀菌乳标准编制说明(一)标准制定理由“上海品牌”认证定位于第三方高端品牌认证,按照“政府推动、市场主导、企业主体、最高标准、国际认可”的创新运行机制,引入国际通行的质量认证手段评价一批符合“自主创新、品质卓越、管理精细、品牌引领、社会责任”要求的品牌标杆,支撑上海服务、上海制造、上海购物、上海文化“四大品牌”和“上海标准”建设,构筑代表中国参与国际竞争的高端品牌集群。
光明乳业一直致力于巴氏杀菌乳新鲜奶产品的研发、生产和销售,并通过高标准、严要求,将产品标准接轨国际,达到“国内领先、国际一流”,为“增品种、提品质、创品牌”提出更高要求,通过先进性评价将该类产品纳入“上海品牌”认证标准体系统一管理,适用于“上海品牌”认证评价的产品标准。
(二)标准编制原则本标准编制遵循“科学性、实用性、统一性、规范性”的原则,注重安全性、科学性和可操作性。
本标准以DB 31/ T 1048-2017《上海品牌评价通用要求》为依据编制。
(三)标准制定依据本标准内容包括巴氏杀菌乳的技术要求、生产加工过程的要求、试验方法、检验规则及标识、标签、包装、运输和贮存、安全健康环保、用户体验等要求。
1、本标准适用范围:以生牛乳为原料,经均质、巴氏杀菌(杀菌温度72℃~76℃,不低于15s)、灌装等工艺而制成的产品。
2、生牛乳要求(1)菌落总数≤10万CFU/mL,体细胞数≤40万个/mL,其他指标应符合GB 19301的规定。
生牛乳菌落总数和体细胞数菌均已达到欧盟等发达国家生乳标准。
详见表1。
表1 国内外生乳感官分级、菌落总数和体细胞数对比高标准的巴氏杀菌乳则需要高质量的生乳,而感官对于生乳或者成品巴氏杀菌乳都至关重要,为达到更高标准的巴氏杀菌乳标准,公司制定了生乳感官分级评定规程,对生乳的感官进行等级评分,每件样品按照下表标度进行打分,通过各项得分累加的综合分数判定其感官评价等级。
通过各项合计得分对生奶感官进行分级判定。
若出现无法明确具体指标标度的情况,可以由多人参与评价,并以合计得分均值进行分级判定。
《学生饮用奶巴氏杀菌乳》标准:
《学生饮用奶巴氏杀菌乳》标准主要内容包括:
1.设定热处理评价指标,明确巴氏杀菌乳热处理方式,并提出了至少72摄氏度、15
秒和63摄氏度、30分钟两个杀菌温度时间最低限度组合。
同时,为引导企业将此落实在生产中,要求在产品包装上标注巴氏杀菌温度和时间。
2.对标美国、欧盟等国家和地区对杀菌前混合生乳中菌落总数的要求,设定杀菌前生
乳菌落总数≤30万CFU/毫升。
3.提高乳脂肪率和乳蛋白率指标要求,原料奶生牛乳乳脂率(克/100克)≥3.6(国标
是≥3.1),乳蛋白率(克/100克)≥3.0(国标是≥2.8)。
4.设置产品单件净规格为125毫升、200毫升、250毫升三种,与学生饮用奶纯牛奶和
灭菌调制乳团标保持一致。
目录摘要与关键词 (1)一、巴氏杀菌乳生产加工工艺及容易出现的质量安全问题 (2)二、乳制品生产企业必备条件 (4)三、乳制品检验程序 (6)四、乳制品产品抽样方法 (9)参考文献 (9)巴氏杀菌乳的质量检验程序设计摘要:食品质量检验制度是食品质量和安全管理体系的一个重要组成部分,是保证和提高食品质量的重要手段。
在现代食品质量与安全管理活动中,质量检验不仅仅是对最终产品的检验,而且是对食品实现全过程的检验。
食品质量安全市场准入制度规定的强制检测包括合法食品生产许可证倩的发证检验、企业对每批产品的出场检验和行政机关日常的监督检验。
因此,食品企业必须建立质量检验机构,配备合格的检验人员,对食品生产的全过程进行检验,保证食品的质量与安全。
关键词:质量检验国家标准指标食品是人类赖以生存和发展的最基本的物质条件。
在全球及我国接连不断发生的恶性食品安全事故却引发了人们对食品安全的高度关注,也促使各国政府重新审视这一已上升到国家公共安全高度的问题,各国纷纷加大了对本国食品安全的监管力度。
随着2008年三鹿奶粉事件的卷入,人们“谈乳色变”,他们更关注食品的安全,乳制品的检测显得更加重要。
乳制品种类繁多,牛乳经过加工可以制成各种风味独特,营养价值较高的乳制品。
实施食品生产许可证管理的乳制品包括:巴氏杀菌乳、灭菌乳、酸牛乳、乳粉、炼乳、奶油、干酪。
乳制品的申证单元为3个:液体乳(包括巴氏杀菌乳、灭菌乳、酸牛乳);乳粉(包括全脂乳粉、脱脂乳粉、全脂加糖乳粉、调味乳粉);其他乳制品(包括炼乳、奶油、干酪)。
巴氏灭菌法主要原理是:在一定温度范围内,温度越低,细菌繁殖越慢;温度越高,繁殖越快。
但温度太高,细菌就会死亡。
不同的细菌有不同的最适生长温度和耐热、耐冷能力。
巴氏消毒其实就是利用病原体不是很耐热的特点,用适当的温度和保温时间处理,将其全部杀灭。
一、巴氏杀菌乳生产加工工艺及容易出现的质量安全问题(一)生产加工工艺巴氏杀菌乳通常是指将乳加热到75℃~80℃温度下,进行10s~15s的杀菌,杀死致病微生物,巴氏杀菌属非无菌灌装,保质期短,不宜在常温下贮存、分销。
巴氏杀菌乳GB 5408.1—1999本标准中的“4.1.2食品营养强化剂”、“4.3.1净含量”、“4.4卫生指标”、“4.5食品营养强化剂的添加量”和“6.1标签”是强制性条文;其余条文是推荐性条文。
本标准是GB/T5408—1985《消毒牛乳》的修订标准,主要修订内容如下:1标准的名称由《消毒牛乳》改为《巴氏杀菌乳》。
2取消了:比重和汞的指标,贮藏时间的规定,附录A和附录B。
3调整了脂肪和非脂乳固体指标。
4增加了:产品分类,净含量负偏差允许值,蛋白质、硝酸盐、亚硝酸盐、黄曲霉毒素M1指标,添加食品营养强化剂的规定。
本标准从实施之日起,代替GB/T5408—1985《消毒牛乳》。
本标准由国家轻工业局提出。
本标准由全国乳品标准化中心归口。
本标准由黑龙江省乳品工业研究所负责起草。
本标准主要起草人:王芸、王心祥。
巴氏杀菌乳Pasteurized milk代替GB/T5408—19851范围本标准规定了巴氏杀菌乳的产品分类、技术要求、试验方法和标签、包装、运输、贮存要求。
本标准适用于以牛乳或羊乳为原料,经巴氏杀菌制成的液体产品。
2引用标准下列标准所包含的条文,通过在本标准中引用而构成为本标准的条文。
本标准出版时,所示版本均为有效。
所有标准都会被修订,使用本标准的各方应探讨使用下列标准最新版本的可能性。
GB191—1990包装储运图示标志GB4789.2—1994食品卫生微生物学检验菌落总数测定GB4789.3—1994食品卫生微生物学检验大肠菌群测定GB4789.4—1994食品卫生微生物学检验沙门氏菌检验GB4789.5—1994食品卫生微生物学检验志贺氏菌检验GB4789.10—1994食品卫生微生物学检验金黄色葡萄球菌检验GB4789.11—1994食品卫生微生物学检验溶血性链球菌检验GB4789.18—1994食品卫生微生物学检验乳与乳制品检验GB/T5009.24—1996食品中黄曲霉毒素M1和B1的测定方法GB/T5409—1985牛乳检验方法GB/T5413.1—1997婴幼儿配方食品和乳粉蛋白质的测定GB/T5413.30—1997乳与乳粉杂质度的测定GB/T5413.32—1997乳粉硝酸盐、亚硝酸盐的测定GB/T6914—1986生鲜牛乳收购标准GB7718—1994食品标签通用标准GB14880—1994食品营养强化剂使用卫生标准3产品分类3.1全脂巴氏杀菌乳:以牛乳或羊乳为原料,经巴氏杀菌制成的液体产品。
《巴氏杀菌乳》\《灭菌乳》\《调制乳》新版标准解读【关键词】巴氏杀菌乳; 灭菌乳; 调制乳乳品的食品安全问题是近年来各方面关注的焦点。
2010年度卫生部新颁布的各类乳品食品安全国家标准均对原先的标准有了相当程度的变动。
《巴氏杀菌乳》、《灭菌乳》、《调制乳》是此次修订最具代表性的标准,对这几个标准进行解读、熟悉、掌握可以更好地在工作中进行运用。
1 老版标准简介熟悉老版标准能了解这三个新版标准之间的渊源,从而更好地解读新版标准。
三个老版标准均于2010年12月1日作废。
GB196452005《巴氏杀菌、灭菌乳卫生标准》:适用范围为生鲜牛(羊)乳为原料或以乳粉、乳脂为原料的复原乳制成的直接饮用的产品。
分巴氏杀菌纯乳、巴氏杀菌调味乳、灭菌纯乳、灭菌调味乳四种。
GB5408.11999《巴氏杀菌乳》适用范围为以牛乳或羊乳为原料,经巴氏消毒制成的液体产品。
分全脂、部分脱脂、脱脂三种。
GB5408.21999《灭菌乳》适用范围为以牛乳(或羊乳)或复原乳为主料,不添加或添加辅料,经灭菌制成的液体产品。
分全脂、部分脱脂、脱脂三种。
三个老版标准共划分了4类12种产品。
质量要求和卫生要求上自行其道,各行一套,在术语、定义、适用范围、项目要求以及检验方法上不统一,某些项目要求上相互引用,检验方法上又各有规定,既复杂又混乱,给企业生产销售和相关部门的监督检测造成了不小的难度。
深层次原因是乳制品的生产、销售没有在法律层面得到根本的统一。
2 新版乳品标准解读三个新版标准由卫生部均于2010年3月26日发布,2010年12月1日实施。
2.1 GB196452010《食品安全国家标准巴氏杀菌乳》前言部分:代替GB196452005以及GB5408.11999部分指标;范围、技术性引用文件、术语和定义:修改了“范围”的描述,本标准适用于全脂、脱脂和部分脱脂巴氏杀菌乳;将巴氏杀菌乳定义为仅以生牛(羊)乳为原料,经巴氏杀菌等工序制得的液体产品。
巴氏杀菌乳国家标准1范围本标准规定了巴氏杀菌乳的产品分类、技术要求、试验方法和标签、包装、运输、贮存要求。
本标准适用于以牛乳或羊乳为原料,经巴氏杀菌制成的液体产品。
2引用标准下列标准所包含的条文,通过在本标准中引用而构成为本标准的条文。
本标准出版时,所示版本均为有效。
所有标准都会被修订,使用本标准的各方应探讨使用下列标准最新版本的可能性。
GB191,1990包装储运图示标志GB4789(2,1994食品卫生微生物学检验菌落总数测定GB4789(3,1994食品卫生微生物学检验大肠菌群测定GB4789(4,1994食品卫生微生物学检验沙门氏菌检验GB4789(5,1994食品卫生微生物学检验志贺氏菌检验GB4789(10,1994食品卫生微生物学检验金黄色葡萄球菌检验GB4789(11,1994食品卫生微生物学检验溶血性链球菌检验GB4789(18,1994食品卫生微生物学检验乳与乳制品检验GB,T5009(24,1996食品中黄曲霉毒素M1和B1的测定方法GB,T5409,1985牛乳检验方法GB,T5413(1,1997婴幼儿配方食品和乳粉蛋白质的测定GB,T5413(30,1997乳与乳粉杂质度的测定GB,T5413(32,1997乳粉硝酸盐、亚硝酸盐的测定GB,T6914,1986生鲜牛乳收购标准GB7718,1994食品标签通用标准GB14880,1994食品营养强化剂使用卫生标准3产品分类3(1全脂巴氏杀菌乳:以牛乳或羊乳为原料,经巴氏杀菌制成的液体产品。
3(2部分脱脂巴氏杀菌乳:以牛乳或羊乳为原料,脱去部分脂肪,经巴氏杀菌制成的液体产品。
3(3脱脂巴氏杀菌乳:以牛乳或羊乳为原料,脱去全部脂肪,经巴氏杀菌制成的液体产品。
4技术要求4(1原料要求4(1(1牛乳:应符合GB,T6914的规定。
4(1(2食品营养强化剂:应选用GB14880中允许使用的品种,并应符合相应国家标准或行业标准的规定。
产品质量监督抽查实施规范CCGF 114.1—2008巴氏杀菌乳、灭菌乳2008-7-22发布 2008-10-1实施国家质量监督检验检疫总局巴氏杀菌乳、灭菌乳产品质量监督抽查实施规范1 适用范围本规范适用于国家及省级质量技术监督部门组织的巴氏杀菌乳、灭菌乳产品质量监督抽查,其他质量技术监督部门组织的及针对特殊情况的监督抽查可参考本规范执行。
监督抽查产品范围包括巴氏杀菌乳、灭菌乳。
本规范内容包括产品分类、术语和定义、企业规模划分、检验依据、抽样、检验要求、判定原则及异议处理复检。
2 产品分类2.1 产品分类及代码2.2 产品种类巴氏杀菌乳包括全脂巴氏杀菌乳、部分脱脂巴氏杀菌乳、脱脂巴氏杀菌乳;灭菌乳包括灭菌纯牛(羊)乳、灭菌调味乳。
3 术语和定义下列术语和定义适用于本规范。
3.1 灭菌纯牛(羊)乳以牛乳(或羊乳)或复原乳为原料,脱脂或不脱脂,不添加辅料,经超高温瞬时灭菌、无菌罐装或保持灭菌制成的产品。
3.2 灭菌调味乳以牛乳(或羊乳)或复原乳为主料,脱脂或不脱脂,添加辅料,经超高温瞬时灭菌、无菌罐装或保持灭菌制成的产品。
3.3 全脂巴氏杀菌乳以牛乳或羊乳为原料,经巴氏杀菌制成的液体产品。
3.4 部分脱脂巴氏杀菌乳以牛乳或羊乳为原料,脱去部分脂肪,经巴氏杀菌制成的液体产品。
3.5 脱脂巴氏杀菌乳以牛乳或羊乳为原料,脱去全部脂肪,经巴氏杀菌制成的液体产品。
3.6 全乳固体乳中固有的基本营养物质,脂肪、蛋白质、乳糖和矿物盐的总和。
全乳固体(%)=(W2-W3)/(W1-W3)×100W1……含有海砂的皿加样品重;W2……含有海砂的皿加样品干燥后重;W3……含有海砂的皿重。
3.7 非脂乳固体:全乳固体中除去脂肪后所剩余的干物质。
非脂乳固体(%)=全乳固体(%)-脂肪(%)。
4 企业规模划分根据液体乳产品行业的实际情况,生产企业规模以液体乳产品年销售额为标准划分为大、中、小型企业。
见下表:5 检验依据下列文件凡是注明日期的,其随后所有的修改单或修订版均不适用于本规范。
巴氏杀菌乳国家标准1范围本标准规定了巴氏杀菌乳的产品分类、技术要求、试验方法和标签、包装、运输、贮存要求。
本标准适用于以牛乳或羊乳为原料,经巴氏杀菌制成的液体产品。
2引用标准下列标准所包含的条文,通过在本标准中引用而构成为本标准的条文。
本标准出版时,所示版本均为有效。
所有标准都会被修订,使用本标准的各方应探讨使用下列标准最新版本的可能性。
GB191,1990包装储运图示标志GB4789(2,1994食品卫生微生物学检验菌落总数测定GB4789(3,1994食品卫生微生物学检验大肠菌群测定GB4789(4,1994食品卫生微生物学检验沙门氏菌检验GB4789(5,1994食品卫生微生物学检验志贺氏菌检验GB4789(10,1994食品卫生微生物学检验金黄色葡萄球菌检验GB4789(11,1994食品卫生微生物学检验溶血性链球菌检验GB4789(18,1994食品卫生微生物学检验乳与乳制品检验GB,T5009(24,1996食品中黄曲霉毒素M1和B1的测定方法GB,T5409,1985牛乳检验方法GB,T5413(1,1997婴幼儿配方食品和乳粉蛋白质的测定GB,T5413(30,1997乳与乳粉杂质度的测定GB,T5413(32,1997乳粉硝酸盐、亚硝酸盐的测定GB,T6914,1986生鲜牛乳收购标准GB7718,1994食品标签通用标准GB14880,1994食品营养强化剂使用卫生标准3产品分类3(1全脂巴氏杀菌乳:以牛乳或羊乳为原料,经巴氏杀菌制成的液体产品。
3(2部分脱脂巴氏杀菌乳:以牛乳或羊乳为原料,脱去部分脂肪,经巴氏杀菌制成的液体产品。
3(3脱脂巴氏杀菌乳:以牛乳或羊乳为原料,脱去全部脂肪,经巴氏杀菌制成的液体产品。
4技术要求4(1原料要求4(1(1牛乳:应符合GB,T6914的规定。
4(1(2食品营养强化剂:应选用GB14880中允许使用的品种,并应符合相应国家标准或行业标准的规定。
巴氏杀菌、灭菌乳卫生标准1范围本标准规定了巴氏杀菌、灭菌乳的卫生指标和检验方法以及食品添加剂、生产加工过程、标识、包装、运输、贮存的卫生要求。
本标准适用于以生鲜牛(羊)乳为原料或以乳粉、乳脂为原料的复原乳制成的直接饮用的产品。
2规范性引用文件下列文件中的条款通过本标准的引用而成为本标准的条款。
凡是注日期的引用文件,其随后所有的修改单(不包括勘误的内容)或修订版均不适用于本标准,然而,鼓励根据本标准达成协议的各方研究是否可使用这些文件的最新版本。
凡是不注日期的引用文件,其最新版本适用于本标准。
GB2760食品添加剂使用卫生标准GB2763食品中农药最大残留限量GB/T4789.18食品卫生微生物学检验乳与乳制品检验GB/T5009.5食品中蛋白质的测定GB/T5009.11食品中总砷及无机砷的测定GB/T5009.12食品中铅的测定GB/T5009.24食品中黄曲霉毒素M1与B1的测定方法GB/T5009.46乳与乳制品卫生标准的分析方法GB5408.1巴氏杀菌乳GB5408.2灭菌乳GB7718预包装食品标签通则GB12693乳制品企业良好生产规范3术语和定义GB5408.1和GB5408.2确立的术语和定义适用于本标准。
4指标要求4.1原料、辅料要求原料、辅料应符合相应的卫生标准和有关规定。
4.2感官指标无异味、无异物。
4.3理化指标理化指标应符合表1的要求。
表1理化指标4.4兽药残留指标兽药残留限量应符合相应的国家标准。
4.5农药残留指标农药残留限量应符合GB2763的规定。
4.6微生物指标微生物指标应符合表2的规定。
表2微生物指标5食品添加剂5.1食品添加剂质量应符合相应的标准和有关规定。
5.2食品添加剂品种及其使用量应符合GB2760的规定。
6生产加工过程生产加工过程应符合GB12693的规定。
7包装包装容器材料应符合相应的标准和有关规定。
8标识标识按GB7718的规定执行。
9贮存及运输9.1贮存产品应贮存在干燥、通风良好的场所。
农业部发布“巴氏杀菌乳和UHT灭菌乳中复原乳的鉴定”标准来源:农业部农业部9月30日发布《巴氏杀菌乳和UHT灭菌乳中复原乳的鉴定》标准,为巴氏杀菌乳和UHT灭菌乳中复原乳成分的检测提供了科学依据。
国务院办公厅《关于加强液态奶生产经营管理的通知》要求,完善液态奶标准并严格按标准组织生产,凡在灭菌乳、酸牛乳等产品生产加工过程中使用复原乳的,不论数量多少,自今年10月15日起,生产企业必须在其产品包装上醒目标注“复原乳”。
但目前我国的国家标准、行业标准中,还没有复原乳检测方法标准。
为落实好国办《通知》精神,农业部在以往研究工作的基础上,组织专家组制定了《巴氏杀菌乳和UHT灭菌乳中复原乳的鉴定》标准。
该标准提出了根据糠氨酸和乳果糖两种物质在液态乳中的含量,判定巴氏杀菌乳和U HT灭菌乳中是否含复原乳成份的技术路线。
经多家乳品检测机构验证,该方法具有准确、稳定和可重复的特点,符合检测技术标准的要求。
这项标准的颁布,填补了我国复原乳检测方面的空白,突破了监管违禁添加复原乳和不正确标识复原乳的技术瓶颈,对维护消费者知情权,促进乳业健康发展将起到积极的推动作用。
(《巴氏杀菌乳和UHT灭菌乳中复原乳的鉴定》全文请见下载文件,最终文本以正式出版物为准)附:《巴氏杀菌乳和UHT灭菌乳中复原乳的鉴定》标准ICS 67.050X 04NY 中华人民共和国农业行业标准NY/T 939 -2005 ----------------------------------------------------------------------------------------------------------------------巴氏杀菌乳和UHT灭菌乳中复原乳的鉴定Identification of reconstituted milk in pasteurized and UHT milk2005-09-30 发布2005-09-30实施----------------------------------------------------------------------------------------------------------------------中华人民共和国农业部发布前言本标准的第4章为强制性条文,其余为推荐性条文。
食品安全国家标准巴氏杀菌乳
佚名
【期刊名称】《新疆畜牧业》
【年(卷),期】2010(000)006
【摘要】@@ 前言rn本标准代替GB 19645-2005<巴氏杀菌、灭菌乳卫生标准>以及GB 5408.1-1999<巴氏杀菌乳>中的部分指标,GB 5408.1-1999(巴氏杀菌乳>中涉及到本标准的指标以本标准为准.
【总页数】2页(P5-6)
【正文语种】中文
【相关文献】
1.《食品安全国家标准包装饮用水》(GB 19298-2014)、《食品安全国家标准
食品添加剂使用标准》(GB 2760-2014)等37项食品安全国家标准发布 [J], 国家卫计委
2.政策法规·国家标准·行业标准--巴氏杀菌乳国家标准GB 5408.1-1999 [J],
3.关于发布《食品安全国家标准食品添加剂硬脂酸钾》(GB 31623-2014)等13项食品安全国家标准和《食品安全国家标准食品添加剂天门冬氨酸钙》(GB 29226-2012)第1号修改单的公告 [J], 国家卫生计生委
4.关于《食品安全国家标准巴氏杀菌乳》的修改建议 [J], 孟凡信
5.食品安全国家标准《巴氏杀菌乳》、《灭菌乳》和《调制乳》的制定 [J], 范葆荣
因版权原因,仅展示原文概要,查看原文内容请购买。
巴氏杀菌乳国标
巴氏杀菌乳,又叫巴氏奶或者鲜牛奶,根据国家标准GB19645-2010,是指仅以生牛(羊)乳为原料,经巴氏杀菌等工序制得的液体产品。
巴氏杀菌乳是一种以新鲜牛奶为原料,采用巴氏杀菌法加工而成的牛奶。
其特点是采用低温杀菌的方式,通常在72-85℃左右进行,可以有效地杀灭牛奶中的有害菌群,同时完好地保存了营养物质和纯正口感。
在加工过程中,巴氏杀菌乳经过离心净乳、标准化、均质、杀菌和冷却等多个步骤,最终以液体状态灌装,直接供给消费者饮用的商品乳。
巴氏消毒是法国科学家巴斯德发明的消毒方法,其对象主要是病原微生物及其他生长态菌。
巴氏消毒是指将液体加热到一定温度并持续一段时间,以杀死可能导致疾病、变质或不需要的发酵微生物的过程。
其工作原理是:在一定温度范围内,温度越低,细菌繁殖越慢;温度越高,繁殖越快,但温度太高,细菌就会死亡。
巴氏消毒其实就是利用病原体不是很耐热的特点,用适当的温度和保温时间处理,将其全部杀灭。
但经巴氏消毒后,仍保存小部分无害或有益、较耐热的细菌或细菌芽孢,因此,巴氏消毒不是“无菌”处理过程。