主观评价项目表-4.20
- 格式:xls
- 大小:31.00 KB
- 文档页数:3
项目度自评表总表项分
表
Document serial number【NL89WT-NY98YT-NC8CB-NNUUT-NUT108】
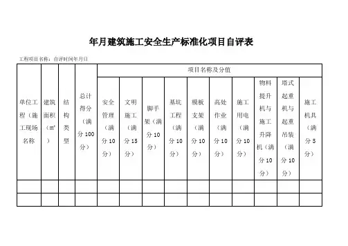
年月建筑施工安全生产标准化项目自评表工程项目名称:自评时间年月日
注:1、本表应按《建筑施工安全检查标准》(JGJ59)进行检查,附相应《建筑施工安全分项检查评分表》,如《安全管理检查评分表》等。
2、本表一式两份,项目部、施工企业各一份。
表B.1安全管理检查评分表
表B.3扣件式钢管脚手架检查评分表
表B.4门式钢管脚手架检查评分表
表B.5碗扣式钢管脚手架检查评分表
表B.6承插型盘扣式钢管支架检查评分表
表B.7满堂式脚手架检查评分表
表B.8悬挑式脚手架检查评分表
表B.9附着式升降脚手架检查评分表
表B.10高处作业吊篮检查评分表
表B.11基坑工程检查评分表
表B.12模板支架检查评分表
表B.13高处作业检查评分表
表B.14施工用电检查评分表
表B.15物料提升机检查评分表
表B.16施工升降机检查评分表。
病人自评-主观全面评定(PG-SGA)评定量表科室住院号床号日期姓名性别年龄岁临床诊断:1-4 项由病人填写1、体重变化(两者累加)(1)已往及目前体重情形:我目前的体重约_____公斤,我的身高约______公分,一个月前我的体重大约_____公斤;六个月前我的体重大约_____公斤体重下降(原-现/原x100%) ____ %;分值____(≥10% 4分;5%-10% 3分;3%-5% 2分;2%-3% 1分;1%-2% 0分;)(2)在过去二个星期内,我的体重是呈现:□减少(1)□没有改变(0)□增加(0)2、饮食情况:(多选,选最高分)(1)过去几个月以来,我吃食物的量与以往相比:□没有改变(0)□比以前多□比以前少(1)(2)我现在只吃:□比正常量少的一般食物(1); □一点固体食物(2);□只有流质饮食(3); □只有营养补充品(3);□非常少的任何食物(4); □管灌喂食或由静脉注射营养(0)3、症状:(多选,累计加分)过去二个星期,我有下列的问题困扰,使我无法吃的足够:(请详细检察下列所有项目)□没有饮食方面的问题(0)□没有食欲,就是不想吃(3)□口干(1)□恶心(1)□呕吐(3)□便秘(1)□腹泻(3)□口痛(2)□容易饱胀(1)□吞咽困难(2)□吃起来感觉没有味道,或味道变得奇怪(1)□有怪味困扰着我(2)□疼痛(3)何处? __________□其他(1)____ 如:忧郁、牙齿、金钱方面等4、身体状况:(单选,最符合项)自我评估过去几个月来,身体状况处于:□正常,没有任何限制(0)□与平常的我不同,但日常生活起居还能自我料理(1)□感觉不舒服,但躺在床上的时间不会长于半天(2)□只能做少数活动,大多数时间躺在床上或坐在椅子(3)□绝大多数的时间躺在床上(3)病人签名: A 项评分:_____________5-7 项由医生填写5、疾病及其与营养需求的关系(累加):主要相关诊断:________________________________ 年龄_____主要疾病分期(在您知道或适当等级上画圈) I II III IV 其他建议以下病情情况每项计 1 分:癌症、AIDS、肺源性或心源性恶液质、出现褥疮、开放伤口或瘘、存在创伤、65岁以上。
项目月绩效考核自评表项目月绩效考核自评表( 年月)序号考核内容应得分考核结果实得分一、进度管理 200 1 保证指标 20 1.1 开工手续符合情况无 1.2 施工总承包合同签订情况无 1。
3 施工组织设计编制报审情况无 1.4 劳务、分包用工情况无 1。
5 合同工期履约情况无 1。
6 工程维修情况无 1。
7 进度绩效指标分解情况无 2 策划指标 40 2.1 合同工期条件分析书编制情况及施工主要资源计划制定..情况 10 2。
2 施工组织设计编制与审批情.况 5 2。
3 施工总进度编制情况 10 2。
4 工期延误单签订情况 5 2。
5 项目经理部进度绩效指标分。
解情况 10 3 进度控制指标 10012 3.1 技术保障情况(25′) 13 3。
2 物资保障情况(15′) 15 3。
3 机械设备保证情况(5′) 510 3.4 人力资源保障情况(25′) 1510 3。
5 进度管理过程检查(15′) 513 3。
6 过程管理的完善与提高(15′) 2 4 进度效果指标 40 4。
1 形象进度与总进度计划的符。
合情况 35 4。
2 进度管理顾客满意情况、投诉情况及竣工总结的编写。
情况 5 5 保修指标 20 5.1 保修组织结构及回访维修计。
划编制情况 10 5.2 工程保修过程执行情况 10 6 修正指标无 6。
1 进度绩效指标自我评价情况无二、质量管理 200质量管理绩效考核保证指标 A 施工组织设计编制与审批无B 指标分解与自我评价无C 项目施工质量水平无D 严重不合格和质量事故无E 顾客满意度无F 创优目标(公司规定和合同约定) 无60 1 策划阶段质量管理指标 1.1 施工组织设计的编制与报审 10 1。
2 施工方案的编制与报审 14 1.3 技术交底和技术措施的编制与报审 14 1。
4 创优计划(方案)的编制与报审 6 1.5 设计图纸审查和图纸会审记.。
录管理 6 1。
6 指标分解 10 2 过程控制阶段质量管理指标 105 2.1 检查项目施工质量与设计、规范及项目质量策划的符合。
名称内容要求整车状态确认1、座椅是在其95%位置2、座椅靠背是在它的预置位置3、导向环是在顶部位置4、头部靠枕是在它的最低位置5、镜子是预置位置6、变速器操纵杆是在空挡或者停车位置7、驾驶员的右扶手收起8、驻车制动是未使用9、方向盘是在它的当前位置(向内和向上)每次测量前需要确认包含内容总共有4部分内容:1、前舱人机性能评价:驾驶员和副驾驶2、后舱人机性能评价3、行李箱人机性能评价4、发动机舱人机性能评价各个部分可以对不同的测评人员同时进行缘由选项其中包含了对应的项目不及格时供选择的不合格的原因测评成绩分级每个测评单项最高分是10分,最低分1分,分数越高人机性能越好(越舒服)如下图低分缘由填写由用户选择不合格缘由的代号关联尺寸列举各个项目影响的尺寸代码1.5驾驶员舱拉手(头顶上)座椅对人体那部分没有支撑:1大腿 2、腿边 3侧背 4背部下端 5背部上端 6肩膀 7头部 8其他舒适性:1无法接受 2差 3可接受 4较好 5好 6很好 7非常好查找性:1位置过远 2位置过近 3夹角过竖直 4夹角过水平伸及性:1直径过大 2直径过小 3方向盘过厚 4方向盘过薄舒适性:1无法接受 2差 3可接受 4较好 5好 6很好 7非常好左侧后视镜 操作性:1调节费力 2调节机构过远 3调节机构复杂 4调节机构过高右侧后视镜 操作性:1调节费力 2调节机构过远 3调节机构复杂 4调节机构过高左侧后视镜 视野性: 1镜子尺寸 2镜子调节 3镜子位置 4后窗可视面积 5其他制动操作性:1制动行程过长 2制动行程过短 3操作费力 4操作过于轻松离合操作性:1离合行程过长 2离合行程过短 3操作费力 4操作过于轻松舒适性:1无法接受 2差 3可接受 4较好 5好 6很好 7非常好伸及性:1位置过于向前 2位置过于向后 3过于偏左 4过于偏右 5过于高 6过于低与驾驶员舱座椅车门相同则可以在任意一处测。
大学生人际关系状况自我评价调查量表的编制何春美玉林师范学院教育科学学院应用心理09班学号:2摘要:在文献分析与大学生访谈的基础上,编制了《大学生人际关系状况自我评估调查量表》。
对155名高校大学生进行预试,通过对问卷的信度、效度的检验与探索性因素分析后,形成初步问卷。
结果表明,大学生人际关系状况自我评估调查量表的结构符合两个维度结构模型,人际安全和人格个性。
内部一致性性度0.59~0.71之间。
根据这两个维度编制的大学生人际关系状况评估调查量表共有34个项目,据分析该量表信度、效度良好,还算适合用以研究大学生人际关系状况。
关键词:大学生人际关系自我评价量表信度效度1、引言人际关系(human relationship)是大学生必然碰到、必须面对的重要问题,是影响大学生心理健康的关键因素之一[1]。
大量的研究表明,大学生的人际关系问题日益突出[2 - 5]。
在影响大学生人际关系的因素中,有的是个体难以选择或避免的客观因素,如时空接近、态度相似、需求互补、外表相悦、个性吸引等;还有某些因素特异地影响大学生的人际关系,即大学生个体之间的心理感受起了决定性作用,称为主观因素,如人际安全、人际期望、人际张力、人际报复等[6]。
一位哲人说过:“没有交际能力的人,就像陆地上的船,永远到不了人生的大海”。
处于青年期的大学生,思想活跃,精力充沛,兴趣广泛,人际交往的需要极为强烈。
他们力图通过人际交往去认识世界,获得友谊,满足自己物质上和精神上的各种需要。
因此,大学生希望被人接受、理解的心情尤为迫切。
研究认为, 健康和谐的人际关系对大学生的主观幸福感有正向作用[7], 大学生在学校表现的优秀与否,与其个性特征有明显的关系[8], 积极开展个性教育, 能有效提高大学生的心理健康水平[9]。
人际关系既是影响大学生心理健康的主要问题之一,也是影响大学生心理健康的关键因素[10 ,11 ]。
研究表明,大学生人际关系是否和谐受到人格、自尊水平、父母教养方式、价值观等因素的综合影响[12 - 14 ],而大学生人际关系受阻,主要是由个体的自卑、自负、猜疑、胆小、害羞、嫉妒等主观体验造成的[15,16 ]。
详细主观全面评价SGA营养评估表病人自评-主观全面评定(pg-sga)评定量表科室住院号床位号日期姓名性别年龄岁临床诊断:1-4项由病人填写1、体重变化(两者累加)(1)已往及目前体重情形:我现在的体重大约是_____________________,一个月前我的体重大约_____公斤;六个月前我的体重大约_____公斤体重下降(原-现/原x100%)____%;分值____(≥ 10%4分;5%-10%3分;3%-5%2分;2%-3%1分;在过去的两周里,我的体重显示:□ 减少(1)□ 无变化(0)□ 增加(0)2。
饮食:(多项选择,选择最高分)(1)过去几个月以来,我吃食物的量与以往相比:□ 无变化(0)□ 比以前更多□ 少于之前(1)(2)我只吃:□比正常量少的一般食物(1);□一点固体食物(2);□只有流质饮食(3);□只有营养补充品(3);□非常少的任何食物(4);□管灌喂食或由静脉注射营养(0)3、症状:(多选,累计加分)在过去的两周里,我有以下问题,使我吃不饱:(请详细检查以下所有项目)□没有饮食方面的问题(0)□没有食欲,就是不想吃(3)□口干(1)□恶心(1)□呕吐(3)□便秘(1)□腹泻(3)□口痛(2)□容易饱胀(1)□吞咽困难(2)□吃起来感觉没有味道,或味道变得奇怪(1)□有怪味困扰着我(2)□疼痛(3)何处?__________□其他(1)____如:忧郁、牙齿、金钱方面等4、身体状况:(单选,最符合项)自我评估过去几个月来,身体状况处于:□正常,没有任何限制(0)□ 与普通人不同,但我可以在日常生活中照顾自己(1)□ 我觉得不舒服,但我不会躺在床上超过半天(2)□只能做少数活动,大多数时间躺在床上或坐在椅子(3)□绝大多数的时间躺在床上(3)患者签名:a项评分:_____________5-7项由医生填写5.疾病及其与营养需求的关系(累积):主要相关诊断:________________________________年龄_____主要疾病分期(在您知道或适当等级上画圈)iiiiiiiv其他建议以下情况各得1分:癌症、艾滋病、肺或心脏恶病质、褥疮、开放性伤口或瘘管、创伤、65岁以上。
1 •通过以上各项的评分,该员工的综合得分是:分2 •你认为该员工应处于的等级是:(选择其一)[]A[ ]B[ ]C[ ]DA. 240 分以上;B. 240-200 分;C. 200-160 分;D. 160分以下。
3 •评价者意见4.评价者签字:日期:年月日人力资源部评定:1.评语:2•依据本次评价,特决定该员工:[]转正:在_____________ 任 ___________ 职[]升职至________________ 任___________[]续签劳动合同自___________ 年月_______ 日至___________ 年月_______ 日[]降职为[] 提薪降薪为________________________________[]辞退______________________________________员工绩效评价表(三)员工绩效评价表(四)主管的意见主要优点:何种培训对员工有益?该员工是否适合本工作?□是□否该员工工作之余是否在校进修充实自己?如否,什么工作较适合?该员工曾参加何项公司资助的培训?其他意见:员工的意见主管能够怎样帮助你,使你未来工作更好?试就你的工作、主管或工作环境提岀建议性的批评。
续表有无其他工作或培训你较感兴趣,并觉得对你前途有益?其他意见:不满意(1-20 )勉强(21-40 ) 好(41-60 ) 很好(61-80 ) 优秀(81-100 )主要缺点:员工综合工作表现该员工的综合工作表现如何?(请勾岀最适合的一项)附注:评价人日期_______________与被评价人讨论日期_______________________________________________审核人日期_______________重要附注:此为您对部属在受评价期间工作绩效的看法。
在此期间你一定要确实曾经与其经常沟通并时常注意他(她),才有可能借此对其绩效有更进一步的认识。
年月建筑施工安全生产标准化项目自评表工程项目名称:自评时间年月日
注:1、本表应按《建筑施工安全检查标准》(JGJ59)进行检查,附相应《建筑施工安全分项检查评分表》,如《安全管理检查评分表》等。
2、本表一式两份,项目部、施工企业各一份。
表B.1安全管理检查评分表
表B.3扣件式钢管脚手架检查评分表
表B.4门式钢管脚手架检查评分表
表B.5碗扣式钢管脚手架检查评分表
表B.6承插型盘扣式钢管支架检查评分表
表B.7满堂式脚手架检查评分表
表B.8悬挑式脚手架检查评分表
表B.9附着式升降脚手架检查评分表
表B.10高处作业吊篮检查评分表
表B.11基坑工程检查评分表
表B.12模板支架检查评分表
表B.13高处作业检查评分表
表B.14施工用电检查评分表
表B.15物料提升机检查评分表
表B.18起重吊装检查评分表
表B.19施工机具检查评分表。
精心整理病人自评-主观全面评定(PG-SGA )评定量表科室住院号床号日期姓名性别年龄岁临床诊断:1-4项由病人填写1、体重变化(两者累加)(1)已往及目前体重情形:我目前的体重约_____公斤,我的身高约______公分,(≥(22(1(23、症状3)4、身体状况:(单选,最符合项)自我评估过去几个月来,身体状况处于:□正常,没有任何限制(0)□与平常的我不同,但日常生活起居还能自我料理(1)□感觉不舒服,但躺在床上的时间不会长于半天(2)□只能做少数活动,大多数时间躺在床上或坐在椅子(3)□绝大多数的时间躺在床上(3)病人签名:A 项评分:_____________5-7项由医生填写精心整理5、疾病及其与营养需求的关系(累加):主要相关诊断:________________________________年龄_____主要疾病分期(在您知道或适当等级上画圈)IIIIIIIV其他建议以下病情情况每项计1分:癌症、AIDS、肺源性或心源性恶液质、出现褥疮、开放伤口或瘘、存在创伤、65岁以上。
B项评分:_____________6、代谢状态:□无应激(0)□轻度应激(1)□中度应激(2)□高度应激(3)37.2-38.3℃1分;38.4-38.8℃2分;≥38.8℃3分;时间<3天1分;3天2分;>3天3分;强的松<10mg1分,10-30mg2分>30mg3分7踝水肿腹水01+2+3+总体水评分01+2+3+D项评分:_____________总评分(A+B+C+D):____________整体评估□营养状态良好(SGA-A)(0-3分)□中度或可疑营养不良(SGA-B)(4-8分)□严重营养不良(SGA-C)(≥9分)医师签名:________日期:___年___月___日。
详细主观全面评价SGA营养评估表病人自评-主观全面评定(PG-SGA)评定量表科室住院号床号日期姓名性别年龄岁临床诊断:1-4 项由病人填写1、体重变化(两者累加)(1)已往及目前体重情形:我目前的体重约_____公斤,我的身高约______公分,一个月前我的体重大约_____公斤;六个月前我的体重大约_____公斤体重下降(原-现/原x100%) ____ %;分值____(≥10% 4分;5%-10% 3分;3%-5% 2分;2%-3% 1分;1%-2% 0分;)(2)在过去二个星期内,我的体重是呈现:□减少(1)□没有改变(0)□增加(0)2、饮食情况:(多选,选最高分)(1)过去几个月以来,我吃食物的量与以往相比:□没有改变(0)□比以前多□比以前少(1)(2)我现在只吃:□比正常量少的一般食物(1); □一点固体食物(2);□只有流质饮食(3); □只有营养补充品(3);□非常少的任何食物(4); □管灌喂食或由静脉注射营养(0)3、症状:(多选,累计加分)过去二个星期,我有下列的问题困扰,使我无法吃的足够:(请详细检察下列所有项目)□没有饮食方面的问题(0)□没有食欲,就是不想吃(3)□口干(1)□恶心(1)□呕吐(3)□便秘(1)□腹泻(3)□口痛(2)□容易饱胀(1)□吞咽困难(2)□吃起来感觉没有味道,或味道变得奇怪(1)□有怪味困扰着我(2)□疼痛(3)何处?__________□其他(1)____ 如:忧郁、牙齿、金钱方面等4、身体状况:(单选,最符合项)自我评估过去几个月来,身体状况处于:□正常,没有任何限制(0)□与平常的我不同,但日常生活起居还能自我料理(1)□感觉不舒服,但躺在床上的时间不会长于半天(2)□只能做少数活动,大多数时间躺在床上或坐在椅子(3)□绝大多数的时间躺在床上(3)病人签名: A 项评分:_____________5-7 项由医生填写5、疾病及其与营养需求的关系(累加):主要相关诊断:________________________________ 年龄_____主要疾病分期(在您知道或适当等级上画圈) I II III IV 其他建议以下病情情况每项计 1 分:癌症、AIDS、肺源性或心源性恶液质、出现褥疮、开放伤口或瘘、存在创伤、65岁以上。
详细主观全面评价S G A营养评估表Final revision on November 26, 2020病人自评-主观全面评定(P G-S G A)评定量表科室住院号床号日期姓名性别年龄岁临床诊断:1-4项由病人填写1、体重变化(两者累加)(1)已往及目前体重情形:我目前的体重约_____公斤,我的身高约______公分,一个月前我的体重大约_____公斤;六个月前我的体重大约_____公斤体重下降(原-现/原x100%)____%;分值____(≥10%4分;5%-10%3分;3%-5%2分;2%-3%1分;1%-2%0分;)(2)在过去二个星期内,我的体重是呈现:□减少(1)□没有改变(0)□增加(0)2、饮食情况:(多选,选最高分)(1)过去几个月以来,我吃食物的量与以往相比:□没有改变(0)□比以前多□比以前少(1)(2)我现在只吃:□比正常量少的一般食物(1);□一点固体食物(2);□只有流质饮食(3);□只有营养补充品(3);□非常少的任何食物(4);□管灌喂食或由静脉注射营养(0)3、症状:(多选,累计加分)过去二个星期,我有下列的问题困扰,使我无法吃的足够:(请详细检察下列所有项目)□没有饮食方面的问题(0)□没有食欲,就是不想吃(3)□口干(1)□恶心(1)□呕吐(3)□便秘(1)□腹泻(3)□口痛(2)□容易饱胀(1)□吞咽困难(2)□吃起来感觉没有味道,或味道变得奇怪(1)□有怪味困扰着我(2)□疼痛(3)何处?__________□其他(1)____如:忧郁、牙齿、金钱方面等4、身体状况:(单选,最符合项)自我评估过去几个月来,身体状况处于:□正常,没有任何限制(0)□与平常的我不同,但日常生活起居还能自我料理(1)□感觉不舒服,但躺在床上的时间不会长于半天(2)□只能做少数活动,大多数时间躺在床上或坐在椅子(3)□绝大多数的时间躺在床上(3)病人签名:A项评分:_____________5-7项由医生填写5、疾病及其与营养需求的关系(累加):主要相关诊断:________________________________年龄_____主要疾病分期(在您知道或适当等级上画圈)IIIIIIIV其他建议以下病情情况每项计1分:癌症、AIDS、肺源性或心源性恶液质、出现褥疮、开放伤口或瘘、存在创伤、65岁以上。
详细主观全面评价S G A营养评估表(总3页)-CAL-FENGHAI.-(YICAI)-Company One1-CAL-本页仅作为文档封面,使用请直接删除病人自评-主观全面评定(PG-SGA)评定量表科室住院号床号日期姓名性别年龄岁临床诊断:1-4 项由病人填写1、体重变化(两者累加)(1)已往及目前体重情形:我目前的体重约_____公斤,我的身高约______公分,一个月前我的体重大约_____公斤;六个月前我的体重大约_____公斤体重下降(原-现/原x100%) ____ %;分值____(≥10% 4分;5%-10% 3分;3%-5% 2分;2%-3% 1分;1%-2% 0分;)(2)在过去二个星期内,我的体重是呈现:□减少(1)□没有改变(0)□增加(0)2、饮食情况:(多选,选最高分)(1)过去几个月以来,我吃食物的量与以往相比:□没有改变(0)□比以前多□比以前少(1)(2)我现在只吃:□比正常量少的一般食物(1); □一点固体食物(2);□只有流质饮食(3); □只有营养补充品(3);□非常少的任何食物(4); □管灌喂食或由静脉注射营养(0)3、症状:(多选,累计加分)过去二个星期,我有下列的问题困扰,使我无法吃的足够:(请详细检察下列所有项目)□没有饮食方面的问题(0)□没有食欲,就是不想吃(3)□口干(1)□恶心(1)□呕吐(3)□便秘(1)□腹泻(3)□口痛(2)□容易饱胀(1)□吞咽困难(2)□吃起来感觉没有味道,或味道变得奇怪(1)□有怪味困扰着我(2)□疼痛(3)何处? __________□其他(1)____ 如:忧郁、牙齿、金钱方面等4、身体状况:(单选,最符合项)自我评估过去几个月来,身体状况处于:□正常,没有任何限制(0)□与平常的我不同,但日常生活起居还能自我料理(1)□感觉不舒服,但躺在床上的时间不会长于半天(2)□只能做少数活动,大多数时间躺在床上或坐在椅子(3)□绝大多数的时间躺在床上(3)病人签名: A 项评分:_____________5-7 项由医生填写5、疾病及其与营养需求的关系(累加):主要相关诊断:________________________________ 年龄_____主要疾病分期(在您知道或适当等级上画圈) I II III IV 其他建议以下病情情况每项计 1 分:癌症、AIDS、肺源性或心源性恶液质、出现褥疮、开放伤口或瘘、存在创伤、65岁以上。