8255控制字
- 格式:doc
- 大小:72.50 KB
- 文档页数:1
8255芯片知识点总结一、8255芯片的功能8255芯片的主要功能是实现微处理器与外部设备之间的数据传输和交互。
它提供了24个I/O引脚,可配置为三个8位的并行输入/输出端口。
除了I/O功能之外,8255芯片还具有自动手摇功能,可通过设置控制字来进行不同模式的操作,包括模式0(基本I/O)、模式1(手摇方式)、模式2(双向通讯)和模式3(快速反射)。
在基本I/O模式下,8255芯片的三个端口A、B、C分别作为输出、输入、控制端口。
通过设置控制字可以配置每个端口的工作方式,包括输入、输出和双向通讯。
而在手摇方式下,8255芯片可以通过设置手摇信号来进行数据传输,可以实现16位数据的传输操作。
在双向通讯模式下,8255芯片可以通过读写控制字来实现双向数据传输。
而在快速反射模式下,8255芯片可以实现数据的快速输入和输出,适用于数据采集和高速数据传输等场景。
除了上述功能,8255芯片还可以实现对外设设备的中断请求响应、电源管理和自检功能等。
因此,8255芯片在微处理器系统中扮演着非常重要的角色,可以实现微处理器与外部设备的高效通讯和控制。
二、8255芯片的特点8255芯片具有以下几个显著的特点:1. 多功能性:8255芯片提供了多种工作模式和配置方式,可以适用于不同的应用场景。
用户可以通过编程来设置控制字,实现8255芯片的不同功能。
2. 高性能:8255芯片具有高速的数据传输和处理能力,可以满足对数据传输速度要求较高的应用。
3. 可编程性:8255芯片的功能和工作方式可以通过编程进行配置,可以根据具体的应用需求来设置控制字,实现不同的功能和模式。
4. 可靠性:8255芯片具有良好的稳定性和可靠性,可以在恶劣的环境条件下正常工作。
5. 兼容性:8255芯片广泛应用于各种微处理器系统中,与不同的微处理器兼容性强,可广泛应用于各种系统。
6. 低功耗:8255芯片采用低功耗设计,具有较低的能耗,适用于对电源管理要求较高的应用。
8255的初始化程序:1、地址确定因为A10A9A8A7A6A5A4A3=01010011,A2A1=11为控制字端口,A2A1=10为C口,A2A1=01为B口,A2A1=00为A口,A0为0,所以8255A地址范围为24CH~24FH。
2、控制字确定因为A口为方式0输出,B口为方式0输入,所以控制字为10000010B=82H 3、初始化程序MOV AL,82HMOV DX,24FHOUT DX,AL附8255知识:8255是微机并行接口芯片。
8255是可编程I/O口扩展芯片。
对8255输入不同的指令可改变I/O口的工作方式。
8255与单片机系统连接方式简单,工作方式由程序设定,图2为8255的引脚图。
8255内部有4个寄存器:分别为寄存器A、B、C和控制寄存器。
A、B、C寄存器的数据就是引脚PA7~PA0、PB7~PB0、PC7~PC0上输入或输出的数据。
而控制寄存器的数据则表明PA、PB、PC的工作方式。
通过CS、A0、A1、RD和WR对4个寄存器进行操作。
1)CS为低电平时选通8255;2)A1、A0为地址选通;3)RD和WR为读、写信号:RD为低、WR为高时为读方式,RD为高、WR为低时为写方式。
4)D0~D7为数据口。
向控制寄存器写入不同的数据可以使8255工作在三种不同的方式下。
这里只介绍应用最多的方式0。
方式0下8255的PA、PB及PC口上半部分(PC7~PC4)和下半部分(PC3~PC0)中任何一个端口都可以设定为输入或输出,PC口还可以进行位操作。
控制寄存器各位的含义如图3所示。
SLPC-24中8255工作在方式0。
PA、PB为输入口、PC为输出口,对控制寄存器写入的数据为10010010B,即92H。
主题:8255中的方式控制字和位控制字1. 介绍8255芯片8255是一种可编程并行I/O芯片,广泛用于微机、工控、通信、家电等领域。
它具有多种功能,包括输入/输出控制、定时/计数功能等,能够满足不同应用的需求。
2. 方式控制字的概念方式控制字是8255中的重要概念之一,它用于配置8255芯片的工作方式。
通过设置方式控制字,可以确定8255的工作模式,包括输入、输出、双向或定时/计数等。
3. 方式控制字的结构方式控制字通常由8位二进制数据组成,每一位都代表着8255的某种工作状态。
其中,最高3位用于设置端口A、端口B和端口C的工作方式,接下来的3位用于设置端口A、端口B和端口C的工作模式,最低2位用于设置定时/计数功能的工作状态。
4. 方式控制字的设置方法在使用8255芯片时,需要按照具体应用的需求来设置方式控制字。
可以通过编程的方式将合适的二进制数据写入到8255芯片的方式控制字寄存器中,以达到配置8255工作模式的目的。
5. 位控制字的概念除了方式控制字之外,8255中还有位控制字的概念。
位控制字用于控制8255芯片的具体输入/输出操作,可以实现对单个端口的位控制。
6. 位控制字的结构位控制字通常由8位二进制数据组成,每一位都代表着8255的某种输入/输出操作。
通过设置位控制字,可以实现对端口A、端口B和端口C的单个位的输入/输出控制。
7. 位控制字的设置方法对于特定的输入/输出操作,可以通过编程的方式将合适的二进制数据写入到8255芯片的位控制字寄存器中,以实现对端口的单个位的控制。
8. 方式控制字与位控制字的关系方式控制字和位控制字是8255芯片中两个重要的控制概念,它们共同构成了8255的工作模式。
方式控制字主要用于配置8255的工作方式,而位控制字则用于具体的输入/输出控制操作。
9. 总结8255芯片中的方式控制字和位控制字是控制8255工作模式和具体输入/输出操作的重要手段。
通过合理设置方式控制字和位控制字,可以实现对8255芯片的灵活控制,满足不同应用的需求。
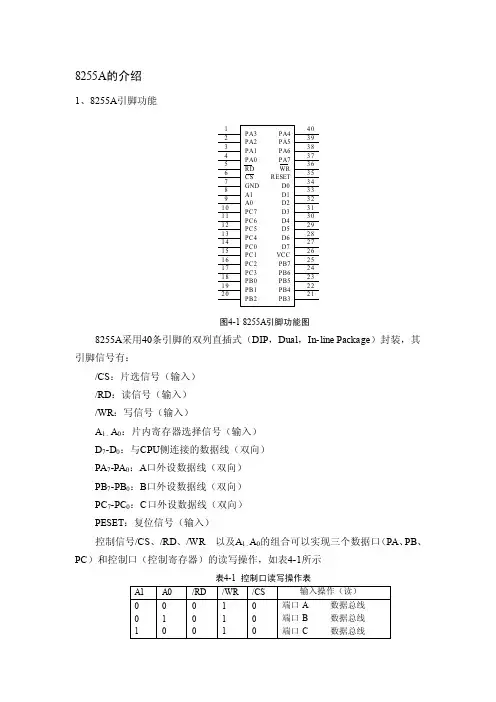
8255A的介绍1、8255A引脚功能图4-1 8255A引脚功能图8255A采用40条引脚的双列直插式(DIP,Dual,In-line Package)封装,其引脚信号有:/CS:片选信号(输入)/RD:读信号(输入)/WR:写信号(输入)A1、A0:片内寄存器选择信号(输入)D7-D0:与CPU侧连接的数据线(双向)PA7-PA0:A口外设数据线(双向)PB7-PB0:B口外设数据线(双向)PC7-PC0:C口外设数据线(双向)PESET:复位信号(输入)控制信号/CS、/RD、/WR 以及A1、A0的组合可以实现三个数据口(PA、PB、PC)和控制口(控制寄存器)的读写操作,如表4-1所示2、8255A 的工作方式8255A 有三种工作方式:方式0、方式1、方式2。
其中PA 可以工作在三种方式,P1可以工作在方式0和方式1,PC 只能工作在方式0。
下面对这三种工作方式进行分析[8]。
(1)工作方式0 方式0为基本输入/输出方式。
这种方式下,PA 、PB 各8位均定义为输入或输出,PC 的低4位及高4位可独立定义为输入或输出。
定义为输出口均有锁存数据的能力,而定义为输入口无锁存能力。
方式0适合无条件传送方式,CPU 直接执行输入输出命令。
(2)工作方式1 方式1又称选通的输入/输出方式。
在这种工作方式下,PA 口、PB 口作数据的输入或输出口,但数据的输入/输出要在选通信号的控制下来完成。
这些选通信号来自PC 口的某些位提供的。
PA 口和PB 口可独立的由程序任意的设定为输入口或输出口,此时,PC 口自动的作为PA 口或PB 口的选通控制线。
(3)工作方式2 方式2有称双向传输方式,只适用于PA 口。
方式2中8255的PA 口相当于工作在数据总线的状态,使外部设备能利用8位数据线与CPU 进行双向通信,既能发送数据,也能接受数据。
因此PC 口的5根线用来提供双向传输所需的控制信号。
3、8255A 的控制字在使用8255A 时,首先要由CPU 对8255A 写入控制命令字,有两种控制命令字:一个是方式选择控制字,另一个是C 口按位置位/复位控制字,8255A 的各种工作方式都要由控制命令字来设定,这个设置过程称为“初始化”。
※※※※※※※※※※※※※※※※※※※※※※※※微机原理课程设计报告书课题名称 8255 并行接口流水灯显示实验姓名学号院、系、部物理与电信工程系专业指导教师一、设计任务及要求:设计任务:流水灯显示实验。
编写程序,使8255 的A口和B口均为输出,数据灯D7~D0由左向右,每次仅亮一个灯,循环显示,D15~D8与D7~D0 正相反,由右向左,每次仅点亮一个灯,循环显示。
要求:指导教师签名:2009年6月8日二、指导教师评语:指导教师签名:2009 年6月8 日三、成绩验收盖章2009年6 月8日8255 并行接口流水灯显示实验一、设计目的1. 学习并掌握8255 的工作方式及其应用;2. 掌握8255 典型应用电路的接法。
二、设计要求流水灯显示实验。
编写程序,使8255 的A口和B口均为输出,数据灯D7~D0由左向右,每次仅亮一个灯,循环显示,D15~D8与D7~D0 正相反,由右向左,每次仅点亮一个灯,循环显示。
三、电路及连线设计并行接口是以数据的字节为单位与I/O 设备或被控制对象之间传递信息。
CPU 和接口之间的数据传送总是并行的,即可以同时传递8 位、16 位或32 位等。
8255可编程外围接口芯片是Intel公司生产的通用并行I/O 接口芯片,它具有A、B、C三个并行接口,用+5V单电源供电,能在以下三种方式下工作:方式0--基本输入/输出方式、方式1--选通输入/输出方式、方式2--双向选通工作方式。
8255 的内部结构及引脚如图2-6-1 所示,8255工作方式控制字和C口按位置位/复位控制字格式如图2-6-2所示图2-6-1 8255内部结构及外部引脚图(a)工作方式控制字(b)C口按位置位/复位控制字图2-6-2 8255控制字格式图2-6-5 8255流水灯实验接线图四、使用说明使8255的A口和B口均为输出,数据灯D7~D0 由左向右,每次仅亮一个灯,循环显示,D15~D8 与D7~D0正相反,由右向左,每次仅点亮一个灯,循环显示。
8255A的功能与结构8255A可编程外围设备接⼝(programmable perphheral interface,PPI)是⼀种通⽤的可编程并⾏I/O接⼝器件。
它可以作为Intel系列微处理器或其它系列微处理器的接⼝器件,可以将任何与TTL兼容的I/O设备与微处理器连接。
在与主频不⾼于8MHz的微处理器⼀起⼯作时,不需要插⼊等待周期。
它有24个可编程I/O引脚,分为两组,每组12个,可以以3种不同的操作⽅式⼯作。
它的每个I/O引脚可以提供2.5mA的吸⼊电流,最⼤4mA。
8255A常常⽤作键盘和打印机端⼝。
它的价格低廉,使⽤⽅便,得到了⼴泛的应⽤。
8255A的功能结构由图可得:(1)数据总线缓冲器D7~D0与系统数据总线相连,负责与CPU进⾏数据交换。
包括输⼊输出数据、控制字和状态字。
(2)读/写控制逻辑接收来⾃CPU的地址信息和控制信息。
(3)A组控制和B组控制这两组控制逻辑电路接收来⾃CPU的控制字,控制两组端⼝的⼯作⽅式及读/写操作。
A组控制端⼝A和端⼝C的⾼4位,B组控制端⼝B和端⼝C的低4位。
(4)端⼝A、B、C8255A有3个8位数据输⼊/输出端⼝:端⼝A、端⼝B和端⼝C,分别简称为A⼝、B⼝和C⼝。
它们对外的引线分别是PA7~PA0、PB7~PB0和PC7~PC0。
C⼝可分成两个4位的端⼝:C⼝⾼4位(PC7~PC4)和C⼝低4位(PC3~PC0)。
三个端⼝按组编程端⼝A和端⼝B都有⼀个8位数据输⼊锁存器和⼀个8位数据输出锁存/缓冲器。
端⼝C有⼀个8位数据输⼊缓冲器和⼀个8位数据输出锁存/缓冲器。
端⼝C可以按位操作。
8255A的引脚功能双列直插,40根引脚D7~D0:数据信号线CS:⽚选信号输⼊引脚,低电平有效RD:读信号输⼊引脚,低电平有效WR:写信号输⼊引脚,低电平有效RESET:复位信号输⼊引脚,⾼电平有效。
⽤于将8255A控制字寄存器清“0”,并将A、B、C⼝置成输⼊状态A1、A0:端⼝选择信号输⼊引脚8255A的⼯作⽅式8255A可以⽆条件⽅式、查询⽅式和中断⽅式完成CPU与外设的数据交换。