大理石面层和花岗石面层检验批质量验收记录检验批新表
- 格式:docx
- 大小:274.15 KB
- 文档页数:3
建筑地面工程全套检验批检查验收表格名称及编号分包单位分项工程名称验收部位项目经理专业工长施工员施工班组长建筑地面工程施工质量验收规范GB-2002分包项目经理施工单位自检记录质量验收规范的规定砂、砂石、碎石、碎砖垫层是建筑地面工程中常用的填料。
为了确保填料质量符合要求,需要进行质量验收。
以下是填料质量验收记录:1.填料应符合设计要求,不得使用含有大量泥土、有机物质或其他杂质的填料。
2.填料应均匀铺设,压实密度应符合设计要求,设计无要求时不应少于0.9.3.表面平整度应不大于房间相应尺寸的2‰,且不大于30mm。
在个别地方不大于设计厚度的1/10.施工单位应按照规范要求进行自检,并记录检查结果。
监理单位应进行质量验收,并出具验收结论。
通过以上填料质量验收记录,可以确保建筑地面工程填料质量符合要求,保证工程质量。
记录工程名称:建筑地面工程施工单位:XXX施工执行标准:GB-2002名称及编号:水泥砂浆面层检验批质量验收记录,编号:分包单位:无分项工程名称:建筑地面工程验收部位:水泥砂浆面层项目经理:XXX专业工长:XXX施工员:XXX施工班组长:XXX分包项目经理:无施工单位自检记录质量验收规范的规定:符合要求1.水泥砂浆面层的材料应符合规范要求,水泥强度等级不应小于32.5,砂应为中粗砂,石屑粒径应为1-5mm,含泥量不应大于3%。
水泥砂浆面层的体积比(强度等级)必须符合设计要求,且体积比应为1:2,强度等级不应小于M15.2.面层与下一层应结合牢固,无空鼓、裂纹。
面层表面的坡度应符合设计要求,不得有倒泛水和积水现象。
面层表面应洁净,无裂纹、脱皮、麻面、起砂等缺陷。
踢脚线与墙面应紧密结合,高度一致,出墙厚度均匀。
3.楼梯踏步的宽度、高度应符合设计要求。
4.表面平整度偏差允许值和踢脚线上口平直度、缝格平直度应符合规范要求。
质量检查记录:见表格施工单位检查记录:符合要求项目监理工程师:XXX监理(建设)单位验收结论:合格时间:2021年5月1日项目名称:水磨石面层检验批质量验收记录工程名称:(填写工程名称)施工单位:(填写施工单位名称)施工执行标准名称及编号:建筑地面工程施工质量验收规范GB-2002分包单位:(填写分包单位名称)分项工程名称:(填写分项工程名称)验收部位:(填写验收部位)项目经理:(填写项目经理姓名)专业工长:(填写专业工长姓名)施工员:(填写施工员姓名)施工班组长:(填写施工班组长姓名)编号:质量检查员:(填写质量检查员姓名)技术负责人:(填写技术负责人姓名)年月日:(填写验收日期)水磨石面层的石粒应采用坚硬可磨的白云石、大理石等岩石加工而成,石粒应洁净无杂物,其粒径除特殊要求外应为6-15mm,水泥强度等级不小于32.5,颜料应采用耐光、耐碱的矿物原料,不得使用酸性颜料。
大理石面层和花岗石面层检验批质量验收记录项目名称:大理石面层和花岗石面层项目编号:质量验收日期:执行单位:一、项目概述二、质量验收内容1.材料质量验收(1)检查大理石面层和花岗石面层的规格、颜色、光泽度是否符合设计要求;(2)验收大理石面层和花岗石面层的硬度是否符合相关标准;(3)验收大理石面层和花岗石面层的密度是否符合相关标准;(4)检查大理石面层和花岗石面层的含水率是否符合施工要求;(5)验收大理石面层和花岗石面层的耐久性和抗老化性能是否符合相关要求。
2.施工质量验收(1)验收大理石面层和花岗石面层的平整度、垂直度和水平度是否符合设计要求;(2)验收大理石面层和花岗石面层的拼接是否紧密、整齐、平直;(3)检查大理石面层和花岗石面层的贴合度是否良好;(4)检查大理石面层和花岗石面层的边缘处理是否平直、光滑;(5)验收大理石面层和花岗石面层的施工工艺是否符合规范要求。
三、质量验收结果1.材料质量验收结果(1)大理石面层和花岗石面层的规格、颜色、光泽度符合设计要求;(2)大理石面层和花岗石面层的硬度符合相关标准;(3)大理石面层和花岗石面层的密度符合相关标准;(4)大理石面层和花岗石面层的含水率符合施工要求;(5)大理石面层和花岗石面层的耐久性和抗老化性能符合相关要求。
2.施工质量验收结果(1)大理石面层和花岗石面层的平整度、垂直度和水平度符合设计要求;(2)大理石面层和花岗石面层的拼接紧密、整齐、平直;(3)大理石面层和花岗石面层的贴合度良好;(4)大理石面层和花岗石面层的边缘处理平直、光滑;(5)大理石面层和花岗石面层的施工工艺符合规范要求。
四、质量验收结论根据对大理石面层和花岗石面层材料和施工质量的验收,经比对分析,认为该项目的大理石面层和花岗石面层质量达到了预期要求,符合相关标准和规范,予以质量验收通过。
五、质量改进意见在本次验收过程中,未发现明显的质量问题1.加强对大理石面层和花岗石面层材料的采购和储存管理,确保质量稳定;2.加强对施工人员的培训和管理,提高施工质量和效率;3.建立完善的施工工艺和规范,明确施工要求和验收标准。
大理石面层和花岗石面层施工工艺标准21.1 基本规定21.1.1大理石、花岗石应按设计要求和规范的规定选用,并应符合国家标准的规定;进场材料应有中文质量合格证明文件、规格、型号及性能检测报告,对重要材料应有复验报告。
21.1.2地面基层应有足够的强度,其表面平整度检查允许偏差5mm。
21.1.3 大理石及花岗石地面面层宜在地面隐蔽工程、吊顶工程、墙面抹灰工程完成并验收合格后进行。
21.1.4建筑地面工程面层的铺设,应待其下一层检验合格后方可施工上一层。
面层铺设前应与相关专业的分部(子分部)工程、分项工程以及设备管道安装之间进行交接检验。
21.1.5建筑地面工程完工后,应对面层采取保护措施。
21.1.6 建筑地面面层分项工程应按每一层或每一施工段或变形缝作为检验批,高层建筑的标准层可按每三层作为检验批,不足三层按三层计算。
每一检验批应以各类面层划分的分项工程按自然间或标准间检验,抽查数量应随机检验不应少于3间;不足3间应全数检查;其中走廊过道应以10延长米为1间,礼堂、门厅应以两个轴线为1间计算。
21.1.7建筑地面分项工程施工质量检验的主控项目,必须达到《建筑地面工程施工质量验收规范》规定的质量标准,认定为合格;一般项目80%以上的检查点(处)符合规范规定的质量要求,其他检查点(处)不得有明显影响使用,并不得大于允许偏差值的50%为合格。
凡达不到质量标准时,应按现行国家标准《建筑工程施工质量验收统一标准》(GB50300—2001)的规定处理。
21.1.8建筑地面完工后,施工质量验收应在建筑施工企业自检合格的基础上,由监理单位组织有关单位对分项工程、子分部工程进行检验。
21.2 施工准备21.2.1 技术准备(1)熟悉图纸,了解各部位尺寸和做法,弄清洞口、边角等部位之间的关系,画出大理石、花岗石地面的施工排版图。
排版时注意非整块石材应放于房间的边缘,不同材质的地面交接处应在门口分开。
(2)工程技术人员应编制地面施工技术方案,并向施工队伍做详尽的技术交底。
一、建筑地面子分部工程1、设计变更文件;2、原材料出厂合格证和进场检(试)验报告;3、砂浆、混凝土配合比试验报告;4、各层强度等级及密实度试验报告;5、各类建筑地面施工质量控制文件;6、楼梯、踏步项目检查记录;7、各构造层隐蔽验收记录;8、各检验批验收记录;10、其他必要的文件和记录。
二、装饰装修工程1、2、3、4、5、6、7、8、9、1011、12131415主控项目:1、基土严禁用淤泥、腐植土、冻土、耕植土、膨胀土和含有有机物质大于8%的土作为填土。
观察检查和检查土质记录。
2、基土均匀密实,压实系数符合设计要求,设计无要求时,不应小于0.90。
观察检查和检查试验记录。
一般项目:灰土垫层检验批质量验收记录表GB50209—2002(Ⅱ)1、熟化石灰颗粒粒径不大于5mm;粘土(或粉质粘土、粉土)内不含有有机物质,颗粒粒径不大于15mm。
观察检查和检查试验记录。
砂垫层和砂石垫层检验批质量验收记录表GB50209—2002(Ⅲ)030101□□GB50209—2002(Ⅳ)030101□□。
观说明3%。
GB50209—2002(Ⅹ)030101□□2、面层表面的坡度,符合设计要求,不得有倒泛水和积水现象。
观察和采用泼水或用坡度尺检查。
3、水泥砂浆踢脚线与墙面应紧密结合,高度一致,出墙厚度均匀。
用小锤轻击、尺量检查和观察检查。
注:局部空鼓长度不应大于300mm,且每自然间(标准间)不多于2处可不计。
4、楼梯踏步的宽度、高度应符合设计要求。
楼层梯段相邻踏步高度不应大于10mm,每踏步两端宽度差不应大于10mm;旋转楼梯梯段的每踏步两端宽度的允许偏差为5mm。
楼梯踏步的齿角应整齐,防滑条应顺直。
观察和尺量检查。
水磨石面层检验批质量验收记录表GB50209—2002030103□□说明030103主控项目:1、水磨石面层的石粒,应采用坚硬可磨白云石、大理石等岩石加工而成,石粒应洁净无杂物,其粒径除特殊要求外应为6—15mm;2、水磨石面层拌和料的体积比,符合设计要求,宜为1:1.5—3、面层与下一层结合应牢固,无空鼓、裂纹。
大理石、花岗石干挂施工工艺及检测标准1、适用范围:本内部施工工艺及检测标准适用于晶宫装饰公司所有在建的室内、外的墙、柱面和门窗套干挂石材饰面板的工程施工。
2、施工准备2.1 材料2.1.1 石材:石材的材质、品种、规格、颜色及花纹应符合设计要求.并应符合国家现行标准。
2。
1。
2 辅料:型钢骨架、金属挂件、不锈钢挂件、膨胀螺栓、金属连接件、不锈钢连接挂件以及配套的垫板、垫圈、螺母以及与骨架固定的各种所需配件,其材质、品种、规格、质量应符合要求.石材防护剂、石材胶粘剂、耐候密封胶、防水胶、嵌缝胶、嵌逢胶条、防腐涂料应有出厂合格证和说明,并应符合环保要求。
各种胶应进行相容性试验.2。
2 主要机具:石材切割机、砂轮切割机、云石机、磨光机、角磨机、冲击钻、台钻、电焊机、射钉抢、注胶枪、吸盘、钢尺、靠尺、方尺、塞尺、托线板、水平尺等、2。
3 作业条件2.3.1 主体结构施工完成并经检验合格,结构基层已经处理完成并验收合格。
2.3.2 石材已经进场,其质量、规格、品种、数量、力学性能和物理性能符合设计要求和国家现行标准,石材表面应涂刷防护剂.2。
3.3 其他配套材料已进场,并经检验复试合格。
2.3.4 墙、柱面上的各种专业管线、设备、预留预埋件已安装完成,经检验合格,并办理交接手续.2。
3。
5 门、窗已安装完,各处水平标高控制线测设完毕,并预检合格.2。
3。
6 施工所需的脚手架已经搭设完,垂直运输设备已安装好,符合使用要求和安全规定,并经检验合格.2.3.7 施工现场所需的临时用水、用电、各种工、机具准备就绪。
2.3.8 熟悉施工图纸及设计说明,根据现场施工条件进行必要的测量放线,对各个标高、各种洞口的尺寸、位置进行校核。
2.3.9 施工前按大样图进行样板间(段)施工.样板间(段)经设计、监理、建设单位检验合格并签认。
对操作人员进行安全、技术交底。
3、操作工艺3。
1 工艺流程石材表面处理→石材安装前准备→测量放线基层处理→主龙骨安装→次龙骨安装→石材安装→石材板缝处理→表面清洗3。
大理石和花岗石面层工程检验批质量验收记录表GB50209—2002活动地板面层工程检验批质量验收记录表GB50209—2002地毯面层工程检验批质量验收记录表GB50209—2002实木地板面层工程检验批质量验收记录表GB50209—2002实木复合地板面层工程检验批质量验收记录表GB50209—2002中密度(强化)复合地板面层工程检验批质量验收记录表GB50209—2002竹地板面层工程检验批质量验收记录表GB50209—2002水泥砂浆面层工程检验批质量验收记录表GB50209—2002一般抹灰工程检验批质量验收记录表GB50209—2002装饰抹灰工程检验批质量验收记录表GB50209—2002清水砌体勾缝工程检验批质量验收记录表GB50209—2002木门窗制作工程检验批质量验收记录表GB50209—2002木门窗安装工程检验批质量验收记录表GB50209—2002铝合金门窗安装工程检验批质量验收记录表GB50209—2002特种门窗工程检验批质量验收记录表GB50209—2002暗龙骨吊顶工程检验批质量验收记录表GB50209—2002板材隔墙工程检验批质量验收记录表GB50209—2002骨架隔墙工程检验批质量验收记录表GB50209—2002饰面板安装工程检验批质量验收记录表GB50209—2002饰面砖粘贴工程检验批质量验收记录表GB50209—2002玻璃幕墙工程检验批质量验收记录表(主控项目)GB50209—2002玻璃幕墙工程检验批质量验收记录表(一般项目)石材幕墙工程检验批质量验收记录表(主控项目)GB50209—2002石材幕墙工程检验批质量验收记录表(一般项目)GB50209—2002溶剂型涂料涂饰工程检验批质量验收记录表裱糊工程检验批质量验收记录表GB50209—2002软包工程检验批质量验收记录表GB50209—2002橱柜制作与安装工程检验批质量验收记录表GB50209—2002窗帘盒、窗台板和散热器罩制作与安装工程检验批质量验收记录表GB50209—2002门窗套制作与安装工程检验批质量验收记录表GB50209—2002护拦和扶手制作与安装工程检验批质量验收记录表GB50209—2002卷材防水层工程检验批质量验收记录表GB50207—2002涂膜防水层工程检验批质量验收记录表GB50207—2002细石混凝土防水层工程检验批质量验收记录表GB50207—2002密封材料嵌缝工程检验批质量验收记录表GB50207—2002架空屋面工程检验批质量验收记录表GB50207—2002细部构造检验批质量验收记录表GB50207—2002施工执行标准名称及编号分包项目经理施工质量验收规范的规定施工单位检查评定记录监理(建设)单位验收记录主控项目1 天沟、檐沟排水坡度第9.0.10条2防水构造(1)天沟、檐沟第9.0.4条(2)檐口第9.0.5条(3)水落口第9.0.6条(4)泛水第9.0.7条(5)变形缝第9.0.8条(6)伸出屋面管道第9.0.9条施工单位检查评定结果专业工长(施工员)施工班组长项目专业质量检查员:年月日监理(建设)单位验收结论专业监理工程师:(建设单位项目专业技术负责人)年月日。
123456789101
第6.3.5条2第6.3.6条
1
23456789101
第6.3.7条2
第6.3.8条3
第6.3.9条4第6.3.10条
表面平整度3mm
踢脚线上口平直1mm
表面平整度1mm
缝格平直2mm
接缝高低差0.5mm
踢脚线上口平直1mm
板块间隙宽度
1mm 大理石面层和花岗岩面层工程检验批质量验收记录
1.1.9地面-18
工程名称
施工单位
施工执行标准名称及编号
分包单位主控项目5施工单位检查
评定结果
监理(建设)单位
验收结论项目专业质量检查员:
监理工程师
(建设单位项目技术负责人):
板块的品种和质量面层与下一层结合牢固面层的表面质量踢脚线与墙面结合、高度和厚度楼梯踏步和台阶板块缝宽、齿角,相邻高差表面坡度,不得有倒泛水和积水现象拼大理石和碎拼花岗岩面大理石面层和花岗石面层分包项目
经 理
施工单位检查评定记录
施工单位检查评定记录
一般项目规范规定
规范规定
640718验收部位项目经理专业工长施工班组长
监理(建设)单位验收记录
年 月 日
年 月 日。
大理石面层和花岗岩面层检验批质量验收记录一、项目概况:项目名称:工程项目位置:地方施工单位:公司建设单位:单位监理单位:单位二、验收内容:1.验收材料:(1)大理石面层材料:规格、型号、厚度、颜色、产地、生产厂家等;(2)花岗岩面层材料:规格、型号、厚度、颜色、产地、生产厂家等;(3)环氧树脂胶:型号、生产日期、保质期等。
2.验收标准:(1)大理石面层:应符合GB/T9966-2024的相关标准要求,表面干净、无裂痕、无杂质、花纹图案清晰等;(2)花岗岩面层:应符合GB/T9966-2024的相关标准要求,表面光洁、无裂缝、无穿孔、色彩均匀等;(3)环氧树脂胶:应符合JC/T884-2002的相关标准要求,无气泡、无胶粘剂分离现象、固化时间符合要求等。
三、验收过程及结果:1.大理石面层材料验收:(1)核对大理石面层材料的规格、型号、厚度、颜色、产地等是否与合同要求一致;(2)对大理石面层材料进行目视检查,确保表面干净、无裂痕、无杂质、花纹图案清晰等;(3)对10%的大理石面层材料进行抽样检测,检测项目包括抗压强度、吸水率、耐抗磨性等,检测结果符合标准要求;(4)大理石面层材料验收合格。
2.花岗岩面层材料验收:(1)核对花岗岩面层材料的规格、型号、厚度、颜色、产地等是否与合同要求一致;(2)对花岗岩面层材料进行目视检查,确保表面光洁、无裂缝、无穿孔、色彩均匀等;(3)对10%的花岗岩面层材料进行抽样检测,检测项目包括抗压强度、吸水率、耐抗磨性等,检测结果符合标准要求;(4)花岗岩面层材料验收合格。
3.环氧树脂胶验收:(1)核对环氧树脂胶的型号、生产日期、保质期等是否与合同要求一致;(2)检查环氧树脂胶是否无气泡、无胶粘剂分离现象;(3)检查环氧树脂胶的固化时间是否符合要求;(4)环氧树脂胶验收合格。
四、质量问题处理:在验收过程中发现的问题及处理措施:1.大理石面层材料问题:板材表面有裂痕,需更换;2.花岗岩面层材料问题:石材颜色不一致,需更换;3.环氧树脂胶问题:环氧树脂胶固化时间不符合要求,需更换。
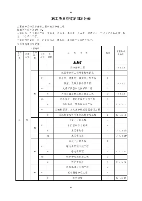
建筑装饰装修工程检验批划分标准序号子分部工程名称检验批划分标准检验批质量验收记录表1 地面工程相同材料、工艺和施工条件楼地面工程每层500~1000 m2应划分为一个检验批,不足500 m2也应划分为一个检验批找平层检验批质量验收记录表隔离层检验批质量验收记录表砖面层检验批质量验收记录表大理石和花岗石面层检验批质量验收记录表实木地板面层检验批质量验收记录表地毯面层检验批质量验收记录表2抹灰工程相同材料、工艺和施工条件①室外抹灰工程每500~1000 m2应划分为一个检验批,不足500 m2也应划分为一个检验批一般抹灰工程检验批质量验收记录装饰抹灰工程检验批质量验收记录②室内抹灰工程每50个自然间(大面积房间和走廊按抹灰面积30 m2为一间)应划分为一个检验批,不足50间也应划分为一个检验批3门窗工程同一品种、类型、规格①木门窗、金属门窗、塑料门窗及玻璃门窗每100樘应划分为一个检验批,不足100樘也应划分为一个检验批木门窗制作工程检验批质量验收记录木门窗安装工程检验批质量验收记录金属门窗安装工程检验批质量验收记录塑料门窗安装工程检验批质量验收记录特种门安装工程检验批质量验收记录门窗玻璃安装工程检验批质量验收记录②特种门窗每50樘应划分为一个检验批,不足50樘也应划分为一个检验批4吊顶工程同一品种的吊顶工程每50间(大面积房间和走廊按吊顶面积30 m2为一间)应划分为一个检验批,不足50间也应划分为一个检验批暗龙骨吊顶工程检验批质量验收记录明龙骨吊顶工程检验批质量验收记录5饰面板(砖)工程相同材料、工艺和施工条件①室内饰面板(砖)工程每50间(大面积房间和走廊按施工面积30 m2为一间)应划分为一个检验批,不足50间也应划分为一个检验批饰面板安装工程检验批质量验收记录饰面砖粘贴工程检验批质量验收记录②室外饰面板(砖)工程每500~1000 m2应划分为一个检验批,不足500 m2也应划分为一个检验批6 轻质隔墙同一品种的轻质隔墙工程每50间(大面积房间和走廊按轻质隔墙的墙面30 m2为一间)应划分为一个检验批,不足50间也应划分为一个检验批板材隔墙工程检验批质量验收记录表骨架隔墙工程检验批质量验收记录表玻璃隔墙工程检验批质量验收记录表7幕墙工程①相同设计、材料、工艺和施工条件的幕墙工程每500~1000 m2也应划分为一个检验批石材幕墙工程检验批质量验收记录②同一单位工程的不连续的幕墙工程应单独划分检验批③对于异型或有特殊要求的幕墙工程,应根据幕墙的结构、工艺特点及幕墙工程规模,由监理单位(或建设单位)和施工单位协商确定8涂饰工程①室外涂饰工程每一栋楼的同类涂料涂饰的墙面每500~1000 m2应划分为一个检验批,不足500 m2也应划分为一个检验批水性涂料涂饰工程检验批质量验收记录溶剂型涂料涂饰工程检验批质量验收记录②室内涂饰工程同类涂料涂饰的墙面每50间(大面积房间和走廊按涂饰面积30m2为一间)应划分为一个检验批,不足50间也应划分为一个检验批。
50209 建筑地面工程施工质量验收规范1 总则1.0.1为了加强建筑工程质量管理,统一建筑地面工程施工质量的验收,保证工程质量,制定本规范。
1.0.2 本规范适用于建筑工程中建筑地面工程(含室外散水、明沟、踏步、台阶和坡道等附属工程)施工质量的验收。
不适用于保温、隔热、超净、屏蔽、绝缘、防止放射线以及防腐蚀等特殊要求的建筑地面工程施工质量验收。
1.0.3 建筑地面工程施工中采用的承包合同文件、设计文件及其他工程技术文件对施工质量验收的要求不得低于本规范的规定。
1.0.4 本规范应与现行国家标准《建筑工程施工质量验收统一标准》GB50300配套使用。
1.0.5建筑地面工程施工质量验收除应执行本规范外,尚应符合国家现行有关标准规范的规定。
2 术语2.0.1建筑地面building ground建筑物底层地面(地面)和楼层地面(楼面)的总称。
2.0.2面层surface course直接承受各种物理和化学作用的建筑地面表面层。
2.0.3结合层combined course面层与下一构造层相联结的中间层。
2.0.4基层base course面层下的构造层,包括填充层、隔离层、找平层、垫层和基土等。
2.0.5填充层filler course在建筑地面上起隔声、保温、找坡和暗敷管线等作用的构造层。
2.0.6隔离层isolating course防止建筑地面上各种液体或地下水、潮气渗透地面等作用的构造层;仅防止地下潮气透过地面时,可称作防潮层。
2.0.7找平层troweling course在垫层、楼板上或填充层(轻质、松散材料)上起整平、找坡或加强作用的构造层。
2.0.8垫层under layer承受并传递地面荷载于基土上的构造层。
2.0.9基土foundation earth layer底层地面的地基土层。
2.0.10缩缝shrinkage crack防止水泥混凝土垫层在气温降低时产生不规则裂缝而设置的收缩缝。
大理石面层和花岗石面层检验批质量验收记录
检验批新表
集团标准化工作小组 [Q8QX9QT-X8QQB8Q8-NQ8QJ8-M8QMN]
建监B7
大理石面层和花岗石面层工程报验申请表
大理石面层和花岗石面层检验批质量验收记录
03010302001单位(子单
位)工程名
称社区服务中心综合办公楼一
分部(子分
部)工程名称
地面分项工程名称
大理石面层和花
岗石面层分项
施工单位广泰建设集团有限公司项目负责人郑海静检验批容量
分包单位/
分包单位
项目负责人
/ 检验批部位一层
施工依据建筑地面工程施工质量验收规范(GB50209-2010)验收依据《建筑地面工程施工质量验收规范》GB50209-2010
验收项目设计要求及
规范规定
最小/实际
抽样数量
检查记录
检查
结果
主控项目1 材料质量第条/符合要求2
板块产品应有放射性限量
合格的检测报告
第条/符合要求3 面层与下一次层结合第条/符合要求
一般项目1 板块背面侧面防碱处理第条/符合要求
2 面层质量第条/符合要求
3 踢脚线质量第条/符合要求
4
楼梯
台阶
踏步
踏步尺寸及面层质量第条/符合要求
楼层梯段相邻踏步高度差10mm /6104891010849
每踏步两端宽度差10mm /88403210721
旋转楼梯踏步两端宽度5mm /0523122520
5 面层表面坡度第条/符合要求
6
表面
允许
偏差
大理石面层和花岗石面层1mm /0.70.30.10.20.70.40.20.50.10.7
碎拼大理石和碎拼花岗石
面层
3mm /2113213011缝格平直2mm /0122001111接缝高低差/0.30.10.20.30.30.10.40.30.30.3踢脚线上口平直1mm /0.70.30.10.20.70.40.20.50.10.7板块间隙宽度1mm /0.70.30.10.20.70.40.20.50.10.7
施工单位
检查结果
主控项目全部合格,一般
项目满足规范规定要求;
检查评定合格
专业工长:施工员签章
项目专业质量检查员:检查员签章
年月日
监理单位
验收结论
专业监理工程师:总监签章
年月日。