地面辐射供暖大理石面层和花岗石面层检验批质量验收记录(最新版)
- 格式:xlsx
- 大小:14.09 KB
- 文档页数:1
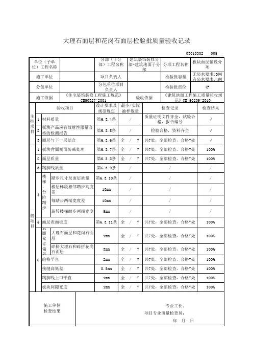
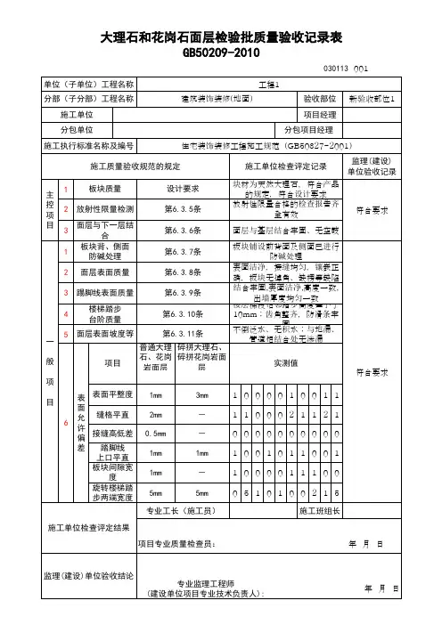
大理石面层和花岗石面层检验批质 量验收
记录
GB50209-2010
03010302 _______
单位(子单位) 工程名称 分部(子分部) ―工稈名称 施工单位 分项工程名称
分包单位 项目负责人 检验批容量
分包单位 项目负责人
检验批部位
验收项目 设计要求及 规范规定
最小/实际 抽
样数量
检查记录
检查 结果
主 控 项 1 材料质量
第6.3.4条 /
2 板块产品应有放射性限 第6.3.5条 /
3 面层格的一层结告质量 第6.3.6条 /
般 项 目
1 板块背面侧面防碱处理 第6.3.7条「 /
2 面层质量 第6.3.8条 /
3 踢脚线质量
第6.3.9条: /
4
楼梯 、台 阶
踏 步 踏步尺寸及面层
第6.3.10条
/
质量
楼层梯段相邻踏步
-高度差 10mm /
高踏步两端宽度差
10mm /
旋转楼梯踏步两端
5mm
/
5 面层表 宽度坡度
第 6.3.11 条:
/
表面 允许
大理石面层和花岗 1mm
/
6
石面层 碎拼大理石和碎拼
3mm /
缝差平直岗石面层
2mm /
接缝高低差 0.5mm /
踢脚线上口平直 1mm /
板块间隙宽度 1mm
/
施工依据 验收依据
施工单位 检查结果
施工员:。
大理石面层和花岗石面层检验批质量验收记录项目名称:大理石面层和花岗石面层项目编号:质量验收日期:执行单位:一、项目概述二、质量验收内容1.材料质量验收(1)检查大理石面层和花岗石面层的规格、颜色、光泽度是否符合设计要求;(2)验收大理石面层和花岗石面层的硬度是否符合相关标准;(3)验收大理石面层和花岗石面层的密度是否符合相关标准;(4)检查大理石面层和花岗石面层的含水率是否符合施工要求;(5)验收大理石面层和花岗石面层的耐久性和抗老化性能是否符合相关要求。
2.施工质量验收(1)验收大理石面层和花岗石面层的平整度、垂直度和水平度是否符合设计要求;(2)验收大理石面层和花岗石面层的拼接是否紧密、整齐、平直;(3)检查大理石面层和花岗石面层的贴合度是否良好;(4)检查大理石面层和花岗石面层的边缘处理是否平直、光滑;(5)验收大理石面层和花岗石面层的施工工艺是否符合规范要求。
三、质量验收结果1.材料质量验收结果(1)大理石面层和花岗石面层的规格、颜色、光泽度符合设计要求;(2)大理石面层和花岗石面层的硬度符合相关标准;(3)大理石面层和花岗石面层的密度符合相关标准;(4)大理石面层和花岗石面层的含水率符合施工要求;(5)大理石面层和花岗石面层的耐久性和抗老化性能符合相关要求。
2.施工质量验收结果(1)大理石面层和花岗石面层的平整度、垂直度和水平度符合设计要求;(2)大理石面层和花岗石面层的拼接紧密、整齐、平直;(3)大理石面层和花岗石面层的贴合度良好;(4)大理石面层和花岗石面层的边缘处理平直、光滑;(5)大理石面层和花岗石面层的施工工艺符合规范要求。
四、质量验收结论根据对大理石面层和花岗石面层材料和施工质量的验收,经比对分析,认为该项目的大理石面层和花岗石面层质量达到了预期要求,符合相关标准和规范,予以质量验收通过。
五、质量改进意见在本次验收过程中,未发现明显的质量问题1.加强对大理石面层和花岗石面层材料的采购和储存管理,确保质量稳定;2.加强对施工人员的培训和管理,提高施工质量和效率;3.建立完善的施工工艺和规范,明确施工要求和验收标准。
123456789101
第6.3.5条2第6.3.6条
1
23456789101
第6.3.7条2
第6.3.8条3
第6.3.9条4第6.3.10条
表面平整度3mm
踢脚线上口平直1mm
表面平整度1mm
缝格平直2mm
接缝高低差0.5mm
踢脚线上口平直1mm
板块间隙宽度
1mm 大理石面层和花岗岩面层工程检验批质量验收记录
1.1.9地面-18
工程名称
施工单位
施工执行标准名称及编号
分包单位主控项目5施工单位检查
评定结果
监理(建设)单位
验收结论项目专业质量检查员:
监理工程师
(建设单位项目技术负责人):
板块的品种和质量面层与下一层结合牢固面层的表面质量踢脚线与墙面结合、高度和厚度楼梯踏步和台阶板块缝宽、齿角,相邻高差表面坡度,不得有倒泛水和积水现象拼大理石和碎拼花岗岩面大理石面层和花岗石面层分包项目
经 理
施工单位检查评定记录
施工单位检查评定记录
一般项目规范规定
规范规定
640718验收部位项目经理专业工长施工班组长
监理(建设)单位验收记录
年 月 日
年 月 日。