大理石面层和花岗石面层检验批质量验收记录表
- 格式:xls
- 大小:16.00 KB
- 文档页数:1
建筑地面工程全套检验批检查验收表格名称及编号分包单位分项工程名称验收部位项目经理专业工长施工员施工班组长建筑地面工程施工质量验收规范GB-2002分包项目经理施工单位自检记录质量验收规范的规定砂、砂石、碎石、碎砖垫层是建筑地面工程中常用的填料。
为了确保填料质量符合要求,需要进行质量验收。
以下是填料质量验收记录:1.填料应符合设计要求,不得使用含有大量泥土、有机物质或其他杂质的填料。
2.填料应均匀铺设,压实密度应符合设计要求,设计无要求时不应少于0.9.3.表面平整度应不大于房间相应尺寸的2‰,且不大于30mm。
在个别地方不大于设计厚度的1/10.施工单位应按照规范要求进行自检,并记录检查结果。
监理单位应进行质量验收,并出具验收结论。
通过以上填料质量验收记录,可以确保建筑地面工程填料质量符合要求,保证工程质量。
记录工程名称:建筑地面工程施工单位:XXX施工执行标准:GB-2002名称及编号:水泥砂浆面层检验批质量验收记录,编号:分包单位:无分项工程名称:建筑地面工程验收部位:水泥砂浆面层项目经理:XXX专业工长:XXX施工员:XXX施工班组长:XXX分包项目经理:无施工单位自检记录质量验收规范的规定:符合要求1.水泥砂浆面层的材料应符合规范要求,水泥强度等级不应小于32.5,砂应为中粗砂,石屑粒径应为1-5mm,含泥量不应大于3%。
水泥砂浆面层的体积比(强度等级)必须符合设计要求,且体积比应为1:2,强度等级不应小于M15.2.面层与下一层应结合牢固,无空鼓、裂纹。
面层表面的坡度应符合设计要求,不得有倒泛水和积水现象。
面层表面应洁净,无裂纹、脱皮、麻面、起砂等缺陷。
踢脚线与墙面应紧密结合,高度一致,出墙厚度均匀。
3.楼梯踏步的宽度、高度应符合设计要求。
4.表面平整度偏差允许值和踢脚线上口平直度、缝格平直度应符合规范要求。
质量检查记录:见表格施工单位检查记录:符合要求项目监理工程师:XXX监理(建设)单位验收结论:合格时间:2021年5月1日项目名称:水磨石面层检验批质量验收记录工程名称:(填写工程名称)施工单位:(填写施工单位名称)施工执行标准名称及编号:建筑地面工程施工质量验收规范GB-2002分包单位:(填写分包单位名称)分项工程名称:(填写分项工程名称)验收部位:(填写验收部位)项目经理:(填写项目经理姓名)专业工长:(填写专业工长姓名)施工员:(填写施工员姓名)施工班组长:(填写施工班组长姓名)编号:质量检查员:(填写质量检查员姓名)技术负责人:(填写技术负责人姓名)年月日:(填写验收日期)水磨石面层的石粒应采用坚硬可磨的白云石、大理石等岩石加工而成,石粒应洁净无杂物,其粒径除特殊要求外应为6-15mm,水泥强度等级不小于32.5,颜料应采用耐光、耐碱的矿物原料,不得使用酸性颜料。
大理石面层和花岗石面层检验批质量验收记录项目名称:大理石面层和花岗石面层项目编号:质量验收日期:执行单位:一、项目概述二、质量验收内容1.材料质量验收(1)检查大理石面层和花岗石面层的规格、颜色、光泽度是否符合设计要求;(2)验收大理石面层和花岗石面层的硬度是否符合相关标准;(3)验收大理石面层和花岗石面层的密度是否符合相关标准;(4)检查大理石面层和花岗石面层的含水率是否符合施工要求;(5)验收大理石面层和花岗石面层的耐久性和抗老化性能是否符合相关要求。
2.施工质量验收(1)验收大理石面层和花岗石面层的平整度、垂直度和水平度是否符合设计要求;(2)验收大理石面层和花岗石面层的拼接是否紧密、整齐、平直;(3)检查大理石面层和花岗石面层的贴合度是否良好;(4)检查大理石面层和花岗石面层的边缘处理是否平直、光滑;(5)验收大理石面层和花岗石面层的施工工艺是否符合规范要求。
三、质量验收结果1.材料质量验收结果(1)大理石面层和花岗石面层的规格、颜色、光泽度符合设计要求;(2)大理石面层和花岗石面层的硬度符合相关标准;(3)大理石面层和花岗石面层的密度符合相关标准;(4)大理石面层和花岗石面层的含水率符合施工要求;(5)大理石面层和花岗石面层的耐久性和抗老化性能符合相关要求。
2.施工质量验收结果(1)大理石面层和花岗石面层的平整度、垂直度和水平度符合设计要求;(2)大理石面层和花岗石面层的拼接紧密、整齐、平直;(3)大理石面层和花岗石面层的贴合度良好;(4)大理石面层和花岗石面层的边缘处理平直、光滑;(5)大理石面层和花岗石面层的施工工艺符合规范要求。
四、质量验收结论根据对大理石面层和花岗石面层材料和施工质量的验收,经比对分析,认为该项目的大理石面层和花岗石面层质量达到了预期要求,符合相关标准和规范,予以质量验收通过。
五、质量改进意见在本次验收过程中,未发现明显的质量问题1.加强对大理石面层和花岗石面层材料的采购和储存管理,确保质量稳定;2.加强对施工人员的培训和管理,提高施工质量和效率;3.建立完善的施工工艺和规范,明确施工要求和验收标准。
一、建筑地面子分部工程1、设计变更文件;2、原材料出厂合格证和进场检(试)验报告;3、砂浆、混凝土配合比试验报告;4、各层强度等级及密实度试验报告;5、各类建筑地面施工质量控制文件;6、楼梯、踏步项目检查记录;7、各构造层隐蔽验收记录;8、各检验批验收记录;10、其他必要的文件和记录。
二、装饰装修工程1、2、3、4、5、6、7、8、9、1011、12131415主控项目:1、基土严禁用淤泥、腐植土、冻土、耕植土、膨胀土和含有有机物质大于8%的土作为填土。
观察检查和检查土质记录。
2、基土均匀密实,压实系数符合设计要求,设计无要求时,不应小于0.90。
观察检查和检查试验记录。
一般项目:灰土垫层检验批质量验收记录表GB50209—2002(Ⅱ)1、熟化石灰颗粒粒径不大于5mm;粘土(或粉质粘土、粉土)内不含有有机物质,颗粒粒径不大于15mm。
观察检查和检查试验记录。
砂垫层和砂石垫层检验批质量验收记录表GB50209—2002(Ⅲ)030101□□GB50209—2002(Ⅳ)030101□□。
观说明3%。
GB50209—2002(Ⅹ)030101□□2、面层表面的坡度,符合设计要求,不得有倒泛水和积水现象。
观察和采用泼水或用坡度尺检查。
3、水泥砂浆踢脚线与墙面应紧密结合,高度一致,出墙厚度均匀。
用小锤轻击、尺量检查和观察检查。
注:局部空鼓长度不应大于300mm,且每自然间(标准间)不多于2处可不计。
4、楼梯踏步的宽度、高度应符合设计要求。
楼层梯段相邻踏步高度不应大于10mm,每踏步两端宽度差不应大于10mm;旋转楼梯梯段的每踏步两端宽度的允许偏差为5mm。
楼梯踏步的齿角应整齐,防滑条应顺直。
观察和尺量检查。
水磨石面层检验批质量验收记录表GB50209—2002030103□□说明030103主控项目:1、水磨石面层的石粒,应采用坚硬可磨白云石、大理石等岩石加工而成,石粒应洁净无杂物,其粒径除特殊要求外应为6—15mm;2、水磨石面层拌和料的体积比,符合设计要求,宜为1:1.5—3、面层与下一层结合应牢固,无空鼓、裂纹。
地面层隐蔽工程验收记录
饰面板安装隐蔽工程验收记录
玻璃制品制作与安装隐蔽工程验收记录
窗套制作与安装隐蔽工程验收记录
门套制作与安装隐蔽工程验收记录
注:如需绘制图纸的附本记录后。
门窗预埋件和锚固件隐蔽工程验收记录
轻钢龙骨隔墙隐蔽工程验收记录
安装(隐蔽)工程验收记录
工程负责人:日期:
安装(隐蔽)工程验收记录
工程负责人:日期:
安装(隐蔽)工程验收记录
工程负责人:日期:
安装(隐蔽)工程验收记录
工程负责人:日期:
安装(隐蔽)工程验收记录
工程负责人:日期:
安装(隐蔽)工程验收记录
工程负责人:日期:。
地面层隐蔽工程验收记录
饰面板安装隐蔽工程验收记录
玻璃制品制作与安装隐蔽工程验收记录
窗套制作与安装隐蔽工程验收记录
门套制作与安装隐蔽工程验收记录
注:如需绘制图纸的附本记录后。
门窗预埋件和锚固件隐蔽工程验收记录
轻钢龙骨装饰隔墙,饰面封板隐蔽工程验收记录
安装(隐蔽)工程验收记录
安装(隐蔽)工程验收记录
安装(隐蔽)工程验收记录
工程负责人:日期:
安装(隐蔽)工程验收记录
工程负责人:日期:
安装(隐蔽)工程验收记录
工程负责人:日期:
安装(隐蔽)工程验收记录
工程负责人:日期:
1、塑钢窗有出厂合格证,性能检测报告,质量证明文件齐全、合格;
2、窗洞水平基准线和洞口水平中心线、洞口垂直基准线、洞口垂直中心线均用墨斗弹出;
3、辅框已固定,其对角线偏差在允许范围内;
4、塑料窗框与墙体间的缝隙已填嵌饱满,外窗采用闭孔泡沫材料,聚苯乙烯泡沫板、聚氨酯发泡胶等弹性保温材料分层填塞饱满,且不宜过紧。
填塞后应彻掉临时固定用木楔和垫块,其空隙已用闭孔弹性保温材料填塞,表面采用密封胶密封,密封胶表面光滑、顺直、无裂纹;。
大理石和花岗石面层工程检验批质量验收记录表GB50209—2002活动地板面层工程检验批质量验收记录表GB50209—2002地毯面层工程检验批质量验收记录表GB50209—2002实木地板面层工程检验批质量验收记录表GB50209—2002实木复合地板面层工程检验批质量验收记录表GB50209—2002中密度(强化)复合地板面层工程检验批质量验收记录表GB50209—2002竹地板面层工程检验批质量验收记录表GB50209—2002水泥砂浆面层工程检验批质量验收记录表GB50209—2002一般抹灰工程检验批质量验收记录表GB50209—2002装饰抹灰工程检验批质量验收记录表GB50209—2002清水砌体勾缝工程检验批质量验收记录表GB50209—2002木门窗制作工程检验批质量验收记录表GB50209—2002木门窗安装工程检验批质量验收记录表GB50209—2002铝合金门窗安装工程检验批质量验收记录表GB50209—2002特种门窗工程检验批质量验收记录表GB50209—2002暗龙骨吊顶工程检验批质量验收记录表GB50209—2002板材隔墙工程检验批质量验收记录表GB50209—2002骨架隔墙工程检验批质量验收记录表GB50209—2002饰面板安装工程检验批质量验收记录表GB50209—2002饰面砖粘贴工程检验批质量验收记录表GB50209—2002玻璃幕墙工程检验批质量验收记录表(主控项目)GB50209—2002玻璃幕墙工程检验批质量验收记录表(一般项目)石材幕墙工程检验批质量验收记录表(主控项目)GB50209—2002石材幕墙工程检验批质量验收记录表(一般项目)GB50209—2002溶剂型涂料涂饰工程检验批质量验收记录表裱糊工程检验批质量验收记录表GB50209—2002软包工程检验批质量验收记录表GB50209—2002橱柜制作与安装工程检验批质量验收记录表GB50209—2002窗帘盒、窗台板和散热器罩制作与安装工程检验批质量验收记录表GB50209—2002门窗套制作与安装工程检验批质量验收记录表GB50209—2002护拦和扶手制作与安装工程检验批质量验收记录表GB50209—2002卷材防水层工程检验批质量验收记录表GB50207—2002涂膜防水层工程检验批质量验收记录表GB50207—2002细石混凝土防水层工程检验批质量验收记录表GB50207—2002密封材料嵌缝工程检验批质量验收记录表GB50207—2002架空屋面工程检验批质量验收记录表GB50207—2002细部构造检验批质量验收记录表GB50207—2002施工执行标准名称及编号分包项目经理施工质量验收规范的规定施工单位检查评定记录监理(建设)单位验收记录主控项目1 天沟、檐沟排水坡度第9.0.10条2防水构造(1)天沟、檐沟第9.0.4条(2)檐口第9.0.5条(3)水落口第9.0.6条(4)泛水第9.0.7条(5)变形缝第9.0.8条(6)伸出屋面管道第9.0.9条施工单位检查评定结果专业工长(施工员)施工班组长项目专业质量检查员:年月日监理(建设)单位验收结论专业监理工程师:(建设单位项目专业技术负责人)年月日。
质量验收记录表填写示例目录1、柱基土方开挖工程检验批质量验收记录表2、柱基土方回填工程检验批质量验收记录表3、砂和砂石地基检验批质量验收记录表4、地下防水混凝土检验批质量验收记录表5、地下水泥砂浆防水层检验批质量验收记录表6、地下卷材防水层检验批质量验收记录表7、地下涂料防水层检验批质量验收记录表8、地下防水细部构造检验批质量验收记录表9、模板安装工程检验批质量验收记录表10、模板拆除工程检验批质量验收记录表(Ⅲ)11、钢筋加工检验批质量验收记录表(Ⅰ)12、钢筋安装工程检验批质量验收记录表13、混凝土原材料及配合比设计检验批质量验收记录表(Ⅰ)14、混凝土施工检验批质量验收记录表(Ⅱ)15、现浇结构外观及尺寸偏差检验批质量验收记录表(Ⅰ)16、砖砌体(混水)工程检验批质量验收记录表17、填充墙砌体工程检验批质量验收记录表18、基土垫层检验批质量验收记录表(Ⅰ)19、砂垫层和砂石垫层检验批质量验收记录表(Ⅲ)20、碎石垫层和碎砖垫层检验批质量验收记录表(Ⅳ)21、水泥混凝土垫层检验批质量验收记录表(Ⅶ)22、水泥砂浆找平层检验批质量验收记录表(Ⅷ)23、水泥混凝土面层检验批质量验收记录表24、水泥砂浆面层工程检验批质量验收记录表25、普通水磨石面层检验批质量验收记录表26、陶瓷地砖砖面层检验批质量验收记录表27、大理石和花岗石面层检验批质量验收记录表28、预制板块面层检验批质量验收记录表29、一般抹灰工程检验批质量验收记录表30、水刷石装饰抹灰工程检验批质量验收记录表31、清水砌体勾缝工程检验批质量验收记录表32、普通木门窗制作工程检验批质量验收记录表33、普通木门窗安装检验批质量验收记录表34、钢门窗安装工程检验批质量验收记录表35、铝合金门窗安装工程检验批质量验收记录表36、涂色镀锌钢板门窗安装检验批质量验收记录表39、金属框架玻璃旋转门安装检验批质量验收记录表40、门窗玻璃安装工程检验批质量验收记录表41、光面石材饰面板安装工程检验批质量验收记录表42、外墙饰面砖粘贴工程检验批质量验收记录表43、玻璃幕墙工程检验批质量验收记录表(主控项目)(Ⅰ)44、玻璃(明框)幕墙工程检验批质量验收记录表(一般项目)(Ⅱ)45、玻璃(隐框、半隐框)幕墙检验批质量验收记录表(一般项目)46、金属幕墙工程检验批质量验收记录表(主控项目)47、金属幕墙工程检验批质量验收记录表(一般项目)(Ⅱ)48、普通水性涂料涂饰工程检验批质量验收记录表49、普通溶剂型涂料涂饰工程检验批质量验收记录表50、楼梯护栏和扶手制作与安装工程检验批质量验收记录表51、整体屋面保温层检验批质量验收记录表52、屋面找平层检验批质量验收记录表53、屋面卷材防水层检验批质量验收记录表54、屋面涂膜防水层检验批质量验收记录表55、屋面细石混凝土防水层检验批质量验收记录表56、卷材屋面细部构造检验批质量验收录表57、架空屋面检验批质量验收记录表砂和砂石地基检验批质量验收记录表地下防水混凝土检验批质量验收记录表GB50208-2002地下水泥砂浆防水层检验批质量验收记录表地下防水细部构造检验批质量验收记录表GB50204-2002(Ⅲ)钢筋加工检验批质量验收记录表GB50204-2002(Ⅰ)钢筋安装工程检验批质量验收记录表混凝土原材料及配合比设计检验批质量验收记录表GB50204-2002(Ⅰ)混凝土施工检验批质量验收记录表GB50204-2002(Ⅱ)现浇结构外观及尺寸偏差检验批质量验收记录表GB50204-2002(Ⅰ)砖砌体(混水)工程检验批质量验收记录表注:①定性项目符合要求打√;②定量项目加○表示超出企业标准,加△表示超出国家标准。
123456789101
第6.3.5条2第6.3.6条
1
23456789101
第6.3.7条2
第6.3.8条3
第6.3.9条4第6.3.10条
表面平整度3mm
踢脚线上口平直1mm
表面平整度1mm
缝格平直2mm
接缝高低差0.5mm
踢脚线上口平直1mm
板块间隙宽度
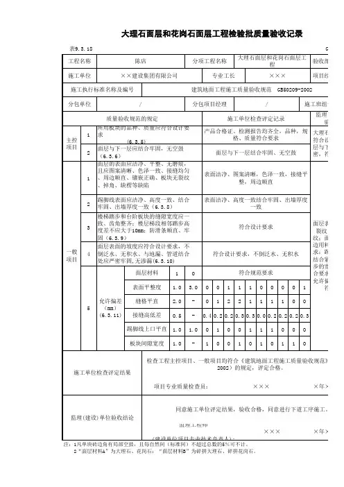
1mm 大理石面层和花岗岩面层工程检验批质量验收记录
1.1.9地面-18
工程名称
施工单位
施工执行标准名称及编号
分包单位主控项目5施工单位检查
评定结果
监理(建设)单位
验收结论项目专业质量检查员:
监理工程师
(建设单位项目技术负责人):
板块的品种和质量面层与下一层结合牢固面层的表面质量踢脚线与墙面结合、高度和厚度楼梯踏步和台阶板块缝宽、齿角,相邻高差表面坡度,不得有倒泛水和积水现象拼大理石和碎拼花岗岩面大理石面层和花岗石面层分包项目
经 理
施工单位检查评定记录
施工单位检查评定记录
一般项目规范规定
规范规定
640718验收部位项目经理专业工长施工班组长
监理(建设)单位验收记录
年 月 日
年 月 日。
50209 建筑地面工程施工质量验收规范1 总则1.0.1为了加强建筑工程质量管理,统一建筑地面工程施工质量的验收,保证工程质量,制定本规范。
1.0.2 本规范适用于建筑工程中建筑地面工程(含室外散水、明沟、踏步、台阶和坡道等附属工程)施工质量的验收。
不适用于保温、隔热、超净、屏蔽、绝缘、防止放射线以及防腐蚀等特殊要求的建筑地面工程施工质量验收。
1.0.3 建筑地面工程施工中采用的承包合同文件、设计文件及其他工程技术文件对施工质量验收的要求不得低于本规范的规定。
1.0.4 本规范应与现行国家标准《建筑工程施工质量验收统一标准》GB50300配套使用。
1.0.5建筑地面工程施工质量验收除应执行本规范外,尚应符合国家现行有关标准规范的规定。
2 术语2.0.1建筑地面building ground建筑物底层地面(地面)和楼层地面(楼面)的总称。
2.0.2面层surface course直接承受各种物理和化学作用的建筑地面表面层。
2.0.3结合层combined course面层与下一构造层相联结的中间层。
2.0.4基层base course面层下的构造层,包括填充层、隔离层、找平层、垫层和基土等。
2.0.5填充层filler course在建筑地面上起隔声、保温、找坡和暗敷管线等作用的构造层。
2.0.6隔离层isolating course防止建筑地面上各种液体或地下水、潮气渗透地面等作用的构造层;仅防止地下潮气透过地面时,可称作防潮层。
2.0.7找平层troweling course在垫层、楼板上或填充层(轻质、松散材料)上起整平、找坡或加强作用的构造层。
2.0.8垫层under layer承受并传递地面荷载于基土上的构造层。
2.0.9基土foundation earth layer底层地面的地基土层。
2.0.10缩缝shrinkage crack防止水泥混凝土垫层在气温降低时产生不规则裂缝而设置的收缩缝。
大理石和花岗石面层检验批质量验收记录表
GB50209-2002
GB50210-2001
GB50210-2001
花饰制作与安装工程检验批质量验收记录表
GB50210-2001
水性涂料涂饰工程检验批质量验收记录表
饰面砖粘贴工程检验批质量验收记录表
GB50210-2001
实木复合地板面层检验批质量验收记录表
GB50209-2002
砖面层检验批质量验收记录表
GB50209-2002
木门窗制作工程检验批质量验收记录表
GB50210-2001
(Ⅰ)
金属门窗安装工程检验批质量验收记录表
(铝合金门窗)
GB50210-2001
橱柜制作与安装工程检验批质量验收记录表
GB50210-2001
窗帘盒、窗台板和散热器罩制作与安装工程检验批质量验收记录表
GB50210-2001
现浇结构外观及尺寸偏差检验批质量验收记录表
GB50204-2002
(Ⅰ)。
装饰装修工程各子分部工程与分项工程相关表建筑装饰装修工程验收资料一、建筑地面子分部工程1、设计变更文件;2、原材料出厂合格证和进场检(试)验报告;3、砂浆、混凝土配合比试验报告;4、各层强度等级及密实度试验报告;5、各类建筑地面施工质量控制文件;6、楼梯、踏步项目检查记录;7、各构造层隐蔽验收记录;8、各检验批验收记录;10、其他必要的文件和记录。
二、装饰装修工程1、施工图及设计变更记录;2、材料、半成品、五金配件、构件和组件合格证、性能检测报告、进场复验报告;3、隐蔽工程验收记录;4、施工记录;5、各检验批质量验收记录;6、其他必要的文件和记录;7、特种门及其附件的生产许可文件;8、后置埋件的现场拉拔检测报告;9、外墙饰面砖墙板件的粘结强度检测报告;10、建筑设计单位对幕墙工程设计的确认文件;11、幕墙工程所用硅酮结构胶的认定证书和抽查合格证明;进口硅酮结构胶的商检证;硅酮结构胶相容性和剥离粘结性试验报告;石材用密封胶的耐污染性试验报告;12、幕墙的抗风压性能、空气渗透性能、雨水渗漏性能及平面变形性能检测报告;13、打胶、养护环境的温度、湿度记录;双组份硅酮结构胶的混匀性试验记录及拉断试验记录;14、幕墙防雷装置测试记录;15、饰面材料的墙板及确认文件。
基土垫层检验批质量验收记录表GB50209—2002(Ⅰ)说明(Ⅰ)030101 主控项目:1、基土严禁用淤泥、腐植土、冻土、耕植土、膨胀土和含有有机物质大于8%的土作为填土。
观察检查和检查土质记录。
2、基土均匀密实,压实系数符合设计要求,设计无要求时,不应小于0.90。
观察检查和检查试验记录。
一般项目:1、土表面的允许偏差。
按本规范表4.1.5中的检验方法检验。
灰土垫层检验批质量验收记录表GB50209—2002(Ⅱ)说明(Ⅱ)030101主控项目:1、灰土体积比符合设计要求。
观察检查和检查配合比单及施工记录。
一般项目:1、熟化石灰颗粒粒径不大于5mm;粘土(或粉质粘土、粉土)内不含有有机物质,颗粒粒径不大于15mm。