交流电机的基础知识
- 格式:ppt
- 大小:6.55 MB
- 文档页数:61
电机基础知识培训教学内容一、引言电机是现代工业生产和日常生活中不可或缺的重要设备,广泛应用于各个领域。
为了提高电机操作人员的技术水平,保障电机设备的正常运行,特制定本培训教学内容,对电机基础知识进行全面、系统的培训。
二、电机的基本原理1. 电磁感应定律:电机的工作原理基于电磁感应定律,即当导体在磁场中运动时,会在导体两端产生电动势。
通过这一原理,电机实现了电能与机械能的相互转换。
2. 磁路理论:磁路是电机中传递磁通的路径。
磁路理论包括磁通连续性原理、磁路欧姆定律、磁路基尔霍夫定律等,为电机设计和分析提供了基础。
三、电机的分类与结构1. 分类:根据工作原理和用途,电机可分为直流电机、交流电机和变压器。
其中,直流电机和交流电机又可分为同步电机和异步电机。
2. 结构:电机主要由定子和转子两部分组成。
定子是电机的固定部分,包括定子铁心、绕组等;转子是电机的旋转部分,包括转子铁心、绕组等。
此外,电机还包括端盖、轴承、风扇等附件。
四、电机的主要性能参数1. 额定功率:电机在额定运行条件下的输出功率。
2. 额定电压:电机在额定运行条件下的输入电压。
3. 额定电流:电机在额定运行条件下的输入电流。
4. 额定转速:电机在额定运行条件下的旋转速度。
5. 效率:电机输出功率与输入功率的比值,反映了电机能量转换的效率。
6. 功率因数:电机运行时,有功功率与视在功率的比值,反映了电机对电网的影响。
五、电机的工作原理与运行特性1. 直流电机:直流电机的工作原理是基于电磁感应和电磁力作用。
直流电机具有良好的启动、调速性能,广泛应用于调速要求较高的场合。
2. 交流电机:交流电机的工作原理是基于旋转磁场与转子绕组之间的电磁感应。
交流电机结构简单、运行可靠,广泛应用于工业生产中。
3. 同步电机:同步电机具有转速与电源频率严格同步的特点,广泛应用于发电、调频等领域。
4. 异步电机:异步电机具有结构简单、运行可靠、成本低廉等优点,广泛应用于工业生产和日常生活中。
电机基础知识一、电机定义电机:也称电动机(俗称马达),是指依据电磁感应定律实现电能的转换或传递的一种电磁装置。
它的主要作用是产生驱动转矩,作为用电器或各种机械的动力源。
二、电机的分类三、电机的其他部分基础知识●什么叫绕组?答:电枢绕组是直流电机的核心部分,是铜质漆包线绕制的线圈。
当电枢绕组在电机的磁场中旋转都会产生电动势。
●什么叫磁场?答:在永磁体或电流周围所发生的力场及凡是磁力所能达到的空间或磁力作用的范围。
●什么叫磁场强度?答:定义载有 1 安培电流的无限长导线在距离导线 1/2 米远处的磁场强度为 1A/m (安培 / 米,国际单位制 SI );在 CGS 单位制(厘米 - 克 - 秒)中,为纪念奥斯特对电磁学的贡献,定义载有 1 安培电流的无限长导线在距离导线 0.2 厘米远处的磁场强度为 10e (奥斯特), 10e=1/4.103/m ,磁场强度通常用 H 表示。
●什么叫安培定则?答:用右手握住导线,让伸直的大拇指的方向跟电流方向一致,那么弯曲的四指所指的方向就是磁感线的环绕方向。
●什么叫磁通?答:磁通又叫磁通量:设在匀强磁场中有一个与磁场方向垂直的平面,磁场的磁感应强度为 B ,平面的面积为 S ,我们定义磁感应强度 B 与面积 S 的乘积,叫做穿过这个面的磁通量。
●什么是定子?答:有刷或无刷电机工作时不转的部分。
轮毂式有刷或无刷无齿电机的电机轴叫做定子,此种电机可以叫做内定子电机。
●什么是转子?答:有刷或无刷电机工作时转动的部分。
轮毂式有刷或无刷无齿电机的外壳叫做转子,此种电机可以叫外转子电机。
●什么叫碳刷?答:有刷电机里面顶在换向器表面,电机转动的时候,将电能通过换向器输送给线圈,由于其主要的成分是碳,称为碳刷,它是易磨损的。
应定期维护更换,并清理积碳。
●什么是刷握?答:在有刷电机里面盛装并保持碳刷位置的机械导槽。
●什么是换向器?答:有刷电机里面,具有相互绝缘的条状金属表面,随电机转子转动时,条状金属交替接触电刷的正负极,实现电机线圈电流方向的正负交替变化,完成有刷电机线圈的换相。
第四节 三相交流电路工业上应用最多的交流电是三相交流电。
单相交流电实际上也是三相交流电的一部分。
三相交流电有很多优点:例如三相电机比同尺寸的单相电机输出功率大,性能好;三相交流电的输送比较经济;既节约了有色金属又降低电能损耗等。
一、 、 三相交流三相交流三相交流电电的产生三相交流电一般由三相发电机产生。
其原理可由图1-46说明。
发电机定子上有U1-U2、V1-V2、W1-W2三组绕组,每组绕组称为一相,各相绕组匝数相等、结构一样,对称地排放在定子铁芯内侧的线槽里。
在转子上有一对磁极的情况下,三相绕组在排放位置上互差120o 。
转子转动时U1-U2、V1-V2、W1-W2绕组中分别都产生同样的正弦感应电动势。
但当N极正对哪一相绕组时,该相感应电动势取得最大值。
显然,V相比U相滞后120o ,W相比V相滞后120o ,U相比W滞后120o 。
三相电动势随时间变化的曲线如图1-47所示。
这种大小相等、频率相同、但在相位上互差120o 的电动势称为对称三相电动势。
同样,最大值相等、频率相同、相位相差120o 的三相电压和电流分别称为对称三相电压和对称三相电流。
图1-46 三相交流电发电机示意图图1-47 三相交流电波形三相交流电动势在时间上出现最大值的先后次序称为相序。
相序一般分为正相序、负相序、零相序。
最大值按U—V—W—U顺序循环出现的为正相序。
最大值按U—W—V—U顺序循环出现的为负相序。
如令三个相电压的参考极性都是起始端U1、V1、W1为正,尾端U2、V2、W2为负,又令U1—U2绕组中的电动势e u ,为参考正弦量,那么,三个相电压的函数表达式为:图1-48 三相交流电势相量图对称三相交流电动势的相量图,如图2-48所示。
二、三相三相电电源的接法源的接法 在生产中,三相交流发电机的三个绕组都是按一定规律连接起来向负载供电的。
通常有两种接法;一种是星形(Y)连接;另一种是三角形(△)连接。
(一) ) 星形星形星形连连接图1-49 三相交流电源的连接将电源三相绕组的末端U 2、V 2、W 2连接在一起,成为一个公共点(中性点),而由三个首端U 1、V 1、W 1分别引出三条导线向外供电的连接形式,称为星形(Y)连接。
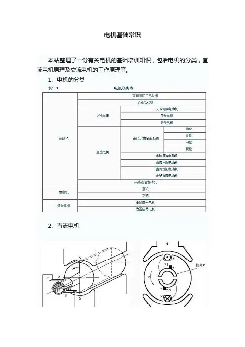
电机基础常识本站整理了一份有关电机的基础培训知识,包括电机的分类,直流电机原理及交流电机的工作原理等。
1、电机的分类2、直流电机图2-1:直流电机的物理模型图图2-1表示一台最简单的两极直流电机模型,它的固定部分称为定子,上面装设了一对直流励磁(或是永磁铁)的主磁极N和S;旋转部分称为转子,上面装设电枢铁心;定子与转子之间有一气隙。
电枢铁心表面上放置了由A和X两根导体连成的电枢线圈(绕组),线圈的首端和末端分别连到两个圆弧形的铜片上,此铜片称为换向片。
换向片之间互相绝缘,由换向片构成的整体称为换向器。
换向器固定在转轴上,换向片与转轴之间亦互相绝缘。
在换向片上放置着一对固定不动的电刷B1和B2与换向器接触。
整个旋转部分为机电能量转换中枢,故称电枢。
电枢旋转时,电枢线圈通过换向片和电刷与外电路接通。
2.1直流电机工作原理图2-2:直流电动机工作原理示意图将外部直流电源加于电刷A(正极)和B(负极)上,则线圈abcd中流过电流,在导体ab中,电流由a指向b,在导体cd中,电流由c指向d。
导体ab和cd分别处于N、S极磁场中,受到电磁力的作用。
用左手定则可知导体ab和cd均受到电磁力的作用,且形成的转矩方向一致,这个转矩称为电磁转矩,为逆时针方向。
这样,电枢就顺着逆时针方向旋转,如图2-2(a)所示。
当电枢旋转180°,导体cd转到N极下,ab转到S极下,如图2-2(b)所示,由于电流仍从电刷A流入,使cd中的电流变为由d流向c,而ab中的电流由b流向a,从电刷B流出,用左手定则判别可知,电磁转矩的方向仍是逆时针方同。
由此可见,加于直流电动机的直流电源,借助于换向器和电刷的作用,使直流电动机电枢线圈中流过的电流,方向是交变的,从而使电枢产生的电磁转矩的方向恒定不变,确保直流电动机朝确定的方向连续旋转。
这就是直流电动机的基本工作原理。
简单来说,直流电动机就是利用通电导体在磁场中受力运动而“切割”其磁力线的原理工作的。
交流电知识学习基础简称“交流”。
一般指大小和方向随时间作周期性变化的电压或电流。
它的最基本的形式是正弦电流。
我国交流电供电的标准频率规定为50赫兹。
交流电随时间变化的形式可以是多种多样的。
不同变化形式的交流电其应用范围和产生的效果也是不同的。
以正弦交流电应用最为广泛,且其他非正弦交流电一般都可以经过数学处理后,化成为正弦交流电的迭加。
正弦电流(又称简谐电流),是时间的简谐函数i=Imsin(ωt+φ0)当线圈在磁场中匀速转动时,线圈里就产生大小和方向作周期性改变的交流电。
现在使用的交流电,一般是方向和强度每秒改变52赫兹。
我们常见的电灯、电动机等用的电都是交流电。
在实用中,交流电用符号"~"表示。
电流i随时间的变化规律,由此看出:正弦交流电需用频率、峰值和位相三个物理量来描述。
交流电所要讨论的基本问题是电路中的电流、电压关系以及功率(或能量)的分配问题。
由于交流电具有随时间变化的特点,因此产生了一系列区别于直流电路的特性。
在交流电路中使用的元件不仅有电阻,而且有电容元件和电感元件,使用的元件多了,现象和规律就复杂了。
【交流电的频率和周期】频率是表示交流电随时间变化快慢的物理量。
即交流电每秒钟变化的次数叫频率,用符号f表示。
它的单位为周/秒,也称赫兹常用“Hz”表示,简称周或赫。
例如市电是50周的交流电,其频率即为f=50周/秒。
对较高的频率还可用千周(kC)和兆周(MC)作为频率的单位。
1千周(kC)=103周/秒1兆周(MC)=10千周(kC)=106周/秒例如,我国第一颗人造地球卫星发出的讯号频率是20.009兆周,亦即它发出的是每秒钟变化20.009×106次的交变讯号。
交流电正弦电流的表示式中I = Imsin(ωt+φ0)中的ω称为角频率,它也是反映交流电随时间变化的快慢的物理量。
角频率和频率的关系为ω=2πf。
交流电随时间变化的快慢还可以用周期这个物理量来描述。
交流永磁同步电机结构与工作原理2.1.1交流永磁同步电机的结构永磁同步电机的种类繁多,按照定子绕组感应电动势的波形的不同,可以分为正弦波永磁同步电机(PMSM)和梯形波永磁同步电机(BLDC)【261。
正弦波永磁同步电机定子由三相绕组以及铁芯构成,电枢绕组常以Y型连接,采用短距分布绕组;气隙场设计为正弦波,以产生正弦波反电动势;转子采用永磁体代替电励磁,根据永磁体在转子上的安装位置不同,正弦波永磁同步电机又分为三类:凸装式、嵌入式和内埋式。
本文中采用的电机为凸装式正弦波永磁同步电机,结构如图2一l所示,定子绕组一般制成多相,转子由永久磁钢按一定对数组成,本系统的电机转子磁极对数为两对,则电机转速为n=60f/p,f为电流频率,P为极对数。
图2一l凸装式正弦波永磁同步电机结构图目前,三相同步电机现在主要有两种控制方式,一种是他控式(又称为频率开环控制);另一种是自控式(又称为频率闭环控制)[27】。
他控式方式主要是通过独立控N#l-部电源频率的方式来调节转子的转速不需要知道转子的位置信息,经常采用恒压频比的开环控制方案。
自控式永磁同步电机也是通过改变外部电源的频率来调节转子的转速,与他控式不同,外部电源频率的改变是和转子的位置信息是有关联的,转子转速越高,定子通电频率就越高,转子的转速是通过改变定子绕组外加电压(或电流)频率的大小来调节的。
由于自控式同步电机不存在他控式同步电机的失步和振荡问题,并且永磁同步电机永磁体做转子也不存在电刷和换向器,降低了转子的体积和质量,提高了系统的响应速度和调速范围,且具有直流电动机的性能,所以本文采用了自控式交流永磁同步电机。
当把三相对称电源加到三相对称绕组上后,自然会产生同步速的旋转的定子磁场,同步电机转子的转速是与外部电源频率保持严格的同步,且与负载大小没关系。
2.1.2交流永磁同步电机的工作原理本系统采用的是自控式交直交电压型电机控制方式,由整流桥、三相逆变电路、控制电路、三相交流永磁电机和位置传感器构成,其结构原理图如图2—2所示。
电机基础知识简介一、电机的种类电机:也称电动机,俗称马达,是将电能转换成机械能的装置,广泛应用于现代各种机械中作为驱动。
1、按照电源性质的分类2、按照应用场合的分类:防爆电机、高原电机等3、按照工作频率的分类:普通电机、变频电机4、按照机座号的分类:中小型交流电机,即中心高为630mm及以下,或定子铁芯外径为990mm以下的电机;大型交流电机,即中心高为630mm以上,或定子铁芯外径为990mm以上的电机。
5、按转子结构分类异步电机又分为绕线型异步电动机和鼠笼型异步电动机。
二、交流电机交流电机基本原理交流电机是一种用来实现电能和机械能相互转换的旋转电磁机械。
交流电机进行能量转换时,必须具备能做相对运动的两大部件:定子:静止不动的部分,用来建立磁场;转子:旋转运动的部分,用来产生感应电动势,并流过工作电流的被感应部件定、转子之间有空气隙,以便转子旋转。
1、直流电机的优点1.直流电机具有良好的启动特性和调速特性2直流电机的转矩比较大3维修比较便宜4直流电机的直流相对于交流比较节能环保2、直流电机的缺点1直流电机制造比较贵2有碳刷1、交流电机的优点1交流电机制造比较便宜2矢量变频技术的发展,已经可以用变频电机模拟成直流电3相对于直流电机在结构简单、维护容易、对环境要求低以及节能和提高生产力等方面具有足够的优势,使交通运输、国防以及日常生活之中2、交流电机的缺点交流电机的启动性和调速性较差1)、同步电机同步电机的主要运行方式有三种,即作为发电机、电动机和补偿机运行。
作为发电机运行是同步电机最主要的运行方式,作为电动机运行是同步电机的另一种重要的运行方式。
同步电动机的功率因数可以调节,在不要求调速的场合,应用大型同步电动机可以提高运行效率。
近年来,小型同步电动机在变频调速系统中开始得到较多同步电机还可以接于电网作为同步补偿机。
这时电机不带任何机械负载,靠啁节转子中的励磁电流向电网发出所需的感性或者容性无功功率,以达到改善电网功率因数或者调节电网电压的目的2)、异步电机异步电机是一种交流电机,其负载时的转速与所接电网的频率之比不是恒定关系。
电机的基础知识有哪些电机是将电能转化为机械能的装置,是现代工业生产中常见的设备之一。
其基础知识包括:1.电机的工作原理:电机利用电磁感应或者磁场作用产生力矩,将电能转化为机械能,驱动机械运动。
2.电机的分类:按照电源形式可分为交流电机和直流电机;按照结构形式可分为异步电机、同步电机、直流电机、步进电机等多种类型。
3.电机的组成:电机通常由转子、定子、端盖、轴承、绕组、磁极等组件组成。
4.电机的参数:电机的参数包括额定功率、额定电压、额定电流、额定转速、效率等等,这些参数对于电机的运行和使用都有重要意义。
5.电机的控制:电机的控制方法有很多种,常见的包括直接启动、变压器启动、星角启动、电容启动、电阻启动、变频启动等等。
6.电机的维护:电机的维护包括日常检查、润滑、维修等方面,可以延长电机的寿命,提高电机的运行效率和稳定性。
7.电机的分类:按照电源的形式分类,电机可以分为交流电机和直流电机;按照电机的结构分类,电机可以分为直线电机、旋转电机和特殊电机等;按照转子类型分类,电机可以分为感应电机和永磁电机等。
8.电机的基本参数:电机的基本参数包括额定功率、额定电压、额定电流、额定转速、额定效率等,这些参数都是电机性能的重要指标,用户在选型时需要参考。
9.电机的运行原理:电机是利用电磁感应原理将电能转化为机械能的装置,通常由定子和转子两部分组成。
在电机中,定子绕组通电后产生磁场,磁场与转子导体产生磁通量,根据法拉第电磁感应定律,磁通量的变化会产生感应电动势,从而使转子旋转,最终将电能转化为机械能。
10.电机的保护和维护:电机在使用中需要进行保护和维护,以确保电机正常运行并延长电机寿命。
常用的保护方式包括过载保护、短路保护、欠压保护等,维护方式包括定期检查电机的运行状态、维护电机的润滑系统、清洗电机外壳等。
11.电机的应用领域:电机广泛应用于工业生产、交通运输、家庭电器、医疗器械等领域。
其中,工业生产中的电机应用最为广泛,包括风电、水电、火电等能源生产、机床、冶金、矿山等制造业、交通运输中的电机应用主要是电动车辆和铁路牵引等,家庭电器中的电机应用主要是电扇、洗衣机、吸尘器等。
交流电机结构
交流电机是一种常见的电动机类型,其结构设计对于电机的性能和使用寿命至关重要。
一般来说,交流电机的结构主要由定子和转子两部分组成。
定子是交流电机的固定部分,通常由硅钢片叠压而成。
在定子中,有三个相互120度偏移的绕组,分别称为A相、B相和C相。
这些绕组通过定子铁芯的槽槽绕组方式布置在定子铁芯上。
定子绕组中流过的电流会在定子铁芯中产生磁场,这个磁场会与转子上的磁场相互作用,从而产生电磁力,驱动转子转动。
转子是交流电机的旋转部分,通常由铁芯和绕组构成。
转子的绕组一般为螺旋绕组或者波形绕组,其目的是为了减小电机的转矩脉动和噪音。
在转子上有一个永磁体或者感应磁极,通过与定子磁场的相互作用,产生电磁力,从而带动转子旋转。
除了定子和转子之外,交流电机的结构中还包括了端盖、轴承、风扇等部件。
端盖起到封闭电机的作用,保护电机内部零部件不受外界环境的影响。
轴承支撑转子转动,使其在运转中保持稳定。
风扇则用于散热,保持电机在运转过程中的温度恒定。
在交流电机的结构设计中,需要考虑到许多因素,如电机的功率大小、转速要求、运行环境等。
不同的应用场景需要不同的电机结构设计,以满足其性能需求。
此外,电机结构的优化设计也能够提高
电机的效率和稳定性,延长电机的使用寿命。
总的来说,交流电机的结构设计是一个复杂而重要的工程问题。
只有通过精心设计和优化,才能确保电机具有良好的性能和可靠性,从而满足各种工业和民用领域的需求。
交流电机的基础知识1. 介绍交流电机是一种常见的电动机,它能够将电能转换为机械能,广泛应用于工业和家庭设备中。
交流电机具有结构简单、动力强劲、运行稳定等优点,因此被广泛采用。
本文将介绍交流电机的基础知识,包括其工作原理、分类、特点以及应用领域等内容。
2. 工作原理交流电机的工作原理基于电磁感应现象。
当交流电通过电机绕组时,会在绕组中产生磁场。
磁场与电流方向有关,当电流方向发生变化时,磁场的方向也会发生变化。
根据洛伦兹力定律,当有导电体置于磁场中时,导体上就会受到力的作用。
交流电机通过不断变化的磁场方向,使得电机中的导体产生旋转运动。
主要有同步电机和异步电机两种类型。
3. 分类根据交流电机的结构和工作方式,可以将其分为以下几种常见的类型:3.1 同步电机同步电机的转子和磁场同步运行,转子的转速与磁场的旋转速度完全一致。
同步电机通常由电磁铁芯和绕组组成,绕组通电后会产生磁场,使得转子在磁场作用下旋转。
同步电机具有运行稳定、起动方便、精度高等特点,适用于精密仪器、钟表、航空航天等领域。
3.2 异步电机异步电机的转子和磁场之间有相对滑动,转子的转速略低于磁场的旋转速度。
异步电机通常由定子和转子两部分组成,定子绕组通电产生的磁场与转子磁场之间产生旋转力矩,推动转子旋转。
异步电机具有结构简单、成本低廉等优点,广泛应用于家用电器、工业设备等领域。
3.3 无刷直流电机无刷直流电机是一种采用电子换向器来实现转子换向的电机,它通过电子元件控制绕组通电时机和电流方向,从而实现电机转子的转动。
无刷直流电机具有高效率、低噪音、寿命长等优点,常用于无人机、电动车、机器人等领域。
3.4 万能电机万能电机是一种结构复杂、功能多样的交流电机,具有正反转、调速等特点。
万能电机结构包括电枢、绕组和换向器等部分,能够根据外部信号实现多种功能。
万能电机广泛应用于家电、工业设备以及汽车等领域。
4. 特点交流电机具有以下几个特点:•高效率:交流电机具有较高的能量转换效率,能够将大部分电能转换为机械能。
电机及拖动基础知识要点复习电机复提纲第一章:概念:主磁通、漏磁通、磁滞损耗、涡流损耗。
磁路的基本定律:安培环路定律:XXX。
磁路的欧姆定律:作用在磁路上的磁动势F等于磁路内的磁通量Φ乘以磁阻Rm。
磁路与电路的类比:与电路中的欧姆定律在形式上十分相似。
E=IR。
磁路的基尔霍夫定律:1)磁路的基尔霍夫电流定律:穿出或进入任何一闭合面的总磁通恒等于零。
2)磁路的基尔霍夫电压定律:沿任何闭合磁路的总磁动势恒等于各段磁路磁位差的代数和。
第二节常用铁磁材料及其特性铁磁材料:1、软磁材料:磁滞回线较窄。
剩磁和矫顽力都小的材料。
软磁材料磁导率较高,可用来制造电机、变压器的铁心。
2、硬磁材料:磁滞回线较宽。
剩磁和矫顽力都大的铁磁材料称为硬磁材料,可用来制成永久磁铁。
铁心损耗:1、磁滞损耗——材料被交流磁场反复磁化,磁畴相互摩擦而消耗的能量。
2、涡流损耗——铁心内部由于涡流在铁心电阻上产生的热能损耗。
3、铁心损耗——磁滞损耗和涡流损耗之和。
第二章:一、换向:尽管电枢在转动,但处于同一磁极下的线圈边中电流方向应始终不变,即进行所谓的“换向”。
二、直流电机的应用:作为电动机运行——在直流电机的两电刷端上加上直流电压,电枢旋转,拖动生产机械旋转,输出机械能;作为发动机运行——用原动机拖动直流电机的电枢,电刷端引出直流电动势,作为直流电源,输出电能。
三、直流电机的主要结构:定子的主要作用是产生磁场,转子又称为“电枢”,作用是产生电磁转矩和感应电动势。
要实现机电能量转换,电路和磁路之间必须在相对运动,所以旋转电机必须具备静止的和转动的两大部分,且静止和转动部分之间要有一定的间隙(称为:气隙)。
四、直流电机的铭牌数据:直流电机的额定值有:1、额定功率PN(kW);2、额定电压UN(V);3、额定电流IN(A);4、额定转速nN(r/min);5、额定励磁电压UfN(V)。
五、直流电机电枢绕组的基本形式:直流电机电枢绕组的基本形式有两种:一种叫单叠绕组,另一种叫单波绕组。
中专三相交流电路基础知识
1. 三相电源:三相交流电路的电源通常是三相发电机。
它产生三个相位相差 120 度的正弦交流电压,分别称为 A 相、B 相和 C 相。
2. 三相电压:三相电源的电压是周期性变化的,其频率通常为 50 或 60 赫兹。
三个相位的电压之间存在 120 度的相位差,使得它们在时间上错开。
3. 相序:三相电源的相序是指 A、B、C 相的顺序。
相序对于三相电动机的旋转方向至关重要,改变相序可以改变电动机的旋转方向。
4. 三相负载:三相交流电路中的负载可以是三相电动机、三相变压器等。
它们接受三相电源的供电,并将电能转换为机械能或其他形式的能量。
5. 星形连接和三角形连接:三相负载可以通过星形连接或三角形连接与三相电源相连。
星形连接将各相负载的一端连接在一起,形成一个中点,而三角形连接将各相负载首尾相连,不形成中点。
6. 三相功率:三相交流电路的功率可以通过三相功率公式计算,包括有功功率、无功功率和视在功率。
三相功率的计算需要考虑相电压、相电流和功率因数等因素。
7. 中线:在星形连接中,中点通常通过中线(中性线)与电源的中性相连。
中线的作用是提供一个回流路径,使得负载不平衡时电流可以通过中线回流,保持各相电压的相对平衡。
以上是中专三相交流电路基础知识的一些要点。
深入学习三相交流电路还需要了解更多的概念和原理,如三相电路的分析方法、功率因数的补偿等。
物理初中电机知识点总结一、电机的工作原理电机的工作原理是利用电磁感应原理进行能量转化的过程。
电机的核心部分是电磁铁,其作用是产生磁场。
当通过电磁铁的线圈内通电时,会产生一个磁场,这个磁场会与电机中的磁场相互作用,从而产生一个力。
这个力会让电机的转子产生旋转,最终实现电能转换成机械能的过程。
二、电机的种类1. 直流电机:直流电机是利用直流电源产生电磁场,通过电刷和换向器对转子进行通电的一种电机。
其优点是结构简单、传动性能稳定,缺点是容易受到电刷的磨损。
2. 交流电机:交流电机是利用交流电源产生电磁场,通过变频器来控制规则变频的一种电机。
其优点是无需换向器,可以实现改变转速和转矩的控制。
3. 三相异步电机:三相异步电机是利用三相交流电源产生旋转磁场,通过感应产生转子的一种电机。
其优点是运行效率高、噪音低、使用寿命长。
4. 单相异步电机:单相异步电机是利用单相交流电源和启动电容器产生偏置电磁场,通过感应产生转子的一种电机。
其优点是结构简单、价格低廉,适用于家用电器和小型机械设备中。
三、电机的应用1. 工业生产:电机广泛应用于各种工业生产中,如机械加工、输送设备、冶金设备等。
2. 家用电器:电机也广泛用于家用电器中,如洗衣机、空调、风扇等。
3. 交通运输:电机也用于各种交通工具中,如电动汽车、电梯、电梯等。
4. 农业生产:电机还广泛用于农业生产中,例如农用机械和排灌设备上。
四、电机注意事项1. 电机运行稳定:电机在运行过程中应保持稳定的电源和有效的散热方式,以免因过热而损坏电机。
2. 电机维护保养:定期对电机进行维护保养,包括清洁电机表面、检测电机的绝缘性能、及时更换电机的易损件等。
3. 电机安全使用:在使用电机时要做好安全防护措施,如戴好手套,避免电机旋转部件伤人等。
总之,电机作为一种常见的电气设备,其工作原理和分类应用十分广泛,在初中物理学习中了解基本的电机知识是非常重要的,希望以上对电机的知识总结能够帮助初中物理学习者更好地了解电机的基本原理和应用。