最新抗震计算实例
- 格式:doc
- 大小:124.50 KB
- 文档页数:65
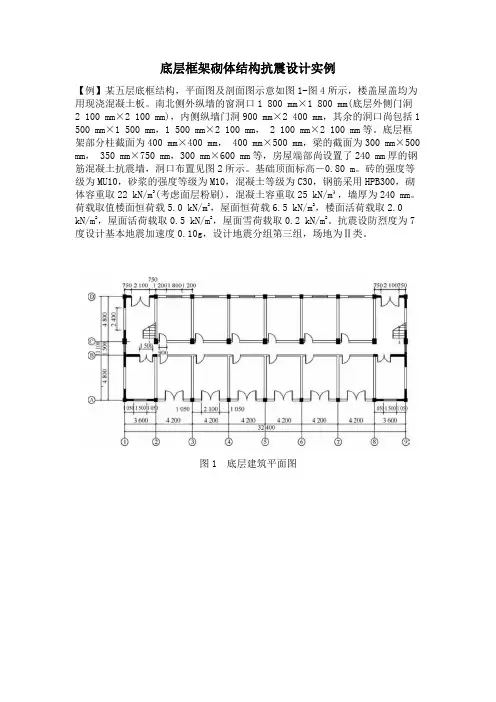
底层框架砌体结构抗震设计实例【例】某五层底框结构,平面图及剖面图示意如图1-图4所示,楼盖屋盖均为用现浇混凝土板。
南北侧外纵墙的窗洞口1 800 mm×1 800 mm(底层外侧门洞2 100 mm×2 100 mm),内侧纵墙门洞900 mm×2 400 mm,其余的洞口尚包括1 500 mm×1 500 mm,1 500 mm×2 100 mm, 2 100 mm×2 100 mm等。
底层框架部分柱截面为400 mm×400 mm, 400 mm×500 mm,梁的截面为300 mm×500 mm, 350 mm×750 mm,300 mm×600 mm等,房屋端部尚设置了240 mm厚的钢筋混凝土抗震墙,洞口布置见图2所示。
基础顶面标高-0.80 m。
砖的强度等级为MU10,砂浆的强度等级为M10,混凝土等级为C30,钢筋采用HPB300,砌体容重取22 kN/m3(考虑面层粉刷),混凝土容重取25 kN/m³,墙厚为240 mm。
荷载取值楼面恒荷载5.0 kN/m2,屋面恒荷载6.5 kN/m2,楼面活荷载取2.0kN/m2,屋面活荷载取0.5 kN/m2,屋面雪荷载取0.2 kN/m2。
抗震设防烈度为7度设计基本地震加速度0.10g,设计地震分组第三组,场地为Ⅱ类。
图1 底层建筑平面图图2 标准层建筑平面图图3 二层结构布置图图4 剖面图[解]1地震作用计算1) 重力荷载代表值计算计算方法基本如同前一个算例,需要注意三点:一是屋顶活荷载不计入五层重力荷载代表值,但需要考虑屋顶雪荷载的一半;二是砌体部分楼层的B轴线墙体为轻质隔墙;三是第一计算层的重力荷载代表值需考虑二层梁、底层柱等钢筋混凝土构件的自重,还需要考虑在底层大空间内灵活布置隔墙部分的上半层墙重,底层的隔墙自重折算为1.0kN/m2的楼面荷载。
《建筑结构抗震》(清华大学出版社)计算题及例题解答1.某两层房屋计算简图如图1所示。
已知楼层集中质量为1100t m =,250t m =,每层层高均为h ,楼板平面内刚度无限大,沿某抗震主轴方向的层间剪切刚度为120000kN m k =,210000kN m k =。
求该结构体系在该抗震主轴方向的自振周期、振型和振型参与系数。
图1 动力模型计算简图【解】1m 100t =,2m 50t =,m /kN 20000k 1=,m /kN 10000k 2=(1)自振圆频率⎥⎥⎦⎤⎢⎢⎣⎡+++⎪⎪⎭⎫ ⎝⎛-±++=ω)(2212112222112212122,1m k 2m k k 2m k m k m k m k m k k 21⎥⎥⎦⎤⎢⎢⎣⎡⨯++⨯+⎪⎭⎫ ⎝⎛-±++=)(50100002100100002000021001000050100001002000050100001001000020000212)(30020030021±+==100400⎧⎨⎩ s /rad 101=ω∴,s /rad 202=ω∴(2)自振周期628.01014.322T 11=⨯=ωπ=314.02014.322T 22=⨯=ωπ=(3)振型第一主振型:210000101001000020000k m k k X X 22211211112=⨯-+=ω-+=第二主振型:110000201001000020000k m k k X X 22221212122=⨯-+=ω-+=(4)振型参与系数3225011002501100X m X m X m X m Xm Xm 222122211112211121i 21ji21i 1ii1=⨯+⨯⨯+⨯=++==γ∑∑== 3115011001501100X m X m X m X m Xm X m 222222221122221121i 22ii21i 2ii2=-⨯+⨯-⨯+⨯=++==γ∑∑==)()(2. 某三层钢筋混凝土框架,如图2和图3所示。
计算简图某城市互通立交匝道桥上部结构采用预应力混凝土连续梁桥体系,跨径布置为2×25m ,梁宽从10.972m 变化到15.873m ;桥墩和桥台上都设置板式橡胶支座。
以下为该桥采用《公路工程抗震设计规范》(JTJ004—89)的简化计算方法手算的计算步骤及计算结果:附2.1 顺桥向地震力计算该联支座全部采用板式橡胶支座,故地震力由两部分组成:上部结构对板式橡胶支座顶面处产生的水平地震荷载及桥墩地震荷载。
一、上部结构对板式橡胶支座顶面处产生的水平地震荷载上部结构对D6号墩板式橡胶支座顶面处产生的水平地震荷载按下式计算:zsp h z i ni itpitpihs G K C C KK E 10β∑==(附2-1)式中,3.1=i C ,2.0=z C ,1.0=h K 1、确定基本参数(1)全联上部结构总重力:2353.4825)86.527.518(⨯+⨯+=zsp G 255023.0⨯⨯⨯+kN 2.16155=(2)实体墩对支座顶面顺桥向换算质点重力:()pff tp ztp GX X G G ⎥⎦⎤⎢⎣⎡-+==2131由于不考虑地基变形,即0=f X故 ()p pff tp G GX X G 311312=⎥⎦⎤⎢⎣⎡-+= 而 kN G p 3.57525346.4295.5=⨯⨯= 得 kN G G G p tp ztp 8.1913/===(3)一联上部结构对应的全部板式橡胶支座顺桥向抗推刚度之和1K :m kN K /103915.23.5756244.2480)23(41⨯=⨯+⨯+=(4)设置板式橡胶支座的D6号桥墩顺桥向抗推刚度2K :8015.01=I 4m ,088.12=I 4m ,676.13=I 4m083.105.06.045.01321=-+=I I I I e 从而,得 49233.0m I e =m kN l EI K e D /1055.8746.49233.0103.3335373⨯=⨯⨯⨯== m kN K K D /1055.852⨯==∴ 2、计算桥梁顺桥向自振基本周期T 1[]{}ZspZtp Zsp Ztp ZspZtp Zsp Ztp G G K K G G G K K K G G K K K G g24)()(2121221121121-++-++=ω-24.11s 1=s T 673.1211==ωπ3、计算动力放大系数1β根据1T 及规范三类场地土动力放大系数函数,计算1β:646.045.025.295.01=⎪⎭⎫⎝⎛⨯=T β4、计算上部结构对D6号桥墩产生的水平地震力上部结构对D6号桥墩板式橡胶支座顶面处产生的顺桥向水平荷载按式(附2-1)计算:kN E E iihs hs 6.1302.16155646.01.02.03.1103915.23.575624=⨯⨯⨯⨯⨯⨯⨯==∑二、实体墩由墩身自重在墩身质点i 的顺桥向水平地震荷载实体墩由墩身自重在墩身质点i 的顺桥向水平地震荷载按下式计算:11hp i z h li i E C C K X G βγ=得 D6号墩kN E th 22.476.1910.10.18482.01.02.03.1=⨯⨯⨯⨯⨯⨯= 三、桥墩顺桥向地震剪力和弯矩第二联D6号桥墩墩底的顺桥向地震剪力和弯矩分别如下:kN Q D 82.13422.46.1306=+=()kN M D 93.585346.422.46.1306=⨯+=附2.2 横桥向地震力计算D6号桥墩横桥向水平地震荷载按下式计算(参见D6号墩计算简图):111i h p i z h i iE C C K X Gβγ= (附2-2)式中,3.1=i C ,2.0=z C ,1.0=h K 1、计算i X 1由于5031.14606.474<==B H 故取 ()fi f i X H H X X -⎪⎭⎫⎝⎛+=13/11不考虑地基变形时:0=f X故有 3/11⎪⎭⎫ ⎝⎛=H H X i i得 889.06.4744.3333/111=⎪⎭⎫⎝⎛=X ,621.06.4747.1133/112=⎪⎭⎫ ⎝⎛=X2、计算桥墩各质点重力i GkN G 6.80772/2.161550== kN G 4.32825146.2122.61=⨯⨯=kN G 61.247252.2502.42=⨯⨯= 3、计算横桥向基本振型参与系数1γ011.16.247621.04.328889.06.807716.247621.04.328889.06.80771220201=⨯+⨯+⨯⨯+⨯+⨯==∑∑==ni iini iiG XGX γ 4、计算D6号桥墩振动单元横桥向振动时的动力放大系数1β (1)计算横桥向柔度δ:934.11=I 4m ,700.32=I 4m ,254.103=I 4m32105.06.045.01I I I I e -+= 得 4569.2m I e =H 2H 1HD6号墩计算简图563731076.81/5.11419/10412.1646.5569.2103.333-⨯===+⋅=⨯=⨯⨯⨯==KmkN K K K Ks K m kN l EI K DS De D δ (2)计算桥墩横向振动的基本周期T 1s gG T t 72.122/11=⎪⎪⎭⎫ ⎝⎛=δπ(3)确定动力放大系数1β根据T 1及规范三类场地土动力放大系数函数,得629.045.025.295.01=⎪⎭⎫⎝⎛⨯=T β5、计算各质点的水平地震力根据公式(附2-2)计算作用于D6号桥墩各质点的横桥向水平地震力:kNE kN E kN E hp hp hp 40.26.247586.0011.1629.01.02.03.156.44.328839.0011.1629.01.02.03.155.1336.8077011.1629.01.02.03.1210=⨯⨯⨯⨯⨯⨯==⨯⨯⨯⨯⨯⨯==⨯⨯⨯⨯⨯= 6、计算横桥向地震剪力和弯矩D6号墩墩底的横桥向地震剪力和弯矩分别如下:kN Q D 51.14040.256.455.1336=++=m kN M D ⋅=⨯+⨯+⨯=34.598137.140.2334.356.4346.455.1336。
计算简图某城市互通立交匝道桥上部结构采用预应力混凝土连续梁桥体系,跨径布置为2×25m ,梁宽从10.972m 变化到15.873m ;桥墩和桥台上都设置板式橡胶支座。
以下为该桥采用《公路工程抗震设计规范》(004—89)的简化计算方法手算的计算步骤及计算结果:附2.1 顺桥向地震力计算该联支座全部采用板式橡胶支座,故地震力由两部分组成:上部结构对板式橡胶支座顶面处产生的水平地震荷载及桥墩地震荷载。
一、上部结构对板式橡胶支座顶面处产生的水平地震荷载上部结构对D6号墩板式橡胶支座顶面处产生的水平地震荷载按下式计算:zsp h z i ni itpitpihs G K C C KK E 10β∑==(附2-1)式中,3.1=i C ,2.0=z C ,1.0=h K 1、确定基本参数(1)全联上部结构总重力:2353.4825)86.527.518(⨯+⨯+=zsp G 255023.0⨯⨯⨯+kN 2.16155=(2)实体墩对支座顶面顺桥向换算质点重力:()pff tp ztp GX X G G ⎥⎦⎤⎢⎣⎡-+==2131由于不考虑地基变形,即0=f X故 ()p pff tp G GX X G 311312=⎥⎦⎤⎢⎣⎡-+= 而 kN G p 3.57525346.4295.5=⨯⨯= 得 kN G G G p tp ztp 8.1913/===(3)一联上部结构对应的全部板式橡胶支座顺桥向抗推刚度之和1K :m kN K /103915.23.5756244.2480)23(41⨯=⨯+⨯+=(4)设置板式橡胶支座的D6号桥墩顺桥向抗推刚度2K :8015.01=I 4m ,088.12=I 4m ,676.13=I 4m083.105.06.045.01321=-+=I I I I e 从而,得 49233.0m I e =m kN l EI K e D /1055.8746.49233.0103.3335373⨯=⨯⨯⨯== m kN K K D /1055.852⨯==∴2、计算桥梁顺桥向自振基本周期T 1[]{}ZspZtp Zsp Ztp ZspZtp Zsp Ztp G G K K G G G K K K G G K K K G g24)()(2121221121121-++-++=ω-24.11s 1= s T 673.1211==ωπ3、计算动力放大系数1β根据1T 及规范三类场地土动力放大系数函数,计算1β:646.045.025.295.01=⎪⎭⎫⎝⎛⨯=T β4、计算上部结构对D6号桥墩产生的水平地震力上部结构对D6号桥墩板式橡胶支座顶面处产生的顺桥向水平荷载按式(附2-1)计算:kN E E iihs hs 6.1302.16155646.01.02.03.1103915.23.575624=⨯⨯⨯⨯⨯⨯⨯==∑二、实体墩由墩身自重在墩身质点i 的顺桥向水平地震荷载实体墩由墩身自重在墩身质点i 的顺桥向水平地震荷载按下式计算:11hp i z h li i E C C K X G βγ=得 D6号墩kN E th 22.476.1910.10.18482.01.02.03.1=⨯⨯⨯⨯⨯⨯= 三、桥墩顺桥向地震剪力和弯矩第二联D6号桥墩墩底的顺桥向地震剪力和弯矩分别如下:kN Q D 82.13422.46.1306=+=()kN M D 93.585346.422.46.1306=⨯+=附2.2 横桥向地震力计算D6号桥墩横桥向水平地震荷载按下式计算(参见D6号墩计算简图):111i h p i z h iiE C C K X G βγ= (附2-2)式中,3.1=i C ,2.0=z C ,1.0=h K 1、计算i X 1由于5031.14606.474<==B H 故取 ()fi f i X H H X X -⎪⎭⎫⎝⎛+=13/11不考虑地基变形时:0=f X故有 3/11⎪⎭⎫ ⎝⎛=H H X i i得 889.06.4744.3333/111=⎪⎭⎫⎝⎛=X ,621.06.4747.1133/112=⎪⎭⎫ ⎝⎛=X2、计算桥墩各质点重力i GkN G 6.80772/2.161550==kN G 4.32825146.2122.61=⨯⨯=kN G 61.247252.2502.42=⨯⨯=3、计算横桥向基本振型参与系数1γ011.16.247621.04.328889.06.807716.247621.04.328889.06.80771220201=⨯+⨯+⨯⨯+⨯+⨯==∑∑==ni iini iiG XGX γ 4、计算D6号桥墩振动单元横桥向振动时的动力放大系数1β (1)计算横桥向柔度δ:934.11=I 4m ,700.32=I 4m ,254.103=I 4m 32105.06.045.01I I I I e -+= 得 4569.2m I e =H 2H 1HD6号墩计算简图563731076.81/5.11419/10412.1646.5569.2103.333-⨯===+⋅=⨯=⨯⨯⨯==KmkN K K K Ks K m kN l EI K DS De D δ (2)计算桥墩横向振动的基本周期T 1s gG T t 72.122/11=⎪⎪⎭⎫ ⎝⎛=δπ(3)确定动力放大系数1β根据T 1及规范三类场地土动力放大系数函数,得629.045.025.295.01=⎪⎭⎫⎝⎛⨯=T β5、计算各质点的水平地震力根据公式(附2-2)计算作用于D6号桥墩各质点的横桥向水平地震力:kNE kN E kN E hp hp hp 40.26.247586.0011.1629.01.02.03.156.44.328839.0011.1629.01.02.03.155.1336.8077011.1629.01.02.03.1210=⨯⨯⨯⨯⨯⨯==⨯⨯⨯⨯⨯⨯==⨯⨯⨯⨯⨯= 6、计算横桥向地震剪力和弯矩D6号墩墩底的横桥向地震剪力和弯矩分别如下:kN Q D 51.14040.256.455.1336=++=m kN M D ⋅=⨯+⨯+⨯=34.598137.140.2334.356.4346.455.1336。
单层厂房横向抗震计算方法我研究单层厂房横向抗震计算方法可费了不少劲儿呢。
说实话,一开始我也是瞎摸索。
我试过一种比较常规的底部剪力法。
这就好比是要从基础开始抓住整个厂房抗震的关键力量。
计算的时候呢,首先得算出这个厂房总的重力荷载代表值。
我一开始老是搞错这里面应该包含哪些部分,有时候漏算了一些恒载或者活载。
就像盖房子你得知道有多少东西堆在上面一样,这里也是要把什么屋面的重量啊、墙面的重量啊,还有一些设备的重量等等都考虑进去。
算好这个总的值之后呢,再根据抗震规范给定的地震影响系数,算出总的底部剪力。
这个系数可有点复杂,不同的场地类型、地震分组都对它有影响。
我还得一个个去查规定的表格,一不小心看错了数值那结果可就大错特错了。
我还尝试过振型分解反应谱法。
这个方法刚开始感觉特别复杂,就好像是在一团乱麻里找线头。
它要求算出结构的各个振型和振型参与系数。
我当时为了算出这些,翻遍了各种参考书。
要把厂房的质量矩阵和刚度矩阵给整明白就很头疼。
质量矩阵呢,就像是描述这个厂房里每个部分有多重,分布在哪里。
刚度矩阵就像是各个部分有多结实,抵抗变形的能力。
后来我发现啊,不管用哪种方法,模型简化很重要。
比如说有些厂房结构比较规则,就可以简化成单质点或者多质点体系。
这就像搭积木一样,如果很整齐规则,就比较好分析它的抗震能力。
但要是结构不规则,那就得更加小心谨慎了。
有一次我计算一个很长的单层厂房,它的两端结构还有点不一样。
我一开始只用了比较简单的计算方法,完全没考虑这个不均匀性,结果算出来的地震力比实际应该有的小很多。
这就是个教训啊,做计算不能太想当然,一定得看清楚厂房的实际结构情况,比如说有没有局部突出的部分,有没有比较不同刚度的区域等等。
在做单层厂房横向抗震计算的时候呢,千万要仔细小心,千万不能慌慌张张的就开始计算,一定要把厂房的结构特点、荷载情况先搞清楚,然后再选择合适的计算方法,这样才能把结果算得更靠谱。
还有啊,在计算过程中每一个参数的取值都要反复核对。
抗震支架个数计算公式(一)抗震支架个数计算公式引言抗震支架是在地震时能够承受和转移水平荷载的重要装置,它的数量的计算对于建筑结构的安全性具有决定性的作用。
本文将介绍几种常用的抗震支架个数计算公式,并举例解释说明。
1. 按照建筑面积计算公式:抗震支架个数 = 建筑面积 / 单个支架的有效面积例子:假设建筑面积为1000平方米,单个支架的有效面积为10平方米,则抗震支架个数 = 1000 / 10 = 100个。
2. 按照建筑高度计算公式:抗震支架个数 = 建筑高度 / 单个支架的有效高度例子:假设建筑高度为50米,单个支架的有效高度为2米,则抗震支架个数 = 50 / 2 = 25个。
3. 按照地震烈度计算公式:抗震支架个数 = (地震烈度系数 + 建筑等级系数) * 建筑面积 / 单个支架的有效面积例子:假设地震烈度系数为,建筑等级系数为,建筑面积为1000平方米,单个支架的有效面积为10平方米,则抗震支架个数 = ( + ) * 1000/ 10 = 133个。
4. 综合计算公式:抗震支架个数 = (建筑面积 / 单个支架的有效面积) + (建筑高度 / 单个支架的有效高度) + (地震烈度系数 + 建筑等级系数) * 建筑面积 / 单个支架的有效面积例子:假设建筑面积为1000平方米,建筑高度为50米,单个支架的有效面积为10平方米,单个支架的有效高度为2米,地震烈度系数为,建筑等级系数为,则抗震支架个数 = (1000 / 10) + (50 / 2) +( + ) * 1000 / 10 = 183个。
结论根据不同的计算公式,可以得出抗震支架的个数。
在实际应用中,需要结合具体的建筑结构特点、地震烈度以及建筑等级等因素来确定最终的支架个数。
以上介绍的公式仅作为参考,实际计算还需综合多种因素进行准确的分析和评估。
地震作用结构计算第一部分:梁、柱截面尺寸的初步确定:1、梁截面高度一般取梁跨度的1/12~1/8。
本方案取700mm,截面宽度取700×(1/2~1/3)=300mm,可得梁的截面初步定为b×h=300*700。
2、框架柱的截面尺寸根据柱的轴压比限值,按下列公式计算:(1)柱组合的轴压力设计值N=βF g E n注:β考虑地震作用组合后柱轴压力增大系数。
F按简支状态计算柱的负载面积。
g E 折算在单位建筑面积上的重力荷载代表值,可近似的取14KN/m2。
n为验算截面以上的楼层层数。
(2)A c≥N/u N f c注:u N 为框架柱轴压比限值,本方案为二级抗震等级,查《抗震规范》可知取为0.8。
f c为混凝土轴心抗压强度设计值,对C30,查得14.3N/mm2。
3、计算过程:对于边柱:N=βF g E n=1.3×25.92×14×6=2830.464(KN)A c≥N/u N f c=2830.464×103/0.8/14.3=247418.18(mm2)取600mm×600mm对于内柱:N=βFg E n=1.25×34.56×14×6=3628.8(KN)A c≥N/u N f c=3628.8*103/0.8/14.3=317202.80(mm2)取600mm×600mm梁截面尺寸(mm)柱截面尺寸(mm)第二部分:重力荷载代表值的计算一、资料准备:查《荷载规范》可取:○1、屋面永久荷载标准值(不上人)4mm厚APP改性沥青防水卷材防水层(上带细砂保护层) 10×0.004=0.04KN/m220厚1:2水泥找平层 20×0.02=0.4 KN/m21:10水泥砂浆珍珠岩找坡,最薄处30厚 20×0.03=0.6 KN/m2 100厚阻燃型苯乙烯泡抹塑料保温板 0.5×0.1=0.05 KN/m2 20厚1:3水泥砂浆找平层,上刷聚氨酯防水涂料一层20×0.02=0.25 KN/m2100厚钢筋混凝土板 25×0.10=3.0 KN/m2 10厚混合砂浆刮大白 17×0.01=0.17 KN/m2合计 4.16 KN/m2○2、1-5层楼面:10厚1:1水泥砂浆 20×0.01=0.2 KN/m2 20厚大理石 28×0.02=0.56 KN/m2 20厚1:3水泥砂浆找平层 20×0.02=0.4 KN/m2 100厚钢筋混凝土板 25×0.10=2.5 KN/m2 20厚1:3水泥砂浆找平层 20×0.02=0.4 KN/m2 10厚混合砂浆刮大白 17×0.01=0.17 KN/m2合计 4.23 KN/m2○3、屋面及楼面可变荷载标准值:上人屋面均布活荷载标准值 2.0 KN/m2楼面活荷载标准值 2.0 KN/m2屋面雪荷载标准值 S K=u r S0=1.0×0.35=0.35 KN/m2(式中u r为屋面积雪分布系数)○4、梁柱密度25 KN/m2蒸压粉煤灰加气混凝土砌块 5.5KN/m3第三部分结构计算3.1、重力荷载代表值的计算:1、第一层:(1)、梁:柱:(2)、内外填充墙重的计算:横墙:AB跨、CD跨墙:墙厚370mm,计算长度6600mm,计算高度4200-700=3500mm。
抗震设计实例[例题]一幢四层楼钢框架,位于7度抗震设防区,建筑场地为Ⅲ类场地土,特征周期0.55s 。
因结构规则、质量分布无较大偏心,可按两抗侧结构方向分别进行抗震计算。
图1所示横向框架为中框架,现要求对其进行计算。
图1横向框架图结构室内地坪为±0.000m ,基础顶面为-0.5m 。
纵向框架柱距为8m 。
钢柱采用埋入式柱脚,与基础刚性连接,梁柱连接均采用焊接式的刚性连接。
梁柱构件截面尺寸和主要几何特性如下所示,其中钢梁采用Q235B 钢材,钢柱采用Q345B 钢材。
构件截面尺寸: Z1为H500⨯400⨯12⨯20,Z2为H500⨯40012⨯16,L1为H650⨯300⨯10⨯16。
结构的恒载、活载如下:恒载各层楼自重(含次梁、楼板及面层自重和吊载):5kN/m 2 墙体重量:①、④外墙1.5 kN/m 2;②、③内墙 1.0 kN/m 2 活荷载:FL4 1.5 kN/m 2;FL1~35kN/m 2 [解]1. 结构内力及变形计算-0.500±0.00⨯(1)竖向荷载计算各层荷载:FL1层楼面均布荷载:恒载 5.0⨯8+1.239⨯1.15=41.42kN/m(1.15为考虑钢梁各种构造零件后的增大系数)活荷载 5.0⨯8=40kN/m柱子集中荷载:①④轴 1.5⨯8⨯(2.25+2.5)+1.689⨯1.10⨯(2.25+2.75)=66.29kN (1.10为考虑钢柱各种构造零件后的增大系数)②③轴1.0⨯8⨯(2.25+2.5)+1.689⨯1.10⨯(2.25+2.75)=47.29kNFL2层楼面均布荷载同FL1层柱子集中荷载:①④轴1.5⨯8⨯4.5+(1.689+1.446)⨯1.10⨯2.25=61.76kN②③轴1.0⨯8⨯4.5+(1.689+1.446)⨯1.10⨯2.25=43.76kNFL3层楼面均布荷载同FL1层柱子集中荷载:①④轴1.5⨯8⨯4.5+1.446⨯1.10⨯4.5=61.16kN②③轴1.0⨯8⨯4.5+1.446⨯1.10⨯4.5=43.16kNFL4层楼面均布荷载:恒载 5.0⨯8+1.239⨯1.15=41.42kN/m活荷载1.5⨯8=12kN/m在计算重力荷载代表值时,屋面活荷载不计入,但该地区基本雪压0.2 kN/m2,以0.5⨯0.2⨯8=0.8kN/m(0.5为雪荷载的组合值系数)代替上述活荷载。
一、工程概况楚雄(连汪坝)至南华县城一级公路K38+890[右24×20/左25×20m] 预应力砼小箱梁桥位于拖木古村北面的龙川江河谷内,为跨山间河流凹地的桥梁。
中心里程为K38+890,起止点里程为右K38+646.96(左K38+626.96)~K39+113.04,桥面净宽2×14.75米,最大墩高18.27米,全长992.16米(单幅计列);上部结构为预应力混凝土箱形连续梁桥,下部结构及基础均为柱式轻型桥台、双柱式桥墩及桩基础.本桥平面分别位于缓和曲线(起始桩号K38+656.96,终止桩号:K38+713.512,参数A:324.207,右偏)、圆曲线(起始桩号:K38+713.512,终止桩号:K39+087.738,半径:457m,右偏)和缓和曲线(起始桩号:K39+087.738,终止桩号:K39+134.838,参数A:324.207,右偏)上,纵断面纵坡1.8%;墩台径向布置。
根据《中国地震动参数区划图》(GB18306-2001)及《云南省地震动峰值加速度区划图》、《云南省地震动反应谱特征周期区划图》,桥位处中硬场Ⅲ类场地,地震动峰值加速度值为0.15g,地震动反应谱特征周期为0.45s,地震基本烈度值为Ⅶ度,分组为第二组。
本计算书对大桥左幅第三联进行计算,桥型布置图如下图所示。
图1.1 桥型布置图图1.2 剖面示意二、自振特性分析全桥有限元计算模型示于图2.1,从左到右依次是8号墩、9号墩、10号墩、11号墩、12号墩,8号墩、12号墩为过渡墩,10号墩为固定墩。
其自振周期及相应振型列于表2.1,示于图2.2。
图2.1 有限元模型表2.1 自振特性一览表模态号频率/Hz 周期/s1 0.563966 1.7731562 1.225745 0.815833 1.36501 0.7325954 1.433196 0.6977415 1.783993 0.560546 2.058775 0.485726第一阶振型第二阶振型第三阶振型第四阶振型第五阶振型第六阶振型图2.2 振动模态三、地震输入E1、E2水准地震时,均按反应谱输入。
计算简图某城市互通立交匝道桥上部结构采用预应力混凝土连续梁桥体系,跨径布置为2×25m ,梁宽从10。
972m 变化到15.873m ;桥墩和桥台上都设置板式橡胶支座。
以下为该桥采用《公路工程抗震设计规范》(JTJ004—89)的简化计算方法手算的计算步骤及计算结果:附2.1 顺桥向地震力计算该联支座全部采用板式橡胶支座,故地震力由两部分组成:上部结构对板式橡胶支座顶面处产生的水平地震荷载及桥墩地震荷载。
一、上部结构对板式橡胶支座顶面处产生的水平地震荷载上部结构对D6号墩板式橡胶支座顶面处产生的水平地震荷载按下式计算:zsp h z i ni itpitpihs G K C C KK E 10β∑==(附2-1)式中,3.1=i C ,2.0=z C ,1.0=h K 1、确定基本参数 (1)全联上部结构总重力:2353.4825)86.527.518(⨯+⨯+=zsp G 255023.0⨯⨯⨯+kN 2.16155=(2)实体墩对支座顶面顺桥向换算质点重力:()pff tp ztp GX X G G ⎥⎦⎤⎢⎣⎡-+==2131由于不考虑地基变形,即0=f X故 ()p pff tp G GX X G 311312=⎥⎦⎤⎢⎣⎡-+= 而 kN G p 3.57525346.4295.5=⨯⨯= 得 kN G G G p tp ztp 8.1913/===(3)一联上部结构对应的全部板式橡胶支座顺桥向抗推刚度之和1K :m kN K /103915.23.5756244.2480)23(41⨯=⨯+⨯+=(4)设置板式橡胶支座的D6号桥墩顺桥向抗推刚度2K :8015.01=I 4m ,088.12=I 4m ,676.13=I 4m083.105.06.045.01321=-+=I I I I e 从而,得 49233.0m I e =m kN l EI K e D /1055.8746.49233.0103.3335373⨯=⨯⨯⨯== m kN K K D /1055.852⨯==∴ 2、计算桥梁顺桥向自振基本周期T 1[]{}ZspZtp Zsp Ztp ZspZtp Zsp Ztp G G K K G G G K K K G G K K K G g24)()(2121221121121-++-++=ω-24.11s 1=s T 673.1211==ωπ3、计算动力放大系数1β根据1T 及规范三类场地土动力放大系数函数,计算1β:646.045.025.295.01=⎪⎭⎫⎝⎛⨯=T β4、计算上部结构对D6号桥墩产生的水平地震力上部结构对D6号桥墩板式橡胶支座顶面处产生的顺桥向水平荷载按式(附2-1)计算:kN E E iihs hs 6.1302.16155646.01.02.03.1103915.23.575624=⨯⨯⨯⨯⨯⨯⨯==∑二、实体墩由墩身自重在墩身质点i 的顺桥向水平地震荷载实体墩由墩身自重在墩身质点i 的顺桥向水平地震荷载按下式计算:11hp i z h li i E C C K X G βγ=得 D6号墩kN E th 22.476.1910.10.18482.01.02.03.1=⨯⨯⨯⨯⨯⨯= 三、桥墩顺桥向地震剪力和弯矩第二联D6号桥墩墩底的顺桥向地震剪力和弯矩分别如下:kN Q D 82.13422.46.1306=+=()kN M D 93.585346.422.46.1306=⨯+=附2。
四级抗震时钢筋连接区长度计算哎呀,说到这个四级抗震时钢筋连接区长度的计算,这可真是个技术活儿,得有点耐心和细心才行。
咱们先得搞清楚,抗震等级和钢筋连接区长度是啥关系。
抗震等级越高,对建筑结构的要求就越严格,钢筋连接区的长度自然也就得更长,这样才能保证在地震来的时候,建筑能扛得住。
咱们先从基础说起,抗震等级四级,意味着在地震发生时,建筑需要能够承受一定的地震力,不至于轻易倒塌。
钢筋连接区,就是指钢筋在结构中连接的部分,这个区域的强度和长度直接关系到结构的抗震性能。
那么,怎么计算这个连接区的长度呢?首先,得看设计规范,每个国家和地区都有自己的一套标准。
在中国,我们通常参考的是《混凝土结构设计规范》。
按照这个规范,四级抗震时,钢筋连接区的长度计算公式是这样的:\[ L = \lambda \times \phi \times d \]这里,\( L \) 是连接区长度,\( \lambda \) 是一个系数,根据不同的抗震等级和钢筋直径来确定,\( \phi \) 是钢筋直径,\( d \) 是钢筋直径。
具体来说,\( \lambda \) 的值会根据抗震等级和钢筋直径的不同而有所变化。
比如,对于四级抗震,如果钢筋直径是25mm,那么\( \lambda \) 可能是1.4。
这样,你就可以根据实际的钢筋直径,代入公式计算出连接区的长度了。
举个例子,假设我们有一根直径为25mm的钢筋,按照四级抗震的要求,我们可以计算出:\[ L = 1.4 \times 25 \times 25 = 875 \text{mm} \]这就是说,这根钢筋的连接区长度至少应该是875mm,才能满足四级抗震的要求。
当然,实际操作中,还得考虑到施工的实际情况,比如钢筋的弯曲、焊接或者机械连接等,这些都会影响到最终的连接区长度。
所以,工程师在设计的时候,还得留有一定的安全余量,确保结构的安全性。
总之,四级抗震时钢筋连接区长度的计算,是个既需要理论知识,又需要实践经验的活儿。
PKPM结构设计软件在应用中的问题解析(2005.7)第一章砖混底框的设计(一)“按经验考虑墙梁上部作用的荷载折减”⑴由于墙梁的反拱作用,使得一部分荷载直接传给了竖向构件,从而使墙梁的荷载降低。
⑵若选择此项,则程序对所有的托墙梁均折减,而不判断该梁是否为墙梁。
(二)“按规范墙梁方法确定托梁上部荷载”⑴若选择此项,则则程序自动判断托墙梁是否为墙梁,若是墙梁则自动按照规范要求计算梁上的荷载,若不是墙梁则按均布荷载方式加到梁上。
⑵若同时选择“按经验考虑墙梁上部作用的荷载折减”和“按规范墙梁方法确定托梁上部荷载”两项,则程序对于墙梁则执行“按规范墙梁方法确定托梁上部荷载”,对于非墙梁则执行“按经验考虑墙梁上部作用的荷载折减”。
(三)“底框结构剪力墙侧移刚度是否应该考虑边框柱的作用”若选择此项,则程序在计算侧移刚度比时,与边框柱相连的剪力墙将作为组合截面考虑。
否则程序分别计算墙、柱侧移刚度。
一般而言,对混凝土抗震墙可选择考虑边框柱的作用,对砖抗震墙可选择不考虑边框柱的作用。
(四)混凝土墙与砖墙弹性模量比的输入⑴适用范围:混凝土墙与砖墙弹性模量比只有在该结构在某一层既输入了混凝土墙,又输入了砖墙时才起作用。
⑵物理意义:混凝土墙与砖墙的弹性模量比。
⑶参数大小:该值缺省时为3,大小在3~6之间。
⑷如何填写:一般而言,混凝土墙的弹性模量是砖墙的10倍以上。
如果是同等墙厚,则混凝土墙的刚度就是砖墙的10倍以上。
但实际上,在结构设计时,一方面混凝土墙的厚度小于砖墙,从而使混凝土墙的刚度有所降低;另一方面,在实际地震力作用下混凝土墙所受的地震力是否就是砖墙的10倍以上还是未知数,因此我们不能将该值填得过高。
(五)砖混底框结构风荷载的计算⑴TAT软件可以直接计算风荷载。
⑵SATWE软件不可以直接计算风荷载,需要设计人员在特殊风荷载定义中人为输入。
(六)砖混底框不计算地震力时该如何设计?⑴目前的PMCAD软件不能计算非抗震的砖混底框结构。
水平地震作用计算步骤:①确定计算简图并计算结构重力荷载G E;②计算结构侧向刚度K;③计算结构自振周期T;④确定地震参数:查表得a max、Tg、a;⑤计算水平地震作用:F Ek =aG E。
【例1】如图3. 11所示,单层钢筋混凝土框架,G=1200 kN,设梁刚度EI=∞,b×h=350 mm×350 mm,柱抗侧移刚度为k1=k2=3×l03 kN/m,阻尼比 =0.05。
设防烈度7度,Ⅲ类场地,该地区地震分组为第一组。
试计算该框架在多遇地震下的水平地震作用ek f【解】 (1)确定计算简图如图所示。
G=1200 kN图3.11例3.2图(2)计算结构侧向刚度k柱抗侧移刚度为两柱抗侧移刚度之和K=k1+k2=2×3.O×l03=6.0×l03kN/m (3)计算结构自振周期TT=ωπ2=2πkm =2πgk G=2π631068.9101200⨯⨯⨯=0.897s(4)确定地震参数查表得max α=0.08;Tg=0.45 s 。
因为Tg=0.45 s<T=0.897s<5Tg=5×0.45 s=2.25 s ,故a 处于反应谱曲线下降段,其地震影响系数为:α=2ηγ⎪⎪⎭⎫⎝⎛TT g maxα=9.0897.045.0⎪⎭⎫ ⎝⎛×1×0.08=0.043(5)计算水平地震作用F=αE G=0.043×1200=51.965 kNE K【例2】如图所示框架结构,设防烈度为8度,设计基本地震加速度为0.20g,I类建筑场地,地震分组为第一组。
试用底部剪力法计算该框架在多遇地震下的水平地震作用,层间地震剪力,层间位移及顶点位移计算。
解:(1)确定地震参数α=0.16,由由设防烈度8度查出maxI类场地和地震分组查出Tg=0.25。
因为Tg=0.25<T1=0.358<5Tg =1.25所以取反应谱的曲线下降段:因为Tg <T1 <5T。
抗震计算实例PKPM结构设计软件在应用中的问题解析(2005.7)第一章砖混底框的设计(一)“按经验考虑墙梁上部作用的荷载折减”⑴由于墙梁的反拱作用,使得一部分荷载直接传给了竖向构件,从而使墙梁的荷载降低。
⑵若选择此项,则程序对所有的托墙梁均折减,而不判断该梁是否为墙梁。
(二)“按规范墙梁方法确定托梁上部荷载”⑴若选择此项,则则程序自动判断托墙梁是否为墙梁,若是墙梁则自动按照规范要求计算梁上的荷载,若不是墙梁则按均布荷载方式加到梁上。
⑵若同时选择“按经验考虑墙梁上部作用的荷载折减”和“按规范墙梁方法确定托梁上部荷载”两项,则程序对于墙梁则执行“按规范墙梁方法确定托梁上部荷载”,对于非墙梁则执行“按经验考虑墙梁上部作用的荷载折减”。
(三)“底框结构剪力墙侧移刚度是否应该考虑边框柱的作用”若选择此项,则程序在计算侧移刚度比时,与边框柱相连的剪力墙将作为组合截面考虑。
否则程序分别计算墙、柱侧移刚度。
一般而言,对混凝土抗震墙可选择考虑边框柱的作用,对砖抗震墙可选择不考虑边框柱的作用。
(四)混凝土墙与砖墙弹性模量比的输入⑴适用范围:混凝土墙与砖墙弹性模量比只有在该结构在某一层既输入了混凝土墙,又输入了砖墙时才起作用。
⑵物理意义:混凝土墙与砖墙的弹性模量比。
⑶参数大小:该值缺省时为3,大小在3~6之间。
⑷如何填写:一般而言,混凝土墙的弹性模量是砖墙的10倍以上。
如果是同等墙厚,则混凝土墙的刚度就是砖墙的10倍以上。
但实际上,在结构设计时,一方面混凝土墙的厚度小于砖墙,从而使混凝土墙的刚度有所降低;另一方面,在实际地震力作用下混凝土墙所受的地震力是否就是砖墙的10倍以上还是未知数,因此我们不能将该值填得过高。
(五)砖混底框结构风荷载的计算⑴TAT软件可以直接计算风荷载。
⑵SATWE软件不可以直接计算风荷载,需要设计人员在特殊风荷载定义中人为输入。
(六)砖混底框不计算地震力时该如何设计?⑴目前的PMCAD软件不能计算非抗震的砖混底框结构。
⑵处理方法:①设计人员可以按6度设防计算,砖混抗震验算结果可以不看。
②砖混抗震验算完成后执行SATWE软件进行底框部分内力的计算。
⑶处理方法的基本原理:①一般来说,砖混底框结构,按6度设防计算时地震力并非控制工况。
②对于构件的弯矩值,基本上都是恒+活载控制;剪力值,有可能某些断面由地震力控制,但该剪力值的大小与恒+活载作用下的剪力值相差也不会很大。
直接用该值设计首先肯定安全,其次误差很小。
③如果个别构件出现其弯矩值和剪力值由地震力控制,这种情况一般出现在结构的外围构件中。
设计人员或者直接使用该值进行设计,误差不大,或者作为个案单独处理。
(七)砖混底框结构刚度比的计算与调整方法探讨(A)规范要求《建筑抗震设计规范》第7.1.8条第3款明确规定:底层框架-抗震墙房屋的纵横两个方向,第二层与底层侧向刚度的比值,6、7度时不应大于2.5,8度时不应大于2.0,且均不应小于1.0。
《建筑抗震设计规范》第7.1.8条第4款明确规定:底部两层框架-抗震墙房屋的纵横两个方向,底部与底部第二层侧向刚度应接近,第三层与底部第二层侧向刚度的比值,6、7度时不应大于2.0,8度时不应大于1.5,且均不应小于1.0。
(B)规范精神⑴由于过渡层为砖房结构,受力复杂,若作为薄弱层,则结构位移反应不均匀,弹塑性变形集中,从而对抗震不利。
⑵充分发挥底部结构的延性,提高其在地震力作用下的抗变形和耗能能力。
(C)PMCAD对混凝土墙体刚度的计算⑴对无洞口墙体的计算①如果墙体高宽比M<1.0,则只计算剪切刚度,计算公式为(略)②如果墙体高宽比M>1.0,则需计算剪弯刚度,计算公式为(略)⑵对小洞口墙体的计算①小洞口墙体的判别标准α=(略)≤0.4②目前的PMCAD软件,对于砖混底框结构,只允许开设小洞口的剪力墙。
对于α≥0.6或洞口高度大于等于0.8倍墙高的大洞口剪力墙,则只能分片输入。
③PMCAD软件根据开洞率按照《抗震规范》表7.2.3乘以墙段洞口影响系数计算小洞口剪力墙的刚度。
(D)工程算例:(例子还有图形等,未录入)本例通过不改变剪力墙布置而用剪力墙开竖缝的方法来满足其刚度比的要求。
(略)(E)设竖缝的剪力墙墙体的构造要求⑴竖缝两侧应设置暗柱。
⑵剪力墙的竖缝应开到梁底,将剪力墙分乘高宽比大于1.5,但也不宜大于2.5的若干个墙板单元。
⑶对带边框的低矮钢筋混凝土墙的边框柱的配筋不应小于无钢筋混凝土抗震墙的框架柱的配筋和箍筋要求。
⑷带边框的低矮钢筋混凝土墙的边框梁,应在竖缝的两侧1.5倍梁高范围内箍筋加密,其箍筋间距不应大于100mm。
⑸竖缝的宽度可与墙厚相等,竖缝处可用预制钢筋混凝土块填入,并做好防水。
(F)底部框架-剪力墙部分为两层的砖混底框结构,可以通过开设洞口的方式形成高宽比大于2的若干墙段。
注:本条因为文字编辑的原因略去了一些公式,这些公式可以从其他一些书上看到。
ds220 2006-6-6 02:41第二章剪切、剪弯、地震力与地震层间位移比三种刚度比的计算与选择(一)地震力与地震层间位移比的理解与应用⑴规范要求:《抗震规范》第3.4.2和3.4.3条及《高规》第4.4.2条均规定:其楼层侧向刚度不宜小于上部相邻楼层侧向刚度的70%或其上相邻三层侧向刚度平均值的80%。
⑵计算公式:Ki=Vi/Δui⑶应用范围:①可用于执行《抗震规范》第3.4.2和3.4.3条及《高规》第4.4.2条规定的工程刚度比计算。
②可用于判断地下室顶板能否作为上部结构的嵌固端。
(二)剪切刚度的理解与应用⑴规范要求:①《高规》第E.0.1条规定:底部大空间为一层时,可近似采用转换层上、下层结构等效剪切刚度比γ表示转换层上、下层结构刚度的变化,γ宜接近1,非抗震设计时γ不应大于3,抗震设计时γ不应大于2。
计算公式见《高规》151页。
②《抗震规范》第6.1.14条规定:当地下室顶板作为上部结构的嵌固部位时,地下室结构的侧向刚度与上部结构的侧向刚度之比不宜小于2。
其侧向刚度的计算方法按照条文说明可以采用剪切刚度。
计算公式见《抗震规范》253页。
⑵SATWE软件所提供的计算方法为《抗震规范》提供的方法。
⑶应用范围:可用于执行《高规》第E.0.1条和《抗震规范》第6.1.14条规定的工程的刚度比的计算。
(三)剪弯刚度的理解与应用⑴规范要求:①《高规》第E.0.2条规定:底部大空间大于一层时,其转换层上部与下部结构等效侧向刚度比γe可采用图E所示的计算模型按公式(E.0.2)计算。
γe 宜接近1,非抗震设计时γe不应大于2,抗震设计时γe不应大于1.3。
计算公式见《高规》151页。
②《高规》第E.0.2条还规定:当转换层设置在3层及3层以上时,其楼层侧向刚度比不应小于相邻上部楼层的60%。
⑵SATWE软件所采用的计算方法:高位侧移刚度的简化计算。
⑶应用范围:可用于执行《高规》第E.0.2条规定的工程的刚度比的计算。
(四)《上海规程》对刚度比的规定《上海规程》中关于刚度比的适用范围与国家规范的主要不同之处在于:⑴《上海规程》第6.1.19条规定:地下室作为上部结构的嵌固端时,地下室的楼层侧向刚度不宜小于上部楼层刚度的1.5倍。
⑵《上海规程》已将三种刚度比统一为采用剪切刚度比计算。
(五)工程算例:⑴工程概况:某工程为框支剪力墙结构,共27层(包括二层地下室),第六层为框支转换层。
结构三维轴测图、第六层及第七层平面图如图1所示(图略)。
该工程的地震设防烈度为8度,设计基本加速度为0.3g。
⑵1~13层X向刚度比的计算结果:由于列表困难,下面每行数字的意义如下:以“/”分开三种刚度的计算方法,第一段为地震剪力与地震层间位移比的算法,第二段为剪切刚度,第三段为剪弯刚度。
具体数据依次为:层号,RJX,Ratx1,薄弱层/RJX,Ratx1,薄弱层/RJX,Ratx1,薄弱层。
其中RJX是结构总体坐标系中塔的侧移刚度(应乘以10的7次方);Ratx1为本层塔侧移刚度与上一层相应塔侧移刚度70%的比值或上三层平均刚度80%的比值中的较小者。
具体数据如下:1,7.8225,2.3367,否/13.204,1.6408,否/11.694,1.9251,否2,4.7283,3.9602,否/11.444,1.5127,否/8.6776,1.6336,否3,1.7251,1.6527,否/9.0995,1.2496,否/6.0967,1.2598,否4,1.3407,1.2595,否/9.6348,1.0726,否/6.9007,1.1557,否5,1.2304,1.2556,否/9.6348,0.9018,是/6.9221,0.9716,是6,1.3433,1.3534,否/8.0373,0.6439,是/4.3251,0.4951,是7,1.4179,2.2177,否/16.014,1.3146,否/11.145,1.3066,否8,0.9138,1.9275,否/16.014,1.3542,否/11.247。
1.3559,否9,0.6770,1.7992,否/14.782,1.2500,否/10.369,1.2500,否10,0.5375,1.7193,否/14.782,1.2500,否/10.369,1.2500,否11,0.4466,1.6676,否/14.782,1.2500,否/10.369,1.2500,否12,0.3812,1.6107,否/14.782,1.2500,否/10.369,1.2500,否13,0.3310,1.5464,否/14.782,1.2500,否/10.369,1.2500,否注1:SATWE软件在进行“地震剪力与地震层间位移比”的计算时“地下室信息”中的“回填土对地下室约束相对刚度比”里的值填“0”;注2:在SATWE软件中没有单独定义薄弱层层数及相应的层号;注3:本算例主要用于说明三种刚度比在SATWE软件中的实现过程,对结构方案的合理性不做讨论。
⑶计算结果分析①按不同方法计算刚度比,其薄弱层的判断结果不同。
②设计人员在SATWE软件的“调整信息”中应指定转换层第六层薄弱层层号。
指定薄弱层层号并不影响程序对其它薄弱层的自动判断。
③当转换层设置在3层及3层以上时,《高规》还规定其楼层侧向刚度比不应小于相邻上部楼层的60%。
这一项SATWE软件并没有直接输出结果,需要设计人员根据程序输出的每层刚度单独计算。
例如本工程计算结果如下:1.3433×107/(1.4179×107)=94.74%>60%满足规范要求。
④地下室顶板能否作为上部结构的嵌固端的判断:a)采用地震剪力与地震层间位移比=4.7283×107/(1.7251×107)=2.74>2地下室顶板能够作为上部结构的嵌固端b)采用剪切刚度比=11.444×107/(9.0995×107)=1.25<2地下室顶板不能够作为上部结构的嵌固端⑤SATWE软件计算剪弯刚度时,H1的取值范围包括地下室的高度,H2则取等于小于H1的高度。