【CN209733456U】一种自动炒菜机【专利】
- 格式:pdf
- 大小:555.52 KB
- 文档页数:12
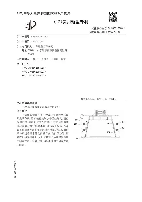
(19)中华人民共和国国家知识产权局(12)实用新型专利(10)授权公告号 (45)授权公告日 (21)申请号 201920411712.0(22)申请日 2019.03.28(73)专利权人 九阳股份有限公司地址 250117 山东省济南市槐荫区美里路999号(72)发明人 王旭宁 庞加伟 王国海 张岱 (51)Int.Cl.A47J 36/00(2006.01)A47J 27/00(2006.01)A47J 36/24(2006.01)(54)实用新型名称一种旋转容器和烹饪器具及炒菜机(57)摘要本实用新型公开了一种旋转容器和烹饪器具及炒菜机,能够使得旋转容器受热均匀,避免局部过热,使得食材烹饪效果好。
本实用新型的旋转容器,包括:容器本体,内部设有腔体;以及设置在所述容器本体上的反射外罩,所述反射外罩与所述容器本体之间设有支撑部;发热管,设置在所述支撑部上,所述发热管与所述容器本体之间存在第一间隙,与所述反射外罩之间存在第二间隙。
权利要求书1页 说明书6页 附图3页CN 209996033 U 2020.01.31C N 209996033U权 利 要 求 书1/1页CN 209996033 U1.一种旋转容器,其特征在于,包括:容器本体,内部设有腔体;以及设置在所述容器本体上的反射外罩,所述反射外罩与所述容器本体之间设有支撑部;发热管,设置在所述支撑部上,所述发热管与所述容器本体之间存在第一间隙,与所述反射外罩之间存在第二间隙。
2.如权利要求1所述的旋转容器,其特征在于,所述反射外罩内靠近内侧壁一侧设有隔热层。
3.如权利要求2所述的旋转容器,其特征在于,所述反射外罩内侧壁表面设有光滑的反射面。
4.如权利要求1所述的旋转容器,其特征在于,所述发热管包括:设置在所述容器本体外侧壁上的上发热管和下发热管,所述下发热管的第一间隙大于所述上发热管的第一间隙。
5.如权利要求4所述的旋转容器,其特征在于,所述上发热管的第一间隙大于所述上发热管的管径。
(19)中华人民共和国国家知识产权局(12)实用新型专利(10)授权公告号 (45)授权公告日 (21)申请号 201920523166.X(22)申请日 2019.04.17(73)专利权人 西安食神电器科技有限公司地址 710000 陕西省西安市雁塔区团结南路32号中国航天军民融合创新中心18楼(72)发明人 王金虎 王莉 (74)专利代理机构 西安知诚思迈知识产权代理事务所(普通合伙) 61237代理人 闵媛媛(51)Int.Cl.A47J 27/00(2006.01)A47J 36/00(2006.01)A47J 47/01(2006.01)(54)实用新型名称无人炒菜机(57)摘要本实用新型公开了一种无人炒菜机,机体上设有多个操作间,每个操作间内均设有锅体,翻转支架为U型,锅座与翻转支架的底部通过轴承连接,锅体置于翻转支架的U型开口内,锅座与电机的输出轴连接,翻转支架开口部分别与对应的旋转箱体转动连接,翻转支架开口部的一端通过水平设置的固定轴与步进电机连接;锅体上设有电加热线圈盘,锅体的上方设有投菜口、加水口、调料投放口,步进电机与控制器连接,控制器分别与投菜口、加水口、调料投放口的投放装置电连接。
本实用新型结构简单,体积小型化,锅体绕轴线自转的同时能够在竖直平面内的转动,更接近人工炒菜过程,提高炒制成品菜的口感。
权利要求书1页 说明书4页 附图3页CN 209966077 U 2020.01.21C N 209966077U权 利 要 求 书1/1页CN 209966077 U1.一种无人炒菜机,其特征在于,机体(1)上设有多个操作间,每个操作间内均设有锅体(2),锅体(2)的底部安装有锅座(5),翻转支架(3)为U型,锅座(5)与翻转支架(3)的底部通过轴承连接,锅体(2)置于翻转支架(3)的U型开口内,锅座(5)与电机(4)的输出轴连接,电机(4)的输出轴与锅体(2)同轴线,翻转支架(3)开口部分别与对应的旋转箱体转动连接,翻转支架(3)开口部的一端通过水平设置的固定轴(8)与步进电机连接;锅体(2)上设有电加热线圈盘,锅体(2)的上方设有投菜口(6)、加水口、调料投放口,锅体(2)在步进电机的作用下随翻转支架(3)在竖直平面内转动的不同角度分别对应于投菜口(6)、加水口、调料投放口,步进电机与控制器连接,控制器分别与投菜口(6)、加水口、调料投放口对应的投放装置电连接,控制器采用DVP24SV型号的PLC。
(19)中华人民共和国国家知识产权局(12)实用新型专利(10)授权公告号 (45)授权公告日 (21)申请号 201920180995.2(22)申请日 2019.02.01(73)专利权人 广州餐无忧科技有限公司地址 510631 广东省广州市天河区中山大道西6、8号天河购物中心第13层自编1304-K01号(72)发明人 胡俊文 (74)专利代理机构 广州市华学知识产权代理有限公司 44245代理人 盛佩珍 刘巧霞(51)Int.Cl.A47J 27/00(2006.01)A47J 36/00(2006.01)A47J 27/04(2006.01)A47J 37/06(2006.01)(ESM)同样的发明创造已同日申请发明专利(54)实用新型名称一种自动烹饪机(57)摘要本实用新型公开了一种自动烹饪机,包括自动投料系统、食材动态处理系统、食材静态处理系统,在自动烹饪过程中,自动投料系统将食材盒内待烹饪食材投入到烹饪容器内,食材动态处理系统根据烹饪要求对食材进行动态处理,处理后将食材倾倒入盛装食具,然后盛出装置将盛装食具运送至食材静态处理系统;在食材静态处理系统中,如果需要进行静态处理,则静态区加热装置对放置在完成食材存放腔体内的盛装食具中的食材进行烹饪处理,若不需要,则静态区加热装置对盛装食具内的食材进行保温/常温存放处理。
本实用新型利用烹饪容器的中转以及食材静态处理系统的加热和保温存放功能,具有烹调方式多、结构简单、体积极小的优点,能够满足普通家庭的日常烹饪需求。
权利要求书2页 说明书14页 附图7页CN 209883797 U 2020.01.03C N 209883797U权 利 要 求 书1/2页CN 209883797 U1.一种自动烹饪机,其特征在于,包括:自动投料系统,包括存储待烹饪食材的食材盒,及控制食材盒内待烹饪食材投入到烹饪容器内的自动投料装置;食材动态处理系统,包括烹饪容器、翻动搅拌装置及烹饪容器转动装置,翻动搅拌装置用于对投放入烹饪容器腔体内的食材进行翻动搅拌动作,烹饪容器转动装置控制烹饪容器在执行烹饪程序时进行转动,以及将烹饪容器内的食材倾倒入指定区域放置的盛装食具中;盛出装置,将盛装食具在上述指定区域以及食材静态处理系统之间进行搬运;食材静态处理系统,包括完成食材存放腔体以及设置在该腔体内的静态区加热装置,若需要进行静态处理,则静态区加热装置对放置在完成食材存放腔体内的盛装食具中的食材进行烹饪处理,若不需要,则对盛装食具内的食材进行存放处理。
(19)中华人民共和国国家知识产权局(12)实用新型专利(10)授权公告号 (45)授权公告日 (21)申请号 201920320122.7(22)申请日 2019.03.13(73)专利权人 佛山市赛米控电子科技有限公司地址 528308 广东省佛山市顺德区伦教永丰工业区工业南路与碧桂路交汇处
(72)发明人 罗玉基 (74)专利代理机构 广州嘉权专利商标事务所有限公司 44205代理人 左恒峰
(51)Int.Cl.A47J 27/00(2006.01)
A47J 36/00(2006.01)
(54)实用新型名称一种炒菜机(57)摘要本实用新型公开了一种炒菜机,包括座体、支架、翻转架、第一转轴、滚筒式锅体、用于识别数字菜谱的识别模块和用于驱动滚筒式锅体转动的电机,通过设置识别模块,可以对数字菜谱进行识别,自动读取烹饪的相关参数,无须手动一个个地进行设置,从而有效地提高了炒菜机使用的便捷性,提高用户体验;另外,通过设置滚筒式锅体,使得食物在锅中可以利用重力自动翻滚,无须额外设置搅拌臂,有效节省成本。
权利要求书1页 说明书4页 附图6页
CN 210055633 U2020.02.14
CN 210055633 U1.一种炒菜机,其特征在于,包括:座体;支架,所述支架固定在所述座体上;第一转轴;翻转架,所述翻转架通过所述第一转轴固定在所述支架上,所述翻转架上设置有加热装置,所述翻转架的后端设置有第二转轴;滚筒式锅体,所述滚筒式锅体设置于所述翻转架上,所述滚筒式锅体的后端与所述第二转轴连接;识别模块,用于识别数字菜谱,所述识别模块设置于所述座体上,所述座体内还设置有用于控制所述识别模块的控制电路;电机,用于驱动所述滚筒式锅体转动,所述电机与所述第二转轴传动连接,所述电机与所述控制电路连接。2.根据权利要求1所述的一种炒菜机,其特征在于:所述识别模块为二维码识别模块。3.根据权利要求1所述的一种炒菜机,其特征在于:还包括用于控制所述滚筒式锅体的方向的手柄,所述手柄设置于所述支架上并与所述第一转轴连接。4.根据权利要求3所述的一种炒菜机,其特征在于:所述手柄上滑动套设有锁定柱,所述锁定柱的长度小于所述手柄的长度;所述手柄的一端套设有弹簧,所述弹簧与所述锁定柱的一端连接;所述第一转轴的外围设置有固定件,所述固定件上设置有空心槽,所述空心槽的两侧分别相对设置有若干个凸出部,相对的两个凸出部的距离大于所述手柄的直径并小于所述锁定柱的直径,相邻的两个凸出部之间形成与所述锁定柱外壁的形状相匹配的凹陷部,所述手柄穿过所述空心槽与所述转轴连接。5.根据权利要求1所述的一种炒菜机,其特征在于:所述翻转架的前端设置有凹槽,所述凹槽上设置有滑轮,所述滑轮与所述滚筒式锅体的外侧壁相抵接。6.根据权利要求1所述的一种炒菜机,其特征在于:还包括用于保护所述滚筒式锅体的挡板,所述挡板套设在所述滚筒式锅体的上方并与所述翻转架相互固定。7.根据权利要求6所述的一种炒菜机,其特征在于:所述挡板上设置有第一散热孔。8.根据权利要求1所述的一种炒菜机,其特征在于:所述翻转架的后端设置有第一散热风扇。9.根据权利要求1所述的一种炒菜机,其特征在于:所述翻转架上设置有半圆形的凹位,所述加热装置设置于所述凹位上。10.根据权利要求1-9任一所述的一种炒菜机,其特征在于:所述座体上设置有第二散热孔。
(19)中华人民共和国国家知识产权局
(12)实用新型专利
(10)授权公告号 (45)授权公告日 (21)申请号 201920197132.6
(22)申请日 2019.02.14
(73)专利权人 上海中果实业有限公司
地址 201601 上海市松江区泗泾镇高技路
655号3栋401室
(72)发明人 李白苇 匡小员
(74)专利代理机构 北京知呱呱知识产权代理有
限公司 11577
代理人 朱红涛 冯建基
(51)Int.Cl.
A47J 27/00(2006.01)
A47J 36/00(2006.01)
A47J 36/16(2006.01)
B65B 69/00(2006.01)
(54)实用新型名称一种自动炒菜机(57)摘要本实用新型实施例涉及烹饪设备技术领域,具体涉及一种自动炒菜机,包括炒锅、原料存放盒和撕膜机构,所述炒锅一侧设有加热机构,所述炒锅上侧设有传动安装体,所述传动安装体上设有连通炒锅的加料孔,在所述加料孔两侧的传动安装体上设有存放盒导向机构,所述原料存放盒设置在传动安装体上侧,在原料存放盒的下侧开口处封装有保鲜膜,撕膜机构带动保鲜膜与原料存放盒分离的同时带动原料存放盒沿存放盒导向机构滑动。
利用保鲜膜对菜品原材料进行密封保存,避免食材变质,原料存放盒内的原材料按照顺序依次通过加料孔进入炒锅内,出菜高效,操作便捷,
真正做到无人参与。
权利要求书1页 说明书4页 附图6页CN 209733456 U 2019.12.06
C N 209733456
U
权 利 要 求 书1/1页CN 209733456 U
1.一种自动炒菜机,其特征在于:所述的自动炒菜机包括炒锅(3)、原料存放盒(1)和撕膜机构(5),所述炒锅(3)一侧设有加热机构,所述炒锅(3)上侧设有传动安装体(4),所述传动安装体(4)上设有连通炒锅(3)的加料孔(8),在所述加料孔(8)两侧的传动安装体(4)上设有存放盒导向机构,所述原料存放盒(1)设置在传动安装体(4)上侧,所述原料存放盒(1)沿存放盒导向机构水平滑动设置,在原料存放盒(1)的下侧开口处封装有保鲜膜(1-3),所述撕膜机构(5)固定在传动安装体(4)内,所述撕膜机构(5)带动保鲜膜(1-3)与原料存放盒
(1)分离的同时带动原料存放盒(1)沿存放盒导向机构滑动。
2.根据权利要求1所述的自动炒菜机,其特征在于:所述的原料存放盒(1)设有间隔设置的多个原料存放单元格(1-1)。
3.根据权利要求2所述的自动炒菜机,其特征在于:所述的原料存放盒(1)的侧边上开设有多个加料开关工艺孔(1-2),传动安装体(4)上设有与加料开关工艺孔(1-2)相配合的行程开关(4-7)。
4.根据权利要求1所述的自动炒菜机,其特征在于:所述的撕膜机构(5)包括辊压主动轴(5-1)、辊压被动轴(5-2)、辊压膜电机(4-4)和被动轴驱动机构,所述辊压主动轴(5-1)与辊压被动轴(5-2)相互平行设置,所述辊压主动轴(5-1)与辊压膜电机(4-4)的电机轴(5-9)连接,所述被动轴驱动机构连接并带动辊压被动轴(5-2)沿靠近或远离辊压主动轴(5-1)的方向移动。
5.根据权利要求4所述的自动炒菜机,其特征在于:所述的被动轴驱动机构包括撬杆(5-4)、凸轮(5-7)和凸轮电机(4-2),所述撬杆(5-4)中部与传动安装体(4)相对转动地设置,所述撬杆(5-4)一端与辊压被动轴(5-2)转动连接,所述凸轮(5-7)设置在撬杆(5-4)的另一端,所述凸轮(5-7)通过凸轮轴(5-3)连接凸轮电机(4-2)。
6.根据权利要求4或5所述的自动炒菜机,其特征在于:传动安装体(4)两侧设有轴安装支架(5-5),在轴安装支架(5-5)上设有升降设置在轴承活动顶块(5-10),所述轴承活动顶块(5-10)设置在辊压被动轴(5-2)端部的轴承下侧,所述轴承活动顶块(5-10)的下侧设有弹簧(5-6)。
7.根据权利要求1所述的自动炒菜机,其特征在于:所述的存放盒导向机构为导向槽(4-5),所述原料存放盒(1)的两侧边设置在导向槽(4-5)内。
8.根据权利要求1所述的自动炒菜机,其特征在于:所述的保鲜膜(1-3)的一端长出原料存放盒(1)的一端,所述保鲜膜(1-3)的一端插入辊压主动轴(5-1)与辊压被动轴(5-2)之间。
9.根据权利要求1所述的自动炒菜机,其特征在于:所述的炒锅(3)固定在一个固定壳(7)内,所述传动安装体(4)的一侧与固定壳(7)转动连接,在传动安装体(4)的下侧固定有一个与炒锅(3)相配合的锅盖(9),所述锅盖(9)下侧设有伸入炒锅(3)内的搅拌机构(6)。
10.根据权利要求9所述的自动炒菜机,其特征在于:所述的搅拌机构(6)包括快卸轴套(6-1)、长搅拌杆(6-3)和短搅拌杆(6-2),所述锅盖(9)上侧设有连接快卸轴套(6-1)的搅拌电机(4-3),所述长搅拌杆(6-3)和短搅拌杆(6-2)分别连接在快卸轴套(6-1)的下端两侧,在快卸轴套(6-1)的内孔周边及底部设有用于与搅拌电机(4-3)的电机轴(5-9)相吸合的磁铁。
2。