计量经济学大作业
- 格式:docx
- 大小:2.82 MB
- 文档页数:14
计量经济学作业计量经济学作业(5-7)一、作业五1. 在存在异方差情况下,普通最小二乘法(OLS )估计量是有偏的和无效的。
()2. 当存在自相关时,OLS 估计量是有偏的并且也是无效的。
()3. 如果在多元回归模型中,根据通常的t 检验,全部回归系数分别都是统计上不显著的,那么该模型不会有一个高的R 2值。
()4. 在时间序列模型中,遗漏重要解释变量既有可能导致异方差问题,又有可能导致自相关问题。
()5. 变量是非线性的回归模型在计量经济学上不被称作线性回归模型。
()6. 随机误差项μi 与残差e i 是一回事。
()7. 给定显著性水平α及自由度,若计算得到的t 值超过临界的t 值,则接受原假设。
8. 蛛网现象可能会带来计量经济模型的自相关问题。
()9. 无论模型中包括多少个解释变量,总离差平方和(TSS )的自由度总为(n-1)。
()10. 在多元线性回归模型中,方差膨胀因子(VIF )一定是不小于1。
()11. 在存在异方差情况下,常用的OLS 法总是高估了估计量的标准差。
()12. 若假定自相关系数等于1,那么一阶差分变换能够消除自相关。
()13. 存在多重共线时,模型参数无法估计。
()14. 如果在多元回归模型中,根据通常的t 检验,全部回归系数分别都是统计上不显著的,那么该模型不会有一个高的R 2值。
()15. 当我们得到参数区间估计的上下限的具体数值后,就可以说参数的真实值落入这个区间的概率为1-α. ()16. p 值和显著性水平α是一回事。
()17. 只有当μi 服从正态分布时,OLS 估计量才服从正态分布。
()18. 多元回归模型的总体显著性意味着模型中任何一个变量都是统计显著的。
()19. 戈德菲尔德-夸特检验(GQ 检验)可以检验复杂性的异方差。
()20. 残差平方和除以自由度(n-k )始终是随机误差项μi 方差(2σ)的无偏估计量。
()21. 用一阶差分法消除自相关时,我们假定自相关系数等于-1。
2010-2011第二学期计量经济学大作业大作业名称:2008年12月我国税收多因素分析组长:学号:00 姓名:专业:财政学成员:学号:00 姓名:专业:财政学学号:00 姓名:专业:财政学选课班级:A01 任课教师:徐晔成绩:评语:__________________________________________________ 教师签名:批阅日期:计量经济大作业要求如下:目的要求:1.熟练掌握计量经济学的主要理论与方法;2.能够理论联系实际;3.能够运用计量经济学软件Eviews进行计算和分析;4.要求:word文档格式,内容四千字左右,并附数据。
内容:1.确立问题:选择一个经济预测问题或经济分析问题,根据一定的经济理论和实际经验分析所涉及的经济领域或经济系统中某一经济变量与其它一些(至少二个)经济变量之间的因果关系。
2.建立模型:初步建立其多元线性回归模型,利用软件求解回归方程;进行经济意义检验、统计与经济计量检验,解决可能出现的违反基本假设的问题,最后确定回归方程。
3.提供图表:给出说明该回归方程建立效果较好的必要的图表,如通过被解释变量的观察值曲线与拟合值曲线来比较其拟合效果。
4.实证分析:利用回归方程的结果进行一定的经济预测或经济分析。
江西财经大学信息管理学院计量经济学课程组2011/2/192008年12月我国税收多因素分析【摘要】:本文主要分析税收收入与国民生产总值及进出口的关系,通过数据拟合模型,将几者之间的关系量化。
一、研究背景税收是国家为了实现其职能,按照法定标准,无偿取得财政收入的一种手段,是国家凭借政治权力参与国民收入分配和再分配而形成的一种特定分配关系。
是我们国财政收入的基本因素,也影响着我国经济的发展。
税收收入的影响因素是来自于多方面的,如居民消费水平、城乡储蓄存款年末余额、财政支出总量以及国内生产总值等等。
近年来,我国的税收增长远远快于GDP的增长速度,通过对税收增长的两个影响因素进行分析,从中找出对我国的税收增长影响最大的影响因素。
计量经济学大作业大作业名称:选课班级:任课教师:成绩:一、摘要经济的发展,必然会带来货币的流通,也会带来消费。
经济将货币流通量、货款额和居民消费价格指数连接起来。
一个国家贷款额的多少和居民的消费价格指数往往可以在某种程度上反映经济的发展,反映货币流通量的大小。
我们可以通过计量经济学的多元线性模型来反映货币流通量、货款额和居民消费价格指数三者之间的关系。
然后对其进行拟合优度检验,F检验,显著性检验,异方差检验,相关性检验和多重共线性检验。
通过检验最终确定模型,使得建立的模型达到最优的结果。
通过分析我们得出,贷款额增加,会导致货币流通量的增加,居民消费价格指数的增加,也会导致货币流通量的增加。
关键字:币流通量货款额居民消费价格指数多元线性模型二、引言经济的发展,必然会带来一系列的改变,而货币流通量的变化则是最直接、深刻的体现了这一点。
接下来我们将根据多元线性回归模型来分析货币流通量、货款额和居民消费价格指数三者之间的关系。
在此次试验中,我们运用了eviews软件对相关数据进行处理和分析。
1、拟合优度检验——可决系数R2统计量回归平方和反应了总离差平方和中可由样本回归线解释的部分,它越大,残差平方和越小,表明样本回归线和样本观测值的拟合程度越高。
2、方程总体线性的显著性检验——F检验(1)方程总体线性的显著性检验,旨在对模型中被解释变量与解释变量之间的线性关系在总体上是否显著成立作出的判断。
(2)给定显著性水平α,查表得到临界值Fα(k,n-k-1),根据样本求出F统计量的书之后,可通过比较来判断是拒绝还是接受原假设,以判定原方程总体上的线性关系是否显著成立。
3、变量的显著性检验——t检验4、异方差的检验——怀特检验5、多重共线性的检验——逐步回归法以y为解释变量,逐个引入解释变量,构成回归模型,进行模型估计。
三、实证分析1、确定变量“货币流通量”为被解释变量,而“货币贷款额”和“居民消费价格指数”为解释变量。
计量经济学大作业――税收影响因素的研究学号:姓名:专业:税收影响因素的研究摘要本文研究的是税收影响因素模型,通过对1991-2010年税收规模资料的分析,以了解税收的结构、规模及演变的新特点,并探讨影响税收的各因素,运用Eviews软件对1991—2010的历史数据进行分析,并通过我国实际经济发展状况和政策导向运用此关系对以后情况进行预测。
关键词:税收财政支出 OLS1 问题的提出从进入21世纪以来,我国的经济发展面临着巨大的挑战与机遇,在新的经济背景下,基于知识和信息的产业发展迅速,全球一体化日渐深入,中国已是WTO的一员。
新形势的经济发展是经济稳定和协调增长的结果,由于税收具有敛财与调控的重要功能,因而他在现实的经济发展中至始至终都发挥着非常重要的作用,所以研究影响我国税收收入的主要原因具有非常重要的作用。
改革开放以来,中国经济高涨,对税收影响最大的当属财政支出。
另外各种消费价格指数也是重要影响因素,而前人有对国内生产总值是否具有影响进行过实证分析。
经济发展水平是制约税制结构的生产力要素,两者之间的相关程度较高。
这种相关性主要表现为经济发展水平规定着税收参与社会产品分配的比例,决定着税制结构的选择。
经济发展水平的差异通常以人均国内生产总值的高低来衡量。
在人均国内生产总值不同的国家里,税收规模即税收占国内生产总值的比重是不一样的。
以世界银行公布的1980年的调查材料为例,在人均国内生产总值260美元的低收入国家里,国内生产总值税收率为13.2%;人均国内生产总值为2000美元的中等收入国家,这一比率为23.3%;而在人均国内生产总值为1万美元的高收入国家,这一比例是28.1%。
显然,一国国内生产总值税收率愈高,税负承受能力愈强,因而也为税制结构的调整提供了物质基础。
本文站在前人的基础上,引用计量的方法,将三者综合起来对税收进行探讨,作者认为,在我国经济飞速发展的过程中,国内生产总值有了很大的增长,因而本文将国内生产总值引入该项目的实证研究分析。
计量经济学大作业江西财经大学2012~2013第1学期课程论文考试评分表注:教师提供选题者,选题项不予评分任课教师:徐晔我国税收收入的影响因素分析学号:0102141 姓名:林梦茹专业:10国民经济管理学号:0102118 姓名:林志良专业:10国民经济管理学号:×××姓名:×××专业:×××摘要:税收是国家取得财政收入的一种重要工具,也是影响我国经济发展的一个很重要的因素。
通过对影响税收增长的主要因素进行分析,解释这些因素和税收收入之间存在的关系以及其对税收收入的影响程度的大小;在此基础上,提出相应的发展对策,以促进我国税收收入的增长以及我国经济的全面发展。
关键词 :税收收入;影响因素;税制改革一、经济背景税收来源于经济,又作用于经济。
作为参与社会产品分配、实施宏观调控的重要手段,税收不仅能为政府筹集必要的资金,而且还可以改变和调整不同经济主体之间的利益分配。
市场经济条件下,税收与经济发展的相互影响越来越显著,因此,对税收收入的经济性影响因素加以分析,有助于我们对税收结构进行优化,从而使税收对经济发展发挥更大的作用。
经济决定税收,税收反映经济。
经济规模决定税源规模,经济结构决定税收结构,经济增长速度影响和制约税收增长速度,反过来税收对经济发展也具有一定的乘数效应。
要实现经济的持续发展,必须要使税收符合其发展的要求,建立与市场经济相适应的税收结构,即政府筹集的税收收入必须能够尽量满足其实现社会职能的需要。
对税收收入的主要影响因素加以分析,从结构上对税收收入的影响作出一个很好的了解,有助于我们运用政策工具对税收结构进行优化,从而使税收对经济发展发挥更大的促进作用。
改革开放以来,中国经济高速增长,1978-2008年的31年间,国内生产总值从3645.2亿元增长到314045亿元,一跃成为世界第二大经济体。
随着经济体制改革的深化和经济的快速增长,中国的财政收支状况也发生了很大的变化,中央和地方的税收收入1978年为519.28亿元,到2008年已增长到54223.79亿元,31年间平均每年增长16.76%。
题目:1960——1999年美国城镇工资与生产率和失业率关系的实证分析美国的失业率在1994年年底跌倒6%以下,当时有很多经济学家预测美国的通货膨胀势必要升高,因为经济学界大多数认为美国的自然失业率大约为6%。
此后,美国的失业率一路下降,在2000年4月下降至3.9%,创下了1960年以来在地记录,可是美国的通货膨胀率不仅未升高,反而一再下跌,并在1998年年初创下了1960年以来的最低记录。
对影响美国1960年以来失业率因素进行分析,我们可以得知当时的美国的经济状况,通过对其研究掌握一定的经济知识,对于我们以后的发展是非常有现实意义的。
1 模型的设定和解释变量的说明1.1 模型的设定影响失业率的因素很多,本文将根据已有的经济理论结合美国的实际情况,选取生产率(Productivity, P)、失业率(Unemployment Rate, UR)两个影响因素来建立一个关于美国城镇工资(Wage, W)、的多元回归模型,即W=f(P,UR)。
得到模型之后,观察复判定系数R2、F值、p值和D-W值,初步对模型的可用性进行判断,然后查看变量的相关系数矩阵,检测模型多重共线性的严重性,用怀特(White)异方差检验方法检验模型是否存在异方差的问题,再在观察D-W值的前提下,用LM检验法检验模型是否存在自相关的问题。
最后,根据以上检验得到的结果对模型进行修正,消除或减弱在初次建模中存在的问题,得到最终的模型。
1.2 解释变量的说明(1)生产率(Productivity, P)效率工资理论所需要探究的是工资率水平跟生产效率之间的关系,这是主流宏观理论为了解释工资刚性而提出的理论。
效率工资理论是一种有关失业的劳动理论,其核心概念是员工的生产力与其所获得的报酬(主要是指薪资报酬但亦能轻易地推广到非金钱报酬)呈正向关系,是为了解释非自愿性失业(involuntary unemployment)现象所发展出来的相关模型的通称。
大型作业报告课程名称计量经济学大型作业课程代码272102601、272102602题目对2011年的经济预测专业经济学班级2011271、2011272小组成员廖舒雅、朱媛、陈倩倩、胡玉婷朱文斌、朱嘉昊上海电力学院经济与管理学院《计量经济学》大型作业任务书一、内容1、基础训练——熟悉计算机软件Eviews的子菜单和使用Eviews软件求解计量经济学问题。
能用Eviews软件求解计量经济学中的常见数学模型。
完成以下内容:实验项目一二三四实验名称一元回归模型多元回归模型异方差自相关检验单整与协整实验内容实验报告一实验报告二实验报告三实验报告四2、综合训练:社会消费品零售问题的计量分析建模等。
(见附录1)二、目的通过大型作业教学,培养学生利用所学的计量经济学知识,根据具体的问题,进行综合分析、计算、评价的能力,以全面理解计量经济学的思想和方法并能用于实际工作。
三、要求:1、总体要求全面结合计量经济学的内容,根据自己对问题的理解,通过分析,建立合理的计量经济学模型,能利用计算机软件Eviews给出参数估计并检验,并能根据自己的理解给出合理分析。
2、形式要求所用的计量经济学内容应先有简明阐述,再与具体问题相结合的结论。
整个作业力求全面、丰富,应用资料注明来源。
打印成稿。
四、组织形式基础训练单独完成;每人交一份打印稿作业(正反打印)。
综合训练分组进行,每小组6人(含6人),小组完成时必须有明确的分工,必须有总负责人(总负责人也必须有自己的局部内容)。
综合训练部分小组提交一份打印稿作业。
任务书与大作业封面要在综合训练部分作业中。
注:小组完成的,应根据各人完成的具体工作,在大型作业的成品上注明,并按顺序排名。
五、考核形式大型作业的所有内容在1月15日结束之前交稿,教师可根据评阅情况的需要,指定部分作品进行答辩质疑与交流。
六、成绩评定1、大作业的总评成绩由三部分组成:基础训练+综合训练报告质量+平时表现(出席和答辩表现),具体比例为:40:30:30成绩由任课老师根据完成质量进行评定,以优\良\中\及格\不及格计分。
研究生课程考核试卷科目:计量经济与运筹学教师:陈安明姓名:龙成平学号:20130302074专业:工程财务与造价管理类别:(学术)学位上课时间:2014年2月至2014年5月考生成绩:阅卷评语:阅卷教师(签名)重庆大学研究生院制基于相似分析的二手房项目类比特征定价模型摘要:本文以西安市二手房交易市场和价格为研究对象,基于异质商品按质论价、商品特征相似程度越高价格越相近的基础原理,建立二手房项目类比特征定价模型,解决少量样本情况下二手房项目的特征定价问题。
关键词:二手房;相似分析;特征定价 一、 建立建模思路按质论价是异质商品定价的基础原则,在众多定价方法中,特征定价需要使用样本住宅项目的特征数据。
当样本项目较多时,可使用房地产特征定价模型,建立均价或总价与属性变量间较精确的函数关系;当样本较少时,难以确定均价或总价与属性变量间较精确的函数关系。
根据项目相似程度越高其越相近的原理,可建立基于相似分析的住宅项目类比特征定价模型。
其思路为,利用项目属性相对于均价的重要权重,确定均价与目标项目相似度最大的前几个典型样本项目均价进行修正,最终得到目标项目均价。
本文在确定权重与属性向量相似度时采用灰色关联度分析法。
二、 建模方法与步骤 1. 问题描述设影响住宅项目均价的属性有m 个, 属性集为x 1, x2, …,xn , 已正向化, 均价为p 。
目标项目A 0的销售均价p 0 待估算,属性向量为: A0 =(x 01,x02, …, x0m), 有n 个样本项目, 均价为pi,属性向量为Ai= ( x i1, xi2, …, xim ) i =1,2, …,n 。
问题描述为, 当n 较小时, 如何利用样本数据信息确定目标项目销售均价p0。
2. 确定各属性对均价的贡献度可根据各属性xi 相对于均价p 的重要性权重大小来体现各属性对确定项目均价的贡献程度。
记权重向量为w=(w1,w2, …,wm ), 可用层次分析法, 专家调查法, 灰色关联度分析法, 相关系数和熵权法等主客观方法确定w 。
计量经济学大作业计量经济学作为一门将经济理论、数学和统计学相结合的学科,在当今社会经济领域中发挥着重要作用。
它通过建立数学模型和运用统计方法,对经济现象进行定量分析和预测,为政策制定、企业决策等提供科学依据。
在本次大作业中,我将通过一个具体的案例来展示计量经济学的应用和分析过程。
假设我们要研究某地区的居民消费水平与收入水平之间的关系。
首先,我们需要收集相关的数据。
通过问卷调查、统计部门公布的数据等渠道,我们获取了该地区一定数量居民的收入和消费支出数据。
接下来,我们对数据进行初步的处理和分析。
观察数据的分布情况,检查是否存在异常值或缺失值。
对于异常值,需要判断其是由于数据录入错误还是真实的特殊情况。
如果是录入错误,进行修正;如果是特殊情况,则需要在后续的分析中加以考虑。
对于缺失值,可以采用适当的方法进行填补,如均值填补、回归填补等。
在确定数据质量良好后,我们建立计量经济模型。
根据经济理论和前人的研究成果,我们假设居民消费水平(Y)与收入水平(X)之间存在线性关系,模型可以表示为:Y =β0 +β1X +ε ,其中β0 是截距项,β1 是斜率,表示收入对消费的边际影响,ε 是随机误差项。
为了估计模型中的参数β0 和β1 ,我们使用最小二乘法(OLS)。
最小二乘法的基本思想是使得观测值与模型预测值之间的误差平方和最小。
通过计算,我们得到了参数的估计值。
然后,我们对模型进行检验。
首先是经济意义检验,即参数估计值的符号和大小是否符合经济理论和实际情况。
例如,在我们的模型中,β1 应该为正,因为通常情况下收入增加会导致消费增加。
其次是统计检验,包括拟合优度检验(R²)、变量的显著性检验(t 检验)和方程的显著性检验(F 检验)。
R²衡量了模型对数据的拟合程度,其值越接近 1 表示拟合越好。
t 检验用于判断每个自变量对因变量的影响是否显著,F 检验用于判断整个方程是否显著。
假设我们得到的估计结果为:Y = 1000 + 08X ,R²= 08 ,t 检验和 F 检验均显著。
2012学年第一学期科目金融计量经济学导论任课教师班级组员中国粮食生产与相关投入的分析【摘要】“民以食为天”。
粮食是宝中之宝,世界上任何国家都注重粮食生产,我们中国也不例外,以7%的土地养活了世界22%的人口,取得举世瞩目的成果。
粮食是人类最基本的生活消费品,一个国家的粮食问题是关系到本国的国计民生的头等大事。
人们都知道,农业是国民经济发展的基础,粮食是基础的基础,因此粮食生产是关系到一个国家生产与发展的一个永恒的主题。
建国以来我国的粮食产量出现了多次的波动,给消费者和生产者带来了很不利的影响,所以了解影响粮食生产因素很重要。
本文根据粮食产量的历史和现状,从计量经济的角度分析影响我国粮食产量的因素。
运用线性回归方法建立了影响粮食产量的计量经济模型,并对模型进行分析和评价。
结果我们会发现粮食播种面积、农化肥施用量、成灾面积是影响粮食生产的三大因素,其中农化肥施用量的影响最大。
【关键词】粮食产量、播种面积、化肥施用量、成灾面积、农业机械总动力、农业劳动力一、摘要简介研究主题:以过国内数据为例,研究影响我国粮食生产的因素,初步考虑相关因素可能有:粮食产量(Y)、农化肥施用量(x1)、粮食播种面积(x2)、成灾面积(x3)、农业机械总动力(x4)、农业劳动力(x5)数据类型:年统计数数据频度:年起止时间:1983-2010年样本大小:28主要研究方法:线性回归小组成员:二、模型的提出影响粮食生产的因素很多,有劳动力、物质投入、土地、生产方式、技术进步、生产结构、制度因素、气候变化和自然灾害等等因素都影响着粮食产量。
为了基本涵盖这些基本因素,本文选择了以农业化肥施用量、粮食播种面积、成灾面积、农业机械总动力等为解释变量,以粮食产量为被解释变量。
对于这些影响因素,我找到了1983到2010年的关于这些因素的数据,借此来分析中国粮食产量的影响因素和它们是如何来影响粮食产量的,以下是对所找的数据做的一些说明:1、粮食产量。
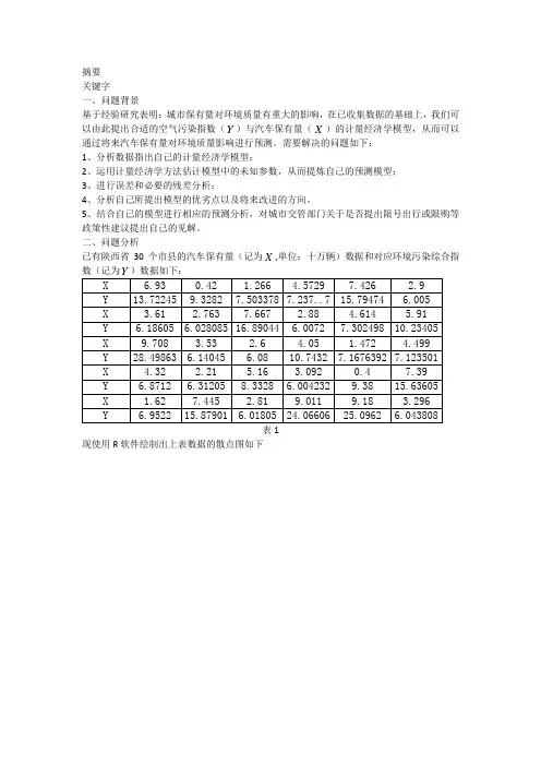
摘要关键字一、问题背景基于经验研究表明:城市保有量对环境质量有重大的影响,在已收集数据的基础上,我们可以由此提出合适的空气污染指数(Y)与汽车保有量(X)的计量经济学模型,从而可以通过将来汽车保有量对环境质量影响进行预测。
需要解决的问题如下:1、分析数据指出自己的计量经济学模型;2、运用计量经济学方法估计模型中的未知参数,从而提炼自己的预测模型;3、进行误差和必要的残差分析;4、分析自己所提出模型的优劣点以及将来改进的方向。
5、结合自己的模型进行相应的预测分析,对城市交管部门关于是否提出限号出行或限购等政策性建议提出自己的见解。
二、问题分析已有陕西省30个市县的汽车保有量(记为X,单位:十万辆)数据和对应环境污染综合指Y表1现使用R软件绘制出上表数据的散点图如下图1三、模型的建立 1、确定模型函数式由初始数据散点图图像,可初步假设X 与Y 之间的关系为抛物线,建立模型2012Y X X b b b m =+++,其中0b 、1b 、2b 为常数,m 为误差项。
显然2X 与X 线性无关,令1X X =,22X X =,得到01122Y X X b b b m =+++这一线性模型,误差项m 表示除了1X ,2X 之外其他因素对Y 的影响以及实验或测量误差,0b ,1b ,2b 是待估计的未知参数。
2、关于模型的基本假设 假定误差项i m ,其中,j 1,2,30i =,满足以下假设:()()0,i a E m =2()(),()i b Var m s s =等方差,是常数(c)Cov(,)0,.()i j i j m m =不相关四、模型求解在Gauss-Markov 假设的前提下,我们对线性模型01122Y X X b b b m =+++以最小二乘法(OLS)求解系数,由式()1TT X XX Yb -=得到0121.32782862.8165464==0.480951=6b b b -,,,即有(4.1)去除显而易见的异常点(4.05,10.7432)再次求解系数,得到01210.5, 3.0,0.5b b b ==-=,2= 3.010505..X X Y +-, (4.2)五、模型检验 假设2~(0,)N I m s 。
计量经济学大作业学号: 0110737 0110738 0110739姓名:杨胜文兰于青陈佩昕专业: 11税务二班修课时间: 2013——2014学年第一学期任课教师:徐晔成绩:我国农业生产总值的实证分析摘要本文研究的是我国农业生产总值模型,通过对粮食产量、有效灌溉面积、化肥施用量和农用机械总动力的资料的分析,以了解影响我国农业生产总值的各因素,运用EVIEWS软件对1991—2010年的历史数据进行分析,通过逐步剔除不合适的解释变量和对方程进行一系列的检验,最终找出我国农业生产总值与主要影响要素之间的关系。
从而得出结论:虽然我国是农业大国,但是整体生产力发展水平还比较低,机械化程度不高。
关键词:农业总产值影响因素实证分析有效灌溉面积AbstractThis text is about agricultural production value in our country model .Through the grain production,effective irrigation area,fertilizer and agricultural machinery total power ’s data since 1991 ,In order to understand the effect on our country's agricultural production factors of gross.It use EVIEWS software approach to analyze the historical data of 1991-2010, through rejecting the improper explanation variable progressively and carrying on a series of inspection to the equation, find out the relationship between agricultural production value in our country and the key factor finally. Thus it can be concluded that although our country is the large agricultural nation, but overall productivity development level is low, the mechanization level is not high.Key words: Agricultural Production Value Influencing FactorPositive Analysis Effective Irrigation Area目录1问题的提出 (4)2 理论综述 (4)3模型设定 (5)4数据的搜集 (5)5模型的估计与调整 (6)6结论 (11)参考文献: (2)1问题的提出粮食不仅是人类的基本必需品,也关系着人民的健康社会稳定和经济发展,影响国计民生的主要因素。
学院:__________金融学院_____________ 上课学期: ___ 2011-2012第一学期_________ 课程名称: _______ 金融计量学_____________ 指导教师:_______ _ ______________实验主题:_ GDP增长与三大产业关系模型____ 小组成员:二零一一年十一月二十四日目录摘要 (3)1.引言 (3)2.提出问题 (4)3.建立模型 (4)4.制作散点图 (4)5.模型参数估计 (8)6.模型的检验 (9)计量经济学检验 (9)多重共线性检验 (9)简单回归系数检验 (10)找出最简单的回归形式 (10)逐步回归法检验 (14)异方差性检验 (15)图示检验法 (15)检验 (16)异方差的修正 (17)随即扰动项序列相关检验 (18)检验 (18)6.拉格朗日乘数(LM)检验 (19)序列相关性修正 (19)经济意义检验 (20)统计检验 (21)拟合优度检验 (21)方程显着性检验——F检验 (21)参数显着性检验——t检验 (21)7.结论 (22)8.对策与建议 (23)9.参考文献: (23)摘要经济发展是以GDP增长为前提的,而GDP增长与产业结构变动又有着密不可分的关系。
本文采用1981年至2010年的统计数据,通过建立多元线性回归模型,运用最小二乘法,研究三大产业增长对我国GDP增长的贡献,从而得出调整产业结构对转变经济发展方式,促进我国经济可持续发展的重要性。
关键字:GDP增长;三大产业;产业结构1.引言GDP 增长通常是指在一个较长的时间跨度上,一个国家人均产出(或人均收入)水平的持续增加。
GDP 增长率的高低体现了一个国家或地区在一定时期内经济总量的增长速度,也是衡量一个国家或地区总体经济实力增长速度的标志。
它构成了经济发展的物质基础,而产业结构的调整与优化升级对于GDP 增长乃至经济发展至关重要。
一个国家产业结构的状态及优化升级能力,是GDP 发展的重要动力。
计量经济学实验报告姓名:罗晓亭学号:0842122 班级:经济管理学院上机时间:2010-12-28 上机地点:实验楼A106 上机目的:(1)初步掌握经济理论的计量实现程序;(2)熟悉Eviews在线性回归方程中的基本操作;(3)掌握对回归模型的经济意义检验、统计学检验及统计学检验;(4)掌握序列相关、异方差、多重共线性的实际意义、对模型的影响及修正方法;(5)利用所求模型对实际问题进行预测与分析。
1991~2004年国内生产总值与第一产业的关系一、研究的问题第一产业包括农业、林业、渔业、畜牧业和采集业,有的国家还包括采矿业。
第二产业指的是对初级产品进行再加工的部门。
在我国包括工业(采掘业、制造业、电力、煤气及水的生产和供应业)和建筑业。
国内生产总值是指在一定时期内(一个季度或一年),一个国家或地区的经济中所生产出的全部最终产品和劳务的价值,常被公认为衡量国家经济状况的最佳指标。
它不但可反映一个国家的经济表现,更可以反映一国的国力与财富。
我们所研究的问题是第一产业、第二产业对国内生产总值的影响到底有多大?二、对问题的经济理论分析、所涉及的经济变量1、配第-克拉克定律英国经济学家A.G.B.费希尔把人类社会生产的发展分为三个阶段:第一阶段为初级生产阶段,生产活动的特征是以农业和畜牧业为主。
第二阶段是以纺织、钢铁和其他工业生产的大规模迅速发展为特征。
第三阶段是以各种服务业的生产为主的产业迅速发展为特征。
配第-克拉克定律:随着现代经济的发展,满足物质生活需要以外的更高级的需要的产业迅速发展起来。
于是在社会经济的发展中出现了这样的趋势:在农业中就业的人数相对于工业中就业的人数趋于下降,接着,在工业中就业的人数相对于服务业中就业的人数也趋于下降。
经济学界把这种经济发展趋势称为“配第-克拉克定律”,它是英国古典经济学家W.配第和英国经济学家C.克拉克(1905~)发现和加以表述的。
2、GDP的重要性从生产角度看,GDP不仅能够反映一个国家(或地区)的生产规模,而且能够反映这个国家的产业结构,如一、二、三产业在整个国民经济中所占的份额。
1.用普通最小二乘法估计模型设粮食生产函数为:ln Y=ß0+ ß1lnX1+ ß2lnX2+ ß3lnX3+ ß4lnX4+ ß5lnX5+ ß6lnX6+u表1.1 中国粮食生产对相关投入资料的回归Dependent Variable: LOG(Y)Method: Least SquaresDate: 12/12/18 Time: 15:23Sample: 1 31Included observations: 31Variable Coefficient Std. Error t-Statistic Prob.C -0.767185 0.367358 -2.088384 0.0475LOG(X1) 0.756877 0.092352 8.195548 0.0000LOG(X2) 0.246285 0.097403 2.528513 0.0184LOG(X3) 0.000181 0.108323 0.001671 0.9987LOG(X4) 0.029766 0.032437 0.917651 0.3679LOG(X5) -0.032465 0.033892 -0.957898 0.3477LOG(X6) 0.050808 0.041579 1.221951 0.2336R-squared 0.984981 Mean dependent var 7.032116 Adjusted R-squared 0.981226 S.D. dependent var 1.271625 S.E. of regression 0.174237 Akaike info criterion -0.461125 Sum squared resid 0.728602 Schwarz criterion -0.137322 Log likelihood 14.14744 Hannan-Quinn criter. -0.355573 F-statistic 262.3231 Durbin-Watson stat 1.275060 Prob(F-statistic) 0.000000由表可得:lnYˆ=-0.767+ 0.757lnX1+ 0.246lnX2+ 0.0002lnX3+ 0.03lnX4+ 0.032lnX5+ 0.051lnX6 (-2.088) (8.20) (2.53) (0.002) (0.92) (-0.96) (1.22) R2=0.9850 R2=0.9812 F=262.32由于R2较大且接近于1,而且F0.05(6,24)=2.51,故认为粮食生产与上述解释变量间总体线性关系显著。
第一章绪论、单项选择题1、变量之间的关系可以分为两大类,它们是【 】B 线性相关关系和非线性相关关系 D 简单相关关系和复杂相关关系B 变量间的因果关系D 变量间表现岀来的随机数学关系3、进行相关分析时,假定相关的两个变量【 】B 都不是随机变量4、计量经济研究中的数据主要有两类:一类是时间序列数据,另一类是【 】B 横截面数据C 平均数据D 相对数据5、 下面属于截面数据的是【】 A 1991-2003年各年某地区20个乡镇的平均工业产值 B 1991-2003年各年某地区20个乡镇的各镇工业产值 C 某年某地区20个乡镇工业产值的合计数 D 某年某地区20个乡镇各镇工业产值6、 同一统计指标按时间顺序记录的数据列称为【 】 A 横截面数据B 时间序列数据C 修匀数据D 原始数据7、 经济计量分析的基本步骤是【】A 设定理论模型卅攵集样本资料 H 古计模型参数 '检验模型B 设定模型一;估计参数一:检验模型一;应用模型C 个体设计一■总、体设计一■•估计模型一;应用模型D 确定模型导向■'确定变量及方程式■■估计模型■'应用模型 8计量经济模型的基本应用领域有【】A 结构分析、经济预测、政策评价B 弹性分析、乘数分析、政策模拟C 消费需求分析、生产技术分析、市场均衡分析D 季度分析、年度分析、中长期分析 9、计量经济模型是指【 】A 投入产出模型B 数学规划模型C 包含随机方程的经济数学模型D 模糊数学模型 10、 回归分析中定义【】 A 解释变量和被解释变量都是随机变量B 解释变量为非随机变量,被解释变量为随机变量C 解释变量和被解释变量都是非随机变量D 解释变量为随机变量,被解释变量为非随机变量 11、 下列选项中,哪一项是统计检验基础上的再检验 (亦称二级检验)准则【】A.计量经济学准则B 经济理论准则C 一个是随机变量,一个不是随机变量D 随机或非随机都可以 A 函数关系和相关关系 C 正相关关系和负相关关系 2、相关关系是指【 】A 变量间的依存关系 C 变量间的函数关系A 都是随机变量A 总量数据D统计准则和经济理论准则C统计准则对经济计量模型的参数估计结果进行评价时,采用的准则有【A 经济理论准则 型识别准则 三、 名词解释 1、计量经济学4、截面数据四、 简述B 统计准则 E 模型简单准则2、计量经济学模型5、弹性C 经济计量准则3、时间序列数据 6、乘数1、 简述经济计量分析工作的程序。
计量经济学作业答案第一次作业:1-2. 计量经济学的研究的对象和内容是什么?计量经济学模型研究的经济关系有哪两个基本特征?答:计量经济学的研究对象是经济现象,是研究经济现象中的具体数量规律(或者说,计量经济学是利用数学方法,根据统计测定的经济数据,对反映经济现象本质的经济数量关系进行研究)。
计量经济学的内容大致包括两个方面:一是方法论,即计量经济学方法或理论计量经济学;二是应用,即应用计量经济学;无论是理论计量经济学还是应用计量经济学,都包括理论、方法和数据三种要素。
计量经济学模型研究的经济关系有两个基本特征:一是随机关系;二是因果关系。
1-4.建立与应用计量经济学模型的主要步骤有哪些?答:建立与应用计量经济学模型的主要步骤如下:(1)设定理论模型,包括选择模型所包含的变量,确定变量之间的数学关系和拟定模型中待估参数的数值范围;(2)收集样本数据,要考虑样本数据的完整性、准确性、可比性和一致性;(3)估计模型参数;(4)模型检验,包括经济意义检验、统计检验、计量经济学检验和模型预测检验。
1-6.模型的检验包括几个方面?其具体含义是什么?答:模型的检验主要包括:经济意义检验、统计检验、计量经济学检验、模型预测检验。
在经济意义检验中,需要检验模型是否符合经济意义,检验求得的参数估计值的符号与大小是否与根据人们的经验和经济理论所拟订的期望值相符合;在统计检验中,需要检验模型参数估计值的可靠性,即检验模型的统计学性质;在计量经济学检验中,需要检验模型的计量经济学性质,包括随机扰动项的序列相关检验、异方差性检验、解释变量的多重共线性检验等;模型预测检验主要检验模型参数估计量的稳定性以及对样本容量变化时的灵敏度,以确定所建立的模型是否可以用于样本观测值以外的范围。
第二次作业:2-1 P27 6条2-3 线性回归模型有哪些基本假设?违背基本假设的计量经济学模型是否就不可估计?答:线性回归模型的基本假设(实际是针对普通最小二乘法的基本假设)是:解释变量是确定性变量,而且解释变量之间互不相关;随机误差项具有0均值和同方差;随机误差项在不同样本点之间是独立的,不存在序列相关;随机误差项与解释变量之间不相关;随机误差项服从0均值、同方差的正态分布。
计量经济学实验报告
姓名:沈娴婷学号:班级:金融班
影响城镇居民人均可支配收入的因素分析
一、研究的问题
近年来,随着经济的快速发展,人均国内生产总值在不断地提高。
城镇居民家庭人均可支配收入在近几十年里也逐步提升,有了些许改变。
为了研究影响城镇居民人均可支配收入的原因,和各种原因影响因素的程度关系,分析居民可支配收入增长,预测未来的城镇居民的可支配收入,需要建立计量经济模型。
二、对问题的经济理论分析,所涉及的经济变量
经济理论分析
) 商品零售价格指数:零售物价的调整变动直接影响到城乡居民的生活支出和国家的财政收入,影响居民购买力和市场供需平衡,影响消费与积累的比例。
因此,计算零售价格指数,可以从一个侧面对上述经济活动进行观察和分析。
.) 人均国内生产总值:人均国内生产总值,作为发展经济学中衡量经济发展状况的指标。
) 城镇平均人均工资:平均工资与城镇居民家庭人均可支配收入的工资是有差别的,但具有正相关性。
平均人均工资增加,家庭人均可支配收入也增加。
反之亦然。
三、理论模型的建立
建立如下三元回归模型:
四相关变量的数据收集及来源说明
数据来源:中国国家统计局网站五数据的输入及运行过程
模型的运行:
1)散点图。