蒸压加气混凝土砌块检验报告word精品
- 格式:docx
- 大小:9.19 KB
- 文档页数:3
蒸压加气混凝土砌块检验报告蒸压加气混凝土砌块是一种新型的建筑材料,具有轻质、保温、隔热、保水、耐火等优点。
为了确保蒸压加气混凝土砌块的质量和安全性,每批产品都需要进行严格的检验。
本文将对蒸压加气混凝土砌块检验报告进行详细说明。
一、检验目的二、检验内容1.抗压强度检验:通过压力试验,计算并评估蒸压加气混凝土砌块的抗压强度。
2.密度检验:使用密度计对蒸压加气混凝土砌块进行密度检测,确保其符合国家标准要求。
3.吸水率检验:浸泡蒸压加气混凝土砌块一定时间后,通过称重法计算吸水率,评估其保水性能。
4.耐火性检验:通过高温试验,观察蒸压加气混凝土砌块在高温条件下的耐火性能。
5.尺寸偏差检验:对蒸压加气混凝土砌块的尺寸进行测量,评估其尺寸偏差是否符合标准要求。
三、检验方法1.抗压强度检验:按照国家标准,使用压力计对样品进行均匀加载,记录加载过程中的压力变化,计算抗压强度。
2.密度检验:使用密度计对样品进行测量,取样品的平均值作为实际密度,并与国家标准要求进行比较。
3.吸水率检验:将蒸压加气混凝土砌块置于水中一定时间后取出,用纸巾擦干表面水分,称重,计算吸水率。
4.耐火性检验:将蒸压加气混凝土砌块置于高温炉中加热,观察其在高温下的变形、开裂等情况。
5.尺寸偏差检验:使用尺子或测量工具对蒸压加气混凝土砌块的长、宽、高进行测量,与国家标准进行比较。
四、检验结果及评价1.抗压强度:蒸压加气混凝土砌块的抗压强度应达到国家标准,评价其是否符合要求。
2.密度:蒸压加气混凝土砌块的实际密度应与国家标准要求相符,评价其密度是否合格。
3.吸水率:蒸压加气混凝土砌块的吸水率应小于国家标准要求,评价其保水性能是否合格。
4.耐火性:观察蒸压加气混凝土砌块在高温下的变形、开裂等情况,评价其耐火性能。
5.尺寸偏差:对蒸压加气混凝土砌块的尺寸进行测量,并与国家标准要求进行比较,评价其尺寸偏差是否合格。
五、结论根据以上检验内容和检验结果,对蒸压加气混凝土砌块的质量进行评估和判断,对产品是否合格给出结论。
蒸压加气混凝土砌块性能检验报告蒸压加气混凝土砌块是一种以水泥和石灰为主要胶凝材料,并添加起泡剂和粒径适当的骨料制成的建筑材料。
它具有轻质、抗震、保温隔热等优点,在建筑行业得到了广泛的应用。
为了评估蒸压加气混凝土砌块的性能,我们进行了一系列的实验测试。
本报告将详细介绍测试过程和结果。
首先,我们进行了蒸压加气混凝土砌块的外观质量检验。
我们选取了10块砌块,对其表面平整度、砌缝间隙和边角齐整度进行检查。
经过检验,所有选取的砌块外观都符合要求,表面平整度和边角齐整度满足相关标准。
砌缝间隙也控制在了允许范围内。
接下来,我们对蒸压加气混凝土砌块的抗压强度进行了测试。
我们选取了20块砌块,采用万能试验机进行压力加载,记录下每块砌块在不同压力下的抗压强度。
测试结果显示,蒸压加气混凝土砌块的抗压强度达到了标准要求,均值超过了20MPa。
这表明该砌块在实际应用中具有足够的承载能力。
此外,我们还对蒸压加气混凝土砌块的吸水率进行了测试。
我们选取了20块砌块,将其浸泡在水中一段时间后,记录下其质量变化。
测试结果显示,蒸压加气混凝土砌块的吸水率非常低,平均吸水率仅为5%左右。
这说明该砌块在雨水浸泡或者潮湿环境下,能够有效地保持其稳定性。
此外,我们还进行了蒸压加气混凝土砌块的保温性能测试。
我们选取了10块砌块,采用热导率仪进行测试。
测试结果显示,蒸压加气混凝土砌块具有较低的导热系数,可以有效地隔热保温,提高建筑物的能效。
综上所述,我们对蒸压加气混凝土砌块进行了外观质量、抗压强度、吸水率和保温性能等多个方面的测试。
测试结果表明该砌块具有良好的外观质量、较高的抗压强度、低的吸水率和良好的保温性能。
这些性能使得蒸压加气混凝土砌块成为一种优秀的建筑材料,适用于各种建筑项目的使用。
同时,我们也建议在实际使用中,对该砌块的制造工艺和安装要求进行进一步的研究和严格控制,以确保其在建筑物中的持久性和可靠性。
蒸压加气混凝土砌块试验报告_图文试验目的:了解蒸压加气混凝土砌块的性能以及其在建筑中的应用情况。
试验材料:1. 气泡稳定剂:用于生成气泡,增加混凝土的孔隙率。
2. 混凝土:按照一定比例混合水泥、石灰、砂和水制作而成。
3. 模具:用于制作砌块的模具。
试验步骤:1. 混合材料:按照设计配比将水泥、石灰、砂和水混合均匀,加入适量的气泡稳定剂,并进行搅拌。
2. 浇注模具:将混合好的材料倒入模具中,用抹光器将表面抹平。
3. 蒸压处理:将模具中的混凝土块放入压力蒸汽锅中,进行蒸压加工。
4. 挤干处理:将蒸压后的砌块放入挤干机中进行挤干处理。
5. 准备试样:将挤干后的砌块切割成试样,并进行标记。
6. 试验数据记录:对试样进行强度测试,并记录试样的破坏形态和强度数值。
试验结果:经过试验,得出以下结果:1. 高低温性能良好:经过蒸压处理后的砌块,在高温和低温环境下都具有较好的稳定性,不易产生开裂或变形。
2. 抗压强度较高:经过试验测得,蒸压加气混凝土砌块的抗压强度在15-25MPa之间,符合建筑材料的强度要求。
3. 密度适中:蒸压加气混凝土砌块的密度在500-800kg/m³之间,既保证了较好的强度,又减轻了自重,有利于施工。
4. 耐火性好:经过试验发现,蒸压加气混凝土砌块在高温环境下有较好的耐火性能,不易烧蚀。
结论:蒸压加气混凝土砌块具有良好的性能,并且在建筑中有广泛的应用情况。
通过对其强度、密度和耐火性能等进行测试分析,可以得知该材料是一种理想的建筑材料,具有较好的结构性能和耐久性能。
因此,在今后的建筑中可以大量应用蒸压加气混凝土砌块,以提高建筑物的结构质量和耐火性能。
浅谈蒸压加气混凝土砌块抗压强度的检测发布时间:2021-11-10T06:21:31.673Z 来源:《工程建设标准化》2021年9月17期作者:齐广兴[导读] 随着我国建筑行业的发展,人类活动对自然环境的影响越来越大齐广兴江门市建设工程检测中心有限公司,广东江门 529000摘要:随着我国建筑行业的发展,人类活动对自然环境的影响越来越大,老式烧结砖严重浪费了我国的土地资源,不符合我国可持续发展的战略,已经被淘汰使用,当今建筑工程多使用蒸压加气混凝土砌块作为砌筑工程的主要材料。
在蒸压加气混凝土砌块进场之前,需要先对其抗压强度进行检测,保证材料的质量。
本文将介绍蒸压加气混凝土砌块进行抗压强度试验的标准方法,分析试件的各种因素对其抗压强度产生的影响,得出在何种条件下蒸压加气混凝土砌块的抗压强度能够达到最高。
关键词:蒸压加气混凝土砌块;抗压强度;龄期;含水率蒸压加气混凝土砌块的密度较低,材料较轻,施工方便,保温和导热性能良好。
由于其诸多有点,并且材料制作更加的环保,因此已被广泛的应用于当代房屋建筑工程中。
我国对蒸压加气混凝土砌块检测有规定,在GB/T11969-2008《蒸压加气混凝土砌块性能试验方法》中规定了抗压强度的检测方法,但是不同的规范之间,对检测条件的规定存在着一些差异,为了让蒸压加气混凝土砌块能够发挥出最大的效用,让施工企业能够更加合理的应用蒸压加气混凝土砌块,需要对抗压强度检测的一些因素进行确认。
经过试验可以得出结论,对蒸压加气混凝土砌块强度影响最大的几个因素为蒸压加气混凝土砌块的龄期、含水率以及砌块干湿循环的次数。
本文将会对这些因素对砌块抗压强度造成影响的原因进行分析,以保建筑单位在施工中可以控制好砌筑工程的质量。
一、蒸压加气混凝土砌块的应用优势我国当前建筑工程已经禁止使用黏土实心砖,其制作过程对环境的污染较大,还会造成严重的资源浪费,而蒸压加气混凝土砌块则运用粉煤灰等材料进行制作,其环保性能更好,并且在使用性能上有着很多的优势,因此在当前建筑工程中得到了广泛的应用。
本文从网络收集而来,上传到平台为了帮到更多的人,如果您需要使用本文档,请点击下载,另外祝您生活愉快,工作顺利,万事如意!《蒸压加气混凝土砌块》GB11968—20061、主要内容与适用范围本标准规定了蒸压加气混凝土砌块的产品分类、技术要求、试验方法、检验规则和产品质量说明书、堆放和运输。
本标准适用于作民用与工业建筑物墙体和绝热使用的蒸压加气混凝土砌块(以下简称砌块)。
2、产品分类2.1规格砌块的规格尺寸见表1表1 砌块的规格尺寸单位为毫米2.2砌块按强度和干密度分级强度等级有:A1.0,A2.0,A2.5,A3.5,A5.0,A7.5,A10七个级别。
干密度级别有:B03,B04,B05,B06,B07,B08六个级别。
2.3砌块等级砌块按尺寸偏差和外观质量、干密度、抗压强度和抗冻性分为:优等品(A)、合格品(B)二个等级。
2.4砌块产品标记示例:强度级别为A3.5、干密度级别为B05、优等规格尺寸为600mmX200mmX250mm 的蒸压加气混凝土砌块,其标记为:ABC A3.5 B05 600X200X250A GB 119683、技术要求3.1砌块的尺寸偏差和外观应符合表2的规定。
表2 尺寸偏差和外观3.2 砌块的力学性能应符合表3的规定。
表3 砌块的立方体抗压强度/MPa表4 砌块的干密度 kg/m³4、检验方法4.1尺寸、外观检测方法4.1.1量具:采用钢尺、钢卷尺(最小刻度lmm)。
4.1.2尺寸测量:长度、高度、宽度分别在两个对应面的端部测量,各量二个尺寸,共量六个尺寸。
测量值大于规格尺寸的去最大值,测量值小于规格尺寸的去最小值。
4.1.3缺棱掉角:缺棱或掉角个数,目测:测量砌块破坏部分对砌块的长、高、宽三个方向的投影尺寸。
4.1.4裂纹长度:裂纹条数,目测;裂纹长度以所在面最大的投影尺寸为准.若裂纹从一面延伸到另一面,则以两个面上的投影尺寸之和为准。
4.1.5平面弯曲:测量弯曲面的最大缝隙尺寸。
蒸压加气混凝土砌块性能检验报告
一、引言
二、试验方法
本次试验采用了以下几种试验方法对蒸压加气混凝土砌块进行了性能检验:
5.耐火性试验:按照GB/T5464-2024《蒸压加气混凝土知道及用途》进行试验,采用火焰试验和高温长时间暴露试验进行砌块的耐火性试验。
三、试验结果与分析
1.强度试验结果:经统计,蒸压加气混凝土砌块的平均抗压强度为XXMPa,远远高于国家标准要求的XXMPa。
2.导热系数试验结果:蒸压加气混凝土砌块的导热系数为
XXW/(m·K),低于国家标准规定的XXW/(m·K)。
3.声学性能试验结果:蒸压加气混凝土砌块的声波阻抗为XX,声吸收系数为XX,符合国家标准要求。
4.抗冻性试验结果:经抗冻性试验,蒸压加气混凝土砌块无明显破坏和质量损失,满足国家标准要求。
5.耐火性试验结果:蒸压加气混凝土砌块经过火焰试验和高温长时间暴露试验后,保持完好无损,符合国家标准要求。
四、结论
通过以上试验,我们得出以下结论:
1.蒸压加气混凝土砌块具有较高的抗压强度,满足国家标准规定的强度要求。
2.蒸压加气混凝土砌块的导热系数较低,具有良好的保温性能。
3.蒸压加气混凝土砌块的声学性能优异,能够起到隔音的作用。
4.蒸压加气混凝土砌块在抗冻性和耐火性方面均符合国家标准要求。
综上所述,蒸压加气混凝土砌块在性能方面表现出优异的特点,适合在建筑工程中广泛应用。
同时,还需要进一步深入研究其其他性能指标,并与传统建材进行比较,以进一步推动其应用。
蒸压加气混凝土砌块检测项目
蒸压加气混凝土砌块是以粉煤灰,石灰,水泥,石膏,矿渣等为主要原料,加入适量发气剂,气泡稳定剂,经配料搅拌,浇注,切割和高压蒸养等过程制成的一种多孔混凝土制品。
它是目前建筑工程中最常用的墙体材料,它具有保温隔热的性能。
所以在平时中,蒸压加气混凝土砌块,除了要检测常规还要检节能的项目。
蒸压加气混凝土砌块
蒸压加气混凝土砌块常规检测项目:外观质量、尺寸偏差、抗压强度、密度等级。
取样检测批量:
同品种、规格、强度等级的砌块以1万块为一批,不足1万块亦为一批。
出自《蒸压加气砼砌块》GB11968-2006
蒸压加气混凝土也是作为保温隔热材料,所以它另外还要检测节能这块:主要包括导热系数,密度、抗压强度,其中密度和抗压强度和常规检测已相同,就是另再检导热系数就可以了。
检测出来的参数要符合节能的设置要求。
蒸压加气混凝土砌块检测报告共页第页委托单位报告编号样品名称样品编号施工单位规格型号工程名称样品状态生产厂家样品数量工程部位代表数量代表批次委托日期检测类别检测日期检测依据委托人检测地址检测环境检测内容检测项目技术要求检测结果单项评定抗压强度(MPa)干密度(kg/m³)抗冻性以下空白检测结论检测说明见证单位:见证人:批准:审核:主检:检测单位检测专用章(盖章)签发日期:年月日共页第页样品名称样品编号样品状态规格型号检测日期检测环境设备名称设备编号设备状态检测依据检测内容抗压强度编号烘前质量M(g)烘后质量0M(g)含水率Ws(%)长(mm)宽(mm)受压面积1A(mm2)破坏荷载1P(kN)抗压强度值ccf(MPa)单组抗压强度平均值(MPa)平均值(MPa)1上1中1下2上2中2下3上3中3下检测说明1.31110⨯=APfcc,1000⨯-=MMMWS;2.试件应在含水率应在(8-12)%下进行试验,超出该范围时应在(60±5)℃下烘至要求的含水率。
校核:主检:共页第页样品名称样品编号样品状态规格型号检测日期检测环境设备名称设备编号设备状态检测依据检测内容干密度含水率序号长l(mm)宽b(mm)高h(mm)体积V(mm3)烘干前质量M(g)烘干后质量0M(g)干密度0r(kg/m3)含水率SW(%)干密度单组平均值(kg/m3)含水率单组平均值(%)1上1中1下2上2中2下3上3中3下平均值检测说明1.hblV⨯⨯=,610⨯=VMr,1000⨯-=MMMWs;2.将试件放入电热鼓风干燥箱内,在(60±5)℃下保温24h,然后再(80±5)℃下保温24h,再在(105±5)℃烘至恒质。
恒质指在烘干过程中间隔4h,前后两次质量差不超过试件质量的0.5%。
校核:主检:。
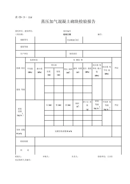
蒸压加气混凝土砌块检验报告
委托单位:___________________________ 报告编号:________________________ 工程名称:____________________________ 送样日期:_________________________ 工程部位:____________________________ 报告日期:_________________________ 检评依据:___________________________ 样品编号:__________________________ 生产厂家试件尺寸强度级别(MPa)密度级别
强度检验
单组强度平均值(MPa)三组强度平均值(MPa)第一组第二组第三组
最小强度(MPa)
干体积密度检验
每组干体积密度(kg/m3)干体积密度平均值(kg/m3)第一组第二组第三组
干燥收缩检测(快速法)
尺寸偏差检测(平均偏差)
外观质量检测(不合格品数量)
结
论
备
注
注:未经本站书面批准,不得部分复制检验报告(完整复制除外)。
批准:审核:校核:检验说明
1、适用范围
适用于作民用与工业建筑物墙体和绝热使用的蒸压加气混凝土砌块的检验
2、依据标准
(1)《砌体工程施工质量验收规范》(GB5020〜2002)
(2)《蒸压加气混凝土砌体》(GB/T11968- 1997)
(3)《加气混凝土性能试验方法》(GB/T1196411975- 1997)
3、抽样批量
型式检验:在受检验的一批产品中,随机抽取80块砌块,进行尺寸偏差和外观检验。
从尺寸偏差和外观检验合格的砌块中,随机抽取15块砌块制作试件,进行如下项目检验:
(1)体积密度3组9块;
(2)强度级别5组15块
(3)干燥收缩3组9块
(4) 抗冻性:3组9块
(5) 导热系数1组2块
出厂检验:按同品种、同规格、同等级的砌块,以1万块为一批,不足1万块亦为一批计。
尺寸偏差、外观质量随机抽取50块砌块,再从以上合格砌块中随机抽取砌块,制作3组试件进行立方体抗压强度检验,制作3组试件作干体积密度检验。
3、检验项目
出厂检验项目为:尺寸偏差、外观、立方体抗压强度、干体积密度。
型式检验项目为:《蒸压加气混凝土砌块》GB/T11968- 1997要求的全部项目现场复试按出厂检验项目进行。