外墙螺杆洞封堵方案
- 格式:doc
- 大小:25.50 KB
- 文档页数:3
XXX项目1#住宅楼外墙穿墙螺杆洞、外墙孔洞封堵方案编制人:审核人:审批人:施工单位:XX有限公司日期:年月日目录一、编制说明 (1)二、工程概况 (1)三、编制依据 (2)四、施工前准备工作 (2)五、地上外墙及内墙对拉螺杆孔的处理 (2)六、地下室外墙及人防区对拉螺杆孔的处理 (4)七、外墙孔洞封堵的处理 (4)八、施工要点及质量要求 (5)九、施工技术管理 (6)十、质量管理 (6)十一、消防、安全以及文明施工措施 (7)一、编制说明本方案的编制是针对对拉螺杆孔洞、地下室外墙止水螺杆、外墙孔洞的封堵。
模板拆除后,内外剪力墙体上、地下室外墙上留下了部分对拉螺杆孔洞以及外墙预留孔洞,特别是外墙螺杆孔封堵涉及到外墙的渗漏风险,故我项目部对螺杆孔的封堵及外墙预留洞口封堵编制专项施工方案。
本着预防为主,加强事前控制和事后检查,把质量隐患消灭在萌芽状态,确保工程无渗漏。
从施工方面分析原因,提出来针对性的措施,结合以往的经验,本项目部拟对孔洞封堵采取以下方案进行处理。
二、工程概况本工程结构形式为剪力墙结构,总建筑面积约45000㎡,地下2层,地上24层,高度为69.6m;室内外高差0.300m,基础形式为预应力管桩+承台梁。
建筑物地下部分四周均连接地下车库。
三、编制依据1、《地下室防水工程技术规范》;2、《地下室防水质量验收规范》;3、《建筑工程施工质量验收统一标准》;4、《质量通病控制措施》。
四、施工前准备工作1、施工前应将砂浆添加剂、防水剂等材料及施工部位报送监理认可,并进行配合比试验,做好相应的记录;2、根据项目编制的施工计划,提前在下一道施工工序前进行封堵施工,对不同洞口封堵时间提前做好插入时间的安排,合理的安排插入施工,避免出现封堵材料混淆出错,并派施工管理人员对操作工人进行施工顺序部位引导;五、地上外墙及内墙对拉螺杆孔的处理1、立模施工过程中采用的螺杆附带PVC套管,便于穿墙螺杆的再次利用,另外防止拆模时破坏墙体结构。
一、外墙螺杆洞封堵处理措施
1.1. 现象
封堵随意,渗水。
1.2. 原因分析
认识不到位,没有对螺杆洞进行单独处理。
1.3. 控制措施
控制要点:外观规矩、一致、美观。
(1)螺杆洞清理:先进行螺杆洞口粘存杂物清理,螺杆洞口如有混凝土等杂物应用相应的工具进行清理。
2)钢丝刷刷毛:待清理干净后,用钢丝刷绕周圈刷毛,用吹风机吹干净。
(3)洒水润湿:使用喷壶进行喷水润湿,在施工前一小时进行喷水,使螺杆洞周围保持湿润。
施工时再进行小量喷水,以便施工。
(4)灌砂浆:外墙外面用铁抹子将防水砂浆(1:3水泥砂浆掺3%的防水剂)抹灌到螺栓眼里,灌进深度为墙厚的2/3,再将螺栓眼处抹10mm 厚后压平,然后用Φ25-30mm 的钢管环刀切去螺栓眼周围多余砂浆,如右图所示。
(5)螺杆洞的处理在拆除模板时随后进行。
外墙内面螺杆洞在装饰抹灰时随抹随封堵。
外墙螺杆洞封堵处理措施
外
墙螺杆洞封堵处理实例
外墙螺杆洞封堵处理示意图
外墙螺杆洞封堵处理工程实例
外墙螺杆洞封堵处理实体。
(完整word版)外墙、内墙穿墙螺杆洞封堵方案穿墙螺杆洞封堵方案:外墙与内墙的实用指导目标与范围在建筑施工和维护过程中,封堵外墙和内墙的穿墙螺杆洞显得至关重要。
这个方案的目的是给施工单位提供一套详细且可操作的封堵方案,确保这些洞口的密封效果良好,从而实现防水、防潮和保温等多重功能。
适用范围涵盖新建建筑、改建项目以及老旧建筑的维护。
现状与需求分析随着建筑行业的不断发展,穿墙螺杆洞变得越来越常见。
虽然它们在施工中不可避免,但如果处理不当,就可能导致水分渗透、热量流失,以及潜在的结构安全问题。
因此,针对不同类型的建筑制定合理的封堵方案显得尤为重要。
调查显示,很多施工单位在封堵过程中缺乏系统的方法,结果往往导致漏水等问题,影响了工程质量。
封堵材料与工具选择选择合适的封堵材料和工具是确保密封效果的关键。
市场上常用的封堵材料有:- 聚氨酯发泡剂:这玩意儿密封性和弹性都很好,几乎适合各种穿墙螺杆洞的封堵。
- 水泥砂浆:如果是大面积的封堵,这个真是个好选择,抗压性也不错。
- 防水涂料:封堵完后涂上一层,可以显著增强防水效果,尤其适合湿润环境。
所需工具包括:- 施工手套- 刮板- 喷枪- 水桶- 刷子- 保护膜封堵实施步骤在开始之前,确保所有工人都明白方案和施工规范,并做好安全防护。
下面是实施的详细步骤:1. 准备工作:首先,清理穿墙螺杆洞周围的杂物,确保表面干净。
检查洞口的大小和形状,必要时进行调整。
2. 选择材料:根据洞口的实际情况选择合适的封堵材料。
对于较大的洞口,可以先用聚氨酯发泡剂填充,再用水泥砂浆进行表面处理。
3. 填充洞口:- 对于聚氨酯发泡剂,使用喷枪均匀喷涂,确保发泡剂充分填充洞口。
发泡剂会膨胀,所以一定要控制好用量,别让它溢出来。
- 对于水泥砂浆,按照比例将水泥和沙子混合,搅拌均匀后用刮板填入洞口,尽量确保密实。
4. 表面处理:待密封材料干燥后,进行表面处理。
可以涂上防水涂料,增加防水效果,记得涂刷均匀,不留死角。
螺栓孔封堵方案一、工程概况结构工程中外墙和内墙施工过程中使用带塑料套管的对拉螺栓,产生螺栓孔,在后期装修前需封堵完毕,以满足功能性使用要求。
二、封堵外墙螺栓孔技术要求。
2.1、混凝土结构外墙螺栓孔封堵工艺流程:清理孔内浮灰→钢丝刷刷毛→洒水湿润→单侧填塞干硬性水泥砂浆→墙体中部泡沫胶的封堵→外墙外侧填塞微膨胀干硬性水泥砂浆→抹平→防水涂刷。
2.2、清理孔内浮沉及杂物垃圾,并使用钢丝刷将周围刷毛,刷毛后在螺栓孔周围浇水湿润;2.3、内侧堵塞:螺栓眼清理湿润后,先从外墙内侧堵塞惨有防水剂的干硬性微膨胀水泥砂浆50mm深,封堵时必须保证封堵深度及密实性;2.4、墙中部位泡沫胶的封堵:待墙体内侧干硬性水泥砂浆封堵完成后使用泡沫胶将墙体中部进行封堵。
2.5、墙体外侧封堵:墙体中部泡沫胶封堵完成后进行外墙外侧封堵,同样使用掺有防水剂的微膨胀干硬性水泥砂浆封堵,封堵深度不得小于50mm,同时必须保证封堵的深度及密实性。
2.6、掺有防水剂的微膨胀干硬性水泥砂浆要求:需在水泥砂浆中掺入膨胀剂、防水剂。
其中:水泥:细沙=1:2 ,膨胀剂:水泥=1:10 ,防水剂:水泥=1:5 。
(体积比)2.7、待外墙封堵的水泥砂浆干燥后在螺栓孔处涂刷丙烯酸涂膜防水材料一遍,为保证涂刷质量及美观,要求涂刷丙烯酸时使用直径为100mm圆形定型模具,将模具放置在螺栓眼处然后涂刷防水涂膜,纵横向涂刷,防水涂膜厚度不小于1.5mm。
三、封堵内墙螺栓孔技术要求。
3.1混凝土结构内墙螺栓孔封堵工艺流程:清理孔内浮灰→钢丝刷刷毛→洒水湿润→两侧同时填塞干硬性水泥砂浆→抹平。
3.2、内墙各项工艺要求同外墙,内墙不需添加防水剂,且不需涂刷防水涂料。
四、质量标准:4.1、冲洗必须使用钢丝刷进行清理,冲洗完成后,应等没有明水时再封堵,但封堵前应保证湿润。
封堵螺杆洞时所使用的砂浆中掺加的膨胀剂与防水剂的量,应根据工程性和现场施工条件选择,并事先通过实验确定掺加量。
外墙螺杆洞封堵方案一、项目背景随着我国城市化进程的加快,高层建筑越来越多,外墙螺杆洞封堵问题日益凸显。
在建筑施工过程中,外墙螺杆洞未封堵或封堵不规范会导致雨水、灰尘、昆虫等进入室内,严重影响建筑物的使用寿命和居民的生活质量。
为此,制定一套合理、有效的外墙螺杆洞封堵方案至关重要。
二、封堵原则1. 结构安全:确保封堵后的结构强度和稳定性,不影响建筑物的结构安全。
2. 防水防尘:封堵材料应具有良好的防水、防尘性能,防止雨水、灰尘等进入室内。
3. 耐久性:封堵材料应具有较长的使用寿命,能承受气候变化和环境侵蚀。
4. 美观性:封堵后的外观应与建筑物外墙装饰风格相协调,尽量减少对建筑美观的影响。
5. 施工方便:封堵工艺应简单易行,便于施工操作。
三、封堵材料选择1. 水泥砂浆:适用于较小直径的螺杆洞封堵,具有一定的强度和防水性能。
2. 聚合物水泥砂浆:具有良好的防水、抗裂性能,适用于较大直径的螺杆洞封堵。
3. 硅藻土:具有较好的吸水性和透气性,适用于螺杆洞封堵后的填充材料。
4. 密封胶:适用于细小缝隙的封堵,具有较好的防水、耐候性能。
四、封堵工艺流程1. 清理螺杆洞:施工前应将螺杆洞内的灰尘、杂物清理干净,确保封堵材料的粘结强度。
2. 湿润洞口:在封堵前,应将洞口周围湿润,提高封堵材料的粘结力和防水性能。
3. 封堵材料施工:根据洞口直径和深度,选择合适的封堵材料进行施工。
施工时应均匀涂抹,确保封堵材料填充密实。
4. 填充材料施工:在封堵材料固化后,采用硅藻土等填充材料对洞口进行填充,填充高度应高于洞口边缘。
5. 密封处理:在填充材料固化后,对封堵部位进行密封处理,确保防水性能。
6. 表面处理:封堵完成后,对表面进行平整处理,确保与建筑物外墙装饰风格相协调。
五、质量验收1. 结构强度:封堵后的结构强度应满足设计要求,可通过现场检测进行验收。
2. 防水性能:封堵部位应进行防水试验,确保无渗漏现象。
3. 外观:封堵后的外观应与建筑物外墙装饰风格相协调,无明显痕迹。
外墙螺栓洞封堵方案
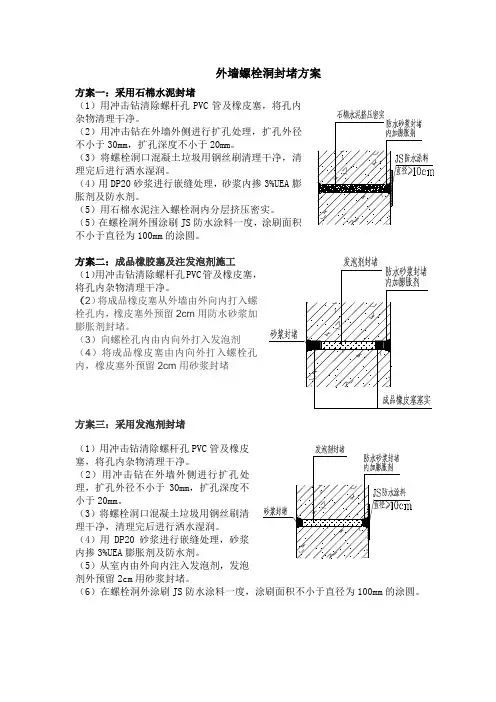
方案一:采用石棉水泥封堵
(1)用冲击钻清除螺杆孔PVC管及橡皮塞,将孔内
杂物清理干净。
(2)用冲击钻在外墙外侧进行扩孔处理,扩孔外径
不小于30mm,扩孔深度不小于20mm。
(3)将螺栓洞口混凝土垃圾用钢丝刷清理干净,清
理完后进行洒水湿润。
(4)用DP20砂浆进行嵌缝处理,砂浆内掺3%UEA膨
胀剂及防水剂。
(5)用石棉水泥注入螺栓洞内分层挤压密实。
(5)在螺栓洞外围涂刷JS防水涂料一度,涂刷面积
不小于直径为100mm的涂圆。
方案二:成品橡胶塞及注发泡剂施工
(1)用冲击钻清除螺杆孔PVC管及橡皮塞,
将孔内杂物清理干净。
(2)将成品橡皮塞从外墙由外向内打入螺
栓孔内,橡皮塞外预留2cm用防水砂浆加
膨胀剂封堵。
(3)向螺栓孔内由内向外打入发泡剂
(4)将成品橡皮塞由内向外打入螺栓孔
内,橡皮塞外预留2cm用砂浆封堵
方案三:采用发泡剂封堵
(1)用冲击钻清除螺杆孔PVC管及橡皮
塞,将孔内杂物清理干净。
(2)用冲击钻在外墙外侧进行扩孔处
理,扩孔外径不小于30mm,扩孔深度不
小于20mm。
(3)将螺栓洞口混凝土垃圾用钢丝刷清
理干净,清理完后进行洒水湿润。
(4)用DP20砂浆进行嵌缝处理,砂浆
内掺3%UEA膨胀剂及防水剂。
(5)从室内由外向内注入发泡剂,发泡
剂外预留2cm用砂浆封堵。
(6)在螺栓洞外涂刷JS防水涂料一度,涂刷面积不小于直径为100mm的涂圆。
外墙对拉螺杆洞封堵方案随着建筑结构技术的不断发展,拉螺杆在建筑中的使用逐渐增多。
然而,在外墙上预留的拉螺杆洞在施工过程中可能会引起一些问题,比如导致外墙漏水、渗漏风、影响外墙的保温效果等。
因此,对拉螺杆洞进行封堵是非常必要的。
本文将介绍一种有效的外墙对拉螺杆洞封堵方案。
1.清洁和检查:在进行封堵之前,需要先清洁和检查拉螺杆洞,确保洞口没有杂物、碎砖、脱落灰泥等。
同时,还需要检查拉螺杆是否牢固,无松动或损坏。
2.封堵材料的选择:对于拉螺杆洞的封堵,可以使用防水性能良好、抗老化、耐候性强的密封胶进行封堵。
同时,可以选择具有一定弹性的密封胶,以适应外墙的热胀冷缩。
3.封堵处理:将所选的密封胶均匀地填充到拉螺杆洞中,确保填充完整,并按照规范要求进行压实处理。
填充密封胶之前,可以先在洞口周围涂刷一层密封底漆,以增强密封胶和外墙的粘结力。
4.平整处理:在封堵完成后,可以使用平整刮板或平整工具将密封胶表面刮平,并与外墙表面进行平整处理,以达到外观美观的效果。
5.后续维护:完成封堵后,需要进行定期的检查和维护,以确保封堵效果的持久性。
定期检查拉螺杆洞周围是否有开裂、松动或渗漏的情况,并及时进行修复。
需要注意的是,在进行外墙拉螺杆洞封堵之前,应该了解建筑的具体结构和外墙材料的特点,以选择合适的封堵材料和方案。
此外,在封堵过程中,要遵循工艺规范,确保施工质量和效果。
在实际操作中,还可以根据具体情况选择其他的封堵材料和方案。
比如,对于较大的拉螺杆洞,可以使用填充材料进行封堵,然后再使用密封胶进行覆盖。
或者,可以将拉螺杆洞预留在外墙保温层内部,并使用保温材料进行封堵。
这些都需要根据实际情况进行合理选择。
总之,外墙对拉螺杆洞的封堵是建筑施工中必不可少的一项工作。
通过选择合适的封堵材料和方案,并进行技术规范的施工,可以有效解决拉螺杆洞可能带来的问题,确保外墙的完整性和保温效果。
一、工程概况本工程为XX建筑项目,涉及外墙螺杆洞的封堵工作。
为确保施工质量,防止渗漏水问题,特制定本专项方案。
二、编制依据1. 工程最新版施工图纸2. 工程施工组织设计3. 《建筑工程施工质量验收统一标准》GB50300-20134. 工程相关规范及标准三、施工准备1. 材料准备:水泥、砂、膨胀剂、发泡剂、橡胶塞、钢筋棍、防水涂料、喷壶等。
2. 工具准备:冲击钻、手持冲击锤、橡胶锤、抹刀、铁抹子、砂浆枪等。
3. 人员准备:施工人员、质检人员、安全员等。
四、施工流程1. 剔除塑料套管:用手持冲击锤逐个将外墙螺杆洞的外露塑料套管打掉,清理完塑料套管后,用手持冲击钻将孔眼打凿成喇叭口形状,清理孔内杂物垃圾,周边浇水湿润。
2. 压入专用橡胶塞:室外一侧用橡胶锤将圆台形专用橡胶塞打入孔洞外侧,橡胶塞必须塞入严实;室内一侧待发泡剂达到强度后,用橡胶锤将楔形专用橡胶塞打入孔洞内侧,橡胶塞必须塞入严实。
3. 发泡剂注入:在穿墙孔洞处理完毕后,从室内一侧向里面注入专用发泡剂,发泡剂必须注入饱满,防止以后漏水。
4. 灌注膨胀砂浆:待发泡剂达到强度后,从外墙由外向内用铁抹子将膨胀水泥砂浆抹到螺栓孔,边灌边用直径10的钢筋棍捣实,重复多次填塞捣实。
5. 防水施工:待凝固后,以外墙螺栓洞口为中心,涂刷水泥基防水涂料JS,厚度1.5mm,直径150mm。
五、施工方法1. 剔除塑料套管:使用手持冲击锤将外露塑料套管逐个打掉,清理孔眼周边残余灰浆。
2. 压入专用橡胶塞:室外一侧用橡胶锤将圆台形专用橡胶塞打入孔洞外侧,确保塞入严实;室内一侧待发泡剂达到强度后,用橡胶锤将楔形专用橡胶塞打入孔洞内侧,确保塞入严实。
3. 发泡剂注入:从室内一侧向里面注入专用发泡剂,确保注入饱满,防止以后漏水。
4. 灌注膨胀砂浆:从外墙由外向内用铁抹子将膨胀水泥砂浆抹到螺栓孔,边灌边用直径10的钢筋棍捣实,重复多次填塞捣实。
5. 防水施工:待凝固后,以外墙螺栓洞口为中心,涂刷水泥基防水涂料JS,厚度1.5mm,直径150mm。
铝模外墙螺杆洞封堵方案一、方案背景及目的随着建筑行业的发展,铝模外墙已成为一种常见的建筑外墙材料。
在铝模外墙的施工过程中,需要预留螺杆洞用于固定外墙板材。
然而,在使用过程中,这些螺杆洞可能会导致水、气渗透和能量损失等问题。
因此,需要对这些螺杆洞进行封堵,以保证建筑物的稳定性和使用寿命。
本方案旨在提供一种可靠有效的铝模外墙螺杆洞封堵方案,以解决上述问题。
二、方案内容1. 封堵材料:选择耐候性好、耐腐蚀、弹性好且易于加工的硅酮密封胶作为主要封堵材料。
2. 封堵方法:(1)清理:首先需要将原有螺杆洞周围区域进行清理,去除所有灰尘和污垢。
(2)打孔:在原有螺杆洞位置打一个直径稍大于原有孔径的新孔,并将孔内部进行清理。
(3)填充:将硅酮密封胶填充到新孔中,直至密封胶的表面与外墙表面齐平。
(4)养护:等待密封胶干燥后,进行养护。
具体时间根据密封胶生产厂家的要求而定。
三、方案优势本方案采用硅酮密封胶作为主要封堵材料,具有以下优势:1. 耐候性好:硅酮密封胶可以在宽温度范围内使用,并且不会因为阳光、雨水等自然因素而老化。
2. 耐腐蚀:硅酮密封胶可以抵御多种化学物质的侵蚀,不易受到腐蚀。
3. 弹性好:硅酮密封胶具有很好的弹性和伸缩能力,可以适应外墙材料的变形和扭曲。
4. 易于加工:硅酮密封胶可以通过手工或机器进行加工,方便施工。
四、方案注意事项1. 在进行清理和打孔时需要注意安全,避免损伤外墙结构和人员安全。
2. 将填充好的新孔表面平整,并确保其与外墙表面齐平,以保证美观和稳定性。
3. 在进行养护时,需要避免外界因素对密封胶的影响,如阳光、雨水等。
五、方案实施效果本方案采用的硅酮密封胶具有良好的耐候性、耐腐蚀性和弹性,能够有效地解决铝模外墙螺杆洞导致的问题。
经过实际应用,该方案能够有效地防止水、气渗透和能量损失等问题,提高建筑物的使用寿命和稳定性。
六、总结本方案提供了一种可靠有效的铝模外墙螺杆洞封堵方案。
通过选择合适的封堵材料和方法,并注意施工细节和注意事项,可以达到预期效果。
地下外墙止水螺杆洞正确封堵方法
地下外墙止水螺杆洞是建筑工程中常见的问题,需采取正确的封堵方法以防止
水泄漏和墙体受损。
以下是几种常用的封堵方法:
1. 使用密封胶:选择适合地下环境的耐水密封胶,均匀地涂抹在螺杆洞周围,
确保封堵的效果。
密封胶有较好的粘附性和耐水性能,可以有效阻止水的渗透。
2. 使用防水涂料:在螺杆洞周围涂刷防水涂料,形成一层防水膜,有效阻止水
分进入墙体内部。
防水涂料应具有强大的粘附力和良好的耐候性,以确保长期的封堵效果。
3. 安装止水钢板:在进行建筑施工时,可以考虑安装止水钢板。
止水钢板可以
封堵螺杆洞,阻止水分渗透。
确保止水钢板安装牢固,并与周围的建筑材料紧密连接,以达到最佳效果。
4. 使用注浆材料:注浆材料是一种在洞口处注入的胶状物质,在洞口周围形成
一层防水堵。
注浆材料具有出色的密封性能,可防止水的渗透,并能够填充洞口的空隙,增强封堵效果。
封堵地下外墙止水螺杆洞时,需要仔细检查洞口的大小和位置,选择合适的封
堵材料和方法。
同时,施工过程应注意保护洞口周围的墙体材料,避免进一步损坏。
此外,定期进行检查和维护是确保封堵效果持久的关键。
外墙螺杆洞如何封堵?老师傅现场示例!剪力墙及框剪结构主体的外墙在施工过程中用到大量的穿墙螺杆,穿墙螺杆洞的封堵涉及到外墙的渗漏风险,必须在施工中予以重视。
我们来施工现场看一看外墙螺杆洞是如何封堵的,以供交流探讨。
外墙螺杆洞封堵工艺流程1、用冲击钻将墙内的PVC管剔除、清理干净,孔眼周边残余灰浆清理。
2、将外孔尽量扩成20mm深喇叭口形。
3、先用水泥砂浆在内墙初步封堵,等凝固后开始封堵外墙孔洞。
4、在外墙使用喷壶进行喷水润湿,使螺栓孔周围保持湿润。
5、从外墙由外向内用铁抹子将膨胀水泥砂浆(膨胀剂掺量为水泥用量的4%~5%)抹到螺栓孔。
灌进去一部分后,用直径10钢筋棍捣实后,重复多次填塞捣实,最后用铁抹子将螺栓孔处抹平压光。
6、待凝固后以外墙螺栓洞口为中心,涂刷水泥基防水涂料JS,厚度1.5mm,直径150mm。
现场施工示例取出PVC塑料套管扩大成喇叭口水泥砂浆填塞用钢筋插实砂浆填塞完成的螺栓洞完成防水施工后止水螺杆节点处理做法说明:用于固定模板的螺杆必须采用一次性止水对拉螺杆。
一次性止水对拉螺杆可采用工具式螺杆或螺杆加锥形塑料垫块方式使螺杆端头留出凹槽。
螺杆中部需加焊2厚70×70mm止水片。
当一次性穿墙螺杆两端采用锥形塑料垫块时,养护结束后需在墙体内外逐个剔除塑料垫块,然后将螺杆从孔口的最深处割断。
在施工防水层前,应逐个将螺杆位置处的凹槽用1:2聚合物水泥砂浆压实抹平。
工艺流程:剔除塑料垫块——割除螺杆——刷防锈漆——浇水湿润——内外侧封堵——防水附加层——防水层及保护——内饰面节点图:构造做法:(1)剔除塑料垫块,逐个剔除内外侧塑料垫块。
(2)割除多余螺杆,将螺杆从凹槽的最深处割断。
(3)浇水湿润,清理孔内杂物,周边浇水湿润。
(4)内外侧封堵,用聚合物水泥砂浆封堵内外侧螺杆孔凹槽并压实抹光。
(5)防水附加层,待聚合物水泥砂浆干燥后(约24小时),在墙体迎水面一侧,施工螺杆位置防水附加层,附加层范100×100mm。
剪力墙螺杆孔封堵方案一、工程概况地下2层,地上33层,结构形式为框架剪力墙结构,标准层层高2。
9m。
本工程外墙螺杆孔采用遇水膨胀橡胶堵头和膨胀砂浆进行封堵。
二、施工准备1、螺杆孔封堵前,将孔内及孔眼周边垃圾清理干净,并洒水湿润孔眼;2、将遇水膨胀橡胶堵头敲入螺杆孔中部;3、配制膨胀砂浆,用于孔眼内进行补偿收缩并防止外墙渗漏。
三、施工工序清理螺栓孔内杂物→冲洗润湿→塞入遇水膨胀橡胶堵头→配置并灌注膨胀砂浆→边塞并捣实→养护四、材料要求与施工重点事项1、材料要求:1)水泥必须采用普通硅酸盐水泥,其强度等级不得低于32.5级,禁止采用矿渣水泥;2)不得使用过期或受潮结块水泥;禁止将不同品种或强度等级的水泥混用;3)砂采用中砂,粒径3mm以下,含泥量不得大于1%,使用前必须过3~5mm 孔径的筛,不允许使用抹灰用的细砂;4)膨胀剂的外观应无颗粒、异物、凝固物,技术性能应符合国家或行业标准一等品及以上的质量要求;5)水泥砂浆配合比为1:3,其中膨胀剂掺量代换水泥量一般为水泥用量的10%~12%.2、施工重点:1)将螺杆孔内及孔眼周边垃圾清理干净,并洒水湿润孔眼;2)堵塞孔眼时,将遇水膨胀橡胶堵头小面朝内从外墙迎水面塞入至墙中,然后在外墙外侧用1:3水泥砂浆由螺杆孔里口向外塞嵌密实;3)隔天,从外墙内侧用1:3水泥砂浆补嵌密实,并边塞边用钢筋往洞内捣实,直到洞内砂浆填满,外侧补成圆饼状并凸出墙面2mm;4)砂浆需集中搅拌,禁止直接在楼层上搅拌;5) 堵塞前,孔内垃圾清理完成并撒水湿润孔内并塞入遇水膨胀橡胶堵头后,需经项目部质检员验收合格后,方可进行砂浆填充;6)质检员过程跟踪检查填充质量,发现填充不合格处,及时下发整改通知单,并进行上报;7)结构内墙螺杆孔洞处理同外墙,不塞遇水膨胀橡胶堵头,直接填补1:3水泥砂浆。
操作时,等先封堵的一头砂浆凝固后方可封堵另一头。
外墙螺杆孔封堵大样五、安全文明及其他1、施工操作时应保护已做完的工程项目,防止碰撞造成未凝固前表面损伤;2、墙外操作人员注意需穿防滑鞋、系安全带;3、墙内操作人员及时清理掉下的砂浆,并充分利用,当天砂浆当天施工完成,不得使用隔夜砂浆;4、对施工临边洞口进行防护、施工机械进行检查维修保养,确保安全运行。
螺杆洞封堵专项施工方案螺杆洞封堵专项施工方案目录1.工程概况1.1 工程基本信息2.概述3.编制依据和原则4.普通外墙螺杆洞封堵4.1 工艺流程4.2 外墙螺杆洞外侧封堵工程概况本施工方案旨在对建筑物外墙的螺杆洞进行封堵,以确保建筑物的稳定性和安全性。
工程基本信息建筑物名称:XXX大厦施工单位:XXX施工地点:XXX市XXX区XXX街道XXX号施工时间:2015年XX月XX日至XX月XX日概述本施工方案旨在对建筑物外墙的螺杆洞进行封堵,包括普通外墙螺杆洞的封堵和外墙螺杆洞外侧的封堵。
编制依据和原则本施工方案的编制依据包括国家有关法律法规、建筑行业标准和相关技术规范。
在编制过程中,我们遵循科学、严谨、安全、环保的原则,确保施工过程中不会对周围环境和人员造成危害。
普通外墙螺杆洞封堵工艺流程:1.清理螺杆洞周围杂物和灰尘;2.用钻头在螺杆洞内钻孔;3.将注浆管插入钻孔中,并注入密封胶;4.等待密封胶干燥后,将注浆管拔出。
外墙螺杆洞外侧封堵:在螺杆洞外侧,使用密封胶进行封堵,确保螺杆洞不会继续向外渗漏。
清理洞口——打入专用橡胶塞——外侧封堵(干硬性水泥填塞2次,做圆饼)——外侧刷防水涂料——内侧封堵(干硬性水泥填塞)——外饰面施工施工方法:1)清理洞口后,打入专用的橡胶塞,确保塞子密实无松动。
2)外墙外侧用水冲洗湿润后用1:2干硬性水泥喂入灌满(严禁空孔),分两次填塞。
外侧补成圆饼状并凸出墙面3mm,最后采用防水涂料刷1mm厚。
3)内侧封堵采用1:2干硬性水泥砂浆封堵,具体详附图。
4)外饰面施工前,必须对封堵部位进行检查,确保无漏水现象。
本文介绍了螺杆洞封堵的专项施工方案。
对于小于50mm的孔洞,采用穿墙对拉螺杆的封堵方法;50mm-100mm之间的孔洞,可用干水泥参照对拉螺杆作法分段封堵;大于100mm的孔洞,必须采用细石砼进行封堵。
在施工过程中,必须充分捣实,且浇筑成形为牛腿形状,保证砼密实。
刷JS涂料必须多道涂刷,且超过孔洞周边50mm。
外墙螺杆洞封堵施工方案封堵外墙螺杆洞是一项重要的施工任务,确保建筑结构的完整性和安全性。
下面是一个外墙螺杆洞封堵的施工方案,具体步骤如下:1.检查和准备工作:在开始封堵之前,要先仔细检查螺杆洞的位置和数量,确定封堵所需的材料和工具。
检查外墙表面的破损和腐蚀情况,必要时进行修复和处理。
2.清洁表面:清洁洞口和周围的外墙表面,确保没有杂物和灰尘。
可以使用刷子和高压水枪清洗。
3.均匀涂抹底漆:在洞口周围涂抹一层底漆,选择耐候性好、粘附力强的底漆。
涂抹底漆有助于提高封堵材料的粘附力和耐久性。
4.封堵材料的选择:根据洞口的大小和深度,选择适合的封堵材料。
常用的封堵材料有硅酮密封胶、聚氨酯胶、硅酸盐水泥胶等。
根据具体情况选择合适的材料。
5.均匀填充封堵材料:将选定的封堵材料填充至洞口,使用封堵胶枪或刮板将材料均匀地填充进去,确保洞口充分封堵且表面平整。
6.平整表面:使用刮板或刷子将填充的封堵材料平整,与周围的外墙表面融为一体,尽量使外观与原有墙面一致。
7.检查和修复:封堵完成后,检查封堵部位的质量和效果。
确保封堵材料的粘附力和耐久性。
如果有发现问题,及时修复。
8.装饰和防水:在封堵完成后,可以根据需要进行表面装饰,如刷漆、贴瓷砖等。
对于需要防水的地方,可以在封堵材料干燥后施加防水涂料,增加防水效果。
以上是一个外墙螺杆洞封堵的施工方案,通过细致的准备和规范的操作,可以确保螺杆洞的封堵质量和效果。
在施工过程中要保持工作区域的整洁,注意安全,避免材料浪费和施工问题导致的质量问题。
外墙洞口如何封堵外墙施工洞口封堵专项方案NO.20XXG23地块房地产开发项目121年6月28日一、工程概况:本工程先已施工至二次结构施工阶段,后续二次结构及室内外抹灰工作马上开展,抹灰工程施工前,要将外墙的穿墙螺栓洞口及工字钢、脚手眼预留洞口进行封堵。
二、混凝土外墙孔洞封堵处理方案1、螺栓孔洞封堵1.1封堵材料接受注发泡剂施工。
1.2操作顺序:外立面对拉螺栓头去除外立面剔除塑料帽外墙防水砂浆封堵外墙防水砂浆外层涂刷防水涂料从内墙向孔内打发泡剂1.3每幢号房必需支配有责任心的工人2至3人,先凿除外面拉杆螺孔塑料套管去除孔内垃圾、粉尘,每层一个孔一个孔的清理,外墙孔洞部位使用防水砂浆做成直径为100mm的圆形封堵,外层涂刷防水涂膜,涂膜涂刷面积超出灰饼25mm,再到内墙向孔内打发泡剂,直到发泡溢出,10-20分钟外表开始固化,待1小时以上使其固化,将内外墙发泡压入孔内。
1.4封堵外墙对拉杆螺栓孔在大面积施工前先做样板墙面,依据上述操作顺序,在10mm左右的空档,操作时应留意安全,脚下不要踩空。
1.6操作工每天作业应做好落手清工作,在脚手架上严禁高空抛物,应将废弃物品集中存在随身携带垃圾袋内,带至地面垃圾存放点集中处理,以免造成污染。
图1、螺杆封堵大样2、悬挑脚手架,槽钢安装时在剪力墙上留有孔洞,处理方案如下:2.1 一般状况下,小于50mm 的孔洞接受与穿墙对拉螺杆相同的封堵做法;50mm≤孔洞尺寸≤100mm 时,可用C25细石混凝土〔添加防水剂及膨胀剂〕参照对拉螺杆封堵做法分次堵塞;当孔洞大于100mm 时,接受细石混凝土封堵;全部封堵必需保证密实。
封堵洞口的外侧涂刷1.0mm 厚JS 防水,涂刷范围必需大于孔洞周边50mm。
细石混凝土封堵做法如下。
2.2工艺流程:穿墙钢管或悬挑型钢取出——基层凿毛潮湿——两侧支模——浇注混凝土——两侧拆模——凿除凸出砼——外侧刷JS 防水——外墙保温及装饰面层施工。
一、项目背景随着建筑行业的快速发展,建筑外墙孔洞的封堵问题日益受到重视。
外墙孔洞的存在不仅影响建筑的美观,还可能引起渗漏、保温隔热性能下降等问题。
为确保建筑物的质量和安全,特制定本专项方案对外墙孔洞进行封堵。
二、封堵范围本方案适用于各类建筑外墙的孔洞封堵,包括但不限于以下几种类型:1. 脚手架、塔吊、施工电梯等穿墙钢管或悬挑型钢等孔洞;2. 外墙对拉螺栓孔洞;3. 空调孔洞;4. 其他因施工等原因产生的孔洞。
三、封堵原则1. 安全可靠:确保封堵材料的质量,确保封堵后的孔洞不发生渗漏、脱落等现象。
2. 保温隔热:采用具有良好保温隔热性能的材料,提高建筑物的能源利用率。
3. 美观大方:封堵后的孔洞应与外墙整体协调,不影响建筑的美观。
4. 经济合理:在确保安全和质量的前提下,选择经济合理的封堵方案。
四、封堵材料1. 对拉螺杆孔洞:干硬性防水砂浆、C20细石混凝土等。
2. 空调孔洞:发泡胶、泡沫填缝剂、隔音棉等。
3. 其他孔洞:根据孔洞尺寸和形状,选择合适的封堵材料。
五、封堵工艺1. 对拉螺杆孔洞封堵:(1)清理孔洞,凿除松动石子,清除砂浆及杂物;(2)润湿接触面,支设喇叭口型孔洞模板;(3)浇筑C20细石混凝土(内掺5%的微膨胀剂),边浇筑边用短钢筋捣实;(4)洒水养护三天,拆除模板;(5)外墙内侧进行抹灰处理,外墙外侧将突出外墙面的混凝土仔细凿除,形成较为平整的毛面;(6)刷1.5mm厚JS防水涂膜一道,覆盖范围超出孔洞边30mm。
2. 空调孔洞封堵:(1)将空调管顺出去;(2)用发泡胶将孔洞周边的缝隙全部填充;(3)等发泡胶膨胀、凝固后,再将膨胀出墙面的泡沫填缝剂铲去;(4)抹上灰砂浆。
3. 其他孔洞封堵:根据孔洞尺寸和形状,选择合适的封堵工艺。
六、质量控制1. 材料质量:严格按照国家相关标准选择封堵材料,确保材料质量合格。
2. 施工质量:严格执行封堵工艺,确保封堵后的孔洞不发生渗漏、脱落等现象。
和黄住宅发展四期工程外墙螺杆洞封堵方案
编制:
审核:
审批:
二○○一年五月
中建三局二公司深圳分公司
第八项目经理部
和黄住宅发展四期工程
外墙螺杆洞封堵方案
一、编制说明:
为了及时、合理地填堵地下室外墙及上部主体外墙螺杆洞,消除螺杆洞渗水这一重大隐患,特编制此施工作业指导书,确保工程质量和工程的顺利进展。
二、填堵时间:
外墙拆模两周后进行螺杆洞的填堵,此时,砼的硬化及收缩已基本全部完成,在施工工序安排上也能满足要求。
三、施工工序:
a.地下室外墙:
1、在止水螺杆四周5cm范围内砼面打凿出一个深2~3cm
的圆台形凹槽,便于外露止水螺杆的切除;
2、由专业氧割工割除外露止水螺杆;
3、用水湿润圆台壁,然后抹1.5cm厚1﹕3防水砂浆。
4、24小时后,用水湿润圆台壁,然后用1﹕3防水砂浆将
圆台压实、填平、抹光;
b.上部外墙:
1、将塑料套管四周5cm范围内砼打凿成圆台形,深度为
2~3cm,清除圆台壁松动砂石粒,保持圆台壁粗糙;
2、剔除外露塑料套管,剔除后套管端部应平整,不应有尖
锐棱角存在;
3、用1﹕3砂浆填堵塑料套管,外表平套管外口,厚度为
10cm;
4、24小时后,用水湿润圆台壁,然后抹1.5cm厚1﹕3防
水砂浆;
5、再过24小时后,用水湿润圆台壁,然后用1﹕3防水砂
浆将圆台压实、填平、抹光。
四、注意事项:
1、不可省略工序或随意缩短工序间隔时间;
2、安全施工,打凿时避免上下层同时作业,必要时佩戴安全带。