外墙内墙穿墙螺杆洞封堵方案
- 格式:doc
- 大小:1.37 MB
- 文档页数:10
防水,第一遍涂刷范围为r=100mm圆,第二遍涂刷范围为r=100mm圆。
6)、外饰面施工
外饰面施工前,聚氨酯发泡将保温层恢复,按图纸要求施工抹灰、保温及外装饰层等。
(3)质量控制点:
1)、塑料垫块剔除或扩孔
2)、孔洞清理并湿润
3)、砂浆堵塞密实
4)、JS 防水厚度及范围
2、内墙对拉螺杆封堵
(1)工艺流程及节点图:
剔除塑料垫块→割除多余螺杆→浇水湿润→水泥砂浆堵塞→饰面施工
(2)防渗漏构造做法:
1)、剔除塑料垫块
逐个剔除塑料垫块。
2)、割除多余螺杆
将螺杆从孔的最深处割断。
3)、浇水湿润
清理孔口,孔及周边浇水湿润。
4)、水泥砂浆堵塞
用 1:2 干硬性水泥砂浆(添加防水剂及膨胀剂)堵塞内外侧孔口并抹平压光。
5)、饰面施工
按图纸要求施工抹灰、保温及内外装饰层等。
(3)质量控制点:
1)、塑料垫块剔除干净
2)、对拉螺杆从孔底切割干净
3)、孔口及周边湿润
4)、水泥砂浆抹平压光
5) 防水涂料涂刷质量
签字栏。
方法一:工艺要点:①穿墙螺杆预留的套管在抹灰前需清理干净。
②螺杆洞的封堵采用1:2干硬性防水砂浆。
砂浆面凹入结构面1cm 。
③穿墙螺杆洞内采用防水油膏或1:2干硬性防水砂浆填满。
④螺杆洞口在外墙处防水砂浆施工完毕后,需涂刷1.0mm 厚防水涂料,范围为100×100mm 。
工序:螺杆洞口清理---油膏填洞---内外墙防水砂浆封堵---外墙洞口处补刷防水---内外墙抹灰注意事项:①此类修补方式较适合爬架拉结、人货电梯拉结孔等后期工期较紧,无工序间隙的部位。
②项目部如有同等功效的修补措施,需经公司认可后方能实施。
方法二:工艺要点:外墙螺杆洞封堵,采用先向洞内打发泡剂,去除外墙4㎝、内墙2㎝套管,外墙向内打2㎝硅穿墙螺杆洞封堵胶,剩余两侧采用1:2干硬性防水砂浆2㎝用砂浆封堵,砂浆面凸出结构面2㎜,直径为5-6㎝装饰饼。
完成后进行24小时以上的淋水试验,确保不渗漏。
在外侧孔洞周边分多遍涂刷1.0mm厚JS 防水,涂刷范围为100×100mm。
施工顺序:螺杆洞口清理---发泡剂填洞---内侧打硅胶---内外墙防水砂浆封堵---装饰饼---淋水试验---内外墙抹灰方法三:工艺要点:先用电钻去除螺杆套管(内外墙各8-10㎝),采用添加膨胀防水的水泥砂浆将外墙螺杆去除部位分多次灌实,后在墙孔中间打发泡剂,内墙孔2㎝采用膨胀砂浆封堵。
外墙可增加直径5-6㎝厚2㎜装饰饼。
完成后进行24小时以上的淋水试验,确保不渗漏。
施工顺序:螺杆套管钻除---外侧封堵---发泡剂填洞---内外墙防水砂浆封堵---装饰饼---淋水试验---内外墙抹灰注意事项:①螺杆洞内套管必须去除,膨胀砂浆修补分多次灌实,按1:2干硬性防水砂浆2㎝用砂浆封堵。
②装饰饼中间部位在抹灰封堵过程中必须严格控制砂浆密实度,该部位易出现开裂现象。
③淋水试验要求墙面全部覆盖,淋水时间控制在24小时,个别地区出现强降雨可作为一种参考的墙面渗漏观察手段。
外墙穿墙螺杆洞处理方案近年来,随着建筑业的快速发展,外墙穿墙螺杆洞的处理成为了一个很重要的问题。
对于外墙的工程来说,穿墙螺杆洞在工程施工中是一项必要的操作。
但是钻洞后的墙面却易受损,如果不能有效地处理这些螺丝孔,不仅会影响外墙的风格和美观度,对室内的温度、湿度等物理参数也会产生不良影响。
因此,正确有序的处理外墙穿墙螺杆洞是外墙工程中不可或缺的一环。
处理方案一:使用填充材料填充穿墙螺丝孔如果穿墙螺杆孔洞较小,可以使用填充材料进行填充。
使用的填充材料可以是灰泥或硅酮密封胶等,可以根据需要选择材料。
填充孔洞时,首先需要清洁墙面上的灰尘,使用刮刀或批刀把填料填充到位,再使用平刀或模板将墙面刮平,使其光滑柔和。
处理方案二:使用粘钩或装饰片覆盖穿墙螺丝孔如果螺丝孔太小或太多,可以使用粘钩或装饰片来覆盖它们。
这种方案非常简单,先选择颜色和型号,然后将粘性吸盘粘住螺丝孔,这样可以立即看到孔洞覆盖后的效果。
粘钩可以轻松地支撑重型物品,而且又可以重复使用,是一种非常实用的方法。
处理方案三:使用墙纸或壁纸进行装饰墙纸或壁纸是一种经济实用的方法,可以很好地覆盖和美化外墙的螺丝孔。
选择合适的墙纸时,应考虑颜色、花色、材质、厚度以及耐用性等因素。
墙纸或壁纸可以根据个人需要进行裁剪和调整。
处理方案四:使用自粘墙贴进行覆盖自粘墙贴要比其他方式更加方便,只需要撕下背面的粘贴纸,粘在需要覆盖的螺丝孔上即可。
墙贴可以根据喜好、需求和预算来进行选择,上面可以有丰富的图案和几何图形,非常时尚。
而且现在的墙贴比较耐用,不易磨损和损坏。
以上几种外墙穿墙螺杆洞处理方案各有优缺点,可以根据实际需要来选择。
在处理时,除了注重外观效果之外,还要考虑到材料的防水性、防潮性和保温性等方面,以确保外墙的安全和美观。
另外,为了避免未来可能出现的问题,还需要配合其他防止水气、太阳辐射或地震等自然灾害的预防措施。
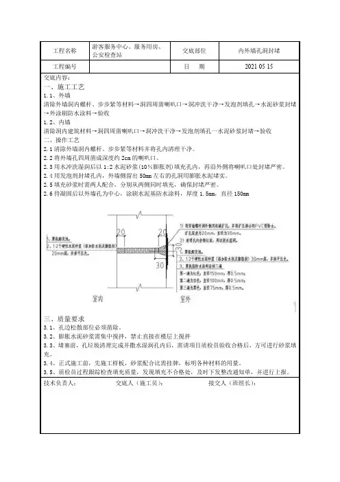
交底内容:
一、施工工艺
1.1、外墙
清除外墙洞内螺杆、步步紧等材料→洞四周凿喇叭口→洞冲洗干净→发泡剂填孔→水泥砂浆封堵→外涂刷防水涂料→验收
1.2、内墙
清除洞内建筑材料→洞四周凿喇叭口→洞冲洗干净→发泡剂填孔一水泥砂浆封堵→验收
二、操作工艺
2.1清除外墙洞内螺杆、步步紧等材料并将孔内清理干净。
2.2将外墙孔四周凿成深度约2cm的喇叭口。
2.3用水冲洗湿润后以1:2水泥砂浆(10%膨胀剂)填充孔内,再沿外侧将喇叭口处封堵严密。
2.4用发泡剂封堵孔内,外墙侧留出50mm左右的孔洞用膨胀水泥堵实。
2.5填充砂浆时需两人配合,分别从两侧同时填充,确保封堵严密。
2.6待凝固后以外墙孔为中心,涂刷水泥基防水涂料,厚度1.5mm,直径150mm
三、质量要求
3.1、孔边松散部位必须凿除。
3.2、膨胀水泥砂浆需集中搅拌,禁止直接在楼层上搅拌
3.3、堵塞前,孔垃圾清理完成并撒水湿润孔内后,需请项目质检员验收合格后,方可进行砂浆填充。
3.4、正式施工前,先施工样板,砂浆配合比需挂牌,标明各种材料的用量。
3.5、质检员过程跟踪检查填充质量,发现填充不合格处,及时下发整改通知单,并进行上报。
(完整word版)外墙、内墙穿墙螺杆洞封堵方案穿墙螺杆洞封堵方案:外墙与内墙的实用指导目标与范围在建筑施工和维护过程中,封堵外墙和内墙的穿墙螺杆洞显得至关重要。
这个方案的目的是给施工单位提供一套详细且可操作的封堵方案,确保这些洞口的密封效果良好,从而实现防水、防潮和保温等多重功能。
适用范围涵盖新建建筑、改建项目以及老旧建筑的维护。
现状与需求分析随着建筑行业的不断发展,穿墙螺杆洞变得越来越常见。
虽然它们在施工中不可避免,但如果处理不当,就可能导致水分渗透、热量流失,以及潜在的结构安全问题。
因此,针对不同类型的建筑制定合理的封堵方案显得尤为重要。
调查显示,很多施工单位在封堵过程中缺乏系统的方法,结果往往导致漏水等问题,影响了工程质量。
封堵材料与工具选择选择合适的封堵材料和工具是确保密封效果的关键。
市场上常用的封堵材料有:- 聚氨酯发泡剂:这玩意儿密封性和弹性都很好,几乎适合各种穿墙螺杆洞的封堵。
- 水泥砂浆:如果是大面积的封堵,这个真是个好选择,抗压性也不错。
- 防水涂料:封堵完后涂上一层,可以显著增强防水效果,尤其适合湿润环境。
所需工具包括:- 施工手套- 刮板- 喷枪- 水桶- 刷子- 保护膜封堵实施步骤在开始之前,确保所有工人都明白方案和施工规范,并做好安全防护。
下面是实施的详细步骤:1. 准备工作:首先,清理穿墙螺杆洞周围的杂物,确保表面干净。
检查洞口的大小和形状,必要时进行调整。
2. 选择材料:根据洞口的实际情况选择合适的封堵材料。
对于较大的洞口,可以先用聚氨酯发泡剂填充,再用水泥砂浆进行表面处理。
3. 填充洞口:- 对于聚氨酯发泡剂,使用喷枪均匀喷涂,确保发泡剂充分填充洞口。
发泡剂会膨胀,所以一定要控制好用量,别让它溢出来。
- 对于水泥砂浆,按照比例将水泥和沙子混合,搅拌均匀后用刮板填入洞口,尽量确保密实。
4. 表面处理:待密封材料干燥后,进行表面处理。
可以涂上防水涂料,增加防水效果,记得涂刷均匀,不留死角。
西山区3号片区城中村改造项目A-4地块外墙、内墙穿墙螺杆洞封堵方案编制人:审核人:审批人:二零一八年三月目录一、编制说明 (3)二、工程概况 (3)三、编制依据 (4)四、施工前准备工作 (4)五、地上外墙及内墙对拉螺杆孔的处理 (4)六、地下室外墙及人防区对拉螺杆孔的处理 (6)七、外墙孔洞封堵的处理 (6)八、施工要点及质量要求 (7)九、施工技术管理 (8)十、质量管理 (8)十一、消防、安全以及文明施工措施 (9)一、编制说明本方案的编制是针对对拉螺杆孔洞、地下室外墙止水螺杆、外墙孔洞的封堵。
模板拆除后,内外剪力墙体上、地下室外墙上留下了部分对拉螺杆孔洞以及外墙预留孔洞,特别是外墙螺杆孔封堵涉及到外墙的渗漏风险,故我项目部对螺杆孔的封堵及外墙预留洞口封堵编制专项施工方案。
本着预防为主,加强事前控制和事后检查,把质量隐患消灭在萌芽状态,确保工程无渗漏。
从施工方面分析原因,提出来针对性的措施,结合以往的经验,本项目部拟对孔洞封堵采取以下方案进行处理。
二、工程概况本项目位于昆明市西山区近华浦路与白云路交界处,是由昆明宝华房地产有限公司开发的西山区三号片区城中村改造项目,项目为二类居住用地,规划建设净用地面积3.38万㎡,项目共8栋建筑,设地下三层,基础形式为预应力高强混凝土管桩+筏形基础,工程概况见下表:4-3楼 23856.35 29F 2.90 86.35 剪力墙结构971.57 住宅4-4楼 28649.72 34F 2.90 100.85 剪力墙结构976.69 住宅4-5楼 25418.14 30F 2.90 90.75 剪力墙结构986.53 住宅4-6楼 25239.08 28F 2.90 83.15 剪力墙结构935.49 住宅4-7楼1422.68 3F 5.4 16.25 框架477.99 商业4-8楼2717.03 3F / 16.25 框架结构856.02 商业三、编制依据1、《地下室防水工程技术规范》;2、《地下室防水质量验收规范》;3、《建筑工程施工质量验收统一标准》;4、《质量通病控制措施》。
工 程 名 称 银河御府一期交底日期 2018-9-17 施工单位 中国新兴建筑工程有限责任公司分项工程名称混凝土交底提要墙体螺栓孔及悬挑钢梁穿墙孔封堵技术交底交底人审核人接受交底人1、外墙穿墙止水丝杆孔洞的封堵(部位:地下结构部分) 1)剔掉止水螺杆外露墙面的剩余丝杆头。
2)清理孔口及周边,浇水湿润;3)用1:2干硬性水泥砂浆(添加防水剂及膨胀剂)堵塞内外侧,表面抹平压光; 4)涂刷直径≥50mm 的聚氨酯防水涂料两遍,涂层厚度不小于1.5mm 。
2、穿墙螺杆孔洞封堵(部位:地上结构部分内外墙、地下内墙) 1)将穿墙螺杆洞外侧用机械扩孔,并将扩孔部分的PVC 管除去。
2)清理孔内杂物垃圾,周边浇水湿润。
3)从一侧堵塞1:2干硬性水泥砂浆(添加防水剂及膨胀剂)40~60mm 深。
4)待一侧水泥砂浆终凝后,从另一侧往螺栓孔中填塞1:2干硬性水泥砂浆,注满孔洞,边填塞边用钢筋棍捣密实。
5)外墙外侧以螺栓孔为中心,涂刷直径≥50mm 的聚氨酯防水涂料两遍,涂层厚度不小于1.5mm 。
3、混凝土外墙孔洞封堵(部位:穿墙钢管、悬挑工字钢等) 1) 取出孔洞内钢管及预埋件,并将杂物垃圾清理干净; 2)孔洞周壁凿毛,并浇水湿润周边范围100mm 以上; 3)支洞口两侧模板,模板超出洞口上方100mm ;4)浇筑高于墙体混凝土等级一个标号的细石混凝土(掺入防水剂和膨胀剂),充分插捣密实; 5)混凝土两侧模板在2~3d 后拆除,做好养护工作;6)拆模后,凿除表面凸出的多余混凝土,并修补好混凝土缺陷;7)外墙外侧涂刷聚氨酯防水涂料两遍,每侧宽出穿墙洞边不小于50mm ,涂层厚度不小于1.5mm 。
4、砌体外墙孔洞封堵工 程 名 称 银河御府一期交底日期 2018-9-17 施工单位 中国新兴建筑工程有限责任公司分项工程名称混凝土交底提要墙体螺栓孔及悬挑钢梁穿墙孔封堵技术交底交底人审核人接受交底人1) 取出孔洞内钢管及预埋件,清除孔洞内垃圾及周边残留的砌筑砂浆; 2)浇水湿润孔洞及周边范围100mm 以上; 3)支洞口两侧模板,模板超出洞口上方100mm ;4)浇筑C20细石混凝土(掺防水剂和膨胀剂),充分插捣密实; 5)混凝土两侧模板在2~3d 后拆除,做好养护工作;6) 拆模后,凿除表面凸出的多余混凝土。
对拉螺栓孔洞封堵方案-标准化文件发布号:(9456-EUATWK-MWUB-WUNN-INNUL-DDQTY-KII
对拉螺栓孔洞封堵方案
地上:
1)外墙:对拉螺栓孔封堵将螺栓套管用电锤钻出,清理干净后用聚氨酯发泡封堵内墙对拉螺栓孔,在墙两边预留20~30mm待发泡胶干硬后用水泥砂浆封堵(砂浆配比同墙体抹灰砂浆配比)。
接着墙外侧用水泥:砂:胶乳=1:2:防水砂浆抹平。
待砂浆干燥后,用聚氨酯涂膜防水刷在对拉螺栓孔处,为方便验收防止漏刷,分3种不同颜色聚氨酯涂刷,第一遍为白色,第二遍采用红色涂刷,第三遍采用黑色涂刷,形状为直径150mm的圆形。
地上外墙对拉螺栓孔封堵
拆除对拉螺栓内侧发泡
砂浆封堵第一遍
第二遍第三遍
2)内墙:聚氨酯发泡封堵内墙对拉螺栓孔,在墙两边预留20~30mm待发泡胶干硬后用水泥砂浆封堵(砂浆配比同墙体抹灰砂浆配比)。
地下:
1)外墙:剔凿出止水螺栓塑料垫片,然后用水泥:砂:胶乳=1:2:防水砂浆压实抹平,墙外侧做防水,内侧抹灰。
2)内墙:同地上内墙做法。
地下外墙止水螺栓处理
剔凿塑料平垫、割除多余螺杆防水砂浆压实抹平
市北区徐家村改造项目商品房区工程
对
拉
螺
栓
孔
洞
封
堵
方
案
青岛爱华工程有限公司
2014年3月5号。
外墙施工洞口封堵专项方案中关耐建设工程名称:世茂融城A区05地块开发项目工程施工一标段施工单位:北京中关村开发建设股份有限公司编制日期:2015年3月15日—、工程概况:本工程先已施工至装饰装修阶段,后续室内外抹灰工作即将开展,抹灰工程施工前,要将外墙的穿墙螺栓洞口及工字钢、脚手眼预留洞口进行封堵。
二、混凝土外墙孔洞封堵处理方案1、螺栓孔洞封堵1.1封堵材料采用注发泡剂施工。
1.2操作顺序:外立面对拉螺栓头清除外立面剔除塑料帽螺栓孔打发泡1.3每幢号房必须安排有责任心的工人2至3人,先凿除外面拉杆螺孔塑料套管清除孔内垃圾、粉尘,每层一个孔一个孔的清理,再到内墙向孔内打发泡剂,直到发泡溢出,10-20分钟表面开始固化,待1小时以上使其固化,将内外墙发泡压入孔内,然后再抹防水砂浆(10mm 宽度为50X50)。
1.4封堵外墙对拉杆螺栓孔在大面积施工前先做样板墙面,根据上述操作顺序,在6#房北面做一块墙面封堵,完成后安装水管对该墙面喷水24小时后观察无渗漏,再进行大面积施工。
1.5操作工操作前必须检查作业点的安全措施是否能确保施工安全,如不符安全操作环境的,不能进行操作,应通知项目部派人进行安全设施修复合格后才能操作,因外墙与脚手架之间有300mn左右的空档,操作时应注意安全,脚下不要踩空。
1.6操作工每天作业应做好落手清工作,在脚手架上严禁高空抛物,应将废弃物品集中存在随身携带垃圾袋内,带至地面垃圾存放点集中处理,以免造成污染。
2、悬挑脚手架,槽钢安装时在剪力墙上留有孔洞,处理方案如下:2.1 一般情况下,小于50mm的孔洞采用与穿墙对拉螺杆相同的封堵做法;50m族孔洞尺寸w 100mm时,可用干硬性水泥砂浆(添加防水剂及膨胀剂)参照对拉螺杆圭寸堵做法分次堵塞;当孔洞大于100mm时,采用细石混凝土封堵;所有封堵必须保证密实。
封堵洞口的外侧涂刷 1.0mm厚JS防水,涂刷范围必须大于孔洞周边50mm 细石混凝土圭寸堵做法如下。
穿墙螺杆洞封堵方案1、施工方法:封堵前,先用倒铲将穿墙PVC套管突出墙面部分铲除,再用A18〜20钻头在外墙外侧扩孔,扩孔深度为30-40MM 深;将灰尘清理干净后洒水湿润,用掺10%膨胀水泥的防水砂浆填实(深度为60-100MM ),然后用1 : 2水泥砂浆两次粉刷抹平,内侧用发泡剂填实,经验收后再用JS防水涂料在洞口做一遍防水。
内墙用发泡剂将螺杆洞填实,并将两端抹平。
如下图:2.施工质量措施设置专人责任制,由施工员对螺杆洞的修补对班组进行技术交底,然后对墙体螺杆洞的修补进行检查与评定,确保施工的正确性。
扩孔后统一验收,验收后再进行封堵,砂浆封堵后再统一验收一次,验收合格后再进行发泡剂填充。
3、安全保证措施1)施工现场应严格执行安全生产规定和各有关安全生产文件,健全和贯彻落实工程安全生产责任制,切实做好“安全第一”和“预防为主”的方针,做到安全生产和文明施工。
2)所有参加施工的作业人员必须经安全技术操作培训合格后方可进入现场进行施工。
进入施工现场必须自觉遵守现场安全生产六大纪律。
各工种、各工序施工前均应由施工人进行书面交底后方可进行施工作业。
3)施工前必须对操作人员进行安全交底,并作好记录。
外架施工时必须确保外架安全时再施工,扩孔所用工具必须有带接地,扩孔时确保有可靠的支撑点。
4)施工中对不明情况不得盲目处理,当施工进度与安全发生矛盾时,应让位于安全第一,职工应提高安全意识。
5)发生事故及事故苗子,必须做到“三不放过”即事故(苗子)原因分析不清不放过、事故(苗子)责任者和群众没有受到教育培训不放过,没有防范措施不放过,杜绝事故隐患。
6)专职安全员根据本工程施工特点,结合安全生产制度和有关规定,经常进行现场检查,如发现严重的不安全情况时,有权指令停止施工,并立即报告项目经理,经处理后方可继续施工。
7)六级风以上或雷电、暴雨天气严禁施工,台风季节配置夜间值班人员,确保工程项目安全。
8 )施工使用的工具应定期检查性能状况,特别是受力工具应完整,以防因滑脱、打滑等意外造成伤人、伤己电力工具必须符合安全用电规范,不得使用无接地的单项拖板线。
内墙螺杆洞封堵方法和步骤材料准备:1.封堵剂:可以使用膏状的填缝剂、腻子粉或水泥等。
2.工具:多功能刀、批刀、抹刀、砂纸(180目)、墨线、铅笔、测量尺等。
步骤一:准备工作1.清洁:使用多功能刀将螺杆洞周围的杂质和残留物清理干净,确保孔洞周围干净、平整。
2.检查:检查周围的墙体是否有裂纹或其他结构问题,如有需要提前修补。
步骤二:封堵洞孔1.选择封堵剂:根据具体情况选择合适的封堵剂,如填缝剂、腻子粉或水泥。
2.拌制封堵材料:按照封堵剂包装上的指导比例,将封堵剂与适量的水混合搅拌均匀,直至形成均匀的糊状物。
3.填充洞孔:使用批刀将拌制好的封堵材料填充进螺杆洞孔中,直至填满孔洞,并用批刀刮平平整。
可以稍微多填充一些材料,以便修整平整。
4.平整表面:用抹刀将填充后的封堵材料表面修整平整,与周围墙面保持一致。
注意使用封堵剂时应根据其干燥时间及需要的光滑度调整处理的速度。
步骤三:修整和润饰1.干燥:等待封堵材料干燥,时间视具体封堵材料而定,通常需要24小时或更久。
2.打磨:使用砂纸将封堵材料表面轻轻打磨,使其与周围墙面平滑过渡。
3.上漆:使用与原墙面颜色相匹配的油漆进行上漆,使封堵后的部分与周围墙面一致。
步骤四:清理工作1.清理:在封堵材料干燥后,用水清洗掉多余的封堵材料。
2.擦拭:使用湿布或海绵擦拭封堵部分和周围墙面,使其干燥并保持清洁。
需要注意的是,以上是一种常用的内墙螺杆洞封堵的方法和步骤,具体操作可根据实际情况进行调整。
此外,封堵材料的选择应根据实际需要进行判断,如果需要更高的强度,可以选择使用水泥等材料进行封堵。
外墙穿墙螺杆洞处理方案概述外墙装修工程中,常常需要在墙体上固定各种设备和附件,如空调支架、窗帘杆等。
这些设备和附件通常需要通过安装螺杆洞进行固定。
然而,在墙体上留下的螺杆洞会破坏墙体的完整性,对外墙装修的美观产生一定影响。
因此,合理的处理外墙穿墙螺杆洞非常重要。
本文将介绍一些常用的外墙穿墙螺杆洞处理方案,包括修补和遮盖,旨在使墙体完整,并恢复装修效果。
修补方案1. 使用螺丝注胶修补这是一种简单而常用的修补方法,可用于较小的螺杆洞。
具体步骤如下:•清理洞口:使用刷子或者电动工具将洞口周围的灰尘和碎屑清理干净。
•准备注胶材料:选择适当的注胶材料,如化学锚固胶或者环氧树脂胶,按照使用说明准备好材料。
•注入胶水:将胶水注入螺杆洞中,直至洞口充满胶水。
•平整表面:使用刮刀或者平整工具将胶水表面平整,与墙体表面保持一致。
•治理时间:根据胶水的说明,等待适当时间以确保胶水完全固化。
•打磨润色:使用砂纸或者磨光机对修补区域进行打磨,使修补的区域与周围墙体表面一致。
•涂饰处理:根据外墙的涂饰方式,对修补的区域进行涂饰处理,使修补部分与整个外墙一致。
2. 使用填充剂修补对于较大的螺杆洞,使用填充剂进行修补是一种更为常见的方法。
具体步骤如下:•清理洞口:使用刷子或者电动工具将洞口周围的灰尘和碎屑清理干净。
•准备填充剂:选择适当的填充剂,如墙体填充胶或者修补石膏,并按照使用说明准备好材料。
•填充洞口:将填充剂充分填充至螺杆洞中,使其平整与墙体表面齐平。
•平整表面:使用刮刀或者平整工具将填充剂表面平整,与墙体表面保持一致。
•治理时间:根据填充剂的说明,等待适当时间以确保填充剂完全固化。
•打磨润色:使用砂纸或者磨光机对修补区域进行打磨,使修补的区域与周围墙体表面一致。
•涂饰处理:根据外墙的涂饰方式,对修补的区域进行涂饰处理,使修补部分与整个外墙一致。
遮盖方案1. 使用装饰盖板装饰盖板是一种简单有效的遮盖方法,可用于较小的螺杆洞。
外墙洞口如何封堵 [外墙施工洞口封堵专项方案] NO.xxG23地块房地产开发项目1#~14#、地下车库、门卫、基层社区中心外墙施工洞口封堵专项方案编制单位:XXXX建设工程有限公司编制人:审批人:编制日期: 2018年6月28日一、工程概况:本工程先已施工至二次结构施工阶段,后续二次结构及室内外抹灰工作即将开展,抹灰工程施工前,要将外墙的穿墙螺栓洞口及工字钢、脚手眼预留洞口进行封堵。
二、混凝土外墙孔洞封堵处理方案 1、螺栓孔洞封堵 1.1封堵材料采用注发泡剂施工。
1.2操作顺序:外立面对拉螺栓头清除外立面剔除塑料帽外墙防水砂浆封堵外墙防水砂浆外层涂刷防水涂料从内墙向孔内打发泡剂 1.3每幢号房必须安排有责任心的工人2至3人,先凿除外面拉杆螺孔塑料套管清除孔内垃圾、粉尘,每层一个孔一个孔的清理,外墙孔洞部位使用防水砂浆做成直径为100mm的圆形封堵,外层涂刷防水涂膜,涂膜涂刷面积超出灰饼25mm,再到内墙向孔内打发泡剂,直到发泡溢出,10-20分钟表面开始固化,待1小时以上使其固化,将内外墙发泡压入孔内。
1.4封堵外墙对拉杆螺栓孔在大面积施工前先做样板墙面,根据上述操作顺序,在1#楼西面做一块墙面封堵,完成后安装水管对该墙面喷水24小时后观察无渗漏,再进行大面积施工。
1.5操作工操作前必须检查作业点的安全措施是否能确保施工安全,如不符安全操作环境的,不能进行操作,应通知项目部派人进行安全设施修复合格后才能操作,因外墙与脚手架之间有300mm左右的空档,操作时应注意安全,脚下不要踩空。
1.6操作工每天作业应做好落手清工作,在脚手架上严禁高空抛物,应将废弃物品集中存在随身携带垃圾袋内,带至地面垃圾存放点集中处理,以免造成污染。
图1、螺杆封堵大样 2、悬挑脚手架,槽钢安装时在剪力墙上留有孔洞,处理方案如下: 2.1 一般情况下,小于 50mm 的孔洞采用与穿墙对拉螺杆相同的封堵做法; 50mm≤孔洞尺寸≤100mm 时,可用C25细石混凝土(添加防水剂及膨胀剂)参照对拉螺杆封堵做法分次堵塞;当孔洞大于 100mm 时,采用细石混凝土封堵;所有封堵必须保证密实。
目录一、编制说明 (2)二、工程概况 (2)三、编制依据 (3)四、施工前准备工作 (3)五、地上外墙及内墙对拉螺杆孔的处理 (3)六、地下室外墙及人防区对拉螺杆孔的处理 (5)七、外墙孔洞封堵的处理 (5)八、施工要点及质量要求 (6)九、施工技术管理 (7)十、质量管理 (7)十一、消防、安全以及文明施工措施 (8)一、编制说明本方案的编制是针对对拉螺杆孔洞、地下室外墙止水螺杆、外墙孔洞的封堵。
模板拆除后,内外剪力墙体上、地下室外墙上留下了部分对拉螺杆孔洞以及外墙预留孔洞,特别是外墙螺杆孔封堵涉及到外墙的渗漏风险,故我项目部对螺杆孔的封堵及外墙预留洞口封堵编制专项施工方案。
本着预防为主,加强事前控制和事后检查,把质量隐患消灭在萌芽状态,确保工程无渗漏。
从施工方面分析原因,提出来针对性的措施,结合以往的经验,本项目部拟对孔洞封堵采取以下方案进行处理。
二、工程概况银都▪公园府,位于防城港市防城区金花茶大道与规划道路A-8路交叉口西南角。
为框架-剪力墙结构。
总建筑面积136934.4平米,7栋住宅,3处商业,地库1层,地上1/32层,层高2.9米。
2018年12月10日开工,计划2021年1月30日竣工。
序号项目内容1 工程名称银都▪公园府2 建设单位广西银都房地产开发有限公司3 设计单位中外建华诚城市建筑规划设计有限公司4 监理单位广西桂新监理咨询有限责任公司5 施工单位中国建筑一局(集团)有限公司其中地下室建筑面积约为21399.26m2 ,具体面积如下:备序号楼栋号建筑类型层楼建筑面积(㎡)注1 1#楼住宅32层10792.802 2#楼住宅32层216703 3#楼住宅32层10792.804 4#楼住宅32层12402.465 5#楼住宅32层12402.46三、编制依据 1、《地下室防水工程技术规范》;2、《地下室防水质量验收规范》;3、《建筑工程施工质量验收统一标准》;4、《质量通病控制措施》。
外墙螺杆洞封堵施工方案封堵外墙螺杆洞是一项重要的施工任务,确保建筑结构的完整性和安全性。
下面是一个外墙螺杆洞封堵的施工方案,具体步骤如下:1.检查和准备工作:在开始封堵之前,要先仔细检查螺杆洞的位置和数量,确定封堵所需的材料和工具。
检查外墙表面的破损和腐蚀情况,必要时进行修复和处理。
2.清洁表面:清洁洞口和周围的外墙表面,确保没有杂物和灰尘。
可以使用刷子和高压水枪清洗。
3.均匀涂抹底漆:在洞口周围涂抹一层底漆,选择耐候性好、粘附力强的底漆。
涂抹底漆有助于提高封堵材料的粘附力和耐久性。
4.封堵材料的选择:根据洞口的大小和深度,选择适合的封堵材料。
常用的封堵材料有硅酮密封胶、聚氨酯胶、硅酸盐水泥胶等。
根据具体情况选择合适的材料。
5.均匀填充封堵材料:将选定的封堵材料填充至洞口,使用封堵胶枪或刮板将材料均匀地填充进去,确保洞口充分封堵且表面平整。
6.平整表面:使用刮板或刷子将填充的封堵材料平整,与周围的外墙表面融为一体,尽量使外观与原有墙面一致。
7.检查和修复:封堵完成后,检查封堵部位的质量和效果。
确保封堵材料的粘附力和耐久性。
如果有发现问题,及时修复。
8.装饰和防水:在封堵完成后,可以根据需要进行表面装饰,如刷漆、贴瓷砖等。
对于需要防水的地方,可以在封堵材料干燥后施加防水涂料,增加防水效果。
以上是一个外墙螺杆洞封堵的施工方案,通过细致的准备和规范的操作,可以确保螺杆洞的封堵质量和效果。
在施工过程中要保持工作区域的整洁,注意安全,避免材料浪费和施工问题导致的质量问题。
剪力墙及框剪结构主体的外墙在施工过程中用到大量的穿墙螺杆,穿墙螺杆洞的封堵涉及到外墙的渗漏风险,必须在施工中予以重视。
我们来施工现场看一看外
墙螺杆洞是如何封堵的,以供交流探讨
由外时内爆塞腸馭咙砂扎用
肪桶料」S. /
mm
穿墙黠封堵示劇
外墙螺杆洞封堵工艺流程
1、用冲击钻将墙内的PVC t剔除、清理干净,孔眼周边残余灰浆清理。
2、将
外孔尽量扩成20mm深喇叭口形。
3、先用水泥砂浆在内墙初步封堵,等凝固后开始封堵外墙孔洞。
4、在外墙使用喷壶进行喷水润湿,使螺栓孔周围保持湿润。
5、从外墙由外向内用铁抹子将膨胀水泥砂浆(膨胀剂掺量为水泥用量的4%-5%抹到螺栓孔。
灌进去一部分后,用直径10钢筋棍捣实后,重复多次填塞捣实,最后用铁抹子将螺栓孔处抹平压光。
6、待凝固后以外墙螺栓洞口为中心,涂刷水泥基防水涂料JS,厚度1.5mm,
直径150mm 。
现场施工示例。
西山区3号片区城中村改造项目A-4地块外墙、内墙穿墙螺杆洞封堵方案编制人:审核人:审批人:二零一八年三月目录一、编制说明 (3)二、工程概况 (3)三、编制依据 (4)四、施工前准备工作 (4)五、地上外墙及内墙对拉螺杆孔的处理 (4)六、地下室外墙及人防区对拉螺杆孔的处理 (6)七、外墙孔洞封堵的处理 (6)八、施工要点及质量要求 (7)九、施工技术管理 (8)十、质量管理 (8)十一、消防、安全以及文明施工措施 (9)一、编制说明本方案的编制是针对对拉螺杆孔洞、地下室外墙止水螺杆、外墙孔洞的封堵。
模板拆除后,内外剪力墙体上、地下室外墙上留下了部分对拉螺杆孔洞以及外墙预留孔洞,特别是外墙螺杆孔封堵涉及到外墙的渗漏风险,故我项目部对螺杆孔的封堵及外墙预留洞口封堵编制专项施工方案。
本着预防为主,加强事前控制和事后检查,把质量隐患消灭在萌芽状态,确保工程无渗漏。
从施工方面分析原因,提出来针对性的措施,结合以往的经验,本项目部拟对孔洞封堵采取以下方案进行处理。
二、工程概况本项目位于昆明市西山区近华浦路与白云路交界处,是由昆明宝华房地产有限公司开发的西山区三号片区城中村改造项目,项目为二类居住用地,规划建设净用地面积3.38万㎡,项目共8栋建筑,设地下三层,基础形式为预应力高强混凝土管桩+筏形基础,工程概况见下表:4-3楼 23856.35 29F 2.90 86.35 剪力墙结构971.57 住宅4-4楼 28649.72 34F 2.90 100.85 剪力墙结构976.69 住宅4-5楼 25418.14 30F 2.90 90.75 剪力墙结构986.53 住宅4-6楼 25239.08 28F 2.90 83.15 剪力墙结构935.49 住宅4-7楼1422.68 3F 5.4 16.25 框架477.99 商业4-8楼2717.03 3F / 16.25 框架结构856.02 商业三、编制依据1、《地下室防水工程技术规范》;2、《地下室防水质量验收规范》;3、《建筑工程施工质量验收统一标准》;4、《质量通病控制措施》。
四、施工前准备工作1、施工前应将砂浆添加剂、防水剂等材料及施工部位报送监理认可,并进行配合比试验,做好相应的记录;2、根据项目编制的施工计划,提前在下一道施工工序前进行封堵施工,对不同洞口封堵时间提前做好插入时间的安排,合理的安排插入施工,避免出现封堵材料混淆出错,并派施工管理人员对操作工人进行施工顺序部位引导;五、地上外墙及内墙对拉螺杆孔的处理1、立模施工过程中采用的螺杆附带PVC套管,便于穿墙螺杆的再次利用,另外防止拆模时破坏墙体结构。
图一 PVC套管图二移除对拉螺杆2、内墙抹灰施工前先用电锯将外侧螺杆洞内的PVC套管锯掉,将其扩孔深度不小于20mm、直径不小于30mm,外侧用1:1干硬性水泥砂浆(掺入防水粉或剂)封堵,内侧用1:2干硬性水泥砂浆封闭,40~60mm深,从内侧往螺栓孔中注入聚氨酯发泡胶,打满孔洞。
图三孔眼扩成喇叭口形并内外封堵3、穿墙对拉螺杆孔洞必须逐个封堵密实。
4、工艺流程:螺栓孔剔凿、清理孔内→钢丝刷刷毛→洒水湿润→灌防水砂浆→表面抹平压光→粘贴防水卷材→内侧发泡剂(1)用铲刀将露出墙面的PVC管清理干净,孔眼周边残余灰浆清理,用毛刷扫净。
(2)用直径16的电钻将孔眼扩成喇叭口形,深度:50mm,外口直径:50mm(3)提前一天用水进行冲洗湿润(4)用1:2膨胀水泥砂浆从外墙进行封堵入口内50mm,用¢10圆钢捣实与墙面抹平。
(5)隔天膨胀水泥砂浆达到一定强度后从墙内侧将泡沫胶管深入螺栓孔底部进行发泡灌注,灌注深度至距离墙面40mm;(6)带砂浆干燥后,用1.0厚水泥基防水材料涂刷螺杆眼孔,形状为直径100mm 的圆形;(7)外墙内侧用发泡剂封堵。
5、封堵的水泥砂浆必须压到墙体中部并压实。
6、封堵的砂浆必须养护,且拌制的砂浆必须及时养护。
六、地下室外墙及人防区对拉螺杆孔的处理1、地下室外墙用于固定模板的螺杆必须采用一次性止水对拉螺杆,一次性止水对拉螺杆可采用工具式螺杆或螺杆锥形塑料垫块方式使螺杆端头留出凹槽;2、螺杆中部需加焊2厚70×70mm止水片;3、当一次止水对拉螺杆采用工具式螺杆或螺杆锥形塑料垫块时,养护结束后需在墙体内外逐个剔除塑料垫块,螺杆从凹槽最深处割断,防水施工前,用1:2.5聚合物水泥砂浆填塞压实抹平。
七、外墙孔洞封堵的处理1、砼外墙孔洞封堵做法:①本做法适用于脚手架、塔吊、施工电梯等穿墙钢管或悬挑型钢等孔洞的封堵;②<100mm的孔洞,可采用干硬性水泥砂浆(掺入防水粉或剂)分次封堵;≥100mm的洞口,采用细石砼浇筑封堵,所有封堵必须保证密实;③封堵前,洞口须凿毛并浇水湿润;支洞口两侧模板,超出洞口100mm以上;浇筑高于墙体砼等级的细石砼,充分插捣密实;④拆除模板后对多余砼进行剔除,并修补表面缺陷。
2、砌体外墙孔洞封堵做法:①本做法适用于脚手架、塔吊、施工电梯等穿墙钢管或悬挑型钢等孔洞的封堵;②<100mm的孔洞,可采用干硬性水泥砂浆(掺入防水粉或剂)分次封堵;≥100mm的洞口,采用细石砼浇筑封堵,所有封堵必须保证密实;③封堵前,洞口须浇水湿润;支洞口两侧模板,超出洞口100mm以上,充分插捣密实;④拆除模板后对多余砼进行剔除,表面缺陷并用1:2.5水泥砂浆修补八、施工要点及质量要求1、孔边松散混凝土必须凿除。
2、在封堵螺杆洞前应该注意螺杆洞的清理,不能留有木屑等杂物,及油渍,并凿成毛面。
3、冲洗时须用钢丝刷清理。
4、冲洗完后,应等没有明水时再封堵,但封堵前应保持湿润。
5、砂浆封堵必须饱满密实,与先浇捣的混凝土连接应牢固。
6、砂浆应及时进行养护,并检查是否有细微裂缝或空鼓。
九、施工技术管理根据工程专业技术人员和技术工人的管理素质情况,本工程采用公司→项目部→施工班组三级技术管理体制。
以公司技术负责人为统一领导分级管理的技术责任制和以质量为中心的技术管理制度。
1、施工组织设计本工程施工组织设计由项目技术负责人编写,工程主管领导审定,各分项工程施工组织设计由专业施工技术干部组织落实,公司技术负责人根据工程项目实际情况由各专业人员审定。
2、施工图纸会审:本工程施工图纸、做法会审由专业技术人员参加会审工作。
参加会审工作人员,有设计单位代表、甲方代表、监理公司代表、公司负责人、技术工程师、技术人员、安质人员、班组长,会审结果由项目部技术负责人汇总,交设计代表、甲方代表、监理公司,审查会签后项目部分发存档。
3、根据我公司工程特点,施工方案,质量标准,安全措施编制工具操作的技术措施,并向施工人员及班组作全面交底,交底时应有关专业人员参加,程序如下:4、技术变更管理:施工过程中,甲方、设计院、监理公司提出修改,经施工单位技术部门进行可行性研究,技术负责人核定后,反馈给设计方、甲方、监理公司。
由施工单位提出的修改,经设计、甲方、监理公司进行可行性研究确定是否实施。
若无异议,签名认可后发放给施工单位,资料员做好登记,存档分发,组织实施。
十、质量管理(一)质量目标:验收合格率100%。
(二)坚持质量检查制度:1、三级质量检查制度,严格按照施工验收规范进行施工,认真做好工程质量分级检查项目,填好三检表,做到竣工资料的收集整理签证工作,做至准确、清晰、工整、齐全,各工序形成书面移交资料。
2、工序报验制度:各工序施工完成后,应及时整理完成工序评定表、工程隐蔽表格,及时进行报验。
3、质量制度教育,加强质量管理,强化质量意识,经常认真组织质检人员,施工人员学习有关质量工作方针、规章、规范、准则、先进工艺、事故通报,质量检查工作,质量执行情况,分析工程质量动态。
制定质量攻关措施。
4、质量事故报告制度,每日按时做出质量评定报告表,一旦发现质量事故,认真做好质量事故报告,组织公司技术人员、质检人员、施工人员进行认真分析事故发生的原因,采取合理有效的补救措施和相应的防范措施,杜绝事故再次发生。
5、检查日制度,定期进行质量检查制度的落实情况,查质量事故隐患,查措施执行情况,进行质量动态分析,促进工程质量的提高。
6、材料试验及试验制度,严格执行材料出厂、进库有出厂合格证,材料说明书,并按规定进行抽样复检,并报验。
对原材料、建筑材料实行全过程的质量跟踪管理。
7、质量管理人员职责条例,在公司配齐专业人员有工程技术人员、质监员、施工员形成完整的质量保证体系,特别是质监员、施工员、试验员要持证上岗制度。
8、质量管理奖罚制度,对质量工作做出成绩的部门和个人给予一定精神物质奖励,对不负责任,质量差的部门和个人给予必要的处分或经济制裁。
十一、消防、安全以及文明施工措施(一)注意用电安全。
(二)消防措施:成立以现场项目班子为主的消防领导小组,制定本工程消防方案和检查制度,定期研究消防工作中所遇到的各种问题,设立各级防火责任人,教育现场第个施工人员要认真执行各项消防安全管理制度,并实施奖罚制度。
检查中发现的问题和隐患,要限期改正。
(三)安全措施:贯彻执行“安全第一,预防为主”的方针,在整个施工过程中,必须认真遵守建筑安全工作规范和安全管理制度,努力做好安全生产、文明施工,杜绝恶性事故发生。
1、安全施工领导小组,制定安全施工网络,建立各级安全网络,层层落实安全生产责任制,项目各部门、班组各级领导都要把安全工作放在重要的议事日程中,做到每周一次安全日活动,每天班前安全交底,安质人员、施工员应根据各自的专业特点,采取各种形式进地安全施工的宣传工作,坚持三级安全教育,加强检查制度及新工工人岗前培训,坚决消除习惯性违章作业现象。
2、执行安全规范:(1)进入施工现场,必须戴安全帽,不准穿高跟鞋及拖鞋。
(2)施工现场和工作时间内,不允许开玩笑和打闹。
(3)施工现场必须具有充分的消防器材,定期检查,更换药剂。
位置明显,固定,不得任意挪作他用。
(4)高处施工作业前先进行班前交底,操作时必须佩带安全帽、系安全带,穿防滑鞋,施工工具必须放进工具袋,施工机具应放好、放稳并做好交叉作业安全防护,当有六级及六极以上的大风和雾、雨、雪天气时,应停止作业。
(5)在凿喇叭口和用电焊割除螺杆时,施工面下方应做好周边防护,防止凿除的混凝土,或割除的螺杆砸到下方施工人。
(6)施工过程中安全员进行跟踪检查,发现隐患及时处理。
(7)作业人员要严格遵守劳动纪律,覆行自己的岗位职责,工作中不擅自脱岗、不打闹、不睡觉、上班前不喝酒。
(8)施工过程中,保持作业区域环境卫生,不得将废弃材料乱扔、乱放。
(9)本工程项目自始至终贯彻我公司的一贯宗旨:“精心施工,工艺创新,质量第一,用户至上”的质量方针和“一流的管理水平,一流的质量,一流的建筑工程”的质量目标,为创优质工程而努力。