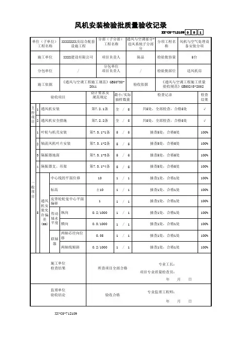
风机安装验收记录表
- 格式:doc
- 大小:313.00 KB
- 文档页数:17
风机安装工程检验批质量验收记录注:本表内容的填写需依据《现场验收检验批检查原始记录》。
本检验批质量验收的规范依据见本页背面。
填写说明一、填写依据1 《通风与空调工程质量验收规范》GB50243-2002。
2 《建筑工程施工质量验收统一标准》GB50300-2013。
二、检验批划分根据施工现场实际情况,可按照设计系统和设备组别划分成若干个检验批进行验收;设备安装可按型号划分成若干个检验批进行验收;大中型设备单独划分成一个检验批进行验收。
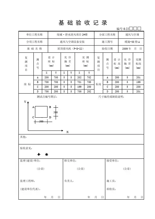
三、GB50243-2002规范摘要主控项目7.2.1 通风机的安装应符合下列规定:1 型号、规格应符合设计规定,其出口方向应正确。
2 叶轮旋转应平稳,停转后不应每次停留在同一位置上。
3 固定通风机的地脚螺栓应拧紧,并有防松动措施。
检查数量:全数检查。
检查方法:依据设计图核对、观察检查。
7.2.2 通风机传动装置的外露部位以及直通大气的进、出口,必须装设防护罩(网)或采取其他安全设施。
检查数量:全数检查。
检查方法:依据设计图核对、观察检查。
一般项目7.3.1 通风机的安装应符合下列规定:1 通风机的安装,应符合表7.3.1的规定,叶轮转子与机壳的组装位置应正确;叶轮进风口插入风机机壳进风口表7.3.1 通风机安装的允许偏差2 现场组装的轴流风机叶片安装角度应一致,达到在同一平面内运转,叶轮与筒体之间的间隙应均匀,水平度允许偏差为1/1000。
3 安装隔振器的地面应平整,各组隔振器承受荷载的压缩量应均匀,高度误差应小于2mm。
4 安装风机的隔振钢支、吊架,其结构形式和外形尺寸应符合设计或设备技术文件的规定;焊接应牢固,焊缝应饱满、均匀。
检查数量:按总数抽查20%,不得少于1台。
检查方法:尺量、观察或检查施工记录。
风力发电机安装检验批质量验收记录表1. 项目信息- 项目名称:[项目名称]- 项目编号:[项目编号]- 安装地点:[安装地点]- 安装日期:[安装日期]2. 检验批信息- 检验批编号:[检验批编号]- 检验日期:[检验日期]3. 安装情况3.1 风力发电机系统- 风力发电机型号:[风力发电机型号]- 基础安装情况:[基础安装情况描述]- 风机塔筒及机舱安装情况:[风机塔筒及机舱安装情况描述] - 风叶安装情况:[风叶安装情况描述]- 发电机安装情况:[发电机安装情况描述]3.2 电气系统- 主变压器安装情况:[主变压器安装情况描述]- 电缆敷设情况:[电缆敷设情况描述]- 电气连接情况:[电气连接情况描述]3.3 控制系统- 控制柜安装情况:[控制柜安装情况描述]- 监控系统安装情况:[监控系统安装情况描述]- 避雷装置安装情况:[避雷装置安装情况描述]4. 检验结果根据对上述安装情况的检查和验收,得出以下结论:- 风力发电机系统安装符合相关要求。
- 电气系统安装符合相关要求。
- 控制系统安装符合相关要求。
5. 缺陷与整改情况经检查发现以下问题/缺陷:- [问题/缺陷1]- [问题/缺陷2]- [问题/缺陷3]针对上述问题/缺陷,制定了以下整改措施:- [整改措施1]- [整改措施2]- [整改措施3]6. 验收结论根据上述安装情况的检查和整改措施的落实情况,经过与相关标准和规范相比较的评定,对该风力发电机安装检验批进行如下质量验收结论:- 通过验收- 不通过验收7. 验收人员- 验收人员1:[姓名]- 验收人员2:[姓名]8. 备注[备注信息]以上内容经过质量验收,并记录在此《风力发电机安装检验批质量验收记录表》中。
---。
子单位工程质量验收记录表工程编号:
分部工程质量验收记录表工程编号:
分项工程质量验收记录表工程编号:
机舱检查检验批工程质量验收记录表
工程编号:性质:一般表hnfd001
机舱安装检验批工程质量验收记录表
工程编号:性质:主控表hnfd002
叶片检查检验批工程质量验收记录表工程编号:性质:一般表hnfd003
轮毂检查检验批工程质量验收记录表
工程编号:性质:一般表hnfd004
叶轮组合检验批工程质量验收记录表
表hnfd005
工程编号:性质:一般
叶轮安装检验批工程质量验收记录表
性质:主控表hnfd006
工程编号:
高强螺栓连接检验批工程质量验收记录表工程编号:性质:主控表hnfd007
塔架检查检验批工程质量验收记录表工程编号:性质:一般表hnfd008
基础环检查检验批工程质量验收记录表工程编号:性质:一般表hnfd009
塔架安装检验批工程质量验收记录表工程编号:性质:主控表hnfd010
风机内电
缆敷设检验批
工程质量验收
记录表
工程编号:性质:主控表hnfd011。