设备安装验收记录
- 格式:doc
- 大小:67.50 KB
- 文档页数:9
第1篇一、工程概况工程名称:XXX项目安装工程建设单位:XXX有限公司施工单位:XXX建筑工程有限公司监理单位:XXX工程监理有限公司工程地点:XXX市XXX区XXX路XXX号工程规模:总建筑面积约XXX平方米,安装工程包括给排水、电气、通风空调、消防等系统。
二、验收依据1. 《建筑工程施工质量验收统一标准》(GB 50300-2013)2. 《建筑工程施工质量验收规范》(GB 50203-2011)3. 设计文件、施工图纸及相关技术规范4. 国家及地方相关法律法规三、验收组织1. 验收组由建设单位、施工单位、监理单位及相关部门人员组成。
2. 验收组成员应具备相应的专业知识和实践经验。
四、验收程序1. 施工单位向监理单位提出验收申请,并提供验收资料。
2. 监理单位组织验收组进行现场验收。
3. 验收组对验收项目进行检查,并提出验收意见。
4. 验收组填写验收记录,并由各方签字确认。
五、验收内容1. 给排水系统验收(1)管道安装:管道安装符合设计要求,管道接口严密,无渗漏现象。
(2)设备安装:设备安装位置准确,固定牢固,无变形现象。
(3)管道试压:管道试压压力符合设计要求,无泄漏现象。
2. 电气系统验收(1)线路敷设:线路敷设符合设计要求,线缆无损伤,固定牢固。
(2)设备安装:设备安装位置准确,固定牢固,无变形现象。
(3)接地保护:接地保护系统完整,接地电阻符合设计要求。
(4)电气设备试运行:电气设备试运行正常,无异常现象。
3. 通风空调系统验收(1)管道安装:管道安装符合设计要求,管道接口严密,无渗漏现象。
(2)设备安装:设备安装位置准确,固定牢固,无变形现象。
(3)通风空调系统试运行:通风空调系统试运行正常,无异常现象。
4. 消防系统验收(1)管道安装:管道安装符合设计要求,管道接口严密,无渗漏现象。
(2)设备安装:设备安装位置准确,固定牢固,无变形现象。
(3)消防系统试运行:消防系统试运行正常,无异常现象。
机房设备安装检验批质量验收记录一、项目概述本次机房设备安装检验批质量验收记录为了确保机房设备的安全运行和高效工作,根据有关规定和要求,开展了本次质量验收工作。
验收范围包括设备的外观质量、功能性能、安全性能等方面。
二、验收内容1.外观质量在验收过程中,对设备的外观进行了全面检查。
主要检查项目有:设备表面是否光洁,有无明显损伤、划痕等;安装位置是否符合规定;标识是否完整、准确等。
2.功能性能对设备的功能进行了详细测试。
主要测试项目有:设备是否能正常启动、运行;各项功能是否齐全、正常运行;设备与其他设备的配合是否良好等。
3.安全性能对设备的安全性能进行了检查。
主要检查项目如下:设备是否符合国家标准和规范要求;是否存在安全隐患;设备是否能正常运行等。
三、验收记录1.外观质量经过全面检查,所有设备的外观质量良好。
设备表面光洁,没有明显的损伤和划痕。
安装位置符合规定,标识完整准确。
2.功能性能通过详细测试,所有设备的功能正常。
设备能够正常启动、运行,并与其他设备配合良好。
各项功能齐全,无异常情况。
3.安全性能所有设备符合国家标准和规范要求,不存在安全隐患。
设备能够正常运行,无安全问题。
四、质量问题整改在本次质量验收过程中发现了以下质量问题:1.设备A的电源线接触不良,需要重新接好;2.设备B的风扇噪音较大,需要更换;3.设备C的控制板上存在松动的电缆,需重新固定。
对于以上质量问题,安装单位承诺在3天内完成整改,并将整改情况报告给验收单位。
五、质量验收结论经过本次机房设备安装检验批质量验收工作,现对整个项目做出如下结论:本次机房设备安装质量合格,设备外观良好、功能正常、安全可靠。
对于出现的质量问题,安装单位已做出整改承诺,并将在规定时间内完成整改。
整个项目符合质量验收要求,可以正式投入使用。
六、质量验收总结本次机房设备安装质量验收工作充分保证了设备的安全运行和高效工作。
通过对设备的外观质量、功能性能和安全性能等方面的验收,及时发现了一些质量问题,并给予了整改意见。
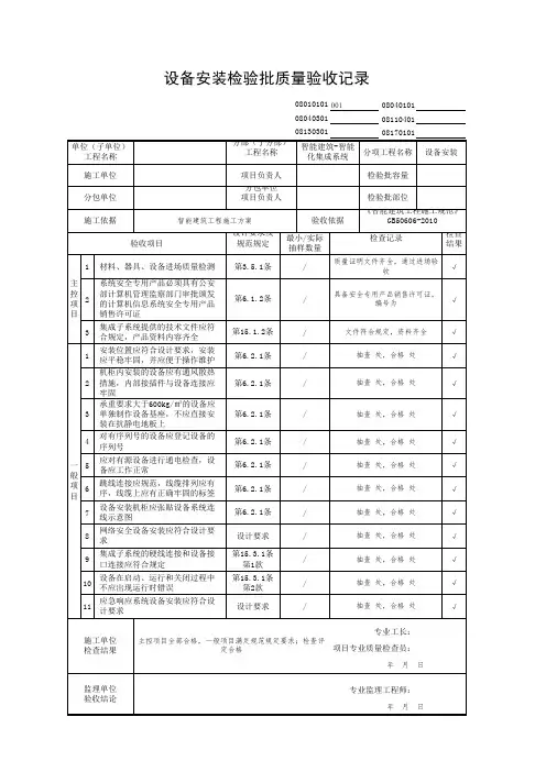
设备安装检验批质量验收记录08010101 08040101 0804030108110401 08130301 08170101单位(子单位)工程名称分部(子分部)工程名称分项工程名称施工单位项目负责人检验批容量分包单位分包单位项目负责人检验批部位施工依据验收依据GB50606-2010验收项目设计要求及规范规定最小\实际抽样数量检查记录检查结果主控项目1材料、器具、设备进场质量检测第3。
5。
1条2系统安全专用产品必须具有公安部计算机管理监察部门审批颁发的计算机信息系统安全专用产品销售许可证第6.1。
2条3集成子系统提供的技术文件应符合规定,产品资料内容齐全第15.1。
2条一般项目1安装位置应符合设计要求,安装应平稳牢固,并应便于操作维护第6。
2。
1条2机柜内安装的设备应有通风散热措施,内部接插件与设备连接应牢固第6.2.1条3承重要求大于600kg/㎡的设备应单独制作设备基座,不应直接安装在抗静电地板上第6.2.1条4对有序列号的设备应登记设备的序列号第6.2.1条5应对有源设备进行通电检查,设备应工作正常第6.2。
1条6跳线连接应规范,线缆排列应有序,线缆上应有正确牢固的标签第6.2.1条7设备安装机柜应张贴设备系统连线示意图第6.2。
1条8网络安全设备安装应符合设计要求设计要求9集成子系统的硬线连接和设备接口连接应符合第15.3。
1条10软件和设备在启动、运行和关闭过程中不应出现运行时错误第15.3.1条11应急响应系统设备安装应符合设计要求设计要求施工单位检查结果主控项目全部合格,一般项目满足施工规范规定要求.专业工长:项目专业质量检查员:年月日监理单位验收结论专业监理工程师:年月日2、验收依据说明【规范名称及编号】《智能建筑工程施工规范》GB50606-2010【条文摘录】摘录一:第3.5。
1条3.5.1 材料、器具、设备进场质量检测应符合下列规定:1 需要进行质量检查的产品应包括智能建筑工程各子系统中使用的材料、硬件设备、软件产品和工程中应用的各种系统接口;列入中华人民共和国实施强制性产品认证的产品目录或实施生产许可证和上网许可证管理的产品应进行产品质量检查,未列入的产品也应按规定程序通过产品质量检测后方可使用;2 材料及主要设备的检测应符合下列规定:1)按照合同文件和工程设计文件进行的进场验收,应有书面记录和参加人签字,并应经监理工程师或建设单位验收人员确认;2)应对材料、设备的外观、规格、型号、数量及产地等进行检查复核;3)主要设备、材料应有生产厂家的质量合格证明文件及性能的检测报告.3 设备及材料的质量检查应包括安全性、可靠性及电磁兼容性等项目,并应由生产厂家出具相应检测报告.摘录二:6。
设备安装检验批质量验收记录注:本表内容的填写需依据《现场验收检验批检查原始记录》。
本检验批质量验收的规范依据见本页背面。
填写说明一、填写依据1 《智能建筑工程施工规范》GB50606-2010。
2 《建筑工程施工质量验收统一标准》GB50300-2013。
二、检验批划分可按设计系统、设备组别、区域划分。
三、GB50606-2010规范摘要主控项目3.5.1 材料、器具、设备进场质量检测应符合下列规定:1 需要进行质量检查的产品应包括智能建筑工程各子系统中使用的材料、硬件设备、软件产品和工程中应用的各种系统接口;列入中华人民共和国实施强制性产品认证的产品目录或实施生产许可证和上网许可证管理的产品应进行产品质量检查,未列入的产品也应按规定程序通过产品质量检测后方可使用。
2 材料及主要设备的检测应符合下列规定:1)按照合同文件和工程设计文件进行的进场验收,应有书面记录和参加人签字,并应经监理工程师或建设单位验收人员确认;2)应对材料、设备的外观、规格、型号、数量及产地等进行检查复核;3)主要设备、材料应有生产厂家的质量合格证明文件及性能的检测报告。
3 设备及材料的质量检查应包括安全性、可靠性及电磁兼容性等项目,并应由生产厂家出具相应检测报告。
6.1.2 系统安全专用产品必须具有公安部计算机管理监察部门审批颁发的计算机信息系统安全专用产品销售许可证。
15.1.2 材料与设备准备应符合下列规定:1 设备和软件必须按国家标准《智能建筑工程质量验收规范》GB50339第3.2节的规定进行产品质量检查,应符合进场验收要求。
2 集成子系统提供的技术文件应符合下列规定:1)应包括系统图、网络拓扑图、原理图、平面图、设备参数表、组态监控界面文件及编辑软件;2)应为纸质文件和电子文档,文件内容应与工程现场安装的设备和软件一致;3)文件内容与通信接口的设备参数标识应一致。
3 集成子系统的产品资料应包含下列内容:1)系统结构说明、使用手册、安装配置手册;2)供测试用的集成子系统服务器、工作站软件;3)集成子系统通信接口的使用手册、安装配置手册、开发参考手册、接线说明。
设备安装验收记录
1.引言
本文档旨在记录设备的安装验收过程,确保设备按照要求安装并符合相关标准。
本次安装验收记录适用于以下设备:[设备名称/型号]。
2.设备安装验收流程
本次设备安装验收分为以下步骤:
步骤一:设备检查
确认设备型号、技术参数等是否与合同一致;
检查设备包装是否完好,并对损坏情况进行记录;
检查设备配件是否齐全。
步骤二:现场安装
安装设备的位置、方向和高度等是否符合要求;确认设备的接线和接口连接是否正确;
验证设备的固定是否稳固可靠。
步骤三:设备调试
进行设备的电气和功能性调试;
检查设备的运行状态是否正常,并记录运行参数。
步骤四:运行试验
进行设备的运行试验;
检验设备是否满足预期的运行需求。
步骤五:整理记录
按照时间顺序整理设备安装验收过程的记录;
记录出现的问题及处理措施。
3.安装验收结果
根据以上安装验收流程,本次设备安装验收的结果如下:
设备型号、参数与合同一致;
设备包装完好,无损坏;
设备配件齐全;
设备安装位置、方向和高度符合要求;
设备接线和接口连接正确;
设备固定稳固可靠;
设备电气和功能性调试正常;
设备运行状态正常,并符合预期的运行需求;
记录出现的问题及处理措施。
4.结论
本次设备安装验收记录表明设备安装按照要求进行,并符合相
关标准。
建议将本文档归档保存,并向相关部门汇报安装验收结果。
附:设备安装验收记录所需附件(照片、测试数据等)。
设备安装工程检验批质量验收记录一、安装检验根据项目的要求,对设备的安装进行检验,包括设备的正确安装位置、安装材料的选用和安装质量等。
1.设备安装位置:设备安装位置是否符合设计要求,设备的安装高度、倾角、平整度是否满足要求。
2.安装材料的选用:安装材料的种类、规格是否符合设计要求,安装材料的强度、耐腐蚀性能等是否满足要求。
3.安装质量:安装工艺是否正确,安装焊接的牢固性、密封性等是否达到要求,接口的连接方式、紧固件的选择和固定是否符合要求。
二、调试检验设备安装完成后,进行调试工作,确保设备正常运行。
1.设备电气系统调试:检查设备的电气系统接线是否正确,电器元件是否正常工作,开关、按钮是否灵活可靠,检查电气设备的绝缘电阻、线路的电阻等是否满足要求。
2.设备液压系统调试:检查设备的液压系统各油路连接是否正常,工作压力是否稳定、调节阀、安全阀等是否正常工作。
3.设备气动系统调试:检查设备的气动系统气路连接是否正常,压力是否稳定,阀门、气缸等是否正常工作。
三、操作验收对设备的操作进行验收,检查设备的各项功能是否正常。
1.操作性能:通过对设备进行正常操作,检查设备的启停控制是否灵活可靠,设备的转速、温度、压力等是否稳定。
2.安全性能:检查设备是否存在安全隐患,设备的安全保护装置是否有效,设备的紧急停机是否可靠。
3.操作说明书:检查设备的操作说明书是否齐全、正确、易懂,操作人员是否能够根据说明书进行正确操作。
四、质量验收对设备安装工程的质量进行全面验收,确保设备达到设计要求和技术规范。
1.合同要求:检查设备是否满足合同的技术要求和性能指标。
2.技术规范:检查设备的安装、调试是否符合国家或行业的相关技术规范。
3.工程记录:检查安装工程记录的完整性和准确度,包括安装材料使用记录、焊接工艺记录、调试过程记录等。
以上是设备安装工程检验批质量验收记录的内容,通过对设备安装工程的检验、调试和操作验收,以及对整个工程的质量验收,可以确保设备安装工程的质量和性能符合设计要求和技术规范。