减小伺服电机负载转动惯量
- 格式:doc
- 大小:74.00 KB
- 文档页数:3
伺服电机驱动器的正确使用除按用户手册正确设置参数外,还应结合使用现场和负载情况,灵活操作。
同样,维修伺服电机系统除采用同型号的部件进行替代外,也可以对原设备的功能、信号分析后,使用不同型号部件进行替代。
伺服电机驱动器的几个参数设置1、位置比例增益设定位置环调节器的比例增益;设置值越大,增益越高,刚度越大,相同频率指令脉冲条件下,位置滞后量越小。
但数值太大可能会引起振荡或超调;参数数值由具体的伺服系统型号和负载情况确定。
2、位置前馈增益设定位置环的前馈增益;设定值越大时,表示在任何频率的指令脉冲下,位置滞后量越小;位置环的前馈增益大,控制系统的高速响应特性提高,但会使系统的位置不稳定,容易产生振荡;不需要很高的响应特性时,本参数通常设为0表示范围:0~100%。
3、速度比例增益设定速度调节器的比例增益;设置值越大,增益越高,刚度越大。
参数数值根据具体的伺服驱动系统型号和负载值情况确定。
一般情况下,负载惯量越大,设定值越大;在系统不产生振荡的条件下,尽量设定较大的值。
4、速度积分时间常数设定速度调节器的积分时间常数;设置值越小,积分速度越快。
参数数值根据具体的伺服驱动系统型号和负载情况确定。
一般情况下,负载惯量越大,设定值越大;在系统不产生振荡的条件下,尽量设定较小的值。
5、速度反馈滤波因子设定速度反馈低通滤波器特性;数值越大,截止频率越低,电机产生的噪音越小。
如果负载惯量很大,可以适当减小设定值。
数值太大,造成响应变慢,可能会引起振荡;数值越小,截止频率越高,速度反馈响应越快。
如果需要较高的速度响应,可以适当减小设定值。
6、最大输出转矩设置设置伺服电机的内部转矩限制值;设置值是额定转矩的百分比;任何时候,这个限制都有效定位完成范围;设定位置控制方式下定位完成脉冲范围。
本参数提供了位置控制方式下驱动器判断是否完成定位的依据,当位置偏差计数器内的剩余脉冲数小于或等于本参数设定值时,驱动器认为定位已完成,到位开关信号为ON,否则为OFF;在位置控制方式时,输出位置定位完成信号,加减速时间常数。
伺服电机负载惯量比计算方法以及影响惯量就是刚体绕轴转动的惯性的度量,转动惯量是表征刚体转动惯性大小的物理量。
它与刚体的质量、质量相对于转轴的分布有关。
(刚体是指理想状态下的不会有任何变化的物体),选择的时候遇到电机惯量,也是伺服电机的一项重要指标。
它指的是伺服电机转子本身的惯量,对于电机的加减速来说相当重要。
如果不能很好的匹配惯量,电机的动作会很不平稳。
负载惯量的计算由电机驱动的所有运动部件,无论旋转运动的部件,还是直线运动的部件,都成为电机的负载惯量。
电机轴上的负载总惯量可以通过计算各个被驱动的部件的惯量,并按一定的规律将其相加得到。
1)圆柱体惯量如滚珠丝杠,齿轮等围绕其中心轴旋转时的惯量可按下面公式计算:J=(πγ/32)*D4L(kg cm2)如机构为钢材,则可按下面公式计算:J=(0.78*10-6)*D4L(kg cm2)式中:γ材料的密度(kg/cm2)D圆柱体的直经(cm)L圆柱体的长度(cm)2)轴向移动物体的惯量工件,工作台等轴向移动物体的惯量,可由下面公式得出:J=W*(L/2π)2 (kg cm2)式中:W直线移动物体的重量(kg)L电机每转在直线方向移动的距离(cm)3)圆柱体围绕中心运动时的惯量:圆柱体围绕中心运动时的惯量属于这种情况的例子:如大直经的齿轮,为了减少惯量,往往在圆盘上挖出分布均匀的孔这时的惯量可以这样计算:J=Jo+W*R2(kg cm2)式中:Jo为圆柱体围绕其中心线旋转时的惯量(kgcm2)W圆柱体的重量(kg)R旋转半径(cm)4)相对电机轴机械变速的惯量计算将上图所示的负载惯量Jo折算到电机轴上的计算方法如下:J=(N1/N2)2Jo式中:N1 N2为齿轮的齿数负载、电机惯量比有什么影响?理论上说,系统惯量(包括伺服电机+负载)越大,响应时间越慢。
但是电机的惯量是在设计的时候已经考虑过的。
标称的响应时间也是考虑惯量以后的精度和响应时间。
电机惯量是指物体绕某一轴的转动,一般来说绕x轴转动用Ix表示。
惯量匹配和最佳传动比1 功率变化率伺服电机的基本功能就是将输入的电功率快速的转换为机械功率输出。
功率转换的越快,伺服电机的快速性越好。
功率转换的快速性用功率变化率(dP/dt)来衡量:P=T·ωT=J·dω/dtdP/dt=d(T·ω)/dt=T·dω/dt=T·T/JdP/dt=T2/J伺服电机以峰值转矩Tp进行加/减速运动时的功率变化率最大:(dP/dt)max=Tp2/Jm通常用理想空载时伺服电机的功率变化率来衡量伺服电机的快速性。
衡量伺服电机快速性的性能指标还有:●转矩/惯量比:Tp/Jm= dω/dt●最大理论加速度:(dω/dt)max= Tp/Jm这些指标都是单一衡量伺服电机加速性能的指标。
2 惯量匹配伺服系统要求伺服电机能快速跟踪指令的变化。
对一个定位运动而言,就是要求以最短的时间到达目标位置。
换一种说法,就是在直接驱动负载的定位过程中,负载以最大的功率变化率将输入功率转换为输出功率。
伺服电机驱动惯性负载J L的加速度、加速转矩计算如下:●负载的加速度(系统加速度):dω/dt=Tp/(Jm+J L)●负载的加速转矩:T L= J L·dω/dt= J L·Tp/(Jm+J L)负载的功率变化率为:dP L/dt=T L2/J LdP L/dt= J L2·Tp2/(Jm+J L)2/J L = J L·Tp2/(Jm+J L)2从式中可以看出:●J L远大于Jm时:dP L/dt= Tp2/J L,负载惯量越大,负载的功率变化率越小。
●J L远小于Jm时:dP L/dt= J L·Tp2/Jm,负载惯量越大,负载的功率变化率越小。
●负载惯量J L相对电机惯量Jm变化时,负载的功率变化率存在一个最大值。
根据极值定理,对应dP L/dt极值的J L值为使d(dP L/dt)/d(J L) = 0的值。
伺服电机的制动1.概述伺服电动机的制动器是一种降低伺服电机旋转速度的装置。
施加制动的过程可称之为制动。
以下两种情况,将产生特别大的再生能量,必须外接制动电阻消耗掉,否者将对伺服驱动产生损坏。
(1)当负载转动惯量特别大,电机制动减速时。
(2)当电机转动方向与负载转动方向相同,但是转矩相反时。
2.分类伺服电机的制动可分为再生制动、动态制动和电磁制动。
2.1. 再生制动再生制动是在伺服驱动器正常工作时的减速过程。
伺服电机的减速或者停止是通过减小频率来实现。
在频率减小的瞬间,电机的同步转速随之下降,而由于机械惯性,电机的转子转速未变,电机转子转速大于同步旋转磁场的转速,此时电机处于发电状态。
与此同时,电机轴上的转矩变成了制动转矩,使电机的转速迅速下降,电机此时处于再生制动状态。
电机再生制动产生的能量通过逆变回路反馈到直流母线,但是直流电路的电能无法通过整流电路回馈到电网,只能靠驱动器内部的电容吸收,长时间制动时将导致直流母线电压升高,形成“泵升电压”。
过高的直流母线电压将使各部分器件受到损坏。
因此对于处于发电制动状态中产生的再生能量必须采取必要的措施,一般通过使用制动电阻将能量耗散掉。
当直流母线电压升高到驱动器设定的数值时,再生制动电路打开,经内置制动电阻发热耗散。
电能转化为热能,电机转速降低,直流母线电压也降低。
通常内置制动电阻功率较小,如减速时间长或减速度大,内部再生制动电路消耗能量过慢,直流母线电压持续升高,超过设定的阈值,驱动器报警,并给电机断电。
此时需要增加外置制动电阻吸收能量,保护驱动器。
汇川伺服驱动器直流母线电压如下:AC220V整流后标准值为311V,正常值为235V-378V,电压泄放点为380V,上下阈值为200V-420V;AC380V整流后标准值为537V,正常值为451V-689V,电压泄放点为690V,上下阈值为380V-760V。
AC220V包括单相220V和三相220V。
伺服电机惯量比
伺服电机惯量比是指伺服电机转子的惯量与负载转动惯量之比。
它是描述伺服系统动
态响应特性的一个重要参数,直接影响伺服系统的稳定性、精度和动态性能。
在伺服系统中,惯量比的大小决定了伺服控制器输出的控制量与机械负载响应的速度和精度。
一般来说,低惯量比的伺服电机转子惯量较小,响应速度快,能够迅速响应控制器的
指令,快速调节电机转速,提高系统的响应速度和精度;而高惯量比的伺服电机转子惯量
较大,响应速度慢,需要更长时间才能达到指令转速,并且对于瞬间负载变化响应较慢。
伺服电机惯量比的确定需要考虑多个因素,包括机械传动系数、负载惯量、伺服电机
转子惯量等因素。
在伺服系统设计中,需要根据实际应用需求和性能要求仔细选择惯量比。
一般来说,低惯量比的伺服电机适用于速度控制和位置控制精度要求较高的系统,而高惯
量比的伺服电机适用于负载转动惯量较大的系统。
伺服电机负载惯量比计算方法以及影响计算方法:1.直接测量法:直接测量法是指在实际应用中,通过测量伺服电机轴承上负载物体的质量和距离来计算负载惯量比。
具体步骤如下:(1)将负载物体(如负载的转子或传动装置)放在电机输出轴上。
(2) 测量负载物体的质量,单位为kg。
(3)测量负载物体距离轴心的距离,单位为m。
(4)计算负载物体的转动惯量Jl,计算公式为:Jl=m*r^2,其中m为负载物体的质量,r为负载物体距离轴心的距离。
(5) 测量电机自身的转动惯量Jm,单位为kg*m^2(6)计算负载惯量比K,计算公式为:K=Jl/Jm。
2.间接计算法:间接计算法是指通过伺服电机的参数和负载物体参数来计算负载惯量比。
具体步骤如下:(1) 测量伺服电机的转动惯量Jm,单位为kg*m^2(2) 了解负载物体的转动惯量Jl,单位为kg*m^2(3)计算负载惯量比K,计算公式为:K=Jl/Jm。
影响因素:1.负载物体的质量和转动惯量:负载物体越重,负载惯量比越大。
2.负载物体距离电机轴心的距离:负载物体的距离越大,负载惯量比越大。
3.伺服电机本身的转动惯量:转动惯量越大,负载惯量比越小。
4.控制系统的响应速度:负载惯量比越大,控制系统的响应速度越慢。
5.伺服电机的额定转速和额定负载:额定转速越高,额定负载越大,负载惯量比越小。
6.动态响应要求:对速度和位置的要求越高,负载惯量比越小。
综上所述,伺服电机负载惯量比的计算方法主要有直接测量法和间接计算法,而影响该比值的因素包括负载物体的质量、转动惯量、距离轴心的距离,伺服电机自身的转动惯量,控制系统的响应速度,以及动态响应要求等。
伺服电机的选型和转动惯量的计算伺服电机是一种采用反馈控制系统的电机,常用于需要精确控制转动位置、速度和力矩的应用中。
选型和转动惯量的计算是为了确保电机能够满足系统的性能要求。
在进行伺服电机的选型时,需要考虑以下几个方面:1.负载特性:了解所需控制的负载类型,包括负载的惯性矩、负载对电机的回复要求等。
这些参数将对电机的性能和选型产生重要影响。
2.控制要求:了解所需控制的性能指标,包括位置精度、速度范围、加速度、力矩等。
这些参数将对电机的动态响应和控制能力产生重要影响。
3.环境条件:了解电机将运行的环境条件,包括温度、湿度、腐蚀性等。
这些条件将对电机的耐久性和可靠性产生重要影响。
4.使用寿命:了解电机的使用寿命要求,考虑使用寿命与成本之间的平衡。
基于以上要求,在伺服电机的选型中,我们可以通过以下几个步骤进行:步骤一:确定负载特性首先,需要对负载进行分析和测量,得到负载的特性参数,包括负载的惯性矩、负载对电机的回复要求等。
可以使用力矩传感器或测量设备来测量负载的特性。
步骤二:确定控制要求根据实际应用需求,确定所需的控制要求,包括位置精度、速度范围、加速度、力矩等。
可以根据系统的动态特性和控制性能要求,计算出所需的电机性能参数。
步骤三:选型电机根据负载特性和控制要求,选择适当的伺服电机。
可以根据电机供应商提供的产品目录、技术规格和性能曲线,进行比较和选择。
步骤四:计算转动惯量转动惯量是描述绕轴旋转运动的物体对转动的惯性程度的物理量。
对于伺服电机系统,转动惯量对于控制系统的动态响应和稳定性非常重要。
计算转动惯量的方法可以有多种,以下是其中一种常见的计算方法:1.将负载模型化为旋转惯性将负载视为固定于电机轴上的旋转质点,假设负载的转动惯量为J_l。
2.估算负载的转动惯量根据负载的形状和结构,可以使用以下公式估算负载的转动惯量:J_l=m*l^2其中,m为负载的质量,l为负载的一个特定距离。
3.计算电机和驱动部分的转动惯量电机和驱动部分的转动惯量可通过电机制造商提供的数据手册和技术规格进行查找。
伺服电机惯量匹配原则伺服电机是一种能够控制转速和位置的电动机,广泛应用于工业自动化、机器人等领域。
在伺服电机控制系统中,惯量匹配是一个重要的原则,它指的是将负载的惯量与电机的惯量匹配,以实现系统的高效稳定运行。
惯量是物体抵抗改变运动状态的特性,可以简单理解为物体惯性的大小。
在伺服电机系统中,负载的惯量不同于电机本身的惯量,因此需要进行惯量匹配。
惯量不匹配会导致系统响应速度变慢、精度下降、能耗增加等问题。
惯量匹配的基本原则是负载的惯量与电机的惯量尽量相等。
具体来说,可以通过增加电机的转动惯量或减小负载的转动惯量来达到匹配的目的。
惯量匹配的目的是使电机在控制过程中更加稳定,减小系统响应时间,提高控制精度。
惯量匹配可以通过多种方式实现。
一种常见的方法是通过增加电机的转子惯量来进行匹配。
转子惯量是指电机转子自身的惯量,可以通过增加转子的质量来实现。
增加转子的质量会增加转子的转动惯量,从而使电机的惯量更接近负载的惯量。
另一种方法是通过减小负载的转动惯量来进行匹配。
负载的转动惯量取决于负载的结构和质量分布,可以通过改变负载的结构或减小负载的质量来实现惯量的匹配。
例如,在机器人应用中,可以通过改变机械臂的结构或减小机械臂的负载质量,来实现惯量的匹配。
惯量匹配的原则还包括考虑系统的动态特性和稳态误差。
动态特性是指系统的响应速度和稳定性,而稳态误差是指系统在稳定状态下的误差大小。
惯量匹配要求系统的动态特性和稳态误差达到一定的要求,以实现高效稳定的运行。
在实际应用中,惯量匹配可以通过系统参数的调整来实现。
例如,可以通过调整伺服控制器的增益和补偿器参数,来改变系统的动态特性和稳态误差。
同时,还可以通过传感器的选择和位置安装等方式,来准确测量负载的惯量,以实现匹配。
惯量匹配是伺服电机控制系统中的重要原则,它可以提高系统的响应速度和控制精度,实现高效稳定的运行。
通过增加电机的转动惯量或减小负载的转动惯量,以及调整系统参数,可以实现惯量的匹配。
伺服电机惯量问题在伺服系统选型及调试中,常会碰到惯量问题。
其具体表现为:在伺服系统选型时,除考虑电机的扭矩和额定速度等等因素外,我们还需要先计算得知机械系统换算到电机轴的惯量,再根据机械的实际动作要求及加工件质量要求来具体选择具有合适惯量大小的电机;在调试时,正确设定惯量比参数是充分发挥机械及伺服系统最佳效能的前提。
此点在要求高速高精度的系统上表现尤为突出,这样,就有了惯量匹配的问题。
一、什么是“惯量匹配”?1、根据牛顿第二定律:“进给系统所需力矩T = 系统传动惯量J ×角加速度θ角”。
加速度θ影响系统的动态特性,θ越小,则由控制器发出指令到系统执行完毕的时间越长,系统反应越慢。
如果θ变化,则系统反应将忽快忽慢,影响加工精度。
由于马达选定后最大输出T值不变,如果希望θ的变化小,则J应该尽量小.2、进给轴的总惯量“J=伺服电机的旋转惯性动量JM +电机轴换算的负载惯性动量JL.负载惯量JL由(以平面金切机床为例)工作台及上面装的夹具和工件、螺杆、联轴器等直线和旋转运动件的惯量折合到马达轴上的惯量组成。
JM为伺服电机转子惯量,伺服电机选定后,此值就为定值,而JL则随工件等负载改变而变化。
如果希望J变化率小些,则最好使JL所占比例小些。
这就是通俗意义上的“惯量匹配"。
二、“惯量匹配”如何确定?传动惯量对伺服系统的精度,稳定性,动态响应都有影响. 惯量大,系统的机械常数大,响应慢,会使系统的固有频率下降,容易产生谐振,因而限制了伺服带宽,影响了伺服精度和响应速度,惯量的适当增大只有在改善低速爬行时有利,因此,机械设计时在不影响系统刚度的条件下,应尽量减小惯量。
衡量机械系统的动态特性时,惯量越小,系统的动态特性反应越好;惯量越大,马达的负载也就越大,越难控制,但机械系统的惯量需和马达惯量相匹配才行. 不同的机构,对惯量匹配原则有不同的选择,且有不同的作用表现。
不同的机构动作及加工质量要求对JL与JM大小关系有不同的要求,但大多要求JL与JM的比值小于十以内.一句话,惯性匹配的确定需要根据机械的工艺特点及加工质量要求来确定。
伺服电机惯量比设置过小和过大1. 引言大家好,今天我们聊聊伺服电机的那些事儿,尤其是它的惯量比。
乍一听可能觉得有点深奥,但其实这玩意儿就像咱们的日常生活,设置得当就好,设得不好就麻烦。
想象一下,咱们在骑自行车的时候,如果把车轮装得太小,转起来可就别提多费劲了;反过来,车轮装得太大,那就跟慢半拍似的,根本没法加速。
伺服电机也是一样,惯量比设置得不对,工作起来就像老牛拉破车,跟不上节奏。
2. 惯量比设置过小2.1 反应快得像闪电首先来说说惯量比设置得过小的情况。
你可能会想,这不应该很好吗?反应快,瞬间就能达成目标,听起来很不错对吧?然而,事情没你想得那么简单。
惯量比太小就像让你在冰面上打滑,控制起来很难!电机一开,瞬间的加速会让系统产生震动,像个孩子在过山车上尖叫,吓得旁边的妈妈赶紧捂耳朵。
这种震动不仅会影响精度,还可能让设备寿命大打折扣。
2.2 受不了的负载而且,负载也受不了呀。
你想啊,如果电机加速得太快,负载跟不上,最后可就出现了什么?没错,就是那种“电机在飞,负载在跑”的滑稽场面。
想象一下,一个小孩跑得飞快,结果他的鞋带没系好,最后摔了个四脚朝天。
这样一来,系统的稳定性就会受到影响,整台设备也可能因此“失控”,就像火箭发射时的意外一样,搞得人心惶惶。
3. 惯量比设置过大3.1 太稳重也有烦恼接下来咱们说说惯量比设置过大的情况。
很多人觉得,稳重总是好的,电机慢慢来,精确度杠杠的。
但是,稳重得太过头,那可就麻烦了。
想象一下,一个人站在池塘边,瞄准了那只肥美的鸭子,结果他非要缓慢得像蜗牛一样出手,最后鸭子早就游走了。
伺服电机如果惯量比设置得过大,反应就会变得迟缓,控制的精度反而会大打折扣。
3.2 一动不动的困境而且,电机要想快速响应的时候,得使出全身的力气,结果就像个大象跳舞,动作笨拙不说,效率也低得可怜。
控制系统的运算速度根本跟不上,最后导致整台机器的效率下降。
你想啊,生意好不容易上门了,却发现电机跑不动,真的是赔了夫人又折兵。
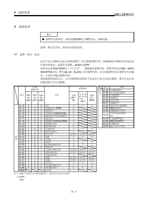
9故障处理要点●报警发生的同时,请使伺服SON处于OFF状态,切断电源。
・报警警告发生时,参照本章消除原因。
9.1报警警告一览表・运行中发生故障时会显示报警或警告。
发生报警或警告时,请遵循9.2节和9.3节所述法进行相应的处理。
如果发生报警,ALM变为OFF。
如果设定参数No.PD24为“□□□1”,能够输出报警代码。
报警代码是以bit0~bit2的ON/OFF输出的。
警告(AL.92~AL.EA) 没有报警代码。
表中的报警代码在报警发生时输出。
正常时不输出报警代码。
消除报警的原因之后,可以用报警的消除栏中任意有○的方法进行解除。
警告在发生原因被消除后会自动解除。
注 1. 消除产生原因之后等待约30分钟,直到完全冷却之后再进行。
2. 0:OFF1:ON9.2 报警的处理方法注意● 报警发生时,只有当消除报警原因并确保安全后才能解除报警,重新运行伺服电机。
否则可能导致损伤。
● 发生绝对位置消失(AL.25)时,必须再次执行原点设定。
否则可能引起机械异常工作。
● 报警发生的同时,请使伺服开启(SON)OFF ,切断电源。
要点● 发生以下报警时,不要反复解除报警重新启动运行。
否则可能造成伺服放大器・伺服电机故障。
消除产生的原因之后等待约30分钟,直到完全冷却之后再重新启动运行。
再生异常・(AL.30) 过载・1(AL.50) 过载・2(AL.51)● 报警可以通过电源的OFF →ON ,在当前报警画面下按“SET ”按钮或置复位(RES)为ON 解除。
详情请参照9.1节。
发生报警,故障信号(ALM)变为OFF ,伺服电机的动态制动器动作,电机停止,显示部分将显示报警代码。
请按照本节的方法消除报警原因。
也可参照选件的MR Configulator (伺服设置软件)中的发生原因。
显示名称内容发生原因处理方法AL.10 欠压 1.电源电圧低。
检查电源。
电源电圧低。
MR-J3-□A :AC160V 以下 MR-J3-□A1:AC83V 以下2. 控制电源瞬间停电在60ms 以上。
伺服电机的惯量指的是什么?
伺服电机是一种用于控制系统的电机,主要用于精密控制和位置调整任务。
伺服电机有多种类型,如直流伺服电机、交流伺服电机、步进伺服电机等。
伺服电机往往具有很高的精度和控制能力,其中一个重要参数是惯量。
惯量是质量与加速度的乘积,常用于描述旋转物体难以改变运动状态的特性,如转动惯量I。
对于伺服电机的运动来说,惯量包含两个重要因素:转动惯量和轴中心质量。
转动惯量是指伺服电机旋转过程中,对转动惯性的扰动力大小,轴中心质量则是指质量偏心与转动惯量的比值,也被称为不平衡的惯量。
伺服电机的惯量对于控制运动精度和速度调节响应时间有很大的影响。
通过合理的设计,可以将惯量降低到最小,以达到更好的运动精度和响应速度。
降低伺服电机惯量的方法有以下几种:
1.减少伺服电机质量:减轻电机重量,可以减小转动惯量,提高运动精
度和响应速度。
2.优化电机结构和材料:通过结构设计和使用优质材料,减少机械摩擦
和惯性阻力,以降低伺服电机的惯量。
3.增加伺服控制器响应速度:通过增加控制系统的响应速度,可以更快
地控制伺服电机的运动,从而降低惯量。
4.应用高效率的减速器:使用减速器可以降低伺服电机的输出速度,从
而降低惯量,提高运动精度和可控性。
总之,惯量是影响伺服电机动态性能的重要因素之一。
降低伺服电机的惯量可以提高运动的响应速度和精度,从而实现更准确和稳定的控制。
伺服电机负载惯量比的合理取值汇总【导读】国内外对伺服系统惯量匹配的理解有较大不同,本文提出工程应用中惯量匹配的涵义。
在装备制造业实际应用中,绝大部分是不按惯量匹配来设计的。
同时分析了惯量不匹配较严重时,对伺服系统有何影响。
重点指出,在伺服系统中,需要研究的不是实现负载惯量匹配,而是实现负载惯量与电机惯量的比率在合理的范围,确保系统的快速响应而且能稳定运行。
最后给出了在负载惯量与电动机惯量高度不匹配的应用中可采取的应对措施。
引言转动惯量(Moment of Inertia)是刚体绕轴转动时惯性(回转物体保持其匀速圆周运动或静止的特性)的量度,用字母I 或J表示。
转动惯量在旋转动力学中的角色相当于线性动力学中的质量,可形象地理解为一个物体对于旋转运动的惯性。
转动惯量对伺服系统的精度、稳定性、动态响应都有不小影响,伺服系统应用中,折算到电机轴的负载惯量与电机的惯量之比不能过大,必须合理取值,否则,系统一般会出现振荡甚至失控。
但为何需要合适的惯量比,而且这个推荐的惯量比,在实践中如何取值比较合理,这些都是工程师常感到困惑的问题。
伺服电机负载惯量比的适宜性分析1、惯量匹配- -最佳的功率传输和最大加速度所有的机械系统都存在一定程度的弹性(也即刚性是无法无穷大的),而有部分机械系统则存在背隙。
这两种的任何一种达到了一定程度时,都会导致系统响应性能极差。
因此所谓的惯量不匹配可能导致的问题,其实是由于机械刚性不足,可能存在着较大的弹性或背隙而可能产生的运动不稳定问题。
伺服系统中我们需要控制的运动量是负载端的位置或转速,但实际上却是以安装在电机上的反馈装置检测到的位置或转速信号来代替目标负载控制量,而由于刚性的有限性,这种控制方式在一定条件下,特别是惯量比太大时,较大概率会出现不稳定问题。
要提高系统的快速响应性,首先必须提高机械传动部件的谐振频率,即提高机械传动部件的刚性和减小机械传动部件的惯量。
其次通过增大阻尼压低谐振峰值也能为提高快速响应性创造条件。
伺服电机低惯量1. 引言:伺服电机作为一种高性能的电动机,其惯量对于系统动态响应和控制性能至关重要。
低惯量的伺服电机在高速、高精度的运动控制领域有着广泛的应用。
本文将对伺服电机低惯量技术进行综述,包括其定义、优势、实现方法以及在不同领域的应用。
2. 低惯量的定义与重要性:定义:惯量是描述物体对于转动运动的惯性大小的物理量,通常用转动惯量或者转动惯量矩阵表示。
在伺服电机中,低惯量指的是电机转动部分的质量分布较为集中,转动惯量较小。
重要性:伺服电机的动态性能与其惯量直接相关。
低惯量意味着电机对于外部控制的响应更为迅速,具有更好的动态性能和高速响应能力,适用于对速度变化要求较高的应用场景。
3. 低惯量的优势:高响应速度:低惯量的伺服电机可以更快地响应外部控制信号,实现更高的速度控制精度。
高动态性能:低惯量使得电机的加速和减速更为迅速,提高了系统的动态性能,特别是在快速运动和频繁变速的应用中表现突出。
节能:低惯量的电机在运动过程中更容易实现能量的转换,减小惯性能量损耗,提高能源利用效率。
4. 实现低惯量的方法:轻量化设计:通过采用轻量化材料,减小伺服电机的质量,从而降低转动惯量。
集成化设计:设计更加紧凑、结构更为集成,减小电机的转动惯量。
磁悬浮技术:利用磁悬浮技术实现无接触支撑,减小机械传动系统的质量,降低转动惯量。
高效磁轴承:应用高效的磁轴承技术,减小机械接触,提高电机的动态性能。
5. 应用领域:精密机械制造:低惯量的伺服电机在精密机床、激光切割等领域有广泛应用,提高了生产效率和加工精度。
医疗设备:在医疗设备中,对于高精度的定位和控制要求较高,低惯量的伺服电机能够满足这些需求。
航空航天:在飞行器的导航、姿态调整等系统中,低惯量的伺服电机能够提供更为灵活的控制性能。
机器人技术:低惯量电机在机器人关节的控制系统中起到关键作用,提高机器人的运动速度和精度。
6. 挑战与展望:材料科技挑战:轻量化材料的研发和应用是实现低惯量的关键,需要不断推动材料科技的发展。
如何减小负载转动惯量,提高伺服电机稳定性。
首先我们说说伺服电机如何选型,选伺服电机基本要从这五个因素考虑
第一扭矩,伺服电机额定扭矩至少要满足驱动负载扭矩的1.2倍;
第二转速,伺服电机额定转速要大于等于驱动负载所需转速;
第三惯量比,负载和伺服电机的惯量比最好控制在3:1之内;
第四编码器,根据设备回零和控制要求,选用增量式编码器还是绝对值编码器;
第五控制方式,根据运动控制器或者PLC控制方式,选用脉冲型、模拟量型还是网络型伺服驱动器。
具体负载扭矩和惯量如何计算,可以到公众号“建云工控”伺服下载页面查看伺服选型资料。
下面我们一起看一个伺服电机应用案例,或许会解开标题问题的谜底图1是伺服电机带动吸盘进行角度定位旋转,选用的伺服完全满足驱动负载要求,但是在运行过程偶尔有伺服啸叫和振动现象,之后重新手动修改和自动整定伺服参数后任然有上述问题。
图1
之后,通过软件监控伺服电机运行参数,发现负载和电机惯量比远远超出正常比例,最后确定负载的惯量和电机惯量不匹配造成上述问题。
下面我们通过模型图来讲解一下如何减小惯量比。
图2
图2是没有经过任何调整的原始机构,负载和电机的惯量比远远超过正常比例。
下面我们通过3种方法来减小惯量比。
第一,减小负载,如图3
图3
第,二,减小转动半径,如图4
图4
第三,在电机的额定扭矩能满足负载扭矩的情况下,增加配重,来减小转轴支点和负载中心点的距离,如图5
图5
最后总结一下,在不改变电机的情况下减小转动惯量有3个方法,在条件允许下减小负载,减小转动半径,减小转轴支点和负载中心距离。
造成伺服电机抖动的原因是什么?来源:技成培训在哪几种情况下会造成伺服电机抖动?怎样才能解决这些伺服电机抖动带来的问题?分别是怎么解决的?例如:加减速时间设置得过小,伺服电机在突然的启动或者停止的时候会产生高惯性抖动......分别把加减速时间调大可以解决这个问题。
下面精选整理网友对伺服电机抖动原因进行的分析,供大家了解借鉴:壹观点一当伺服电机在零速时发生抖动,应该是增益设高了,可减小增益值。
如果启动时抖动一下即报警停车了,最大可能是电机相序不正确。
贰观点二1、PID增益调节过大的时候,容易引起电机抖动,特别是加上D 后,尤其严重,所以尽量加大P,减少I,最好不要加D。
2、编码器接线接错的情况下也会出现抖动。
3、负载惯量过大,更换更大的电机和驱动器。
4、模拟量输入口干扰引起抖动,加磁环在电机输入线和伺服驱动器电源输入线,让信号线远离动力线。
5、还有就是一种旋转编码器接口电机,接地不好的情况很容易造成震动。
叁观点三① 伺服配线:a.使用标准动力电缆,编码器电缆,控制电缆,电缆有无破损;b.检查控制线附近是否存在干扰源,是否与附近的大电流动力电缆互相平行或相隔太近;c.检查接地端子电位是否有发生变动,切实保证接地良好。
② 伺服参数:a.伺服增益设置太大,建议用手动或自动方式重新调整伺服参数;b.确认速度反馈滤波器时间常数的设置,初始值为0,可尝试增大设置值;c.电子齿轮比设置太大,建议恢复到出厂设置;d.伺服系统和机械系统的共振,尝试调整谐波滤波器频率以及幅值。
③ 机械系统:a.连接电机轴和设备系统的联轴器发生偏移,安装螺钉未拧紧;b.滑轮或齿轮的咬合不良也会导致负载转矩变动,尝试空载运行,如果空载运行时正常则检查机械系统的结合部分是否有异常;c.确认负载惯量,力矩以及转速是否过大,尝试空载运行,如果空载运行正常,则减轻负载或更换更大容量的驱动器和电机。
肆观点四伺服电机抖动由机械结构、速度环、伺服系统的补偿板和伺服放大器、负载惯量、电气部分等故障引起。
如何减小负载转动惯量,提高伺服电机稳定性。
首先我们说说伺服电机如何选型,选伺服电机基本要从这五个因素考虑
第一扭矩,伺服电机额定扭矩至少要满足驱动负载扭矩的1.2倍;
第二转速,伺服电机额定转速要大于等于驱动负载所需转速;
第三惯量比,负载和伺服电机的惯量比最好控制在3:1之内;
第四编码器,根据设备回零和控制要求,选用增量式编码器还是绝对值编码器;
第五控制方式,根据运动控制器或者PLC控制方式,选用脉冲型、模拟量型还是网络型伺服驱动器。
具体负载扭矩和惯量如何计算,可以到公众号“建云工控”伺服下载页面查看伺服选型资料。
下面我们一起看一个伺服电机应用案例,或许会解开标题问题的谜底图1是伺服电机带动吸盘进行角度定位旋转,选用的伺服完全满足驱动负载要求,但是在运行过程偶尔有伺服啸叫和振动现象,之后重新手动修改和自动整定伺服参数后任然有上述问题。
图1
之后,通过软件监控伺服电机运行参数,发现负载和电机惯量比远远超出正常比例,最后确定负载的惯量和电机惯量不匹配造成上述问题。
下面我们通过模型图来讲解一下如何减小惯量比。
图2
图2是没有经过任何调整的原始机构,负载和电机的惯量比远远超过正常比例。
下面我们通过3种方法来减小惯量比。
第一,减小负载,如图3
图3
第,二,减小转动半径,如图4
图4
第三,在电机的额定扭矩能满足负载扭矩的情况下,增加配重,来减小转轴支点和负载中心点的距离,如图5
图5
最后总结一下,在不改变电机的情况下减小转动惯量有3个方法,在条件允许下减小负载,减小转动半径,减小转轴支点和负载中心距离。