石化行业标准一览表
- 格式:doc
- 大小:162.50 KB
- 文档页数:9
石化行业排放标准一、废气排放标准1. 颗粒物排放标准:石化行业颗粒物排放标准应符合国家或地方相关标准要求。
具体标准限值可以根据不同装置类型、生产工艺和环保要求进行设定。
2. 有机废气排放标准:石化行业有机废气排放标准应符合国家或地方相关标准要求。
对于特定有机废气种类,可以参照相关行业或国家标准进行设定。
3. 烟气黑度排放标准:石化行业烟气黑度排放标准应符合国家或地方相关标准要求。
对于特定装置或生产工艺,可以设定更为严格的烟气黑度限值。
二、废水排放标准1. pH 值排放标准:石化行业废水排放的pH 值应控制在国家或地方标准规定的范围内。
根据不同的生产工艺和污水性质,可设定具体的pH 值限值。
2. 有机物排放标准:石化行业废水中的有机物含量应符合国家或地方相关标准要求。
针对特定有机物种类,可以设定相应的排放限值。
3. 悬浮物排放标准:石化行业废水中的悬浮物含量应控制在国家或地方标准规定的范围内。
根据不同的生产工艺和污水性质,可设定具体的悬浮物排放限值。
4. 重金属排放标准:石化行业废水中的重金属含量应符合国家或地方相关标准要求。
针对特定重金属种类,可以设定相应的排放限值。
三、固体废弃物排放标准1. 一般固体废弃物排放标准:石化行业一般固体废弃物的排放应符合国家或地方相关标准要求。
对于可回收利用的废弃物,应积极推行资源化利用。
2. 危险废弃物排放标准:石化行业危险废弃物应按照国家或地方相关法规要求进行分类、处理和排放。
对于具有毒性、腐蚀性、易燃性的废弃物,应采取适当的处理措施,确保不对环境和人体健康造成危害。
四、噪声排放标准石化行业的噪声排放应符合国家或地方相关标准要求。
对于噪声源较强的设备或装置,应采取消声、隔声等降噪措施,确保厂界噪声达到标准要求。
五、生态影响标准1. 排放控制标准:石化行业的废气、废水、固体废弃物等排放应当符合国家或地方相关法规和标准的要求,防止对生态环境造成不良影响。
2. 环境风险控制标准:针对可能存在的环境风险,石化行业应采取相应的风险防范措施,制定完善的环境风险应急预案,确保在突发事件发生时能够迅速响应,减轻对生态环境和人体健康的危害。
石油行业标准
石油行业标准是指在石油勘探、开采、生产、加工、储运、销售等过程中,制订的规范和要求。
以下是一些常见的石
油行业标准:
1. ISO 9001:质量管理体系标准,用于确保产品和服务的
质量满足客户要求;
2. ISO 14001:环境管理体系标准,用于管理石油行业的
环境影响;
3. ISO 45001:职业健康安全管理体系标准,用于确保员
工的健康和安全;
4. ISO 50001:能源管理体系标准,用于提高石油行业的
能源效率;
5. API标准:美国石油学会制定的一系列标准,涵盖了石
油勘探、生产和储运等方面;
6. ASTM标准:美国材料与试验协会制定的一系列标准,
用于石油和石油产品的测试和评估;
7. BS EN ISO标准:英国国家标准制定机构和国际标准化组织合作制定的一系列标准,涵盖了石油勘探、生产和储运等方面。
这些标准通常是由国际标准化组织、国家标准化机构、行业协会等组织制订的,目的是确保石油行业的安全、环保和可持续发展。
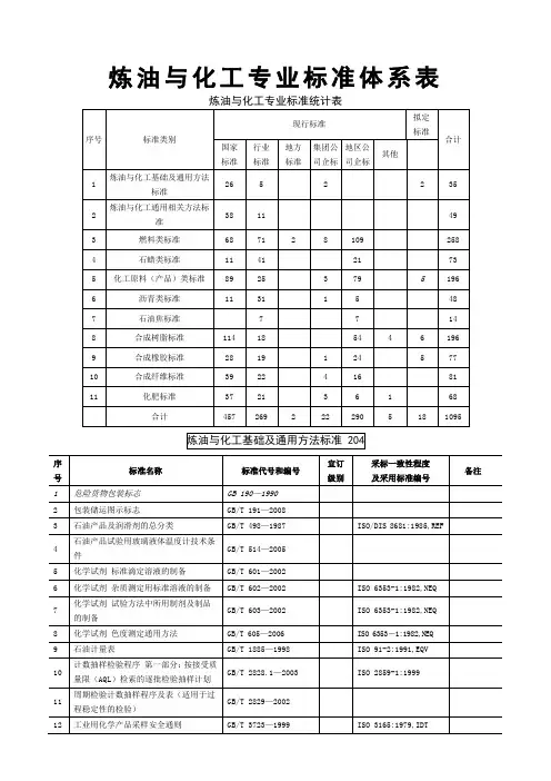
国家标准目录序号标准号标准名称1 GB/T1028-2000 工业余热术语、分类、等级及余热资源量计算方法2 GB/T2586-1991 热量单位、符号与换算3 GB/T2587-1981 热设备能量平衡通则4 GB/T2588-2000 设备热效率计算通则5 GB/T2589-2008 综合能耗计算通则6 GB/T3100-1993 国际单位制及其应用7 GB/T3101-1993 有关量、单位和符号的一般原则8 GB/T3102.4-1993 热学的量和单位9 GB/T3484-1993 企业能量平衡通则10 GB/T3485-1998 评价企业合理用电技术导则11 GB/T3486-1993 评价企业合理用热技术导则12 GB/T4270-1999 技术文件用热工图形符号与文字代号13 GB/T4271-2000 平板型太阳集热器热性能试验方法14 GB/T4272-2008 设备及管道绝热技术通则15 GB/T4352-2007 载货汽车运行燃料消耗量16 GB/T4353-2007 载客汽车运行燃料消耗量17 GB/T4988-1985 船舶和近海装置用电工产品的额定频率额定电压额定电流18 GB/T5623-1985 产品电耗定额制定和管理导则19 GB/T6072.1-2008往复式内燃机性能第1部分:功率、燃料消耗和机油消耗的标定及试验方法通用发动机的附加要求20 GB/T6421-1986 企业能流图绘制方法21 GB/T6422-1986 企业能耗计量与测试导则22 GB/T6423-1995 热电联产系统技术条件23 GB/T6462-1997 平板型太阳集热器技术条件24 GB/T6425-1986 热分析术语25 GB/T7119-2006 节水型企业评价导则26 GB/T8174-2008 设备及管道绝热效果的测试与评价27 GB/T8175-2008 设备及管道绝热设计导则28 GB/T8222-1987 用电设备电能平衡通则29 GB/T10180-2003 工业锅炉热工性能试验规程30 GB/T10820-2002 生活锅炉热效率及热工试验方法31 GB/T10863-1989 烟道式余热锅炉热工试验方法32 GB/T11085-1989 散装液态石油产品损耗33 GB/T11790-1996 设备及管道保冷技术通则34 GB/T12021.1-1989 家用和类似用途电器电耗(效率)限定值及测试方法35 GB/T12021.2-2003 家用电冰箱耗电量限定值及能源效率等级36 GB/T12021.3-2004 房间空气调节器能效限定值及能源效率等级37 GB/T12021.4-2004 电动洗衣机能耗限定值及能源效率等级38 GB/T12021.5-1989 电熨斗电耗限定值及测试方法39 GB/T12021.6-2008 自动电饭锅能效限定值及能效等级40 GB/T12021.7-2005 彩色电视广播接收机能效限定值及节能评价值41 GB/T12021.8-1989 收录音机效率限定值及测试方法42 GB/T12021.9-2008 交流电风扇能效限定值及能效等级43 GB/T12452-2008 企业水平衡测试通则44 GB/T12455-1990 宾馆、饭店合理用电45 GB/T12497-2006 三相异步电动机经济运行46 GB/T12712-1991 蒸汽供热系统凝结水回收及蒸汽疏水阀技术管理要求47 GB/T12723-2008 单位产品能源消耗限额编制通则48 GB/T12915-1991 家用太阳热水器热性能试验方法49 GB/T12936-2007 太阳能热利用术语50 GB/T13234-1991 企业节能量计算方法51 GB/T13338-1991 工业燃料炉热平衡测定与计算基本规则52 GB/T13462-2008 电力变压器经济运行53 GB/T13466-2006 交流电气传动风机(泵类、压缩机)系统经济运行通则54 GB/T13467-1992 通风机系统电能平衡测试与计算方法55 GB/T13468-1992 泵类系统电能平衡的测试与计算方法56 GB/T13469-2008 离心泵、混流泵、轴流泵与旋涡泵系统经济运行57 GB/T13470-2008 通风机系统经济运行58 GB/T13471-2008 节电技术经济效益计算与评价方法59 GB/T13499-1992 电力变压器应用导则60 GB/T13608-1992 合理润滑技术通则61 GB/T14909-2005 能量系统火用分析技术导则62 GB/T14951-2007 汽车节油技术评定方法63 GB/T15316-1994 节能监测技术通则64 GB/T15317-1994 工业锅炉节能监测方法65 GB/T15318-1994 工业热处理电炉监测方法66 GB/T15319-1994 火焰加热炉监测方法67 GB/T15320-2001 节能产品的评价导则68 GB/T15321-1994 电厂粉煤灰渣排放与综合利用技术通则69 GB/T15586-1995 设备及管道保冷设计导则70 GB/T15587-2008 工业企业能源管理导则71 GB/T15910-1995 热力输送系统节能监测方法72 GB/T15911-1995 工业电热设备节能监测方法73 GB/T15912-1995 活塞式单级制冷机组及其供冷系统节能监测方法74 GB/T15913-1995 风机机组与管网系统节能监测方法75 GB/T15914-1995 蒸汽加热设备节能监测方法76 GB/T16614-1996 企业能量平衡统计方法77 GB/T16615-1996 企业能量平衡表的编制方法78 GB/T16616-1995 企业能源网络图绘制方法79 GB/T16617-1995 设备及管道保冷效果的测试与评价80 GB/T16618-1996 工业炉窑保温技术通则81 GB/T16664-1996 企业供配电系统节能监测方法82 GB/T16665-1996 空气压缩机组及供气系统节能监测方法83 GB/T16666-1996 泵机组液体输送系统节能监测方法84 GB/T16667-1996 电焊设备节能监测方法85 GB/T16780-2007 水泥单位产品能源消耗限额86 GB/T16811-2005 工业锅炉水处理设施运行效果与监测87 GB/T17049-1997 全玻璃真空太阳集热管88 GB/T17050-1997 热辅射术语89 GB/T17145-1997 废润滑油回收与再生利用技术导则90 GB/T17166-1997 企业能源审计技术通则91 GB/T17167-2006 用能单位能源计量器具配备与管理导则92 GB/T17357-2008 设备及管道绝热层表面热损失现场测定-热流计法和表面温度法93 GB/T17358-1998 热处理生产电能消耗定额及其计算和测定方法94 GB/T17367-1998 取水许可技术考核与管理通则95 GB/T17471-1998 锅炉热网系统能源监测与计量仪表配备原则96 GB/T17581-1998 真空管太阳集热器97 GB/T17683.1-1999 太阳能在地面不同接受条件下的太阳光谱辐照度标准第一部分:大气质量1.5 的法向直接日射辐照度和半球向日射辐照度98 GB/T17719-1999 工业锅炉及火焰加热炉烟气余热资源量计算方法与利用导则99 GB/T17781-1999 技术能量系统-基本概念100 GB17896-1999 管形荧光灯镇流器能效限定值及节能评价值101 GB/T17954-2007 工业锅炉经济运行102 GB/T17981-2007 空气调节系统经济运行103 GB/T18021-2000 设备与管道绝热层表面热损失现场测定表面温度法104 GB/T18292-2001 生活锅炉经济运行105 GB/T18293-2001 电力整流设备运行效率的在线测试106 GB/T18613-2006 中小型三相异步电动机能效限定值及能效等级107 GB/T18708-2002 家用太阳热水系统热性能试验方法108 GB/T18709-2002 风电场风能资源测量方法109 GB/T18710-2002 风电场风能资源评估方法110 GB/T18713-2002 太阳热水系统设计、安装及工程验收技术规范111 GB/T18718-2002 热处理节能技术导则112 GB/T18820-2002 工业企业产品取水定额编制通则113 GB/T18855-2002 水煤浆技术条件114 GB/T18856.1-2002 水煤浆质量试验方法第1部分:水煤浆采样方法115 GB/T18856.2-2002 水煤浆质量试验方法第2部分:水煤浆浓度测定方法116 GB/T18856.3-2002 水煤浆质量试验方法第3部分:水煤浆筛分试验方法117 GB/T18856.4-2002 水煤浆质量试验方法第4部分:水煤浆表观粘度测定方法118 GB/T18856.5-2002 水煤浆质量试验方法第5部分:水煤浆稳定性测定方法119 GB/T18856.6-2002 水煤浆质量试验方法第6部分:水煤浆发热量测定方法120 GB/T18856.7-2002 水煤浆质量试验方法第7部分:水煤浆工业分析方法121 GB/T18856.8-2002 水煤浆质量试验方法第8部分:水煤浆全硫测定方法122 GB/T18856.9-2002 水煤浆质量试验方法第9部分:水煤浆密度测定方法123 GB/T18856.10-2002 水煤浆质量试验方法第10部分:水煤浆灰熔融性测定方法124 GB/T18856.11-2002 水煤浆质量试验方法第11部分:水煤浆碳氢测定方法125 GB/T18856.12-2002 水煤浆质量试验方法第12部分:水煤浆氮测定方法126 GB/T18856.13-2002 水煤浆质量试验方法第13部分:水煤浆灰成分测定方法127 GB/T18856.14-2002 水煤浆质量试验方法第14部分:水煤浆Ph值测定方法128 GB/T18870-2002 节水型产品技术条件与管理通则129 GB/T18916.1-2002 取水定额第1部分:火力发电130 GB/T18916.3-2002 取水定额第3部分:石油炼制131 GB/T18916.8-2006 取水定额第8部分:合成氨132 GB/T18919-2002 城市污水再利用分类133 GB/T19043-2003 普通照明用双端荧光灯能效限定值及能效等级134 GB/T19044-2003 普通照明用自整流荧光灯能效限定值及能效等级135 GB/T19064-2003 家用太阳能光伏电源系统技术条件和实验方法136 GB/T19065-2003 电加热锅炉系统经济运行137 GB/T19141-2003 家用太阳能热水系统技术条件138 GB/T19153-2003 容积式空气压缩机能效限定值及节能评价值139 GB/T19210-2003 空调通风系统清洗规范140 GB/T19415-2003 单端荧光灯能能效限定值及节能评价值141 GB/T19573-2004 高压钠灯能效限定值及能效等级142 GB/T19574-2004 高压钠灯用镇流器能效限定值及节能评价值143 GB/T19576-2004 单元式空气调节机能效限定值及能源效率等级144 GB/T19577-2004 冷水机组能效限定值及能源效率等级145 GB/T19761-2005 通风机能效限定值及节能评价值146 GB/T19762-2007 清水离心泵能效限定值及节能评价值147 GB/T19944-2005 热处理生产燃料消耗定额及其计算和测定方法148 GB/T20052-2006 三相配电变压器能效限定值及节能评价值149 GB/T20137-2006 三相笼型异步电动机损耗和效率的确定方法150 GB/T20901-2007 石油石化行业能源计量器具配备和管理要求151 GB/T20943-2007 单路输出式交流-直流和交流-交流外部电源能效限定值及节能评价值152 GB/T21056-2007 风机、泵类负载变频调速节电传动系统及其应用技术条件153 GB/T21248-2007 铜冶炼企业单位产品能源消耗限额154 GB/T21249-2007 锌冶炼企业单位产品能源消耗限额155 GB/T21250-2007 铅冶炼企业单位产品能源消耗限额156 GB/T21251-2007 镍冶炼企业单位产品能源消耗限额157 GB/T21252-2007 建筑卫生陶瓷单位产品能源消耗限额158 GB/T21256-2007 粗钢生产主要工序单位产品能源消耗限额159 GB/T21257-2007 烧碱单位产品能源消耗限额160 GB/T21258-2007 常规燃煤发电机组单位产品能源消耗限额161 GB/T21339-2008 港口能源消耗统计及分析方法162 GB/T21340-2008 平板玻璃单位产品能源消耗限额163 GB/T21341-2008 铁合金单位产品能源消耗限额164 GB/T21342-2008 焦炭单位产品能源消耗限额165 GB/T21343-2008 电石单位产品能源消耗限额166 GB/T21344-2008 合成氨单位产品能源消耗限额167 GB/T21345-2008 黄磷单位产品能源消耗限额168 GB/T21346-2008 电解铝企业单位产品能源消耗限额169 GB/T21347-2008 镁冶炼企业单位产品能源消耗限额170 GB/T21348-2008 锡冶炼企业单位产品能源消耗限额171 GB/T21349-2008 锑冶炼企业单位产品能源消耗限额172 GB/T21350-2008 铜及铜合金管材单位产品能源消耗限额173 GB/T21351-2008 铝合金建筑型材单位产品能源消耗限额174 GB/T21367-2008 化工企业能源计量器具配备和管理要求175 GB/T21368-2008 钢铁企业能源计量器具配备和管理要求176 GB/T21369-2008 火力发电企业能源计量器具配备和管理要求177 GB/T21370-2008 炭素单位产品能源消耗限额178 GB/T21376-2008 水路散装水泥熟料运输损耗规定179 GB/T21377-2008 三轮汽车燃料消耗量限值及测量方法180 GB/T21378-2008 低速货车燃料消耗量限值及测量方法181 GB/T21392-2008 船舶运输能源消耗统计及分析方法182 GB/T21393-2008 公路运输能源消耗统计及分析方法183 GB/T21404-2008 内燃机发动机功率的确定和测量方法一般要求184 GB/T21456-2008 家用电磁灶能效限定值及能源效率等级185 GB/T21521-2008 复印机能效限定值及能效等级186 GB/T21534-2008 工业用水节水术语187 GB/T22052-2008 用液体蒸汽压力计测定液体的蒸汽压力温度关系和初始分解温度的方法188 GB/T22336-2008 企业节能标准体系编制通则189 GB/T50189-2005 公共建筑节能设计标准190 GB/T50264-1997 工业设备及管道绝热工程设计规范191 GB/T50411-2007 建筑节能施工质量验收规范192 GB/T50441-2007 石油化工设计能耗计算标准193 GB/T50443-2007 水泥工厂节能设计规范。
SH 石油化工行业标准SH 0438-1992 7011号低温极压脂SH 0439-1992 7012号极低温润滑脂SH 0440-1992 7016-1精密轴承润滑脂SH 0441-1992 7018号高速轴承润滑脂SH 0442-1992 7105号光学仪器极压脂SH 0443-1992 7106,7107号光学仪器润滑脂SH 0444-1992 7108号光学仪器防尘剂SH 0445-1992 7112号宽温航空润滑脂SH 0446-1992 7602号高温密封脂SH 0447-1992 7163号专用阻尼脂SH 0448-1992 4802号抗化学润滑油SH 0449-1992 7805号抗化学密封脂SH 0454-1992 特3,4,5,14,16号精密仪表油SH 0455-1992 特8号精密仪表脂SH 0456-1992 特7号精密仪表脂SH 0457-1992 特75号精密仪表脂SH 0458-1992 特12号精密仪表脂SH 0459-1992 特221号润滑脂SH 0460-1992 4104号合成航空润滑油SH 0461-1992 4209号合成航空防锈油SH 0462-1992 4603,4603-1号合成刹车油SH 0463-1992 4604号合成刹车油SH 0464-1992 4121号低粘度仪表油SH 0465-1992 4122号高温仪表油SH 0466-1992 7023号低温航空润滑脂SH 0467-1992 4403号合成齿轮油SH 0468-1992 7028号航空机轮润滑脂SH 0469-1992 7407号齿轮润滑油SH 0470-1992 合成航空润滑油固体颗粒杂质测定法(重量法)SH 0471-1992 航空涡轮润滑油在低温下静止后的运动粘度和粘度变化测定法SH 0472-1992 合成航空润滑油中微量金属含量测定法(原子吸收法)SH 0473-1992 使用过的润滑油沉淀物含量测定法(离心分离法)SH 0474-1992 用过汽油机油中稀释汽油含量测定法(气相色谱法)SH 0475-1992 普通车辆齿轮油换油指标SH 0476-1992 L-HL液压油换油指标SH 0505-1992 含聚和物剪切安定性测定法(超声波剪切法)SH 0506-1992 航空汽油富气的品度测定法SH 0507-1992 真空封脂SH 0508-1992 油页岩含油率测定法(低温干馏法)SH 0510-1992 汽油机油清净性评分方法SH 0511-1992 发动机试验油泥评分法SH 0512-1992 汽油机油低温锈蚀评定法(MS程序ⅡD法)SH 0513-1992 汽油机油高温氧化和磨损评定法(MS程序ⅢD法)SH 0514-1992 汽油机油低温沉积物评定法(MS程序VD法)SH 0515-1992 QC汽油机油性能评定法(程序Ⅱ、Ⅲ、Ⅴ法)SH 0516-1992 QD汽油机油性能评定法(程序Ⅱ、Ⅲ、Ⅴ法)SH 0517-1992 车辆齿轮油锈蚀评定法(L-33法)SH 0518-1992 车辆齿轮油承载能力评定法(L-37法)SH 0519-1992 车辆齿轮油抗擦伤性能评定法(L-42法)SH 0521-1999 汽车及轻负荷发动机用乙二醇型冷却液SH 0522-2000 道路石油沥青SH 0534-1993 极压复合铝基润滑脂SH 0535-1993 极压复合锂基润滑脂SH 0536-1993 膨润土润滑脂SH 0537-1993 极压膨润土润滑脂SH 0552-1993 宽馏分轻柴油SH 0553-1993 工业丙烷、丁烷SH 0554-1993 705防锈剂SH 0555-1993 406油性剂SH 0563-1993 551金属减活剂SH 0564-1993 热处理油SH 0595-1994 7405号高温高压螺纹密封脂SH 0622-1995 乙丙共聚物粘度指数改进剂SH 0623-1995 双丁二酰亚胺分散剂SH 1051-1991 苯乙烯-丁二烯系列抗冲击聚苯乙烯(SB)模型和挤出材料命名SH 1052-1991 乙烯-乙酸乙烯脂共聚物(ENAC)的命名SH 1056-1991 工业用二乙二醇SH 1140-1992 工业用乙苯SH 1142-1992 工业用裂散碳四液态采样法SH 1149-1992 合成胶乳取样法SH 1164-1992 石油产品包装,贮运及交货验收规则SH 1477-1992 对苯二甲酸二甲酯灰分测定法SH 1478-1992 对苯二甲酸二甲酯酯交换率的测定SH 1479-1992 对苯二甲酸二甲酯色度测定法(铂-钴标号)SH 1480-1992 对苯二甲酸二甲酯挥发份的测定-真空干燥法SH 1481-1992 对苯二甲酸二甲酯结晶点测定法SH 1482-1992 工业用异丁烯纯度及烃类杂质的测定气相色谱法SH 1483-1992 工业用异丁烯中含氧化物的测定气相色谱法SH 1484-1992 工业用异丁烯中异丁烯二聚物的测定气相色谱法SH 1486-1998 石油对二甲苯SH 1487-1992 芳烃溴指数的测定(电位滴定法)SH 1488-1992 高纯度芳烃中非芳烃的测定(气相色谱法)SH 1489-1992 石油对二甲苯纯度及烃类杂质的测定(气相色谱法)SH 1490-1992 石油对二甲苯结晶点的测定法SH 1491-1992 高纯度烃类结晶点的测定法SH 1492-1992 工业用1-丁烯纯度及烃类杂质测定(气相色谱法)SH 1493-1992 工业用1-丁烯中微量羰基化合物含量的测定(分光光度法) SH 1494-1992 碳四烃类中羰基化合物含量的测定(容量法)SH 1495-1992 工业用叔丁醇SH 1496-1992 工业用叔丁醇酸度的测定(滴定法)SH 1497-1992 工业用叔丁醇含量及杂质的测定(气相色谱法) SH 1498.1-1997 尼龙66盐SH 1499-1992 精己二酸SH 1500-1992 合成胶乳命名及牌号规定SH 1504-1992 丙烯腈--丁二烯--苯乙烯(ABS)模塑和挤出料命名SH 1540-1993 苯乙烯/丙烯腈(SAN)共聚物模塑和挤出材料命名SH 1543-1993 对苯二甲酸二甲酯SH 1546-1993 工业用1-丁烯SH 1590-1994 苯乙烯-丁二烯系列抗冲击聚苯乙烯(SB)树脂SH 1612.1-1995 工业用精对苯二甲酸SH 2002-1991 氨蒸发型套管结晶器技术条件SH 2003-1991 氨蒸发型套管结晶器质量等级评定及检查细则SH 3001-1992 石油化工设备抗震鉴定标准SH 3019-1997 石油化工仪表配管配线设计规范SH 3024-1995 石油化工企业环境保护设计规范SH 3030-1997 石油化工塔型设备基础设计规范SH 3031-1997 石油化工逆流式机械通风冷却塔结构设计规范SH 3045-1992 石油化工管式炉热效率设计计算方法SH 3049-1993 石油化工企业建筑抗震设防等级分类标准SH 3050-1994 石油化工企业设备地震破坏等级划分标准SH 3051-1993 石油化工企业配管工程术语SH 3052-1993 石油化工企业配管工程设计图例SH 3053-1993 石油化工企业厂区总平面步置设计规范SH 3056-1994 石油化工企业排气筒(管)采样口设计规范SH 3057-1994 石油化工企业落地式离心泵基础设计规范SH 3058-1994 石油化工企业冷换设备和容器基础设计规范SH 3059-1994 石油化工企业管道设计器材选用通则SH 3060-1994 石油化工企业工厂电力系统设计规范SH 3062-1994 石油化工企业球罐基础设计规范SH 3063-1994 石油化工企业可燃气体检测报警设计规范SH 3064-1994 石油化工钢制通用阀门选用,检验及验收SH 3065-1994 石油化工管式炉急弯弯管技术标准SH 3066-1995 石油化工企业反应器,再生器框架设计规范SH 3067-1995 石油化工企业钢筋混凝土冷换框架设计规范SH 3069-1995 石油化工企业构筑物抗震设防分类标准SH 3070-1995 石油化工管式炉钢结构设计规范SH 3071-1995 石油化工企业电气设备抗震鉴定标准SH 3072-1995 石油化工企业电气图图性和文字符号SH 3073-1995 石油化工企业管道支吊架设计规范SH 3074-1995 石油化工钢制压力容器SH 3075-1995 石油化工钢制压力容器材料选用标准SH 3076-1996 石油化工企业建筑物结构设计规范SH 3078-1996 立式圆筒形钢制和铝制料仓设计规范SH 3079-1996 石油化工企业焦炭塔框架设计规范SH 3080-1997 石油化工企业横流式机械通风冷却塔结构设计规范SH 3081-1997 石油化工仪表接地设计规范SH 3082-1997 石油化工仪表供电设计规范SH 3084-1997 石油化工总图运输设计图例SH 3085-1997 石油化工管式炉碳钢和铬钼钢炉管焊接技术条件SH 3087-1997 石油化工管式炉耐热钢铸件技术标准SH 3088-1998 石油化工塔盘设计规范SH 3090-1998 石油化工铁路设计规范SH 3401-1996 管法兰用石棉橡胶板垫片SH 3402-1996 管法兰用聚四氟乙烯包覆垫片SH 3403-1996 管法兰用金属环垫SH 3404-1996 管法兰用紧固件SH 3405-1996 石油化工企业钢管尺寸系列SH 3406-1996 石油化工钢制管法兰SH 3407-1996 管法兰用缠绕式垫片SH 3408-1996 钢制对焊无缝管件SH 3409-1996 钢板制对焊管件SH 3410-1996 锻钢制承插焊管件SH 3503-1993 工程建设交工技术文件规定SH 3508-1996 石油化工工程施工及验收统一标准SH 3523-1992 石油化工工程高温管道焊接规程SH 3526-1992 石油化工异种钢焊接规程SH 3527-1992 石油化工不锈复合钢焊接规程SH 3528-1993 石油化工钢储罐地基与基础施工及验收规范SH 3529-1993 石油化工企业厂区竖向布置工程施工及验收规范SH 3530-1993 石油化工立式圆筒形钢制储罐施工工艺标准SH 3531-1994 隔热耐磨混凝土衬里技术规范SH 3532-1995 石油化工换热设备施工及验收规范SH 3533-1995 石油化工给水排水管道工程施工及验收规范SH 5025-1991 石油钻机用井架及底座SH 5031-1991 石油钻机用柴油机SH 5035-1991 吊钳SH 5049-1991 钻井卡瓦SH 5051-1991 钻具稳定器SH 5053.2-1991 地面防喷器及控制装置控制装置SH 5056-1991 快速开关盲板SH 5057-1991 钢制弯管SH 5068-1991 修井用可退式打捞筒SH 5069-1991 修井用可退式打捞矛SH 5078.1-1991 水力活塞泵及地面装置水力活塞泵SH 5078.2-1991 水力活塞泵及地面装置地面泵SH 5078.3-1991 水力活塞泵及地面装置控制管汇SH 5083-1991 尾管悬挂器SH 5164-1991 三牙轮钻头SH 5208-1991 修井用游车大钩SH 5209-1991 修井用天车SH 5210-1991 修井用水龙头SH 5235-1991 抽油杆吊卡SH 5236-1991 抽油杆吊钩SH 5244-1991 钻井液管汇SH 5246-1991 修井打捞工具通用技术条件SH 5247-1991 套铣作业方法SH 5255-1991 石油钻井用砂泵SH 5260-1991 压裂管汇SH 5261-1991 火筒式加热炉受压元件强度计算方法SH 5262-1991 火筒式加热炉技术条件SH 5263-1991 火筒式加热炉设计技术规定SH 5270-1991 高压注水管路配件设计技术规定SH 5271-1991 卡点确定与爆炸松扣作法SH 5275-1991 偏心配水工具SH 5278-1991 钻井用安全接头作业规程SH 5279.1-1991 石油井口装置额定工作压力与公称通径系列SH 5279.2-1991 石油井口装置法兰型式、尺寸及技术条件SH 5279.3-1991 石油井口装置法兰密封垫环型式、尺寸及技术条件SH 5282-1991 抽油光杆卡SH 5283-1991 石油钻采设备用气动元件质量分级SH 5284-1991 修井用分瓣式打捞矛SH 5285-1991 修井用铣鞋及磨鞋SH 5286-1991 地滑车SH 5287-1991 混砂车技术条件SH 5288-1991 钻井提升设备主要连接尺寸SH 5291-1991 原油管道输送计量器具配备规范套筒型钻井方位控制器SH 5292-1991 油气田井下作业计量器具配备规范SH 5298-1991 港口装卸用输油臂SH 5315-1991 套筒型钻井方位控制器SH 5373-1991 钻井井下工具与作业用图形符号SH 5375-1991 钻井设备选用的一般规则SH 5376-1991 石油通井机SH 5383-1991 螺杆钻具SH 5393-1991 全气动子自动送钻装置技术条件SH 5396-1991 石油套管现场检验方法SH 5398-1991 原油天然气和稳定轻烃交接计量站计量器具配备规范SH 5399-1991 石油钻井用钻杆动力钳SH 5400-1991 石油钻井用套管动力钳SH/T 0006-2002 工业白油SH/T 0013-1999 微晶蜡SH/T 0018-1990 含添加剂石油蜡(热熔胶)表观粘度测定法SH/T 0019-1990 石油蜡和石油脂体积电阻率测定法SH/T 0020-1990 汽油中磷含量测定法SH/T 0021-1990 喷气燃料环境酸皂含量测定法SH/T 0022-1990 石油馏分氢含量测定法SH/T 0023-1990 喷气燃料银片腐蚀试验法SH/T 0024-1990 润滑油沉淀值测定法SH/T 0025-1999 防锈油盐水浸渍试验法SH/T 0026-1990 石油焦挥发分测定法SH/T 0027-1990 添加剂中镁含量测定法(原子吸收光谱法)SH/T 0028-1990 润滑油清净剂浊度定法(原子吸收光谱法)SH/T 0029-1990 石油浇灰分测定法SH/T 0030-1990 车辆齿轮油成沟点测定法SH/T 0031-1990 柴油机活塞清净性评分法SH/T 0032-1990 石油焦总水分测定法SH/T 0033-1990 石油焦真密度测定法SH/T 0034-1990 添加剂中有效组分测定法SH/T 0035-1990 防锈油脂蒸发量测定法SH/T 0036-1990 防锈油水置换性试验法SH/T 0037-1990 齿轮油贮存溶解特性测定法SH/T 0047-1991 燃汽轮机液体燃料SH/T 0048-1991 润滑脂相似粘度测定法SH/T 0058-1991 石油焦中硅,钒和铁含量测定法SH/T 0060-1991 防油脂吸氧测定法(氧弹法)SH/T 0061-1991 润滑油中镁含量测定法(原子吸收光谱法)SH/T 0062-1991 汽油和石脑油脱戊烷测定法SH/T 0063-1991 防锈油干燥性试验法SH/T 0064-1991 馏分燃料游离水和颗粒污染物试验法SH/T 0065-1991 发动机冷却液或防锈剂试验样品的取样及其水溶液的配制SH/T 0066-1991 发动机冷却液泡沫倾向测定法(玻璃器皿法)SH/T 0066-2002 发动机冷却液泡沫倾向测定法(玻璃器皿法)SH/T 0067-1991 发动机冷却液和防锈剂灰分含量测定法SH/T 0068-1991 发动机冷却液密度测定法(密度计法)SH/T 0068-2002 发动机冷却液及其浓缩液密度或相对密度测定法(密度计法)SH/T 0069-1991 发动机防冻剂,防锈剂和冷却液PH值测定法SH/T 0070-1991 用过的内燃机油中氧化值和硝化值的测定法(红外光谱法) SH/T 0071-1991 1135C2法试验用标准油SH/T 0072-1991 液体润滑剂摩擦系数测定法(振子法)SH/T 0073-1991 喷气燃料抗磨指数测定法(环块法)SH/T 0074-1991 汽油机油薄层吸氧氧化安定性测定法SH/T 0075-1991 CC及柴油机油高油清净性评定法(1135C2法)SH/T 0084-2001 冷却系统化学溶液对汽车上有机涂料影响的试验方法SH/T 0099.7-1993 乳化沥青附着度试验法SH/T 0099.8-1993 乳化沥青冷冻安定性试验法SH/T 0099.9-1994 乳化沥青粗(密)粒度骨料拌和试验法SH/T 0102-1992 润滑油和液体燃料油中铜含量测定法(原子吸收光谱法)SH/T 0103-1992 含聚合物剪切安定性测定法(柴油喷嘴法)SH/T 0104-1992 冷冻机油在致冷剂作用下的稳定试验法(菲利普法)SH/T 0105-1992 溶剂稀释型防锈油油膜厚度测定法SH/T 0106-1992 防锈油人汗防蚀性试验法SH/T 0107-1992 防锈油人汗洗净性试验法SH/T 0108-1992 某些聚合型添加剂平均分子量和分子量分布测定法(体积排除色谱法) SH/T 0109-1992 润滑脂抗水淋性能测定法SH/T 0115-1992 润滑脂和固体烃滴点测定法SH/T 0116-1992 含乙基液汽油酸度测定法SH/T 0117-1992 灯用煤油色度测定法(重铬酸钾液比色法)SH/T 0118-1992 溶剂油芳香烃含量测定法SH/T 0119-1992 润滑油中糠醛试验法SH/T 0120-1992 酚精制润滑油酚含量测定法SH/T 0122-1992 润滑脂滚筒安定性测定法SH/T 0123-1993 极压润滑油氧化性能定法SH/T 0124-2000 含抗氧剂的汽轮机油氧化安定性测定法SH/T 0125-1992 液化石油气硫化氢试验法(乙酸铅法)SH/T 0128-1992 石蜡重金属含量试验法SH/T 0129-1992 石油蜡和石油脂灼烧残渣测定法SH/T 0130-1992 石油蜡砷限量试验法SH/T 0131-1992 石油蜡和石油脂硫酸盐灰分测定法SH/T 0132-1992 石油蜡冻凝点测定法SH/T 0133-1992 石蜡氯离子及硫酸根离子试验法SH/T 0134-1992 白色油固态石蜡试验法SH/T 0135-1992 液体石蜡过氧化值测定法SH/T 0136-1992 石油蜡硫化物试验法SH/T 0137-1992 抗氨汽轮机油换油指标SH/T 0138-1994 10号仪表油SH/T 0139-1995 车轴油SH/T 0160-1992 石油产品残炭测定法(兰氏法)SH/T 0161-1992 石油产品中氯含量测定法(烧瓶燃烧法)SH/T 0162-1992 石油产品中碱性氮测定法SH/T 0163-1992 石油产品总酸值测定法(半微量颜色指示剂法)SH/T 0165-1992 减压蒸馏测定法SH/T 0166-1992 重整原料油及生成油中C6-C9芳烃含量测定法(色谱法) SH/T 0167-1992 重整原料油中砷含量测定法(分光光度法)SH/T 0168-1992 石油产品色度测定法SH/T 0169-1992 平均分子量测定法SH/T 0170-1992 残炭测定法(电炉法)SH/T 0171-1992 石油和石油产品氮含量测定法(麝香草酚比色法)SH/T 0172-2001 石油产品硫含量测定法(高温法)SH/T 0174-1992 芳烃和轻质石油产品硫醇定性试验法(博士试验法)SH/T 0175-1994 馏分燃料油氧化安定性测定法(加速法)SH/T 0176-1992 喷气燃料过氧化值测定法SH/T 0177-1992 轻质石油产品芳香烃含量测定法(重量法)SH/T 0178-1992 煤油燃料性测定法(点灯法)SH/T 0179-1992 轻质石油产品浊点和结晶点测定法SH/T 0180-1992 喷气燃料动态热安定性测定法SH/T 0181-1992 喷气燃料中萘系烃含量测定法(紫外分光光度法)SH/T 0182-1992 轻质石油产品中铜含量测定法(分光光度法)SH/T 0183-1992 烃类燃料爆炸性测定法SH/T 0184-1992 柴油贮存安定性测定法(冰乙酸--甲醛法)SH/T 0185-1992 直馏润滑油氧化安定性测定法SH/T 0186-1992 普通内燃机油高温清净性评定法(1135A法)SH/T 0187-1992 润滑油极压性能测定法(法莱克斯法)SH/T 0188-1992 润滑油磨损性能测定法(法莱克斯轴-V形块法)SH/T 0189-1992 润滑油抗磨损性能测定法(四球机法)SH/T 0190-1992 润滑油滑剂摩擦系数测定法(MM-200法)SH/T 0191-1992 润滑油破乳化值测定法SH/T 0192-1992 润滑油老化特性测定法SH/T 0193-1992 润滑油氧化安定性测定法(旋转氧弹法)SH/T 0194-1992 添加剂和含添加剂油的活性硫测定法SH/T 0195-1992 润滑油腐蚀试验法SH/T 0196-1992 润滑油抗氧化安定性测定法SH/T 0197-1992 润滑油中铁含量测定法SH/T 0198-1992 润滑油中酚含量测定法(紫外吸收法)SH/T 0199-1992 内燃机油氧化腐蚀模拟评定法(CLW-1轴瓦机法) SH/T 0200-1992 含聚合物润滑油剪切安定性测定法(齿轮机法)SH/T 0201-1992 液体润滑剂磨擦系数测定法(法莱克斯轴-V型块法) SH/T 0202-1992 润滑脂极压性能测定法(四球机法)SH/T 0203-1992 润滑脂极压性能测定法(梯姆肯法)SH/T 0204-1992 润滑脂抗磨性能测定法(四球机法)SH/T 0205-1992 电气绝缘液体的折射率和比色散测定法SH/T 0206-1992 变压器油氧化安定性测定法SH/T 0207-1992 绝缘油水含量测定法(卡尔费休法)SH/T 0208-1992 航空液压油热氧化安定性及腐蚀测定法SH/T 0209-1992 液压油热稳定性测定法SH/T 0210-1992 液压油过滤性试验法SH/T 0211-1998 防锈油脂低温附着性试验法SH/T 0212-1998 防锈油脂除膜性试验法SH/T 0213-1992 防锈油胶状物试验法SH/T 0214-1998 防锈油脂分离安定性试验法SH/T 0215-1999 防锈油脂沉淀值和磨机性测定法SH/T 0216-1999 防锈油喷雾性试验法SH/T 0217-1998 防锈油脂试验试片锈蚀度评定法SH/T 0218-1993 防锈油脂试验用试片制备法SH/T 0219-1992 热处理油热氧化安定性测定法SH/T 0220-1992 热处理油冷却性能测定法SH/T 0221-1992 液化石油气密度或相对密度测定法SH/T 0222-1992 液化石油气总硫含量测定法(电量法)SH/T 0223-1992 添加剂中钡含量测定法(络合滴定法)SH/T 0224-1992 石油添加剂中氮含量测定法(克士法)SH/T 0225-1992 添加剂和含添加剂润滑油中钡含量测定法SH/T 0226-1992 添加剂和含添加剂润滑油中锌含量测定法SH/T 0227-1992 添加剂中硼含量测定法SH/T 0228-1992 润滑油中钡,钙,锌含量测定法(原子吸收光谱法)SH/T 0229-1992 固体和半固体石油产品取样法SH/T 0230-1992 液化石油气组成测定法SH/T 0231-1992 液化石油气中硫化氢含量测定法(层析法)SH/T 0232-1992 液化石油气铜片腐蚀试验法SH/T 0233-1992 液化石油气采样法SH/T 0234-1992 轻质石油产品碘值和不饱和烃含量测定法(碘--乙醇法)SH/T 0235-1992 液体燃料蒸发损失测定法SH/T 0236-1992 石油产品溴值测定法SH/T 0237-1992 汽油贮存安定性测定法SH/T 0238-1992 柴油贮存安定性测定法SH/T 0239-1992 重整原料油及其生成油中C6-C9烷烃,环烷烃,芳烃含量测定法 (薄层填充柱色谱法)SH/T 0240-1992 重整原料油中烷烃、环烷烃含量测定法(色谱法)SH/T 0241-1992 喷气燃料静态热安定性测定法SH/T 0242-1992 轻质石油产品铅含量测定法(原子吸收光谱法)SH/T 0243-1992 溶剂汽油碘值测定法SH/T 0244-1992 标准正庚烷和标准异辛烷的沸点测定法SH/T 0245-1992 溶剂油芳烃含量测定法(色谱法)SH/T 0246-1992 轻质石油中水含量测定法(电量法)SH/T 0247-1992 柴油凝点测定法(自动测定法)SH/T 0248-1992 柴油冷凝点测定法SH/T 0249-1992 专用燃料油泵送性测定法SH/T 0250-1992 专用燃料油热安定性测定法SH/T 0251-1993 石油产品碱值测定法(高氯酸电位滴定法)SH/T 0252-1992 轻质石油馏分中微量硫测定法(镍还原法)SH/T 0253-1992 轻质石油产品中总硫含量测定法(电量法)SH/T 0254-1992 液态石油烃中痕量氮测定法(电量法)SH/T 0255-1992 添加剂和含添加剂润滑油水分测定法(电量法)SH/T 0256-1992 润滑油破乳化时间测定法SH/T 0257-1992 润滑油水分定性试验法SH/T 0258-1992 润滑油的颜色测定法SH/T 0259-1992 润滑油热氧化安定性测定法SH/T 0260-1992 普通柴油机油高温清洁性评定法(1105单缸法)SH/T 0261-1994 CD级柴油机高温清净性评定法(1135 D2法)SH/T 0262-1992 普通柴油机油清洁性评定法(皮特AV-1法)SH/T 0263-1992 增压柴油机油高温清洁性评定法(皮特AVB法)SH/T 0264-1992 内燃机油高温氧化和轴瓦腐蚀评定法(皮特W-1法) SH/T 0265-1992 内燃机油高温氧化和轴瓦腐蚀评定法(皮特L-38法) SH/T 0266-1992 石油沥青质含量测定法SH/T 0267-1992 润滑油氧化钠抽出物的酸化试验法SH/T 0268-1992 电气用油介质损失角正切测定法SH/T 0269-1992 内燃机润滑油清洁性测定法SH/T 0270-1992 添加剂和含添加剂润滑油的钙含量测定法SH/T 0271-1992 电气用油在电场作用下折气性能测定法SH/T 0292-1992 冷冻机油氟氯烷浊点测定法SH/T 0293-1992 真空油脂和蒸气压测定法SH/T 0294-1992 扩散泵油极限压强测定法SH/T 0295-1992 变压器油氧化初期挥发性水溶性酸测定法SH/T 0296-1992 添加剂和含添加剂润滑油的磷含量测定法(比色法) SH/T 0297-1992 添加剂中钙含量测定法SH/T 0298-1992 含防锈剂润滑油水溶性酸测定法(PH法)SH/T 0299-1992 内燃机油氧化安定性测定法SH/T 0300-1992 曲轴箱模拟试验方法(QZX法)SH/T 0301-1993 液压液水解安定性测定法(玻璃瓶法)SH/T 0302-1992 抗氨汽轮机油抗氨性能试验法SH/T 0303-1992 添加剂中硫含量测定法(电量法)SH/T 0304-1999 电气绝缘油腐蚀性硫试验法SH/T 0305-1993 石油产品密封适应性指数测定法SH/T 0306-1992 润滑油承载能力测定法(CL-100齿轮机法)SH/T 0307-1992 石油基液压油磨损特性测定法(叶片泵法)SH/T 0308-1992 润滑油空气释放值测定法SH/T 0309-1992 含添加剂润滑油的钙、钡、锌含量测定法(络合滴定法) SH/T 0310-1992 置换型防锈油人汗防止性能测定法SH/T 0311-1992 置换型防锈油人汗置换性能测定法SH/T 0312-1992 置换型防锈油人汗洗净性能测定法SH/T 0313-1992 石油焦检验法SH/T 0314-1992 汽油诱导期测定器技术条件SH/T 0315-1992 闭口闪点测定器技术条件SH/T 0316-1998 石油密度计技术条件SH/T 0317-1992 石油产品试验用瓷制器皿验收技术条件SH/T 0318-1992 开口闪点测定器技术条件SH/T 0319-1992 润滑脂皂分测定法SH/T 0320-1992 润滑脂水分定性测定法SH/T 0321-1992 润滑脂漏斗分油测定法SH/T 0322-1992 润滑脂有害粒子测定法SH/T 0323-1992 润滑脂强度极限测定法SH/T 0324-1992 润滑脂钢网分油测定法SH/T 0325-1992 润滑脂氧化安定性测定法SH/T 0326-1992 汽车轮轴承润滑脂漏失量测定法SH/T 0327-1992 润滑脂灰分测定法SH/T 0328-1992 润滑脂腐蚀试验法(常温法)SH/T 0329-1992 润滑脂游离碱和游离有机酸测定法SH/T 0330-1992 润滑脂机械杂质测定法(抽出法)SH/T 0331-1992 润滑脂腐蚀试验法SH/T 0332-1992 防蚀润滑脂、凡士林及提纯地蜡反应测定法SH/T 0333-1992 润滑脂防护性能测定法SH/T 0334-1992 润滑脂保持能力测定法SH/T 0335-1992 润滑脂氧化安定性测定法SH/T 0336-1994 润滑脂杂质含量测定法 (显微镜法)SH/T 0337-1992 润滑脂蒸发度测定法SH/T 0338-1992 滚珠轴承润滑脂低温转矩测定法SH/T 0339-1992 NaY分子筛晶胞参数测定法SH/T 0340-1992 NaY分子筛结晶度测定法SH/T 0341-1992 催化剂中氧化铝含量测定法SH/T 0342-1992 催化剂中铁含量测定法SH/T 0343-1992 2号、3号重整催化剂中氯含量测定法(离子选择电极法) SH/T 0344-1992 2号、3号加氢精制催化剂中三氧化钼含量测定法SH/T 0345-1992 2号加氢精制催化剂中钴含量测定法SH/T 0346-1992 3号加氢精制催化剂中镍含量测定法SH/T 0348-1992 4号喷气燃料SH/T 0349-1992 冷冻机油SH/T 0350-1992 普通车辆齿轮油SH/T 0351-1992 断路器油SH/T 0352-1992 L-HG液压油SH/T 0353-1992 防护油SH/T 0354-1992 溶剂稀释型防锈油SH/T 0355-1992 软麻油SH/T 0357-1992 工业齿轮油SH/T 0358-1992 10号航空液压油SH/T 0359-1992 合成汽缸油SH/T 0360-1992 13号机械油SH/T 0361-1998 导轨油SH/T 0363-1992 普通开式齿轮油SH/T 0364-1992 硫化切削油SH/T 0365-1992 乳化油SH/T 0366-1992 石油脂型防锈脂SH/T 0367-1992 置换型防锈油SH/T 0368-1992 钙钠基润滑脂SH/T 0369-1992 石墨钙基润滑脂SH/T 0370-1995 复合钙基润滑脂SH/T 0371-1992 铝基润滑脂SH/T 0372-1992 合成钙基润滑脂SH/T 0373-1992 铁道润滑脂SH/T 0374-1992 合成复合钙基润滑脂SH/T 0375-1992 2号航空润滑脂SH/T 0376-1992 4号高温润滑脂SH/T 0377-1992 铁路制动缸润滑脂SH/T 0378-1992 复合铝基润滑脂SH/T 0379-1992 钡基润滑脂SH/T 0380-1992 合成锂基润滑脂SH/T 0381-1992 合成复合铝基润滑脂SH/T 0382-1992 精密机床主轴润滑脂SH/T 0383-1992 炮用润滑脂SH/T 0384-1992 弹药保护脂SH/T 0385-1992 3号仪表润滑脂SH/T 0386-1992 滚珠轴承润滑脂SH/T 0387-1992 钢丝绳表面脂SH/T 0388-1992 钢丝绳麻芯脂SH/T 0389-1992 石油添加剂的分类SH/T 0390-1992 704防锈油SH/T 0391-1992 701防锈剂SH/T 0392-1992 603粘度指数改进剂(聚异丁烯) SH/T 0393-1992 108系列清净剂SH/T 0394-1992 202抗氧抗腐剂SH/T 0395-1992 405系列油性剂SH/T 0396-1992 1301防冰剂SH/T 0397-1992 T-706号防锈剂-笨肼三氮唑SH/T 0398-1992 石油蜡和石油脂分子量测定法SH/T 0399-1992 石油蜡过氧化值测定法SH/T 0400-1992 石油蜡碳数分布气相色谱测定法SH/T 0401-1992 石油蜡粘点和结点测定法SH/T 0402-1992 石油蜡抗张强度测定法SH/T 0403-1992 石蜡色度测定法SH/T 0404-1996 石蜡光安定性测定法SH/T 0405-1992 凡士林重金属限量试验法SH/T 0406-1992 凡士林紫外吸光度测定法SH/T 0407-1992 石油蜡水溶性酸或碱试验法SH/T 0408-1992 蜡纸或纸板表面蜡量测定法SH/T 0409-1992 液体石蜡中芳烃含量测定法(紫外分光光度法)SH/T 0410-1992 液体石蜡及原料中正构烷烃含量及碳数分布测定法(气相色谱法) SH/T 0411-1992 液体石蜡中芳香烃含量测定法(比色法)SH/T 0412-1992 液体石蜡及原料油中正构烷烃含量测定法(色谱法)SH/T 0413-1992 液体石蜡中微量碱性氮含量测定法SH/T 0414-1992 石蜡嗅味试验法SH/T 0415-1992 石油产品紫外吸光值检验法SH/T 0416-1992 重质液体石蜡SH/T 0417-1992 液体石蜡SH/T 0418-1992 专用石油沥青SH/T 0419-1994 绝缘沥青SH/T 0420-1992 橡胶沥青SH/T 0421-1992 电池封口剂SH/T 0422-2000 沥青灰分测定法SH/T 0423-1992 绝缘胶检验法SH/T 0424-1992 石油沥青垂度测定法SH/T 0425-1992 石油沥青蜡含量测定法SH/T 0426-1992 沥青软化点测定器技术条件SH/T 0427-1992 润滑脂齿轮磨损测定法SH/T 0428-1992 高温下润滑脂在抗磨轴承中工作性能测定法SH/T 0429-1992 润滑脂与合成橡胶相容性试验法SH/T 0430-1992 刹车液平衡回流沸点测定法SH/T 0436-1992 航空用合成润滑油与橡胶相容性试验法SH/T 0450-1992 合成油氧化腐蚀测定法SH/T 0451-1992 液体润滑剂储存安定性试验法SH/T 0452-1992 润滑脂储存安定性试验法SH/T 0453-1992 润滑脂抗水和抗水--乙醇(1:1)溶液性能试验法SH/T 0467-1994 4403号合成齿轮油SH/T 0469-1994 7407号齿轮润滑脂SH/T 0474-2000 用过汽油机油中稀释汽油含量测定法(气相色谱法)SH/T 0475-1992 普通车辆齿轮油换油指标SH/T 0476-1992 L-HL液压油换油指标SH/T 0520-1993 车辆齿轮油热氧化安定性评定法(L-60法)SH/T 0521-1999 汽车及轻负荷发动机用乙二醇型冷却液SH/T 0526-1993 石油蜡含油量测定法(丁酮-甲苯法)SH/T 0532-1992 润滑油抗擦伤能力测定法(梯姆肯法)SH/T 0533-1992 防锈油脂防锈试验片锈蚀评定方法SH/T 0538-2000 轻负荷喷油回转式空气压缩机油换油指标SH/T 0556-1993 石油蜡含油量测定法(丁酮-甲苯法)SH/T 0557-1993 石油沥青粘度测定法(真空毛细管法)SH/T 0558-1993 石油馏分沸程分布测定法(气相色谱法)SH/T 0559-1993 柴油中硝酸烷基酯含量测定法(分光光度法)SH/T 0560-1993 润滑油热安定性试验法SH/T 0561-1993 抗氧抗腐添加剂热分解温度测定法(毛细管法)SH/T 0562-2001 低温下发动机油屈服应力和表观粘度测定法SH/T 0565-1993 加抑制剂矿物油的油泥趋势测定法SH/T 0566-1993 润滑油粘度指数改进剂增稠能力测定法SH/T 0567-1993 难燃液压液歧管着火试验法SH/T 0568-1993 油包水型乳化液贮存稳定性测定法 (烘箱法)SH/T 0569-1993 油包水型乳化液稳定性测定法 (低温-室温循环法) SH/T 0570-1993 重整催化剂铂含量测定法SH/T 0571-1993 催化剂中沸石表面积测定法SH/T 0572-1993 催化剂孔径分布计算法 (氮脱附等温线计算法)SH/T 0573-1993 在用润滑油磨损颗粒试验法(分析式铁谱法)SH/T 0574-1993 L-ERA 二冲程汽油机油评定法SH/T 0575-1993 L-ERB 二冲程汽油机油评定法SH/T 0576-1993 L-ERC 二冲程汽油机油评定法SH/T 0577-1993 铁路柴油机油高温摩擦摩损性能测定法 (青铜-钢法) SH/T 0578-1994 乳化液pH值测定法SH/T 0579-1994 乳化液稳定性测定法SH/T 0580-1994 乳化液中油含量测定法SH/T 0581-1994 轧制液锈蚀性能试验法SH/T 0582-1994 润滑油和添加剂中钠含量测定法(原子吸收光谱法) SH/T 0583-1994 烃类相对分子量测定法(热电测量蒸气压法)SH/T 0584-1994 防锈油脂包装贮存试验法(百页箱法)SH/T 0585-1994 航空燃料氧化安定性测定法(潜在残渣法)SH/T 0586-1994 L-CKC工业闭式齿轮油换油指标SH/T 0587-1994 二硫化钼极压锂基润滑脂SH/T 0588-1994 石油蜡体积收缩率测定法SH/T 0589-1994 石油蜡转变温度测定法(差示扫描量热法)SH/T 0596-1994 润滑脂接触电阻测定法SH/T 0597-1994 2201十六烷值改进剂SH/T 0598-1994 非硅抗泡剂SH/T 0599-1994 L-HM液压油换油指标SH/T 0600-1994 石油沥青冻裂点测定法(器皿法)SH/T 0601-1994 建筑机械用润滑剂的选用SH/T 0602-1994 L-RA水置换型防锈油SH/T 0603-1994 冷冻机油R12不溶物含量测定法。
录入标准目录标准规范号标准规范名称一、城镇建设CJJ63-95 聚乙烯燃气管道工程技术规程六、国标GB10876-89 中型活塞式单级制冷压缩机试验方法GB/T11790-96 设备及管道保冷技术通则(替代GB11790-89)GB12771-91 流体输送用不锈钢焊接钢管GB/T14976-94 流体输送用不锈钢无缝钢管(替代GB2270-80)GB150-1998 钢制压力容器(替代GB150—1989)GB151-1999 管壳式换热器(代替GB15l—1989)GB/T15386-94 空冷式换热器GB16409-1996 板式换热器GB/T2624-93 流量测量节流装置用孔板、喷嘴和文丘里管测量充满圆管的流体流量(替代GB2624-81)GB/T3087-99 低中压锅炉用无缝钢管(替代GB/T3087-82)GB3531-96 低温压力容器用低合金钢钢板(替代GB353l—83)GB4272-92 设备及管道保温技术通则(替代GB4272-84)GB50094-98 球型储罐施工及验收规范(替代GBJ94—86)GB50160-92 石油化工企业设计防火规范GB50184-93 工业金属管道工程质量检验评定标准GB50185-93 工业设备及管道绝热工程质量检验评定标准GB50235-97 工业金属管道工程施工及验收规范(替代GBJ235—82)GB50236-98 现场设备、工业管道焊接工程施工及验收规范(替代GBJ236—82) GB50273-98 工业锅炉安装工程施工及验收规范GB50274-98 制冷设备、空气分离设备安装工程施工及验收规范GB50275-98 压缩机、风机、泵安装工程施工及验收规范GB50276-98 破碎、粉磨设备安装工程施工及验收规范GB50281-98 泡沫灭火系统施工及验收规范GB50325-2001 民用建筑工程室内环境污染控制规范GB50327-2001 住宅装饰装修工程施工规范GB5310-95 高压锅炉用无缝钢管(替代GB5310—85)GB6654-1996 压力容器用钢板(替代GB6654—86,GB6655-86)GB/T8163-1999 输送流体用无缝钢管GB8923-88 涂装前钢材表面锈蚀等级和除锈等级GB9237-88 制冷设备通用技术规范GBJ126-89 工业设备及管道绝热工程施工及验收规范GBJ131-90 自动化仪表安装工程质量检验评定标准(替代TJ308—77)七、化工行业HG20225-95 化工金属管道工程施工及验收规范HG20235-93 化工建设项目施工组织设计标准HGJ19-89 钢制低温压力容器技术规定HGJ201-83 化工工程建设起重施工规范HGJ202-82 脱脂工程施工及验收规范HGJ203-83 化工机器安装施工及验收规范(通用规定)HGJ204-83 化工机器安装工程施工及验收规范(对置式压缩机)HGJ205-92 化工机器安装工程施工及验收规范(离心式压缩机)HGJ206-92 化工机器安装工程施工及验收规范(中小型活塞式压缩机)HGJ207-83 化工机器安装工程施工及验收规范(化工用泵)HGJ208-83 高压化工设备施工及验收规范HGJ209-83 中低压化工设备施工及验收规范HGJ211-85 化工塔类没备施工及验收规范HGJ212-83 金属焊接结构湿式气柜施工及验收规范HGJ216-79 不饱和聚酯树脂类防腐蚀工程施工及验收规程(试行)HGJ222-92 铝及铝合金焊接技术规程HGJ223-92 铜及铜合金焊接及钎焊技术规程HGJ227-84 化工用炉砌筑工程施工及验收规范HGJ228-87 中型化肥厂煤气发生炉砌筑工程施工及验收规范HGJ229-91 工业设备、管道防腐蚀工程施工及验收规范八、机械行业JB1580-75 铝制焊接容器技术条件JB2536-80 压力容器油漆、包装、运输JB3144-82 锅炉大口径管座角焊缝超声波探伤JB4708-2000 钢制压力容器焊接工艺评定(代替JB4708-1992)JB/T4709-2000 钢制压力容器焊接规程(代替JB/T4709—1992)JB4710-92 钢制塔式容器JB4730-94 压力容器无损检测JB/T4735-97 钢制焊接常压容器(替代JB2880—81)十一、劳动部劳部发(1993)370号超高压容器安全监察规程(试行)劳部发(1989)11号低压锅炉化学清洗规则国发(1982)22号锅炉压力容器安全监察暂行条例劳人锅(1988)1号锅炉压力容器焊工考试规则劳部发(1993)441号锅炉压力容器无损检测人员资格考核规则劳人锅(1982)6号《锅炉压力容器安全监察暂行条例》实施细则劳人锅(1986)2号锅炉司炉工人安全技术考核管理办法劳锅字(1991)8号热水锅炉安全技术监察规程劳总锅字(1981)10号熔解乙炔气瓶安全监察规程劳部发(1996)140号压力管道安全管理与监察规定质技监局锅发(1999)154号压力容器安全技术监察规程劳部发(1993)356号有机热载体炉安全技术监察规程劳部发(1996)276号蒸汽锅炉安全技术监察规程气瓶安全监察规程十二、石化行业SH3022-1999 石油化工设备和管道涂料防腐蚀技术规范(替代SHJ22-90)SHJ43-91 石油化工企业设备管道表面色和标志(现编号SH3043-91)SH3049-93 石油化工企业建筑抗震设防等级分类标准SH3064-94 石油化工钢制通用阀门选用、检验及验收SH3065-94 石油化工管式炉急弯弯管技术标准(替代SHJ1042-84)SH3085-1997 石油化工管式炉碳钢和铬钼钢炉管焊接技术条件(替代SHJ1038-84) SH3086-1998 石油化工管式炉钢结构工程及部件安装技术条件(替代SHJ1037-84) SH3087-1997 石油化工管式炉耐热钢铸件技术标准(替代SHJ1041-84)SH3501-1997 石油化工剧毒、可燃介质管道工程施工及验收规范(替代SHJ501-85) SH3502-2000 钛管道施工及验收规范(替代SHJ502-82)SH3504-2000 催化裂化装置反应、再生设备施工及验收规范(替代SHJ504-86)SH3505-1999 石油化工施工安全技术规程SH3506-2000 管式炉安装工程施工及验收规范(替代SHJ506-87)SH3507-1999 石油化工钢结构工程施工验收规范(替代SHJ507-87)SH3508-96 石油化工工程施工及验收统一标准(替代SHJ508-88)SH3510-2000 石油化工设备混凝土基础工程施工及验收规范(替代SHJ510-88)SH/T3511-2000 乙烯装置裂解炉施工技术规程(替代SHJ511-89)SHJ512-90 球形储罐工程施工工艺标准(现编号SH/T3512-90)SH3513-2000 石油化工铝制料仓施工及验收规范(替代SHJ513-90)SHJ514-90 石油化工设备安装工程质量检验评定标准(现编号SH3514-90)SHJ515-90 大型设备吊装工程施工工艺标准(现编号SH/T3515-90)SHJ516-90 催化裂化装置轴流压缩机—烟气轮机机组施工技术规程(现编号SH/T3516-90)SHJ517-91 石油化工钢制管道工程施工工艺标准(现编号SH/T3517-91)SH3518-2000 阀门检验与管理规程(替代SHJ518-91)SHJ519-91 乙烯装置离心压缩机组施工技术规程(现编号SH3519-91)SHJ520-91 石油化工工程铬钼耐热钢管道焊接技术规程(现编号SH3520-91)SH3521-99 石油化工仪表工程施工技术规程(替代SHJ521-91)SHJ522-91 石油化工绝热工程施工工艺标准(现编号SH/T3522-91)SH/T3523-1999 石油化工铬镍奥氏体钢、铁镍合金和镍合金管道焊接规程(替代SH3523-91)SH/T3524-1999 石油化工钢制塔、容器现场组焊施工工艺标准(替代SHJ522-92)SH3525-92 石油化工低温钢焊接规程SH3526-92 石油化工异种钢焊接规程SH/T3527-1999 石油化工不锈钢复合钢焊接规程(替代SH3527-1992)SH3528-93 石油化工钢储罐地基与基础施工及验收规范SH3529-93 石油化工企业厂区竖向布置工程施工及验收规范SH3530-93 石油化工立式圆筒形钢制储罐施工工艺标准SH3531-1999 隔热耐磨混凝土衬里技术规范(替代SH3531—94)SH3532-95 石油化工换热设备施工及验收规范SH3533-95 石油化工给水排水管道工程施工及验收规范SH/T3412-99 石油化工管道用金属软管选用、检验及验收SH/T3413-99 石油化工石油气管道阻火器选用、检验及验收SH/T3414-99 石油化工钢制立式轻质油罐罐下采样器选用、检验及验收十三、石油天然气SY0055-93 长距离输油输气管道测量规范SY0401-98 输油输气管道线路工程施工及验收规范(替代SYJ4001-90)SY0402-2000 石油天然气站内工艺管线工程施工及验收规范(替代SYJ4023-89,SYJ4002-90, SY/T4067-93)SY/T4013—95 埋地钢质管道聚乙烯防腐层技术标准(替代SYJ4013-87)SY/T0415—96 埋地钢质管道硬质聚氨脂泡沫塑料防腐保温层技术标准(替代SYJ18-86,SYJ4015-87)SY0422-97 油田集输管道施工及验收规范(替代SYJ4022-88,SYJ4009-86,SYJ4061-93)SY/T0447-96 埋地钢质管道环氧煤沥青防腐层技术标准(替代SYJ28-87,SYJ4047-90)SY0453-98 石油建设工程质量检验评定标准油田集输管道工程(替代SY4053-93)SY0466-97 天然气集输管道施工及验收规范(替代SY4066-93,SY/T4082-95)SY0470-2000 石油天然气管道跨越工程施工及验收规范(替代SY4070-93)SY4014-93 埋地钢质管道聚乙烯胶粘带防腐层施工及验收规范(替代SYJ4014-87)SYJ4042-89 钢制管道粉末内涂层技术标准SY4028-93 石油建设工程质量检验评定标准设备安装工程(替代SYJn4028-88)SY4032.1-93 石油建设工程质量检验评定标准通信工程(长途通信明线线路工程(替代SYJn4032-88)SY4056-93 石油天然气钢制管道对接焊缝射线照相及质量分级SY4058-93 埋地钢质管道外防腐层和保温层现场补口补伤施工及验收规范SY4065-93 石油天然气钢制管道对接焊缝超声波探伤及质量分级SY5036-83 承压流体输送用螺旋缝埋弧焊钢管SY5038-83 承压流体输送用螺旋缝高频焊钢管SY5039-83 一般低压流体输送用螺旋缝高频焊钢管SYJ4006-90 长输管道阴极保护工程施工及验收规范(替代SYJ4006-84)SY/T0407-97 涂装前钢材表面预处理规范(替代SYJ4007-86)SY/T0420-97 埋地钢质管道石油沥青防腐层技术标准(替代SYJ4020-88,SYJ8-84)。