实验一 晶闸管的简易测试及导通关断条件实验
- 格式:doc
- 大小:175.00 KB
- 文档页数:5
实验一晶闸管导通、关断条件实验一、实验目的⒈熟悉TDM-1型晶闸管电路学习机⒉了解晶闸管导通、关断的基本条件二、实验仪器和设备⒈TDM-1型晶闸管电路C区⒉直流毫安表0~10mA(一只)、万用表(一只)三、晶闸管的工作原理通过相关实验我们可得晶闸管通、断条件规律如下:①当晶闸管承受反向阳极电压时,无论门极承受何种电压,晶闸管都处于关断状态。
②当晶闸管承受正向阳极电压时,仅在门极承受正向电压的情况下晶闸管才能导通,正向阳极电压和正向门极电压两者缺一不可。
晶闸管导通后的管压降为1V左右,电源电压几乎全加到灯泡上,灯泡燃亮。
③晶闸管一经导通,门极就失去控制作用,不论门极电压是正还是负,晶闸管保持导通,故导通的控制信号只须正向脉冲称之为触发脉冲即可。
④要使晶闸管关断,必须去掉阳极正向电压,或者给阳极加反压,或者降低正向阳极电压,使通过晶闸管的电流降低到一定数值以下。
能保持晶闸管导通的最小电流,称为维持电流。
⑤当门极未加触发电压时,晶闸管具有正向阻断能力,它是一般二极管不具备的。
由此规律,我们可以更清楚的弄清晶闸管工作原理。
四、实验内容及步骤⒈闸管原理实验电路(如下图1-1)图1-1⒉晶闸管导通条件实验实验箱中CZ1接220V电源,K1、K2、K3、拨到ON位置,IR L1、IR L2用导线短接,做导通条件实验。
阳极电压E a正负极性用K2转换,用面板上的双向直流电压表测量。
门极电压V g正负极性用K4转换,门极电流I g大小用W1调节,V g和I g用面板上的电压表,及另接1~10mA 电流表测量。
⒊晶闸管的关断条件①K3拨到OFF位置,将A1电流表短接线去除,即A1表串入SCR回路,A2门控电流表用导线短接,K1拨到OFF,将W1、W2调到最小(逆时针),按下AN1使SCR导通(此时应将K3合上)。
②讨论下列条件下,SCR关断条件。
Ⅰ、调节W2,使R W2上升,使I1下降,记录I a的关断电流I H。
实验一 晶闸管的简易测试及其导通、关断条件一、实验目的:1.观察晶闸管的结构,掌握晶闸管测试的正确方法;2.研究晶闸管的导通条件;3.研究晶闸管的关断条件。
二、实验所需挂件及附件1. TH-DD 实验台电源控制屏;2. DJK02三相变流桥路挂箱;3.直流电压、电流表。
三、实验线路及原理图1-1 晶闸管的简易测试及其导通、关断条件实验线路图四、实验内容1. 晶闸管导通条件的测试。
2. 晶闸管关断条件的测试。
3. 测试参数:触发电流(Ig );维持电流(I H );晶闸管导通压降(U AK );触发电平。
12V五、预习要求1.阅读半导体变流技术教材中有关晶闸管导通与关断条件的内容。
2.掌握晶闸管导通与关断时参数的测定方法。
六、实验方法1.选用DJK02挂件三相变流桥路上的一个晶闸管,按图1-1完成实验线路的连接。
其中电源采用实验台控制屏上的12V直流电源。
2.导通实验:先将电阻R1置最大值,R2置最小值,然后接通电源,缓慢调节R1使门极与阴极回路的触发电流逐渐增大,同时注意电压表和电流表的读书变化,当电压表上有电压值显示时,说明晶闸管已经触发导通,此时的电流表读数为出发电流(Ig)记录之;同时测出晶闸管的导通压降(U AK);触发电平(U KG)。
将触发回路断开,观察主回路的导通情况并记录之。
3.关断实验:恢复断开的触发回路,调节R2使电压表读数下降,并注意仔细观察电压表读数的变化,当电压表的读数从某个值突然降到零时,晶闸管已经关断,此时主回路的电流即为维持电流(I H)。
七、实验报告1.根据实验记录判断被测晶闸管的好坏,写出简易的判断方法。
2.根据实验结果说明晶闸管的导通及关断条件八、注意事项1.正确连接实验线路。
同组同学互查一遍,通电实验前,应由指导教师检查一遍,方可开始实验。
2.注意正确选择测量数据所需的仪表,合理选择测量档位。
3.电压源在连接的时候注意正负极性,防止电源短路。
实验二单相桥式半控整流电路一、实验目的1.加深对单相桥式半控整流电路带电阻性、电阻电感性负载时各工作情况的理解。
实验一三相半波整流电路研究一实验目的1 熟悉晶闸管触发电路的工作原理、接线和各元件的作用。
2 观察并并理解掌握三相半波可控整流电路在电阻负载和电感负载的作用情况。
3 理解续流二极管的作用二实验电路见图1三实验设备同步变压器220V/60V灯板滑动变阻器电抗器示波器万用表四实验内容及步骤1 断开S1,接上电阻负载后,再闭合S1。
当触发角为0°时观测ud iduvt波形并记录。
2同理,当触发角为60°时观测u d i d u vt波形并记录。
3接上电感负载观察触发角为60°时观测ud iduvt波形并记录。
4电阻负载共阳极接法触发角为60°时观测u d i d u v波形并记录。
五参考文献六思考题1.对比三种负载在触发角为60°时电压、电流波形。
分析波形异同的原因。
2.电感负载,考虑两倍的安全裕量,如何确定晶闸管的额定电压和额定电流。
3.如果00=α,A相的触发脉冲消失。
绘制电阻负载下整流电压d u的波形,并对波形加以文字描述实验二单相半波可控整流电路研究一实验目的1 熟悉晶闸管触发电路的工作原理、接线和各元件的作用。
2 观察并并理解掌握单相半波可控整流电路在电阻负载和电感负载的作用情况。
3 理解续流二极管的作用二实验电路见图2三实验设备同步变压器220V/60V 灯板滑动变阻器电抗器示波器万用表四实验内容及步骤1 断开S1,接上电阻负载后,再闭合S1。
当触发角为0°时观测ud iduvt波形并记录。
2同理,当触发角为60°时观测u d i d u vt波形并记录。
3当触发角为90°时观测ud iduvt波形并记录。
4 接上电感负载观察触发角为0°90°时观测ud iduvt波形并记录。
5接上电感负载与续流二极管观察触发角为0°90°时观测ud iduvt波形并记录。
五参考文献六思考题1.对比三种负载在触发角为90°时电压、电流波形。
实验一 电力电子元件测试一、实验目的1.观察晶闸管(SCR )的结构,掌握测试晶闸管好坏的正确方法。
2.观察IGBT 和MOSFET 的结构,掌握测试IGBT 和MOSFET 好坏的正确方法。
3.验证晶闸管导通与关断条件。
4.掌握各种电力电子器件的工作特性。
二、实验设备三、实验线路及原理1、晶闸管电极的判定和简单测试若从外观上判断,3个电极形状各不相同,无需作任何测量就可以识别。
小功率晶闸管的门极比阴极细,大功率的门极则用金属编制套引出,像一根辫子。
有的在阴极上另引出一根较细的引线,以便和触发电路连接,这种晶闸管虽有4个电极,也无需测量就能识别。
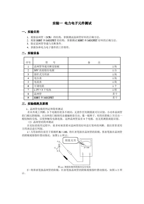
(2)晶闸管的简单测试在实际的使用过程中,很多时候需要对晶闸管的好坏进行简单的判断,我们常常采用万用表法进行判别。
1)万用表档位放至于欧姆档R ×100,将红表笔接在晶闸管的阳极,黑表笔接在晶闸管的阴极观察指针摆动情况,如图1-1所示。
图1-1 测量阳极和阴极间反向电阻2)将黑表笔接晶闸管的阳极,红表笔接晶闸管的阴极观察指针摆动情况,如图1-2所示。
图1-2 测量阳极和阴极间正向电阻结果:正反向阻值均很大原因:晶闸管是四层三端半导体器件,在阳极和阴极之间有三个PN 结,无论如何加电压,总有一个PN 结处于反向阻断状态,因此正反向阻值均很大。
3)将红表笔接晶闸管的阴极,黑表笔接晶闸管的门极观察指针摆动情况,如图1-3所示。
图1-3 测量门极和阴极间正向电阻4)将黑表笔接晶闸管的阴极,红表笔接晶闸管的门极观察指针摆动情况,如图1-4所示。
图1-4 测量门极和阴极间反向电阻理论结果:当黑表笔接控制极,红表笔接阴极时,阻值很小;当红表笔接控制极,黑表笔接阴极时,阻值较大。
实测结果:两次测量的阻值均不大 原因:在晶闸管内部控制极与阴极之间反并联了一个二极管,对加到控制极与阴极之间的反向电压进行限幅,防止晶闸管控制极与阴极之间的PN 结反向击穿。
2、SCR 、MOSFET 、IGBT 特性实验将电力电子器件(包括SCR 、MOSFET 、IGBT 三种)和负载电阻R 串联后接至直流电源的两端,由直流电源为新器件提供触发电压信号,给定电压从零开始调节,直至器件触发导通,从而可测得在上述过程中器件的V/A 特性。
实验实训1 晶闸管的简单测试和典型电力电子器件的特性实验一、实验实训目的1.观察晶闸管(SCR)的结构,掌握测试晶闸管好坏的正确方法。
2.观察IGBT和MOSFET的结构,掌握测试IGBT和MOSFET好坏的正确方法。
3.研究晶闸管导通与关断条件。
4.掌握各种电力电子器件的工作特性。
5.掌握各器件对触发信号的要求。
二、实验实训设备、所需挂件及附件序号型号备注1 DJK01 电源控制屏该控制屏包含“三相电源输出”等几个模块。
2 DJK06 给定及实验器件该挂件包含“二极管”等几个模块。
3 DJK07 新器件特性实验4 DJK09 单相调压与可调负载5 万用表6 晶闸管7 IGBT和MOSFET三、实验实训线路及原理1、晶闸管电极的判定和简单测试(1)晶闸管电极的判定若从外观上判断,3个电极形状各不相同,无需作任何测量就可以识别。
小功率晶闸管的门极比阴极细,大功率的门极则用金属编制套引出,像一根辫子。
有的在阴极上另引出一根较细的引线,以便和触发电路连接,这种晶闸管虽有4个电极,也无需测量就能识别。
(2)晶闸管的简单测试在实际的使用过程中,很多时候需要对晶闸管的好坏进行简单的判断,我们常常采用万用表法进行判别。
1)万用表档位放至于欧姆档R×100,将红表笔接在晶闸管的阳极,黑表笔接在晶闸管的阴极观察指针摆动情况,如图阻值无穷图1-12 测量阳极和阴极间反向电阻2)将黑表笔接晶闸管的阳极,红表笔接晶闸管的阴极观察指针摆动情况,如图1-13所示。
阻值无穷大图1-13 测量阳极和阴极间正向电阻结果:正反向阻值均很大原因:晶闸管是四层三端半导体器件,在阳极和阴极之间有三个PN结,无论如何加电压,总有一个PN结处于反向阻断状态,因此正反向阻值均很大。
3)将红表笔接晶闸管的阴极,黑表笔接晶闸管的门极观察指针摆动情况,如图1-14所示。
阻值不大图1-14 测量门极和阴极间正向电阻4)将黑表笔接晶闸管的阴极,红表笔接晶闸管的门极观察指针摆动情况,如图1-15所示。
晶闸管的导通和关断条件(一)晶闸管的导通和关断条件晶闸管是一种电子元件,它具有较好的控制性,被广泛应用于电路中。
在使用晶闸管的时候,必须要掌握它的导通和关断条件。
晶闸管导通条件晶闸管导通时,电流流经晶闸管的主电路,晶闸管有一定的压降,且在导通状态下,具有很低的电压降。
当电流流经晶闸管的时候,晶闸管的正向电压Vak必须大于等于晶闸管的平均开启电压Vtm,才能实现导通状态。
另外,要注意晶闸管的门极触发电压Vgt,通常Vgt>0.7Vtm。
晶闸管关断条件晶闸管在导通状态下,如果在控制电压Ud下,断开了发射极的电源电流,那么晶闸管会自行关闭,也就是说它的关断条件是电流降为零。
同时,为了确保晶闸管能够快速关断,需要增加熄灭电路或者采用反并联二极管等方式来降低关断时间。
晶闸管的适用范围晶闸管能够实现高效率的开关控制,其适用范围相当广泛,在电力电子领域和各种电子设备中都得到了广泛的应用。
晶闸管可以用于直流电源控制器、开关电源、电动机控制器、发电机控制器等多种设备中。
通过掌握晶闸管的导通和关断条件,我们可以更好地理解和使用晶闸管这个电子元件,有效地提升电子设计的质量和效率。
晶闸管的特点晶闸管除了具有高效率、可靠性和稳定性等传统电子元件特点之外,还有以下几个显著的特点:•控制特性好:晶闸管的控制电流非常小,可以通过信号放大器、逻辑电路、门电路等多种方式实现;•恒流控制:当晶闸管处于稳定导通状态时,可以实现稳定的恒流输出;•动态响应快:晶闸管可以快速调节电路中的电压和电流,实现快速的开关控制;•向高功率、大电流方向发展:随着电子技术的不断发展,晶闸管的功率和电流承受能力不断提高,逐渐代替了传统的开关元件。
小结通过本文的介绍,我们了解了晶闸管的导通和关断条件,以及晶闸管的适用范围和特点。
在实际应用中,我们需要针对不同的电路设计和工作环境,选取合适的晶闸管,并结合合适的控制电路和熄灭电路,实现快速、精准的控制。
晶闸管作为一种非常实用的电子元件,将在各种电子设备和电路应用中发挥越来越重要的作用。
实验一 晶闸管的简易测试及其导通、关断条件一、实验目的:1.观察晶闸管的结构,掌握晶闸管测试的正确方法;2.研究晶闸管的导通条件;3.研究晶闸管的关断条件。
二、实验所需挂件及附件1. TH-DD 实验台电源控制屏;2. DJK02三相变流桥路挂箱;3.直流电压、电流表。
三、实验线路及原理图1-1 晶闸管的简易测试及其导通、关断条件实验线路图四、实验内容1. 晶闸管导通条件的测试。
2. 晶闸管关断条件的测试。
3. 测试参数:触发电流(Ig );维持电流(I H );晶闸管导通压降(U AK );触发电平。
12V五、预习要求1.阅读半导体变流技术教材中有关晶闸管导通与关断条件的内容。
2.掌握晶闸管导通与关断时参数的测定方法。
六、实验方法1.选用DJK02挂件三相变流桥路上的一个晶闸管,按图1-1完成实验线路的连接。
其中电源采用实验台控制屏上的12V直流电源。
2.导通实验:先将电阻R1置最大值,R2置最小值,然后接通电源,缓慢调节R1使门极与阴极回路的触发电流逐渐增大,同时注意电压表和电流表的读书变化,当电压表上有电压值显示时,说明晶闸管已经触发导通,此时的电流表读数为出发电流(Ig)记录之;同时测出晶闸管的导通压降(U AK);触发电平(U KG)。
将触发回路断开,观察主回路的导通情况并记录之。
3.关断实验:恢复断开的触发回路,调节R2使电压表读数下降,并注意仔细观察电压表读数的变化,当电压表的读数从某个值突然降到零时,晶闸管已经关断,此时主回路的电流即为维持电流(I H)。
七、实验报告1.根据实验记录判断被测晶闸管的好坏,写出简易的判断方法。
2.根据实验结果说明晶闸管的导通及关断条件八、注意事项1.正确连接实验线路。
同组同学互查一遍,通电实验前,应由指导教师检查一遍,方可开始实验。
2.注意正确选择测量数据所需的仪表,合理选择测量档位。
3.电压源在连接的时候注意正负极性,防止电源短路。
实验二单相桥式半控整流电路一、实验目的1.加深对单相桥式半控整流电路带电阻性、电阻电感性负载时各工作情况的理解。
实验一晶闸管导通、关断条件一、实验目的熟悉晶闸管的导通、关断条刊:,掌握止确使用晶闸管的方法。
二、实验线路见图A区三、实验内容及步骤1.K6、K10,拨到ON,IRLl、IRL2用导线短接,作导通条件实验。
阳极电压Ea止负极性用K7转换,用双向直流电压表测量。
门极电压Eg正负极性用K8转换,门极电流Ig大小用W2调节。
Eg和Ig用电压表及电流表量测。
同学白己设置开关位置和W2的位置,当按一下K9时,使SCR能导通。
记录条件。
然后设置几种位置组合,当按一下K9。
时使SCR不能导通,记录条件。
2.K6拨到OFF,改接线,把电流表接到IRLl、IRL2。
1g1、1g2用导线短接,K10拨到OFF,W1、W2调到最小,按K9使SCR导通。
作关断条件实验。
请同学反复实验,找出三种关断SCR的方法,并测出最小维持电流。
四、注意事项1.改接线要断开K6。
2.测电流、电压时注意表的极性。
3.W2调节Ig大小。
W1调节IRL(Ia),并观察维持电流IH大小,其数值为1~20ma。
因此测量IH时,须接0~2A数字直流电流表。
4.K11按钮作用,是用VCl上的电压将SCR关断。
五、报告要求根据实验结果总结SCR导通和关断条件。
实验二单结晶体管触发电路及单相半控桥式整流电路一、实验目的1.熟悉单结晶体管触发电路的工作原理,掌握调试方法。
2.熟悉掌握单相半控桥式整流电路工作原理。
二、实验线路见图C区三、实验内容及步骤(1)单结晶体管触发电路的调试1)K13拨到ON2)示波器测量触发电路中各点波形:同步电压U19,U20、整流电压U18,U21。
削波电压U22,U23单结晶体管电容两端电压UC4,输山脉冲UKP3—8、UKP4—g.3)用双踪示波器观察,一路测U22,U23梯形波。
另一路测UC4或URl7。
调节W4,观察记录UC4波形变化及URl7脉冲移动情况,测出移相范围。
(2)K14拔到1作纯电阻负载实验1)调α=60度,用示波器观察并记录负载电压URL3(U39),晶闸管两端电压USCR及整流二极管两端电压U38的波形。
实验一晶闸管的简易测试及导通关断条件实验1.实验目的:1.掌握晶闸管的简易测试方法;2.验证晶闸管的导通条件及关断方法。
2.实验电路见图1-1。
1.实验设备:1.自制晶闸管导通与关断实验板2.0~30V直流稳压电源3.万用表4. 1.5V×3干电池5.好坏晶闸管2.实验内容及步骤:1.鉴别晶闸管好坏见图1-2所示,将万用表置于R×1位置,用表笔测量G、K之间的正反向电阻,阻值应为几欧~几十欧。
一般黑表笔接G,红表笔接K时阻值较小。
由于晶闸管芯片一般采用短路发射极结构(即相当于在门极与阴极之间并联了一个小电阻),所以正反向阻值差别不大,即使测出正反向阻值相等也是正常的。
接着将万用表调至R×10K档,测量G、A与K、A之间的阻值,无论黑表笔与红表笔怎样调换测量,阻值均应为无穷大,否则,说明管子已经损坏。
1.检测晶闸管的触发能力检测电路如图所示。
外接一个4.5V电池组,将电压提高到6~7.5V(万用表内装电池不同)。
将万用表置于0.25~1A档,为保护表头,可串入一只R=4.5V/I档Ω的电阻(其中:I档为所选择万用表量程的电流值)。
电路接好后,在S处于断开位置时,万用表指针不动;然后闭合S(S可用导线代替),使门极加上正向触发电压,此时,万用表指针应明显向右偏,并停在某一电流位置,表明晶闸管已经导通。
接着断开开关S,万用表指针应不动,说明晶闸管触发性能良好。
1.检测晶闸管的导通条件:1.首先将S1~S3断开,闭合S4,加上30V正向阳极电压,然后让门极开路或接一4.5V电压,观看晶闸管是否导通,灯泡是否亮。
2.加30V反向阳极电压,门极开路、接-4.5V或接+4.5V电压,观察晶闸管是否导通,灯泡是否亮。
3.阳极、门极都加正向电压,观看晶闸管是否导通,灯泡是否亮。
4.灯亮后去掉门极电压,看灯泡是否亮;再加-4.5V反向门极电压,看灯泡是否继续亮,为什么?2.晶闸管关断条件实验1.接通正30V电源,再接通4.5V正向门极电压使晶闸管导通,灯泡亮,然后断开门极电压。
实验一晶闸管的测试与导通关断条件一、实验目的:1、观察晶闸管结构,掌握测试晶闸管的正确方法。
2、验证晶闸管的导通和关断条件。
二、实验线路:见图1—1,1—2。
图1—1晶匝管测试图—2晶匝管导通条件与关断方法实验电路三、实验设备:1、直流稳压电源2、实验线路板3、万用表4、晶闸管四、实验内容及步骤:1、鉴别晶闸管的好坏(A—阳极K—阴极G—门极)见图1—1,用万用表二极档分别测两个晶闸管的A⇔K,G⇔K,G⇔A之间的正反向电阻,3、晶闸管的导通条件(按图1—2接线)(1)断开K1,K2(2)调节稳压电源,使电压输出U a=15V(3)当U a为正时,不接U g,观察灯亮否?接U g=4V,闭合K3,观察灯亮否?再断开K3,灯是否还亮?若改变U g的极性,再观察灯是否仍亮着。
(4)当U a为正时,若门极电压U g负接,观察灯是否能亮(5)改变U a的极性,当U g正接、负接时灯亮否?4、晶闸管关断条件的实验(1)先断开K1,K2,接通稳压电源调节其输出,使U a为15V,U g为4V,合上K3,灯亮后再切断K3,调节稳压电源使U a下降到零,然后再提高U a的电压到15V,观察灯亮否?不亮说明晶闸管关断。
(2)调节U a,,使U a=15V,U g=4V,合上K3灯亮,再断开K3灯仍亮着,合上K1,给C充电到稳定植,然后合上K2,观察灯还亮吗?(3)若改变电容C植,重复上述实验,观察晶闸管能否及时被关断?为什么?五、实验报告:1、根据实验记录判断被测晶闸管的好坏,写出简易判断方法。
2、根据实验内容写出晶闸管导通条件和关断方法。
3、说明关断电容C的作用过程及电容值大小对关断时间的影响。
实验一晶闸管的简易测试及导通关断条件实验1.实验目的:1.掌握晶闸管的简易测试方法;2.验证晶闸管的导通条件及关断方法。
2.实验电路见图1-1。
1.实验设备:1.自制晶闸管导通与关断实验板2.0~30V直流稳压电源3.万用表4. 1.5V×3干电池5.好坏晶闸管2.实验内容及步骤:1.鉴别晶闸管好坏见图1-2所示,将万用表置于R×1位置,用表笔测量G、K之间的正反向电阻,阻值应为几欧~几十欧。
一般黑表笔接G,红表笔接K时阻值较小。
由于晶闸管芯片一般采用短路发射极结构(即相当于在门极与阴极之间并联了一个小电阻),所以正反向阻值差别不大,即使测出正反向阻值相等也是正常的。
接着将万用表调至R×10K档,测量G、A与K、A之间的阻值,无论黑表笔与红表笔怎样调换测量,阻值均应为无穷大,否则,说明管子已经损坏。
1.检测晶闸管的触发能力检测电路如图所示。
外接一个4.5V电池组,将电压提高到6~7.5V(万用表内装电池不同)。
将万用表置于0.25~1A档,为保护表头,可串入一只R=4.5V/I档Ω的电阻(其中:I档为所选择万用表量程的电流值)。
电路接好后,在S处于断开位置时,万用表指针不动;然后闭合S(S可用导线代替),使门极加上正向触发电压,此时,万用表指针应明显向右偏,并停在某一电流位置,表明晶闸管已经导通。
接着断开开关S,万用表指针应不动,说明晶闸管触发性能良好。
1.检测晶闸管的导通条件:1.首先将S1~S3断开,闭合S4,加上30V正向阳极电压,然后让门极开路或接一4.5V电压,观看晶闸管是否导通,灯泡是否亮。
2.加30V反向阳极电压,门极开路、接-4.5V或接+4.5V电压,观察晶闸管是否导通,灯泡是否亮。
3.阳极、门极都加正向电压,观看晶闸管是否导通,灯泡是否亮。
4.灯亮后去掉门极电压,看灯泡是否亮;再加-4.5V反向门极电压,看灯泡是否继续亮,为什么?2.晶闸管关断条件实验1.接通正30V电源,再接通4.5V正向门极电压使晶闸管导通,灯泡亮,然后断开门极电压。
晶闸管驱动电路实验报告1. 实验目的本实验旨在通过搭建晶闸管驱动电路,了解晶闸管的工作原理,并能够控制晶闸管的导通和关断。
2. 实验原理晶闸管是一种电流控制型的电子器件,常用于电源控制和电机驱动等领域。
其基本结构包括控制极、阳极和阴极三个引脚。
晶闸管的导通和关断取决于控制极电流的大小。
晶闸管驱动电路的主要作用是提供一个控制极电流源,通过控制该电流源的大小,来控制晶闸管的导通和关断。
3. 实验器材和元器件- 晶闸管- 电阻- 电源- 示波器- 开关4. 实验步骤1. 按照电路图连接晶闸管驱动电路。
电路图如下:VccR1Control > GateR2GND2. 将示波器的探头连接到晶闸管的阳极,以测量电流的变化。
3. 打开电源,调整电源电压并稳定。
4. 在控制极和地之间接入一个开关,用于控制控制极电流的开关状态。
5. 当开关关闭时,测量并记录晶闸管处于关断状态时的电压。
6. 打开开关,测量并记录晶闸管处于导通状态时的电压。
7. 根据测量结果分析晶闸管的导通和关断状态。
5. 实验结果与分析经过实验测量,记录如下:开关状态控制极电流晶闸管电压关闭0A 0V打开10mA 0.7V根据测量结果可以看出,当控制极电流为0A时,晶闸管处于关断状态,此时晶闸管不存在导通。
而当控制极电流为10mA时,晶闸管处于导通状态,电压为0.7V。
晶闸管的导通和关断状态取决于控制极电流的大小,当控制极电流超过一定阈值时,晶闸管会导通,将允许较大的电流通过。
在本实验中,通过控制极的电流为10mA,达到了使晶闸管导通的阈值。
6. 实验结论通过本实验,我们成功搭建了晶闸管驱动电路,并成功地控制了晶闸管的导通和关断。
实验结果证明了晶闸管的导通和关断取决于控制极电流的大小。
晶闸管驱动电路在电源控制和电机驱动等领域有广泛的应用,本实验对于理解晶闸管的原理和工作方式具有重要的意义。
7. 参考文献参考文献内容。
实验一晶闸管的简易测试及导通关断条件实验
1. 实验目的
1)掌握晶闸管的简易测试方法;
2)验证晶闸管的导通条件及关断方法。
3)实验电路见图1-1。
2. 实验设备
1)自制晶闸管导通与关断实验板2)0~30V直流稳压电源(泽东楼408室MOTECH LPS -305可编程直流稳压电源)3)万用表(指针式或者数字式)4)1.5V×3干电池(可选)5)好坏晶闸管
(a)(b)
图1-1 晶闸管导通与关断条件实验电路
图1-2 判别晶闸管好坏图1-3 检测晶闸管触发能力
3.实验内容及步骤
自制好实验用电路板,每组至少一块,可选择图1-1的(a)或者(b)。
用指针式万用表检测
1)鉴别晶闸管好坏
见图1-2所示,置于R×1位置,用表笔测量G、K之间的正反向电阻,阻值应为几欧~几十欧。
一般黑表笔接G,红表笔接K时阻值较小。
由于晶闸管芯片一般采用短路发射极结
构(即相当于在门极与阴极之间并联了一个小电阻),所以正反向阻值差别不大,即使测出正反向阻值相等也是正常的。
接着将万用表调至R×10K档,测量G、A与K、A之间的阻值,无论黑表笔与红表笔怎样调换测量,阻值均应为无穷大,否则,说明管子已经损坏。
2)检测晶闸管的触发能力
检测电路如图所示。
外接一个4.5V电池组,将电压提高到6~7.5V(万用表内装电池不同)。
将万用表置于0.25~1A档,为保护表头,可串入一只R=4.5V/I档Ω的电阻(其中:I档为所选择万用表量程的电流值)。
电路接好后,在S处于断开位置时,万用表指针不动;然后闭合S(S可用导线代替),使门极加上正向触发电压,此时,万用表指针应明显向右偏,并停在某一电流位置,表明晶闸管已经导通。
接着断开开关S,万用表指针应不动,说明晶闸管触发性能良好。
3)检测晶闸管的导通条件:
1. 首先将S1~S3断开,闭合S4,加上30V正向阳极电压,然后让门极开路或接一4.5V 电压,观看晶闸管是否导通,灯泡是否亮。
2. 加30V反向阳极电压,门极开路、接-4.5V或接+4.5V电压,观察晶闸管是否导通,灯泡是否亮。
3. 阳极、门极都加正向电压,观看晶闸管是否导通,灯泡是否亮。
4. 灯亮后去掉门极电压,看灯泡是否亮;再加-4.5V反向门极电压,看灯泡是否继续亮,为什么?
4)晶闸管关断条件实验
1. 接通正30V电源,再接通4.5V正向门极电压使晶闸管导通,灯泡亮,然后断开门极电压。
2. 去掉30V阳极电压,观察灯泡是否亮。
3. 接通30V正向阳极电压及正向门极电压使灯亮,然后闭合S1,断开门极电压。
然后接通S2,看灯泡是否熄灭。
4. 再把晶闸管导通,断开门极电压,然后闭合S3,再立即打开S3,观察灯泡是否熄灭。
5. 断开S4,再使晶闸管导通,断开门极电压。
逐渐减小阳极电压,当电流表指针由某值突然降到零时刻值就是被测晶闸管的维持电流。
此时若再升高阳极电压,灯泡也不再发亮,说明晶闸管已经关断
如果使用图1-1(b)测试,则可使用直流稳压电源提供6V直流电源进行。
要求测试分别加5.8V、6V、6.2V、7V、8V、8.5V进行测试。
分别测试当没按下K和按下K后,观察两吸串联的发光二极管是否点亮?并根据不同电压观察发光二极管的亮度情况。
同时要求用万用表的直流电压档的10V档和2.5V档测量导通后晶闸管的管压降,并记录数据。
用数字式万用表检测
1)判别单向晶闸管的电极
在单向晶闸管的控制极G与阴极K之间有一个PN结,而在阳极与控制极G之间有两个反向串联的PN结。
我们就是以此为依据来判定晶闸管的电极。
将数字式万用表置于二极管测试挡,用红表笔接某一电极引脚,黑表笔分别接触另外两个电极引脚。
如果其中有一次显示电压为零点几伏,说明这时红表笔接的是控制极G,黑表笔接的是阴极K,剩下的一个则是阳极A。
假如两次都显示溢出符号“1”,说明红表笔接的不是控制极G,需更换其他电极引脚重新测试。
用这个方法就能够判别出单向晶闸管的三个电极引脚。
2)检测单向晶闸管的触发功能
方法一:用电阻挡检测
(1)将数字万用表置于电阻20kΩ挡,红表笔接阳极A,黑表笔接阴极K,把控制极G悬空,此时
晶闸管截止,万用表显示溢出符号“1”,如图1-4(a)所示。
(2)然后在红表笔与阳极A保持接触的同时,用它的笔尖接触一下控制极G(将A极与G极短接一下),给晶闸管加上正触发电压,晶闸管立即导通,显示值减小到几百欧至几千欧,如图1-4(b)所示。
若显示值不变,说明晶闸管已损坏。
注意:数字式万用表的电阻挡测试电压很低,电流也很小,测试时提供的阳极电压和触发电压较低,一旦把控制极G的触发电压撤除,晶闸管将无法维持导通状态,万用表又恢复到显示溢出符号“1”,这属于正常现象。
(a)(b)
图1-4
方法二:用hFE测试挡检测
(1)将数字万用表拨至hFE测试的NPN挡,此时hFE插座上的c插孔带正电,E插孔带负电,对于DT830型数字式万用表而言,C-E插孔之间的电压为2.8V。
把单向晶闸管的阳极A插入、C插孔、阴极K插入E插孔,控制极G悬空。
此时晶闸管截止,万用表显示“000”(2)用镊子把控制极G的引脚与插入E插孔的阳极A引脚短路一下,万用表显示值马上从“000”开始迅速增加,直到显示溢出符号“1”,如图1-5所示。
这是因为控制极G接正电压后,单向晶闸管被触发迅速导通,阳极电流从零急剧增大,使hFE测试挡过载,所以万用表的显示值从“000”变为溢出符号“1”。
(3)撤除控制极G与阳极A引脚的短路状态.万用表仍显示溢出符号“1”,说明晶闸管在撤去触发电压后仍然保持导通状态。
注意事项: (1)如果使用PNP挡来测试单向晶闸管,阳极A应插入E插孔,阴极K插入C 插孔,以确保所加的为正向电压。
(2)晶闸管导通时,阳极电流可达几十毫安。
检测时应尽量缩短测试时间,以节省表内9V叠层电池的消耗。
图1-5
4.实验报告要求
1)总结导通条件及关断条件。
2)总结简易判断晶闸管好坏的方法。
3)计算图1-1(b)中触发导通时流过晶闸管的电流,并回答加上不同直流电压时发光二极管的亮暗情况产生的原因。
附表一:实验一考核评分点
学生姓名:班级:课程名称:小组成员:带队教师:实训日期:。