北京_热负荷计算书
- 格式:xls
- 大小:45.01 KB
- 文档页数:3
冷风渗透耗热量估算单位房间单位换气次数nk定压比热cp(kJ/(kg.℃)tw、下的空气密度ρw(kg/m3)室内计算温度tn(℃)供暖室外计算温度tw(℃)室内外计算温度差tn-tw(℃)体积Q2一层南向单间0.3 1 1.398 18 -2 20 66.00 554 北向单间0.3 1 1.398 18 -2 20 46.00 388其它层南向单间0.3 1 1.398 18 -2 20 85 720 北向单间0.3 1 1.398 18 -2 20 60 504房间热负荷汇总表一层房间编号围护结构传热系数室内外计算温度差基本耗热量修正后耗热量冷风渗透耗热量总耗热量墙体面积K tn-tw、Q1j、Q、Q2 Q ㎡w/(㎡*K) ℃w w w w小休息南墙7.875 1.95 20 307.13 245.7555 南窗 1.575 5.7 20 179.55 143.64东墙18.9 1.95 20 737.1 700.245楼板24.5 0.5 20 245 245 1889.585 南侧标准间南墙7.875 1.95 22 337.8375 270.27555 南窗 1.575 5.7 22 197.505 158.004楼板24.5 0.5 22 269.5 269.5 1252.774 西侧询问间南墙7.875 1.95 22 337.8375 270.27555 南窗 1.575 5.7 22 197.505 158.004西墙18.9 1.95 22 810.81 770.2695楼板24.5 0.5 18 220.5 220.5 1974.044 厕所北外墙16.2 1.95 18 568.62 568.62778 北外窗2.7 5.7 18 277.02 277.02西外墙13.23 1.95 18 464.373 441.15435楼板34.3 0.5 20 343 343 2407.794 大休北外16.2 1.95 20 631.8 631.8 778息间墙北窗 2.7 5.7 20 307.8 307.8楼板34.3 0.5 20 343 343 2060.6交通厅北外墙8.1 1.95 18 284.31 284.31389北窗 1.35 5.7 18 138.51 138.51楼板17.15 0.5 18 154.35 154.35 996.17复印北墙8.1 1.95 20 315.9 315.9389北窗 1.35 5.7 20 153.9 153.9楼板17.15 0.5 20 171.5 171.5 1030.3洽谈北墙24.3 1.95 20 947.7 947.71167北窗 4.05 5.7 20 461.7 461.7楼板51.45 0.5 20 514.5 514.5 3090.9盥洗淋浴北墙8.1 1.95 22 347.49 347.49389北窗 1.35 5.7 22 169.29 169.29东墙13.23 1.95 22 567.567 539.18865楼板17.15 0.5 22 188.65 188.65 1633.619大门厅南外墙56.7 1.95 18 1990.17 1592.1363330南幕墙73.5 5.7 18 7541.1 6032.88楼板147 0.5 18 1323 1323 12278.02二层副检长南墙14.98 1.95 20 584.22 467.3761440 南窗8.82 5.7 20 1005.48 804.384东墙24.5 1.95 20 955.5 907.725 3619.485 南侧标准间南墙7.49 1.95 22 321.321 257.0568720 南窗 4.41 5.7 22 553.014 442.4112 1419.468西侧间南墙7.49 1.95 22 321.321 257.0568720 南窗 4.41 5.7 22 553.014 442.4112西墙24.5 1.95 22 1051.05 998.4975 2417.966 厕所北外墙14.98 1.95 18 525.798 525.7981008 北外窗8.82 5.7 18 904.932 904.932西外墙17.15 1.95 18 601.965 571.86675 3010.597大休息间北外墙14.98 1.95 20 584.22 584.221008 北窗8.82 5.7 20 1005.48 1005.48 2597.7 交通厅北外墙29.96 1.95 18 1051.596 1051.5961512 北窗17.68 5.7 18 1813.968 1813.968 4377.564复印北墙7.49 1.95 20 292.11 292.11504北窗 4.42 5.7 20 503.88 503.88 1299.99小休息北墙7.49 1.95 20 292.11 292.11504北窗 4.42 5.7 20 503.88 503.88 1299.99小会议北墙14.98 1.95 22 642.642 642.6421008北窗8.82 5.7 22 1106.028 1106.028东墙17.15 1.95 22 735.735 698.94825 3455.618三层小休息南墙14.98 1.95 20 584.22 467.3761440 南窗8.82 5.7 20 1005.48 804.384东墙24.5 1.95 20 955.5 907.725 3619.485 南侧标准间南墙7.49 1.95 22 321.321 257.0568720 南窗 4.41 5.7 22 553.014 442.4112 1419.468院办南墙7.49 1.95 22 321.321 257.0568720 南窗 4.41 5.7 22 553.014 442.4112西墙24.5 1.95 22 1051.05 998.4975 2418 幕副检南幕墙24.5 5.7 22 3072.3 2457.84 1440 3898 中会议南幕墙36.75 5.7 20 4189.5 3351.6 2160 5512 厕所北外墙14.98 1.95 18 525.798 525.7981008 北外窗8.82 5.7 18 904.932 904.932西外墙17.15 1.95 18 601.965 571.86675 3010大休息间北外墙14.98 1.95 20 584.22 584.221008 北窗8.82 5.7 20 1005.48 1005.48 2598洽谈北外墙22.47 1.95 18 788.697 788.6971512 北窗13.23 5.7 18 1357.398 1357.398 3658 复印北墙7.49 1.95 20 292.11 292.11504 北窗 4.41 5.7 20 502.74 502.74 1299交通厅北墙7.49 1.95 20 292.11 292.11504 北窗 4.41 5.7 20 502.74 502.74 1299小会议北墙14.98 1.95 22 642.642 642.6421008 北窗8.82 5.7 22 1106.028 1106.028东墙17.15 1.95 22 735.735 698.94825 3456四五层东侧间南墙7.49 1.95 20 292.11 233.688720 南窗 4.41 5.7 20 502.74 402.192东墙24.5 1.95 20 955.5 907.725 2264 南侧南墙7.49 1.95 22 321.321 257.0568 720标准间南窗 4.41 5.7 22 553.014 442.4112 1420西侧间南墙7.49 1.95 22 321.321 257.0568720南窗 4.41 5.7 22 553.014 442.4112西墙24.5 1.95 22 1051.05 998.4975 2418南侧墙幕南幕墙12.25 5.7 22 1536.15 1228.92 720 1949厕所北外墙14.98 1.95 18 525.798 525.7981008北外窗8.82 5.7 18 904.932 904.932西外墙17.15 1.95 18 601.965 571.86675 3111洽谈北外墙22.47 1.95 18 788.697 788.6971512北窗13.23 5.7 18 1357.398 1357.398 3658交通厅北墙7.49 1.95 20 292.11 292.11504北窗 4.41 5.7 20 502.74 502.74 1299小会议北墙14.98 1.95 22 642.642 642.6421008北窗8.82 5.7 22 1106.028 1106.028东墙17.15 1.95 22 735.735 698.94825 3456六层档案库南墙29.96 1.95 20 1168.44 934.7522880 南窗17.64 5.7 20 2010.96 1608.768东墙24.5 1.95 20 955.5 907.725 6331 南侧标准间南墙7.49 1.95 22 321.321 257.0568720 南窗 4.41 5.7 22 553.014 442.4112 1420乒乓球室南墙22.47 1.95 22 963.963 771.17042160 南窗13.23 5.7 22 1659.042 1327.2336西墙24.5 1.95 22 1051.05 998.4975 5257 图书资料南墙14.98 1.95 22 642.642 514.11361440 南窗8.82 5.7 20 1005.48 804.384 2758厕所北外墙14.98 1.95 18 525.798 525.7981008 北外窗8.82 5.7 18 904.932 904.932西外墙17.15 1.95 18 601.965 571.86675 3111棋牌北外墙14.98 1.95 20 584.22 584.221008 北窗8.82 5.7 20 1005.48 1005.48 2597 健身北外墙22.47 1.95 18 788.697 788.697 1512北窗13.23 5.7 18 1357.398 1357.398 3658阅档室北墙7.49 1.95 20 292.11 292.11504北窗 4.41 5.7 20 502.74 502.74 1299交通厅北墙7.49 1.95 20 292.11 292.11504北窗 4.41 5.7 20 502.74 502.74 1299档案室北墙22.47 1.95 22 963.963 963.9631512北窗13.23 5.7 22 1659.042 1659.042东墙17.15 1.95 22 735.735 698.94825 4834。
引言概述:本文旨在对某住宅楼的热负荷进行计算。
热负荷计算是对建筑物在不同季节和不同工作状态下所需热量的评估,以便设计合适的供暖、通风和空调系统。
准确的热负荷计算可以帮助设计师合理选择设备,并确保室内环境的舒适性和能源效益。
正文内容:【大点1:建筑物尺寸与结构】1.1建筑物平面尺寸测量和记录1.2建筑物立面尺寸测量和记录1.3建筑物结构材料和厚度分析1.4建筑物外墙和屋顶的保温情况分析1.5建筑物窗户的数量、尺寸和材料分析【大点2:室内热负荷计算】2.1建筑物室内空间的分类和分区2.2室内空间的长、宽、高测量和记录2.3室内空间的墙面、地板和天花板的热传导系数计算2.4人员、照明、设备和电器的热负荷计算2.5室内空间的采暖、通风和空调系统的热负荷计算【大点3:室外环境影响因素考虑】3.1建筑物所处地区的气象数据收集和分析3.2太阳辐射、风向和风速的数据收集和分析3.3地表温度和地下水温度的数据收集和分析3.4室外空气的温度、湿度和露点温度的计算3.5室外环境对室内热负荷的影响因素的综合分析【大点4:热负荷计算方法】4.1热负荷计算基础理论的概述4.2热负荷计算的常用方法和标准4.3传导、对流和辐射的热传递计算方法4.4室内空间的温度分布和热负荷分布的计算4.5夏季和冬季热负荷计算的示例和结果分析【大点5:热负荷计算结果的应用】5.1热负荷计算结果的总结和分析5.2热负荷计算结果在建筑设计中的应用5.3热负荷计算结果对供暖、通风和空调系统的设计的影响5.4热负荷计算结果对建筑能效的评估和改进的意义5.5热负荷计算结果的应用对环境保护和可持续发展的贡献总结:本文详细介绍了某住宅楼热负荷计算的过程和方法。
通过对建筑物尺寸与结构、室内热负荷、室外环境影响因素、热负荷计算方法以及热负荷计算结果的阐述,可以确保热负荷计算的准确性和有效性。
热负荷计算的结果对建筑设计、供暖、通风和空调系统的设计以及建筑能效评估都具有重要的参考价值。
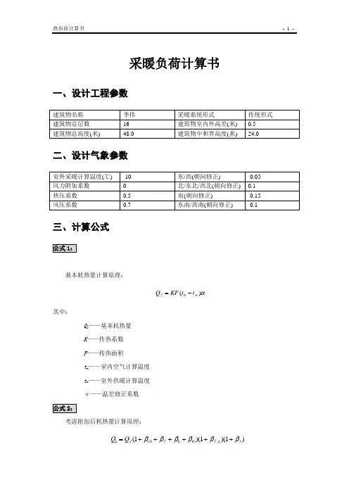
采暖负荷计算书一、设计工程参数二、设计气象参数三、计算公式基本耗热量计算原理:α)(w n j t t KF Q -=其中:Q j ——基本耗热量 K ——传热系数 F ——传热面积t n ——室内空气计算温度 t w ——室外供暖计算温度 α——温差修正系数考虑附加后耗热量计算原理:)1)(1)(1(.1j g f m li f ch j Q Q ββββββ++++++=其中:Q 1 ——考虑各项附加后,某围护的耗热量 Q j ——某围护的基本耗热量βch ——朝向修正 βf ——风力修正 βli ——两面外墙修正 βm ——窗墙面积比过大 βfg ——房高附加 βj ——间歇附加通过外门冷风渗透耗热量计算)(28.02nw n p t t L c Q -=ρ其中:Q 2——通过外门冷风渗透耗热量c p ——室外温度下空气比热容 ρ——室外温度下空气密度 L ——渗透空气体积流量渗透冷空气量的计算:b m l L L 10=0L ——在基准高度单独风压作用下,不考虑朝向修正和建筑物内部隔断情况时,通过每米门窗缝隙进入室内的理论渗透空气量;1l ——外门窗缝隙的长度m ——风压与热压作用下,共同考虑建筑体形,内部隔断和空气流通等因素后,不通朝向,不同高度的门窗冷风渗透差压综合修正系数; b ——门窗渗风系数;通过每米门窗缝隙进入室内的理论渗透空气量:bwn v a L ⎪⎭⎫ ⎝⎛=20102ρ1a ——外门窗缝隙渗风系数0v ——基准高度冬季室外最多风向的平均风速;冷风渗透压差综合修正系数:h b f r C C n C C m )(/1+∆=C r ——热压系数f C ∆——风压差系数C ——作用于门窗上的有效热压差和风压差之比h C ——高度修正系数h ——计算门窗的中心线标高有效热压差与有效风压差之比:n wn n f z t t t h v C hh C +-⋅∆-=27370'4.020z h ——单纯热压作用下,建筑物中和面的标高mn t '——建筑物内形成热压作用的竖井温度;通过外门冷风侵入耗热量计算Q 3=Q j *βkq其中:Q 3——通过外门冷风侵入耗热量 Q j ——某围护的基本耗热量βkq ——外门开启外门开启冲入冷风耗热量附加率,参见[2]p128表4.1-12四、计算结果建筑物总热负荷W:333685.7建筑物热指标W/m^2: 47.01层热负荷:110332.7房间号设计室内温度℃设计采暖负荷W 散热器1001 18 3437.7 0片1002 18 3008.2 0片1003 18 3008.2 0片1004 20 3683.3 0片1005 20 4096.0 0片1006 20 4096.0 0片1007 20 3012.1 0片1008 20 3012.1 0片1009 18 3331.7 0片1010 18 2635.7 0片1011 20 4096.0 0片1012 20 3538.9 0片1013 20 6144.2 0片1014 20 3072.1 0片1015 20 3635.8 0片1016 10 3231.7 0片1017 40 2036.4 0片1018 14 3828.5 0片1019 20 1687.9 0片1020 16 1082.3 0片1021 16 839.5 0片1022 20 3263.2 0片1023 20 2838.1 0片1024 14 3828.5 0片1025 20 1557.0 0片1026 20 1557.0 0片1027 20 1557.0 0片1028 20 1557.0 0片1029 20 3166.3 0片1030 25 134.8 0片1031 25 134.8 0片1032 25 134.8 0片1033 25 134.8 0片1034 16 839.5 0片1035 16 1095.1 0片1036 18 574.1 0片1037 20 1687.9 0片1038 20 1687.9 0片1039 14 3828.5 0片1040 18 3314.9 0片1041 18 3744.3 0片1042 14 7183.1 0片2层热负荷:74632.1房间号设计室内温度℃设计采暖负荷W 散热器2001 18 4204.1 0片2002 18 3807.7 0片2003 20 2901.0 0片2004 20 5256.5 0片2005 20 4079.6 0片2006 20 4593.8 0片2007 20 2554.0 0片2008 20 4593.8 0片2009 20 4593.8 0片2010 20 2751.1 0片2011 20 2236.9 0片2012 16 1229.1 0片2013 20 2553.6 0片2014 16 968.4 0片2015 16 725.7 0片2016 20 2778.8 0片2017 20 2353.8 0片2018 16 1229.1 0片2019 20 1105.2 0片2020 20 1105.2 0片2021 20 1105.2 0片2022 20 2273.3 0片2023 16 725.7 0片2024 16 968.4 0片2025 16 350.2 0片2026 18 2196.8 0片2027 16 1229.1 0片2028 18 4572.0 0片2029 14 5206.3 0片2030 25 95.9 0片2031 25 95.9 0片2032 25 95.9 0片2033 25 95.9 0片3层热负荷:62672.8房间号设计室内温度℃设计采暖负荷W 散热器3001 20 1275.7 0片3002 20 909.9 0片3003 20 909.9 0片3004 20 909.9 0片3005 20 909.9 0片3006 20 909.9 0片3007 20 909.9 0片3008 20 1352.7 0片3009 20 1275.7 0片3010 20 909.9 0片3011 20 909.9 0片3012 20 909.9 0片3013 20 909.9 0片3014 20 909.9 0片3015 20 909.9 0片3016 20 1352.7 0片3017 20 1275.7 0片3018 20 909.9 0片3019 20 909.9 0片3020 20 909.9 0片3021 20 909.9 0片3022 20 909.9 0片3023 20 909.9 0片3024 20 1352.7 0片3025 20 1444.2 0片3026 20 1001.4 0片3027 20 1001.4 0片3028 20 1318.2 0片3029 16 1229.1 0片3030 20 1318.2 0片3031 20 1001.4 0片3032 16 1095.9 0片3033 16 778.9 0片3034 25 664.8 0片3035 25 1025.7 0片3036 16 96.5 0片3037 25 255.6 0片3038 16 131.7 0片3039 20 1001.4 0片3040 20 1318.2 0片3041 16 1229.1 0片3042 20 1105.2 0片3043 20 1105.2 0片3044 20 1105.2 0片3045 20 1105.2 0片3046 25 1025.7 0片3047 25 664.8 0片3048 16 96.5 0片3049 25 255.6 0片3050 25 255.6 0片3051 16 1095.9 0片3052 16 778.9 0片3053 20 1001.4 0片3054 20 1318.2 0片3055 16 1229.1 0片3056 20 1318.2 0片3057 20 1001.4 0片3058 20 1001.4 0片3059 20 1444.2 0片3060 14 5206.3 0片3061 25 95.9 0片3062 25 95.9 0片3063 25 95.9 0片3064 25 95.9 0片4层热负荷:0.0房间号设计室内温度℃设计采暖负荷W 散热器5层热负荷:0.0房间号设计室内温度℃设计采暖负荷W 散热器6层热负荷:0.0房间号设计室内温度℃设计采暖负荷W 散热器7层热负荷:0.0房间号设计室内温度℃设计采暖负荷W 散热器8层热负荷:0.0房间号设计室内温度℃设计采暖负荷W 散热器9层热负荷:0.0房间号设计室内温度℃设计采暖负荷W 散热器10层热负荷:0.0房间号设计室内温度℃设计采暖负荷W 散热器11层热负荷:0.0房间号设计室内温度℃设计采暖负荷W 散热器12层热负荷:0.0房间号设计室内温度℃设计采暖负荷W 散热器13层热负荷:0.0房间号设计室内温度℃设计采暖负荷W 散热器14层热负荷:0.0房间号设计室内温度℃设计采暖负荷W 散热器15层热负荷:83391.2房间号设计室内温度℃设计采暖负荷W 散热器15001 20 1622.7 0片15002 20 1256.9 0片15003 20 1256.9 0片15004 20 1256.9 0片15005 20 1256.9 0片15006 20 1256.9 0片15007 20 1256.9 0片15008 20 1699.7 0片15009 20 1622.7 0片15010 20 1256.9 0片15011 20 1256.9 0片15012 20 1256.9 0片15013 20 1256.9 0片15014 20 1256.9 0片15015 20 1256.9 0片15016 20 1699.7 0片15017 20 1622.7 0片15018 20 1256.9 0片15019 20 1256.9 0片15020 20 1256.9 0片15021 20 1256.9 0片15022 20 1256.9 0片15023 20 1256.9 0片15024 20 1699.7 0片15025 20 1791.2 0片15026 20 1348.5 0片15027 20 1348.5 0片15028 20 1665.2 0片15029 16 1433.7 0片15030 20 1665.2 0片15031 20 1348.5 0片15032 16 1396.6 0片15033 16 1079.6 0片15034 25 798.8 0片15035 25 1234.9 0片15036 16 166.9 0片15037 25 442.2 0片15038 16 227.8 0片15039 20 1348.5 0片15040 20 1665.2 0片15041 16 1433.7 0片15042 20 1418.7 0片15043 20 1418.7 0片15044 20 1418.7 0片15045 20 1418.7 0片15046 25 1234.9 0片15047 25 798.8 0片15048 16 166.9 0片15049 25 442.2 0片15050 25 442.2 0片15051 16 1396.6 0片15052 16 1079.6 0片15053 20 1348.5 0片15054 20 1665.2 0片15055 16 1433.7 0片15056 20 1665.2 0片15057 20 1348.5 0片15058 20 1348.5 0片15059 20 1791.2 0片15060 14 7961.7 0片15061 25 151.6 0片15062 25 151.6 0片15063 25 151.6 0片15064 25 151.6 0片16层热负荷:2656.9房间号设计室内温度℃设计采暖负荷W 散热器16001 10 2656.9 0片五、围护结构参数5.1 1层1004房间:1026房间:1041房间:5.2 2层2011房间:5.3 3层。
资料范本本资料为word版本,可以直接编辑和打印,感谢您的下载热负荷计算方法地点:__________________时间:__________________说明:本资料适用于约定双方经过谈判,协商而共同承认,共同遵守的责任与义务,仅供参考,文档可直接下载或修改,不需要的部分可直接删除,使用时请详细阅读内容围护物的基本耗热量Qj的计算通过供暖房间某一面围护物的温差传热量(也称围护物的基本耗热量)Qτ(W),按下式计算:Qj=k·F·(tn-tw) ·a(1.1)式中:k—该围护物的传热系数,W/(㎡·℃);F—该面围护物的散热面积,㎡;tn—室内空气计算温度,℃;tw—供暖室外计算温度,℃;a—温差修正系数。
外墙,屋顶的热桥计算外墙、屋顶的传热系数当考虑梁、楼板、柱等的热桥影响时,采用外墙平均传热系数Km。
按规定,取各成分面积的加权平均值。
地面传热计算当围护物是贴土的非保温地面时,其温差传热量Qj.d(W)用下式计算:Qj.d=kpj.d ·Fd·(tn-tw)(1.2)式中:kpj.d—非保温地面的平均传热系数,W/(㎡·℃);Fd—房间地面总面积,㎡。
附加耗热量附加耗热量按基本耗热量的百分数计算。
考虑了各项附加后,某面围护物的传热耗热量Q1(W):Q1=Qj ·(1+βch+βf+βlang+βm)(1+βfg)(1+βjian)(2.1)式中:Qj—该围护物的基本耗热量,W;βch—朝向修正;βf—风力修正;βlang—两面外墙修正;βm—窗墙面积比过大修正;βfg—房高修正;βjian—间歇附加。
通过门、窗缝隙的冷风渗透耗热量Q2(W)Q2 = 0.28 · Cp ·V · ρw· (tn - tw)(3.1)式中:Cp—干空气的定压质量比热容, Cp = 1.0 Kj / (Kg·℃);V—渗透空气的体积流量, m^3 / h;ρw—室外温度下的空气密度,Kg / m^3;tn—室内空气计算温度, ℃;tw—室外供暖计算温度, ℃。
燃气锅炉计算书一、设计资料:1. 热负荷资料:供暖热负荷为12Mw ,由热水锅炉房供给的95/70℃的热水供暖,系统工作压力为0.7Mpa 。
2.应用基低位发热量:kg kJ Q ydw /9.35078=;3/7694.0m kg =ρ3. 水质资料:原水水质指标如下:总硬度:5.3mmol/L ;碳酸盐硬度:5.0mmol/L ;非碳酸盐硬度:0.3mmol/L 总碱度:2.1mmol/L ;溶解氧:5.8mg/L ;PH 值:7.0;含盐量:259mg/L4. 气象资料:供暖室外计算温度:-5℃;供暖室外平均温度:1.1℃;供暖天数:120天 冬季室外平均风速:1.9m/s ;主导风向:东北风;大气压力:97.86kPa二、设计计算:1. 最大计算热负荷:010max Q K K Q ==1.08×1×12 =12.96 (MW)式中:K 0-热水管网的热损失系数,取1.08;K 1-供暖热负荷同期使用系数,取1; Q 0-供暖最大热负荷,kW 。
2.供暖平均热负荷:0'Q t t t t Q wn pjn pj --==12)5(181.118⨯---=8.817 (MW)式中:t w -室外供暖计算温度;t pj -供暖期室外平均温度; t n -供暖室内计算温度。
3. 供暖全年耗热量:120360024⨯⨯⨯=pj a Q Q=8.817×24×3600×120 =91414656 (MJ)三、锅炉类型及台数的选择确定:根据计算结果,选定“北京金象特高锅炉制造有限公司”生产的WNS5.6-95/70-Q 型燃气热水锅炉3台(不设备用),技术参数如下: 1. 额定热功率5.6MW ; 2. 额定工作压力0.7MPa ;3. 额定出水/回水温度95/70℃;4. 设计效率89.6%;5. 锅炉水容积9.35m 3;6. 锅炉本体重量12.6吨。
深入了解采暖与生活热水热负荷的计算一、采暖热负荷的计算1.1 单位体积热指标法计算公式:Qn=a×qn×V×(tn-tw)Qn——采暖热负荷:Wtn——室内空气温度:℃tw——室外供暖计算温度:℃V——建筑体积:m³qn——体积热指标根据建筑的保温情况宜取:0.4W/㎡~0.7W/㎡a——修正系数,请参考表1-1表1-1单位体积热指标法修正系数采暖室外计算温度0℃-5℃-10℃-15℃-20℃-25℃-30℃a 2.462.0 1.74 1.55 1.4 1.3 1.2以上仅为采暖温度计算的估算方式,详细的计算数据需要由房屋建筑商或设计院提供。
1.2单位面积热指标法计算公式:Qn=qn×S×(tn-tw)Qn——采暖热负荷:Wtn——室内空气温度:℃tw——室外供暖计算温度:℃S——建筑面积:㎡qn——面积热指标:W/㎡表2中单位面积热指标数值仅供参考,详细数据需从设计部门或开发商处取得。
表2 单位面积热指标数值建筑物类别单位面积热指标W/㎡住宅45~80节能住宅35~55办公室60~90旅馆60~80图书馆45~75商店65~75单层住宅80~105食堂、餐厅110~140影剧院79~150一、二层别墅100~125此办法计算简单,最为常用。
总建筑面积大、外围结构热工性能好、窗户较小,可采用小指标;反之采用大指标;考虑到房屋的保温性、采暖的普及度等,南方地区的建筑热指标普遍比北方高。
另外,多估算10%的热负荷值对今后系统安全可靠运行有很大帮助。
对于不同的末端采暖形式,应因地制宜的根据其使用特点进行设计。
这个热指标数值仅仅提供参考。
二、生活热水热负荷的计算2.1快速式生活热水供应系统采用独立采暖系统的建筑,如果其生活热水的加热方式为快速式,满足各种用水器具要求所需的热水器最小功率见下表。
用水类型所需加热器的最小功率(kW)使用生活热水的卫生器具冷水温度(℃)1个洗脸盆,洗手盆或淋浴器23191个洗涤盆29251个100L浴盆27271个150L浴盆31261个200L浴盆4235表中所需加热器的最小功率(kW);使用生活热水的卫生器具冷水温度(℃)例如:1个普通淋浴器,冬季使用时,自来水冷水温度为4℃,要求出水被加热到40℃,需要选择热输出为24kW的两用型燃气采暖热水炉。
3.1.0供暖房间热负荷计算表说明采暖房间热负荷计算1 电算表格编制说明1.1 围护结构传热系数K 值按下式计算∑++wn αα/1R /11K =[W/(m 2·℃)](1.1)式中n α ——内表面换热系数[W/(m 2·℃)];w α ——外表面换热系数[W/(m 2·℃)];ΣR——各层热阻之和(m 2·℃/W),其中:各层建筑材料热阻R=δ/(b·λ),δ为材料层的厚度(m),b 为材料层导热系数的修正系数,λ为材料的导热系数[W/(m·℃)];封闭空气间层的热阻k R 按其厚度和方向取值,详见《措施》表11.2.3-4。
1.2 房间采暖热负荷M Q Q ?+?=h f w 21q Q )+(αα (1.2)式中 Q ——房间热负荷(W);Q w ——房间围护结构热负荷(W),见1.3条; Q f ——门窗冷风渗透热负荷(W),见1.4条;α1 ——热源修正系数;α2 ——分户计量住宅户内间歇采暖修正系数;q h ——分户计量住宅通过户间楼板和隔墙的单位面积平均传热量(W/m 2);M ——房间净面积(m 21.3 房间围护结构热负荷Q w 应按下式计算:[]Η?+=∑m w nq t tK F Q θβα)n iiw ((W)(1.3)式中 K i ——各项围护结构的传热系数[W/(m 2·℃)]; F i ——各项围护结构的面积(m 2); t n ——采暖室内计算温度(℃); t wn ——采暖室外计算温度(℃),当计算采暖房间与相邻房间的传热量时,为相邻房间的计算温度;α——外围护结构的朝向修正系数或内围护结构的温差修正系数;β——风力修正系数,取β=1;θ——外门开启附加率; q m ——外门基本耗热量(W)H ——房间(不含楼梯间)高度修正系数。
1.4 门窗冷风渗透热负荷Q f 按下式计算:)(28.0f wn n wn p t t L C Q =ρ (W)(1.4)式中 L ——渗入冷空气量 (m 3/h),按1.5或1.6条确定;C P ——空气的定压比热容,C P =1 kJ/(kg ·℃);ρwn ——采暖室外计算温度下的空气密度 (kg/m 3),t wn =-9℃时,ρwn =1.336kg/m 3;t n ——采暖室内计算温度(℃); t wn ——采暖室外计算温度(℃)。
某住宅楼热负荷计算书1(二)引言概述:该文档旨在针对某住宅楼的热负荷进行详细计算。
通过计算,可以准确评估楼宇的热负荷情况,为合理设计和选择供热设备提供依据。
本文将按照以下五个大点进行阐述。
一、建筑物结构与材料分析:1. 分析建筑物的外墙材料,包括砖混结构、玻璃幕墙等。
2. 研究建筑物的墙体厚度、保温层等参数,以确定墙体的隔热性能。
3. 分析建筑物的屋面结构和材料,考虑热阻和隔热性能。
二、室内空间分区与面积计算:1. 根据建筑平面图,将建筑物分区,如客厅、卧室、浴室等。
2. 计算每个区域的面积,包括墙面积、天花板面积、地面积等。
3. 考虑不同区域的传热特性,如墙面的传热系数、窗户的热传输等。
三、人员与照明设备负荷计算:1. 通过建筑物的功能特点和设计人数,计算人员的热负荷。
2. 考虑各个区域的照明设备功率,计算照明设备的热负荷。
3. 结合人员活动情况和照明使用时间,确定合理的热负荷计算方法。
四、热负荷计算及分析:1. 利用建筑物的热传导方程,计算墙体、屋面和窗户等垂直建筑构件的热负荷。
2. 根据区域的传热性质和面积,计算室内外传热量的热负荷。
3. 考虑建筑物的隔热性能和外部环境条件,进行综合分析和修正。
五、热负荷结果与总结:1. 综合分析建筑物各方面的热负荷计算结果,得出总体热负荷数据。
2. 根据计算结果,评估建筑物的供热设备需求,确定合理的供热方案。
3. 总结热负荷计算的过程和结果,提出改善建议,为建筑物的能效提高提供参考。
总结:本文档以某住宅楼热负荷计算为主题,按照引言概述-正文内容的格式,从建筑物结构与材料分析、室内空间分区与面积计算、人员与照明设备负荷计算、热负荷计算及分析以及热负荷结果与总结等五个大点进行了详细阐述。
通过全面计算与分析,可以为合理设计和选择供热设备提供科学依据。
北京地区年采暖供热负荷的快速计算⼀、问题的提出要计算年采暖热负荷,可利⽤做热负荷延续时间图时的基础资料《采暖热负荷延续表》。
该延续表按某⼀地区采暖季的室外计算温度及其他有关参数逐⼀进⾏填写计算,最后进⾏合计。
此种⽅法资料现成,形象直观,结果较准确,且可得出每⼀温度段的热负荷值,但计算⽐较繁琐。
另外尚有计算年采暖热负荷的其他公式,计算⽐较简便,但没有像以上年采暖热负荷表那样明确和直观。
本⽂结合北京市采暖实际情况,将⼏种公式算法进⾏了推导简化。
另外,特别是据年采暖热负荷表中的计算法则,⾃⾏推导出计算采暖热负荷的公式,从⽽使年采暖热负荷的计算结果更为快捷。
⼆、有关资料介绍要计算年采暖热负荷,以下⼀些资料必须预先收集或了解。
t w0-室外采暖最低计算温度(北京市tw0=-9℃);t wp -室外平均采暖计算温度(北京市twp=-1.6℃);tn-室外温度(℃);F-所需供热⾯积(m2);q-供热热指标(W/m2)。
《城市热⼒⽹设计规范》CJJ34采暖热指标推荐值见下表1所⽰。
表1 采暖节能措施后采暖热指标推荐值q(W/m2)在制作“采暖热负荷延续表”时,还有以下⼏个参数:Ψn-相对温度段内的温度相对⽐(下标n指相应的温度段);由Ψn =(tn-tw)/(tn-tw0)得到。
QΨ-相对温度段内的最⼤采暖单位热负荷,GJ/h;通过QΨ= Q max×Ψn得到;式中Qmax-最⼤采暖热负荷,GJ/h;Qh-相对相对温度段的总采暖热负荷,GJ/h;表2详细收集了北京市采暖期的tw 、Hn、∑Hn等有关资料(可从历年来的⽓象资料中查得)。
并列出的计算公式及其具体计算,以供参考使⽤。
表2 北京市采暖热负荷主要参考资料⼀览表此外,附表1结合实例较详尽的介绍了采暖年热负荷延续表的具体制作及使⽤。
三、采暖年热负荷延续表的实例与制作从附表1中可以看出,对北京市⼀般⼯程来说前⼏列完全⼀样,故本表为制作不同室内温度情况下的采暖热负荷及制作其他城市采暖年热负荷延续表提供了⼀个快捷的模式.结合以上的介绍,以下仅举⼀个实例,以加深对年热负荷延续表具体计算及制作过程的认识。
相对湿度%大气压(Pa)45%
102040
楼号总层数总高度(m)总面积(m2)热负荷(KW)新风热负荷总热负荷(KW)热指标(w/m2)
1号楼1
3
754
19.4
19.4
25.72
Q j K F t n t wn α
Q
工程编号XJGC001建设单位房地产开发公司
北京 热负荷计算书_工程信息及计算依据
一.工程概况
工程名称北京工程总面积(m2)754.00工程总热负荷(KW)19.40设计单位设计院工程地点北京市-北 京校对人日期2011年12月18日
工程热指标(w/m2)25.72
编制人-9
-12
2.8
三.建筑信息
二.室外参数
采暖计算温度 ℃
空调计算温度 ℃
冬季平均风速 m/s
—基本耗热量,W —传热系数,W/(㎡·℃)—计算传热面积,㎡—冬季室内设计温度,℃四.计算依据
1.通过围护结构的基本耗热量计算公式
Q j = aFK(t n - t wn )
—考虑各项附加后,某围护的耗热量
—采暖室外计算温度,℃—温差修正系数2.附加耗热量计算公式
Q = Q j (1 + β
ch + βf + βlang ) ·
(1 + βfg )
Q j βch βf
βlang β
fg
Q Cp p wn V t n t wn
L 0
l 1b m
—某围护的基本耗热量—朝向修正—风力修正—通过门窗冷风渗透耗热量,W
—干空气的定压质量比热容=1.0056kJ/(kg·℃)—采暖室外计算温度下的空气密度,kg/m 3—渗透冷空气量,m 3/h —两面外墙修正—房高附加
3.冷风渗透计算
Q = 0.28·C P ·p wn ·V·(t n - t wn )
—在基准高度单纯风压作用下,不考虑朝向修正和内部隔断的情况时,每米门窗缝隙的理论渗
透冷空气量,m 3/(m·h)
L 0 = a 1 · (p wn · v 02/2)b
a 1—外门窗缝隙渗风系数,m 3/(m·h·Pa b
)当无实测数据时,可根据建筑外窗空气渗透性能分级标准采用
v 0—基准高度冬季室外最多方向的平均风速,m/s —冬季室内设计温度,℃—采暖室外计算温度,℃
(1)通过门窗缝隙的冷风渗透耗热量计算
V = L 0·l 1·m b
C r —热压系数
C f —风压差系数,当无实测数据时,可取0.7n—渗透冷空气量的朝向修正系数C h —高度修正系数
—外门窗缝隙长度,应分别按各朝向计算,m
—门窗缝隙渗风指数,b = 0.56~0.78。
当无实测数据时,可取b=0.67
—风压与热压共同作用下,考虑建筑体型、内部隔断和空气流通因素后,不同朝向、不同高度的门窗冷风渗透压差综合修正系数
m = C r ·C f ·(n 1/b + C)·c h
c h = 0.3·h 0.4
h—计算门窗的中心线标高
C—作用于门窗上的有效热压差与有效风压差之比,按下式计算:
参考书籍
《采暖通风与空气调节设计规范》GB 50019 - 2003
《实用供热空调设计手册(第二版)》
《2003全国民用建筑工程设计技术措施_暖通空调动力》
《2009全国民用建筑工程设计技术措施_暖通空调动力》
设计软件:天正暖通软件(THvac)
鉴定情况:建设部科技计划项目验收证书 建科验字[2008]第053号。