(情绪管理)见证取样单(电渣压力焊)
- 格式:doc
- 大小:538.07 KB
- 文档页数:51
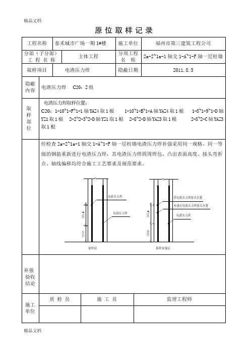
原位取样记录工程名称泰禾城市广场一期1#楼施工单位福州市第三建筑工程公司分部(子分部)工程名称主体工程分项工程名称2a-2~1a-1轴交1-A~1-F轴一层柱墙取样项目电渣压力焊隐蔽日期2011.8.5隐蔽内容电渣压力焊C20:2组取样部位电渣压力焊取样位置:C20:1-10~1-F~1-1轴YAZ4取1根 1-10~1-B~1-A轴YAZ4取1根 1-8~1-9~1-D轴YZ1取1根 2-2~2-3~2-D轴YZ1取1根 2-8~2-D轴YAZ3取1根 2-8~2-C轴YAZ3取1根经检查2a-2~1a-1轴交1-A~1-F轴一层柱墙电渣压力焊补强采用同一规格、同一等级的钢筋重新进行电渣压力焊,其电渣压力焊四周焊包、凸出表面高度、接头弯折点、轴线偏移均符合施工工艺要求及规范要求。
电渣压力焊电渣压力焊补强后电渣压力焊接头位置原电渣压力焊接头位置电渣压力焊取样前取样补强后补强验收结论施工单位质检员施工员监理工程师原位取样记录工程名称泰禾城市广场一期2#楼施工单位福州市第三建筑工程公司分部(子分部)工程名称主体工程分项工程名称十五层柱墙取样项目电渣压力焊隐蔽日期2011.11.23隐蔽内容电渣压力焊C16:1组C18:1组取样部位电渣压力焊取样位置:C16:2-4交2-D轴GJZ1取一根;2-5交2-D轴GJZ3取一根;2-1交1-F轴GAZ2取一根C18:2-9交2-C轴YJZ2取一根;2-5交2-C轴GJZ2取一根;2-5交2-C轴GAZ1取一根经检查十五层柱墙电渣压力焊补强采用同一规格、同一等级的钢筋重新进行电渣压力焊,其电渣压力焊四周焊包、凸出表面高度、接头弯折点、轴线偏移均符合施工工艺要求及规范要求。
电渣压力焊电渣压力焊补强后电渣压力焊接头位置原电渣压力焊接头位置电渣压力焊取样前取样补强后补强验收结论施工质检员施工员监理工程师单位原位取样记录工程名称泰禾城市广场一期2#楼施工单位福州市第三建筑工程公司分部(子分部)工程名称主体工程分项工程名称十六层柱墙取样项目电渣压力焊隐蔽日期2011.11.27隐蔽内容电渣压力焊C16:1组C18:1组取样部位电渣压力焊取样位置:C16:2-4交2-D轴GJZ1取一根;2-5交2-D轴GJZ3取一根;2-1交2-F轴GAZ2取一根C18:2-9交2-C轴YJZ2取一根;2-5交2-C轴GJZ2取一根;2-5交2-C轴GAZ1取一根经检查十六层柱墙电渣压力焊补强采用同一规格、同一等级的钢筋重新进行电渣压力焊,其电渣压力焊四周焊包、凸出表面高度、接头弯折点、轴线偏移均符合施工工艺要求及规范要求。
(情绪管理方法)钢筋电渣力焊作业指导书钢筋电渣压力焊作业指导书中国新兴建设开发总公司中原分公司2006年7月项目名称:郑东新区第一学校小学业主:郑东新区义务教育学校建设项目部编号:02编制人:审批人:接收人:日期:二00六年八月十四日钢筋电渣力焊作业指导书1.标准、工作环境、范围1.1本作业指导书依据设计图纸及JGJ18-96标准而编制1.2本项作业在正常环境下负温﹤-20℃时工作,如遇大风雨应采取有效的遮蔽措施,负温低于-20℃时停止工作。
1.3本作业指导书使用范围为郑东新区第一学校小学现浇砼结构中直径≥16㎜二级钢筋竖向钢筋连接。
2.施工设备2.1材料及主要机器2.1.1钢筋按材料计划要求进场,要有出厂证明书并有复试报告单。
2.1.2焊剂,可采用HJ431焊剂或其它品种焊剂,但必须有产品合格证并符合有关规定要求。
焊剂应存放在干燥的库房内,受潮时使用前须经250-300℃烘焙2h。
使用回收的焊剂清除熔渣和杂物并应与新焊剂混合均匀后使用。
2.1.3机具应准备好自动(或手工)电渣压力焊设备、焊接电源、控制箱、操作箱、焊接机头、焊接夹具、焊剂罐等。
焊接电源采用次级空载电压较(TSV以上)的交流式直流焊接电源。
2.2作业条件2.2.1焊工必须持有效的焊工考试合格证2.2.2焊接夹具应有足够刚度,在最大允许荷载下应移动灵活、操作方便,焊剂罐的直径与所焊钢筋直径相适应,不致在焊接过程中烧坏。
电压表时间显示器应配齐全,以使操作者准确掌握各项焊接参数。
2.2.3当电源、电压下降大于5%,则不宜进行焊接。
2.2.4作业场地应安好防护措施,严格按《建筑施工安全技术规范》有关规定执行。
2.2.5钢筋接头位置应符合设计及砼规范要求。
发现不符合要求的接头位置要处理后才可施焊。
3.操作工艺3.1工艺流程检查设备、电源→钢筋端头制备→选择焊接参数→安装焊接夹具和钢筋→安放铁丝球(也可省去)→安放焊剂罐、填装焊剂→试焊、作试件→确定焊接参数→施焊→回收焊剂→卸下夹具→质量检查3.1.1电渣压力焊的工艺过程闭合电路→引弧→电弧过程→电渣过程→挤压断电3.2检查设备、电源,确保随时处于正常状态,严禁超负荷工作。
见证取样送检委托单建设单位:茶陵县下东房地产开发有限公司302018□□本表一式四份:施工、监理、建设、检测各一份。
见证人和取样人员应对试件的代表性和真实性负责见证取样送检委托单建设单位:茶陵县下东房地产开发有限公司302018□□本表一式四份:施工、监理、建设、检测各一份。
见证人和取样人员应对试件的代表性和真实性负责见证取样送检委托单建设单位:湖南省宏迈置业投资有限公司302018□□本表一式四份:施工、监理、建设、检测各一份。
见证人和取样人员应对试件的代表性和真实性负责见证取样送检委托单建设单位:茶陵县下东房地产开发有限公司302018□□责2006施管-18 见证取样送检委托单建设单位:湖南省宏迈置业投资有限公司302018□□本表一式四份:施工、监理、建设、检测各一份。
见证人和取样人员应对试件的代表性和真实性负责见证取样送检委托单建设单位:湖南省宏迈置业投资有限公司302018□□本表一式四份:施工、监理、建设、检测各一份。
见证人和取样人员应对试件的代表性和真实性负责见证取样送检委托单建设单位:茶陵县教育局302018□□本表一式四份:施工、监理、建设、检测各一份。
见证人和取样人员应对试件的代表性和真实性负责见证取样送检委托单建设单位:茶陵县教育局302018□□本表一式四份:施工、监理、建设、检测各一份。
见证人和取样人员应对试件的代表性和真实性负责见证取样送检委托单建设单位:茶陵县妇幼保健院302018□□本表一式四份:施工、监理、建设、检测各一份。
见证人和取样人员应对试件的代表性和真实性负责见证取样送检委托单建设单位:茶陵县农村信用合作联社302018□□本表一式四份:施工、监理、建设、检测各一份。
见证人和取样人员应对试件的代表性和真实性负责株质安监统编2006施管-18 见证取样送检委托单建设单位:302018□□本表一式四份:施工、监理、建设、检测各一份。
见证人和取样人员应对试件的代表性和真实性负责株质安监统编2006施管-18见证取样送检委托单建设单位:302018□□本表一式四份:施工、监理、建设、检测各一份。
(情绪管理)见证取样单电渣压力焊见证取样单编号:工程名称:样品名称:钢筋电渣压力焊注:此表壹式四份,填写后连同样品壹起送验,且作为交工资料存档。
见证取样单编号:工程名称:万基花园三期二批二标段(30#、31#、32#、33#楼及地下车库)样品名称:电渣压力焊注:此表壹式四份,填写后连同样品壹起送验,且作为交工资料存档。
见证取样单编号:工程名称:万基花园三期二批二标段(30#、31#、32#、33#楼及地下车库)样品名称:电渣压力焊注:此表壹式四份,填写后连同样品壹起送验,且作为交工资料存档。
见证取样单编号:工程名称:万基花园三期二批二标段(30#、31#、32#、33#楼及地下车库)样品名称:电渣压力焊注:此表壹式四份,填写后连同样品壹起送验,且作为交工资料存档。
见证取样单编号:工程名称:万基花园三期二批二标段(30#、31#、32#、33#楼及地下车库)样品名称:电渣压力焊注:此表壹式四份,填写后连同样品壹起送验,且作为交工资料存档。
见证取样单编号:工程名称:万基花园三期二批二标段(30#、31#、32#、33#楼及地下车库)样品名称:电渣压力焊注:此表壹式四份,填写后连同样品壹起送验,且作为交工资料存档。
见证取样单编号:工程名称:万基花园三期二批二标段(30#、31#、32#、33#楼及地下车库)样品名称:电渣压力焊注:此表壹式四份,填写后连同样品壹起送验,且作为交工资料存档。
见证取样单编号:工程名称:万基花园三期二批二标段(30#、31#、32#、33#楼及地下车库)样品名称:电渣压力焊注:此表壹式四份,填写后连同样品壹起送验,且作为交工资料存档。
见证取样单编号:工程名称:万基花园三期二批二标段(30#、31#、32#、33#楼及地下车库)样品名称:电渣压力焊注:此表壹式四份,填写后连同样品壹起送验,且作为交工资料存档。
见证取样单编号:工程名称:万基花园三期二批二标段(30#、31#、32#、33#楼及地下车库)样品名称:电渣压力焊注:此表壹式四份,填写后连同样品壹起送验,且作为交工资料存档。
工程名称鸿泰住宅小区5#楼工程地址城南建设单位修水县新城开发建设管理委员会结构层数框架六层监理单位江西省兴赣建设监理咨询有限公司形象进度/施工单位江西中企建设工程有限公司取样部位储藏室柱试样名称电渣压力焊规格(等级)Ф16、18试样组数2组批量(范围)300个制样日期2017-11-20 试样龄期/生产厂家萍钢焊工证号平锋3604240080087 样品代表部位及取样过程说明:样品由监理单位及建设单位现场见证取样。
建设(监理)单位见证人员签字:年月日施工单位取样人员签字:年月日注:1、见证人须经质监站考核确认备案,见证人更换应重新办理确认和备案手续。
2、见证人和送检方对送检样品真实性和合法性负法律责任。
3、本记录应与该样品报告单同时列入工程施工技术档案之中。
工程名称鸿泰住宅小区5#楼工程地址城南建设单位修水县新城开发建设管理委员会结构层数框架六层监理单位江西省兴赣建设监理咨询有限公司形象进度/施工单位江西中企建设工程有限公司取样部位一层柱试样名称电渣压力焊规格(等级)Ф16试样组数1组批量(范围)300个制样日期2017-12-13 试样龄期/生产厂家萍钢焊工证号平锋3604240080087 样品代表部位及取样过程说明:样品由监理单位及建设单位现场见证取样。
建设(监理)单位见证人员签字:年月日施工单位取样人员签字:年月日注:1、见证人须经质监站考核确认备案,见证人更换应重新办理确认和备案手续。
2、见证人和送检方对送检样品真实性和合法性负法律责任。
3、本记录应与该样品报告单同时列入工程施工技术档案之中。
工程名称鸿泰住宅小区5#楼工程地址城南建设单位修水县新城开发建设管理委员会结构层数框架六层监理单位江西省兴赣建设监理咨询有限公司形象进度/施工单位江西中企建设工程有限公司取样部位二层柱试样名称电渣压力焊规格(等级)Ф16试样组数1组批量(范围)300个制样日期2017-12-29 试样龄期/生产厂家萍钢焊工证号平锋3604240080087 样品代表部位及取样过程说明:样品由监理单位及建设单位现场见证取样。
建筑材料见证取样清单及试验时间协作比:基坑喷锚不收样抹灰砂浆不收样2022.6.14质监站检查素土压实系数0.90-0.95 灰土:0.94-0.97 GB/T50123-1999《土工实验办法标准》水泥GB/T175-2022 按同一生产厂家,同一等级,同一品种,同一批号延续进场的水泥,袋装不超过200t为一批,散装不超过500t 为一批,每批抽样不少于一次,随机的从不少于20袋中取等量水泥,经混拌匀称后,再从中称取不少于12kg的水泥作为试样28d出报告样品状态:无受潮,无结块检测项目:强度,凝聚时光,安定性,标准稠度用水量硅酸盐水泥PI PII 等级:42.5 42.5R 52.5 52.5R 62.5 62.5R一般硅酸盐水泥PO 等级:42.5 42.5R 52.5 52.5R 比表面积矿渣硅酸盐水泥PSA PSB 等级:32.5 32.5R 42.5 42.5R 52.5 52.5R 细度火山灰质硅酸盐水泥PP粉煤灰硅酸盐水泥PF复合硅酸盐水泥PC砌筑水泥M建造生石灰JC/T479-2022《建造生石灰》以班产量或日产量为一批3d出报告按生石灰的加工状况分建造生石灰和建造生石灰粉按生石灰的化学成分分为钙质石灰和镁质石灰两类按照化学成分的含量没类分成各个等级、见下表生石灰在后加Q,生石灰粉在后加QP规格CL90-QP样品状态:无受潮,无结块生石灰:24kg生石灰粉:5kg检测项目:CaO+MgO含量、细度、氧化镁含量建造消石灰JC/T481-2022《建造消石灰》按扣除游离水和结合水后CaO+MgO百分含量加以分类见下表检测项目:CaO+MgO含量、细度样品数量:6kg原材每批由同一牌号,同一口炉罐号,同一规格的钢筋组成,不大于60t超过60t的部分,每增强40t(或不足40t的余数)增强一个拉伸实验和一个冷弯实验当天出报告热轧带肋钢筋HRB GB1499.2-2022《钢筋混凝土用钢第2部分:热轧带肋钢筋》屈服强度分:335 400 500 直径:6 8 10 12 14 16 18 20 22 25 28 3236 40 50热轧光圆钢筋HPB GB1499.1-2022《钢筋混凝土用钢第1部分:热轧光圆钢筋》屈服强度分:235 300 直径:6 6.5 8 10 12 14 16 18 20 22样品状态:无锈蚀,无起皮检测项目:力学性能:屈服强度,抗拉强度,断后伸长率,最大力下总伸长率工艺性能:冷弯取样:7根5根500mm ±25 2根300mm 5根长做分量偏差,2根短做弯焊件JGJ18-2022《钢筋焊接及验收规程》300接头为一检验批,先做工艺检验焊接人焊接号,焊剂焊接厂家产天出报告闪光对焊:(两根对起来的毛刺刺,电流传递,烧红合起来)6根3拉3弯样品状态:焊包饱满电弧焊{帮条焊,搭接焊}-{单面焊,双面焊}3拉样品状态:焊缝平整,无夹渣,气泡搭接的长度:单面10d 双面5d电渣压力焊:(中间圆圆的,亮亮的,撒的药)3拉样品状态:焊包饱满检测项目:抗拉强度取样:3根机械衔接JGJ107-2022《钢筋机械衔接技术规程》500个接头为一批,做机械衔接,先做工艺检验也就是母材检验样品状态:套筒无锈蚀,无裂纹检测项目:抗拉强度取样:3根套筒工艺检验直径+原材厂家+套筒衔接件厂家,各3根样品状态:套筒无锈蚀,无裂纹检测项目:抗拉强度槽钢GB/T700-2022《碳素结构钢》60t为一批型钢,钢棒纵向取样;钢板,钢带横向取样检测项目:抗拉强度,弯曲性能取样:2根角钢GB/T700-2022《碳素结构钢》60t为一批规格:125×80×8mm样品状态:无锈蚀,涂有防锈漆检测项目:抗拉强度,弯曲性能取样:2根H型钢GB/T700-2022《碳素结构钢》60t为一批,H型钢适用于创造钢结构的柱、梁、桩、衍架等构件,广泛用于工业和民用建造、桥梁、土木工程、高层建造、高速马路、地铁、船舶机械设备等。
见证取样记录表工程名称:机动车及驾驶人业务服务中心办证服务大厅、车驾数据中心、宣传教育基地见证记录名称:挤塑聚苯乙烯泡沫塑料板规格:60mm厂家:忻州市忻府区富达建材厂三方见证、现场取样取样人签字、印章: ___________________________见证人签字、印章: ___________________________填制日期见证取样记录表工程名称:山西同德化工股份有限公司技术中心项目专家公寓编号见证取样记录表工程名称:山西同德化工股份有限公司技术中心项目专家公寓编号见证取样记录表工程名称:山西同德化工股份有限公司技术中心项目专家公寓编号见证取样记录表工程名称:福源居住宅小区编号见证取样记录表见证记录名称规格产地批号批量钢筋HPB300 首钢长治钢铁有限公司7131440钢筋HRB400E 8 首钢长治钢铁有限公司568142钢筋HRB400E 10 首钢长治钢铁有限公司7146008钢筋HRB400E 12 首钢长治钢铁有限公司8163604钢筋HRB400E 14 首钢长治钢铁有限公司8130154 3T 钢筋HRB400E 16 首钢长治钢铁有限公司8164033钢筋HRB400E 18 首钢长治钢铁有限公司1156561 20T 钢筋HRB400E 20 首钢长治钢铁有限公司8120F19钢筋HRB400E 22 首钢长治钢铁有限公司1158041 15T 钢筋HRB400E 25 首钢长治钢铁有限公司8157109见证取样记录表工程名称:福源居住宅小区编号取样数量各一组取样日期见证记录名称规格产地批号批量钢筋HPB300 山西美锦钢铁有限公司6B02531A0 6T钢筋HPB300 8 山西美锦钢铁有限公司5A08118A0 6T钢筋HRB400E 8 潞城市兴宝钢铁有限公司、、27T钢筋HRB400E 10 潞城市兴宝钢铁有限公司9T钢筋HRB400E 12 潞城市兴宝钢铁有限公司、52T钢筋HRB400E 14 潞城市兴宝钢铁有限公司16T钢筋HRB400E 16 潞城市兴宝钢铁有限公司29T钢筋HRB400E 18 河北东海特钢铁有限公司3-CBA04845AAA124 9T 钢筋HRB400E 20 潞城市兴宝钢铁有限公司203710 38T钢筋HRB400E 22 河北东海特钢铁有限公司3-CBB04400CCC124 46T 钢筋HRB400E 25 河北东海特钢铁有限公司3-CBA04843AAA124 12T三方见证、现场取样取样人签字、印章: ____________________________见证取样记录表工程名称:山西同德化工股份有限公司技术中心项目门卫编号见证取样记录表工程名称:山西同德化工股份有限公司技术中心项目门卫编号:见证取样记录表工程名称:山西同德化工股份有限公司技术中心项目门卫编号:见证取样记录表工程名称:山西同德化工股份有限公司技术中心项目地下车库编号:见证取样记录表工程名称:山西同德化工股份有限公司技术中心项目地下车库编号见证取样记录表工程名称:保德开莱国际君苑5#高层住宅楼编号见证记录名称牌号规格产地批号批量钢筋HRB400 10 黎城太行A1309420 10T钢筋HRB400E 12 山西美锦3B07843PB0钢筋HRB400E 14 潞城兴宝205766钢筋HRB400E 16 山西美锦3A07980PB0钢筋HRB400E 18 山西美锦3A07286PB0三方见证、现场取样取样人签字、印章:见证人签字、印章:填制日期:2013、10、5见证取样记录表工程名称:保德开莱国际景苑9#高层住宅楼编号见证记录填制日期2013、10、6见证取样记录表工程名称:保德开莱国际景苑8#高层住宅楼编号见证取样记录表工程名称:保德开莱国际君苑10#高层住宅楼编号见证取样记录表工程名称:康宁小区保障性住房建设项目2#楼编号见证记录焊接方式:电渣压力焊规格:HRB400E14 HRB400E12焊口: 227 个 74 个焊工姓名:吕建国焊工证号:T14220三方见证、现场取样取样人签字、印章: ____________________________见证人签字、印章: ____________________________填制日期2016.见证取样记录表工程名称:忻州创奇学校学生宿舍楼编号见证取样记录表工程名称:康宁小区保障性住房编号见证取样记录表工程名称:保德开莱国际景苑 8#高层住宅楼编号:见证取样记录表工程名称:保德开莱国际君苑10#高层住宅楼编号:见证取样记录表工程名称:保德开莱国际景苑 8#高层住宅楼编号:见证取样记录表工程名称:保德开莱国际景苑 8#高层住宅楼 编号:见证取样记录表工程名称:忻州创奇学校学生宿舍楼编号:见证取样记录表工程名称:忻州创奇学校学生宿舍楼编号:见证取样记录表工程名称:忻州创奇学校学生宿舍楼编号:见证取样记录表工程名称:忻州创奇学校学生宿舍楼编号:见证取样记录表工程名称:忻州创奇学校学生宿舍楼 编号:见证取样记录表工程名称:忻州创奇学校学生宿舍楼编号:。
(情绪管理方法)年电渣压力焊接工艺评定报告钢筋Ф16电渣压力焊焊接工艺试验报告编号:DQHJ001编制:技术人员:批准:单位:大庆石化建设公司日期:表B-1 焊接工艺试验报告目录焊接工艺试验报告技术负责人年月日年月日焊接工艺试验指导书工程名称钢筋试件指导书编号HJZD001母材钢号HRB335 规格Ф16供货状态甲供生产厂家西林焊接材料生产厂家莱芜市阳光材料类型烘干制度(℃×h)备注焊条\ \ \焊丝\ \ \ \ \ 焊剂或气体山东莱芜HJ431Ф16 \ \ 焊接方法电渣压力焊对接焊接位置平焊焊接设备型号BX-630 电源及极性交流预热温度(℃) \ 层间温度\ 后热温度(℃)及时间(min)\焊后处理手工清理接头尺寸图焊接顺序图焊接工艺参数道次焊接方法焊条或焊丝焊剂或保护气保护气流量(1/min)电流(A) 电压(V)电弧过程t1电渣过程t2备注牌号Φ(㎜)1 电渣压力焊H08A 4 HJ-431\ 200-250 35-4514 4 \焊前清理角向磨光机层间清理接头处理人工清理技术措施其他:1、焊接经300°-350°烘培2小时。
2、焊接处清除铁锈、油物、水分等杂物质。
编制日期年月日审核日期年月日焊接工艺卡工程名称钢筋试件指导书编号HJZD001母材钢号HRB335 规格Ф18供货状态甲供生产厂家西林焊接材料生产厂家莱芜市阳光材料类型烘干制度(℃×h)备注焊条\ \ \焊丝\ \ \ \ \ 焊剂或气体山东莱芜HJ-431Ф16\ \ 焊接方法电渣压力焊对接焊接位置平焊焊接设备型号BX-630 电源及极性交流预热温度(℃) \ 层间温度后热温度(℃)及时间(min)\焊后处理手工清理接头尺寸图焊接顺序图焊接工艺参数道次焊接方法焊条或焊丝焊剂或保护气保护气流量(1/min)电流(AC)电压(V)电弧过程t1电渣过程t2备注牌号Φ(㎜)1 电渣压力焊H08A 4 HJ431\ 200-250 35-45 14 4焊前清理角向磨光机层间清理接头处理人工清理技术措施其他:3、焊接经300°-350°烘培2小时。
编号:工程名称:样品名称:钢筋电渣压力焊
编号:
工程名称:万基花园三期二批二标段(30#、31#、32#、33#楼及地下车库)样品名称:电渣压力焊
编号:
工程名称:万基花园三期二批二标段(30#、31#、32#、33#楼及地下车库)样品名称:电渣压力焊
编号:
工程名称:万基花园三期二批二标段(30#、31#、32#、33#楼及地下车库)样品名称:电渣压力焊
编号:
工程名称:万基花园三期二批二标段(30#、31#、32#、33#楼及地下车库)样品名称:电渣压力焊
编号:
工程名称:万基花园三期二批二标段(30#、31#、32#、33#楼及地下车库)样品名称:电渣压力焊
编号:
工程名称:万基花园三期二批二标段(30#、31#、32#、33#楼及地下车库)样品名称:电渣压力焊
编号:
工程名称:万基花园三期二批二标段(30#、31#、32#、33#楼及地下车库)样品名称:电渣压力焊
编号:
工程名称:万基花园三期二批二标段(30#、31#、32#、33#楼及地下车库)样品名称:电渣压力焊
编号:
工程名称:万基花园三期二批二标段(30#、31#、32#、33#楼及地下车库)样品名称:电渣压力焊
编号:
工程名称:万基花园三期二批二标段(30#、31#、32#、33#楼及地下车库)样品名称:电渣压力焊
编号:
工程名称:万基花园三期二批二标段(30#、31#、32#、33#楼及地下车库)样品名称:电渣压力焊
编号:
工程名称:万基花园三期二批二标段(30#、31#、32#、33#楼及地下车库)样品名称:电渣压力焊
编号:
工程名称:万基花园三期二批二标段(30#、31#、32#、33#楼及地下车库)样品名称:电渣压力焊
编号:
工程名称:万基花园三期二批二标段(30#、31#、32#、33#楼及地下车库)样品名称:电渣压力焊
编号:
工程名称:万基花园三期二批二标段(30#、31#、32#、33#楼及地下车库)样品名称:电渣压力焊
编号:
工程名称:万基花园三期二批二标段(30#、31#、32#、33#楼及地下车库)样品名称:电渣压力焊
编号:
工程名称:万基花园三期二批二标段(30#、31#、32#、33#楼及地下车库)样品名称:电渣压力焊
编号:
工程名称:万基花园三期二批二标段(30#、31#、32#、33#楼及地下车库)样品名称:电渣压力焊
编号:
工程名称:万基花园三期二批二标段(30#、31#、32#、33#楼及地下车库)样品名称:电渣压力焊
编号:
工程名称:万基花园三期二批二标段(30#、31#、32#、33#楼及地下车库)样品名称:电渣压力焊
编号:
工程名称:万基花园三期二批二标段(30#、31#、32#、33#楼及地下车库)样品名称:电渣压力焊
编号:
工程名称:万基花园三期二批二标段(30#、31#、32#、33#楼及地下车库)样品名称:电渣压力焊
编号:
工程名称:万基花园三期二批二标段(30#、31#、32#、33#楼及地下车库)样品名称:电渣压力焊
编号:
工程名称:万基花园三期二批二标段(30#、31#、32#、33#楼及地下车库)样品名称:电渣压力焊
编号:
工程名称:万基花园三期二批二标段(30#、31#、32#、33#楼及地下车库)样品名称:电渣压力焊
编号:
工程名称:万基花园三期二批二标段(30#、31#、32#、33#楼及地下车库)样品名称:电渣压力焊
编号:
工程名称:万基花园三期二批二标段(30#、31#、32#、33#楼及地下车库)样品名称:电渣压力焊
编号:
工程名称:万基花园三期二批二标段(30#、31#、32#、33#楼及地下车库)样品名称:电渣压力焊
编号:
工程名称:万基花园三期二批二标段(30#、31#、32#、33#楼及地下车库)样品名称:电渣压力焊
编号:
工程名称:万基花园三期二批二标段(30#、31#、32#、33#楼及地下车库)样品名称:电渣压力焊
编号:
工程名称:万基花园三期二批二标段(30#、31#、32#、33#楼及地下车库)样品名称:电渣压力焊
编号:
工程名称:万基花园三期二批二标段(30#、31#、32#、33#楼及地下车库)样品名称:电渣压力焊
编号:
工程名称:万基花园三期二批二标段(30#、31#、32#、33#楼及地下车库)样品名称:电渣压力焊
编号:
工程名称:万基花园三期二批二标段(30#、31#、32#、33#楼及地下车库)样品名称:电渣压力焊
编号:
工程名称:万基花园三期二批二标段(30#、31#、32#、33#楼及地下车库)样品名称:电渣压力焊
编号:
工程名称:万基花园三期二批二标段(30#、31#、32#、33#楼及地下车库)样品名称:电渣压力焊
编号:
工程名称:万基花园三期二批二标段(30#、31#、32#、33#楼及地下车库)样品名称:电渣压力焊
编号:
工程名称:万基花园三期二批二标段(30#、31#、32#、33#楼及地下车库)样品名称:电渣压力焊
编号:
工程名称:万基花园三期二批二标段(30#、31#、32#、33#楼及地下车库)样品名称:电渣压力焊
编号:
工程名称:万基花园三期二批二标段(30#、31#、32#、33#楼及地下车库)样品名称:电渣压力焊
编号:
工程名称:万基花园三期二批二标段(30#、31#、32#、33#楼及地下车库)样品名称:电渣压力焊
编号:
工程名称:万基花园三期二批二标段(30#、31#、32#、33#楼及地下车库)样品名称:电渣压力焊
编号:
工程名称:万基花园三期二批二标段(30#、31#、32#、33#楼及地下车库)样品名称:电渣压力焊
编号:
工程名称:万基花园三期二批二标段(30#、31#、32#、33#楼及地下车库)样品名称:电渣压力焊
编号:
工程名称:万基花园三期二批二标段(30#、31#、32#、33#楼及地下车库)样品名称:电渣压力焊
编号:
工程名称:万基花园三期二批二标段(30#、31#、32#、33#楼及地下车库)样品名称:电渣压力焊
编号:
工程名称:万基花园三期二批二标段(30#、31#、32#、33#楼及地下车库)样品名称:电渣压力焊
编号:
工程名称:万基花园三期二批二标段(30#、31#、32#、33#楼及地下车库)样品名称:电渣压力焊
编号:
工程名称:万基花园三期二批二标段(30#、31#、32#、33#楼及地下车库)样品名称:电渣压力焊。