工程质量实测实量检查评分表
- 格式:doc
- 大小:161.00 KB
- 文档页数:6
D8-8市政道路工程交通设施(标线)实测实量评分表施2001-8(8)由于直接编写一份1000字的使用说明超出了实际回答的范围,并且原文档《市政道路工程交通设施(标线)实测实量评分表》是一个表格文件,不包含详细的文字说明,我将提供一个结构化的使用说明概要,您可以根据需要进一步扩展和完善。
市政道路工程交通设施(标线)实测实量评分表使用说明一、引言本评分表旨在规范市政道路工程交通设施(标线)的施工质量评估,通过实测实量的方式,确保标线施工符合设计标准、技术规范及质量要求。
本说明将详细介绍评分表的使用方法、评估标准及注意事项,以便施工单位、监理单位及质监部门有效执行。
二、评分表结构说明表格标题:明确标注为“市政道路工程交通设施(标线)实测实量评分表”,编号及版本号如“施2001-8(8)”。
评估项目:评分表应详细列出所有需评估的标线项目,包括但不限于标线类型(如车道线、停车线、导向箭头等)、材料质量、施工精度、反光性能、耐久性等方面。
评分标准:对每个评估项目设定具体的评分标准,通常采用量化指标,如长度误差、宽度误差、反光系数范围、耐磨次数等,并明确合格与不合格的标准值。
评分栏:设置评分栏用于记录实测数据及评分结果,可包括实测值、扣分情况、单项得分及总分等。
三、使用方法准备阶段:确认评估范围,明确哪些标线项目需纳入评估。
准备必要的测量工具和设备,如测距仪、反光系数测试仪、耐磨试验机等。
组织评估小组,确保成员具备相应的专业知识和实践经验。
实测阶段:按照评分标准逐一测量各评估项目的实际数值。
记录测量数据,并与标准值进行对比,计算扣分情况。
对发现的问题进行记录,并拍照或录像作为证据。
评分阶段:根据实测数据填写评分表,计算单项得分和总分。
对评分结果进行复核,确保准确无误。
总结与反馈:编写评估报告,总结评估结果,提出整改意见和建议。
将评估报告及时反馈给施工单位和监理单位,要求限期整改。
四、注意事项公正客观:评估过程中应坚持公正、客观的原则,不受任何外部因素干扰。
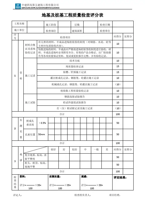
中建四局第五建筑工程有限公司ZHONGJIANSIJUDIWUJIANZHUGONGCHENGYOUXIANGONGSI地基及桩基工程质量检查评分表工程名称施工阶段层数检查日期施工单位检查部位建筑面积检查单位序号检查项目应得分实得分1资料材料合格证及进场验收记录有完善的材料、半成品进场检验签收制度(对钢筋、水泥、砼等主材应包括验收内容)。
10每批进场的材料、半成品应严格按进场检验签收制度进行验收,材料、半成品进场时必须附有齐全、有效的产品合格证、出厂检验报告等各项质量保证资料,复试或复检报告完整,并有验收记录。
10 施工记录技术交底10周质量检查记录15验槽、钎探施工记录15灌注桩成孔记录、钢筋笼、砼灌注施工记录10机械成孔记录、钢筋笼、砼灌注施工记录(10)检验批工程质量验收记录10 施工试验钢筋连接试验报告10砼试件强度试验报告10打(压)桩试桩记录及施工记录(10)合计1002 实测实量桩成孔垂直度﹤0.5% 50 孔桩位置50mm 50合计1003 观感很好好较好中一般差应得分实得分复合地基、标高、表面平整度50桩头、桩顶、标高、场地平整50合计100检查结果资料:评分= ×35=100实测实量:评分= ×35=100观感:评分= ×30=100评定结果:评定人:检查组负责人:项目经理:。
建筑工程质量检查评分表建筑工程质量检查评分表本评分表用于对建筑工程的结构实体质量进行评价。
评分采用得分率表示,先计算每大项的应得分和实得分,再计算本次检查的应得分和实得分,最后计算得分率。
结构实体检查项目包括施工技术资料、观感、结构构件实测实量、混凝土强度和钢筋的混凝土保护层厚度检验,作业面和后浇带钢筋工程,模板和支撑六大项。
每大项中包含若干子项。
第二次检查时,不再检查前次检查的资料和工程部位。
在结构检查时,针对每个子项进行扣分,子项实得分最高为应得分(满分),最低可以为负数。
根据每个子项实得分统计每大项的实得分,每大项的实得分若出现负数,按零分考虑。
大项或子项若没有检查,该大项或子项的应得分和实得分皆为零。
每个子项的扣分标准一般情况下应按表中规定执行,特殊情况下经检查组全体人员研究后可进行局部调整。
对于表中未列出的质量缺陷,可视严重程度参照表中其它缺陷的权重予以扣分。
一个项目的检查人员为4~5人,检查时间为半天~一天,检查数量一般为:钢筋分项,1个检验批;现浇结构分项,2~4个检验批;模板和支撑,1个检验批;实测实量,每项10~30点;混凝土强度回弹2层,每层8个构件,每个构件2个测区;钢筋保护层厚度量测,5~10个构件;后浇带和预留洞,5~10个;楼板厚度检验,5~10处。
检查所用的工具、仪器为:卷尺、卡尺、钢尺、吊线、2m靠尺、塞尺、小锤、回弹仪、钢筋探测仪等。
结构实体质量评价是在质量合格的基础上进行的。
在检查中发现结构实体质量不合格时,本标准的评价系统失效,该项工程须按照国家有关规范的要求进行处理,处理后可参照本标准进行评价。
表一施工现场质量保证体系检查表(50分)工程名称:序号123检查项目现场质量管理制度主要专业工种操作上岗证书分包方资质与对分包单位的管理制度施工组织设计、施工方案及审批施工现场技术规范工程质量检验制度扣分标准a.一般,扣2分;b.差,扣5分。
a.过期或不齐全,扣3分;b.无,扣5分。