555多谐振荡器
- 格式:doc
- 大小:434.98 KB
- 文档页数:7
555多谐振荡器实训报告一、实训目的本次实训旨在通过555多谐振荡器的搭建及测试,加深学生对于电子电路中基本元件和基本电路的理解,提高学生的实验操作能力和创新思维能力。
二、实训内容1. 555多谐振荡器原理介绍555多谐振荡器是一种常见的基本电路,在电子领域中有着广泛的应用。
其主要由三个部分组成:比较器、RS触发器和输出级。
其中比较器是将输入信号与参考信号进行比较,RS触发器则根据比较结果进行状态转移,输出级则将输出信号放大并输出。
2. 实验步骤(1)准备材料:555芯片、电容、电阻、LED灯等。
(2)按照原理图搭建555多谐振荡器电路。
(3)接通电源,调节可变电阻和固定电阻使得LED灯闪烁频率在可接受范围内。
(4)记录调试过程中出现的问题及解决方法。
(5)对实验结果进行分析和总结。
3. 实验要点(1)正确识别元件极性,避免连接错误导致损坏元件。
(2)在调试过程中,注意调节电路参数时的安全性。
(3)对实验结果进行准确的记录和分析,及时发现问题并解决。
三、实验结果通过实验,我们成功搭建了555多谐振荡器电路,并调节出了合适的频率使得LED灯闪烁。
在调试过程中,遇到了以下问题:1. 元件连接错误导致芯片损坏。
解决方法:更换芯片并重新搭建电路。
2. LED灯不亮或亮度不足。
解决方法:检查电阻和电容是否正确连接,并适当增大输出级的放大倍数。
最终,我们成功完成了实验目标,并对于555多谐振荡器有了更深入的理解。
四、实验感想通过这次实训,我们深刻认识到了基本电路和元件对于电子技术中的重要性。
同时,也锻炼了我们的动手能力和创新思维能力。
希望通过今后的学习和实践,能够更好地应用所学知识,并取得更好的成果。
555 多谐振荡器电阻电容参数文档下载说明Download tips: This document is carefully compiled by this editor. I hope that after you download it, it can help you solve practical problems. The document 555 多谐振荡器电阻电容参数can be customized and modified after downloading, please adjust and use it according to actual needs, thank you! In addition, this shop provides you with various types of practical materials, such as educational essays, diary appreciation, sentence excerpts, ancient poems, classic articles, topic composition, work summary, word parsing, copy excerpts, other materials and so on, want to knowdifferent data formats and writing methods, please pay attention!多谐振荡器是一种电路,用于产生多个频率的振荡信号。
它由电容器和电感器组成,这些元件决定了振荡器的频率。
在555定时器芯片的基础上构建的多谐振荡器在电子爱好者和工程师中很受欢迎,因为555芯片易于使用且功能强大。
要设计一个多谐振荡器,首先需要确定所需的频率范围。
然后,根据这些频率来选择适当的电容和电感值。
在555芯片的配置中,电容和电阻值决定了振荡器的频率。
555多谐振荡器电路原理
555多谐振荡器电路原理主要是指由一个555定时器晶体管组成的电路,它可以按照其固定的频率和振幅来产生一个谐波振荡电压。
该电路也称为霍尔-罗伯逊振荡器电路,它包括一个555定时器晶体管,两个电容,一个电阻和一个振荡器电路。
从电路上看,它可以用来给电路提供一个定时脉冲电压输出,这个脉冲输出电压可以根据振荡器电路的频率和振幅来改变。
该电路主要由四部分组成,主要包括:
(1) 555定时器芯片:该芯片包括一个触发输入和一个重置输入,这两个输入可以控制电路的启动和停止。
(2) 两个电容:这两个电容可以用来累计负载的电荷,调节输出的振幅。
(3) 一个电阻:该电阻用来控制电路的触发频率。
(4) 振荡器电路:该电路可以用来控制输出的频率和振幅。
该电路的工作原理如下:
1、首先,触发输入端的电压比重置输入端的电压高,555定时器晶体管就会被触发,开始工作;
2、电路中的两个电容会累积电荷,引起电压升高,达到一定水平后,555的输出端就会被重置;
3、重置后,电容就释放到电阻中,电路就会再次从头开始工作;
4、这样一个循环,一直持续下去,可以产生出一个定时的谐波振荡电压,供给其他电路使用。
通过以上对555多谐振荡器电路原理的介绍,我们可以知道,该电路可以用来产生一个定时的谐波振荡电压,为其他电路提供电源。
555多谐振荡器计算公式多谐振荡器是一种能产生多个频率的振荡器。
它常用于音频合成器、语音合成、音乐合成等领域。
在设计多谐振荡器时,我们可以根据各频率分量的差别不同,采取不同的计算方法。
最常见的多谐振荡器之一是脉冲密度调制(Pulse Density Modulation,PDM)多谐振荡器。
在PDM振荡器中,振荡频率是通过改变脉冲密度来实现的。
其计算公式如下:f = N × fs其中,f表示想要生成的频率,N表示所需的周期数,fs表示系统时钟频率。
另一种常见的多谐振荡器是正弦波振荡器,可以通过正弦函数来计算各个频率的振荡信号。
具体计算公式如下:x(t) = A × sin(2πf×t + φ)其中,x(t)表示振荡信号的值,A表示振幅,f表示频率,t表示时间,φ表示初相位。
多谐振荡器还可以通过组合不同的波形来获得多个频率分量。
例如,可以使用三角函数、方波函数、锯齿波函数等来生成多频率振荡信号。
同时,可以通过改变频率的间隔和幅度来改变多谐振荡器的多样性。
例如,可以选择频率为f1、2f1、3f1的三个正弦波信号,并分别给它们赋予不同的振幅,以获得多谐振荡器所需的频率分量。
除此之外,还有一种较为复杂的多谐振荡器计算方法,即使用傅里叶级数展开式。
傅里叶级数展开式可以将任意周期信号分解为一系列具有不同频率和振幅的正弦波信号的叠加。
这种方法可以实现更加精细的频率控制和多谐振荡器设计。
总结起来,多谐振荡器的计算公式可以有很多种,其中最常见的是PDM多谐振荡器和正弦波振荡器。
此外,也可以通过组合不同的波形、改变频率和振幅的方式来实现多谐振荡器的设计。
傅里叶级数展开式可以用于更加精细的频率控制和多频率分量叠加的计算。
所以,针对不同的设计需求,可以选择合适的计算方法来实现多谐振荡器的设计。
555多谐振荡器工作原理555多谐振荡器是一种常用的多谐振荡器,由于其简单稳定的特点,在各种电路中得到了广泛的应用。
本文将介绍555多谐振荡器的工作原理和实现方法。
1. 555多谐振荡器的工作原理555多谐振荡器是一种基于555定时器的多谐振荡器,其工作原理可以分为以下几个步骤:1) 在555定时器的第一、第二引脚之间连接一个电阻网络,通过改变电阻值可以调节振荡器的频率。
2) 在555定时器的第二、第三引脚之间连接一个电容,通过改变电容值可以调节振荡器的频率。
3) 当电容器充电到2/3 Vcc时,555定时器的输出为低电平,电容器开始放电,直到电容器电压降到1/3 Vcc时,555定时器的输出变为高电平,电容器开始充电。
这个过程不断重复,从而产生了振荡信号。
4) 通过改变电阻值和电容值,可以调节振荡器的频率和波形。
2. 555多谐振荡器的实现方法555多谐振荡器的实现方法比较简单,只需要按照下面的步骤进行即可:1) 连接555定时器的第一、第二引脚,接入电阻网络。
2) 连接555定时器的第二、第三引脚,接入电容。
3) 连接555定时器的第六引脚,接入电源正极。
4) 连接555定时器的第一引脚,接入电源负极。
5) 连接555定时器的第五引脚,接入输出负载,如LED等。
6) 通过改变电阻值和电容值,可以调节振荡器的频率和波形。
3. 555多谐振荡器的应用555多谐振荡器在各种电路中都有广泛的应用,下面列举几个常见的应用:1) 闪光灯电路:通过连接一个放电管和一个电容,可以实现闪光灯的效果。
2) 蜂鸣器电路:通过连接一个压电陶瓷蜂鸣器,可以实现声音的输出。
3) LED闪烁电路:通过连接一个LED和一个电容,可以实现LED 的闪烁效果。
4) 电子钟电路:通过连接数个555多谐振荡器,可以实现电子钟的功能。
555多谐振荡器是一种简单稳定的多谐振荡器,具有广泛的应用前景。
希望本文能够对读者理解555多谐振荡器的工作原理和实现方法有所帮助。
555电路构成的多谐振荡器的工作原理1. 介绍多谐振荡器是一种能够在多个频率下产生高质量波形的电路,它在电子工程领域中有着广泛的应用。
其中,555电路构成的多谐振荡器因为其简单稳定的特点,被广泛应用于实际工程中。
2. 555电路的基本工作原理555电路是一种集成电路,在各种振荡器电路中有着广泛的应用。
它主要由一个比较器和一个SR触发器组成。
当电路的输入达到一定的电平以后,触发器的状态就会发生改变,产生一个输出脉冲。
此时,比较器会对此脉冲进行比较,并且产生相应的电平改变。
3. 多谐振荡器的构成多谐振荡器是通过改变电路中的电容值和电阻值来调整振荡频率的。
其实现过程主要涉及到一个RC环路和一个比较器。
555电路的基本工作原理决定了其具有可调节频率的功能,因此我们只需要加入适当的RC组合即可实现多谐振荡器的构造。
4. 555电路构成的多谐振荡器的工作原理在555电路构成的多谐振荡器中,通过改变电容C和电阻R的数值,可以调整振荡的频率。
当输入信号达到一定的电平以后,触发器的状态会发生改变,此时,比较器会产生一个输出信号,这个信号的频率与C和R的数值有关。
因此,通过改变C和R的数值即可改变输出信号的频率,从而实现多谐振荡器的调节。
5. 多谐振荡器的应用多谐振荡器在实际工程中具有广泛的应用,例如在调音台、通信设备中就有着应用。
通过调整多谐振荡器的参数,可以控制电路的振荡频率。
这种特性使得多谐振荡器可以用于电子设备的数字信号处理、模拟信号产生等方面。
总结:555电路构成的多谐振荡器的工作原理是通过改变RC组合的数值来控制电路的振荡频率。
555电路本身就拥有经典的可调频功能,这使得555电路构成的多谐振荡器具有了更好的调节性和应用性,适合在通信、音频、电视、测量仪器等领域中得到广泛的应用。
555多谐振荡器波形介绍555多谐振荡器是一种基于NE555集成电路的电子元件,它可以产生多种不同频率的正弦波、方波和矩形波等输出信号。
这种电路常用于音乐合成、调制解调、数字信号处理和自动控制等领域,是一种非常实用的电子工具。
原理555多谐振荡器的工作原理基于NE555集成电路的内部结构和功能。
NE555是一种单片集成电路,包含有一个比较器、一个RS触发器、一个放大器和一个输出级等部分。
通过对NE555内部引脚的连接和外部元件的选择,可以实现不同频率范围内的信号输出。
设计555多谐振荡器的设计需要考虑以下几个方面:1. 频率范围:根据应用需求选择合适的频率范围,通常可选10Hz~1MHz之间。
2. 输出波形:根据应用需求选择合适的输出波形,通常可选正弦波、方波或矩形波等。
3. 电源电压:根据应用需求选择合适的电源电压,通常可选5V~12V 之间。
4. 外部元件:根据设计要求选择合适的电容、电阻和二极管等外部元件。
实现555多谐振荡器的实现需要按照以下步骤进行:1. 连接NE555引脚:将NE555的8、4、5、6和7引脚连接到外部元件上,其中8引脚连接到正电源,4引脚连接到负电源,5引脚连接到电容和电阻上,6引脚连接到电容上,7引脚连接到输出级上。
2. 选择外部元件:根据设计要求选择合适的电容、电阻和二极管等外部元件,并按照规定值进行安装。
3. 调整频率:通过调整电容和电阻的数值来调整输出信号的频率,通常可以使用万用表或示波器来进行测量和调试。
应用555多谐振荡器广泛应用于以下领域:1. 音乐合成:通过控制输出信号的频率和波形来产生不同音高和音色的音乐效果。
2. 调制解调:通过控制输出信号的频率和幅度来实现调制解调功能,例如FM广播、遥控器等。
3. 数字信号处理:通过控制输出信号的频率和相位来实现数字信号处理功能,例如数字滤波、数字信号调制等。
4. 自动控制:通过控制输出信号的频率和幅度来实现自动控制功能,例如温度控制、光照控制等。
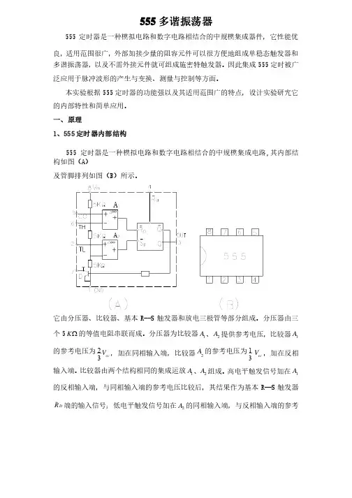
555多谐振荡器555定时器是一种模拟电路和数字电路相结合的中规模集成器件,它性能优良,适用范围很广,外部加接少量的阻容元件可以很方便地组成单稳态触发器和多谐振荡器,以及不需外接元件就可组成施密特触发器。
因此集成555定时被广泛应用于脉冲波形的产生与变换、测量与控制等方面。
泛应用于脉冲波形的产生与变换、测量与控制等方面。
本实验根据555定时器的功能强以及其适用范围广的特点,设计实验研究它的内部特性和简单应用。
的内部特性和简单应用。
一、原理1、555定时器内部结构555定时器是一种模拟电路和数字电路相结合的中规模集成电路定时器是一种模拟电路和数字电路相结合的中规模集成电路,,其内部结构如图(构如图(A A )及管脚排列如图(及管脚排列如图(B B )所示。
)所示。
A∞A∞它由分压器、比较器、基本R--S 触发器和放电三极管等部分组成。
分压器由三个5K W 的等值电阻串联而成。
的等值电阻串联而成。
分压器为比较器分压器为比较器1A 、2A 提供参考电压,提供参考电压,比较器比较器1A 的参考电压为23cc V ,加在同相输入端,比较器2A 的参考电压为13cc V ,加在反相输入端。
比较器由两个结构相同的集成运放1A 、2A 组成。
高电平触发信号加在1A 的反相输入端,与同相输入端的参考电压比较后,其结果作为基本R--S 触发器_D R 端的输入信号;低电平触发信号加在2A 的同相输入端,与反相输入端的参考电压比较后,其结果作为基本R —S 触发器_D S 端的输入信号。
基本R--S 触发器的输出状态受比较器1A 、2A 的输出端控制。
的输出端控制。
2、 多谐振荡器工作原理由555定时器组成的多谐振荡器如图定时器组成的多谐振荡器如图(C)(C)(C)所示,所示,其中R 1、R 2和电容C 为外接元件。
其工作波如图件。
其工作波如图(D)(D)(D)所示。
所示。
所示。
设电容的初始电压c U =0,=0,t t =0时接通电源,由于电容电压不能突变,所以高、低触发端TH V =TL V =0=0<<13VCC,比较器A1输出为高电平,A2输出为低电平,即_1D R =,_0D S =(1表示高电位,表示高电位,00表示低电位),R S -触发器置1,定时器输出01u =此时_0Q =,定时器内部放电三极管截止,电源cc V 经1R ,2R 向电容C充电,c u 逐渐升高。
555多谐振荡器1. 引言555多谐振荡器是一种常用的电子元件,广泛应用于信号发生、频率调制、计时器等电路中。
本文将介绍555多谐振荡器的基本原理、工作方式以及应用场景。
2. 基本原理555多谐振荡器基于555定时器芯片,其内部包含比较器、RS触发器、放大器和电流源等部件。
通过控制电流源和外部电阻、电容的组合,可以实现不同频率的输出信号。
3. 工作方式555多谐振荡器可选择为单稳态或自由运放模式。
3.1 单稳态在单稳态模式下,555多谐振荡器仅在输入触发脉冲时才会生成一个特定宽度的输出脉冲。
在触发脉冲到来时,RS触发器的Q输出翻转,放电引脚可自动放电,并在一段时间后恢复到初始状态。
3.2 自由运放在自由运放模式下,555多谐振荡器将连续地输出一个频率可调的矩形波。
通过改变电阻和电容的值,可以改变输出波形的频率。
4. 电路搭建搭建555多谐振荡器电路需要以下元件: - 555定时器芯片 - 电阻 - 电容 - 电源具体电路搭建过程可以参考以下步骤: 1. 将555定时器芯片插入电路板中。
2. 连接合适的电阻和电容到芯片的引脚。
3. 连接电源并确保极性正确。
4. 检查电路连接是否正确。
5. 准备测试设备,如示波器,以监测输出波形。
5. 应用场景555多谐振荡器具有广泛的应用场景,下面列举几个常见的应用示例:5.1 信号发生器通过使用555多谐振荡器可以生成各种频率的信号,例如音频信号、脉冲信号等。
因此,它被广泛应用于信号发生器领域。
5.2 频率调制555多谐振荡器可用于频率调制电路中,通过改变电阻和电容的值,可以调整输出信号的频率,从而实现频率调制的功能。
5.3 计时器555多谐振荡器可以作为计时器使用。
通过选择合适的电容和电阻值,可以精确地控制输出信号的周期,实现精确计时功能。
6. 结论本文介绍了555多谐振荡器的基本原理、工作方式以及应用场景。
555多谐振荡器是一种通用的电子元件,在信号发生、频率调制和计时器等领域有着广泛的应用。
多谐振荡器:利用深度正反馈,通过阻容耦合使两个电子器件交替导通与截止,从而自激产生方波输出的振荡器。
常用作方波发生器。
多谐振荡器是一种能产生矩形波的自激振荡器,也称矩形波发生器。
“多谐”指矩形波中除了基波成分外,还含有丰富的高次谐波成分。
多谐振荡器没有稳态,只有两个暂稳态。
在工作时,电路的状态在这两个暂稳态之间自动地交替变换,由此产生矩形波脉冲信号,常用作脉冲信号源及时序电路中的时钟信号。
555 定时器是一种模拟和数字功能相结合的中规模集成器件。
一般用双极性工艺制作的称为555,用CMOS 工艺制作的称为7555,除单定时器外,还有对应的双定时器556/7556。
555 定时器的电源电压范围宽,可在 4.5V~16V 工作,7555 可在3~18V 工作,输出驱动电流约为200mA,因而其输出可与TTL、CMOS 或者模拟电路电平兼容。
555 定时器成本低,性能可靠,只需要外接几个电阻、电容,就可以实现多谐振荡器、单稳态触发器及施密特触发器等脉冲产生与变换电路。
它也常作为定时器广泛应用于仪器仪表、家用电器、电子测量及自动控制等方面。
555引脚图如下所示。
555引脚图555的内部结构可等效成23个晶体三极管.17个电阻.两个二极管.组成了比较器.RS触发器.等多组单元电路.特别是由三只精度较高5k电阻构成了一个电阻分压器.为上.下比较器提供基准电压.所以称之为555.555属于cmos工艺制造.555引脚图介绍如下1地GND2触发3输出4复位5控制电压6门限(阈值)7放电8电源电压Vcc应用十分广泛.NE555内部电路方框图:内部含有两个电压比较器,一个分压器,一个RS触发器,一个放电晶体管和一个功率输出级。
(见下图一)图1 NE555 电路内部方框图图2 NE555 电路引脚图怎样由555构成多谐振荡器?答:图2-66a是由555组件组成的多谐振荡器电路,R1、R2和C系外接元件。
其工作原理如下:接通电源后,VCC经R1 R2给电容C充电。
555多谐振荡器电路频率的计算多谐振荡器(Multivibrator)是一种能够产生多个周期和振幅的周期信号的电路。
其中,555计时芯片是一种被广泛应用于多谐振荡器电路的集成电路。
本文将详细介绍555多谐振荡器电路频率的计算方法。
首先,我们需要了解一些基本原理和参数。
555计时芯片有8个引脚,其中最常用的是3号引脚(OUT),5号引脚(CTRL)和7号引脚(DISCH)。
在555多谐振荡器电路中,电容C和电阻R可以决定振荡器的频率。
电容C通常连接到7号引脚,而电阻R常连接到5号引脚。
电容C和电阻R的数值可以通过公式来计算振荡器的频率。
对于555多谐振荡器电路,频率的计算公式如下:f=1.44/((R1+2*R2)*C)其中,f表示振荡器的频率,单位为赫兹(Hz);R1表示电阻1的阻值,单位为欧姆(Ω);R2表示电阻2的阻值,单位为欧姆(Ω);C表示电容的容值,单位为法拉(F)。
这个公式是通过555计时芯片内部的电荷和放电过程来确定的。
在振荡器电路中,电容C通过电阻R放电,当电压下降到1/3的供电电压时,会触发控制电路,使计时芯片内部的另一个电容C开始充电。
当电压上升到2/3的供电电压时,又会触发控制电路,使另一个电容C开始放电。
这个过程会不断重复,从而产生周期性的信号。
接下来,我们通过一个实例来演示555多谐振荡器电路频率的计算。
假设我们有一个555多谐振荡器电路,R1的阻值为10,000欧姆(Ω),R2的阻值为5,000欧姆(Ω),C的容值为1微法拉(μF)。
将这些数值代入公式,我们可以计算出振荡器的频率:f=1.44/((10,000+2*5,000)*1*10^-6)f=1.44/(10,000+10,000)*1*10^-6f=1.44/(20,000)*1*10^-6f=72*10^-6f≈72kHz因此,根据上述的计算,我们可以得出这个555多谐振荡器电路的频率约为72千赫(kHz)。
555多谐振荡器的作用555多谐振荡器,顾名思义,是一种能够产生多个频率的振荡器。
它是电子电路中常见的元件,广泛应用于各种电子设备中。
本文将从原理、结构、工作方式、应用领域等方面详细介绍555多谐振荡器的作用。
一、原理555多谐振荡器的核心是一颗555定时器集成电路芯片。
这种芯片具有三个主要部分:比较器、RS触发器和放大器。
通过合理连接这些部分,可以实现多种不同频率的振荡输出。
二、结构555多谐振荡器的基本结构包括电源电路、555芯片、频率调节电路和输出电路。
电源电路为整个振荡器提供稳定的直流电源;555芯片是振荡器的核心部件,通过内部的比较器、RS触发器和放大器,控制振荡器的频率和占空比;频率调节电路用于调整振荡器的频率;输出电路将振荡器产生的信号输出到外部电路。
三、工作方式555多谐振荡器的工作方式可以分为自由运行振荡器和受控振荡器两种。
自由运行振荡器是最简单的振荡器模式,只需要将555芯片的引脚2和引脚6短接,然后通过调节频率调节电路中的电阻和电容,即可获得不同频率的振荡信号。
受控振荡器是根据外部输入信号来调节振荡器的频率和占空比。
通过改变引脚5和引脚6之间的电压,可以实现对振荡器频率的调节,而通过改变引脚7和引脚6之间的电压,可以实现对振荡器占空比的调节。
四、应用领域555多谐振荡器在电子领域有着广泛的应用。
以下列举几个常见的应用领域:1. 音频设备:555多谐振荡器可以产生不同频率的声音信号,因此被广泛应用于音频设备中,如音乐合成器、电子琴等。
2. 闪光灯:通过控制555多谐振荡器的频率和占空比,可以实现闪光灯的频闪效果,被广泛应用于照相机、摄像机等设备中。
3. 电子时钟:通过调节555多谐振荡器的频率,可以实现电子时钟的时间显示功能。
4. 变频器:通过控制555多谐振荡器的频率,可以实现交流电机的调速功能。
5. 无线电发射器:通过调节555多谐振荡器的频率,可以实现无线电发射器的调频功能。
555多谐振荡器
说明:555集成电路,也称555时基电路,是一种中规模集成电路。
它具有功能强、使用灵活、适用范围宽的特点。
通常只需外接少量几个阻容元件,就可以组成各种不同用途的脉冲电路。
可以用作脉冲波的产生和整形,也可用于定时或延时控制,广泛地用于各种自动控制电路中。
利用一块555集成电路和少量的外围元件就可以做成一个既会打节拍又会闪光的多谐振荡器。
一、电路工作原理:
电路图:
工作原理:本电路的核心器件是555集成电路,它接成典型的无稳态工作方式,1脚接地,4、8脚接电源,5脚通过一个0.01μF的电容器接地,2、6、7脚的典型接法如上图所示,3脚为输出端。
接通电源后,555集成电路的输出端第3脚电平不断地出现高低变化。
当3脚为高电平时,LED1熄灭LED2发光,同时电容器C2被充电,扬声器SP里就有一个充电冲击电流通过,从而发出“嗒”响声。
3脚为低电平时,LED1发光LED2熄灭,C2通过SP向555集成电路3、1脚间放电,SP又发出一声“嗒响声。
所以发光二极管LED1、LED2交替发光,扬声器SP就发出“嗒嗒”节拍声。
二、元器件清单:
R1:2K
R2:100K
R3\R4:200
C1:4.7uF
C2:10 Uf
C3:0.01 Uf
VCC:6V
三、电路安装及调试
测试1:用指针式万用表测量555集成电路各引脚的电位,并观察万用表指针的变化情况。
测试2:用示波器观察555集成电路2脚、3脚的电位
三、分析及思考:
1.555集成电路的输出端3脚的电位为什么会出现高低变化?
2.555多谐振荡器的振荡频率跟哪些参数有关?。
555多谐振荡器的作用
多谐振荡器是一种电子电路,可以产生多个频率的信号。
而555多谐振荡器是一种基于555定时器芯片的多谐振荡电路。
它在电子领域有着广泛的应用,本文将详细介绍555多谐振荡器的作用。
首先,555多谐振荡器可以用于音频信号的产生。
通过调整电路中的元件数值可以产生不同频率的音调,从低音到高音的范围都可以被覆盖到。
这使得555多谐振荡器在音响设备、乐器电子化改造等领域得到了广泛应用。
其次,555多谐振荡器可以用于频率测量。
通过将待测信号与555多谐振荡器的频率信号进行比较,可以得到待测信号的频率信息。
这种应用在通信、电子测试仪器等领域非常常见,可以用于信号发生器、频谱分析仪等设备中。
此外,555多谐振荡器还可以用于控制系统的时序控制。
通过调整电路中的元件数值和连接方式,可以实现不同的时序控制功能。
例
如,在自动化控制系统中,可以利用555多谐振荡器产生一定的时间延迟,用于控制开关的动作时间。
除了上述应用之外,555多谐振荡器还可以用于数字系统的时钟源。
在数字电路中,时钟信号是非常重要的,它用于同步各个模块的工作,保证整个系统的正确运行。
555多谐振荡器可以提供稳定的时钟信号,从而确保数字系统的正常运行。
总结起来,555多谐振荡器是一种具有多功能的电子电路,它可以用于音频信号的产生、频率测量、时序控制和数字系统的时钟源等多个方面。
在电子领域的各个应用中,都可以看到555多谐振荡器的身影。
随着技术的不断进步,人们对555多谐振荡器的需求也越来越大,相信它将在未来的发展中发挥更加重要的作用。
555多谐振荡器工作原理
555多谐振荡器是一种常用的集成电路,也称为555定时器,
它可以产生稳定的多谐振荡信号。
其工作原理如下:
1. 555多谐振荡器有三个比较器(比较器1、比较器2、比较
器3),一个RS触发器和一个放大器组成。
2. 振荡器的时钟信号是由一个RC电路提供的。
通过改变RC
电路的阻值和容值,可以调整振荡器的频率。
3. 当电源上电时,比较器1和比较器2的输出为高电平,比较器3的输出为低电平。
这时,放大器输出高电平,导通放大器旁边的放电二极管,导致电容C1开始充电,电压逐渐升高。
4. 当电容C1的电压上升到比较器1的比较电压时,比较器的
输出由高电平变为低电平,导致放大器输出低电平,关闭放大器旁边的放电二极管。
电容C1开始放电,电压逐渐降低。
5. 当电容C1的电压降低到比较器2的比较电压时,比较器的
输出由低电平变为高电平,重新导通放大器旁边的放电二极管。
电容C1再次开始充电,电压逐渐升高。
6. 重复上述过程,使得电容C1的电压在充放电过程中以一定
的频率多次变化,形成多谐振荡信号。
总结起来,555多谐振荡器的工作原理是通过改变RC电路的
充放电时间来控制电容的充放电过程,从而产生稳定的多谐振荡信号。
不同的RC电路参数可以调整振荡器的频率。
555定时器是一种广泛应用于电子设备中的集成电路,它可以用于构建多种类型的电路,包括多谐振荡器。
在构建多谐振荡器时,需要对电路中的电阻进行精确计算,以确保振荡器的稳定性和准确性。
本文将介绍555定时器组成的多谐振荡器电阻的计算方法。
一、多谐振荡器的原理1. 多谐振荡器是一种能够产生多种频率的振荡器。
它通过改变电路中的电阻和电容值,可以产生不同频率的输出信号。
在555定时器中,可以通过改变电路中的电阻值来实现多谐振荡器的设计。
2. 在多谐振荡器中,通过改变电路中的电阻值可以改变振荡器的频率。
当电阻值增大时,振荡器的频率会减小;反之,当电阻值减小时,振荡器的频率会增大。
二、555定时器组成的多谐振荡器电阻计算方法1. 确定所需的频率范围。
在设计多谐振荡器时,首先需要确定所需的频率范围。
根据所需的频率范围,可以计算出电路中所需要的最大和最小电阻值。
2. 计算频率与电阻值的关系。
在555定时器组成的多谐振荡器中,频率与电阻值之间存在一定的数学关系。
通过这种关系,可以计算出在所需频率范围内,对应的电阻值。
3. 选择合适的电阻值。
根据计算得到的电阻值范围,可以选择合适的标准电阻值。
在选择电阻值时,需要考虑电阻的精确度、温度稳定性和价格等因素。
4. 调试和优化电路。
在确定了电阻值后,还需要对电路进行调试和优化。
通过实际测试,可以进一步调整电路中的元器件值,以达到所需的输出频率和稳定性要求。
三、总结在设计555定时器组成的多谐振荡器时,电阻的计算是非常关键的一步。
通过合理的电阻计算,可以确保多谐振荡器在工作时能够产生稳定的输出信号,并且满足所需的频率范围。
设计者需要对电路中的电阻与频率的关系进行深入了解,以确保电路设计的准确性和稳定性。
通过以上介绍,相信读者对于555定时器组成的多谐振荡器电阻的计算方法有了更深入的了解。
在实际应用中,设计者可以根据具体的需求和条件,通过合理的电阻计算,设计出稳定性和准确性都较高的多谐振荡器电路。
555定时器构成的多谐振荡器工作原理下载提示:该文档是本店铺精心编制而成的,希望大家下载后,能够帮助大家解决实际问题。
文档下载后可定制修改,请根据实际需要进行调整和使用,谢谢!本店铺为大家提供各种类型的实用资料,如教育随笔、日记赏析、句子摘抄、古诗大全、经典美文、话题作文、工作总结、词语解析、文案摘录、其他资料等等,想了解不同资料格式和写法,敬请关注!Download tips: This document is carefully compiled by this editor. I hope that after you download it, it can help you solve practical problems. The document can be customized and modified after downloading, please adjust and use it according to actual needs, thank you! In addition, this shop provides you with various types of practical materials, such as educational essays, diary appreciation, sentence excerpts, ancient poems, classic articles, topic composition, work summary, word parsing, copy excerpts, other materials and so on, want to know different data formats and writing methods, please pay attention!一、引言多谐振荡器是一种能够产生多种频率的振荡器,它通常是由多个谐振电路组成。
555多谐振荡器
555定时器是一种模拟电路和数字电路相结合的中规模集成器件,它性能优良,适用范围很广,外部加接少量的阻容元件可以很方便地组成单稳态触发器和多谐振荡器,以及不需外接元件就可组成施密特触发器。
因此集成555定时被广泛应用于脉冲波形的产生与变换、测量与控制等方面。
本实验根据555定时器的功能强以及其适用范围广的特点,设计实验研究它的内部特性和简单应用。
一、原理
1、555定时器内部结构
555定时器是一种模拟电路和数字电路相结合的中规模集成电路,其内部结构如图(A )
及管脚排列如图(B )所示。
它由分压器、比较器、基本R--S 触发器和放电三极管等部分组成。
分压器由三个5K 的等值电阻串联而成。
分压器为比较器1A 、2A 提供参考电压,比较器1
A 的参考电压为23cc V ,加在同相输入端,比较器2A 的参考电压为1
3cc V ,加在反相
输入端。
比较器由两个结构相同的集成运放1A 、2A 组成。
高电平触发信号加在1A 的反相输入端,与同相输入端的参考电压比较后,其结果作为基本R--S 触发器
_
D R 端的输入信号;低电平触发信号加在2A 的同相输入端,与反相输入端的参考
电压比较后,其结果作为基本R —S 触发器_
D S 端的输入信号。
基本R--S 触发器的输出状态受比较器1A 、2A 的输出端控制。
2、
多谐振荡器工作原理
由555定时器组成的多谐振荡器如图(C)所示,其中R 1、R 2和电容C 为外接元件。
其工作波如图(D)所示。
设电容的初始电压c U =0,t =0时接通电源,由于电容电压不能突变,所
以高、低触发端TH V =TL V =0<1
3VCC,比较器A1输出为高电平,A2输出为低
电平,即_1D R =,_
0D S =(1表示高电位,0表示低电位),R S -触发器置1,定时器输出01u =此时_
0Q =,定时器内部放电三极管截止,电源cc V 经1R ,2R 向
电容C充电,c u 逐渐升高。
当c u 上升到1
3
cc V 时,2A 输出由0翻转为1,这时
_
_
1D D R S ==,R S -触发顺保持状态不变。
所以0<t<1t 期间,定时器输出0u 为高
电平1。
1t t =时刻,c u 上升到2
3
cc V ,比较器1A 的输出由1变为0,这时_
0D R =,
_
1D S =,R S -触发器复0,定时器输出00u =。
12t t t <<期间,_
1Q =,放电三极管T导通,电容C通过2R 放电。
c u 按指数
规律下降,当c u <
2
3
cc V 时比较器1A 输出由0变为1,R-S触发器的_
D R =_
1D S =,Q的状态不变,0u 的状态仍为低电平。
2t t =时刻,c u 下降到1
3
cc V ,比较器2A 输出由1变为0,R---S 触发器的
_D R =1,_
D S =0,触发器处于1,定时器输出01u =。
此时电源再次向电容C 放电,重复上述过程。
通过上述分析可知,电容充电时,定时器输出01u =,电容放电时,0u =0,电容不断地进行充、放电,输出端便获得矩形波。
多谐振荡器无外部信号输入,却能输出矩形波,
其实质是将直流形式的电能变为矩形波形式的电能。
3、振荡周期
由图(D )可知,振荡周期12T T T =+。
1T 为电容充电时间,2T 为电容放电时间。
充电时间 11212()ln 20.7()T R R C R R C =+≈+ 放电时间 222ln 20.7T R C R C =≈
矩形波的振荡周期121212ln 2(2)0.7(2)T T T R R C R R C =+=+≈+ 因此改变1R 、2R 和电容C 的值,便可改变矩形波的周期和频率。
对于矩形波,除了用幅度,周期来衡量外,还有一个参数:占空比q ,q=(脉宽w t )/(周期T ),w t 指输出一个周期内高电平所占的时间。
图(C )所示电路输出矩形波的占空比1112
1212
2T T R R q T T T R R +===++。
二、实验 1、实验目的
(1)初步了解集成555定时器的基本原理。
(2)掌握学会使用双踪示波器。
(3)测量多谐振荡器输出波、频率与各元件的关系。
2、实验仪器:
555定时器、两个是量程5K Ω的电位器、0.15uF 的电容、400K Ω电阻、双踪示波器、多用途稳压电源、万用表。
3、 实验步骤
测量555定时器的特性
(1)按右(G )图连接好电路,把电源电压调到最小以免烧坏会集成块 (2) 打开各电源调节按钮使V CC =3V
(3) 调节电源1使U TH 大于或等于2V ,此时调节电源2使U TL 由大到小或由小到大,并观察万用表电压档的电压,当电
压发生突然变化时,记录U TL 值及U 0相应值 (4) 同(3)测量U TH 小于2V 时相应的U TL 、U 0值
(5) 调节电源2使大于1V 或小于1V ,同时改变U TH 值,观察U 0的变化,记录相应数据
(注:U TH 、、U TL 电压不能
调得过大应不大于4V ,以免烧坏集成块)
测量多谐振荡器输出波形
特性
(1) 按(右)图连接好
电路,其中400K Ω为负载电阻。
(2) 把电源电压调到4.5V ,调节2个5K Ω电位器的电阻,改变输出波形参数,
并判断1R 、2R 阻值与波形的关系 (3)
记录下一组波形参数(1t ∆、2t ∆、T 、f 、0U 、c U ),同时绘制所观察到
的波形,最后关掉电源,用万用表电阻挡测量此时1R 、2R 值。
4、 数据处理
(1)555定时器的特性(数据如下表1)
由实验的数据,可得到定时器3脚输出的电压受2、6脚电压的制约,当2、6脚电压V TL 、V TH 满足一定条件时3脚输出高电平,满足其他条件时,输出低电平,即表(2)中V TL 、V TH 与U 0的关系。
(表1)
TH U
TL U
0U
>23cc V >13cc V 低电位 >23cc V <13cc V 高电位 <23cc V >13cc V 保持原状态不变 <23
cc V >13
cc V 保持原状态不变
(表2)
(2)555定时器构成的多谐振荡器
实验中得出某一组波形的数据如下:
T 1=1t ∆=370.5uS T 2=2t ∆=249.0 uS T=T 1+T 2=619.5uS f= 1.605Z KH
U 0=2.44V U c =2V R 1= 1.25K Ω
!0U =0.1V !c U =1V R 2=2.36K Ω
由上原理中的周期公式计算理论周期和频率: 已知:C=0.15U F R 1=1.25K Ω R 2=2.36K Ω
1120.7()T R R C =+=379.1uS 220.7T R C ==247.8uS 12T T T =+=626.9uS
01
f T
=
=1.595KH Z 得出实验频率的相对误差:
00
||
r f f E f -=
⨯100%=0.6 %
实验得出的波形如右图(F): 输出矩形波的占空比
q = 12
12
2R R R R ++=0.6
5.实验分析
(1)多谐振荡器巧妙地运用了电容的冲放电及与非门的通断条件把直流电转换
成脉冲信号,此脉冲信号经放大,再经变压器变压可实现直流电转换成交流电。
(2)根据555定时器的功能特性,利用电容的充电需要一定的时间,经元件组合,可成为一个定时智能电路,以及其它智能开关报警器等。