压力容器焊接工艺一览表
- 格式:xls
- 大小:230.00 KB
- 文档页数:7
压力容器焊接工艺(一)、焊前预热正式施焊前应检查焊接装配是否符合规定。
图纸及工艺文件要求工件预热时,应对工件进行预热。
预热温度由工艺评定确定或参照NB/T47015-2011执行。
预热在坡口两侧均匀进行。
一般宽度每侧不得小于100mm,严防局部过热。
(二)、焊后热处理1、作用:保证装备的质量、提高装备的安全可靠性、延长装备寿命。
2、目的:松弛焊接残余应力、稳定结构形状和尺寸、改善母材、焊接接头和结构件的性能(①软化焊接热影响区、②提高焊缝的延性、③提高断裂韧性、④有害气体扩散和逸出、⑤提高蠕变性能、耐腐蚀性能、抗疲劳性能等)3、规范加热温度:最主要的工艺参数,相变温度以下,低于调质钢的回火温度30-40℃,同时避开钢材产生再热裂纹的敏感温度。
保温时间:工件厚度选取焊件保温期间,加热区内最高与最低温差不大于65℃升温速度:焊件温度均匀上升,厚件和形状复杂构件应注意缓慢升温。
升温速度慢使生产周期加长,有时也会影响焊接接头性能。
冷却速度:过快造成内应力过大,甚至产生裂纹进、出炉温度:过高与加热、冷却速度过快结果类似4、方法-炉内热处理加热燃料:工业煤气、天然气、液化气、柴油整体热处理:条件允许的情况下优先采用优点是被处理的焊接构件、容器温度均匀,比较容易控制,消除残余应力和改善焊接接头性能较为有效,并且热损失少。
需要有较大的加热炉,投资较大。
分段加热处理:体积较大,不能整体进炉时,局部区域不宜加热处理重复加热长度应不小于1500mm。
炉内部分的操作应符合焊后热处理规范,炉外部分应采取保温措施,使温度梯度不致影响材料的组织和性能。
5、方法-炉外热处理被处理的装备过大,或因各种原因不能进行炉内热处理时,只能在炉外进行热处理加热方法:工频感应加热法、电阻加热法、红外线加热法、内部燃烧加热法整体焊后热处理:不能进入加热炉的大型装备,在安装现场组焊后,将其整体加热、保温而进行的热处理局部焊后热处理:对装备的局部,如焊接区域、修补焊接区域或易产生较大应力、变形的部位进行局部加热6、炉外整体焊后热处理注意问题①由于把底座上面的装备整体加热,考虑到热胀冷缩产生的变形和热应力,必须防止对本体结构、支撑结构、底座等产生不利影响②由于对大型装备进行加热,采用的热源,均匀加热所需的循环、搅拌装置以及炉外产生的热量等问题都应特别注意其安全保护措施③为提高热效率和保证温度均匀,对大型装备必须有良好的隔热保温措施④整体炉外焊后热处理与整体炉内焊后热处理相比较,要做到均匀加热比较困难,为确认整个装备的加热工艺情况是否达到工艺要求,应注意有足够数量且正确配置的温度检测设备,以保证热处理效果7、炉外局部焊后热处理注意问题①局部加热由于温度的分布不均匀、温度梯度较大而容易产生较大的热应力,为了尽量减少这种热应力造成的不利影响,加热的范围可以考虑尽量对称②容器环焊缝的加热带宽度应至少包括焊缝边缘两侧各3倍壁厚的宽度,管子对接焊者为2倍③尽量减少加热区与非加热区域之间的温度梯度差,温度梯度过大时,可能产生残余应力和变形。
焊接综合课程实践——压力容器制造中的焊接工艺制定学院:专业:班级:学生:学号:指导老师:摘要压力容器是在石油化学工业、能源工业、科研和军工等国民经济的各个部门都起着重要作用的设备。
而由于密封、承压及介质等原因,容易发生爆炸、燃烧起火而危及人员、设备和财产的安全及污染环境的事故,因此世界各国均将其列为重要的监检产品,由国家指定的专门机构,按照国家规定的法规和标准实施监督检查和技术检验。
同样的,对于它的生产要求也不能放松。
焊接作为压力容器生产的主要环节,可谓是重中之重。
本文从压力容器焊接接头设计、压力容器母材的焊接性分析、焊接材料的选择及常用的焊接方法及基本工艺过程等方面简单地介绍了压力容器焊接方面的基础知识。
基于手工电弧焊设备简单、工艺灵活及对各种刚适应性强等特点,手工电弧焊成为压力容器最主要的焊接方法,本文详细的介绍了手工电弧焊和埋弧焊在压力容器焊接中的应用及常见的焊接缺陷和预防方法及焊后检测处理方法。
当然编者水平有限,文中的错误或不足之处在所难免,望批评指正。
关键词:压力容器,手工电弧焊,埋弧焊,焊接性。
目录摘要…………………………………………………………………………………第一章概述……………………………………………………………………1.1 压力容器简介…………………………………………………1.2 产品结构分析…………………………………………………1.3 20g钢概述………………………………………………………1.4 元素对焊接性影响……………………………………………1.5 20g钢焊接性分析………………………………………………第二章压力容器的结构设计与生产工艺…………………………2.1 容器类别的确定…………………………………………………2.2 容器结构设计……………………………………………………2.2.1 圆筒的设计………………………………………………2.2.2 封头形状及尺寸设计…………………………………2.2.3 接管尺寸设计……………………………………………2.3 水压试验应力校核……………………………………………2.4 容器的生产工艺………………………………………………2.4.1 圆筒的生产………………………………………………2.4.2 封头的生产………………………………………………2.5 容器整体装配工艺……………………………………………第三章压力容器的焊接工艺设计……………………………………3.1 焊接方法的特点…………………………………………………3.1.1 焊条电弧焊………………………………………………3.1.2 CO2气体保护焊…………………………………………3.2 圆筒纵缝的焊接材料及工艺参数…………………………3.3 封头与圆筒焊缝的焊接材料及工艺参数…………………3.4 圆筒与接管焊缝的焊接材料及工艺参数…………………3.5 焊前准备…………………………………………………………3.5.1 坡口的选择………………………………………………3.5.2 坡口清理和焊材的使用………………………………3.6 焊接顺序…………………………………………………………第四章压力容器焊后检验………………………………………………4.1 焊后热处理………………………………………………………4.2 焊后检查…………………………………………………………4.3 无损检测…………………………………………………………4.4 压力试验…………………………………………………………4.5 气密性试验………………………………………………………结论…………………………………………………………………………………参考文献…………………………………………………………………………附录A ……………………………………………………………………………附录B ……………………………………………………………………………附录C ……………………………………………………………………………第一章概述1.1压力容器简介压力容器是内部或外部承受气体或液体压力的密封型结构件,用途十分广泛。
16MnDR钢制低温压力容器焊接工艺2020年我公司为某公司生产的两台液氨储罐,设备规格:φ2800×9736×25;主要受压元件材质:16MnDR;介质特性:中度危害;设计压力:2.5MPa;设计温度:-33.4/60℃;采用焊后热处理;容器类别:Ⅲ类压力容器。
为了公司今后生产同类材质的容器设备积累经验,现将16MnDR焊接工艺进行了总结。
1. 16MnDR钢的焊接性分析1.1 16MnDR钢的化学成分及力学性能我司采用了新余钢铁生产的16MnDR钢,化学成分及力学性能见表1表1 16MnDR钢的化学成分(质量分数)(%)和力学性能1.2 焊接性分析由表1可知,16MnDR钢的碳当量为0.47%,淬硬倾向不大,室温下焊接一般不会产生冷裂纹,16MnDR钢在正火状态下交货,其S、P含量控制的极低,也不易产生热裂纹。
16MnDR钢对于中厚板在焊接刚性拘束较大或环境温度过低时,在焊前应进行预热,焊后采取消应热处理。
16MnDR钢的组织的晶格类型属于体心立方点阵晶格,有低温转脆倾向,尤其是铁素体钢,其晶粒越细小,钢的脆性转变温度越向低温方向移动,低温冲击韧性值也越高。
因此,采取细化焊缝组织晶粒、降低填充金属的杂质、减少焊接接头的拘束度是制定16MnDR厚钢板焊接工艺的要点。
2. 焊接工艺评定试验2.1 焊接工艺评定试验的选材16MnDR为我公司首次使用材料,需进行焊接试验和焊接工艺评定。
NB/T47015-2011《压力容器焊接规程》中对16MnDR材料,推荐了焊条电弧焊的焊材(J507RH),氩弧焊和埋弧焊焊材均没有推荐。
我公司在联系有制作经验的单位和国内知名的焊材制造商等单位,确定本批设备焊材按照焊条电弧焊(SMAW)选用J507RH(E5015-G符合GB/T5117-2012和NB/T47018.2-2017标准要求,要求焊条进行焊条扩散氢复验)、氩弧焊(GTAW)选用ER55-Ni1(符合GB/T39280-2020和NB/T47018.3-2017标准要求)、埋弧焊(SAW)选用H09MnDR+SJ209DR(符合NB/T47018.4-2017标准要求,要求焊材在夏比(V型缺口)低温冲击吸收功-40℃时,不低于47J)。
钢制压力容器的焊接和热处理钢制压力容器制造中,焊接技术是极为关键的一项技术,文章综合理论与实际两大方面,对钢制压力容器(尤其是不锈钢复合钢板制压力容器)详细讨论了设计中的焊接工艺和热处理工艺,强调了焊接质量的重要性,对钢制压力容器的设计与制造,都有一定的指导意义。
<b> 焊接,是涉及、生产及安装压力容器中非常重要的一项技术,设计中焊接接头的正确选择和制造中焊接质量的优缺点,都会对压力容器的工作及使用寿命产生决定性影响,甚至还可能会危及人类的生命、财产安全。
从这点来看,压力容器的焊接质量,既是个安全性问题,同时也是个经济性问题。
1.不锈钢复合板的焊接工艺通过翻阅与焊接相关的资料,以及开展焊接性试验,根据NB/T 47015-2011《压力容器焊接规程》,SH/T 3527-2009《石油化工不锈复合钢板焊接规程》,GB/T 13148-2008《不锈钢复合钢板焊接技术要求》等标准来对焊接工艺进行评定,接焊缝焊后RT探伤、晶间腐蚀试验及力学性能试验等项目都应严格符合标准及需求。
焊接工艺的最终评估结果将作为制定产品焊接工艺的重要依据。
1.1.焊接方法不锈钢复合钢板有许多成熟的焊接方法,大体可分为焊条电弧焊、钨极氩弧焊、埋弧焊等。
有些换热器的管箱与浮头盖都是复合材料,没有很大的焊接空间,直焊缝不长,可进行双面焊,对于这类换热器产品,采用焊条电弧焊方法更为合适,这样不仅能提升焊接质量,同时还可压缩成本,其操作较为灵活,几乎不受工件形状与焊接位置的影响。
1.2.焊接材料的选择焊材的选择,应根据基层强度相等和保证复合层耐腐蚀性的原则进行。
1.3.焊接设备和环境通常可选择直流焊机,基层、复层及过渡层这3种焊缝均可选择焊条电弧焊。
所采用的钢丝刷、扁铲等工具都,都应是不锈钢材料。
焊接应在0 ℃以上的环境下进行,同时,现场应采取必要的防风措施。
1.4.焊接沟槽和接头装配1.4.1.沟槽选用沟槽形式时,应充分考虑焊接渡层的特点,焊接顺序应依次为焊基层、渡层到复层,,要尽可能不对复层进行焊接或进行少量焊接,同时还应避免复层焊缝被多次受热,从而逐步增强复层焊缝的耐腐蚀性能,该沟槽形式还能有效降低设备内部的铲磨工作量。
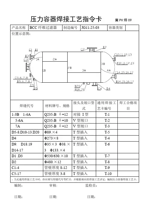
压力容器焊接工艺指令卡冀PV焊09产品名称BCC纤维过滤器制造编号JG11-25-03 容器类别位置示意图:焊缝代号材料牌号、规格接头及坡口型式通用焊接工艺卡编号焊工合格项目1-3B 1-4A Q235-B δ=12 对接I型T-1 5-6A Q235-B δ=10 V型坡口T-2 7A Q235-B δ=12 V型坡口T-3 D5-8.D10-13.D20 Φ89.×4 T型插入T-5 D4 Φ273×8 T型插入T-4D9. D18.19 D14-17 Φ35×3 Φ38.×3 Φ133.×4T型插入T-6D1 .D3 Φ530/630.×10 T型插入T-7D2 Φ480.×12 T型插入T-8C1-4 管壁厚度8-12 T型插入T-9C5-17 管壁厚度3-8 T型插入T-10:当无通用焊接工艺卡时,亦应填写焊缝代号等栏目,并根据相应的焊接工艺评定,编制压力容器焊接工艺卡。
编制:审核: 监检员:日期:日期: 日期:产品名称 蒸汽冷凝液回收罐 制造编号 091706R- 容器类别 Ⅰ位置示意图:C 10C 9C 8C 7C 6C 5C 4C 3C 2C 1D 11D 10D 9D 8D 7D 6D 5D 4D 3D 2D 15B4B3B2B1B3A2A1A焊缝代号 材料牌号、规格 接头及坡口型式通用焊接 工艺卡编号焊工合格项目注:当无通用焊接工艺卡时,亦应填写焊缝代号等栏目,并根据相应的焊接工艺评定,编制压力容器焊接工艺卡。
编制: 审核: 监检员:日期: 日期: 日期:产品名称压缩空气缓冲罐制造编号RQ111702R-0006 容器类别Ⅰ位置示意图:焊缝代号材料牌号、规格接头及坡口型式通用焊接工艺卡编号焊工合格项目注:当无通用焊接工艺卡时,亦应填写焊缝代号等栏目,并根据相应的焊接工艺评定,编制压力容器焊接工艺卡。
编制:审核: 监检员:日期:日期: 日期:产品名称连续排污扩容器制造编号RQ111702-0007 容器类别Ⅱ位置示意图:焊缝代号材料牌号、规格接头及坡口型式通用焊接工艺卡编号焊工合格项目注:当无通用焊接工艺卡时,亦应填写焊缝代号等栏目,并根据相应的焊接工艺评定,编制压力容器焊接工艺卡。
储乞罐焊接工艺卡附焊接工艺评定报告爪力客器士产草佐制作参考演极2021/10/20超远公司春分目录压力容器(储罐)焊接接头编号一览表 (3)压力容器焊接材料汇总表 (4)压力容器(储罐)接头焊接工艺卡(S-1) (5)压力容器(储罐)接头焊接工艺卡(S-2) (6)压力容器(储罐)接头焊接工艺卡(S-5) (7)压力容器(储罐)接头焊接工艺卡(S-4) (8)压力容器(储罐)接头焊接工艺卡(S-3) (9)压力容器(储罐)接头焊接工艺卡(S-6) (10)压力容器(储罐)接头焊接工艺卡(S-7) (11)压力容器(储罐)接头焊接工艺卡(S-8) (12)压力容器(储罐)接头焊接工艺卡(S-9) (13)压力容器(储罐)接头焊接工艺卡(S-10) (14)压力容器(储罐)接头焊接工艺卡(S-11) (15)附焊接工艺评定报告 (16)表F. 1预焊接工艺规程(pWPS) (18)表F.2焊接工艺评定报告 (20)焊接工艺评定施焊记录 (23)焊接工艺评定焊缝外观检查记录 (24)ma倩微)联燃编导〜赫股工域相卜啕微邓-船幅C-魅辅域曾靴Hi例糊搬E能%如绘解OItifOf岸工撕帖魏馥林E2S-I1 HH1SMAI-II-6FG-10/45-F3JE1S-10 P0R18-01SilAf-IH(rl2-F3JSAHM7/08C1-C6 S-9 PQR18-01 S»IHFG-10/45-F3JD9-D14 S-8 期18-01 S.W-1I-6FG-10/45-F3J IIT-IOOI D7-D8 S-7 PQR18-01 S»IHFG-10/45-F3J MT-100S[)14)6 S-6 PQR18-01 SJIAFIHFG-10/M 『1峨自队B5 S-5 P0R18-01 Sm-lI-lG-12-F3J n A1S4 PQR1H1I>IHHR|RMOOS B3S-3 PQR1H1SWAHI-1G-12-F3JSAI-1G-07/08n止眼蛇B1-B2S-2 P0R18-01SB-IMG-12-F3JSAF1G-07/08ira AIA5,ST P0R18-01Sm-lI-lG-12-F3JSAF1GW08晅哪笈力卷器(窗I)接头脚按工名卡(S・5)用力卷器(率I)接头脚按工名卡6・7)am (/i)接头展按工名卡(s&即溶器(ttft)按划除工名卡(S3)五力^器(11«)拣期I的工名卡(S・10)五力^器(i*a)接失算的工?卡(s・ii)附墀接工艺评定报告焊接工艺评定报告评定编号:PQR18-01焊接方法:SMAW+SAW母材及规格:Q235B(12mm)编制: XXX审核: XXX批准: XXX江苏X义超远压力容器制造有限公司2018年3月1日目录表F.1预墀接工艺规程(pWPS )单位名称 江苏xx 超远压力容器制造有限公丁预焊接工艺规程编号pWPS-CY2018-03 日期2018. 02. 15焊接方法 SMAW+ SAW 机械化程度(手工J 、机动、自动J 半自动) 焊接接头:__________________________________________ 简图:(接头形式、坡口形式与尺寸、焊层、焊道布置及顺序) 母材:类别号 FeT 组别号FeT-2与类别号 Fe-l ________ 组■别号FeT-2相焊或标准号 GB/T700-2006 材料代号 Q235B 与标准号 GB/T700-2006 材料代号 Q235B 相焊对接焊缝焊件母材厚度范围 _______________ 12. 0mm 〜24. 0mm _________________________________________ 角焊缝焊件母材厚度范围 _______________________ 丕眼 _______________________________________________ 管子直径、壁厚范围:对接焊健 直径不限,壁厚12~24.0nim 角焊健 ____________________ 丕眼 _____________ 其他 ___________________________________________ 无 ________________________________________________ 填充金属:焊材类别: 焊丝 焊条/焊材标准: NB/T47014. 2GB5117填充金属尺寸: ①4.0 ①3. 2焊材型号:/碱性焊材牌号(金属材料代号): H08MnA/焊剂 431J427填充金属类别:Fe _l _2/其他 ___________________________________________ / _________________________________________________对接焊缝焊件焊缝金属厚度范围: 12.0~24.0mm 角焊缝焊件焊缝金属厚度范围:不限耐蚀堆焊金属化学成分(%)C Si Mn P S Cr Ni Mo V Ti Nb// / // / /// / /其他:/注:对每一种母材与焊接材料的组合均需分别填表。
S30408 + Q345R不锈钢复合板制压力容器的焊接工艺摘要:通过对不锈钢复合板焊接特点的分析、焊接坡口及方法的选择、焊接工艺评定以及最终焊缝质量的检验,总结得出采用埋弧焊+焊条电弧焊组合焊接方法完全能够保证S30408+Q345R不锈钢复合板焊接接头质量,并简要介绍了埋弧焊+焊条电弧焊组合焊接不锈钢复合板工艺要点。
关键词:不锈钢复合板;焊接性;焊接工艺;焊接接头质量不锈钢复合板是由复层(不锈钢)和基层(碳钢、低合金钢等)复合轧制而成的双金属,复层保证耐蚀性能,强度主要靠基层获得。
通常复层厚度占钢板总厚度的10%~20%左右,与不锈钢板相比,成本费用可节省70%左右,具有很大的经济效益。
近年来,随着不锈钢复合板制造工艺的日趋成熟,使得不锈钢复合板的价格也在逐步下降,不锈钢复合板由于具有良好的综合性能(如强度、塑性、硬度、耐磨性及耐腐蚀性等)和价格优势,从而使其越来越广泛的应用于腐蚀性要求较高的设备,在石油化工、制药、食品工业等领域得到日益广泛的应用。
不锈钢复合板的焊接既不同于不锈钢,也不同于碳钢或低合金钢,而有其特点和难点,特别是对过渡层及复层的焊接质量要求很高。
某化工设备制造厂先后制造了几台不锈钢复合板制压力容器,主体材质为S30408+Q345R,在制造过程中通过查阅资料对其焊接性进行仔细分析以及深入的工艺探讨,并通过生产实践获得了一些宝贵的不锈钢复合板焊接经验,现将此不锈钢复合板制压力容器的制造及焊接工艺介绍如下:1、设备主体结构及材质本设备为一台卧式储罐设备,容器类别Ⅱ类;设计压力为1.9Mpa;设计温度190℃;介质为甲苯、甲苯酸等,焊接接头系数1;腐蚀裕量0;焊接接头检测比例:筒体及封头100%RT;复层100%PT。
容器规格DN1600x(3+14),主体材质为S30408+Q345R不锈钢复合板。
2、不锈钢复合板焊接特点复层主要是保证耐蚀性能,中间增加的过渡层是为了满足焊接工艺的需要。
压力容器存档资料目录压力容器外来图样审核记录 DM/JS07压力容器施焊焊工明细表编制日期审核日期 C检监员日期压力容器材料明细表第1页共2页.. .. ..焊接材料汇总表共20页第2页.. .. .... .. ..焊接工艺指令卡.. .. ..焊接工艺指令卡接头焊接工艺卡共20页第5页接头焊接工艺卡共20页第6页坡口角度(℃) 60°焊接工艺评定报告编号HPSMAW-II-1G-6钝边(mm) 1~2 焊缝余高(mm)焊工持证项目SMAW-II-3G-12-F3J组装间隙(mm) 2~3 备注:焊接位置焊接层次焊接方法填充材料焊接电流电弧电压(V)焊接速度(cm/min)气体流量(L/min)线能量KJ/min预热温度(℃)型(牌)号直径(mm) 极性电流(A)层间温度(℃) ≤150焊后热处理消除应力正1 焊条焊电弧焊J507 ф3.2 直反90~120 20~22 8~9 12~19.8 后热正2 焊条焊电弧焊J507 ф4.0 直反160~180 20~22 10~12 16~23.8 钨极直径(mm) 反1 焊条焊电弧焊J507 ф3.2 直反90~120 20~22 8~9 12~19.8 喷嘴直径(mm)气体成份接头焊接工艺卡共20页第7页焊接层次顺序示意图:母材1 Q345R 厚度(mm) 8 焊接工艺卡编号DMH-Ⅱ-1-3-8母材2 Q345R 厚度(mm) 8 图号SB25-83-1母材3 厚度(mm) 接头名称管箱筒体纵缝、与封头环缝焊接顺序正1、正2、正3 接头型式对接坡口型式V 接头编号C2坡口角度(℃) 60°焊接工艺评定报告编号2011HP-25钝边(mm) 1~2 焊缝余高(mm)焊工持证项目SMAW-II-3G-12-F3J组装间隙(mm) 2~3 备注:焊接位置焊接层次焊接方法填充材料焊接电流电弧电压(V)焊接速度(cm/min)气体流量(L/min)线能量KJ/min预热温度(℃)型(牌)号直径(mm) 极性电流(A)层间温度(℃) ≤150焊后热处理正1 焊条焊电弧焊J507 ф3.2 直反90~120 20~22 8~9 12~19.8 后热正2 焊条焊电弧焊J507 ф4.0 直反160~180 20~22 10~12 16~23.8 钨极直径(mm) 反1 焊条焊电弧焊J507 ф3.2 直反90~120 20~22 8~9 12~19.8 喷嘴直径(mm)气体成份接头焊接工艺卡共20页第8页焊接层次顺序示意图:母材100Cr17Ni14Mo2 厚度(mm)焊接工艺卡编号DMH-Ⅶ2-1-5-4母材200Cr17Ni14Mo2Ⅱ厚度(mm) 3.5~4.5 图号SB25-83-1 母材3 厚度(mm) 接头名称接管与法兰焊接顺序正1、正2 接头型式对接接头坡口型式V 接头编号C3、C4坡口角度(℃) 60 焊接工艺评2011 HP -14接头焊接工艺卡共20页第9页母材2 20# 厚度(mm)3.54.5图号SB25-83-1母材3 厚度(mm) 接头名称接管与法兰焊接顺序正1、反1、正2 接头型式角接坡口型式接头编号C5~C12坡口角度(℃) 50°焊接工艺评定报告编号2011 HP -10钝边(mm) 焊缝余高(mm) 4 焊工持证项目SMAW-Ⅱ-6FG-9/18-F3J组装间隙(mm) 0.5~1 备注:焊接位置焊接层次焊接方法填充材料焊接电流电弧电压(V)焊接速度(cm/min)气体流量(L/min)线能量KJ/min预热温度(℃)型(牌)号直径(mm) 极性电流(A)层间温度(℃) ≤50焊后热处理消除应力正1 焊条电弧焊J427 ф3.2直流反接90~120 20~22 8~9 12~19.8接头焊接工艺卡共20页第10页坡口角度(℃) 50°焊接工艺评定报告编号2010 HP -05钝边(mm) 焊缝余高(mm) 4 焊工持证项目SMAW-Ⅱ-6FG-9/18-F3J组装间隙(mm) 0.5~1 备注:焊接位置焊接层次焊接方法填充材料焊接电流电弧电压(V)焊接速度(cm/min)气体流量(L/min)线能量KJ/min预热温度(℃)型(牌)号直径(mm) 极性电流(A)层间温度(℃) ≤50焊后热处理正1 焊条电弧焊J427 ф3.2直流反接90~120 20~22 8~9 12~19.8 后热正2 焊条电弧焊J427 ф3.2直流反接90~120 20~22 8~9 12~19.8 钨极直径(mm) 反1 焊条电弧焊J427 ф3.2直流反接90~120 0~22 8~9 12~19.8喷嘴直径(mm) 反2 焊条电弧焊J427 ф3.2直流反接90~120 0~22 8~9 12~19.8 气体成份接头焊接工艺卡共20页第11页焊接层次顺序示意图:母材1 Q345R 厚度(mm) 8 焊接工艺卡编号DMH-Ⅰ/Ⅱ-2-3-4/8母材2 20# 厚度(mm)3.54.5图号SB25-83-1母材3 厚度(mm) 接头名称接管与封头焊接顺序正1、正2、正3、反1 接头型式角接坡口型式V 接头编号D6坡口角度(℃) 50±5°焊接工艺评定报告编号2011 HP -10 2010HP-08钝边(mm) 0.5~1.5 焊缝余高(mm)焊工持证项目SMAW-Ⅱ-6FG-9/18-F3J 组装间隙(mm) 2~2.5 备注:接头焊接工艺卡共20页第12页母材2 20# 厚度(mm)3.54.5图号SB25-83-1 母材3 厚度(mm) 接头名称接管与封头焊接顺序正1、正2、反1 接头型式角接坡口型式V 接头编号D9坡口角度(℃) 50±5°焊接工艺评定报告编号2010HP-13 2010HP-08钝边(mm) 0.5~1.5 焊缝余高(mm)焊工持证项目SMAW-Ⅱ-6FG-9/18-F3J组装间隙(mm) 2~2.5 备注:焊接位置焊接层次焊接方法填充材料焊接电流电弧电压(V)焊接速度(cm/min)气体流量(L/min)线能量KJ/min预热温度(℃)型(牌)号直径(mm) 极性电流(A)层间温度(℃) ≤50焊后热处理正1 焊条电弧焊J427 ф3.2直流反接90~120 20~22 8~9 12~19.8 后热正2、3 焊条电弧焊J427 ф4.0 直流160~180 20~22 10~12 16~23.8反接钨极直径(mm) 反1 焊条电弧焊J427 ф4.0直流反接160~180 20~22 10~12 16~23.8 喷嘴直径(mm)气体成份接头焊接工艺卡共20页第13焊接层次顺序示意图:母材1Q345R 厚度(mm) 8焊接工艺卡编号DMH-Ⅰ/Ⅱ-2-3-8/30母材2 20#厚度(mm) 图号SB25-83-1母材3 厚度(mm) 接头名称设备法兰与筒体焊接顺序正1、正2、正3、反1、接头型式角接坡口型式V 接头编号D3~D4坡口角度(℃) 50±5°焊接工艺评定报告编号2011HP-10 2010HP-08接头焊接工艺卡共20页第14页焊接层次顺序示意图:母材1 Q345R 厚度(mm) 8焊接工艺卡编号DMH-Ⅰ/Ⅱ-2-3-8/30母材2 20#厚度(mm) 图号SB25-83-1母材3 厚度(mm) 接头名称设备法兰与筒体焊接顺序正1、正2、正3、反1、接头型式角接坡口型式V 接头编号D10~17坡口角度(℃) 50±5°焊接工艺评定报告编号2010HP-13 2010HP-08钝边(mm) 0.5~1.5 焊缝余高(mm)焊工持证项目SMAW-Ⅱ-6FG-12/18-F3J组装间隙(mm) 2~2.5 备注:焊接位置焊接层次焊接方法填充材料焊接电流电弧电压(V)焊接速度(cm/min)气体流量(L/min)线能量KJ/min预热温度(℃)型(牌)号直径(mm) 极性电流(A)层间温度(℃) ≤50焊后热处理正1 焊条电弧焊J427 ф3.2 直流90~120 20~22 8~9 12~19.8接头焊接工艺卡共20页第15页焊接顺序正1、正2、正3、反1、接头型式角接坡口型式V 接头编号D1、D2坡口角度(℃) 50±5°焊接工艺评定报告编号HP 2011-12 2011HP-232010HP-05钝边(mm) 0.5~1.5 焊缝余高(mm)焊工持证项目SMAW-IV-6FG(K)-9/18-F4组装间隙(mm) 2~2.5 备注:焊接位置焊接层次焊接方法填充材料焊接电流电弧电压(V)焊接速度(cm/min)气体流量(L/min)线能量KJ/min预热温度(℃)型(牌)号直径(mm) 极性电流(A)层间温度(℃) ≤50焊后热处理正1 焊条电弧焊A022 ф3.2直流反接90~120 20~22 8~9 12~19.8 后热正2 焊条电弧焊A022 ф4.0直流反接160~180 20~22 10~12 16~23.8 钨极直径(mm) 正3 焊条电弧焊A022 ф4.0直流反接160~180 20~22 10~12 16~23.8喷嘴直径(mm) 正4 焊条电弧焊A022 ф4.0直流反接160~180 20~22 10~12 16~23.8 气体成份接头焊接工艺卡共20页第16页焊接层次顺序示意图:母材100Cr17Ni14Mo2厚度(mm) 8 焊接工艺卡编号DMH-Ⅶ2-2-3-4/6母材200Cr17Ni14Mo2Ⅱ厚度(mm)3.54图号SB25-83-1母材3 厚度(mm) 接头名称接管与筒体焊接顺序正1、正2、正3、反1 接头型式角接坡口型式V 接头编号D3、D4、D5、D6坡口角度(℃) 50±5°焊接工艺评定报告编号2011 HP-12 2010HP-05钝边(mm) 0.5~1.5 焊缝余高(mm)焊工持证项目SMAW-Ⅱ-6FG-9/18-F3J接头焊接工艺卡共20页第17页Mo2母材200Cr17Ni14Mo2Ⅱ厚度(mm) 2.5 图号SB25-83-1母材3 厚度(mm) 接头名称换热管与管板焊接顺序正1、正2 接头型式角接坡口型式接头编号D17~18坡口角度(℃)焊接工艺评定报告编号2011 HP -15钝边(mm) 焊缝余高(mm) 4 GTAW-Ⅳ-6FG-3/18-02组装间隙(mm) 备注:焊接位置平位焊接层次焊接方法填充材料焊接电流电弧电压(V)焊接速度(cm/min)气体流量(L/min)线能量KJ/min预热温度(℃)型(牌)号直径(mm) 极性电流(A)层间温度(℃) ≤50焊后热处理正1 钨极氩弧焊ER316L ф2.5直流正接80~100 12~13 10~13 6~7 4.4~7.8直流后热正2 钨极氩弧焊ER316L ф2.580~100 12~13 10~13 6~7 4.4~7.8正接钨极直径(mm) Φ2.5喷嘴直径(mm) Φ8.0气体成份接头焊接工艺卡共20页第18页-焊接层次顺序示意图:母材1 Q345R 厚度(mm) 焊接工艺卡编号DMH-Ⅱ-2-3-10/8母材2 Q345R 厚度(mm) 图号SB25-83-1母材3 厚度(mm) 接头名称隔板与封头焊接顺序1、2、3 接头型式角接坡口型式接头编号D12焊接工艺评坡口角度(℃)2011HP-10定报告编号接头焊接工艺卡共20页第19页Mo2母材200Cr17Ni14Mo2Ⅱ厚度(mm) 图号SB25-83-1母材3 厚度(mm) 接头名称底座板与筒体焊接顺序1、2、3 接头型式角接坡口型式接头编号D13、D14坡口角度(℃)焊接工艺评定报告编号2011 HP -12钝边(mm) 焊缝余高(mm)焊工持证项目SMAW-IV-6FG(K)-9/18-F4组装间隙(mm) 0~1 备注:焊接位置焊接层次焊接方法填充材料焊接电流电弧电压(V)焊接速度(cm/min)气体流量(L/min)线能量KJ/min预热温度(℃)型(牌)号直径(mm) 极性电流(A)层间温度(℃) ≤50焊后热处理 1 焊条电弧焊A022 ф3.2 直流90~120 20~22 8~9 14.5~20.8接头焊接工艺卡共20页第20页。
简析锅炉压力容器的焊接方法与工艺锅炉在制造的过程中施工工艺较为复杂,并且,其质量也不容易控制。
锅炉压力容器的质量对于工业的发展以及生活都具有十分重要的影响。
就目前来看,锅炉的压力容器制工艺以及相关的焊接工艺也在不断发展,有效的保证了锅炉的质量。
焊接的质量对于设备的使用质量具有直接的影响,因此,积极加强焊接工艺的研究分析势在必行。
一、锅炉压力容器的焊接方式现阶段而言,我国工程的发展对于锅炉的需求也在不断的增多小相关的焊接工艺也在不断发展,具有一定多样性。
在实际的焊接过程中,相关工作人员可以根据实际情况选择合适焊接方式。
一般来说,压力容器常用的焊接方式有;手工电弧焊、埋弧自动焊、气体保护电弧焊以及电渣焊。
手工电弧焊指的是在焊接过程中,采用手持焊条进行焊接,同时,也锅炉压力容器在焊接过程中使用最多的焊接方式[1]。
气焊的工作原理是通过利用电弧的高温以及吹力将相关的焊接部分进行融化,在被焊接的物体上形成的一个液体的凹坑,在其冷却以后形成焊缝然后在接入另一部分,这种焊接方式属于纯手工施工,需要消耗大量的劳动力,并且,工作效率低下。
焊接过程中,焊接面尺寸大,所以应该,积极的进行的热处理,在此过程中需要使用电渣焊的方式进行焊接。
二、锅炉受热面管以及高线焊接法在实际的焊接过程中,锅炉的受热面如果过热以及再热器的相关部件的接头数量以及壁厚,都会随着锅炉容量的增加而增加。
一般来说,600MW电站的锅炉热气的最大壁厚已经达到13mm,并且相关和接头已经而超过数千个。
传统的焊接方式已经不能满足实际的发展的需求。
所以,必须采用效率较高的熔焊方式进行焊接不仅能够保证焊接质量,还能够有效的提高焊接效率。
在应用过程中,哈锅以及上锅都已经从国外引进了厚壁细丝脉冲MIG自动焊接管机,有效的提高了焊接效率。
在应用过程中,后者存在一定的缺陷,相关工作人员采用TIG焊封底MIG焊填充以及盖面的施工方式,有效的的解决焊接时,根部没有进行完全焊接的缺陷,但是,焊接效率低下,并且,还一定程上增加了焊接成本[2]。
一、压力容器焊接工艺1 目的、范围为保证压力容器的焊接质量,特制定本工艺。
本工艺适用于钢制压力容器的气焊、焊条电弧焊、埋弧焊、钨极气体保护焊、熔化极气体保护焊焊接工作。
压力容器的焊接除应遵守本工艺外,还应符合设计文件的技术要求。
2 引用标准NB/T 47014-2011 承压设备焊接工艺评定NB/T 47015-2011 压力容器焊接规程TGS Z6002-2010 特种设备焊接操作人员考核细则NB/T 47018.1-2017 承压设备用焊接材料订货技术条件第1部分:采购通则NB/T 47018.2-2017 承压设备用焊接材料订货技术条件第2部分:钢焊条NB/T 47018.3-2017 承压设备用焊接材料订货技术条件第3部分:气体保护电弧焊丝和填充丝NB/T 47018.4-2017 承压设备用焊接材料订货技术条件第4部分:埋弧焊钢焊丝和焊剂JB/T 3223-2017 焊接材料质量管理规程DL/T 869-2012 火力发电厂焊接技术规程DL/T 752-2010 火力发电厂异种钢焊接技术规程GB/T 30583-2014 承压设备焊后热处理规程DL/T 819-2010 火力发电厂焊接热处理技术规程NB/T 47013.1-2015 承压设备无损检测第1部分:通用要求NB/T 47013.2-2015 承压设备无损检测第2部分:射线检测NB/T 47013.3-2015 承压设备无损检测第3部分:超声检测NB/T 47013.4-2015 承压设备无损检测第4部分:磁粉检测NB/T 47013.5-2015 承压设备无损检测第5部分:渗透检测3 焊接工艺评定施焊下列各类焊缝的焊接工艺应按NB/T 47014评定合格:a) 受压元件焊缝;b) 与受压元件相焊的焊缝;c) 上述焊缝的定位焊缝;d) 受压元件母材表面堆焊、补焊。
4 焊工施焊下列各类焊缝的焊工应按TGS Z6002规定考核合格:a) 受压元件焊缝;b) 与受压元件相焊的焊缝;c) 熔入上述永久焊缝内的定位焊缝;d) 受压元件母材表面堆焊、补焊。
压力容器焊接通用工艺QB/YR·HJ·T03-2005№编制:巩林廷钢制压力容器焊接通用工艺1.适用范围本工艺适用于江苏省工业设备安装公司压力容器厂制造安装的压力容器产品的焊接工作。
2.焊接工艺评定和焊工2.1施焊下列各类焊缝的焊接工艺必须按JB4708《钢制压力容器焊接工艺评定》评定合格。
a.受压元件焊缝;b.与受压元件相焊的焊缝;c.d.e.上述焊缝的返修焊缝。
2.2的规定考试合格;才能在有效期内担任相应合格项目范围内的压力应严格按产品焊接工艺文件的要求进行操作,不得擅自更改工艺。
3.焊接材料3.1焊接材料主要系指焊条、焊丝、焊剂、气体、电极等。
3.2焊接材料选用原则应根据母材的化学成份、力学性能、焊接性能结合压力容器的结构特点和适用条件综合考虑选用焊接材料,必要时通过试验确定。
焊缝金属的性能应高于或等于相应母材标准规定值的下限或满足图样规定的技术要求。
对各类钢的的焊缝金属要求如下:3.2.1相同钢号相焊的焊缝金属a.碳素钢、低合金钢的焊缝金属应保证力学性能,且不应超过母材标准规定的抗拉强度的上限值加30MPa。
b.高合金钢的焊缝金属应保证力学性能和耐腐蚀性能。
c.不锈钢复合钢板基层的焊缝金属应保证力学性能,且其抗拉强度不应超过母材标准规定的上限值加30MPa;复层的焊缝金属应保证耐腐蚀性能,当有力学性能要求时还应保证力学性能。
复层焊缝与基层焊缝以及复层焊缝与基层钢板交界处推荐采用过渡层。
3.2.2不同钢号相焊的焊缝金属a.不同钢号的碳素钢、低合金钢之间的焊缝金属应保证力学性能,且其抗拉强度不应b.3.3求,并按JB470831J。
V型缺口冲击吸收功在相应低温时应不3.5常用钢号推荐选用的焊接材料见表1,不同钢号相焊推荐选用的焊接材料见表2。
表1常用钢号推荐选用的焊接材料表2不同钢号相焊推荐选用的焊接材料4.焊前准备4.1焊接坡口焊接坡口应按图样要求或工艺条件选用标准坡口或自行设计,选择坡口形式和尺寸应考虑下列因素:a.焊缝填充金属尽量少;b.避免产生缺陷;c.减少残余焊接变形与应力;d.有利于焊接防护;e.焊工操作方便;f.复合钢板坡口应有利于减少过渡层焊缝金属的稀释率。
焊接层次顺序示意图:母材116厚度()16焊接工艺卡编号母材216厚度()16图号母材3厚度()接头名称筒体纵缝焊接顺序接头型式对接坡口型式V接头编号A1、A2、A3、A4坡口角度(℃)60°焊接工艺评定报告编号钝边() 2-6焊缝余高()焊工持证项目组装间隙()2~31、在坡口与坡口边缘各20范围内,将油、污、锈、垢、氧化皮清除,直至呈现金属光泽。
2、定位焊缝为8条,每2条定位焊缝间距为250,定位焊缝长度为30、厚度为6-10。
3、焊完进行100%无损探伤。
焊接方法直通焊焊接层次焊接方法填充材料焊接电流电弧电压(V)焊接速度()气体流量()预热温度(℃)型(牌)号直径()极性电流(A)层间温度(℃)焊后热处理定位焊H10ф2直流反接80-11512-1410-168-10焊剂烘干温度250℃封底焊H10ф2.5直流反接115-1512-1410-168-10焊 接 工 艺卡 .:1焊 接 工 艺卡 .: 2钨极直径() 正面焊H10431ф4交流600-65034-3748喷嘴直径() 气体成份编制日期 年 月 日审核日期 年 月 日焊接层次顺序示意图:母材1 16 厚度() 16 焊接工艺卡编号母材2 16厚度() 16图 号母材3厚度()接头名称 筒体环缝 焊接顺序接头型式 对 接 坡口型式 V接头编号B1、B2、B3、B4、B5坡口角度(℃) 60°焊接工艺评定报告编号钝边() 2-6焊缝余高() 焊工持证项目组装间隙()2~31、在坡口与坡口边缘各20范围内,将油、污、锈、垢、氧化皮清除,直至呈现金属光泽。
2、定位焊缝为28条,每2条定位焊缝间距为12°,定位焊缝长度为30、厚度为6-10。
焊 接 工 艺卡 .:33、焊完进行100%无损探伤。
焊接方法 直通焊焊接 层次 焊接方法填充材料焊接电流 电弧 电压(V) 焊接速度() 气体流量() 预热温度(℃) 型(牌)号直径() 极性 电流(A) 层间温度(℃)焊后热处理 定位焊 H10 ф2 直流反接 80-115 12-14 10-16 8-10 焊剂烘干温度 250℃封底焊 H10 ф2.5 直流反接 115-150 12-14 10-16 8-10钨极直径() 正面焊H10431ф4交流600-65034-3748喷嘴直径() 气体成份编制日期年 月 日审核日期年 月 日焊接层次顺序示意图:母材1 16 厚度() 16 焊接工艺卡编号母材2 16厚度() 8图 号母材3厚度()接头名称 接管与壳体 焊接顺序接头型式对 接卡 .:4焊接层次顺序示意图:母材116厚度()16焊接工艺卡编号母材216厚度()8图号母材3厚度()接头名称人孔与壳体焊接顺序接头型式对接坡口型式单边V接头编号D4坡口角度(℃)60°焊接工艺评定报告编号钝边()2-6焊缝余高()焊工持证项目组装间隙()2~31、在坡口与坡口边缘各20范围内,将油、污、锈、垢、氧化皮清除,直至呈现金属光泽。