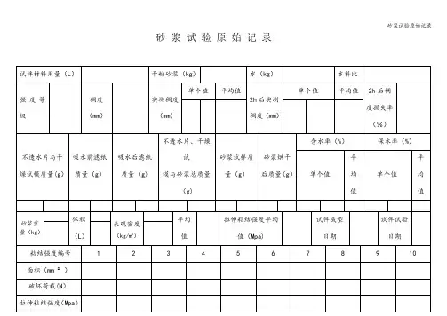
抹灰砂浆现场拉伸粘结强度原始记录
- 格式:docx
- 大小:7.10 KB
- 文档页数:1
砂浆抗压强度原始记录实验目的:测试不同配比的砂浆在不同养护时间下的抗压强度。
实验装置:1. 试验砖块:规格为100mm × 100mm × 100mm的方形砖块。
2.试验机:能够提供一定的压力,并能够测量压力和位移的试验机。
3.砂浆配比:采用水泥:砂=1:3的配比。
4.养护条件:24℃±2℃恒温恒湿条件下。
实验步骤:1.根据砂浆配比用水泥和砂拌制砂浆,保证拌制砂浆的均匀性。
2.将砂浆均匀地涂覆在试验砖的两侧面上。
3.将试验砖放在养护箱中,根据实验要求设置不同的养护时间,分别为3天、7天、14天和28天。
4.在养护结束后,将试验砖取出并擦干表面水分。
5.将试验砖放入试验机间隙适当的两侧,然后在试验机上施加压力。
6.开始施加压力,每次施加压力不得超过试验砖正常使用过程中可能受到的最大压力。
7.逐渐增加压力并记录相应的载荷和位移,当试验砖出现破坏时停止施加压力。
8.记录破坏时的载荷和位移,并根据公式计算砂浆的抗压强度。
实验数据记录表(以一种配比为例):试验砖编号,养护时间(天),载荷(N),位移(mm):----:,:-----:,:-----:,:----:1,3,1000,0.052,3,1200,0.073,3,1300,0.084,7,2000,0.105,7,2100,0.126,7,2200,0.117,14,2500,0.158,14,2600,0.179,14,2800,0.1910,28,3000,0.2011,28,3200,0.2512,28,3300,0.23根据上述实验数据,可以计算不同养护时间下砂浆的抗压强度。
为了得到更准确的抗压强度值,通常需要进行多次实验并求平均值。
砂浆拉伸粘结强度实验一、实验前提砂浆拉伸粘结强度实验前提应相符下列划定:1.温度应为20±5℃;2.相对湿度应为45%~75%.二、实验仪器1.拉力实验机:损坏荷载应在其量程的20%~80%规模内,精度应为1%,最小示值应为1N;2.拉伸专用夹具:应相符现行行业尺度《建筑室内用腻子》JG/T 3049-1998的划定;3.成型框:外框尺寸应为70mm×70mm,内框尺寸应为40mm×40mm,厚度应为6mm,材料应为硬聚氯乙烯或金属;4.钢制垫板:外框尺寸应为70mm×70mm,内框尺寸应为43mm×43mm,厚度应为3mm.三、基底水泥砂浆块的制备应相符下列划定:1.原材料:水泥应采取相符现行国度尺度《通用硅酸盐水泥》GB 165划定的42.5级水泥;砂应采取复合现行行业尺度《通俗混凝土用砂.石质量及磨练办法尺度》JGJ 52划定的中砂;水应采取相符现行行业尺度《混凝土用水尺度》JGJ 63划定的用水;2.合营比:水泥:砂:水=1:3:0.5(质量比)3.成型:将制成的水泥砂浆倒入70mm×70mm×20mm的硬聚氯乙烯或金属模具中,振动成型或用抹灰刀平均插捣15次,人工颠实5次,转90°,在颠实5次,然后用刮刀以45°偏向抹平砂浆概况;试模内壁事先宜涂刷水性隔离剂,待干.备用;4.应在成型24h后脱模,并放入20±2℃水中养护6d,再在实验前提下放置21d以上,实验前,运用200号砂纸或磨石将水泥砂浆试件的成型面磨平,备用.四、砂浆料浆的制备应相符下列划定:1.干混砂浆料浆的制备1)待检样品应在实验前提下放置24h以上;2)应称取许多于10kg的待检样品,并按产品制作商供给比例进行水的称量;当产品制作商供给比例是一个值域规模时,应采取平均值;3)应先将待检样品放入砂浆搅拌机中,再启念头器,然后渐渐参加划定量的水,搅拌3~5min.搅拌好的料应在2h内用完.2.现拌砂浆料浆的制备1)待检样品应在实验前提下放置24h以上2)应按设计请求的合营比进行物料的称量,且干物料总量不得少于10kg;3)应先将称好的物料放入砂浆搅拌机中,再启念头器,然后渐渐参加划定量的水,搅拌3~5min.搅拌好的料应在2h内用完.五、拉伸粘结强度试件的制备应相符下列划定:1.将制备好的基底水泥砂浆块在水中浸泡24h,并提前5~10min掏出,用湿布擦拭其概况;2.将成型框放在基底水泥砂浆块的成型面上,再将按照尺度的划定制备好的砂浆料浆或直接从现场取来的砂浆试样倒入成型框中,用抹灰刀平均插捣15次,人工颠实5次,转90°,在颠实5次,然后用刮刀以45°偏向抹平砂浆概况,24h内脱模,在温度20±2°.相对湿度60%~80%的情况中养护至划定龄期;3.每组砂浆试样应制备10个试件.六、拉伸粘结强度实验应相符下列划定:1.应先将试件在尺度实验前提下养护13d,再在试件概况以及上夹具概况涂上环氧树脂等高强度胶粘剂,然后将上夹具对正地位放在胶粘剂上,并确保上夹具不歪斜,除去四周溢出的胶粘剂,持续养护24h;2.测定拉伸粘结强度时,应先将钢制垫板套入基地砂浆块上,再将拉伸粘结强度夹具装配到实验机上,然后将试件至于拉伸夹具中,夹具与实验机的衔接宜采取球铰运动衔接,以5±1mm/min速度加荷至试件损坏;3.当损坏情势为拉伸夹具与胶粘剂损坏时,实验成果应无效.七、拉伸粘结强度应按下式盘算:式中 f at-砂浆拉伸粘结强度(MPa)F-试件损坏时的荷载(N)A z-粘结面积(mm2).八、拉伸粘结强度实验成果应按下列请求肯定:1.应以10个试件测值的算术平均值作为拉伸粘结强度的实验成果;2.当单个试件的强度值与平均值之差大于20%,应逐次舍弃误差最大的实验值,直至各实验值与平均值之差不超出20%,当10个试件中有用数据许多于6个时,取有用数据的平均值为实验成果,成果准确至0.01MPa.3.当10个试件中有用数据缺少6个时,此组实验成果应为无效,并应从新制备试件进行实验.九.对于有特别前提请求的拉伸粘结强度,应先按照特别请求前提处理后,再进行实验.问:合营比是若干?答:合营比:水泥:砂:水=1:3:0.5(质量比)问:每组须要几个试件?答:10个试件问:实验前提是?答:温度应为20±5℃;相对湿度应为45%~75%。