高新技术企业综合统计快报表
- 格式:doc
- 大小:30.00 KB
- 文档页数:2
高新技术企业综合统计月报表表号:GQYB-01制定机关:科学技术部批准机关:国家统计局批准文号:国统制(2018)196号有效期至:2021年12月补充资料:综合填报单位地址:邮编(sPost):□□□□□□联系电话:传真:单位负责人:填表人: 报出日期:20 年月日说明:1.本表为跨月报,每年上报5月、8月两个月的月报,分别填报1-5月和1-8月高新技术企业的经济运行情况。
2.填报范围:各省、自治区、直辖市、科技厅(委)报送经各地方高新技术企业认定管理机构认定,并经全国高新技术企业认定管理工作领导小组备案,获得高新技术企业证书,且证书于报告期年底尚在有效期内的企业综合情况。
3.报送日期及方式:本表请各科技厅(委)务必于报告期次月25日前(即5月报于6月25日前,8月报于9月25日前)将审核过的报表通过科技部火炬统计调查信息系统(******)填报,同时将领导签字盖章的纸件作为附件上传。
联系电话:********/68/62/65,传真:********。
4.审核关系:(1)YQ02≥YQ02_1 (2)YQ02≥YQ05领导签字(Charger):填报单位名称:(加盖公章 )年月日表GQYB-01指标解释高新技术企业是指经各地方高新技术企业认定管理机构认定,并经全国高新技术企业认定管理工作领导小组备案,获得高新技术企业证书,且证书于报告期年底尚在有效期内的企业。
营业收入指企业经营主要业务和其他业务所确认的收入总额。
营业收入合计包括“主营业务收入”和“其他业务收入”。
根据会计“利润表”中“营业收入”项目的本期金额数填报。
主营业务收入指企业确认的销售商品、提供劳务等主营业务的收入。
根据会计“主营业务收入”科目本年各月贷方余额(结转前)之和填报。
如未设置该科目,以“营业收入”代替填报。
利润总额指企业在一定会计期间的经营成果,是生产经营过程中各种收入扣除各种耗费后的盈余,反映企业在报告期内实现的盈亏总额。
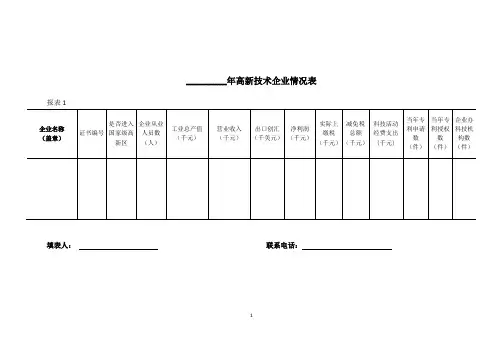
_________年高新技术企业情况表报表1填表人:联系电话:1指标解释工业总产值:本期生产成品价值、对外加工费收入、自制半成品在制品期末期初差额价值。
只要是当年生产的,不论是已销售的还是尚未销售(库存)都要计算工业总产值,强调的是当期生产的,按照当期的实际生产量计算。
营业收入:执行2006年会计准则的企业,也就是使用新利润表的,直接根据利润表内“营业收入”本年累计数填报,未执行2006年会计准则的企业,也就是仍使用旧利润表的,按“主营业务收入”与“其它业务收入”的合计数填报。
出口总额:指出售给外贸部门或直接出售给外商的产品或商品的总金额。
以美元计算。
净利润:指企业实现的利润在上交国家所得税后的剩余部分。
按会计“损益表”中“净利润”项的本年累计数填列。
实际上缴税总额:指企业实际上缴的各项税金、特种基金和附加费等。
其中包括:增值税、营业税、所得税,这三种税的数值等于实际上缴税费总额。
减免税总额:指报告期内高新技术企业根据国家或地方政府有关鼓励发展高新技术产业的优惠政策,填写对企业的优惠政策所享受的减免部分。
科技活动经费支出:指调查单位在报告期实际支出的全部科技活动费用,包括来自科研渠道以及其他各种渠道的经费实际用于科技活动支出的费用。
当年专利申请数:指企业在报告年度内向专利行政部门提出专利申请并被受理的件数。
当年专利授权数:指企业作为专利权人,在报告年度内经国内外专利行政部门授权的专利件数。
企业办科技机构数:指企业自办(或与外单位合办),管理上同生产系统相对独立(或者单独核算)的专门科技活动机构。
如企业办的技术中心、研究院所、开发中心、开发部、实验室、中试车间、试验基地等。
企业办科技活动机构经过资源整合,被国家或省级有关部门认定为国家级或省级技术中心的,应按一个机构填报。
与外单位合办的科技活动机构若主要由本企业出资兴办,则由本企业统计,否则应由合办方统计。
企业科技管理职能处(科)室(如科研处、技术科等)一般不统计在内;若科研处、技术科等同时挂有科技活动机构的牌子,视其报告年度内主要工作任务而定,主要任务是从事科技活动的可以统计,否则不予统计。
国家高新技术产业开发区企业统计表(区外经省、自治区、直辖市、计划单列市科技部门认定的高新技术企业同时适用)企业(单位)法人代码(QA03):17324926-9 进出口企业经营单位代(QA16):企业(单位)详细名称(QA04):河南九势制药股份有限公司法人性质(QA15): 1 企业(单位)通讯地址(QA05): 辉县市周卜村东南邮政编码(QA06): 453600企业(单位)注册地址(QA07): 辉县市周卜村东南企业负责人(QA08): xx 联系电话(QA09): xx 传真(QA10):xx填报人(签章) (QA11):赵一江填报人电话(QA17)xx填报时间(QA12): xx年2月17日E-mail (QA13): xx 网址(http://) (QA14):xx企业(单位)负责人签发:企业(单位)盖章:中华人民共和国科学技术部xx年十月(一)企业概况表号:GQ-001制表机关:科学技术部批准机关:国家统计局批准文号:国统制[2010]129号有效期至:xx年10月(二)经济概况表号:GQ-002制表机关:科学技术部批准机关:国家统计局批准文号:国统制[2010]129号有效期截止时间:xx年10月(三)人 员 概 况表 号:GQ -003 制表机关:科学技术部 批准机关:国家统计局批准文号:国统制[2010]129号 有效期截止时间:xx 年10月补充资料:企业法人性别(QD19) 1 1.男 2.女 出生年份(QD20):1957 年学历(QD22) 3 1.研究生 2.本科 3.大专 4.其他(四)主要产品概况表号:GQ-004制表机关:科学技术部批准机关:国家统计局批准文号:国统制[2010]129号有效期截止时间:xx年10月平衡关系:∑QE14≤QC02(表二);∑QE15≤QC07(表二);∑QE16≤QC11(表二)(五)企业科技活动概况表号:GQ-005制表机关:科学技术部批准机关:国家统计局批准文号:国统制[2010]129号有效期截止时间:xx年10月补充资料:1.企业在海外设立的技术研发机构所在的国家(QI19) 1.美国 2.欧盟 3.日本 4.其他2.知识产权获取方式(Qj88) 1.自主研发 2.受让 3.受赠 4.并购 5.通过5年以上的独占许可(六)科技项目概况表号:GQ-006制表机关:科学技术部批准机关:国家统计局批准文号:国统制[2010]129号有效期截止时间:xx年10月序号项目名称项目来源项目合作形式项目成果形式项目技术经济目标项目活动类型项目起始日期项目完成日期跨年项目所处进展阶段参加项目人员(人)项目人员实际工作时间(人月)项目经费内部支出(千元) Qh00xm m c Qh11Qh31Qh21Qh32Qh33Qh34Qh35Qh36QH44QH40Qh511 氯雷他定新工艺2 2 6 6 1 2009 2011 1 4 9 1500…注:本表由企业填报立项经费在10万元及以上的科技项目情况,无10万元以上项目的企业填报全部项目情况。
国家高新技术产业开发区企业统计表填报注意事项注意:表格中所有内容都不能空,若无相关情况,请以“——”代替。
一、表的封面务必要填列完整,尤其是负责人(QA08)、填表人(QA11)、联系电话(QA09)、填报时间(QA12)1、是否填写国家统计局一套表(QA18),通过国家统计局一套表系统上报数据的规上企业填写“1、是”,其他填写“2、否”;2、行政区划代码(QA19)采用《中华人民共和国行政区划代码》国家标准,填报县以上行政区划代码,由6位数字组成,珠海市县以上行政区划代码请参考:珠海市:400400市辖区:400401香洲区:400402斗门区:400403金湾区:400404二、企业概况表1、行业类别(QB02)和行业代码(QB03)对照新《国民经济行业分类》(GB/T4754-2011)填写,行业代码(QB03)为四位阿拉伯数字代码,文字和数字要保持对应一致;2、如企业为2012年度第二批拟认定的国家高新技术企业,在企业认定(QB11)填写“1、是”,认定高企证书编号(QB13)暂不填写认定高企证书编号(QB13);认定高企证书编号(QB13)指的是高新技术企业证书上的代码,应为GR+12位数字。
二、经济概况表1、本表中,所有经济指标按照企业2012年12月企业财务报表期末数如实填写;2、正常情况下,表中的工业总产值(QC02)与工业销售产值(QC04)相差不应太大;3、总收入(QC05)填列时应注意总和与分项之间的关系,其中高新技术产品收入(QC09)填报应与主要产品概况表中的技术领域(QE03)相吻合,属于高新技术产品的要填报高新技术产品收入;4、产品销售收入(QC07)指企业销售自行生产的产品而取得的收入,商品销售收入(QC10)指企业销售购入的其它企业产品而取得的收入,主要适用于批发零售、贸易型企业;5、规模以上工业企业综合能源消费量(煤炭、石油、天然气、电等)(QC41)只需填报“国家统计局一套表系统”的规上企业填写,规下工业企业、软件及集成电路企业、零售业企业无需填写;6、规模以上工业企业综合能源消费量(煤炭、石油、天然气、电等)(QC41)填列进行换算时:1度电=0.1229千克标准煤,1千克原煤=0.7143千克标准煤,1千克原油=1.4286千克标准煤,1千克汽油(或煤油)=1.4714千克标准煤,1千克柴油=1.4571千克标准煤,1千克石油液化气=1.7143千克标准煤;7、进出口经济指标,以千美元为单位,采用汇率参考“6.35~6.50”换算。
高新技术企业季度情况表浙江省高新技术企业季度情况表年 季单位名称(盖章): 企业法人代码:单位地址: 邮政编码: 统计编号:单位负责人(签章): 联系电话: 传真:填表人(签章): 联系电话: 上报时间: 年 月 日填表说明一、调查目的:调查全省高新技术企业的季度活动情况。
二、调查范围:省级高新技术企业。
三、报送期限:季报。
四、报送时间:每季度第一个月的10日之前。
五、填报要求:1.统计报表上报时,必须由本企业负责人签章确认,并盖机构公章。
2.必须填写企业法人代码,没有企业法人代码的企业应先办理企业法人代码本。
3.要按报表所规定的指标名称、指标含义、分类标准、编号代码认真填报。
任何单位和个人不得虚报、瞒报、拒报、迟报。
4.字迹工整,用钢笔填写,数字用阿拉伯数字,文字用汉字,英文字母用大写。
5.填报时,一律取整数。
如果数字取整后为零,须填“0”;如果某项指标值没有,填“-”。
六、主要指标说明:从业人员数:指在报告期末,在企业中从事劳动并取得劳动报酬或经营收入的全部劳动力。
研究与开发人员:指报告期末从事研究与开发活动(基础研究、应用研究、实验发展三类科学技术活动)的人员。
包括直接从事研究与开发活动的人员以及从事科技行政管理、科技服务等工作的人员。
高新技术产品:指属于下列高新技术领域的产品。
(一)电子与信息 (四)光机电一体化703、运载火箭101.电子计算机 401.先进制造技术设备 704、应用卫星102.计算机外部设备 402.机电一体化机械设备 705、探测火箭及其发射装置103.信息处理设备 403.机电基础件 706、其它航空航天产品104.计算机网络产品 404.仪器仪表(八)地球、空间、海洋工程105.计算机软件产品 405.监控设备及控制系统 801、能源、矿产资源的勘探106.微电子、电子元器件 406.医疗器械 802、固体地球观测设备107.光电子元器件及其产品 407.其它光机电一体化技术 803、大气海洋观测实验仪器108.广播电视设备(五)新能源、高效节能 804、空间环境要素探测设备109.通信设备 501.新能源 805、大型工程、海底设施基础110.其它电子信息技术 502.高效节能稳定性勘探监测设备(二)生物、医药技术 (六)环境保护806、其它地球空间海洋工程201.农林牧渔 601.大气污染防治设备(九)核应用技术 202.医药卫生 602.水污染防治设备 901、核辐射产品203.轻工食品 603.固体废弃物处理设备 902、同位素及应用产品204.其它生物技术产品 604.噪声振动、电磁辐射 903、核材料(三)新材料和放射性污染防治设备 904、核物理、核化学实验仪器及设备301.金属材料 605.环境监测仪器 905、核电子产品302.无机非金属材料 606.其它环境保护技术 906、核反应堆及其配套产品303.有机高分子材料及制品(七)航空航天 907、核能及配套产品304.复合材料 701、航天器 908、其它核应用技术305.其它新材料技术 702、航空机械设备及地面装置总收入:指企业报告期内生产产品销售收入、技术性收入和与本企业产品相关的商品的销售收入、其他业务收入、营业收入等各种收入的总和。
(六)国家高新区综合统计年报表补充填报:通过ISO14000环境认证(KB16):□ 1.是 2.否国家知识产权局认定的试点园区(KB23):□ 1.是 2.否国家知识产权局认定的示范园区(KB23_1):□ 1.是 2.否国家知识产权服务业集聚发展试验区(KB24):□ 1.是 2.否国家生态工业示范园区(KB25):□ 1.是 2.否国家自主创新示范区(KB59): □ 1.是 2.否中国自由贸易试验区(KB60): □ 1.是 2.否统计机构名称(KA04): 统计负责人(KA05):通讯地址(KA02):邮编(KA03):联系电话(KA06)传真(KA07):单位负责人(KA11): 填表人(KA08): e-Mail(KA10):报出日期(KA09): 20 年月日说明:1.填报范围:经国务院批准的国家高新技术产业开发区管委会。
2.报送日期及方式:填报单位于报告期次年4月15日前,通过网络平台上报,另外需要上报签字盖章的纸质报表(时间另行通知)。
3.审核关系:(1)KB06>=KB06_1+KB06_2 (2)KB06_1>=KB06_1A (3)KB03>KB33 (4)KB03>KB03_1 (5)KB03>KB13 (6)KB03>KB03_7 (7)KB03>KB03_8 (8)KB03>KB03_9 (9)KB03_1≥KB03_3+KB04 (10)KB03_1=KB03_4+KB03_5+KB03_6(11)KB40≥KB40_1 (12)KB51≥KB51_1表GZNB-001指标解释高新区实际管理面积指高新区管委会实际进行发展规划、土地开发、产业招商等职能的实际管理面积,即核准面积、代管面积的总和。
期末高新区实际开发土地面积指实际管辖面积范围内,已完成开发的土地面积,包括工业、房地产、基础设施等用地范围。
高新区代管面积指高新区所在城市中由当地市政府把高新区周边的乡镇的区域划归为高新区代管,所代管区域的面积。
国家高新技术产业开发区企业统计报表总说明及指标解释表GQ-001指标解释报表编号:由统计管理部门填写的便于报表收审、查阅和录入的工作编号,可以采用流水号。
是否填写国家统计局一套表: 1.是 2.否组织机构代码指根据中华人民共和国国家标准《全国组织机构代码编制规则》(GB11714-1997),由组织机构代码登记主管部门给每个企业、事业单位、机关、社会团体和民办非企业等单位颁发的在全国范围内唯一的、始终不变的法定代码。
组织机构代码共9位,由八位无属性的数字和一位校验码组成。
行政区划代码:由企业根据实际办公所在地,按照国家统计局网站上公布的最新县及县以上行政区划代码(截止2013年8月31日)填报,由6位数字组成。
法人性质:1.企业法人 2.事业法人 3.社团法人 4.民办非企业法人 5.非独立法人企业(单位)详细名称:要求按经工商行政管理部门核准,进行法人登记的名称填写,在填写时应使用规范化汉字填写企业(单位)的全称,不得使用简称,即应与企业(单位)公章所使用的名称一致。
企业隶属关系:指本企业隶属于哪一级行政管理单位,按照国家标准《单位隶属关系代码》(GB/T12404-1997)分为:中央、省、地、县、街道、镇、乡、居民委员会、村民委员会和其他。
属双重领导的单位,以领导为主的一方来划分。
隶属于“中央”的单位兴办的集体企业,隶属关系填“其他”;省属以下的企业(单位)办的企业(单位),其隶属关系与企业(单位)本身的隶属关系一致。
无主管部门的单位、本省(自治区、直辖市)在外省(自治区、直辖市)的办事机构所开办的第三产业等单位填“其他”。
如属高新区管委会办的企业,在是否高新区管委会直属(QB01_1)选择1,否则选2行业类别:主要反映企业经济活动性质。
执行新国民经济行业分类(GB/T 4754-2011)国家标准。
请据此划分进行填写。
多种经济活动并存时,请填写最主要的一类。
请填写汉字。
行业代码:对照《国民经济行业分类》(GB/T4754-2011)所选行业类别,填写行业小类代码。
国家高新技术产业开发区企业统计报表国家高新技术产业开发区企业统计报表〔区外经各地点高新技术企业认定治理机构认定的高新技术企业同时适用〕企业组织机构代码〔QA03〕: 行政区划代码(QA19):企业(单位)详细名称(QA04): 法人性质(QA15): 企业(单位)通讯地址(QA05): 邮政编码(QA06):企业(单位)注册地址(QA07):企业负责人(QA08): 联系 (QA09): (QA10):填报人(签章) (QA11): 填报人〔QA17〕填报时刻(QA12): 年月日E-mail (QA13): 网址( ://) (QA14):企业(单位)负责人签发:企业(单位)盖章:中华人民共和国科学技术部二○一三年十一月一、总说明〔一〕制表目的:为加强高新技术产业化环境建设治理工作,了解和把握国家高新区的进展状况,特制定本表。
〔二〕统计范畴:1.国家高新区:经省、自治区、直辖市、打算单列市高新技术企业认定治理机构认定并获得高新技术企业证书的企业和各国家高新技术产业开发区〔以下简称高新区〕批准入区的具有独立核算法人资格的工业企业,应用高技术进行设计、施工以及技术装备的建筑业企业,高技术服务业企业,以及可归入文化创意产业类的企业; 2.地点科技部门:经省、自治区、直辖市、打算单列市高新技术企业认定治理机构认定并获得高新技术企业证书的企业。
〔三〕报告期:每年1月1日至12月31日〔四〕填报要求:1.必须填写企业法人代码,没有企业法人代码的企业应先办理企业法人代码本。
2.字迹清晰,符号准确,书写工整,易于辨认。
所列栏目文字表达和数据都应确切、可靠,表内栏目不得空缺,无内容时填写〝无〞或〝/〞,数据有小数时,按四舍五入取整数填写。
〔五〕报送程序:1.高新区统计治理部门负责组织在高新区注册的企业统计;地点科技厅〔委、局〕负责组织区外已认定的高新技术企业统计。
2.高新区内企业负责人应按所在高新区规定的上报时刻〔由各高新区自行规定〕,指定专人填表并一式二份报送所属高新区统计治理部门录入、校对、审核,无误后,由高新区统计治理部门于次年4月初将统计报表〔一份〕和数据软盘转报科技部火炬高技术产业开发中心,同时抄报所在地点科技厅〔委、局〕火炬打算统计治理部门。
高新技术企业调查工作实施方案一、2023年河南省火炬统计(高新技术企业)调查快报工作(一)上报报表高新技术企业综合统计快报表:国家级高新区、省辖市科技局、济源示范区科技局、郑州航空港经济综合实验区管委会填报。
注:原登录帐号、密码不变。
网址:(二)上报要求高新技术企业综合统计快报表应于2023年1月21日前登录火炬统计调查系统在线填报并审核,同时将签字盖章的扫描件作为附件上传。
填报时要求认真核准所报数据,减少与年报数据的误差,统计范围口径与年报一致。
二、2023年河南省火炬统计(高新技术企业)调查年报工作(一)上报报表国家高新区企业和高新技术企业统计年报表(简称“企业报表”):填报范围是2023年在有效期内国家高新区外的高新技术企业(包括2023年新认定的高新技术企业)。
注:国家级高新区内的高新技术企业与所在地市的高新技术企业相关调整于2023年3月15日之前在火炬统计调查信息系统内完成。
(二)上报要求年报报表均通过科技部火炬统计调查信息系统()填报。
各级统计管理员由“服务机构/管理部门”入口登录,高新技术企业由个人/企业入口(前往科技部政务服务平台)登录。
由科技部火炬统计调查信息系统上报报表的具体报送要求如下:1企业报表(1)营业收入在2亿元以上的高新技术企业纸质报表,由统计调查信息系统自动生成,一式两份,加盖企业公章。
(2)从网络系统打印的上市企业清单及审核确认说明一式两份,加盖地方科技局公章。
(3)从网络系统打印的企业当年汇总数据与上年比较清单,一式两份,加盖地方科技局公章。
(4)对于企业汇总数据出现同比数据变化较大情况(如由于区划调整导致大批企业调整、有新入统或调出统计的大企业、大企业效益急剧变化等原因造成的同比发生较大变化),请提供书面变化原因情况,一式两份,加盖地方科技局公章。
(5)系统中导出的已撤销企业清单(清单信息包括企业名称、所属地域、撤销原因),一式两份,加盖地方科技局公章。
(6)系统中提示的错警因说明打印件以及其他需要说明或证明的材料,一式两份,加盖地方科技局公章。
工业高新技术企业统计调查表(2010年)企业法人代码:□□□□□□□□□企业详细名称(盖章):企业通信地址:邮政编码:广州市统计局广州市科技和信息化局2010年11月工业高新技术企业概况表号:L 1 0 8 - 1 表制定机关:广州市统计局批准机关:广东省统计局组织机构代码:□□□□□□□□□文号:粤统制表字(2010)11号附:高新技术产品品种数:个,企业主页网址:单位负责人:统计负责人:填表人:电话:统计从业资格证号:□□□□□□□□□□□□□□报出日期:20 年月日填表说明1.本表逻辑审核关系:GB100≥GB110,GB100≥GB120,GB200≥GB210+GB220,GB300≥GB310+GB320,GC10≥GC11,GC40≥GC41,GC40≥GC42,GC50≥GC51,GC70≥GC71,GC70≥GC722.全年工业总产值(现价)应与2010年的《工业企业成本费用》(B103-1表)或《工业企业财务状况》(B103-2表)中的工业总产值(当年价格)数字相一致。
3.主营业务收入应与2010年的《工业企业成本费用》(B103-1表)或《工业企业财务状况》(B103-2表)中的主营业务收入数字相一致。
4.利税总额应等于2010年的《工业企业成本费用》(B103-1表)或《工业企业财务状况》(B103-2表)中的主营业务税金及附加、应交增值税、利润总额之和。
指标解释高技术产品品种数:填写本企业生产的高技术产品总个数,与高新技术产品概况表填报的产品数相等。
主页网址:指企业在互联网上使用的网址。
是否高新技术企业:按相应的分类填写代码。
1.是,2.否。
是否在高新技术开发区:按相应的分类填写代码。
1.在国家级开发区,2.在省级开发区,3.在其他类别开发区,9.否。
是否民营科技技术企业:按相应的分类填写代码。
1.是,2.否。
企业采用质量标准:按相应的分类填写代码。
质量标准代码是:1.ISO9000系列标准及质量认证;2.GB/T19000系列标准及质量认证;3.其他国际标准;4.其他国内标准;5.企业标准。
浙江省高新技术企业季度情况表浙江省高新技术企业季度情况表年 季单位名称( 盖章) : 企业法人代码:单位地址: 邮政编码: 统计编号:单位负责人( 签章) : 联系电话: 传真:填表人( 签章) : 联系电话: 上报时间: 年 月 日填表说明一、调查目的: 调查全省高新技术企业的季度活动情况。
二、调查范围: 省级高新技术企业。
三、报送期限: 季报。
四、报送时间: 每季度第一个月的10日之前。
五、填报要求:1.统计报表上报时, 必须由本企业负责人签章确认, 并盖机构公章。
2.必须填写企业法人代码, 没有企业法人代码的企业应先办理企业法人代码本。
3.要按报表所规定的指标名称、指标含义、分类标准、编号代码认真填报。
任何单位和个人不得虚报、瞒报、拒报、迟报。
4.字迹工整, 用钢笔填写, 数字用阿拉伯数字, 文字用汉字, 英文字母用大写。
5.填报时, 一律取整数。
如果数字取整后为零, 须填”0”; 如果某项指标值没有, 填”-”。
六、主要指标说明:从业人员数: 指在报告期末, 在企业中从事劳动并取得劳动报酬或经营收入的全部劳动力。
研究与开发人员: 指报告期末从事研究与开发活动( 基础研究、应用研究、实验发展三类科学技术活动) 的人员。
包括直接从事研究与开发活动的人员以及从事科技行政管理、科技服务等工作的人员。
高新技术产品: 指属于下列高新技术领域的产品。
(一)电子与信息 (四)光机电一体化703、运载火箭101.电子计算机 401.先进制造技术设备 704、应用卫星102.计算机外部设备 402.机电一体化机械设备 705、探测火箭及其发射装置103.信息处理设备 403.机电基础件 706、其它航空航天产品104.计算机网络产品 404.仪器仪表(八)地球、空间、海洋工程105.计算机软件产品 405.监控设备及控制系统 801、能源、矿产资源的勘探106.微电子、电子元器件 406.医疗器械 802、固体地球观测设备107.光电子元器件及其产品 407.其它光机电一体化技术 803、大气海洋观测实验仪器108.广播电视设备(五)新能源、高效节能 804、空间环境要素探测设备109.通信设备 501.新能源 805、大型工程、海底设施基础。
月单位名称:填表人: 联系电话:注:1.表内数据指年初至统计期的累计数据,数据保留两位小数。
2.本表请各高新区务必于每月15日前将审核过的季报结果传真至辽宁省科技厅科技统计中心,并发送电子版至gaohc@。
联系电话:********-0传真:********-811联系人:李宁领导签字:地方统计口径:指根据高新区实际行政管辖面积进行统计的数据,与高新区向所在市政府上报数据一致。
1.固定资产投资额:指在报告期内,经以货币表现的建造和购置固定资产活动的工作量,它是反映固定资产规模、速度、比例关系和使用方向的综合性指标。
项目投资是指在统计期内,企业开工建设的生产项目形成的固定资产投资。
2.实际利用外资:指报告期内境外客商实际投入企业的资本及企业向境外借款。
3.公共财政预算收入:指政府凭借国家政治权力,以社会管理者身份筹集以税收为主体的财政收入。
4.总投资超亿元项目:指在报告期内,高新区内新注册企业出资建设的投资超亿元项目,还包括原有企业新上投资超亿元项目。
5.总投资超亿元工业项目:指在报告期内,高新区内新注册企业出资建设的投资超亿元的工业项目,还包括原有企业新上投资超亿元的工业项目,并按照项目进展(注册未开工、开工未投产、投产)进行分类统计。
项目名单包括项目名称、企业名称、总投资、项目进展。
注册未开工项目:指在高新区内经工商注册的内资项目和经外贸部门批准并颁发证书的外商投资项目。
开工未投产项目:指新开工建设且没有正式运营的项目。
新投产项目:指已生产运营的项目。
6.全社会R&D投入:指在报告期内,高新区内各类主体进行R&D投入的总和。
7.高新技术产品增加值:指在报告期内,企业生产高新技术产品活动的总成果扣除了在生产过程中消耗或转移的物质产品和劳务价值后的余额。
季度单位名称:填表人: 联系电话:注:1.表内数据指年初至统计期的累计数据,数据保留两位小数。
2.本表请各高新区务必于每年1月15日、4月15日、7月15日、10月15日前将审核过的季报结果传真至辽宁省科技厅科技统计中心,并发送电子版至gaohc@。
高新技术企业综合统计快报表(2019年度)审核关系:(1)K1C1>=K1C2 (2)K2E>=K1E (3)K1G>KH说明:1.本表为年报,填报2019年1月1日至2019年12月31日情况。
2.填报范围:各省、自治区、直辖市、科技厅(委、局)报送经各地方高新技术企业认定管理机构认定,并经全国高新技术企业认定管理工作领导小组备案,获得高新技术企业证书,且证书于报告期年底尚在有效期内的企业综合情况。
3.本表企业于2020年1月10日前经领导签字盖章后扫描PDF报送至所在区科技主管部门审核。
快报表指标解释高新技术企业是指经各地方高新技术企业认定管理机构认定,并经全国高新技术企业认定管理工作领导小组备案,获得高新技术企业证书,且证书于报告期年底尚在有效期内的高新技术企业。
年末从业人员指期末最后一日24时在本单位中工作,并取得工资或其他形式劳动报酬的人员数。
该指标为时点指标,不包括最后一日当天及以前已经与单位解除劳动合同关系的人员,是在岗职工、劳务派遣人员及其他从业人员之和。
从业人员不包括:(1)离开本单位仍保留劳动关系,并定期领取生活费的人员;(2)利用课余时间打工的学生及在本单位实习的各类在校学生;(3)本单位因劳务外包而使用的人员,如:建筑业整建制使用的人员。
出口总额指企业自营(委托)出口(包括销往香港、澳门、台湾地区)或交给外贸部门出口的产品、商品、出售给境外企业的技术或者为外商提供服务获得收益的总金额。
包括外商来样、来料加工、来件装配和补偿贸易等生产的产品价值,以及境外技术合同或者服务实现金额。
工业总产值指工业企业在报告期内生产的以货币形式表现的工业最终产品和提供工业劳务活动的总价值量。
营业收入指企业经营主要业务和其他业务所确认的收入总额。
营业收入合计包括“主营业务收入”和“其他业务收入”。
根据会计“利润表”中“营业收入”项目的本期金额数填报。
利润总额指企业在一定会计期间的经营成果,是生产经营过程中各种收入扣除各种耗费后的盈余,反映企业在报告期内实现的盈亏总额。
高新技术企业综合统计快报表
说明:
1.本表为年报,填报2018年1月1日至2018年12月31日情况。
2.填报范围:各省、自治区、直辖市、科技厅(委、局)报送经各地方高新技术企业认定管理机构认定,并经全国高新技术企业认定管理工作领导小组备案,获得高新技术企业证书,且证书于报告期年底尚在有效期内的企业综合情况。
3.本表企业于2019年1月15日前经领导签字盖章后扫描PDF报送至所在区科技主管部门审核。
快报表指标解释
高新技术企业是指经各地方高新技术企业认定管理机构认定,并经全国高新技术企业认定管理工作领导小组备案,获得高新技术企业证书,且证书于报告期年底尚在有效期内的高新技术企业。
年末从业人员指期末最后一日24时在本单位中工作,并取得工资或其他形式劳动报酬的人员数。
该指标为时点指标,不包括最后一日当天及以前已经与单位解除劳动合同关系的人员,是在岗职工、劳务派遣人员及其他从业人员之和。
从业人员不包括:
(1)离开本单位仍保留劳动关系,并定期领取生活费的人员;
(2)利用课余时间打工的学生及在本单位实习的各类在校学生;
(3)本单位因劳务外包而使用的人员,如:建筑业整建制使用的人员。
出口总额指企业自营(委托)出口(包括销往香港、澳门、台湾地区)或交给外贸部门出口的产品、商品、出售给境外企业的技术或者为外商提供服务获得收益的总金额。
包括外商来样、来料加工、来件装配和补偿贸易等生产的产品价值,以及境外技术合同或者服务实现金额。
工业总产值指工业企业在报告期内生产的以货币形式表现的工业最终产品和提供工业劳务活动的总价值量。
营业收入指企业经营主要业务和其他业务所确认的收入总额。
营业收入合计包括“主营业务收入”和“其他业务收入”。
根据会计“利润表”中“营业收入”项目的本期金额数填报。
利润总额指企业在一定会计期间的经营成果,是生产经营过程中各种收入扣除各种耗费后的盈余,反映企业在报告期内实现的盈亏总额。
利润总额为营业利润加上营业外收入,减去营业外支出后的金额,根据会计“利润表”中“利润总额”项目的本年累计数填报。
净利润指企业实现的利润在上交国家所得税后的剩余部分。
按会计“损益表”中“净利润”项的本年累计数填列。
实际上缴税费总额指企业在报告期内实际上缴的各项税金、特种基金和附加费等。
按当年实际发生额填报。
实际减免税总额指报告期内企业根据国家或地方政府有关政策,实际享受的各种减免税总额。
包括税率式减免、税基式减免和税额式减免三类。
具体包括已申报已审批、非申报非审批的征前减免和退库减免。
其中,征前减免包括所得税加计扣除减免、欠税抵顶减免、对个体工商户提高起征点减免等;退库减免包括税务部门审批办理的先征后退(即征即退)、财政部门审批办理的流转税先征后退减免。
享受高新技术企业所得税减免指报告期内高新技术企业按照国家有关政策依法享受的企业所得税减免额,按填报期当年税务部门实际减免的税额填报。
如本年实际发生的减免额为零,即填0。
对填报期上年应获得减免但未予实施,而实际在填报期年度获得减免的,须计入填报期填报。