±1100kV直流换流变压器
- 格式:doc
- 大小:85.50 KB
- 文档页数:9
基于±1100kV古泉换流站的特高压换流站工程送电调试精细化管理随着我国电力工业的迅猛发展,特高压电力传输技术已经成为关键领域之一。
特高压换流站作为特高压输电的重要组成部分,其工程送电调试过程至关重要。
±1100kV古泉换流站是我国特高压输电工程的重要节点,为了确保其顺利投运并具备稳定可靠的送电能力,精细化管理在工程送电调试中显得尤为重要。
本文将从管理角度探讨基于±1100kV古泉换流站的特高压换流站工程送电调试精细化管理。
一、送电调试的重要性特高压换流站是为了实现输变电系统中输电线路的相互连接、线路的电气参数调整及滤波等电气功能。
而送电调试是保证特高压换流站性能和功能完好的重要环节,是工程实现和可靠性保障的重要保障。
只有将特高压换流站的各项性能指标调试到设计要求范围内,才能确保整个输变电系统的安全、可靠、高效运行。
送电调试是特高压换流站建设工程的关键环节,涉及焦点问题多,技术性强,风险大。
二、送电调试的精细化管理1、明确目标和要求特高压换流站工程送电调试的精细化管理首先要明确目标和要求。
明确工程的技术指标和性能要求,制定送电调试的具体方案和实施计划,明确项目的时间节点和里程碑。
要求各项工作按照相关标准和规范进行,确保整个送电调试过程的依法依规进行。
2、合理规划和组织在送电调试精细化管理中,要合理规划和组织。
对整个送电调试过程进行专业、详细的规划,科学安排工程人员和设备,协调各方资源,保证工程按照计划进行。
要制定详细的工作流程和程序,建立完善的协调机制和应急预案,确保整个送电调试过程的有序进行。
3、加强监督和管理送电调试的精细化管理还需要加强监督和管理。
对工程的执行情况进行全程监控,确保各项工作按时、按质、按量完成。
加强对各方工作人员的指导和培训,确保工程人员的专业技能和安全意识。
建立完善的资料记录和档案管理制度,做好相关资料的整理和归档工作,为今后的运维和管理提供依据。
基于±1100kV古泉换流站的特高压换流站工程送电调试精细化管理随着我国电力输电技术的不断发展和进步,特高压换流站已经成为电力系统中不可或缺的一部分。
特高压换流站作为输电通道的重要组成部分,对于保障电网运行的安全稳定起着至关重要的作用。
而特高压换流站的送电调试精细化管理则更是对于电网运行安全稳定的保障。
本文将围绕基于±1100kV古泉换流站的特高压换流站工程送电调试精细化管理这一话题展开讨论。
一、特高压换流站送电调试的重要性特高压换流站是电力系统中输电通道的重要枢纽,是将变电站发出的电力通过换流变压器转换成直流输送出去的重要设备。
特高压换流站的送电调试是对其运行状态和性能进行检验的过程,其重要性不言而喻。
送电调试必须保证设备运行的稳定性和可靠性,确保设备可以在实际工作中达到设计标准,并能够安全、稳定地运行。
只有通过送电调试的精细化管理,我们才能够及时发现和解决问题,确保特高压换流站的安全运行。
1. 完善的技术准备在进行特高压换流站送电调试前,需要做好充分的技术准备工作。
要对特高压换流站的设计手册、工程图纸、设备说明书、施工规范等资料进行充分了解,对特高压换流站的各个部件和设备的性能、特点、使用要求等有一个全面的了解。
要对特高压换流站的设备和系统进行全面检查和测试,确保设备和系统的正常运行。
只有做好充分的技术准备,才能够保证特高压换流站送电调试的顺利进行。
2. 严格的操作规程在进行特高压换流站送电调试时,必须严格按照操作规程进行操作,不得有任何的马虎和大意。
操作人员必须按照相关规定进行操作,不得擅自更改操作程序,确保操作的正确性和安全性。
特高压换流站送电调试过程中,操作人员必须严格遵守安全操作规定,做好个人防护,杜绝一切安全事故的发生。
3. 充分的数据记录特高压换流站送电调试过程中,需要对各个参数和数据进行充分的记录。
只有通过详细的数据记录,我们才能够对特高压换流站的运行情况进行全面的了解,及时发现运行异常,及时进行处理。
±1100kV特高压直流输电的可行性及关键技术摘要:本文介绍了特高压直流输电的技术特点,并在现有±800kV特高压直流输电工程项目的基础上,结合近几年我国相关领域的技术研发成果,论述了发展±1100kV特高压直流输电工程的可行性,并针对发展±1100kV特高压直流输电工程提出了需要重点解决的技术问题和关键思路。
关键词:±1100kV 特高压直流输电换流站晶闸管电磁环境1、前言我国虽然地大物博,电力资源的分布却极不平衡,中部和东部发达地区的电力需求约占全国的69%,而水能和煤炭资源却不足全国的25%,电力供应紧张。
为了缓解这一形势,实现能源的优化配置,远距离、大容量的输电工程成为了必然的解决途径。
当前我国特高压直流输电工程的最高等级为±800kV,如云广特高压直流输电工程、向家坝至上海直流输电工程、锦屏至苏南直流输电工程等,为我国特高压直流输电的发展积累了工程实践经验。
随着输电距离和送电容量加大,考虑到设备的制造和运输难度、线路的损耗等,必须提高直流输电电压等级。
国家十二五特高压电网的重点工程——准东至重庆±1100kV特高压直流输电工程,是“疆电外送”的重要能源通道,全线总长度约2687千米,总投资370亿元,预计2014年投运,届时这一工程将打破世界输电工程电压等级、输送容量、输电距离三项纪录。
2、特高压直流输电的技术特点(1)特高压直流输电的输送容量更大、送电距离更远,且输电线路的走廊宽度为交流输电线路的一半;(2)直流输送的功率大小和方向可以实现快速控制和调节;(3)直流输电工程运行时,单极发生故障时,另一极还能够继续运行,并可以发挥过负荷能力,最大限度的减少输送功率的损失;(4)直流系统具有调制功能,可根据系统要求作出快速响应,提高电力系统暂态稳定水平;(5)采用直流输电线路使大电网之间互联,每个电网之间不会产生相互干扰和影响,并可在必要时迅速进行功率交换。
±1100kv直流换流站技术标准一、概述±1100kV直流换流站是用于输送大功率直流电能的场所,主要用于远距离输电、海底电缆、特高压电网等领域。
为了保证直流换流站的稳定运行和安全可靠,本文件提供了±1100kV直流换流站的技术标准。
二、设备选择与配置1. 设备选择应考虑技术成熟度、可靠性、安全性等因素,同时应考虑经济性、环保性等因素。
2. 应根据工程需求,合理配置直流换流站所需的设备,包括换流阀、直流变压器、无功补偿装置等。
3. 换流阀应采用先进的密封技术,保证长期运行下的密封性能。
4. 直流变压器应采用低损耗、高效率的型号,并应考虑环保因素。
5. 无功补偿装置应满足系统需求,保证电网的稳定运行。
三、电气系统设计1. 应根据工程需求,合理设计直流输电线路,保证输送功率和稳定性的要求。
2. 应根据±1100kV直流输电的要求,合理设计电气主接线,包括交流输入输出接口、直流输电线路、保护装置等。
3. 应考虑电气设备的防雷接地措施,保证电气设备的安全运行。
4. 应根据电气系统的运行要求,合理配置各种保护装置,包括过电流保护、过电压保护、低电压保护等。
四、土建结构设计1. 土建结构应满足工程荷载要求,包括人员荷载、设备荷载、风荷载、地震荷载等。
2. 应根据±1100kV直流换流站的特殊要求,合理设计结构形式和支撑系统,保证设备的安装和维护。
3. 应考虑环保因素,合理设计建筑物的通风和排水系统。
4. 应根据地质条件和环境因素,合理选择地基处理方式,保证建筑物的基础稳定。
五、环境影响评价1. 应考虑±1100kV直流换流站对环境的影响,包括噪声、电磁辐射、固体废弃物等。
2. 应采取有效的环境保护措施,降低对环境的影响,包括噪声控制、电磁屏蔽、废物处理等。
3. 应定期进行环境监测,确保环境保护措施的有效性。
六、安全与防护1. 应根据±1100kV直流换流站的特殊要求,制定完善的安全管理制度和应急预案。
基于±1100kV古泉换流站的特高压换流站工程送电调试精细化管理随着我国电力工业的飞速发展,特高压换流站工程的建设和运行已经成为了电力行业中的一个重要环节。
古泉换流站是我国首个±1100kV特高压换流站,具有极其重要的战略地位。
为了确保这一特高压换流站的稳定运行,需要对其进行精细化的送电调试管理,以确保其安全、高效、稳定地运行。
特高压换流站是电网系统中重要的设备之一,它能够实现不同电压等级之间的互联互通,对于提高电网运行的可靠性和稳定性具有重要意义。
在进行特高压换流站的送电调试工作时,需要进行系统性的规划和管理,以确保整个过程的安全性和有效性。
精细化管理需要建立科学合理的调试计划。
在进行特高压换流站送电调试工作时,需要根据实际情况制定详细的调试计划,包括设备调试顺序、调试参数设置、检测手段和方法等。
只有建立科学合理的调试计划,才能确保送电调试工作的有效性和安全性。
精细化管理需要严格执行操作规程。
在特高压换流站送电调试过程中,需要严格遵守操作规程,对于每一个操作步骤都需要进行严格的执行和检查。
只有严格执行操作规程,才能确保送电调试过程中不会出现安全隐患,保证设备的安全和可靠运行。
精细化管理需要配备专业技术人员。
特高压换流站送电调试工作需要具备丰富的经验和专业知识,只有具备这些条件的技术人员才能够有效地开展送电调试工作。
需要在送电调试过程中配备一定数量的专业技术人员,以确保调试工作的有效开展。
精细化管理需要做好安全防护工作。
在进行特高压换流站送电调试工作时,需要做好安全防护工作,包括设备防护、人员防护等。
只有做好安全防护工作,才能有效地保障送电调试过程中的安全。
精细化管理需要建立健全的监督检查机制。
在特高压换流站送电调试过程中,需要建立健全的监督检查机制,对于送电调试工作的每一个环节都需要进行监督检查,及时发现和解决问题。
只有建立健全的监督检查机制,才能确保送电调试工作的有效性和安全性。
±1100kV特高压直流输电的可行性及关键技术摘要:本文介绍了特高压直流输电的技术特点,并在现有±800kV特高压直流输电工程项目的基础上,结合近几年我国相关领域的技术研发成果,论述了发展±1100kV特高压直流输电工程的可行性,并针对发展±1100kV特高压直流输电工程提出了需要重点解决的技术问题和关键思路。
关键词:±1100kV 特高压直流输电换流站晶闸管电磁环境1、前言我国虽然地大物博,电力资源的分布却极不平衡,中部和东部发达地区的电力需求约占全国的69%,而水能和煤炭资源却不足全国的25%,电力供应紧张。
为了缓解这一形势,实现能源的优化配置,远距离、大容量的输电工程成为了必然的解决途径。
当前我国特高压直流输电工程的最高等级为±800kV,如云广特高压直流输电工程、向家坝至上海直流输电工程、锦屏至苏南直流输电工程等,为我国特高压直流输电的发展积累了工程实践经验。
随着输电距离和送电容量加大,考虑到设备的制造和运输难度、线路的损耗等,必须提高直流输电电压等级。
国家十二五特高压电网的重点工程——准东至重庆±1100kV特高压直流输电工程,是“疆电外送”的重要能源通道,全线总长度约2687千米,总投资370亿元,预计2014年投运,届时这一工程将打破世界输电工程电压等级、输送容量、输电距离三项纪录。
2、特高压直流输电的技术特点(1)特高压直流输电的输送容量更大、送电距离更远,且输电线路的走廊宽度为交流输电线路的一半;(2)直流输送的功率大小和方向可以实现快速控制和调节;(3)直流输电工程运行时,单极发生故障时,另一极还能够继续运行,并可以发挥过负荷能力,最大限度的减少输送功率的损失;(4)直流系统具有调制功能,可根据系统要求作出快速响应,提高电力系统暂态稳定水平;(5)采用直流输电线路使大电网之间互联,每个电网之间不会产生相互干扰和影响,并可在必要时迅速进行功率交换。
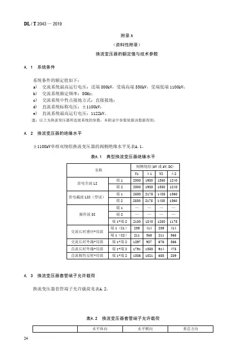
附录A(资料性附录)换流变压器的额定值与技术参数A. 1 系统条件系统条件的额定值如下:a)交流系统最高运行电压:送端800kV,受端高端550kV,受端低端1100kV;b)交流系统额定频率:50Hz;c)交流系统中性点接地方式:直接接地;d)直流系统标称电压:±1100kV;e)直流系统最高运行电压:1122kV。
注:以上为换流变压器所连接系统的参数,本附录中参数依据该数据得到。
A. 2 换流变压器的绝缘水平±1100kV单相双绕组换流变压器的阀侧绝缘水平见表A.1。
表A.1 典型换流变压器绝缘水平阀侧绕组(kV或kV,DC)名称Y1 Δ1Y2 Δ2端1 2300198013501240雷电全波LI端2 2300198013501240端1 2530217514851360雷电截波LIC(型试)端2 2530217514851360端1 — — — —端2 — — — —操作波SI端1+端22100184012501175端1(U1)239414239414交流长时感应+局放端1(U2)211365211365交流长时外施+局放 端1+端21297987676366直流长时外施+局放 端1+端217911353914475直流极性反转+局放 端1+端213861021655289A. 3 换流变压器套管端子允许载荷换流变压器套管端子允许载荷见表A.2。
表A.2 换流变压器套管端子允许载荷水平纵向 水平横向 垂直方向2425网侧 3000N 2000N 2000N 阀侧 3000N 3000N 3000N 中性点2000N2000N1500N注:静态安全系数不小于2.5,动态安全系数不小于1.67,至少承受扭矩400N·m。
A. 4 换流变压器套管电流互感器换流变压器套管电流互感器的配置及要求跟据工程要求,包括但不限于表A.3。
表A.3 换流变压器套管电流互感器阀侧套管装设位置 网侧套管 中性点套管Y1套管 Δ1套管Y2套管Δ2套管数量(组)与阀相连套管与中性点相连套管首端套管尾端 套管与阀相连套管与中性点相连套管首端套管尾端 套管线圈数量 (个)从引出端子至变压器本体分别为:准确级电流比 二次容量A. 5 换流变压器阀侧套管末屏电压分压器换流变压器阀侧套管末屏电压分压器的配置及要求跟据工程要求,包括但不限于表A.4。
摘要换流变压器是直流输电系统中最重要的设备之一,短路阻抗是确定整个直流系统成套设计方案的最重要输入条件,对直流主回路参数、短路电流、绝缘配合、无功配置、设备制造、大件运输、技术经济性等具有决定性作用。
定量分析了±1100 kV特高压直流工程中以上因素对阻抗选择的影响,并提出了全寿命周期成本分析方法。
基于此分析,以±1100 kV昌吉—古泉特高压直流工程为例,提出了该工程的最优阻抗推荐值,并应用于实际工程。
关键词:±1100 kV直流输电;换流变压器;短路阻抗;绝缘配合;可靠性;全寿命成本0 引言±1100 kV特高压直流输电技术具有经济输电距离更长、输送能力更强、输电损耗更低等优势,将实现特高压直流输电技术的再次创新与革命[1] 。
换流变压器是直流输电系统中最重要的设备之一,发挥着交直转换和交直隔离的重要作用。
换流变压器短路阻抗是确定整个直流系统成套设计方案的重要输入条件,对直流主回路参数、短路电流、绝缘配合、无功配置、变压器制造和运输等具有决定性作用。
合理选择换流变短路阻抗,可以使换流变的损耗、造价、尺寸等技术参数达到最优,同时又能与换流阀等设备能力最优匹配满足直流系统的各项要求,使整个直流系统的技术经济性最优。
因此,短路阻抗的优化选择对直流输电工程具有重要作用,是成套设计的最重要工作之一。
以往直流工程短路阻抗的选取大部分基于厂家的设计经验,更多的是考虑换流变能否运输来决定阻抗大小。
部分文献涉及到了短路电流、无功消耗和设备成本等三个方面的因素,并未全面考虑各影响因素及阻抗导致的全寿命周期成本的影响。
本文基于对±1100kV换流变阻抗各影响因素的综合考虑,在初步选定换流变短路阻抗范围的基础上,研究了不同的换流变短路阻抗对直流系统设计参数的影响,着重计算了阀短路电流、最大换相角、绝缘水平、无功消耗水平、降压过负荷运行需求等技术参数。
最终确定了适合±1100 kV昌吉—古泉特高压直流工程送受端换流变的最优短路阻抗。
±1100kV特高压直流换流站均压装置概念设计及结构优化作者:张炜常林晶杨国华彭宗仁王加龙刘桂华来源:《科技视界》2019年第24期【摘要】本文针对特高压直流换流站直流金具均压装置进行概念设计,选取典型均压装置进行分析对比,对均压装置电场强度集中的区域进行优化,降低均壓装置的最大电场强度。
通过仿真分析,进行优化设计,对几种典型结构进行分析对比,确定±1100kV均压装置的推荐结构。
对优化后的均压装置进行试制,并进行试验验证,确定±1100kV特高压换流站典型均压装置的结构。
本项目的研究对于±1100kV特高压直流工程均压装置设计具有指导意义,对推动特高压直流输电技术的进步和发展具有重大意义。
【关键词】换流站;均压装置;仿真分析;直流金具中图分类号: TM723 文献标识码: A 文章编号: 2095-2457(2019)24-0106-003DOI:10.19694/ki.issn2095-2457.2019.24.049【Abstract】This paper introduces the conceptual design of the shielding device for DC fittings of UHVDC converter station. Select a typical shielding device for analysis and comparison. The area of ??the shielding device where the electric field strength is concentrated is optimized to reduce the maximum electric field strength of the shielding device. Through simulation analysis, the optimized design was carried out, several typical structures were analyzed and compared, and the recommended structure of ±1100kV shielding device was determined. The optimized shielding device has been prototyped and tested to determine the structure of a typical shielding device for a ±1100kV UHV converter station. The research of this project has guiding significance for the design of±1100kV UHV DC engineering shielding device, and is of great significance for promoting the progress and development of UHV DC transmission technology.【Key words】UHV DC; Shielding device; Simulation analysis; DC fittings0 前言在±1100kV 直流工程中,直流电压由±800kV提升到±1100kV,相应极线操作冲击耐受电压也由1600kV 提升至2100kV。
附件一项目一:“特高压直流输电成套装备关键技术与设备研究开发”重大难题攻关项目征集要求一、项目名称特高压直流输电成套装备关键技术与设备研究开发1.总体目标及主要任务总体目标:1)通过研究掌握±1100kV特高压直流输电系统研究和成套设计核心技术,提出依托工程系统关键设计数据,完成系统研究与成套设计报告、设备规范;2)完成±1100kV直流工程用换流阀的试制,并通过试验;3)完成±1100kV直流工程用换流变压器设计研究及试验方案研究,为研制工程设备做好技术储备;4)完成±1100kV直流工程用直流隔离开关和接地开关样机、直流母线避雷器样机、支柱复合绝缘子样机试制,并通过试验;5)进行±800kV特高压直流输电成套设备的工程应用。
主要任务:1)针对±1100kV依托工程的系统条件,完成±1100kV特高压直流输电工程系统研究和成套设计;2)基于6英寸晶闸管元件的技术参数,完成换流阀的研制,并通过相关例行和型式试验,其中包含参数为5000A/1100kV的高压双重阀阀塔和四个换流阀组件;3)独立自主完成具有自主知识产权的满足依托工程的高端换流变压器设计;4)完成特高压直流隔离开关和接地开关、支柱复合绝缘子、避雷器的设计、试验技术研究和样机试制;5)进行±800kV特高压直流输电成套设备的优化设计和工程应用。
2.课题设臵本项目设臵四个课题课题一:±1100kV特高压直流输电工程系统研究和成套设计课题二:±1100kV/5000A特高压直流输电换流阀研制课题三:±1100kV特高压直流输电工程用换流变压器技术开发课题四:±1100kV特高压直流输电工程直流场关键设备研制3.完成期限于2014年12月前完成。
4.技术指标:技术指标以±1100kV设备技术为主,综合技术水平达到国际领先。
±1100kV换流变压器现场安装技术浅谈杨耀安摘要:±1100kV特高压直流输电工程是目前世界上电压等级最高,输送容量最大,输电距离最长的直流输电工程。
换流变压器作为特高压直流输电工程的核心设备之一,具有附件体积大,安装结构复杂,工艺处理要求较高等特点。
因此对现场安装中风险把控和工艺控制提出了更高的要求。
关键词:±1100kV换流变压器;现场安装0.引言昌吉-古泉±1100kV特高压直流输电工程起于新疆昌吉换流站,止于安徽古泉换流站。
线路总长3319km,额定电压±1100kV,额定输送功率12GW。
昌吉-古泉±1100kV特高压直流输电工程是国家为落实治理大气污染行动计划,落实“一带一路”举措所建造的世界电压等级最高,输电线路最长,输送容量最大,技术水平最先进的特高压直流输电工程。
作为第二条“疆电外送”特高压直流输电工程,该工程的建设,对拉动新疆地区经济发展,缓解华东地区日益紧张的用电需求具有重大的意义。
在该工程中,首次将直流电压等级由原先的±800kV提升至±1100kV,这对换流变压器的绝缘性能提出了更高的挑战。
±1100kV换流变压器相比于±800kV换流变压器,具有容量大,油箱体积大,阀侧套管重量大,出线装置结构复杂等新技术难点。
为确保换流变压器安装质量,在换流变压器现场安装的各个环节必须严把控,高要求。
1.换流变压器安装步骤±1100kV换流变压器(以下简称换流变)由于体积较大。
若换流变本体就位于最终运行位置,则在换流变附件安装过程中会与降噪装置(Box-In)的安装位置产生冲突。
因此,换流变的安装将在换流变广场进行。
现场安装步骤可细分为本体就位,附件安装,牵引就位,抽真空,真空注油,热油循环,静置。
图1.±1100kV换流变现场安装流程2.换流变附件安装±1100kV换流变与一般的±800kV换流变相比,±1100kV阀侧套管重量增加了250%,由6.2T增加至15.5T;轴向直径增加了9%,由1.1m增加至1.2m。
±1100kV换流站安全绝缘距离研究
电力系统中的换流站是交流输电和直流输电之间的重要节点。
在换流站中,交流电流
被转换成直流电流,然后再经过直流线路输送到目标地点。
换流站的安全运行对电力系统
的稳定运行至关重要。
安全绝缘距离是换流站设计和运行中的一个重要参数。
安全绝缘距离是指在正常操作和特定故障条件下,换流站设备与高压部件之间必须满
足的最小距离。
这个距离应足够大,以防止电弧的形成和电击事故的发生。
换流站中的电
气设备具有高电压和大功率,因此必须采取一系列措施来确保其安全运行。
换流站的安全绝缘距离应考虑以下几个方面:高压部件之间的最小距离、高压部件与
建筑物之间的最小距离、高压部件与地面之间的最小距离等。
这些距离的设置需要根据不
同的工况和故障条件来确定。
在正常操作条件下,高压部件之间的最小距离可以通过合理
布置设备的方式来实现。
而在故障条件下,应考虑可能产生的电弧或电击事故,并采取相
应的安全措施,如设置隔离开关、装置电弧故障检测系统等。
为了研究和确定换流站的安全绝缘距离,需要进行一系列的电场分析和隔离距离计算。
在计算过程中,需要考虑电气设备的特性、工作条件、电场强度和电介质强度等因素。
根
据国家标准和规范的要求,可以制定相应的安全标准和指导意见,以确保换流站的设计和
运行符合安全要求。
±1100kV换流站安全绝缘距离研究1. 引言1.1 背景介绍±1100kV换流站是电力系统中重要的电力设备之一,用于将直流输电线路与交流电力系统相连。
在电力系统运行过程中,换流站的安全运行是至关重要的。
而安全绝缘距离作为保障电力设备运行安全的重要参数之一,需要得到充分重视和研究。
随着电力系统的不断发展和变化,±1100kV换流站的安全绝缘距离问题日益凸显。
目前,对于这一问题的研究仍存在一定的不足,需要进一步深入探讨。
本文旨在对±1100kV换流站的安全绝缘距离进行研究,分析其现状、影响因素,探讨计算方法,并提出优化措施,以提高换流站的安全性能。
通过对±1100kV换流站安全绝缘距离的研究,可以为电力系统的安全稳定运行提供重要参考,同时也能够为相关领域的研究提供一定的借鉴和启示。
希望本文的研究能够为换流站安全绝缘距离问题的解决提供一定的帮助和参考。
1.2 研究目的本文的研究目的是通过对±1100kV换流站安全绝缘距离的研究,探讨其现状、分析影响因素、探讨计算方法、进行实地测试与模拟仿真,并提出安全绝缘距离的优化措施。
通过深入研究换流站安全绝缘距离的相关问题,旨在为改善电力系统运行安全提供科学依据和技术支持。
具体目的包括:分析当前换流站安全绝缘距离存在的问题和不足,深入研究影响安全绝缘距离的因素,探讨安全绝缘距离的计算方法以及实地测试和模拟仿真技术的应用,为提高换流站的安全性和可靠性提供可行的解决方案。
通过本文的研究和分析,旨在为电力系统的安全运行和电力设备的设计提供科学指导和技术支持。
1.3 研究意义随着电力系统的发展和规模的扩大,±1100kV换流站在输电中起着至关重要的作用。
而安全绝缘距离是保障换流站运行安全稳定的重要参数之一。
深入研究±1100kV换流站安全绝缘距离的意义重大且必要。
研究安全绝缘距离可以有效提高换流站的运行安全性和稳定性。
全球首台±1100千伏高压直流变压器r通过试验
佚名
【期刊名称】《中国机电工业》
【年(卷),期】2017(000)012
【总页数】1页(P22)
【正文语种】中文
【相关文献】
1.全球首台1100千伏特高压直流变压器\r 助力西电东送构建智能绿色电网 [J],
2.世界首台正负800千伏特高压直流变压器研制成功 [J],
3.±1100千伏特高压直流输电电磁环境试验研究通过验收 [J],
4.ABB参与国家特高压直流输电工程建设为南方电网特高压直流输电工程提供800千伏特高压直流变压器 [J],
5.世界首台发送端±1100千伏高压直流换流变压器发运 [J],
因版权原因,仅展示原文概要,查看原文内容请购买。
±1100kV直流换流变压器
一、产品简介
±1100kV特高压直流输电技术是一个全新的电压等级,也是目前世界输电技术的最高点,而且新疆电网已经以750kV交流电压等级和西北电网联网,若实现交直流并行输电,网侧电压将采用750kV,阀侧电压将达到±1100kV。
此产品将依托国家电网公司准东送出±1100 kV
特高压直流输电工程开发研制。
±1100kV直流系统拟采用每极双十二脉动换流器“550kV+550kV”串联的接线方案,如图1所示。
额定直流电流:4750A。
考虑投入备用冷却设备后、在当地最高环境温度下,直流系统的最大电流达到5000A。
主回路考虑直流系统双极运行方式,1100kV直流额定输送功率
10450MW。
图1 “550kV+550kV”换流器接线方案
换流变压器电气接线与每个12 脉动阀组相连的有6台换流变压器,图1中的“换流变HY”和“换流变LY”各3台,换流变压器的阀
侧绕组采用星形连接,“换流变HD”和“换流变LD”各3台,阀侧绕组采用三角形连接。
从高压端到低压端换流变压器阀侧绕组连接方式依次为星形接线-三角形接线-星形接线-三角形接线。
二、技术介绍
(一)产品技术特点
1、节能、环保、高效。
目前,我国电力电压等级最高的直流输电项目为±800kV特高压直流输变电工程,但新疆能源基地距离中东部用电负荷中心超过2400公里,若采用±800kV特高压直流输电技术,电力外送损耗可能超过10%,因此,±1100kV直流输电技术,是我国实现远距离大容量输电的重大战略举措,更加节能、环保、高效。
2、传输容量大,建设成本降低。
±1100kV直流输电与±800kV直流输电、两个±500kV直流输电比较:
1)输送容量大幅提升。
2)占地面积小。
3)输电线路造价低, 输电用电缆与±800kV相近,比±800kV总体输送容量高,比两个±500kV输电线路造价少一半。
3、结构环保
±1100kV直流换流变压器产品采用全密封结构,变压器油无渗漏的特点,对环境无污染,符合国家环保政策的要求。
(二)技术难点及解决方案
1、±1100kV换流变压器运输
±1100kV换流变按两种运输方式考虑:
1) 线圈等组部件分散运输到现场,在换流站附件建设组装厂房,现场组装换流变压器。
2)“水路+公路”运输方式,长度13.0m、宽度5.2m、高度5.2m、最大运输重量480吨。
由于电压等级和容量的双重提升,运输已经成为首要解决的大问题。
经初步计算,无论铁心采用两柱还是三柱,都无法整体运输,需考虑解体运输。
这将会带来现场搭建临时厂房、设干燥炉、以及现场组装、现场试验等一系列问题。
2、绝缘问题
绝缘问题存在两大难点。
阀侧电压±1100kV换流变压器主绝缘结构和网侧电压750kV端部出线结构以及±1100 kV阀侧出线绝缘。
±1100kV换流变压器除了要经受住长期工作电压、短时感应试验电压(ACSD)、长时感应试验电压(ACLD)、长时交流外施耐压、操作冲击试验、雷电冲击试验等的考验外,还要经受直流两小时的直流耐压和近四小时的极性反转试验。
线圈间和端部绝缘结构的可靠性设计非常关键,利用电场分析程序计算在各种绝缘试验情况下的各油隙、绝缘纸板及电极表面场强,我们将通过合理选择主、纵绝缘裕度,布置角环位置、数目及选择合适的角环圆角值来保证其绝缘可靠性,全面分析沿电力线各油隙的电场分布以及沿绝缘纸板的爬电强度,通过优化绝缘结构消除整个绝缘系统中的薄弱环节。
3、试验装备及能力
目前试验大厅的接地系统和屏蔽系统按照±1100 kV换流变压器的水平进行设计和建设,由于±1100 kV换流变压器阀侧电压较高,当时对试验系统在原有的基础上进行了全面的升级建设。
其主要设备的相关技术参数全部是特变电工自行提出与制造厂家共同研制和制造的,这些设备的电压等级多为国内或世界同行电压等级最高的。
进行±1100 kV换流变压器的试验,还需对试验大厅和试验系统进行全面的升级。
(三)行业技术水平
对于±500kV换流变压器,国内外制造技术成熟,如中国南方电网公司的贵广一回、贵广二回,中国国家电网公司的三常项目、呼辽项目、德宝项目等。
对于±800kV级换流变压器, 世界范围内只有中国应用。
已经运行的三条线路为中国南方电网公司的云广直流输电工程、中国国家电网公司的向上直流输电工程、锦屏直流输电工程,正在建设的中国南方电网公司的糯扎渡直流输电工程、中国国家电网公司的哈密直流输电工程、溪洛渡直流工程等。
以上产品的国外生产厂家主要有德国Siemens、瑞典ABB,国内生产厂家有特变电工股份有限公司、西电西变、保定天威保变公司等。
而对于±1100kV级换流变压器无论是在国外还是在国内,都是第一次制造,缺乏成熟的经验。
必须解决一系列关键问题:高电压绝缘及局放问题;750kV网侧中性点有载开关问题;试验技术等。
还要考虑换流变压器的漏磁通、谐波及温升的控制;直流偏磁及噪声控制;抗短路性能和机械强度以及运输问题。
对于以上问题,高电压绝缘以及运输问题尤其具有挑战性。
特变电工将不遗余力地开发研制。
三、社会效益
1、该项目将成为我国及世界特高压直流电网建设的最高电压等级项目,将大力推动特高压直流项目的国产化进程,成为未来特高压直流输电工程用电力设备设计制造的领先水平。
2、为国家实施“西电东送”、“南北互供”、“全国联网”、“疆电外送”能源优化配置战略提供国产装备保障。
3、该项目的研究成果及±1100kV换流变压器成功开发将为建设全国性输电网络提供有力保障,实现更大范围的资源优化配置,极大地缓解中国目前的能源输送压力,保障国民经济持续、稳定发展。
进一步提升国际竞争力,将为我国电网和装备制造业带来巨大的经济效益。