己二酸生产工艺详解(图)
- 格式:docx
- 大小:105.03 KB
- 文档页数:2
清洁生产案例分析1. 概况化工厂建于1958年,目前生产的要紧产品有氯碱、苯酚、氯化苯、聚氯乙烯、环己酮、己二酸等,其中氯化苯是该厂的要紧产品,对整个氯碱生产,平衡氯气,提高效益起有重要作用,直接关系到全厂整体生产能力的发挥。
该厂四十年给社会提供了大量的化学原料,对国家经济建设做出了重要奉献。
但由于种种原因,要紧工艺基本上是五、六十年代的水平,工艺较落后,设备也告陈旧、技术呈现老化,致使单位产品物耗、能耗居高不下,物耗、能耗未能物尽其用,以废物的形式排入环境,水体中的有机物(COD)、空气中的苯类有害物质均超过国家或者地方的排放标准,导致社会公众与企业矛盾十分突出,环境纠纷也有发生,环境问题已制约了企业生产进展。
为了改变企业被动状态,有两种模式可选择:一是使用先进技术对现有工艺进行全面更新换代,但根据目前企业经营状况,一时难以筹措巨额投资,二是对企业现有传统工艺进行剖析,找出物耗、能耗高,污染严重的工序,结合技术改造,分期分批解决。
后一种选择是符合企业实际,最现实有效的途径。
为此,该企业在1993年派员参加了国家组织的清洁生产培训,并在省、市有关部门的支持下,前后对己二酸、氯化苯两个产品作为示范开展了清洁生产审计。
通过“审计”使领导发现了生产工艺中存在着许多降耗、节能、减少污染,降低生产成本的机会,增强了开展清洁生产信心,同时培养了“审计”师资队伍与积存了经验,为企业持续清洁生产打下了良好的基础。
2.实施清洁生产效果其效果包含两方面,即通过清洁生产审计产生的替代方案及实施替代方案取得的经济效益与环境效益。
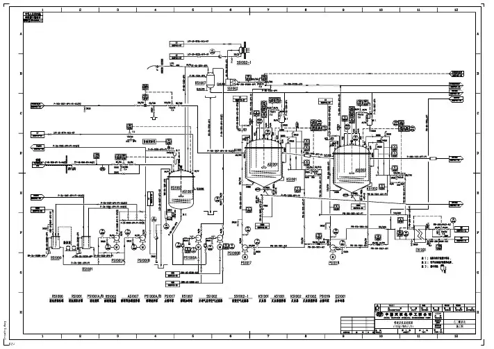
2.1己二酸产品“审计”及效果己二酸生产工艺分为两个工段,即己二酸工段与尾气工段12个工序。
己二酸工段包含氧化、结晶、压缩、压滤、离心与干燥六个工序;尾气工段包含供水、供料、配酸、风机、汲取与浓缩六个工序。
其生产工艺见流程图(图1)。
图1 己二酸生产工艺流程该企业在1994年开展了己二酸产品清洁生产审计,通过“审计”提出了12项替代方案,其中无费方案8项,低费方案2项,中费与高费方案各1项。
己二酸生产工艺流程嘿,咱来讲讲己二酸生产工艺流程哈。
我记得有一次去化工厂参观,刚好看到己二酸生产的部分过程。
首先呢,原料的准备就像准备做饭的食材一样。
他们把一些特定的化学物质收集起来,这些化学物质就像一个个小士兵,准备投入到生产的战斗中去。
我看到那些大罐子,里面装着各种原料,就像一个个装满宝藏的宝箱。
接着就是氧化反应啦。
把原料放到反应釜里,就像把食材放进大锅里。
这个反应釜就像一个神奇的魔法锅。
在一定的温度和压力条件下,还要加入催化剂,这些催化剂就像神奇的魔法粉。
我在旁边看着那些仪表盘,上面的数字在不停地跳动,就像在演奏一场特殊的音乐会。
温度和压力得控制得恰到好处,不然就像做饭火候没掌握好一样。
在氧化过程中,我看到反应釜里的液体在翻滚,就像一锅煮开的汤。
那些化学物质在里面发生着复杂的变化,就像一场激烈的化学舞会。
然后就是分离和提纯啦。
就像从一堆东西里把有用的东西挑出来。
通过一些特殊的设备,把己二酸从其他杂质中分离出来。
我看到那些管道和过滤器,它们就像一个个小筛子,把杂质筛掉,留下纯净的己二酸。
我还记得有一次在观察分离过程的时候,看到有一个小阀门有点漏液,就像一个调皮的小孩在捣乱。
工人师傅赶紧去处理,就像在哄一个不听话的小孩。
最后就是产品的包装啦。
把己二酸装到袋子或者桶里,就像把做好的美食装到盘子里。
这些己二酸就可以运往各个地方,去发挥它们的作用啦。
从那次在化工厂的参观,我就知道了己二酸生产工艺流程。
就像完成一场复杂的化学魔术表演,把各种原料变成有用的己二酸产品。
环己醇、己二酸工艺环己醇、己二酸工艺是一种重要的化工生产过程,可以广泛应用于食品、医药、日用化学品等领域。
这种工艺利用己二酸和环己烷作为原料,经过一系列的化学反应和物理处理,最终得到环己醇和己二酸。
本文将详细介绍环己醇、己二酸工艺的原理、流程、应用和发展趋势等方面内容。
一、原理环己醇、己二酸工艺是一种典型的有机合成过程,主要利用己二酸经过酯化反应生成己二酸二酯,再与环己烷在催化剂作用下发生反应生成环己醇和己二酸。
其具体反应方程式如下所示:C6H12O4 + 2C6H12O → C12H22O4 + 2H2OC12H22O4 → C6H12(OH)COOH + HOOC(CH2)4COOH二、流程环己醇、己二酸工艺的生产过程可分为以下几个步骤:(1) 原料准备:用纯化的环己烷和己二酸作为原料,必要时添加稳定剂和抗氧化剂。
(2) 酯化反应:将己二酸和酯化剂加入反应釜内,并在合适条件下加热下进行酯化反应。
反应得到己二酸二酯。
(3) 环合反应:将己二酸二酯、环己烷和催化剂加入反应釜内,进行环合反应,最终得到目标产物环己醇和己二酸。
(4) 分离、净化与精制:将反应混合物通过酸化、萃取、蒸馏和结晶等方式进行分离、净化和精制,得到产品的纯化物。
三、应用环己醇、己二酸是重要的有机化学原料,广泛应用于食品、医药、化妆品、染料、塑料等领域。
其中一些常见的应用如下:(1) 食品:己二酸可用作食品保鲜剂和食品添加剂,环己醇可用作调味剂和香精。
(2) 医药:己二酸和环己醇可用于制备口服药物和外用药物的原料,还可以用于合成防腐剂和解热镇痛药等。
(3) 化妆品:己二酸和环己醇可用于制备洗发水、肥皂、香水和化妆品等。
(4) 染料:己二酸和环己醇可用于合成染料和颜料,具有良好的染色性能。
(5) 塑料:己二酸和环己醇可用于制备聚酯树脂和聚酯纤维,作为塑料的主要原料。
四、发展趋势随着人们对健康、环保、安全等方面要求的提高,环己醇、己二酸工艺的发展也呈现出一些新趋势:(1) 优化工艺:通过改进生产工艺和技术手段,提高反应效率和产物质量,减少废物和能源消耗,降低生产成本,提高市场竞争力。
己二酸制备工艺进展介绍了传统己二酸的生产工艺和几种绿色生产工艺,并作出简单的对比。
标签:己二酸;生产工艺0 前言己二酸(ADA),又称肥酸。
常温下为白色晶体,熔点152 ℃,沸点337.5 ℃,主要用于生产尼龙66盐、聚氯酯、合成树脂及增塑剂等;目前世界上己二酸主要用于生产尼龙66盐,进而生产尼龙66树脂和纤维、聚酯多元醇、增塑剂等。
2004年全球消费量为250万吨,2005年消费量约为265万吨左右,其中北美消费量约占全球消费量的42.3%;西欧消费量约占全球总消费量的31.3%;亚洲地区消费量约占全球总消费量的22.5%;其他地区消费量占全球消费总量的3.9%。
截止到2006年2月,我国己二酸的生产能力为25万t/a,2005年产量约为17万吨左右。
应用领域不断扩大,我国己二酸由原来主要用于生产尼龙66盐发展到聚氨酯领域。
1 己二酸生产的传统工艺传统己二酸的生产工艺主要是硝酸氧化KA油。
所以传统的生产工艺分为两步:KA油的生产和KA油的氧化。
1.1 KA油原料生产路线KA油可从环己烷、苯和苯酚为原料制得。
(1)环己烷为原料。
环己烷氧化制备KA油是现在工业上广泛采用的方法。
技术较成熟可靠。
是以苯为原料,进行催化加氢制成环己烷,再利用空气氧化制成KA油(环己醇和环己酮的混合物)。
1940’s,DuPont 公司以Mo、Co的醋酸盐或环烷酸盐为催化剂,液相空气氧化。
转化率5%-6%,KA油选择性75%-77%。
1960’s,美国SD公司以无水硼酸为催化剂,KA油选择性提高到85%-90%,并使KA油中的环己醇和环己酮的比例提高到10:1。
(2)苯为原料。
该方法主要是以苯为原料,采用部分加氢路线,以Ru为催化剂加氢生成环己烯,环己烯进行水合反应生成环己醇。
由旭化成公司在90年代实现工业化,该方法的优点:碳资源利用率70-80%→99%;氢单耗是传统工艺的2/3;新工艺几乎无副产物,废物处理均优于环己。
20万吨己二酸项目工艺流程氢气用量己二酸是一种重要的有机化工原料,广泛应用于制药、涂料、塑料等行业。
下面是一个关于20万吨己二酸项目的工艺流程和氢气的用量的详细介绍。
一、己二酸的制备方法:己二酸主要通过己烷氧化而得。
氧化反应有两种主要的工艺路线,一种是气相氧化法,另一种是液相氧化法。
1.气相氧化法:气相氧化法主要是利用催化剂将己烷在氧气中氧化生成己二酸。
反应式如下:C6H14+1.5O2→C6H10O4+H2O气相氧化法的特点是反应温度高,通常在350-400摄氏度下进行;氧化反应生成的己二酸与水蒸汽混合在一起,需要进一步加热和净化处理。
2.液相氧化法:液相氧化法利用氧化剂将己烷氧化成己烷醛,再将己烷醛氧化成己二酸。
反应式如下:C6H14+O2→C6H12O+H2OC6H12O+1.5O2→C6H10O4+H2O液相氧化法的特点是反应温度相对较低,通常在150-200摄氏度下进行。
氧化反应生成的己二酸与水蒸汽较少混合,处理较为方便。
二、氢气的用量:己二酸的制备过程中,氢气主要用于催化剂的还原和反应体系的氢扩散。
具体来说,氢气的用量与催化剂的种类、反应温度、压力等因素有关。
1.催化剂的还原:制备己二酸的气相氧化法常采用钒钼氧化铝(V2O5-MoO3/Al2O3)为催化剂,液相氧化法常采用钴基催化剂(Co-Co2O3/Al2O3)为催化剂。
在催化剂还原的过程中,需要向反应体系中通入氢气,使催化剂还原为活性物种。
具体用量需要根据催化剂的特性和反应体系的实际情况进行确定。
2.反应体系的氢扩散:己二酸氧化反应中,氢气起着扩散剂的作用,使氧气能够迅速进入到反应体系中与己烷反应。
氢气的用量需要根据反应温度、反应压力、氮气和废气的流量等因素进行控制,以保证反应体系中氧气和己烷的适当浓度。
三、工艺流程:1.己烷氧化反应:将己烷与氧气在催化剂的存在下进行氧化反应,生成己烷醛和水蒸汽。
2.己烷醛氧化反应:将己烷醛与氧气在催化剂的存在下进行氧化反应,生成己二酸和水蒸汽。
3.1.2 工艺流程及排污节点本项目以精苯为原料,通过选择加氢生成环己烯,环己烯水合生成环己醇,环己醇经硝酸氧化生成己二酸。
其中氢气以甲醇合成驰放气为原料,采用变压吸附技术生产;硝酸以液氨为原料,采用双加压法生产。
主体工艺流程框图见图3.1-1,生产工艺污染源排放节点一览表见表31-14。
图3.1-1 己二酸生产主体工艺流程框图3.1.2.1 制氢装置工艺流程及排污节点本装置采用8-2-4PSA工艺流程,即:装置的8个吸附塔中有2个吸附塔始终处于进料吸附的状态。
其吸附和再生工艺过程由吸附、连续四次均压降压、顺放、逆放、冲洗、连续四次均压升压和产品气升压等步骤组成。
制氢装置产生的污染物为安全阀排放气(G1)、生产不正常排放气(G2)、解析气(G3)、废气中主要污染物CH4、CO、H2,送火炬进行焚烧处理。
3.1.2.2 硝酸装置工艺流程及排污节点项目采用氨氧化法生产硝酸,其生产过程包括氨-空混合气制备、氨的氧化和热能回收、一氧化氮氧化及吸收等工序,硝酸装置生产及排污工艺流程图见图3.1-2.。
图3.1-2 硝酸装置生产及排污工艺流程图3.1.2.3 环己醇装置工艺流程及排污节点项目采用环己烯法制环己醇,其生产过程包括苯加氢、萃取精馏、水合、环己烷精制、加氢催化剂再生、水合催化剂再生等工序,环己醇装置生产及排污工艺流程图见图3.1-3。
图3.1-3 环己醇装置排污节点图3.1.2.4 己二酸装置工艺流程及排污节点己二酸是以铜和钒作催化剂,用硝酸氧化环己醇反应生成,然后经过结晶、增浓、离心得到粗己二酸。
粗己二酸经溶解、活性炭脱色再经过结晶、增浓、离心、干燥后得到精己二酸产品。
后续系统包括:氧化氮气体回收、硝酸浓缩、催化剂及己二酸回收。
己二酸装置生产及排污工艺流程图见图3.1-4。
溶剂图3.1-4 己二酸装置排污节点图。
一、己二酸(Adipic Acid)主要用途为:1 己二酸是合成纤维—尼龙66的主要单体。
2 己二酸是尼龙工程塑料的主要原料。
3 己二酸是合成聚氨酯泡沫、合成革(PU)、合成橡胶和胶片的主要原料。
4 己二酸可作为食品酸化剂、酯类增塑剂和纺织品处理剂。
5 己二酸还可用于医药、农药、香料、粘合剂与助焊剂等的生产。
二、已二酸工艺方法1 环己烷空气氧化经过环己酮和环己醇生产己二酸为主, 目前该路线占全球总生产能力约93%。
目前工业上最常用环己烷路线:纯苯--催化加氢--环己烷--空气氧化环己烷--环己酮和环己醇(醇酮油,俗称KA油)--硝酸氧化--己二酸。
该路线产生大量的"三废",其中最主要是醇酮合成过程中产生的废液; 醇酮氧化合成己二酸过程的废水和硝酸氧化KA油过程中产生的氧化氮等废气。
同时,己二酸结晶器需定期清洗,结晶情况比较严重。
结晶器采用立式连续真空蒸发结晶器,1-1.5个月需停车一次。
另外,由于采用硝酸作氧化剂,易引起氮氧化合物大气污染等问题。
2 KA油空气氧化法:应用氧气作氧化剂的工艺研究,主要集中在环己醇、环己酮、环己烷生成己二酸催化剂的应用方面。
优点是环境污染小,不存在硝酸回收问题;缺点是转化率不高,反应时间长,需要醋酸回收设备,且生成杂质多,精制工序复杂,设备费用增大。
3 环己烷一步氧化法:,采用乙酸为反应介质,乙酸钴为催化剂,优点是工艺流程短,可省去硝酸装置和一套氧化装置;但为防止深度氧化和腐蚀,必须在低温下长时间反应,并且这种条件易引起爆炸,生产能力和产率不高,产品分离亦较复杂。
4 c4烯烃为原料生产己二酸(巴斯夫工艺,优点己二酸含量高,其生产成本比环己烷氧化工艺低;缺点是工艺复杂,反应条件苛刻,副产物较多)5 以过氧化氢为氧化剂生产己二酸:优点是产率高,对环境无污染;缺点是反应时间长,催化剂回收困难,工艺有待进一步完善。
6 应用生物催化作用将其转化成己二酸:优点是在制造己二酸的过程中,不会产生氮氧化合物。
我国己二酸生产工艺目前,己二酸的生产方法主要有苯法(环己烷法)和苯酚法。
苯法精苯经催化加氢生成环己烷,环己烷经氧化生成KA油(环己酮、环己醇的混合物),再经硝酸氧化生成己二酸。
该工艺的原料除精苯外还涉及氢气、硝酸(液氨)等,工艺流程长,一次性资金投入大,副产物较多,存在工业三废污染,产品收率不高,但该工艺成熟,是目前工业上广泛采用的方法。
目前全球采用苯法的己二酸合计产能为238万t/a,占总产能的88.2%。
近年,在原始苯法的基础上,科研人员开发出一种新的己二酸生产方法:采用特殊催化剂使苯部分加氢生成环己烯,环己烯水合生成环己醇,再经硝酸氧化生成己二酸。
该方法在生产环己醇过程中氢气消耗较少,副产物为环己烷,生成环己醇的过程几乎没有三废污染,产品质量好,收率较高,生产成本相对较低。
目前日本旭化成和我国神马集团均采用此法生产己二酸,总规模约为17万t/a,占全球总产能的6.3%。
苯酚法苯酚加氢生成环己醇,而后用硝酸氧化制得己二酸。
该法设备投入和生产复杂程度与苯法相差不大,适合在苯酚原料相对丰富的地区。
仅在美国Hopewell、巴西Paulinia、比利时Zandvoorde、德国Zeitz、意大利Novara有5家工厂采用此法,总规模约为15万t/a,占全球总产能的5.5%。
己二酸(AA)主要用于生产尼龙、聚氨酯浆料及鞋底原液。
2007年全球AA产能为294万t/a,其中北美、西欧产能合计占80%以上。
英威达是世界最大的AA生产商,产能占全球总产能的40%,罗地亚紧随其后,占18.4%,其他拥有自主工艺路线的生产商有巴斯夫、旭化成,其余比较大的生产商包括首诺、兰蒂奇、辽化和朗盛等。
国外AA主要用于尼龙生产,聚氨酯行业应用不多,与国内有明显区别。
目前国外尼龙66对AA的需求约占需求总量的62%,年均增长约1.9%,其中工程级尼龙66领域的需求年均增长超过4%,而纤维级尼龙66对AA的需求则增长缓慢。
我国AA工业起步晚,发展快。
己二酸的制备一、实验目的1.学习环己醇氧化制备已二酸的原理和了解由醇氧化制备羧酸的常用方法。
2.熟悉电动搅拌,抽滤等实验技术。
3.熟练掌握熔点的测定技术。
二、实验原理己二酸(ADA ),又称肥酸。
常温下为白色晶体, 熔点152 ℃,沸点337.5 ℃。
主要用途:有机合成中间体,主要用于合成纤维 (尼龙-66,大约占己二酸总量的70%)其 它的 (30%) 在制备聚氨酯:PA-46,PA-66,PA-610,合成树脂,合成革,聚酯泡沫塑料, 塑料增塑剂,润滑剂,食品添加剂, 粘合剂, 杀虫剂,染料, 香料, 医药等领域得以广泛应用。
产量情况 1902年首次合成。
目前世界产量大约2.60 Mt/a ,并以3.36% 年增长率增长。
其中世界上最大的5 家企业是: Dupont (1.09 Mt/a)、Rhodia (417 kt/a)、Solutia (385 kt/a)、 BASF (240 kt/a) 和旭化成 (112 kt/a)。
2002年我国年生产能力12万t/a (巴陵石化,辽阳石化,太原化学,上海燎原化工,神马集团),市场消费量约为19.5万t/a 。
预计2010年全球ADA 生产能力有望达到3.32 Mt/a 。
制备羧酸最常用的方法是烯、醇、醛等的氧化法。
常用的氧化剂有硝酸、重铬酸钾(钠) 的硫酸溶液、高锰酸钾、过氧化氢及过氧乙酸等。
但其中用硝酸为氧化剂反应非常剧烈,伴有大量二氧化氮毒气放出,既危险又污染环境。
因而本实验采用环己醇在高锰酸钾的碱性条件发生氧化反应,然后酸化得到已二酸。
反应式 H [O O ]O []HO C O (CH 2)4OHO C环己醇 环己酮 己二酸OH MnO 338H 2+KMnO 4+HO 2C (CH 2)4CO 2H ++8KOH 8三、仪器和药品抽滤装置、100℃温度计、环己醇、高锰酸钾、氢氧化钠、亚硫酸氢钠、浓盐酸、试纸。
四、实验步骤1.安装反应装置,在烧杯中加入6g高锰酸钾和50mL0.3mol/L氢氧化钠溶液,搅拌加热至35℃使之溶解,然后停止加热;2.在继续搅拌下用滴管滴加2.1mL环己醇,控制滴加速度,维持反应温度43~47℃,滴加完毕后若温度下降,可在50℃的水浴中继续加热,直到高锰酸钾溶液颜色褪去。
2019年己二酸/己内酰胺供需、生产工艺、技术参数及华鲁己二酸和己内酰胺项目利润中枢测算内容目录1、己二酸:新工艺竞争力强,华鲁合成气提供成本优势 (5)1.1 己二酸供需:供应相对集中,需求较为多元 (5)1.1.1 尼龙66:己二酸下游,受制己二腈技术被国外企业垄断 (7)1.1.2 PU浆料:国内厂家众多,产能过剩严重 (10)1.1.3 鞋底原液:中国是最大生产国,需求稳定增长 (11)1.2 己二酸生产工艺:环己烷法和环己烯法是生产己二酸最普遍的工艺. 121.3 国内己二酸装置技术参数 (13)1.3.1 国内全部己二酸装置情况 (14)1.3.2 主要装置单耗 (14)1.4 不同工艺己二酸成本测算 (15)2、己内酰胺:仍存供给缺口,原材料配套需求高 (16)2.1 己内酰胺供需:锦纶需求稳定增长,仍存供给缺口 (16)2.2 己内酰胺生产工艺:壁垒较高,路线多元 (18)2.2.1 环己酮生产工艺:环己烯水合法在成本和环保上更具优势 (18)2.2.2 环己酮肟生产工艺:氨肟化法优势明显 (19)2.2.3 己内酰胺重排工艺:除住友外均使用液相催化 (20)2.2.4 总结:己内酰胺工艺难点 (20)2.3 国内己内酰胺装置技术参数 (21)2.3.1 国内全部己内酰胺装置情况 (21)2.3.2 主要装置单耗 (21)2.4 己内酰胺成本和利润测算 (23)3、华鲁己二酸和己内酰胺项目利润中枢测算 (24)3.1 华鲁己二酸和己内酰胺物料平衡:共减少氨醇产量45.51万吨,不需额外外购 (24)3.2 未来行业合理的利润中枢 (25)3.2.1 己二酸:产能扩张较少,预计利润中枢1800元/吨 (25)3.2.2 己内酰胺:产能扩张较多,预计利润中枢1000元/吨 (26)3.3 华鲁相比其他企业的成本优势 (27)4、投资结论:估值仍低,看好新项目带来新成长 (27)图表目录图1:全球己二酸供给 (6)图2:中国己二酸产能、产量及表观消费量(单位:万吨) (6)图3:中国己二酸进出口量(单位:万吨) (7)图4:国内己二酸消费结构 (7)图5:全球己二酸消费结构 (7)图6:尼龙66产业链 (8)图7:全球尼龙66盐产能格局 (9)图8:国内尼龙66产能及产量(单位:万吨) (9)图9:国内尼龙66表观消费量(单位:万吨) (9)图10:中国PU浆料产量及增速(单位:万吨) (10)图11:鞋底原液成型工艺 (11)图12:国内鞋底原液产量变化(单位:万吨) (12)图13:国内鞋底原液产能分布 (12)图14:己二酸生产工艺 (13)图15:两种工艺路线制己二酸成本对比 (15)图16:2017-2019H1我国己内酰胺产量、进口和库存情况(单位:万吨) .16图17:2016年下半年-2018年纺服内需回升,但2019年加速下滑 (17)图18:2016年下半年-2018年为纺服主动补库存周期,此后转为被动去库存周期 (17)图19:2017、2018年锦纶保持15%左右需求增长(单位:万吨) (17)图20:己内酰胺生产工艺 (18)图21:环己酮三种生产工艺路线 (18)图22:环己酮肟四种生产工艺路线 (19)图23:国内2018年己内酰胺成本曲线(不含税) (23)图24:国内2018年己内酰胺现金成本曲线(不含税) (23)图25:2012年至今己内酰胺利润 (24)表 1:公司财务及预测数据摘要 (1)表2:尼龙66产业链需求增速预测 (10)表3:环己烷法和环己烯法比较 (13)表4:国内己二酸装置产能、工艺路线和原料来源(截至2019年8月) (14)表5:两种工艺制己二酸单耗比较 (15)表6:国内部分企业成本情况(单位:元/吨) (15)表7:环己酮三种生产工艺的比较 (19)表8:环己酮肟四种生产工艺的比较 (20)表9:国内己内酰胺装置产能、工艺路线和原料来源(截至2019年8月).21表10:国内主要己内酰胺装置单耗 (22)表11:华鲁恒升精己二酸项目物料平衡 (25)表12:华鲁恒升己内酰胺项目物料平衡 (25)表13:己二酸行业平均利润(单位:元/吨) (26)表14:己内酰胺未来三年扩产规划较多 (26)表15:己内酰胺行业平均利润(单位:元/吨) (27)表16:华鲁合成氨成本(单位:元/吨) (27)表17:华鲁恒升己二酸和己内酰胺项目利润中枢测算 (27)表18:估值对比表 (28)。
3.1.2工艺流程及排污节点
本项目以精苯为原料,通过选择加氢生成环己烯,环己烯水合生成环己醇,环己醇经硝酸氧化生成己二酸。
其中氢气以甲醇合成驰放气为原料,采用变压吸附技术生产;硝酸以液氨为原料,采用双加压法生产。
主体工艺流程框图见图 3.1-1,生产工艺污染源排放节点一览表见表31-14。
图3.1-1 己二酸生产主体工艺流程框图
3.1.2.1制氢装置工艺流程及排污节点
本装置采用8-2-4PSA工艺流程,即:装置的8个吸附塔中有2个吸附塔始终处于进料吸附的状态。
其吸附和再生工艺过程由吸附、连续四次均压降压、顺放、逆放、冲洗、连续四次均压升压和产品气升压等步骤组成。
制氢装置产生的污染物为安全阀排放气(G1)、生产不正常排放气(G2)、解析气(G3)、废气中主要污染物CH4、CO、H2,送火炬进行焚烧处理。
3.1.2.2硝酸装置工艺流程及排污节点
项目采用氨氧化法生产硝酸,其生产过程包括氨-空混合气制备、氨的氧化
和热能回收、一氧化氮氧化及吸收等工序,硝酸装置生产及排污工艺流程图见图
3.1-2.
图3.1-2 硝酸装置生产及排污工艺流程图
3.123环己醇装置工艺流程及排污节点
项目采用环己烯法制环己醇,其生产过程包括苯加氢、萃取精馏、水合、环己烷精制、加氢催化剂再生、水合催化剂再生等工序,环己醇装置生产及排污工艺流程图见图3.1-3。