钢材的冷加工名词解释
- 格式:docx
- 大小:36.89 KB
- 文档页数:2
名词解释钢筋的冷轧钢筋的冷轧:力与韧性的完美结合钢筋,作为建筑领域不可或缺的建材之一,其质量和性能直接关系到建筑结构的稳定和安全。
而钢筋的冷轧加工技术,作为一种重要的加工方式,旨在提高钢筋的力学性能和耐久度。
本文将对钢筋的冷轧加工进行解释,探索其在建筑领域中的重要性和应用。
冷轧作为一种常用的金属加工技术,是指在常温条件下对金属材料进行加工和成型的一种方法。
钢筋的冷轧加工即是将经过加热处理的热轧钢筋通过冷轧机械设备进行再次加工,使其形状更加规则,表面更加光滑,并改善其内部结构,从而提高其耐久性和机械性能。
首先,冷轧加工可以使钢筋具有更好的力学性能。
通过冷轧加工,钢筋的晶粒结构会发生显著变化。
原本较大的晶粒会被细化,晶粒间的结合更加牢固。
这使得钢筋具备更高的抗拉强度和抗压强度,提高了钢筋的整体力学性能,从而能够更好地承担建筑结构的荷载。
其次,冷轧加工可以改善钢筋的耐久性。
经过冷轧加工的钢筋表面更加光滑平整,减少了表面缺陷和氧化膜的存在。
这种改善的表面质量可以减少氧化和腐蚀的程度,提高了钢筋的抗腐蚀性能,延长了其使用寿命。
尤其是在恶劣环境下,如海洋气候或有害化学物质的存在下,冷轧加工的钢筋表现出更高的耐久性和抗腐蚀能力。
冷轧加工还能使钢筋更好地满足建筑结构对于细腻度和可塑性的要求。
冷轧后的钢筋表面更加光滑,棱角更为分明,尺寸更加精确。
这使得钢筋在建筑施工中更易于安装和连接,提高了施工效率。
此外,冷轧加工还能使钢筋的变形能力和形状可塑性得到提高,有利于满足特殊结构和设计要求。
钢筋的冷轧加工是一项技术要求较高的加工工艺。
它需要先进的冷轧设备和技术人员的精湛技艺。
同时,冷轧加工也需要严格的生产控制和质量检测,以确保加工出的钢筋符合相关标准和要求。
在建筑领域中,钢筋的冷轧加工已成为一种常见的工艺,被广泛应用于各类建筑结构和工程中,保障了建筑物的稳定和安全。
总之,钢筋的冷轧加工是一项重要的加工技术,通过改善钢筋的力学性能、耐久性和可塑性,提高了钢筋在建筑领域中的应用性能。
冷加工的种类一般情况下我们经常接触的冷加工有3种:冷拉、冷拔和冷轧。
1.冷拉:对钢筋施加拉力进行强力拉伸,要求拉应力超过钢材的屈服强度但要低于抗拉强度。
拉伸完成后静止一段时间使冷拉时效发挥出来。
此时的钢筋塑性、冲击韧性变差,强度和硬度提高。
强度提高幅度可达50%。
2.冷拔:加工措施与冷拉相似,稍微复杂些,强度提高可达90%这两种冷加工都是以牺牲钢材的变形能力为代价,达到了提高强度和硬度的效果,但是经过处理后的钢材屈强比增大,安全储备降低,延性降低,破坏前不再有明显的变形发生。
对于可能承受动力荷载的部位或重要部位是禁止使用此类钢筋的。
3.冷轧:是指在常温下,经过冷拉、冷弯、冷拔等冷加工把钢板或钢带加工成各种型式的钢材。
优点是成型速度快、产量高,且不损伤涂层,可以做成多种多样的截面形式,以适应使用条件的需要;冷轧可以使钢材产生很大的塑性变形,从而提高了钢材的屈服点。
其实所有的板材热轧冷轧区别都是一样的,所以只要了解热轧和冷轧的区别就行了,一般特别薄的是冷轧,一般Q345的都是热轧的,热轧和冷轧都是型钢或钢板成型的工序,它们对钢材的组织和性能有很大的影响,钢的轧制主要以热轧为主,冷轧只用于生产小号型钢和薄板。
热轧的优点是可以破坏钢锭的铸造组织,细化钢材的晶粒,并消除显微组织的缺陷,从而使钢材组织密实,力学性能得到改善。
这种改善主要体现在沿轧制方向上,从而使钢材在一定程度上不再是各向同性体;浇注时形成的气泡、裂纹和疏松,也可在高温和压力作用下被焊合。
缺点一是经过热轧之后,钢材内部的非金属夹杂物(主要是硫化物和氧化物,还有硅酸盐)被压成薄片,出现分层(夹层)现象。
分层使钢材沿厚度方向受拉的性能大大恶化,并且有可能在焊缝收缩时出现层间撕裂。
焊缝收缩诱发的局部应变时常达到屈服点应变的数倍,比荷载引起的应变大得多。
二是不均匀冷却造成的残余应力。
残余应力是在没有外力作用下内部自相平衡的应力,各种截面的热轧型钢都有这类残余应力,一般型钢截面尺寸越大,残余应力也越大。
名词解释钢筋的冷加工强化
答案:
钢筋的冷加工强化是指在常温下对钢材进行冷拉、冷拔、冷轧等处理,使之产生塑性变形,从而提高屈服强度,但相应地降低了塑性和韧性。
这种加工方法称为钢材的冷加工强化。
具体来说,冷加工包括以下几个主要工艺:
冷拉:通过冷拉设备对热轧钢筋加力进行张拉,经过冷拉时效后使之伸长。
冷拉后,屈服强度可提高20%-25%,可节约钢材10%-20%。
冷拔:比纯拉伸作用强烈,钢筋不仅受拉,而且同时受到挤压作用。
经过一次或多次冷拔后,得到的冷拔低碳钢丝其屈服点可提高40%-60%,抗拉强度高,塑性低,脆性大,具有硬质钢材特点。
冷轧:将圆钢在轧钢机上轧成断面形状规则的钢筋,可提高其强度及与混凝土的粘接力。
常见的冷轧形式包括冷轧带肋和冷轧扭钢筋。
这些工艺通过改变钢筋的内部结构,使其在保持较高强度的同时,增加了与混凝土的粘结力,从而提高了建筑结构的稳定性和安全性。
冷加工强化是一种有效的材料处理方法,广泛应用于建筑、桥梁、道路等基础设施的建设中。
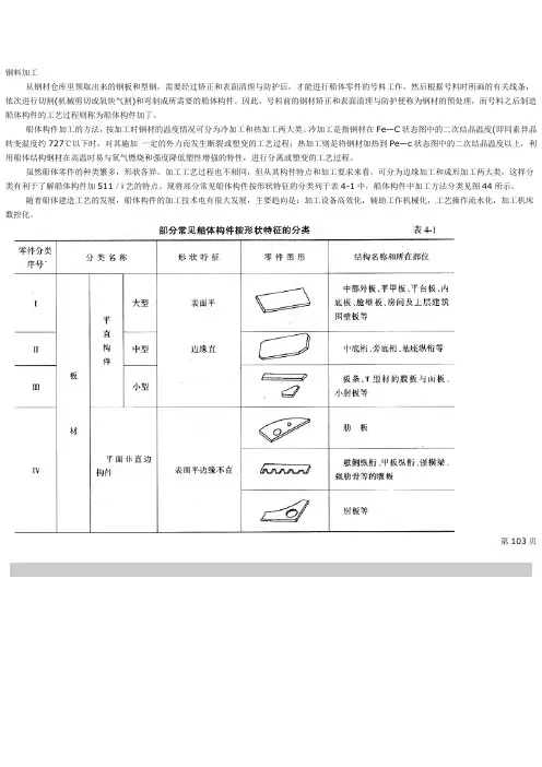
钢料加工
从钢材仓库里领取出来的钢板和型钢,需要经过矫正和表面清理与防护后,才能进行船体零件的号料工作,然后根据号料时所画的有关线条,依次进行切割(机械剪切或氧炔气割)和弯制成所需要的船体构件。
因此,号料前的钢材矫正和表面清理与防护便称为钢材的预处理,而号料之后制造船体构件的工艺过程则称为船体构件加丁。
船体构件加工的方法,按加工时钢材的温度情况可分为冷加工和热加工两大类。
冷加工是指钢材在Fe—C状态图中的二次结晶温度(即同素异晶转变温度约727℃以下时,对其施加一定的外力而发生断裂或塑变的工艺过程;热加工则是将钢材加热到Pe—c状态图中的二次结晶温度以上,利用船体结构钢材在高温时易与氧气燃烧和强度降低塑性增强的特性,进行分离或塑变的工艺过程。
虽然船体零件的种类繁多,形状各异,加工工艺过程也不相同,但从其构件特点和加工要求来看,可分为边缘加工和成形加工两大类,这样分类有利于了解船体构件加511/i艺的特点。
现将部分常见船体构件按形状特征的分类列于表4-1中,船体构件中加工方法分类见图44所示。
随着船体建造工艺的发展,船体构件的加工技术电有很大发展,主要趋向是:加工设备高效化,辅助工作机械化,工艺操作流水化,加工机床数控化。
第103页。
钢材的冷加工名词解释
钢材冷加工名词解释
1、冷却:指将钢材放入冷却媒介中,使其迅速降温的工艺。
其目的是使钢材形状、尺寸及性能较好地保持不变,并使钢材完全冷却,使其硬度更高。
2、锯齿加工:指通过机械加工技术,使钢材表面形成锯齿状结构的过程。
3、热处理:指将钢材放入加热工艺中,使其以一定温度达到一定时间,以改变其组织和性能的工艺。
4、保护层加工:指在钢材表面制作一层保护层,以提高其耐腐蚀性,对外部环境的抗侵蚀性能。
5、热表面涂饰:指在钢材表面施加一层热浸涂层,使其具有美观、抗腐蚀性和耐磨性等优点的工艺。
6、车削加工:指通过车削工具对钢材表面进行复杂的加工工艺,以改变其形状和尺寸。
7、机加工:指通过机械技术将钢材加工成精密的复杂形状、尺寸的工艺。
8、淬火处理:指将钢材放入加热的冷却媒介中,使其以一定温度持续加热,达到一定时间,使其硬度、强度、耐磨性等物理性能更好的工艺。
- 1 -。
东北农业大学网络教育学院建筑材料网上作业题参考答案一、名词解释1.建筑材料:是指各类土木建筑工程(水利、房屋、道路、港口)中所使用的材料。
2.绿色建材:也称为生态建材、环保建材、健康建材,它是指采用清洁的生产技术,少用天然资源,大量采用工业或城市固体废弃物以及农植物秸秆,所生产的无毒、无污染、无放射性,有利于环保和人体健康的建材。
3.密度:材料在绝对密实状态下单位体积的质量。
4.容重(又称表观密度):材料在自然状态下单位体积的质量。
5.密实度:是指固体材料中固体物质的充实程度,即材料的绝对密实体积与其总体积之比。
6.孔隙率:是指材料中的孔隙体积占材料总体积的百分数。
7.空隙率:是指散粒材料或粉状材料颗粒之间的空隙体积占材料松散状态下总体积的百分数。
8.吸水性:材料在水中吸收水的性质称为吸水性。
9.吸湿性:材料在潮湿的空气中吸收水蒸汽的性质,称为吸湿性。
10.平衡含水率:材料可以在湿润的空气中吸收水分,也可以在干燥的空气中扩散水分,最终使自身含水率与周围空气湿度相持平,此时材料处于气干状态,材料在气干状态下的含水率称为平衡含水率。
11.耐水性:料长期在饱和水作用下不破坏,强度也不显著降低的性质。
12.抗渗性:也称不透水性,是指材料抵抗压力水渗透的性能。
13.抗冻性:材料在水饱和状态下能够经受多次冻融循环作用不破坏,强度也不显著降低的性质。
14.弹性:材料在外力作用下产生变形,外力取消后,变形能够完全恢复的性质称为弹性。
15.塑性:材料在外力作用下产生变形,外力取消后,变形不能完全恢复,而且材料不产生裂缝的性质称为塑性。
16.脆性:材料在外力作用下未发生显著变形就突然破坏的现象称为脆性。
17.韧性:材料在动荷载(或冲击荷载)的作用下产生较大的变形尚不致破坏的性质称为韧性,也叫冲击韧性。
18.硬度:材料抵抗其他较硬物体刻划、压入的能力称为硬度。
19.耐磨性:材料表面抵抗磨损的能力称为耐磨性。
20亲水材料21增水材料22水硬性胶凝材料指不仅能在空气中硬化,而且能更好地在水中硬化,并保持和继续发展其强度的胶凝材料。
§3—6钢筋冷加工钢筋的冷加工主要有钢筋冷拉和钢筋冷拔两种。
冷拉是对I~Ⅳ级钢筋进行强力拉伸,使之超过钢筋的屈服点。
冷拔是将直径6~10毫米的I级盘圆钢筋,多次通过比钢筋直径小0.5~1毫米的特制锥形模孔,以强力拔细而成冷拔钢丝。
这两种冷加工方法,都可使钢筋变细拉长,强度提高。
一、钢筋冷拉钢筋经过冷拉后。
屈服强度一般可提高20~25%。
同时钢筋通过冷拉,可以简化施工工艺,使除锈、调直、冷拉三道工序合并完成。
因而提高了工效,减轻了劳动强度,节约了钢材。
(一)冷拉设备钢筋冷拉设备主要有卷扬机、滑轮组、滑轮回程装置、冷拉钢筋夹具、测力器、地锚,另外还有盘圆钢筋开盘装置、调节挂链、轻轨跑车和电气讯号装置等。
(二)钢筋冷拉工艺和操作方法由于钢筋加工场的条件不同,钢筋冷拉工艺布置亦略有不同。
但冷拉操作程序却是一样的。
以盘圆钢筋冷拉为例,需要经过上盘、开盘、断料、夹紧夹具、张拉、放松夹具等几道工序。
钢筋冷拉分单控制冷拉和双控制冷拉。
单控制冷拉只控制钢筋的伸长率即冷拉率,双控制冷拉既控制钢筋的冷拉率,又控制钢筋的冷拉应力。
这两项指标称为钢筋的冷拉参数,(三)冷拉钢筋的质量要求1.冷拉钢筋的外观检查,不得有裂纹,鳞落或断裂现象。
2.冷拉钢筋的机械性能应符合规定。
3.冷拉钢筋应分批取样检验。
当直径在12毫米或小于12毫米时,每批数量不应大于10吨;直径为14毫米以上时,以20吨为一个取样单位,不足一个取样单位,按一个取样单位取样;每个取样单位取两组试样,每组试样,一根作拉力试验一根作弯曲试验。
如有一项试验结果不符合要求,则另取两倍数量的试件重做试验。
如果仍有一根试件不合格,则该批钢筋列为不合格品。
(四)冷拉钢筋的使用范围及规定1.冷拉I级钢筋适用于钢筋混凝土结构中的受力钢筋。
2.冷拉Ⅱ、、Ⅳ级钢筋可作为预应力混凝土中的预应力钢筋。
3.承受冲击荷载的设备基础不得使用冷拉钢筋。
4.I级钢筋冷拉的直径在6~12毫米,大于12毫米的I级钢筋冷拉后,不得利用冷拉后提高的强度。
钢材的冷加工强化名词解释
钢材的冷加工强化是将原材料经过某种特定方式的处理,以便增强它的物理和/或化学性能的过程。
冷加工强化钢材的常用技术包括热处理、冷变形和界面处理。
热处理是指将钢材热处理在一定温度和时间下,用以提高其硬度的行为。
热处理使钢材硬化、增加强度、减少变形、改善抗拉强度和耐腐蚀性,可以用来提高钢材性能。
冷变形是指将钢材加工到特定尺寸,使其具有一定强度和硬度。
一般情况下,冷变形是将钢材经过变形和正常硬度调节,以达到提高其力学性能和抗疲劳强度的目的。
最后,界面处理是指在钢材表面施加不同类型的涂层,用以增强其抗腐蚀性。
当冷加工强化钢材时,工艺水平很重要。
如果方法不当,可能会损伤钢材的表面或者损坏金属组织。
根据钢材的化学成分,可以选择不同的热处理温度和时间,因此,在冷加工强化钢材时,可以更好地控制处理过程,以防止对钢材损害。
另外,还应注意选择适当的冷加工方式,以防止处理过程中损坏金属结构,包括选择正确的压力、速度和温度。
此外,冷加工也可以应用于其它类型的金属,例如铝和铜。
为了提高这些金属的强度和抗腐蚀性,可以将其与不同的元素结合,例如锰、锌、铬、铝等,以形成复合材料。
这些复合材料通常比原材料更加耐磨、耐腐蚀,因此可以被广泛应用于船舶总成、铁路架、工业装备等行业。
总之,冷加工强化钢材是一种重要的处理方法,用于提高钢材的
物理和化学性能,广泛应用于工业界。
为了确保其质量和安全性,应当对冷加工工艺进行严格的控制,选择合适的热处理和冷变形技术,同时注意金属表面的抗腐蚀处理。
另外,冷加工也可以用于其它种类的金属,比如铝和铜,以改善它们的物理和化学性能。
钢材的冷加工强化与时效处理
在常温下,对钢材进行冷拉、冷拔或冷轧等机械加工,使之产生一定的塑性变形,强度明显提高,塑性和韧性有所降低,这个过程称为钢材的冷加工强化。
冷加工强化的目的:是提高钢材的强度和节约钢材。
钢筋冷拉:是指常温下将钢筋张拉至应力超过屈服应力、但远小于抗拉强度时再卸荷的加工方法。
冷拔:是将φ6~φ8mm的光圆钢筋进行强力拉拔,使其通过截面小于钢筋截面积的拔丝模孔,径向挤压缩小而纵向伸长。
冷轧:是将圆钢在轧钢机上轧成断面按一定规律变化的钢筋,可提高其强度以及与混凝土间的握裹力。
钢材经冷加工后,随着时间的延长,钢筋强度进一步提高,这个过程称为时效处理。
时效处理包括自然时效和人工时效。
2.5建筑钢材的标准与选用
建筑工程用钢有钢结构用钢和钢筋混凝土结构用钢两类,二者所用的原料钢钢种均多为碳素钢和低合金钢。
(一)建筑钢材的主要钢种
(1)碳素结构钢
碳素结构钢的牌号及其表示方法:
根据国家标准《碳素结构钢》(GB700—88)规定,我国碳素结构钢分为五个牌号,
即Q195、Q215、Q235、Q255和Q275。
各牌号钢又按硫、磷含量的大小分为A、B、C、D四个质量等级。
碳素结构钢的牌号表示方法为:按照顺序由代表屈服点的字母(Q)、屈服点数值(N/mm2)、质量等级符号(A、B、C、D)、脱氧程度符号(F、b、Z、TZ)等四部分组成。
比如Q235一A、F,它表示;屈服点为235N/mm2的平炉或氧气转炉冶炼的A级沸腾碳素结构钢。
(2) 低合金高强度结构钢。
钢材的冷加工的名词解释钢材是一种常见的建筑材料,被广泛应用于各行各业。
在使用前,钢材常常需要经历加工过程,以改变其形状、尺寸和性能。
冷加工是其中一个重要的加工方式,它不仅能够提升钢材的质量和功能,还能满足不同领域的需求。
本文将对钢材的冷加工进行名词解释,介绍其原理、方法和应用领域。
1. 冷加工的概念冷加工是指在常温条件下对钢材进行塑性变形和改性处理的一种加工方式。
与热加工相比,冷加工不需要将材料加热至高温状态,因此能够避免材料的晶粒长大和退火等问题,同时能够保留钢材的较高强度和硬度。
冷加工常常包括冷轧、冷拔、冷拉伸等工艺,广泛应用于制造业、建筑业和电子行业等领域。
2. 冷加工的原理冷加工的原理基于金属材料的塑性变形特性。
当钢材在常温下受到外力作用时,内部的晶粒将发生滑移和滚动,使得材料形状发生变化。
由于冷加工过程中材料的变形速率较高,晶粒无法得到及时的再结晶,因此材料的晶粒尺寸会发生细化,从而提高钢材的强度和硬度。
此外,冷加工还能改善钢材的表面质量,增加其耐腐蚀性能。
3. 冷加工的方法冷加工的方法包括冷轧、冷拔、冷拉伸和冷冲压等。
冷轧是最常见的冷加工方法之一,它通过将钢材压制在辊轧机中,使得钢材的厚度和宽度得到调整。
冷轧可以使得钢材表面变得光滑、平整,并提高其强度。
冷拔是指通过拉拽钢材来改变其截面尺寸和形状的加工方法,常用于制造弹簧、螺纹杆等高精度零件。
冷拉伸是通过拉伸钢材来改变其长度、细化晶粒、提高硬度和拉伸强度。
冷冲压是利用模具对钢材进行冷切削、冷成型和冷冲孔等加工方法,广泛应用于汽车制造、家电制造和电子器件制造等行业。
4. 冷加工的应用领域冷加工广泛应用于各行各业。
在制造业方面,冷轧常用于生产薄板、中板和带钢等材料,广泛应用于汽车、建筑、家电等领域。
冷拔广泛应用于制造高精度零件,如弹簧、螺纹杆、螺母等。
冷拉伸常用于制造拉杆、钢丝绳和钢丝等。
冷冲压在汽车制造、家电制造和电子器件制造等领域中起着重要作用,可以生产出各种形状和尺寸的零部件。
刚材的冷加工名词解释引言:在现代工业中,材料的加工是一项必不可少的环节。
加工过程对材料的性能、形状和尺寸等方面都有着重要影响。
其中,冷加工是一种常见的加工方式,特别适用于刚材的处理。
本文将从几个方面对刚材的冷加工相关名词进行解释,以帮助读者更好地理解、掌握这一领域。
一、冷加工冷加工是指在常温下进行的材料加工过程,与热加工相对。
相比热加工,冷加工具有以下几个特点:1. 材料具有较高的强度和硬度,冷加工可有效改变和提高材料的力学性能。
2. 冷加工过程中可以有效地控制材料的形状和尺寸,保证加工精度和一致性。
3. 冷加工可减少材料的收缩和变形,避免了热应力引起的破裂和缺陷。
二、拉伸拉伸是一种冷加工过程,主要用于改变材料的形状和尺寸。
在拉伸过程中,材料受到一定的拉力,而其截面积则发生变化。
通常将材料拉伸到一定程度后,可以通过压力或热处理来恢复其原始形状。
拉伸加工可应用于各种刚材,如金属、塑料等。
三、冷轧冷轧是一种常见的冷加工方式,主要用于金属材料的加工。
冷轧过程通常通过连续的轧制操作来实现。
在冷轧过程中,金属材料经过多道不断降低的温度和压力,最终实现所需的形状和尺寸。
相比热轧,冷轧具有以下优势:1. 冷轧能够获得更高的加工硬化程度,从而改善材料的力学性能。
2. 冷轧加工可实现更高的加工精度和一致性,适用于对尺寸和形状要求较高的零部件制造。
3. 冷轧能够提高金属表面的光洁度和表面质量,便于后续处理和使用。
四、冷锻冷锻是一种常见的冷加工方式,主要用于金属材料的加工。
冷锻通过压制和塑性变形来改变金属材料的形状和尺寸。
相比热锻,冷锻具有以下特点:1. 冷锻可实现更高的加工硬化程度,使材料的强度和硬度得到提高。
2. 冷锻加工不需要加热设备,节约了能源和时间成本。
3. 冷锻能够在材料中保留更多的冷变形残余应变,提高硬化效果和抗蠕变能力。
五、淬火淬火是一种冷加工方式,主要用于改善钢材等金属材料的力学性能。
淬火过程中,材料先经过加热处理,然后迅速冷却至室温或低于室温。
钢筋的冷加工名词解释
钢筋的冷加工是指在常温下对钢筋进行加工处理,包括冷拉、冷拔、冷轧等。
这些加工方法可以使钢筋具有一定的塑性和韧性,提高其承载能力。
冷拉是指在高温下将钢筋拉直,使其缩短其长度,从而降低其直径,以达到增强钢筋的目的。
冷拉钢筋可以承受较大的拉应力,从而提高其承载能力。
冷拔是指将钢筋在常温下拉拔,以达到增加钢筋直径和减少钢筋长度的目的。
冷拔钢筋的强度和韧性都较高,可以用于高层建筑和大跨度桥梁等高强度工程。
冷轧是指将钢筋在高温下加热,然后通过轧机进行加工。
冷轧钢筋的韧性和强度都较高,可以满足高层建筑和大跨度桥梁等高强度工程的需求。
在钢筋冷加工过程中,需要注意安全问题,防止钢筋在加工过程中断裂,对人和物造成伤害。
同时,需要遵守相关的环保规定,避免对环境造成污染。
冷加工,通常指金属的切削加工,即用切削工具从金属材料(毛坯)或工件上切除多余的金属层,从而使工件获得具有一定形状、尺寸精度和表面粗糙度的加工方法。
如车削、钻削、铣削、刨削、磨削、拉削等。
在金属工艺学中,与热加工相对应,冷加工则指在低于再结晶温度下使金属产生塑性变形的加工工艺,如冷轧、冷拔、冷锻、冲压、冷挤压等。
冷加工变形抗力大,在使金属成形的同时,可以利用加工硬化提高工件的硬度和强度。
冷加工适于加工截面尺寸小,加工尺寸和表面粗糙度要求较高的金属零件。
热加工,在高于再结晶温度的条件下使金属材料同时产生塑性变形和再结晶的加工方法。
热加工通常包括铸造、热扎、锻造和金属热处理等工艺,有时也将焊接、热切割、热喷涂等工艺包括在内。
热加工能使金属零件在成形的同时改善它的组织,或者使已成形的零件改变结晶状态以改善零件的机械性能。
对于低熔点的金属材料,如铅、锌、锡等,其再结晶温度低,在室温下对它们进行的塑性加工,也属于热加工。
热轧板硬度低,加工容易,延展性能好,强度相对较低,表面质量差点(有氧化\光洁度低),但塑性好,一般为中厚板, 热轧钢板,机械性能远不及冷加工,也次于锻造加工,但有较好的韧性和延展性。
冷轧板:强度高\硬度高, 加工相对困难些,但是不易变形,表面光洁度高,一般为薄板,可以作为冲压用板;由于有一定程度的加工硬化,韧性低,但能达到较好的屈强比,用来冷弯弹簧片等零件,同时由于屈服点较靠近抗拉强度,所以使用过程中对危险没有预见性,在载荷超过许用载荷时容易发生事故。
大部分冷轧钢板厚度在4.5mm以下。
冷轧板硬度高,,强度较高中厚板是指厚度4.5-25.0mm的钢板,厚度25.0-100.0mm的称为厚板,厚度超过100.0mm的为特厚板(1):退火:指金属材料加热到适当的温度,保持一定的时间,然后缓慢冷却的热处理工艺。
常见的退火工艺有:再结晶退火,去应力退火,球化退火,完全退火等。
退火的目的:主要是降低金属材料的硬度,提高塑性,以利切削加工或压力加工,减少残余应力,提高组织和成分的均匀化,或为后道热处理作好组织准备等。
冷加⼯钢筋
在常温下对热轧钢筋进⾏机械加⼯(冷拉、冷拔、冷轧)⽽成。
常见的品种有冷拉热轧钢筋、冷轧带肋钢筋和冷拔低碳钢丝。
冷轧带肋钢筋。
⽤低碳钢热轧盘圆条直接冷轧或经冷拔后再冷轧,形成三⾯或两⾯横肋的钢筋。
现⾏国家标准《冷轧带肋钢筋》GB13788规定,冷轧带肋钢筋分为CRB500、CRB650、CRB800、CRB970、CRB1170五个牌号。
CRB500⽤于⾮预应⼒钢筋混凝⼟,其他牌号⽤于预应⼒混凝⼟。
冷拉热轧钢筋。
在常温下将热轧钢筋拉伸⾄超过屈服点⼩于抗拉强度的某⼀应⼒,然后卸荷,即制成了冷拉热轧钢筋。
卸荷后⽴即重新拉伸,卸荷点成为新的屈服点,因此冷拉可使屈服点提⾼,材料变脆、屈服阶段缩短,塑性、韧性降低。
若卸荷后不⽴即重新拉伸,⽽是保持⼀定时间后重新拉伸,钢筋的屈服强度、抗拉强度进⼀步提⾼,⽽塑性、韧性降低继续降低,这种现象称为冷拉时效。
冷拔低碳钢丝。
将直径6.5-~8mm的Q235或Q215盘圆条通过⼩直径的拔丝孔逐步拉拔⽽成,直径3~5mm.由于经多次拔制,其屈服强度可提⾼40%~60%,同时失去了低碳钢的良好塑性,变得硬脆。
热处理钢筋
热处理钢筋是钢⼚将热轧的带肋钢筋(中碳低含⾦钢)经淬⽕和⾼温回⽕调质处理⽽成的,即以热处理状态交货,成盘供应,每盘长约200m.现⾏国家标准《预应⼒混凝⼟⽤热处理钢筋》GB4463规定,公称直径6mm、8.2mm、
10mm,σ0.2≥1325MPa,σb≥1470MPa,δ10≥6%。
钢材冷加工方法钢材冷加工是指在常温下对钢材进行各种加工操作的方法。
相比于热加工,冷加工具有成本低、工艺简单、加工精度高等优点,被广泛应用于钢材加工行业。
本文将介绍几种常见的钢材冷加工方法。
一、剪切剪切是一种常见的冷加工方法,适用于切割钢材。
剪切操作通常使用剪切机械,通过对钢材进行剪切力的施加,将钢材切割成所需尺寸和形状。
剪切操作可以对各种不同规格和材质的钢材进行加工,广泛应用于金属加工和制造行业。
二、冷拔冷拔是将钢材通过模具的拉拽作用,使其在常温下产生塑性变形,从而获得所需的形状和尺寸的加工方法。
冷拔操作可以改变钢材的截面形状,并提高其机械性能和表面质量。
冷拔常用于制造精密轴类零件、线材和螺纹钢等。
三、冷轧冷轧是利用轧机对钢材进行冷加工的方法。
在冷轧过程中,钢材经过多道次的轧制,使其截面尺寸变小、形状变化,同时提高钢材的密度和硬度。
冷轧可用于生产各种钢板、钢带和钢管等产品,广泛应用于建筑、汽车、家电等行业。
四、冷弯冷弯是利用弯曲机械对钢材进行弯曲加工的方法。
与热弯相比,冷弯具有工艺简单、成本低、变形小等优点。
冷弯操作可以使钢材产生弯曲、扭转等形变,从而获得所需的曲线形状,常用于制造各种构件和零件。
五、冷镦冷镦是将钢材在常温下通过模具的挤压作用,使其产生塑性变形,从而获得所需的形状和尺寸的加工方法。
冷镦操作通常用于生产各种螺栓、螺母和螺柱等紧固件。
冷镦可以提高钢材的强度和硬度,同时改善表面质量。
六、冷锻冷锻是利用冷锻机对钢材进行加工的方法。
在冷锻过程中,钢材经过多次冲击和挤压,使其产生塑性变形,从而获得所需的形状和尺寸。
冷锻操作可以提高钢材的强度和韧性,常用于制造各种工具、零件和轴类产品。
总结:钢材冷加工方法包括剪切、冷拔、冷轧、冷弯、冷镦和冷锻等。
这些方法在常温下对钢材进行加工,具有成本低、工艺简单、加工精度高等优点,广泛应用于各个领域。
钢材冷加工方法的选择应根据具体的加工要求和钢材的特性来确定,以获得最佳的加工效果。
钢材的冷加工名词解释
钢材冷加工是指在室温下对钢材进行加工的一种方法。
相对于热加工而言,冷加工具有加工速度快、加工精度高、成材率高等优点。
以下是钢材冷加工常用的名词解释。
1. 拉伸:拉伸是将钢材用力使其变长的加工方式。
拉伸可以改善钢材的力学性能,提高其延展性和可塑性。
常见的拉伸加工方法有拉拔、绘制等。
2. 压缩:压缩是将压力施加在钢材上使其发生变形的一种加工方式。
压缩可以使钢材产生塑性变形,提高其强度和硬度。
常见的压缩加工方法有压辊、锻压等。
3. 弯曲:弯曲是通过对钢材施加力矩,使其发生弯曲变形的一种加工方式。
弯曲可以改变钢材的形状和尺寸,常见的弯曲加工方法有弯管、折弯等。
4. 剪切:剪切是通过切割工具对钢材产生切削力,使其发生剪切变形的一种加工方式。
剪切可以将钢材切割成所需形状和尺寸,常见的剪切加工方法有剪切机、剪板等。
5. 拉深:拉深是将钢材表面压在模具上,从而形成凹陷的一种加工方式。
拉深可以使钢材产生凹形,常见的拉深加工方法有深冲、冲压等。
6. 挤压:挤压是将钢材放入挤压机中,通过挤压头对其施加压力,使其发生挤压变形的一种加工方式。
挤压可以将钢材变形
成复杂的截面形状,常见的挤压加工方法有挤压成型、铝挤压等。
7. 管材冷拉:管材冷拉是将钢材通过拉拔机拉制成管状的一种加工方式。
管材冷拉可以提高钢材的尺寸精度和表面质量,常见的管材冷拉方法有冷轧、冷拔等。
8. 卷曲:卷曲是将钢材卷曲成圆筒形或弧形的一种加工方式。
卷曲可以改变钢材的形状和尺寸,常见的卷曲加工方法有卷板、卷管等。
9. 塑性加工:塑性加工是通过将钢材置于模具中,施加压力使其发生塑性变形的一种加工方式。
塑性加工可以使钢材获得所需形状和尺寸,常见的塑性加工方法有成形、冲压等。
10. 冷弯:冷弯是在常温下,通过对钢材进行弯曲,使其发生
塑性变形的一种加工方式。
冷弯可以改变钢材的形状和曲线,常见的冷弯加工方法有冷弯折弯、冷弯成型等。
综上所述,钢材冷加工常用的名词解释主要包括拉伸、压缩、弯曲、剪切、拉深、挤压、管材冷拉、卷曲、塑性加工、冷弯等。
这些冷加工方法在钢材加工过程中发挥着重要的作用,可以改变钢材的形状、尺寸和性能,满足不同行业对钢材的需求。