线路工程初验检查记录表
- 格式:xls
- 大小:40.50 KB
- 文档页数:2
输电线路施工记录及验评表测量记录及验评表一、施工记录1.1 前置作业1.1.1 现场勘测在施工前,要对输电线路所在地进行勘测,确定地形、地貌、地形地貌特点,观察现场环境,清理现场情况,绘制出相应图纸和调查报告,并于监理单位交底和验收。
1.1.2 前期准备对施工所需的设备、材料等进行清点,确保施工所需材料的种类、数量和质量的准确性,并对设备进行检查和试验,确保施工安全、高效进行。
1.2 施工过程1.2.1 架设塔杆1.安装塔杆。
将塔杆按照机械要求进行安装,保证竖直度、水平度以及塔杆在基础中的稳固度。
2.挂接绝缘子串或导线挂点。
根据设计图纸,在正确位置上安装绝缘子串或导线挂点,保证固定牢固、位置正确。
1.2.2 牵引导线1.牵引导线。
将导线沿着设立的塔杆和架设的导线杆逐级拉起,牵引导线过程中要注意保持导线的水平度和竖直度,确保导线各点的位置、水平度以及导线垂直度符合设计要求。
2.锚线构造的制定。
依照设计图纸要求,制定锚线构造,并按着锚线构造进行锚固。
1.2.3 接线和终端1.导线连接。
按照设计要求进行导线连接,保证导线连接牢固、电气性能良好。
2.绝缘子安装。
根据设计图纸进行绝缘子的安装,保证绝缘子的位置、牢固度及防电击性能的良好。
1.3 完工验收1.安全检查。
检查已完成的输电线路是否准确牢固,各种设备的安装是否正确,安装的绝缘材料和设备的耐电压、耐击穿电压是否符合要求。
2.线路测试。
进行线路测试,确保线路的电气性能符合国家规定,保证输电线路的安全性、稳定性和可靠性。
二、验评表检测项目检查标准检测结果塔杆倾斜倾斜量≤1/500合格塔杆垂直度垂直度≤1/500合格塔杆强度验收塔杆安装牢固,强度符合设计要求合格接头牢固度接头松动、螺钉脱落等现象合格导线张力张力,与设计要求相符合格绝缘子和跳线的安装安装位置、牢固度符合设计要求合格导线路面高度落差≤10mm合格导线距离防风及任意转角处距离≤1000mm,其他≤500mm合格以上是本次输电线路施工记录及验评表测量记录及验评表,各项工作都经过认真执行和检查,以确保施工质量达到了预期目标。
一、基本信息1. 工程名称:____________________2. 施工单位:____________________3. 监理单位:____________________4. 施工地点:____________________5. 施工时间:____________________二、检查项目及内容1. 施工准备(1)施工图纸、施工方案、施工组织设计等文件齐全,符合相关规范要求。
(2)施工人员、施工机械、施工材料、施工设备等到位。
(3)施工现场布置合理,临时设施符合要求。
2. 施工过程(1)路基施工- 路基填筑:填料符合要求,压实度达到规范要求。
- 路基平整度:平整度符合要求,无较大起伏。
- 路基排水:排水设施齐全,排水畅通。
(2)基层施工- 基层材料:基层材料符合要求,质量合格。
- 基层厚度:基层厚度符合设计要求。
- 基层平整度:平整度符合要求,无较大起伏。
(3)面层施工- 面层材料:面层材料符合要求,质量合格。
- 面层厚度:面层厚度符合设计要求。
- 面层平整度:平整度符合要求,无较大起伏。
3. 施工安全(1)施工现场安全防护设施齐全,安全警示标志明显。
(2)施工人员佩戴安全帽,遵守操作规程。
(3)施工现场消防安全措施到位。
4. 施工质量(1)施工过程质量检查记录齐全,符合要求。
(2)施工质量符合设计要求和规范要求。
三、检查结果1. 施工准备情况:____________________2. 施工过程情况:____________________3. 施工安全情况:____________________4. 施工质量情况:____________________四、存在问题及整改措施1. 存在问题:____________________2. 整改措施:____________________3. 整改期限:____________________五、检查人员及签字1. 施工单位检查人员:____________________2. 监理单位检查人员:____________________3. 施工单位项目负责人:____________________4. 监理单位项目负责人:____________________5. 检查日期:____________________备注:本表一式两份,施工单位和监理单位各执一份。
至:线路新建工程施工项目部以下是拟用于工程的“线路工程质量检查及评级记录表”,监理部按《标准化作业手册》要求拟定,请施工项目部在各工序施工过程中根据实际施工情况对应表格如实填写。
(有不妥之处,请询监理项目部).线路工程质量检查及评级记录表目录:1,线基1 现浇铁塔(等高斜柱式)基础专检及评级记录表2,线基1-1 现浇铁塔(全方位高低腿斜柱式)基础检查及评级记录表3,线基1—2 插入角钢式现浇铁塔(高低腿)基础检查及评级记录表4,线基1-3 现浇钢管杆基础检查及评级记录表5,线基5 岩石、掏挖铁塔基础检查及评级记录表6,线基6 灌注桩基检查及评级记录表7,线塔1 自立式铁塔组立检查及评级记录表8,线线1 导、地线展放施工检查及评级记录表9,线线7 附件安装施工检查及评级记录表10,线地1 接地装置施工检查及评级记录表11,线防1 线路防护设施检查及评级记录表12,线线4 导、地线直线液压管施工检查及评级记录表13,线线5 导、地线耐张液压管施工检查及评级记录表14,线线6 紧线施工检查及评级记录表(耐张段)15,线统1 _____________分部工程(分项工程)评级统计表16,线统2 _____________单位工程质量评级统计表附件:表格现浇铁塔(等高直柱式)基础及评级记录表(自检) 工程名称: 线路新建工程监理工程师:专职质检员: 施工负责人: 检查人:岩石、掏挖现浇铁塔(全方位高低腿直柱式)基础及评级记录表(自检)工程名称:线路新建工程监理工程师:专职质检员:施工负责人:检查人:插入角钢式现浇铁塔(高低腿)基础检查及评级记录表工程名称:监理工程师:专职质检员:施工负责人: 检查人:线基1-3现浇钢管杆基础检查及评级记录表工程名称:监理工程师:专职质检员: 施工负责人:检查人:岩石、掏挖铁塔基础及评级记录表(复检)工程名称:线路新建工程监理工程师:专职质检员:施工负责人:检查人:线基6灌注桩基检查及评级记录表工程名称:监理工程师:专职质检员: 施工负责人: 检查人:线塔1 自立式铁塔组立检查及评级记录表工程名称:监理工程师: 专职质检员:施工负责人:检查人:线线1 导、地线展放施工检查及评级记录表工程名称:监理工程师:专职质检员:施工负责人:检查人:线线7附件安装施工检查及评级记录表工程名称:监理工程师: 专职质检员: 施工负责人: 检查人:线地1接地装置施工检查及评级记录表工程名称:线路新建工程监理工程师:专职质检员:施工负责人:检查人:线防1 线路防护设施检查及评级记录表工程名称:监理工程师:专职质检员:施工负责人:检查人:线线4 导、地线直线液压管施工检查及评级记录表工程名称:备注外观检查包括管弯曲、裂纹等项目。
至:线路新建工程施工项目部以下是拟用于工程的“线路工程质量检查及评级记录表”,监理部按《标准化作业手册》要求拟定,请施工项目部在各工序施工过程中根据实际施工情况对应表格如实填写。
(有不妥之处,请询监理项目部)。
线路工程质量检查及评级记录表目录:1,线基1 现浇铁塔(等高斜柱式)基础专检及评级记录表2,线基1-1 现浇铁塔(全方位高低腿斜柱式)基础检查及评级记录表3,线基1-2 插入角钢式现浇铁塔(高低腿)基础检查及评级记录表4,线基1-3 现浇钢管杆基础检查及评级记录表5,线基5 岩石、掏挖铁塔基础检查及评级记录表6,线基6 灌注桩基检查及评级记录表7,线塔1 自立式铁塔组立检查及评级记录表8,线线1 导、地线展放施工检查及评级记录表9,线线7 附件安装施工检查及评级记录表10,线地1 接地装置施工检查及评级记录表11,线防1 线路防护设施检查及评级记录表12,线线4 导、地线直线液压管施工检查及评级记录表13,线线5 导、地线耐张液压管施工检查及评级记录表14,线线6 紧线施工检查及评级记录表(耐张段)15,线统1 _____________分部工程(分项工程)评级统计表16,线统2 _____________单位工程质量评级统计表附件:表格现浇铁塔(等高直柱式)基础及评级记录表(自检)监理工程师:专职质检员:施工负责人:检查人:岩石、掏挖现浇铁塔(全方位高低腿直柱式)基础及评级记录表(自检)工程名称:线路新建工程监理工程师:专职质检员:施工负责人:检查人:插入角钢式现浇铁塔(高低腿)基础检查及评级记录表工程名称:监理工程师:专职质检员:施工负责人:检查人:线基1-3现浇钢管杆基础检查及评级记录表工程名称:监理工程师:专职质检员:施工负责人:检查人:岩石、掏挖铁塔基础及评级记录表(复检)工程名称:线路新建工程监理工程师:专职质检员:施工负责人:检查人:线基6灌注桩基检查及评级记录表监理工程师:专职质检员:施工负责人:检查人:线塔1 自立式铁塔组立检查及评级记录表工程名称:监理工程师:专职质检员:施工负责人:检查人:线线1 导、地线展放施工检查及评级记录表监理工程师:专职质检员:施工负责人:检查人:线线7附件安装施工检查及评级记录表工程名称:监理工程师: 专职质检员: 施工负责人: 检查人:线地1接地装置施工检查及评级记录表工程名称:线路新建工程.监理工程师:专职质检员:施工负责人:检查人:线防1 线路防护设施检查及评级记录表工程名称:.监理工程师:专职质检员:施工负责人:检查人:.监理工程师:质检员:施工负责人:检查人:.监理工程师:质检员:施工负责人:检查人:.线线6 紧线施工检查及评级记录表(耐张段)监理工程师:专职质检员:施工负责人:检查人:.线统1分部工程(分项工程)评级统计表工程名称:.线统2单位工程质量评级统计表工程名称:.。
附录A:复测、分坑、验槽及杆塔号对照表Q/CSG表1—A.1路径复测记录表(线记1)工程编号:Q/CSG表1—A。
1Q/CSG表1-A.2被跨越物及地形凸起点测量记录表(线记2)工程编号:Q/CSG表 1-A.2Q/CSG表1—A。
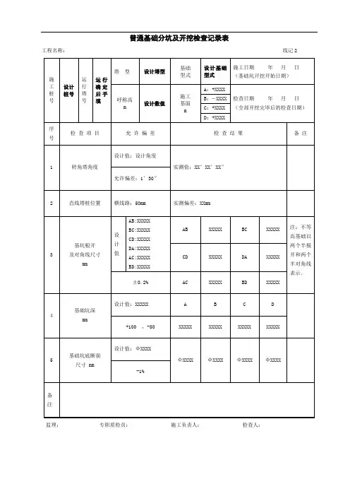
3普通 (掏挖) 基础和拉线基础分坑及开挖检查记录表(线记3) 工程编号:Q/CSG表1-A.3Q/CSG表1—A.4 地基基坑(槽)检查记录表(线记4)工程编号:Q/CSG表1—A。
4Q/CSG表1- A。
5杆塔号对照表(线记5)工程编号:Q/CSG表1—A。
5附录B: 架空输电线路工程分项工程质量验收记录表【W001】Q/CSG表1— B.01路径复测分项工程质量验收记录(线土1)工程编号: Q/CSG表1- B.01【H001】Q/CSG表1— B.02普通基础分坑与开挖分项工程质量验收记录(线土2)工程编号: Q/CSG表1- B。
02Q/CSG表1- B.03拉线基础分坑与开挖分项工程质量验收记录(线土3 )工程编号: Q/CSG表1— B。
03Q/CSG表1- B。
04岩石、掏挖基础分坑与开挖分项工程质量验收记录(线土4)工程编号: Q/CSG表1- B.04工程编号: Q/CSG表1— B。
05Q/CSG表1- B.1现浇、掏挖(等高)铁塔基础分项工程质量验收记录 (线基1)工程编号: Q/CSG表1- B。
1Q/CSG表1- B.2 现浇、掏挖(不等高)铁塔基础分项工程质量验收记录(线基2)工程编号:Q/CSG表1— B.2【Q/CSG表1- B。
4 岩石铁塔基础分项工程质量验收记录 (线基4 ) 工程编号: Q/CSG表1— B。
4Q/CSG表1— B。
5混凝土电杆基础分项工程质量验收记录(线基5)工程编号: Q/CSG表1- B.5Q/CSG表1— B。
12自立式铁塔组立分项工程质量验收记录(线塔1)工程编号: Q/CSG表1- B.12Q/CSG表1— B。
普通基础分坑及开挖检查记录表工程名称:线记2监理:专职质检员:施工负责人:检查人:填写说明1. 施工桩号应与杆塔明细表中的杆塔桩号一致,例如:T1、N12等。
施工时,若运行塔号尚未确定,可先不填写,待运行塔号确定后按照建设管理单位要求处理。
2. 塔型、呼称高与设计的塔型、呼称高一致。
3. “基础型式”填写设计基础型式,如GZ10135;若同一基基础四个腿基础型式相同,可填写统一的基础型,若四个腿基础型不一样,应按照设计施工图分别填写A、B、C、D基础型。
如:A:Xk-Z1200L12 B: Xk-Z1200L07 C:Xk-Z1200L02 D: Xk-Z1200L07。
4. “施工基面”填写设计各基础腿施工基面与基准面之间的高差;低于基准面为“-”、高于基准面为“+”。
5. 施工日期为基础坑开挖开始日期,检查日期为该基基础开挖完毕后实际检查日期。
6. “基坑根开及对角线尺寸”:不等高基础应填写相应的半根开、半对角相加形式,如“8388+7956”。
7. “基础坑深”、“基础坑底断面尺寸”根据设计要求填写设计值。
基础坑深为各基础腿坑底至施工基面的高度,“基础坑底断面尺寸”表述方式为“***×***”,如“6510×6530”;检查结果栏填写开挖完毕后实测数据。
设计有垫层的基础:“基坑坑深”填写开挖完毕后的基坑深度(包括垫层厚度);有垫层的“基础坑底断面尺寸”填写垫层底板尺寸。
其它施工记录填写均不包括垫层的厚度和垫层底板断面尺寸;如基础埋深设计值为5600,设计垫层厚度为200mm,垫层底板尺寸为4600×4600,基础底板断面尺寸为4200×4200,则普通基础分坑及开挖检查记录表(线记2)的“基坑坑深”设计值应填写5800,“基础坑底断面尺寸”填写4600×4600;其它记录中的“基础埋深”或“坑深尺寸”应填写5600,底板断面尺寸“应填写4200×4200;“普通基础分坑及开挖检查记录表(线记2)”有垫层要求的基础在备注栏内注明垫层设计数据,如垫层底板断面尺寸设计值4600×4600mm,垫层厚度200。
路径复测、基础分坑及开挖检查记录表1、线记1 路径复测记录表 (33)2、线记2 普通基础和拉线基础分坑及开挖检查记录表 (34)线路工程施工质量检查及评级记录表1、线基1 现浇铁塔基础检查及评级记录表 (35)线基1—1 高低腿现浇铁塔基础检查及评级记录表 (36)线基1—2 高低腿插入钢式现浇铁塔基础检查及评级记录表 (37)线基1—3 现浇钢管杆基础检查及评级记录表(暂缺)线基1—4 现浇框架(连梁)基础检查及评级记录表 (38)2、线基2 现浇铁塔拉线基础检查及评级记录表 (39)3、线基3 装配式基础检查及评级记录表 (40)4、线基4 混凝土电杆基础检查及评级记录表 (41)5、线基5 岩石/掏挖铁塔基础检查及评级记录表 (42)6、线基6 灌注桩基础检查及评级记录表 (43)7、线基7 贯入桩基础检查及评级记录表 (44)8、线塔1 自立式铁塔组立检查及评级记录表 (45)线塔1—1钢管杆组立检查及评级记录表(暂缺)9、线塔2 拉线铁塔组立检查及评级记录表 (46)10、线塔3 混凝土电杆组立检查及评级记录表 (47)11、线塔4 杆塔拉线压接管施工检查及评级记录表 (48)12、线线1 导、地线展放施工检查及评级记录表 (49)13、线线2 导、地线直线爆压管施工检查及评级记录表 (50)14、线线3 导、地线耐张爆压管施工检查及评级记录表 (51)15、线线4 导、地线直线液压管施工检查及评级记录表 (52)16、线线5 导、地线耐张液压管施工检查及评级记录表 (53)17、线线6 紧线施工检查及评级记录表(耐张段) (54)18、线线7 附件安装施工检查及评级记录表 (55)19、线线8 对地、风偏开方对地距离检查及评级记录表 (56)20、线线9 交叉跨越检查及评级记录表 (57)21、线地1 接地装置施工检查及评级记录表 (58)22、线防1 线路防护设施检查及评级记录表 (59)线路工程施工质量评级统计表23、线统1 分部工程(分项工程)评级统计表 (60)24、线统2 单位工程质量评级统计表 (61)OPGW复合光纤施工质量检验评定表25、线线1(光)OPGW展放施工质量检查评级记录表 (62)26、线线2(光)OPGW光纤接续质量检查评级记录表 (63)27、线线6(光)OPGW紧线质量检查评级记录表 (64)28、线线7(光1)OPGW附件安装质量检查评级记录表 (65)29、线线7(光2)OPGW接头盒、引下线附件安装施工质量评级记录表 (66)30、——OPGW全程光纤接续损耗检查评级记录表 (67)31、——OPGW全程光纤传输损耗检查评级记录表 (68)线记1 路径复测记录表监理工程师:专职质检员:施工负责人:检查人:线记2 杆塔基础和拉线基础分坑及开挖检查记录表线基1 现浇铁塔(等高斜柱式)基础检查及评级记录表监理工程师:专职质检员:施工负责人:检查人:监理工程师:专职质检员:施工负责人:检查人:监理工程师:专职质检员:施工负责人:检查人:线基1-3 现浇钢管杆基础检查及评级记录表监理工程师:专职质检员:施工负责人:检查人:线基1—4 现浇框架(连梁)基础检查及评级记录表监理工程师:专职质检员:施工负责人:检查人:线基2 现浇铁塔拉线基础检查及评级记录表监理工程师:专职质检员:施工负责人:检查人:线基3 装配式基础检查及评级记录表监理工程师:专职质检员:施工负责人:检查人:线基4 混凝土电杆基础检查及评级记录表监理工程师:专职质检员:施工负责人:检查人:线基5 岩石、掏挖铁塔基础检查及评级记录表监理工程师:专职质检员:施工负责人:检查人:线基6 灌注桩基检查及评级记录表监理工程师:专职质检员:施工负责人:检查人:线基7 贯入桩基础检查及评级记录表监理工程师:专职质检员:施工负责人:检查人:线塔1 自立式铁塔组立检查及评级记录表监理工程师:专职质检员:施工负责人:检查人:线塔2 拉线铁塔组立检查及评级记录表监理工程师:专职质检员:施工负责人:检查人:线塔3 混凝土电杆组立检查及评级记录表监理工程师:专职质检员:施工负责人:检查人:线塔4 杆塔拉线压接管施工检查及评级记录表外观检查包括管弯曲、烧伤、裂纹等项目。
验线记录表工程名称坤源名居建设单位内蒙古坤源房地产开发有限责任公司测量单位呼和浩特赛维测绘有限公司监理单位呼和浩特市宏祥市政工程咨询监理有限责任公司施工单位江西建工第四建筑有限责任公司点号设计值实测值差值L14 19008.044 20773.308L15 19014.417 20792.566L16 18973.658 20805.967L17 18967.286 20787.009筏板标高-17.1m施工单位(章)技术负责人:测绘单位(章)测量人:监理单位(章)专业监理工程师:建设单位(章)土建工程师:工程部经理:项目经理:年月日负责人:年月日总监理工程师:年月日总工程师:年月日验线记录表工程名称坤源名居建设单位内蒙古坤源房地产开发有限责任公司测量单位呼和浩特赛维测绘有限公司监理单位呼和浩特市宏祥市政工程咨询监理有限责任公司施工单位江西建工第四建筑有限责任公司点号设计值实测值差值L18 18945.468 20787.855L19 18953.800 20812.642L21 18911.162 20820.909L22 18902.257 20794.732L23 18919.081 20789.075L24 18921.392 20795.948筏板标高-17.4m施工单位(章)测绘单位(章)监理单位(章)建设单位(章)验线记录表B座施工单位(章)技术负责人:项目经理:年月日测绘单位(章)测量人:负责人:年月日监理单位(章)专业监理工程师:总监理工程师:年月日建设单位(章)土建工程师:工程部经理:总工程师:年月日验线记录表工程名称坤源名居建设单位内蒙古坤源房地产开发有限责任公司测量单位呼和浩特赛维测绘有限公司监理单位呼和浩特市宏祥市政工程咨询监理有限责任公司施工单位江西建工第四建筑有限责任公司点号设计值实测值差值L18 18945.468 20787.855L19 18953.800 20812.642L21 18911.162 20820.909L22 18902.257 20794.732L23 18919.081 20789.075L24 18921.392 20795.948筏板标高-15.1m施工单位(章)技术负责人:项目经理:年月日测绘单位(章)测量人:负责人:年月日监理单位(章)专业监理工程师:总监理工程师:年月日建设单位(章)土建工程师:土建负责人:总工程师:工程部经理:年月日。
电路检查记录表范本
日期:XXXX年XX月XX日
检查人员姓名:XXX
设备型号与编号:XXXX-XXXX
一、电路基本信息
设备型号:XXX
设备编号:XXXX
二、电源情况
电压:XXX V
电流:XXX A
频率:XXX Hz
波形:XXX波形
三、导线连接情况
导线颜色与标识:按照国家规定进行标识,无混色。
连接点紧固:所有连接点均紧固,无松动。
导线走向:走向合理,无弯折、扭曲等现象。
四、绝缘性能测试
主电路绝缘电阻:不小于XX MΩ
控制电路绝缘电阻:不小于XX MΩ
绝缘材料:符合国家及行业标准,无老化、龟裂等现象。
五、保护措施检查
过载保护:具有过载保护功能,已设定合适的过载保护
阈值。
短路保护:具有短路保护功能,在短路时能迅速切断电源。
接地保护:设备接地良好,符合国家及行业标准。
六、问题记录与处理
问题描述:检查过程中未发现异常现象。
处理措施:无需采取措施。
处理结果:问题已解决。
七、安全性能评估
安全性评价:设备安全性能符合国家及行业标准。
安全措施有效性:安全措施有效,可保证设备正常运行及人员安全。
八、检查结论
本次电路检查未发现异常现象,设备运行正常,安全性能良好。
建议继续使用,并定期进行维护检查。