技能等级考核项目及评分标准(电工)
- 格式:doc
- 大小:36.50 KB
- 文档页数:6
电工技能等级评定标准
电工技能等级评定标准是根据国家的标准分为五个不同的等级:初级(国家职业资格五级)、中级(国家职业资格四级) .高级(国家职业资格三级)、技师(国家职业资格二级)、高级技师(国家职业资格- -级)。
电工职业技能等级证书是分为理论知识考试、技能考核以及综合评审三个部分。
理论知识考试和技能考核都均以笔试、机考等方式为主,理论知识考试主要是考核相关的理论知识,技能考核则是为了考核从事电工这个职业所应该具有的技能水平。
综合评审主要是针对技师以及高级技师,通常来说都是通过采取审阅申报材料,答辩等方
式来进行全面评议以及审查。
在具体的电工技能等级评定标准中,不同等级有不同的要求。
例如,在初级评定中,需要掌握基本的电路知识,能够阅读简单的电路图,能够使用基本的电工工具和仪器仪表,能够进行简单的电工安装和调试。
在中级评定中,需要学握较复杂的电路知识,能够阅读较复杂的电路图,能够使用较复杂的电工工具和仪器仪表,能够进行
较复杂的电工安装和调试。
在高级评定中,需要学握高深的电路知识,能够阅读高深的电路图,能够使用高深的电工工具和仪器仪表,能够进行高深的电工安装和调试。
总的来说,电工技能等级评定标准是根据职业资格等级划分的,不同等级有不同的要求。
制表:审核:批准:。
电工岗位技能测试内容及评分标准1. 测试内容本次电工岗位技能测试主要考察以下知识和技能:1.1 电工基础知识- 电工常用工具及器材的认识和使用方法- 电工安全操作规范- 电气图纸的阅读和理解1.2 电路及电气元件- 电路的组成与分类- 电气元件的特性和应用- 电气元件的连接方法1.3 电气故障排除- 常见电气故障的判断与排除方法- 故障诊断的基本步骤和流程- 故障修复的常用技巧2. 评分标准2.1 电工基础知识 (30分)- 对常用工具及器材的认识和使用方法准确无误 (10分)- 能熟练掌握电工安全操作规范,并严格遵守 (10分)- 能理解电气图纸并准确阅读 (10分)2.2 电路及电气元件 (40分)- 能清晰地解释电路的组成与分类,并正确应用于实际场景 (15分)- 对电气元件的特性和应用有深入的理解,并能灵活使用 (15分)- 能准确无误地连接电气元件,并确保电路工作正常 (10分)2.3 电气故障排除 (30分)- 能迅速、准确地判断常见电气故障,并采取相应的排除方法(15分)- 能熟练掌握故障诊断的基本步骤和流程,并能很好地应用于实际操作 (10分)- 在故障修复中能灵活运用常用技巧,并保证修复后电路正常运行 (5分)总分: 100分 100分3. 考核方式和评价方法3.1 考核方式本次电工岗位技能测试采用以下方式进行:- 笔试:包括选择题、判断题、填空题、简答题等形式,用于考察电工基础知识和电路及电气元件的理论知识- 操作实操:考生需要在实际场景中操作电气元件、进行故障排除等,用于考察电气故障排除的实际操作能力3.2 评价方法针对笔试部分,采用分数评价的方式,按照题目的难易程度和答题的准确性进行打分。
对于操作实操部分,主要评估考生的操作技能和解决问题的能力,根据实际操作的结果进行评价。
4. 资源准备和考核场地4.1 资源准备- 笔试场所:提供宽敞、安静的考场,保证考生能够顺利完成笔试部分- 操作场地:提供符合电工操作要求的实际场景,包括电气元件、实验设备等4.2 考核场地本次电工岗位技能测试可以选择在以下场地进行:- 专门的电工培训中心- 企业内部的实训场地- 第三方考核机构提供的考场5. 注意事项5.1 考试流程- 考试前,向考生介绍考试流程和规则,确保所有考生都了解考试要求和注意事项- 笔试结束后,及时批改试卷,并公布笔试成绩- 操作实操考核时,要保证操作安全,避免意外事故的发生5.2 结果与反馈- 根据笔试成绩和实操表现,综合评估考生的电工技能水平,给予相应的等级和反馈- 及时向考生反馈测试结果,对成绩较低的考生进行指导和培训,帮助其提升技能水平以上是电工岗位技能测试的内容及评分标准,希望能对相关人员的考核工作提供帮助。
电工技能等级证评价标准
电工技能等级证的评价标准主要从以下几个方面进行:
理论知识:理论知识考试和技能考核都以笔试、机考等方式为主,理论知识考试主要是考核相关的从诗人严对于电工这个职业索要应当掌握的基本要求以及相关的知识要求;技能考核则是为了考核从事电工这个职业所应该具有的技能水平。
技能水平:不同等级的电工证要求掌握的技能水平不同。
例如,初级电工需要掌握基础的安全知识和技能,能独立完成一些简单的电气维修工作;中级电工需要掌握更加深入的电气维修技能和知识,能独立完成一些较为复杂的电气维修工作;高级电工需要掌握丰富的电气维修技能和知识,能独立完成各种复杂的电气维修工作,并且能够对一些较为复杂的电气故障进行诊断和排查。
工作经验:工作经验也是电工证评价的一个重要指标。
例如,高级电工通常适用于有多年经验的电工。
学习能力和综合素质:电工证评价还需要考虑考生的学习能力和综合素质,包括学习理解能力、观察判断推理能力、计算能力、手指和手臂灵活度、动作协调性以及无色盲等。
总的来说,电工技能等级证的评价标准是全方位的,包括理论知识、技能水平、工作经验、学习能力和综合素质等多个方面。
电气焊工技能等级考核项目及评分标准电气焊工技能等级考核项目及评分标准高级电(气)焊工一、工作技能(40分)1、熟知本岗位相关的安全操作规程。
(10分)2、熟知本岗位各种设备的工作原理及操作规程。
(10分)3、掌握本岗位的设备运行状况和维修特点,能够及时准确地完成本岗位的各种设备维修保养工作及加工制作任务。
(5分)4、合理布置车间内部焊接、通风和防护设备的基本知识。
(5分)5、对相关岗位的操作技能达到中级水平,并能够解决工作中出现的疑难问题。
(5分)6、具有一定的专业理论知识如:识图以及焊接装配图等。
(5分)二、工作质量(20分)1、焊接工件的合格率达到95%以上。
(8分)2、合理布置车间内部焊接、通风和防护设备,工器具摆放整齐,工作现场简洁有秩序。
(5分)3、检修工作按计划进行,材料工器具的准备及时准确,判断问题清楚,解决问题到位。
(3分)4、检修后的设备及备件要保证一定的使用时间,对经常出现的故障部位要提出整改意见,措施到位,效果明显。
(4分)三、工作效率(20分)1、准备工作要及时准确,不重复工作,检修工作有序连贯。
(10分)2、能在计划时间内完成工作并达标,能在计划材料量的前提下完成工作并达标。
(10分)四、工作经验(20分)1、从事焊工工作8年以上。
(8分)2、参加或负责过本单位的设备维修工作。
(5分)行过程中的突发故障。
(7分)中级电(气)焊工一、工作技能(40分)1、熟知本岗位及相关岗位的安全操作规程。
(10分)2、熟知本岗位各种设备的工作原理及操作规程。
(5分)3、掌握本岗位(车间)的设备运行状况和维修特点,能够及时准确地完成本岗位的各种设备维修保养工作及加工任务。
(5分)4、能够经济合理的准备本岗位的备品备件。
(5分)5、能够解决工作中出现的突发故障。
(5分)6、具有相应的专业理论知识如:识图及焊接装配图等。
(5分)二、工作质量(20分)1、焊接工件合格率达到90%----95%。
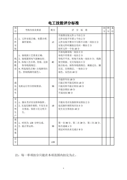
手动自动控制实际应用线路
实践考试内容及评分标准
一、实践内容及相关要求:
本次实践考试主要测试员工对多种控制元件灵活运用,综合线路(本线路可用于过滤器清洗,养鸡场定时喂养)的掌握情况,同时考察员工的实践操作水平,考场提供万用表、绝缘胶布、交流接触器、时间继电器、按钮、旋钮、导线等元器件,接线工具由考生自行佩戴,考生只需接好控制线路即可,安装完成后考生应自行进行检查,然后向监考老师提出通电试车要求,再得到监考老师允许后,方能通电试车。
满分为100分,监考人员根据评分标准及要求进行打分,然后汇总。
二、安全文明操作要求:
1.严禁带电操作(不包括通电试车),保证人身安全。
2.操作完应将电器元件恢复原状,工具摆放有序。
3.使用仪器、仪表时,应选用合适的量程,防止损坏仪器、仪表。
三、考试时间及分组:
考试时间另定,每位考生限定为20分钟,最多可超时5分钟,分3组同时进行。
四、实践考试电路图:
评分标准及要求。
试题1三相异步电动机星三角降压启动控制线路的安装50分考核要求: 1、根据电路图对主回路及控制回路进行安装接线,并进行通电调试.
2、外接电机和按钮使用端子进行连接,按钮线使用电缆连接.
3、一次调试不成功,计时以第二次结束时间为准.
1.选手在比赛规定时间内提前完成者由本场裁判员记录完成时间,最终
由裁判长从实操成绩中酌情加分.
2.实操考试中电工工具佩带齐全,工作衣、绝缘鞋正确穿戴,遵守操作规
程,尊重裁判员,讲文明礼貌,考试结束要清理现场,遵守考场纪律,不能出现重大安全事故.安全文明生产贯穿于整个技能考核的全过程.违反安全生产操作规程由裁判组从该项实操成绩中酌情扣除1~5分. 3.出现重大安全事故,由裁判组集体商定最高可判定本项比赛成绩为零
分.
试题2 PLC-变频器-三相异步电动机综合控制项目50分
要求:使用PLC、变频器对电动机进行速度分段控制,当按下启动按钮后,电动机以15HZ 的频率运转,10s后电动机以35HZ的频率运转,再停10s 后电机以50HZ的速度运行,按停止按钮电动机停止运行.
考核要求:1、写出元件的输入、输出分配表;2、画出PLC接线图并进行接线:3、画出梯形图;4、按照接线图进行安装接线;5、设置变频器参数电机参数不做要求6、将程序下载至PLC后进行通电调试.
1.选手在比赛规定时间内提前完成者由本场裁判员记录完成时间,最终由裁判长从实操成绩中酌情加分.
1、写出元件的输入、输出分配表;
2、画出PLC接线图;
3、画出梯形图画在反面;。
《电工基础》课程考核方式与评价标准
一、考核方式与评价标准
为全面考核学生的学习情况,本课程主要以过程考核为主,统考为辅。
考核涵盖项目任务全过程,每
个项目主要从态度、技能、知识三各方面来进行考核。
具体见表1所示。
表1 考核方式与评价标准
二、学习项目评价表(过程考核记录表)
1.学生自评表
考核项目考核内容与评分标准配分扣分得分
合计
注:总分100分,采用扣分制,扣分扣到为0分止。
注:总分100分,采用扣分制,扣分扣到为0分止。
注:总分100分,采用扣分制,扣分扣到为0分止。
小组组长签字: 学习项目6:家庭照明电路的安装
课程:电工基础 教师对学生评价表(六)
教师对小组评价
4.期末综合成绩评定表。
电工、司机考核标准电工考核激励机制一、考核对象:总务部电工二、考核项目及标准:电工(见表)电工考核项目及标准项目考核内容标准分考核标准评分办法1、不得有安全隐患,出现人为安全隐患、扣20分。
安全 2、由于安全隐患造成安全事故的视情况处理,1、证全厂用电安全、消防安全。
安全 100分 50% 最少扣除30分—50分。
2、保证全厂设备正常使用(包括配电室)。
3、出现严重安全事故的不仅扣除全部分数,还将追究个人责任。
1、工作纪律性:遵守公司规章制度,按规1、未按时完成上级交办的工作。
定程序办事。
2、缺乏明显的工作责任心,面对问题推卸工作态度工作态度100分 2、工作责任感 :以积极的态度承担责任,责任,视情况。
20% 认真对待工作,推动工作绩效的改进。
3、缺乏协作意识,持消极工作倾向。
有上3、工作协调性:主动协作。
述情况时发现一次减10分。
满意度 1、为保证全厂的安全,全力满足各部门的满意度 100分满意度达到90%的为100分。
20% 需求1、负责配电室内卫生,随时保持配电室内卫生地面干净、整洁、无乱堆放杂物。
卫生区域如发现一项不合格项视情节扣除5区域卫生 100分 10% 2、保持设备(配电柜)卫生。
——10分。
3、办公桌、工具柜应保持清洁。
1、每日不定时抽查,每周全面检查、每月评比、季度考核,按照上述分数评分,每周将日评比分数表报至统计员处。
考核说明 2、全考核在一年内无安全隐患及事故的,除奖金外再给予一次性奖励。
司机考核激励机制一、考核对象:总务部司机二、考核项目及标准:司机(见表)司机考核项目及标准考核内容标准分考核标准评分办法项目1、出车记录无违章、扣分。
1、有违章的情况或出现病车出勤、轻微安全事安全2、无违反交通规则。
故的扣除30分。
安全 100分3、无病车出勤,随时检查车辆情况,有故 50% 障及时保修。
2、出现安全事故严重的视情节处理。
1、工作服从性:主动服从上级领导安排工1、缺乏明显的工作责任心,面对问题推卸作。
电气技术人员实际操作基本技能和素养评分标准电气人员实际操作考试“基本技能和素养”评分标准评定项目得分与扣分情况得分与扣分处备注1 试运行是否成功1次即成功得25分;2次成功得20分;3次成功得15分;3-5次得10分;5次(含)得2分。
试运行失败者,扣20分。
注:可正常开关机2次以上,每次并能持续运行1分钟以上者,为试运行成功。
25分2 线径选择实际使用线径小于标准者,每条扣2分;实际使用线径大于标准者,每条线扣1分。
103 元件选择错误一处错误扣10分。
204 器件规格选型实际使用规格小于标准者,每处扣5分。
实际使用规格大于标准者,每处扣2分。
155 剥线过程中剥断线者每次扣2分;剥过长又将之剪短者,每次扣1分;剥过短又加长者,每次扣1分;划伤线者,扣5分。
106 压线选错线鼻子者,每处扣2分;不使用线鼻子者,每处扣3分;压歪者,每处扣1分;压歪重新压者,不扣分。
5分7 套管标号打错者,每处扣3分;管型选大者,每处扣1分。
5分8 布线信号线与动力线同槽者,扣10分;进出线不按照标准者,扣10分;走线凌乱者扣5分。
20分9 接线不接地线者,扣10分;25分动力线接错者,扣20分;信号线接错者,每处扣5分。
动力线误接信号线者,扣20分。
15分10 元件布局空间布局混乱者,扣5分;同类元件不集中者,扣5分;元件位置放错者,扣3分;20分11 运行时出现发烫,火花,冒烟,异味,异响,每项扣5分;出现事故者,损坏核心元器件者扣20分,普通元器件扣10分。
5分12 试运行结束后工具摆放整齐合理者,得10分;整理现场者,得10分;未整理现场者,扣2分。
-13 超时半小时以内扣10分,一小时以内扣15,超过1小时扣20分。
-14 提前提前半小时完成者,加5分;1小时者加10分。
5分15 熟练程度度视工具使用的熟练程度酌情判分总分180分。
电工技能比武评分参考标准1. 引言本文档旨在制定一套电工技能比武的评分参考标准,以提供一个公正、客观的评价体系,帮助评委对电工技能进行评分。
2. 评分标准根据电工技能的要求和表现,我们将分为以下几个方面进行评分:2.1. 专业知识与理论此项评分考察电工的专业知识水平与理论掌握程度。
评委应针对参赛选手所需技能,考察其对电工原理、安全规范、电路结构等方面的理解。
2.2. 工具使用与操作技能此项评分考察电工在使用电工工具和设备时的熟练程度和正确操作能力。
评委应观察参赛选手的工具使用技巧、操作步骤是否规范,并评估其操作的效率和准确性。
2.3. 故障排除与修理能力此项评分考察电工在面对各种故障情况时的应变能力和解决问题的能力。
评委应观察参赛选手的故障分析与解决方法,评估其排除故障和修理设备的能力。
2.4. 安全意识与操作规范此项评分考察电工在工作中的安全意识和遵守操作规范的能力。
评委应观察参赛选手对安全措施的重视程度和执行情况,并评估其对事故风险的预防能力。
2.5. 团队合作与沟通能力此项评分考察电工在团队合作中的积极参与和良好沟通的能力。
评委应观察参赛选手在团队协作中的贡献度和与他人交流的效果,并评估其是否能有效解决合作中的问题。
3. 评分等级及标准针对每项评分标准,评委可根据参赛选手的表现,使用以下等级进行评分:- 优秀:技能表现出色,操作高效、准确,解决问题能力强,安全意识高,团队合作能力和沟通能力良好。
- 良好:技能表现良好,操作较为熟练、准确,能够有效解决问题,安全意识较强,团队合作和沟通能力较好。
- 中等:技能表现一般,操作较为熟练但存在一定问题,能够解决常见问题,安全意识尚可,团队合作和沟通能力一般。
- 一般:技能表现较差,操作不够熟练,解决问题能力欠缺,安全意识不强,团队合作和沟通能力较差。
4. 总结通过制定电工技能比武评分参考标准,评委可以根据公正客观的评价体系对电工技能进行评分。
这将有助于提高电工技能的水平,鼓励参赛选手不断提升自身技能,促进电工行业的发展。
技能等级考核项目及评分标准(电工)-----------------------------------精品考试资料---------------------学资学习网-----------------------------------电工技能等级考核项目及评分标准一、初级电工(一)工作技能(40分)1、掌握本单位常用电气设备和电气装置、室内外主要线路的名称、型号、规格、用途、基本构造、性能和安装位置。
(5分)2、安装、修理一般照明、动力线路及各种电灯开关、磁力起动器、空气开关、装接三相有功、无功电度表等。
(5分)3、掌握本单位各种电气装置的接线图和各种电气设备在正常情况下的操作方法,按操作规程正确进行各种停、送电操作。
(5分)4、检查本单位各种电气设备和室内外主要电气线路的外部缺陷和异常现象。
(5分)5、本单位所用电动机、变压器、常用低压电器常见故障的判断及修理。
(5分)6、常用电工测量仪器、仪表和工具的名称、型号、规格、用途及正确的使用方法。
(5分)7、常用安全工具、防护用品、绝缘材料和保险丝的名称、规格和使用方法及触电急救方法。
(5分)8、本单位常用电力拖动自动控制的安装与检修。
1 / 6(5分)1(二)工作质量(20分)1、各种接点、焊点无虚接虚焊,工作稳定耐用。
(5分)2、各种触点、开关通断自如无虚接虚断现象。
(5分)3、布线合理、整齐,无浪费,无隐患。
(5分)4、所安装、修理的设备、线路工作稳定可靠。
(5分)(三)工作效率(20分)按技术要求按时间完成工作内容。
(四)工作经验(20分)1、从事电工工作3年以上。
(10分)2、现从事电工工作的技能要求水平,能够独立完成工作。
(5分)3、参与公司跟电工有关的安装、维修、抢修等工作。
(5分)二、中级电工(一)工作技能(40分)1、掌握本单位常用电气设备和电气装置、室内外主要线路的名称、型号、规格、用途、结构、性能、原理、安装位置和修理项目及质量标准。
维修电工考核标准维修电工是从事机械设备和电气系统线路及器件等的安装、调试与维护、修理的人员。
维修电工考核由低到高设置五个等级,每个等级从根底知识和实际操作两方面考察,具体要求如下(本标准对各等级的要求依次递进,高级别包括低级别的要求):一、初级工(国家职业资格五级)1.1根底知识动力、照明线路及接地系统的知识;机床配线、安装工艺知识;电子电路基本原理及应用知识。
1.2实际操作常见机械设备电气故障的检查、排除方法及维修工艺;常用低压电器的检修及调试方法;电子电路焊接、安装、测试工艺方法;电气系统的一般调试方法和步骤。
二、中级工(国家职业资格四级)2.1根底知识计算机基本知识;材料知识;电工操作技术与工艺知识;控制电路方面的知识;元件的选用知识。
2.2实际操作直流电动机及各种特种电机的构造、工作原理和使用与拆装方法;单相晶闸管交流技术;电气测绘基本方法;较复杂机械设备电气控制调试方法。
三、高级工(国家职业资格三级)3.1根底知识编码器、存放器、触发器等数字电路的基本知识;机械制图及公差配合知识;电力拖动及自动控制原理基本知识及应用;经济型数控机床的构成、特点及应用知识。
3.2实际操作可编程序控制器的控制原理、特点、注意事项及编程器的使用方法;常用电子元器件的参数标识及常用单元电路;电气设备修理工艺知识及其编制方法。
四、技师(国家职业资格二级)4.1根底知识相关质量标准;生产管理基本知识;数控设备的构造、应用及编程知识;具有可编程序控制器等复杂设备电气系统的配线与安装知识;机械传动、液压传动知识;计算机的接口电路基本知识;常用传感器的基本知识。
4.2实际操作质量分析与控制方法;气控系统、液控系统的基本原理及识图、分析及排除故障的方法;常用电子元器件、集成电器的功能,常用电路,以及手册的查阅方法;机械设备电气系统及电气设备大修工艺的编制方法。
五、高级技师(国家职业资格一级)5.1根底知识机械原理基本知识;电气检测基本知识;论断技术基本知识;常见各种复杂电气的系统构成,各子系统或功能模块常见电路的组成形式、原理、性能和应用知识;抗干扰技术一般知识。
试卷编号:H
试卷类别:电气控制技术
职业技能鉴定《电工》中级应会评分表
H1
考核项目:多台电动机的联动控制
姓名:准考证号:考核日期:年月日考核时间定额: 120 分钟开考时间:时分交卷时间:时分监考人:评卷人:得分:
考核说明:
1.鉴定所提供电气控制柜;
2.考试时间一到,所有考生必须停止操作,上交试卷,已接完线的考生等候考评员通知进场给
予一次通电机会;(已通电两次的除外)
3.在考评中因扣分易引起争议的项目,考评员应在扣分栏中写明原因;
4.此题占总分的40%。
共4页第1页。
电工技能等级考核项目及评分标准
一、初级电工
(一)工作技能(40分)
1、掌握本单位常用电气设备和电气装置、室内外主要线路的名称、型号、规格、用途、基本构造、性能和安装位置。
(5分)
2、安装、修理一般照明、动力线路及各种电灯开关、磁力起动器、空气开关、装接三相有功、无功电度表等。
(5分)
3、掌握本单位各种电气装置的接线图和各种电气设备在正常情况下的操作方法,按操作规程正确进行各种停、送电操作。
(5分)
4、检查本单位各种电气设备和室内外主要电气线路的外部缺陷和异常现象。
(5分)
5、本单位所用电动机、变压器、常用低压电器常见故障的判断及修理。
(5分)
6、常用电工测量仪器、仪表和工具的名称、型号、规格、用途及正确的使用方法。
(5分)
7、常用安全工具、防护用品、绝缘材料和保险丝的名称、规格和使用方法及触电急救方法。
(5分)
8、本单位常用电力拖动自动控制的安装与检修。
(5分)
(二)工作质量(20分)
1、各种接点、焊点无虚接虚焊,工作稳定耐用。
(5分)
2、各种触点、开关通断自如无虚接虚断现象。
(5分)
3、布线合理、整齐,无浪费,无隐患。
(5分)
4、所安装、修理的设备、线路工作稳定可靠。
(5分)
(三)工作效率(20分)
按技术要求按时间完成工作内容。
(四)工作经验(20分)
1、从事电工工作3年以上。
(10分)
2、现从事电工工作的技能要求水平,能够独立完成工作。
(5分)
3、参与公司跟电工有关的安装、维修、抢修等工作。
(5分)
二、中级电工
(一)工作技能(40分)
1、掌握本单位常用电气设备和电气装置、室内外主要线路的名称、型号、规格、用途、结构、性能、原理、安装位置和修理项目及质量标准。
(5分)
2、掌握本单位供电、变电、配电及电力控制系统的负荷性质及运行情况,各种继电保护装置的动作原理和作用及校验周期、项目标准。
(5分)
3、熟知本单位主要电气设备常见故障的种类、原因及电气设备的安装、修理和试验方法,判断、处理本单位供电系统的停电事故。
(5分)
4、测绘本单位变、配电系统一次接线图,看懂本单位变、配电系统二次接线控制原理图和高压开关柜的安装接线图和原理图,并按图线安装。
(5分)
5、看懂各种交、直流电动机的起动控制线路图,能够独立进行电气控制线路配电板的配线及安装,熟悉电机启动、正反转、制动、调速的原理、方法,单相整流、滤波电路及简单稳压电路、放大电路的焊接及安装测试。
(5分)
6、控制变压器绕组及异步电动机的拆装、绕组、烘干、更换轴承、及三相绕组首、尾端的检测接线及电机的控制、修理。
(5分)
7、小型变压器常见故障的判断修理及常用低压电器触系统故障、电磁系统故障及其他故障的判断及修复。
(5分)
8、领导安装各种室内、外照明,动力线路的工程项目,按图装接各种接地工程,并测量接地电阻,进行简单的可控硅整流电路的安装和调整。
(5分)
(二)工作质量(20分)
1、各种接点、焊点无虚接虚焊,工作稳定耐用。
(5分)
2、各种触点、开关通断自如无虚接虚断现象。
(5分)
3、布线合理、整齐,无浪费,无隐患。
(5分)
4、所安装、修理的设备、线路工作稳定可靠。
(5分)
(三)工作效率(20分)
按技术要求按时间完成工作内容。
(四)工作经验(20分)
1、从事电工工作5年以上。
(10分)
2、现从事电工工作的技能要求水平,能够独立完成工作。
(5分)
3、参与公司跟电工有关的安装、维修、抢修等工作。
(5分)
二、高级电工
(一)工作技能(40分)
1、掌握公司常用电气设备和电气装置及附属设备的名称、型号、规格、用途、结构、性能、原理、安装位置和修理项目及质量标准及各种高、低压电气设备的运行现状,分析判断是否合理并提出改进措施。
(5分)
2、掌握公司供电、变电、配电及电力控制系统的负荷性质及运行情况,各种继电保护装置的动作原理和作用及校验周期、项目标准。
(5分)
3、熟知公司各种高、低压电气设备常见故障的种类、原因及电气设备的安装、修理和试验方法,判断、处理复杂的电气设备故障。
(5分)
4、测绘公司配电系统一次接线图和二次接线控制原理图和高压开关柜的安装接线图和原理图,并按图线安装。
(5分)
5、熟悉各种交、直流电动机拆装、绕制、维修、调试和控制,按图装接、调试可控硅整流线路,并能用仪器、仪表分析、判断排除故障,排除晶闸管触发电路和调节放大电路的故障。
(5分)
6、能够进行公司变、配电系统高、低压电气设备主要线路的匹配计算,熟悉线路自动重合闸装置和简单的微机控制系统的维护和修理。
(5分)
7、能够用仪器寻找地下电缆的故障点并组织抢修,根据用电负荷选择变压器最佳运行容量,根据动力、照明线路的施工图纸,提出设备、材料预算和工时定额。
(5分)
8、看懂各种电机及变压器的总装图,根据设备资料排除复杂设备(如电弧炉、大功率电源、高频炉、中频炉、大中型电机、大型机床等)及其电气控制线路的故障并分析原因。
能够组织电工进行全公司性事故处理,防止事故扩大并及时抢修。
(5分)
(二)工作质量(20分)
1、各种接点、焊点无虚接虚焊,各种触点、开关通断自如,工作稳定耐用。
(5分)
2、布线合理、整齐,无浪费,无隐患,各种电气设备
控制精确。
(5分)
3、绘制的原理图和接线图规范正确,提出的设备、材料预算和工时定额合理,分析判断电气故障准确,提出的改进措施有效可行。
(5分)
4、所安装、修理的设备、线路工作稳定可靠。
(5分)
(三)工作效率(20分)
按技术要求按时间完成工作内容,能随时应对突发性事故,在有效时间内提出解决方案并组织实施解决问题。
(四)工作经验(20分)
1、从事电工工作8年以上。
(8分)
2、全面负责过本单位电工工作。
(4分)
3、组织过公司跟电工有关的工程、项目的安装、维修、抢修等工作。
(4分)
4、现从事电工工作的技能要求水平高,并能够独立完成工作。
(4分)。