消防产品目录及型式检验周期
- 格式:doc
- 大小:148.00 KB
- 文档页数:3
强制性认证和型式认可消防产品目录
经公安部及国家认监委授权,消防产品强制性认证和型式认可市场准入评价工作由公安部消防产品合格评定中心承担。
其他消防产品和消防相关产品的市场准入实施强制检验制度,由相应国家级消防产品质检中心承担。
为了方便消防产品的生产、销售、使用、监督等部门查询,现将经公安部和国家认监委批准的目前实行强制性认证的消防产品目录和实行型式认可的消防产品目录予以公布。
公安部消防产品合格评定中心
强制性认证消防产品目录
(2006年9月更新)
一、火灾报警强制性认证产品目录及认证单元划分
二、消防水带产品强制性认证产品目录及认证单元划分
三、自动喷水灭火系统产品强制性认证产品目录及认证单元划分
四、消防车强制性认证产品目录及认证单元划分
型式认可消防产品目录
(2006年9月更新)
继续阅读。
消防器材、可燃气体报警系统检查测试及维修保养制度1. 引言消防器材和可燃气体报警系统是保障建筑物以及人员安全的关键设备。
为了确保这些设备的正常运行和有效性,制定一套完善的检查测试及维修保养制度是必要的。
本文将介绍消防器材和可燃气体报警系统的检查测试及维修保养制度的要求和流程。
2. 消防器材检查测试要求2.1 灭火器检查测试•每三个月进行一次灭火器的外观检查,包括检查灭火器是否有破损、压力是否正常等。
•每年进行一次灭火器的全面检查测试,包括检查灭火剂的重量、控制装置的灵敏度等。
•灭火器的维修保养应由专业的维修人员进行,并记录在维修记录中。
2.2 消防栓检查测试•每半年进行一次消防栓的外观检查,包括检查消防栓是否有破损、阀门是否能正常使用等。
•每年进行一次消防栓的流量测试,以确保其正常工作。
•消防栓的维修保养应由专业的维修人员进行,并记录在维修记录中。
2.3 自动喷水灭火系统检查测试•每三个月进行一次自动喷水灭火系统的外观检查,包括检查喷头是否有堵塞、管道是否有破损等。
•每半年进行一次自动喷水灭火系统的压力测试,以确保其正常工作。
•自动喷水灭火系统的维修保养应由专业的维修人员进行,并记录在维修记录中。
3. 可燃气体报警系统检查测试要求3.1 检测器检查测试•每个月进行一次可燃气体检测器的功能测试,包括检查报警器是否能正常响应、传感器是否能正常检测等。
•每半年进行一次可燃气体检测器的校准测试,以确保其准确度。
•可燃气体检测器的维修保养应由专业的维修人员进行,并记录在维修记录中。
3.2 报警控制器检查测试•每三个月进行一次报警控制器的外观检查,包括检查控制器是否有破损、显示屏是否能正常显示等。
•每年进行一次报警控制器的全面检查测试,包括检查电池的电量、控制器的灵敏度等。
•报警控制器的维修保养应由专业的维修人员进行,并记录在维修记录中。
4. 维修保养制度为了确保消防器材和可燃气体报警系统的正常运行和有效性,制定一套完善的维修保养制度是必要的。
消防设备检查周期这个问题应该有两层意思,一种是“不定期”检查,就是经常进行安全消防设施的检查,没有固定的日期和时间,这种情况针对不同的消防设施的检查要求,有的能符合要求,有的就不符合要求,总的来说还是不符合要求的;另一种是不“定期”检查,这种情况就有不检查的意思在里面,肯定不符合规定。
下面我就来谈谈不同的消防设施的检查时间要求以及法规对消防安全检查的要求。
一、自动喷水灭火系统的检查时间要求1、每年检查的项目:水源的供水能力、消防储水设备进行检查,修补缺损和重新油漆2、每季度检查的项目:末端试水阀和报警阀旁的放水试验阀进行一次放水试验3、每月检查的项目:消防水泵启动、模拟自动控制的条件启动、电磁阀启动试验、阀门的铅封锁链、进水管上的控制阀门、消防水池、消防水箱及消防气压给水设备、水流指示器试验、水泵接合器的接口及附件、喷头外观及备用数量4、每日检查的项目:水源控制阀、报警阀组进行外观检查、二、火灾自动报警系统的检查时间要求1、每年检查的项目:探测器和手动报警装置;排烟阀、电动防火阀;电动防火门、防火卷帘;非消防电源功能试验;2、每季度检查的项目:探测器的动作及确认灯显示;火灾警报装置的声光显示;水流指示器、压力开关;主电源和备用电源;消防控制设备控制显示功能;消防电梯迫降;火灾应急照明与疏散指示标志;送风机、排烟机和自动挡烟垂壁;消防应急广播;消防电话;三、消火栓系统的检查时间规定1、每年检查的项目:天然河湖等地表水消防水源的常水位、枯水位、洪水位,以及枯水位流量或蓄水量;水井等地下水消防水源的常水位、最低水位、最高水位和出水量;减压阀的流量和压力试验2、每季度检查的项目:监测市政给水管网的压力和供水能力;消防水泵的出流量和压力;室外阀门井中,进水管上的控制阀门;末端试水阀和报警阀的放水试验阀;系统过滤器;3、每月检查的项目:消防水池、高位消防水池、高位消防水箱等消防水源设施的水位;手动启动消防水泵运转;消防水泵检测记录;手动启动柴油机消防水泵;气压水罐的压力和有效容积;减压阀组放水;雨林阀的附属电磁阀;电动阀和电磁阀的供电和启闭性能;倒流防止器的压差;消火栓外观和漏水;消防水泵接合器的接口及附件;消防水池、消防水箱等蓄水设施;4、每周检查的项目:模拟消防水泵自动控制的条件自动启动消防水泵运转;柴油机消防水泵储油箱的储油量;5、每日检查的项目:冬季对消防储水设施进行室内温度和水温;稳压泵的停泵启泵压力和;启泵次数;柴油机消防水泵的启动电池的电量;水源控制阀、报警阀组进行外观;四、灭火器的检查时间规定1、灭火器的配置、外观等每月应按附录C进行检查一次。
建筑内消防设备检查内容及周期一览表机械加压送风和机械排烟系统检查内容1. 风道风速检查要求:采用金属风道时,不应大于20m/s,采用内表面光滑的混凝土等非金属材料风道时,不应大于15m/s。
2. 排烟口的风速(每层)检查要求:核对排烟口风速不宜大于10m/s。
检查周期:季度3. 送风口的风速(每层)检查要求:核对送风口风速不宜大于7m/s。
4. 风管检查方法:目测。
检查要求:软连接无破损、管道无锈蚀;与排烟井连接处密封。
5. 排烟口、排烟阀、送风口、送风阀检查方法:手动、远程联动打开。
检查要求:安装牢固,无倾斜、锈蚀、灰尘;执行机构机械部位灵活,远程联动一次打开,打开后信号反馈至消防监控室。
6. 排烟防火阀检查方法:手动、远程联动打开。
检查要求:平时常闭,手动或电信号打开阀门排烟,温度上升到280℃时重新关闭;并且联动排烟风机停机。
7. 风机配电箱检测方法:目测、手动。
检查要求:配电箱固定牢固,无倾斜、锈蚀、灰尘,接地、接线端子是否压接牢固、无松动;线路整齐;各回路标示清晰,指示灯显示状态正常;检测电源供电能力,主备电进行1-3次切换。
功能选择开关标示正确、清楚;并打至自动位置。
检查周期:半年。
8. 风机控制箱检测方法:目测、手动。
检查要求:控制箱固定牢固,无倾斜,无锈蚀,接地、接线端子是否压接牢固、无松动;线路整齐;各回路标示清晰,指示灯显示状态正常;手动、远程联动启动停止风机正常,运行状态信号反馈至消防监控室;功能选择开关标示正确、清楚;并打至自动位置。
检查周期:半年。
9. 风机检测方法:目测、启动、仪表测试。
检查要求:风机固定或吊装牢固;无锈蚀、震动,噪音较小,出风口防护网、防鸟网完好,电动机电源线套管无锈蚀,牢固,电动机绝缘符合要求。
检查周期:季度。
诱导风机检测方法:目测、启动。
检查要求:外壳除尘、手动启动测试。
检查周期:季度。
防火分隔检查内容1.防火门检测方法:目测。
检查要求:无破损、锈蚀、掉漆;用于疏散的走道、楼梯间和前室的防火门,应具有自行关闭的功能;双扇和多扇防火门,还应具有按顺序关闭的功能。
消防钢瓶检修年限国标
消防钢瓶的检修年限国标主要取决于其盛装的气体类型和使用环境。
根据《气瓶安全技术监察规程》的规定,不同类型的消防钢瓶有不同的检验周期。
对于钢制无缝气瓶、钢制焊接气瓶、铝合金无缝气瓶,具体规定如下:
1、盛装氮、六氟化硫、惰性气体及纯度大于等于99.999%的无腐蚀性高纯气体的气瓶,每5年检验1次。
2、盛装对瓶体材料能产生腐蚀作用高的气体的气瓶、潜水气瓶以及常与海水接触的气瓶,每2年检验1次。
3、盛装其他气体的气瓶,每3年检验1次。
4、另外,对于消防气体灭火钢瓶(如七氟丙烷、高压二氧化碳、IG541),其检验周期统一为3年一检。
需要注意的是,如果气瓶在使用过程中出现严重腐蚀、损伤或对其安全可靠性有怀疑,或者库存和停用时间超过一个检验周期,都需要提前进行检验。
此外,所有气瓶都有设计使用年限(即报废年限),到期后必须予以强制报废。
根据钢印标志可以确认钢瓶的设计使用年限。
如果气瓶制造单位在出厂的气瓶上刻印或压铸充装(产权)单位标志并装设可追溯的电子识读标志,充装单位能够确保气瓶始终处于良好的维护保养状态并通过安全评估,钢质无缝气瓶或者铝合金气瓶的实际使用
年限可以延长至30年,燃气气瓶的实际使用年限可以延长至12年。
最新的《气瓶安全技术规程》中,对于消防钢瓶的报废年限有所变化,无论焊接瓶还是无缝钢瓶,统一报废年限都定为20年。
这一变化反映了对于钢瓶使用年限和安全性的更严格要求,以预防因缺乏定期维护而可能引发的事故。
消防器材年度检查与测试计划一、背景介绍消防器材是保障社会安全的重要组成部分,经过长时间的使用和环境冲击,器材可能存在损耗、老化和故障等问题。
为了确保消防器材的可靠性和有效性,采取年度检查与测试措施至关重要。
二、检查与测试内容1. 消防器材清单整理根据各消防设施需求,制定消防器材清单,明确需要检查的器材种类和数量。
2. 外观检查对所有消防器材进行外观检查,包括外壳、标识、接口等部分,确保无明显损坏和磨损。
3. 功能检查逐一对消防器材进行功能性测试,确保灭火器、喷淋头等能够正常运行,并记录测试结果。
4. 技术性能测试对消防器材的技术性能进行测试,包括喷射距离、灭火效果等,确保其在实际使用中具备良好的灭火能力。
5. 校准及维护对需要校准和维护的消防器材,进行相应的校验和维护工作,确保其性能稳定可靠。
6. 记录和整理将检查与测试的结果记录并整理,建立详尽的档案,便于后续查阅和跟踪。
三、检查与测试计划1. 设定检查时间在每年的特定时段制定检查和测试计划,确保及时进行消防器材的监测工作。
2. 划定检查范围根据消防器材分布和使用情况,划定检查范围,确保覆盖所有需要检查的区域和设备。
3. 设定检查目标和要求根据消防器材的特点和实际使用需求,明确检查目标和要求,确保检查过程的准确性和全面性。
4. 编制检查人员名单确定责任人和检查人员名单,确保每个岗位和区域都有专人进行检查,减少疏漏。
5. 安排检查工具和器材根据检查内容和要求,准备相应的检查工具和器材,确保检查过程的顺利进行。
6. 制定检查流程和时间安排根据检查范围和时间限制,制定详细的检查流程和时间安排,确保检查任务能够按计划完成。
7. 检查结果处理根据检查结果,及时处理问题,修复或更换损坏的器材,并进行记录和整理。
四、实施与监督1. 实施责任的划分明确每个岗位和责任人在检查和测试过程中的具体职责划分,确保检查工作有序进行。
2. 监督与反馈机制建立监督与反馈机制,确保检查工作的质量和效果。
消防设备巡检周期标准
首先,消防设备巡检周期标准应当根据设备的性能特点和使用寿命来制定。
不同类型的消防设备其性能特点和使用寿命是有所差异的,所以巡检周期标准也应当因设备的不同而有所不同。
例如,灭火器作为常见的消防设备,其巡检周期标准通常为每月巡检一次,每半年进行一次全面检查,而消防水带的巡检周期标准则可能会有所不同。
因此,根据设备的性能特点和使用寿命来制定巡检周期标准是非常重要的。
其次,巡检周期标准的制定还应当充分考虑到实际使用中可能出现的问题和需求。
消防设备在使用过程中可能会出现各种问题,比如损坏、老化、堵塞等,这些问题都会影响设备的正常运行。
因此,巡检周期标准应当充分考虑到这些可能出现的问题,合理安排巡检周期,及时发现并解决问题,保证设备的正常运行。
最后,合理的巡检周期标准能够保证消防设备的正常运行,提高设备的使用寿命,减少事故的发生,保障人们的生命财产安全。
如果巡检周期太短,会增加企业的巡检成本,同时也会增加设备的维护工作量;如果巡检周期太长,可能会导致设备出现隐患而不易发现,增加事故的发生概率。
因此,合理的巡检周期标准能够在保证设备正常运行的同时,也能够节约企业的成本,提高设备的使用寿命,减少事故的发生,保障人们的生命财产安全。
综上所述,消防设备巡检周期标准的制定非常重要,应当根据设备的性能特点和使用寿命来制定,充分考虑到实际使用中可能出现的问题和需求,合理安排巡检周期,保证设备的正常运行,提高设备的使用寿命,减少事故的发生,保障人们的生命财产安全。
希望各单位能够重视消防设备的巡检工作,严格按照巡检周期标准进行巡检,确保消防设备的正常运行,保障人们的生命财产安全。
消防国家标准目录标准代号标准名称实施日期起草单位GB4065-1983二氟一氯一溴甲烷灭火剂1984-11-1浙江化工研究院GB4453-1984消火栓连接器1985-1-1中国消防器材公司GB4580-1984无衬里消防水带1985-5-1 公安部上海消防研究所、上海市制线织带公司GB6051-1985三氟一溴甲烷灭火剂1986-3-1公安部天津消防研究所GB/T5907-1986消防基本术语第一部分1986-12-1 公安部天津、上海、四川、沈阳消防研究所GB/T6244-1986 消防车通用底盘系列、型式、基本参数和技术要求1987-2-1公安部上海消防研究所、长春汽车研究所GB/T7634-1987石油及有关产品低闪点的测定快速平衡法1987-10-1公安部四川消防研究所、天津所GB/T11049-1989铺地纺织品燃烧性能在室温下片剂试验1990-2-1公安部四川消防研究所GB13347-1992石油气体管道阻火器阻火性能和试验方法1992-10-1公安部天津消防研究所GB13495-1992消防安全标志1993-3-1公安部天津消防研究所GB3446-1993消防水泵接合器1994-6-1公安部上海消防研究所GB/T14107-1993消防基本术语第二部分1993-9-1 公安部四川消防研究所、天津、沈阳、上海所GB/T14288-1993 可燃气体与易燃液体蒸气最小静电点火能测定方法1993-11-1公安部沈阳消防研究所GB/T14403-1993建筑材料燃烧释放热量试验方法1994-2-1公安部四川消防研究所GB/T14656-1993阻燃纸和纸板燃烧性能试验方法1994-6-1公安部四川消防研究所GB15630-1995消防安全标志设置要求1996-2-1公安部天津消防研究所GB/T15662-1995导电、防静电塑料体积电阻率测试方法1996-4-1公安部沈阳消防研究所GB/T15929-1995粉尘最小点火能测试方法双层振动筛落法1996-6-1公安部天津消防研究所GB4452-1996室外消火栓通用技术条件1997-3-1公安部上海消防研究所GB/T16173-1996 建筑材料燃烧或热解发烟量的测定方法(双室法)1996-9-1公安部四川消防研究所GB16279-1996消防车定型试验规程1996-11-1公安部上海消防研究所GB16281-1996有线火警调度台技术要求和试验方法1996-11-1公安部沈阳消防研究所GB16282-1996119火灾报警系统通用技术条件1996-11-1公安部沈阳消防研究所GB/T16283-1996固定灭火系统基本术语1996-11-1公安部天津消防研究所GB16668-1996干粉灭火系统部件通用技术条件1997-6-1公安部天津消防研究所GB16669-1996二氧化碳灭火系统及部件通用技术条件1997-6-1公安部天津消防研究所GB16807-1997防火膨胀密封件1997-12-1公安部天津消防研究所GB16840.2-1997电气火灾原因技术鉴定方法第2部分:剩磁法1998-5-1公安部沈阳消防研究所GB16840.3-1997电气火灾原因技术鉴定方法第3部分:成分分析法1998-5-1公安部沈阳消防研究所GB16840.4-1997电气火灾原因技术鉴定方法第4部分:金相法1998-5-1公安部沈阳消防研究所GB7956-1998消防车消防性能要求和试验方法1999-6-1公安部上海消防研究所、中国汽车中心GB17428-1998通风管道的耐火试验方法1999-6-1公安部四川消防研究所GB17429-1998火灾显示盘通用技术条件1999-6-1公安部沈阳消防研究所GB/T5464-1999建筑材料不燃性试验方法1999-12-1公安部四川消防研究所GB/T17802-1999可燃物质动力学常数热分析试验方法2000-3-1公安部天津消防研究所GB/T17906-1999液压破拆工具通用技术条件2000-5-1公安部上海消防研究所GB17945-2000消防应急灯具2000-10-1公安部沈阳消防研究所GB6246-2001有衬里消防水带性能要求和试验方法2001-6-1公安部上海消防研究所GB/T18294.1-2001火灾技术鉴定方法第1部分:紫外光谱法2001-6-1公安部天津消防研究所GB18428-2001自动灭火系统用玻璃球2002-2-1公安部天津消防研究所GB14907-2002钢结构防火涂料2002-8-1公安部四川消防研究所GB18614-2002七氟丙烷(HFC227ea)灭火剂2002-8-1公安部天津消防研究所GB5135.1-2003自动喷水灭火系统第1部分:洒水喷头2004-5-1公安部天津消防研究所GB5135.2-2003 自动喷水灭火系统第2部分:湿式报警阀、延迟器、水力警铃2004-5-1公安部天津消防研究所GB5135.3-2003自动喷水灭火系统第3部分:水雾喷头2004-5-1公安部天津消防研究所GB5135.4-2003自动喷水灭火系统第4部分:干式报警阀2004-5-1公安部天津消防研究所GB5135.5-2003自动喷水灭火系统第5部分:雨淋报警阀2004-5-1公安部天津消防研究所GB5135.6-2003自动喷水灭火系统第6部分:通用阀门2004-5-1公安部天津消防研究所GB5135.7-2003自动喷水灭火系统第7部分:水流指示器2004-5-1公安部天津消防研究所GB5135.8-2003自动喷水灭火系统第8部分:加速器2004-5-1公安部天津消防研究所GB12978-2003消防电子产品检验规则2004-2-1公安部沈阳消防研究所GB14561-2003消火栓箱2004-5-1公安部天津消防研究所GB15322.1-2003 可燃气体探测器第1部分:测量范围为0~100%LEL的点型可燃气体探测器2003-12-1公安部沈阳消防研究所GB15322.2-2003 可燃气体探测器第2部分:测量范围为0~100%LEL的独立式可燃气体探测器2003-12-1公安部沈阳消防研究所GB15322.3-2003 可燃气体探测器第3部分:测量范围为0~100%LEL的便携式可燃气体探测器2003-12-1公安部沈阳消防研究所GB15322.4-2003 可燃气体探测器第4部分:测量人工煤气的点型可燃气体探测器2003-12-1公安部沈阳消防研究所GB15322.5-2003 可燃气体探测器第5部分:测量人工煤气的独立式可燃气体探测器2003-12-1公安部沈阳消防研究所GB15322.6-2003 可燃气体探测器第6部分:测量人工煤气的便携式可燃气体探测器2003-12-1公安部沈阳消防研究所GB19156-2003消防炮通用技术条件2003-9-1公安部上海消防研究所GB19157-2003远控消防炮系统通用技术条件2003-9-1公安部上海消防研究所GB4066.1-2004干粉灭火剂第1部分:BC干粉灭火剂2005-2-1公安部天津消防研究所GB4066.2-2004干粉灭火剂第2部分:ABC干粉灭火剂2005-2-1公安部天津消防研究所GB19572-2004低压二氧化碳灭火系统及部件2005-2-1公安部天津消防研究所GB4351.1-2005手提式灭火器第1部分:性能和结构要求2005-12-1公安部上海消防研究所GB4351.2-2005 手提式灭火器第2部分:手提式二氧化碳灭火器钢质无缝瓶体的要求2005-12-1公安部上海消防研究所GB/T4351.3-2005手提式灭火器第3部分:检验细则2005-12-1公安部上海消防研究所GB8109-2005推车式灭火器2005-12-1公安部上海消防研究所GB4396-2005二氧化碳灭火剂2005-12-1公安部上海消防研究所GB13365-2005机动车排气火花熄灭器2005-12-1公安部上海消防研究所GB15090-2005消防软管卷盘2005-12-1公安部上海消防研究所GB/T12553-2005消防船消防性能要求和试验方法2005-12-1公安部上海消防研究所GB14102-2005防火卷帘2005-12-1公安部天津消防研究所GB/T8625-2005建筑材料难燃性试验方法2006-1-1公安部四川消防研究所GB16280-2005线型感温火灾探测器2006-6-1公安部沈阳消防研究所GB14287.1-2005 电气火灾监控系统第1部分:电气火灾监控设备2006-6-1公安部沈阳消防研究所GB14287.2-2005 电气火灾监控系统第2部分:剩余电流式电气火灾监控探测器2006-6-1公安部沈阳消防研究所GB14287.3-2005 电气火灾监控系统第3部分:测温式电气火灾监控探测器2006-6-1公安部沈阳消防研究所GB3445-2005室内消火栓2006-4-1公安部天津消防研究所GB5908-2005石油储罐阻火器2006-4-1公安部天津消防研究所GB16838-2005消防电子产品环境试验方法及严酷等级2006-6-1公安部天津消防研究所GB4717-2005火灾报警控制器2006-6-1公安部沈阳消防研究所GB4716-2005点型感温火灾探测器2006-6-1公安部沈阳消防研究所GB4715-2005点型感烟火灾探测器2006-6-1公安部沈阳消防研究所GB19880-2005手动火灾报警按钮2006-6-1公安部沈阳消防研究所GB14003-2005线型光束感烟火灾探测器2006-6-1公安部沈阳消防研究所GB/T11785-2005铺地材料的燃烧性能测定辐射热源法2006-4-1公安部四川消防研究所GB12441-2005饰面型防火涂料2006-5-1公安部四川消防研究所GB8181-2005消防水枪2006-4-1公安部上海消防研究所GB12514.1-2005消防接口第1部分消防接口通用技术条件2006-4-1公安部上海消防研究所GB6969-2005消防吸水胶管2006-4-1公安部上海消防研究所GB20031-2005泡沫灭火系统及部件通用技术条件2006-4-1公安部天津消防研究所GB12514.2-2006 消防接口第2部分内扣式消防接口型式和基本参数2006-8-1公安部上海消防研究所GB12514.3-2006 消防接口第3部分卡式消防接口型式和基本参数2006-8-1公安部上海消防研究所GB12514.4-2006 消防接口第4部分螺纹式消防接口型式和基本参数2006-8-1公安部上海消防研究所GB20128-2006惰性气体灭火剂2006-10-1公安部天津消防研究所GB/T20162-2006火灾技术鉴定物证提取方法2006-10-1公安部天津消防研究所GB16670-2006柜式气体灭火装置2006-10-1公安部天津消防研究所GB/T16810-2006保险柜耐火性能要求和试验方法2006-10-1公安部天津消防研究所GB/T12513-2006镶玻璃构件耐火试验方法2006-10-1公安部天津消防研究所GB5135.10-2006自动喷水灭火系统第10部分:压力开关2006-12-1公安部天津消防研究所GB5135.11-2006自动喷水灭火系统第11部分:沟槽式管接件2006-12-1公安部天津消防研究所GB5135.12-2006 自动喷水灭火系统第12部分:扩大覆盖面积洒水喷头2006-12-1公安部天津消防研究所GB5135.13-2006自动喷水灭火系统第13部分:水幕喷头2006-12-1公安部天津消防研究所GB5135.9-2006 自动喷水灭火系统第9部分早期抑制快速响应(ESFR)喷头2006-12-1公安部天津消防研究所GB6245-2006消防泵2006-12-1公安部上海消防研究所GB/T4718-2006火灾报警设备专业术语2006-12-1公安部沈阳消防研究所GB8624-2006建筑材料及制品燃烧性能分级2007-3-1公安部四川消防研究所GB/T20284-2006建筑材料或制品的单体燃烧试验2006-11-1公安部四川消防研究所GB/T20285-2006材料产烟毒性危险分级2006-11-1公安部四川消防研究所GB20286-2006公共场所阻燃制品及组件燃烧性能要求和标识2007-3-1公安部四川消防研究所GB20517-2006独立式感烟火灾探测报警器2007-4-1公安部沈阳消防研究所GB16806-2006消防联动控制系统2007-4-1公安部沈阳消防研究所GB12791-2006点型紫外火焰探测器2007-4-1公安部沈阳消防研究所GB/T20702-2006气体灭火剂灭火性能测试方法2007-5-1公安部天津消防研究所GB/T18294.3-2006火灾技术鉴定方法第3部分:气相色谱法2007-5-1公安部天津消防研究所GB15308-2006泡沫灭火剂2007-7-1公安部天津消防研究所GB15930-2007建筑通风和排烟系统用防火阀门2008-1-1公安部天津消防研究所GB/T5332-2007可燃液体和气体引燃温度试验方法2008-1-1公安部天津消防研究所GB/T16172-2007建筑材料热释放速率试验方法2008-1-1公安部天津消防研究所GB/T18294.4-2007火灾技术鉴定方法第4部分:高效液相色谱法2008-1-1公安部天津消防研究所GB/T21197-2007线型光纤感温火灾探测器2008-9-1公安部沈阳消防研究所GB/T14523-2007 对火反应试验建筑制品在辐射热源下的着火性试验方法2008-6-1公安部四川消防研究所GB/T14402-2007建筑材料及制品的燃烧性能燃烧热值的测定2008-6-1公安部四川消防研究所GB/T8626-2007建筑材料可燃性试验方法2008-6-1公安部四川消防研究所GB/T8627-2007建筑材料燃烧或分解的烟密度试验方法2008-6-1公安部四川消防研究所GB/T795-2008卤代烷灭火系统及零部件2008-10-1公安部天津消防研究所GB12955-2008防火门2009-1-1公安部天津消防研究所GB16809-2008防火窗2009-1-1公安部天津消防研究所GB5135.15-2008自动喷水灭火系统第15部分:家用喷头2009-6-1公安部天津消防研究所GB21976.1-2008建筑火灾逃生避难器材第1部分:配备指南2009-6-1公安部上海消防研究所GB/T9978.1-2008建筑构件耐火试验方法第1部分:通用要求2009-3-1公安部天津消防研究所GB/T9978.3-2008 建筑构件耐火试验方法第3部分:试验方法和试验数据应用注释2009-3-1公安部天津消防研究所GB/T9978.4-2008 建筑构件耐火试验方法第4部分:承重垂直分隔构件的特殊要求2009-3-1公安部天津消防研究所GB/T9978.5-2008 建筑构件耐火试验方法第5部分:承重水平分隔构件的特殊要求2009-3-1公安部天津消防研究所GB/T9978.6-2008建筑构件耐火试验方法第6部分:梁的特殊要求2009-3-1公安部天津消防研究所GB/T9978.7-2008建筑构件耐火试验方法第7部分:柱的特殊要求2009-3-1公安部天津消防研究所GB/T9978.8-2008 建筑构件耐火试验方法第8部分:非承重垂直分隔构件的特殊要求2009-3-1公安部天津消防研究所GB/T9978.9-2008 建筑构件耐火试验方法第9部分:非承重吊顶构件的特殊要求2009-3-1公安部天津消防研究所GB/T803-2008空气中可燃气体爆炸指数测定方法2009-3-1公安部天津消防研究所GB/T12474-2008空气中可燃气体爆炸极限测定方法2009-3-1公安部天津消防研究所GB/T13464-2008物质热稳定性的热分析试验方法2009-3-1公安部天津消防研究所GB/T16840.1-2008 电气火灾痕迹物证技术鉴定方法第1部分:宏观法2009-5-1公安部沈阳消防研究所GB22370-2008家用火灾安全系统2009-5-1公安部沈阳消防研究所GB15631-2008特种火灾探测器2009-5-1公安部沈阳消防研究所GB17835-2008水系灭火剂2009-5-1公安部天津消防研究所GB/T4327-2008消防技术文件用消防设备图形符号2009-5-1公安部天津消防研究所GB/T7633-2008门和卷帘的耐火试验方法2009-5-1公安部天津消防研究所GB/T4968-2008火灾分类2009-4-1公安部天津消防研究所GB16808-2008可燃气体报警控制器2010-2-1公安部沈阳消防研究所。
消防设备的强检与更换周期消防设备是保障人们生命财产安全的重要组成部分,它们的正常运行和有效性直接关系到火灾防控工作的成效。
为了确保消防设备的性能和可靠性,强检和更换周期是必不可少的环节。
一、消防设备的强检强检是指对消防设备进行定期的检测和维护,以确保其正常工作状态和性能。
强检的目的是发现和排除潜在的故障和隐患,保证设备的可靠性和有效性。
常见的强检项目包括消防水泵、灭火器、消防栓、喷淋系统等。
1. 消防水泵消防水泵是消防系统的核心部件之一,其正常运行对于火灾的扑救至关重要。
强检中,需要对水泵的进出口压力、流量、电机运行状态等进行检测,以确保其性能符合要求。
同时,还需检查水泵的密封性能、泵体和叶轮的磨损情况,及时更换损坏的零部件。
2. 灭火器灭火器是消防设备中最常见的一种,其强检是确保其可用性和有效性的重要环节。
强检中,需要检查灭火器的外观、压力表、喷嘴等部件是否完好,灭火剂是否过期,以及喷射距离和时间等参数是否符合标准。
如发现问题,应及时更换或修复。
3. 消防栓消防栓是建筑物内部的消防设备,其正常运行对于火灾的扑救起到关键作用。
强检中,需要检查消防栓的阀门、接头、背压阀等部件是否正常,水压是否达标,以及消防栓箱内的配件是否完好。
如发现问题,应及时修复或更换。
4. 喷淋系统喷淋系统是建筑物内部的自动灭火设备,其强检是确保其正常运行和故障排除的重要环节。
强检中,需要检查喷头的喷射角度和喷水量是否符合标准,管道是否有渗漏和堵塞等问题,以及控制阀门、水泵等设备的运行状态。
如发现问题,应及时修复或更换。
二、消防设备的更换周期消防设备的更换周期是指根据设备的使用寿命和性能衰减情况,合理确定更换的时间间隔。
不同类型的消防设备具有不同的更换周期,以下是一些常见设备的更换周期参考:1. 消防水泵消防水泵的更换周期一般为10年左右。
随着使用时间的增长,水泵的密封性能和泵体磨损程度会逐渐增加,影响其正常工作。
因此,在水泵使用10年后,应考虑进行更换或大修。
医院消防设备检测周期是多长咱们平时去医院,都希望能健健康康地进去,平平安安地出来。
但你有没有想过,医院里那些保障咱们安全的消防设备,它们可不是一直都“精神饱满”地准备工作的,而是需要定期进行检测,以确保在关键时刻不掉链子。
那你知道医院消防设备检测周期是多长吗?先来说说灭火器吧。
这玩意儿在医院的各个角落都能见到,是灭火的小能手。
一般来说,手提式干粉灭火器要每个月都进行一次外观检查,看看有没有磕碰、变形,压力指示器是不是正常。
而全面检查呢,得一年一次。
我想起之前有一次去医院看望生病的朋友,在走廊里就看到工作人员在认真检查灭火器。
他拿着个小本子,一边看一边记录,神情特别专注。
他先是仔细查看了灭火器的罐体,还用手轻轻敲了敲,听听声音是不是正常。
然后又看了看压力指示器,那表情,就好像医生在给病人做细致的检查一样。
再说说消火栓。
医院里的消火栓系统,每季度得进行一次外观和漏水检查。
每年还得进行一次全面的检测。
还有消防应急照明和疏散指示标志,这可太重要了!它们每个月都要进行一次外观和工作状态的检查。
火灾自动报警系统就更复杂啦。
探测器每两年就得进行一次清洗和功能测试。
为啥要这么频繁地检测这些消防设备呢?因为医院可是人员密集的地方,病人行动不便,一旦发生火灾,后果不堪设想。
这些消防设备就像是守护医院的“安全卫士”,必须时刻保持良好的状态。
就像我之前提到的那个检查灭火器的工作人员,他的认真负责就是为了保障大家的安全。
也许我们平时并不会特别注意到这些消防设备,但它们就默默地在那里,等待着可能需要它们发挥作用的那一刻。
所以呀,医院对于消防设备的检测可不能马虎,按照规定的周期进行检测,才能让咱们在医院里更安心、更放心。
咱们去医院是为了治病,可不能因为消防设备出问题而添新的麻烦。
希望医院都能把消防设备的检测工作做好,让咱们的就医环境更加安全可靠!。
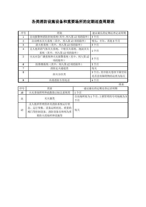
消防设施检查周期应该如何确定消防设施是保障生命和财产安全的重要防线,其正常运行对于火灾的预防和扑救起着至关重要的作用。
而确定合理的消防设施检查周期,则是确保消防设施始终处于良好状态的关键环节。
首先,我们需要明确消防设施的种类繁多,包括但不限于火灾自动报警系统、自动喷水灭火系统、消火栓系统、防烟排烟系统、消防应急照明和疏散指示系统等等。
不同类型的消防设施,其功能和运行特点各异,因此检查周期也应有所区别。
对于火灾自动报警系统,由于其需要时刻保持敏锐的感知能力,能够及时发现火灾的迹象,建议每月进行一次检查。
检查的内容应包括探测器的外观是否完好,有无被遮挡或污染;报警按钮是否能正常触发报警;控制设备的各项功能是否正常,如声光报警、显示、打印等。
此外,每季度还应进行一次全面的功能性测试,模拟火灾情况,检验系统的报警和联动控制功能是否可靠。
自动喷水灭火系统是灭火的重要手段之一,其检查周期相对较短。
每周应检查喷头是否有损坏、堵塞或被遮挡的情况;每月检查报警阀组的外观、阀门的开启状态以及系统的压力情况;每季度进行一次系统的放水试验,检查水流指示器、压力开关等组件的动作是否正常。
同时,每年还应对系统的管道进行一次全面检查,查看有无锈蚀、渗漏等问题。
消火栓系统也是常见的消防设施之一。
每月应检查消火栓箱内的设备是否齐全,如消火栓阀、水枪、水带等;检查阀门的开启是否灵活,有无漏水现象。
每季度应对系统进行一次压力测试,确保水压满足灭火要求。
此外,每年还需要对室外消火栓进行一次检查和维护,清理周围的杂物,确保其正常使用。
防烟排烟系统的作用是在火灾发生时排出烟雾,为人员疏散和灭火创造有利条件。
每月应检查风机的外观、运转情况以及电气控制设备的功能;每季度检查风道、风口的畅通情况以及防火阀的动作性能;每年进行一次系统的联动测试,确保在火灾发生时能够正常启动和运行。
消防应急照明和疏散指示系统在火灾发生时为人员疏散提供照明和指示方向。