土的回弹模量计算(道路工程)
- 格式:doc
- 大小:289.00 KB
- 文档页数:4
土的回弹模量计算土的回弹模量是指土体在受到外力作用后,经过一定变形后能够重新恢复到原来的形态并保持稳定的能力。
回弹模量是土体的一项重要力学参数,它能够反映土体的变形和弹性特性。
土的回弹模量计算是土力学中的一个重要问题,涉及到土的物理性质、力学性质以及变形特性等方面的知识。
对于软弱黏性土,通常采用负荷-时间法进行回弹模量的计算。
在该方法中,首先将土样放入负荷器中施加一定的应力,并给予一个时间来进行变形。
然后,在预定的时间内解除应力,观察土样的回弹情况,并测量回弹变形。
通过重复实验,并根据不同的应力和变形条件,得出一组试验数据。
利用这组数据,可以采用回归分析等统计方法拟合得到一条回弹曲线,然后根据曲线的斜率和弹性模量的关系,计算出回弹模量。
对于砂土,通常采用动力法进行回弹模量的计算。
在该方法中,首先采用动力击实仪或冲击器对砂土施加一定的冲击力,并测量冲击力和冲击后固结应力的关系。
然后,通过回弹试验,测量砂土的回弹特性。
根据回弹试验数据,可以利用弹性力学的理论,基于冲击力和固结应力的关系,计算出回弹模量。
除了试验方法,还可以采用理论计算的方法得到土的回弹模量。
其中,一种常用的计算方法是波动理论。
在这种方法中,假设土体是弹性和均匀的介质,可以通过传播速度和土体的密度来计算回弹模量。
根据波动理论,土的回弹模量可以通过以下公式计算:Er=ρV^2其中,Er表示土的回弹模量,ρ表示土的密度,V表示波传播速度。
另外,还有一些其他的计算方法,如综合应力比法、双重回弹模量法等,可以根据具体的实际情况选择合适的方法进行土的回弹模量计算。
综上所述,土的回弹模量的计算是土力学中的一个重要问题,可以通过实验方法和理论计算方法得到。
无论采用哪种方法,都需要在实验和计算过程中考虑土体的物理性质、力学性质以及变形特性等因素,以保证计算结果的准确性和可靠性。
水泥混凝土路面基层顶面当量回弹模量的计算城讳道析与防珙2006年3月第2期水泥混凝土路面基层顶面当量回弹模量的计算文畅平(邵阳学院城市建设学院,湖南邵阳422000)摘要:在94水泥混凝土路面设计规范中,基层顶面当量回弹模量E是通过查图确定的,2002年的规范对此作了改进,但计算公式有6个,计算过程更复杂烦琐.为此,通过2002年规范提供的E 计算公式,计算了1280+175+960个实例,根据基层的非线性特征,用最小二乘法对计算结果进行回归,得到1个E非线性回归方程.通过实例计算验证,得到的这个E非线性回归方程完全能够满足水泥混凝土路面基层顶面当量回弹模量的计算要求.关键词:水泥混凝土路面;道路基层;结构设计;当量回弹模量;非线性回归方程;归一化中圈分类号:U416.o2文献标识码:A文章编号:100977l6(2006)02—0016一O3O前言1994年水泥混凝土路面设计规范通过土基和基层材料的回弹模量,查图确定新建路面基层顶面当量回弹模量E],尽管方法简单,但很不方便.2002年的规范对此作了改进,但计算公式有6个[23,计算过程仍略嫌烦琐.目前,在公路水泥混凝土路面结构组合设计中,较多地采用水泥稳定碎石,二灰土碎石等半刚性基层,或沥青类柔性基层以及级配碎(砾)石等粒料垫层,因而为水泥混凝土路面基层顶面当量回弹模量的分析计算缩小了范围.半刚性基层材料,沥青类柔性基层材料具有非线性特征,其顶面当量回弹模量同样具有非线性特征.这种非线性特征可以用以下类似规范E计算式[2]的回归公式形式来描述.E,===ah^;EfE;E(1)式中:E——基层顶面当量回弹模量E,Ez,E.——分别为基层,垫层,土基的回弹模量h,hz——分别为基层,垫层的厚度a,b,f,d,,严回归系数本文通过把规范口]提供的"新建公路的基层顶面当量回弹模量"6个计算公式,计算了1280+175+960个实例,用最小二乘法[对计算结果进行回归,分别得到一个半刚性基层,不设垫层的半刚性基层,沥青类柔性基层的回归方程.通过实例计算验证,结果令人满意,完全能够满足水泥混凝土路面设收稿日期:2005—04—20作者简介:文畅平(1965一),男,湖南邵阳人,高级工程师.副院长,从事路基路面教学和科研工作计的工程要求,从而将6个计算公式归化为一个计算公式,使计算过程大为简化.1E与h,Ei的回归方程在研究中,试图将所有基层E的计算公式归化为一个计算式,但计算实例检验误差较大,有极少数误差超出10%.为了提高回归精度,将基层按半刚性基层,不设垫层的半刚性基层,沥青类柔性基层,分别进行回归分析计算,从而得到E与h,E的回归方程.1.1设置垫层的半刚性基层E与hhE的回归方程1.1.1基层材料及计算参数取值基层材料采用水泥稳定碎石,二灰土碎石等半刚性基层,回弹模量El=10001900MPa,厚度h一14~20cm.回归计算中,E,h都取4个等级,即1000,1300,1600,1900(MPa)}14,16,18,20(cm)..1.1.2垫层材料及计算参数取值垫层材料采用级配碎(砾)石等粒料垫层,回弹模量E2=100~400MPa,厚度h2—14~20cm回归计算中,E2,h都取4个等级,即100,200,300,400(MPa);14,16,18,20(cm).1.1.3土基计算参数取值土基回弹模量E.=20~60MPa.回归计算中,取20,30,4O,50,60(MPa)5个等级.1.1.4回归方程将上述计算参数进行组合,得到1280个计算实例.将计算结果进行回归,得到回归系数如表1所示.于是得到回归方程:2006年3月第2期由《i讳道析5筋殃17E,一4.2353"磅"'.'¨铀.¨中,取30,40,50(MPa)3个等级.(2)(4)回归方程:裹1半刚性基层计算参数及回归计算结果裹计算参数回归系数E】hiE2h2E0a=4.2353100014100142O6=0.5675R一0.993l300162OO1630f一0.1634F=35464> 160018300l840d=0.2780F(0.01.5,1274)=3.∞19002O4002O5OP一0.155960,=0.57411.2不设垫层的半刚性基层E与^,EI的回归方程1.2.1基层计算参数E1取5个等级,即700,1000,1300,1600,1900 MPa;h1取7个等级l0,12,14,16,18,20,22cm. 1.2.2土基回弹模量取20,30,40,50,60MPa5个等级.1.2.3回归方程将上述计算参数进行组合,得到175个计算实例,将计算结果进行回归.得到回归系数如表2所示.裹2不设垫层的半刚性基层计算参数及回归计算结果裹计算参数回归系数E1^lEI】口=4.17087000.102Ob=0.780310000.123Of=0.3307R一0.99813000.1440d一0.6729F=23951>16OO0.165OF(0.01,3,171)=3.919000.186o0.200.22于是得到回归方程;E,===4.1708研的.E?-"'6729(3)1.2沥青类柔性基层E与^,El的回归方程(1)基层采用沥青碎石或沥青混凝土基层材料,回弹模量E1;600~l400MPa.厚度h4~10 cm.回归计算中.E,取5个等级.即600,800, 1000,1200,1400(MPa);hl取4个等级4,6,8,10 (cm).(2)底基层材料及计算参数取值:底基层材料采用水泥稳定碎石,二灰土碎石等,回弹模量E一1000~1900(MPa),厚度hz一14~20(cm).回归计算中.E,h2都取4个等级,即1000,1300,l600,1900(MPa);14,16,18,20(cm).(3)土基计算参数取值;土基回弹模量E.一30~50MPa.回归计算将上述计算参数进行组合,得到960个计算实例,将计算结果进行回归.得到回归系数如表3所示.裹3柔性基层计算参数及回归计算结果裹计算参数回归系数ElhiEzh2Eo口=5.82366o041000143O6=0.1925R一0.994 800613001640c一0.5878F=29653> 100081600185Od=0.1253F(0.01,5,954)=3.04120010190020=0.24271400,0.6324于是得到回归方程:E一5.8236砖磅盯.日'.'(4)2回归结果分析及实例验证2.1E的精度范围规范l_2中E,的精度范围体现在的计算中.一0.077'∞h-o.077[0.湖^(.-o.oss.(从上式可以得到,当E的误差在19,6,29,6,3,49,6,5时.的误差分别为0.002,0.004,0.006,0.008,0.010.因此,E的误差控制在4以内时,完全能够满足公路水泥混凝土路面工程的设计要求.2.2回归结果分析[.](1)回归方程式(2),(3),(4)的相关系数R分别为0.993,0.998,0.994.经显着性检验,分别得到F===35464>F(0.01,5,1274)一3.03;F一23951 >F(0.01,3.171)=3.9;F一29653>F(0.01,5, 954)=3.04.说明回归特别显着.(2)将上述1280+175+960个计算实例进行残差检验,计算结果符合精度要求.2.3实例验证计算hi,Ei不在上述组合中的部分实例.按回归方程式(2),(3),(4)以及规范计算公式r2]分别进行计算,并将计算结果进行比对.用回归方程式(2),(3),(4)计算的结果误差范围在29,6以内.只有极少数超出39,6,且不超过5.证明用回归方程式计算水泥混凝土路面基层顶面当量回弹模量能够满足工程设计要求,这样就将一个复杂的计算过程大大简化了.城席道析5防珙2006年3月第2期袖阀式劈裂注浆和动力固结法路基补强处理李家杰,郑义(深圳市西伦土木结构有限公司,广东深圳518034)摘要:结合工程实例,对道路下雨污水管槽回填密实度不满足设计要求而导致的路面开裂,采取袖阀式劈裂注浆法和动力固结法进行加固,并分析影响加固效果的原因以及总结值得吸取的经验教训l..关键词:城市道路;路基加固;管槽回填;袖阀式劈裂注浆;动力固结法;深圳市中圉分类号:TU472文献标识码:A文章编号:1009—7716(2oo6)02一OO18—031概况深圳市龙岗区七号路是龙岗中心城南北方向主干道,南起深惠路,北至龙平大道.红线宽80m,双向八车道,长约5.5km.该工程早在1993年已做设计,施工期间有关部门提出修改该路横断面,中间绿化带由原来的2.0m加宽到13.5m.而纵断面及管线设计,由于已经施工,未做修改.因此,原来设于非机动车道下的雨,污水管便改在了机动车道下.在施工期间,主车道混凝土板浇筑完后,不到二个月时间就出现了裂缝,裂缝主要分布在东西两侧机动车道最外缘两块板上.2裂缝成因(1)该段路基大部分处于挖方段.板缝出现部位下面是管槽回填土,裂缝出现的原因应与管槽回填沉降有关.参见图1.收稿日期:2006—01—12作者简介:李家杰(1971一).男,辽宁岫岩人,工程师.从事道桥设计.图1遭路横断面从图1可知,污水管覆土约5.5m,雨水管覆土约3.5m.道路西侧管沟开挖后,路面的第四块板完全处于回填区内,而第三块板则为半填半挖.第四块板上的裂缝较不规则,井位处出现较多,范围约45012"i长.第三块板裂缝出现在板中,沿纵向产生,较有规则,主要在两处出现,长度各2512"i.道路东侧由于未埋设雨水管,第三块板未发现裂缝,第四块板裂缝与西侧基本一致,但裂缝较少.从裂缝产生的部位和形状,基本可以判断,原因是管槽回填土沉降所致.从现场的探槽也证明以上分析是正确的.I◆IIII◆III1.IIII●IIII◆...I◆...{●...{●IIIf●IIII◆...I◆...J◆IIIf●{III●...14.川f◆...{●IIII●IIII◆...I◆...I◆]III◆...{●IIII◆...I◆ (I)●III1.…14.川I◆IIII◆…II◆III1.III1.…I●川I◆IIII◆IIII●…I●IIII◆IIII◆IIII◆…I◆…I◆川I◆川I●lI¨●川J◆川J◆…f◆13结语(1)从水泥混凝土路面基层的非线性特性出发,利用规范[2的E计算公式,通过回归分析计算,分别得到了水泥混凝土路面半刚性基层,不设垫层的半刚性基层以及沥青类柔性基层的顶面当量回弹模量的归一化计算式.将回归方程式,规范计算公式分别对实例进行计算,计算结果比对后表明,回归方程式的计算精度能够满足水泥混凝土路面设计的要求,这样就将规范中的6个计算式简化为一个计算式,从而大大简化了计算过程.(2)在实际应用中,作好基层结构的组合设计是关键.只有做到基层结构组合合理,符合规范要求,才能够使归一化公式计算结果具有工程设计实用性.参考文献:[1]中华人民共和国行业标准.公路水泥混凝土路面设计规范(JTJ014—94)[S].北京人民交通出版社,1994.12.E2]中华人民共和国行业标准.公路水泥混凝土路面设计规范(JTGD40—2002)EsI.北京;人民交通出版社,2003.5. [3]郑少华,姜奉华.试验设计与数据处理[M].北京:中国建材工业出版社,20043.. .。
土的回弹模量计算根据《公路路基路面现场测试规程》(JTG E60-2008),现计算土的回弹模量如下:1、承载板法测定土的回弹模量计算资料见表1:承载板试验数据表1根据表中数据,舍去回弹变形大于1mm的数据,绘出p-L曲线如图1所示:图1 承载板实验荷载-变形曲线根据规范,由于曲线起始部分出现反弯,故应进行原点修正,并进行直线拟合,如图2所示:图2 原点修正图由图2读的各级荷载作用下图的回弹变形值如表2所示:各级荷载对应的土的回弹变形值表2由公式E0=πD4(1−μ02)∑p i∑L i计算得:E0=π×3004×(1−0.352)×(0.02+0.04+0.06+0.08+0.10)(17+31+43+58+73)×10−2=27.93(MPa)式中:E0——土基回弹模量D——刚性承载板直径,规定为30cmμ0——土基泊松比,取为0.35∑p i——回弹变形小于1mm的各级荷载单位压力总和∑L i——各级荷载单位压力作用下,回弹变形小于1mm的回弹变形总和2、 贝克曼梁弯沉试验法测定土的回弹模量 2.1计算资料见表3:贝克曼梁弯沉试验数据 表32.2计算全部测定值得算术平均值L̅、单次测量的标准差S 0和自然误差r 0 L̅=∑L iN=172 S 0=√∑(L i −L̅)2N −1=23.31r 0=0.675S 0=0.675×23.31=15.73式中: L̅——回弹弯沉的平均值(0.01mm ) S 0——回弹弯沉测定值的标准差(0.01mm ) r 0——回弹弯沉测定值的自然误差(0.01mm ) L i ——各测点的回弹弯沉值(0.01mm ) N——测点总数2.3计算各测点的测定值与算术平均值的偏差值d i =L i −L̅,并计算较大的偏差值与自然误差值之比d i r 0⁄,计算值如表3所示,由表可知:max (di r 0⁄)=2.73<3.2,故所有测点数据均有效。
城市道路路面设计中的土基回弹模量值吴祖德(常州市市政工程设计研究院有限公司)内容提要在城市道路路面设计中,应综合诸多因素来确定设计的土基回弹模量值。
本文介绍土基回弹模量的确定方法,供设计人员参考。
关键词土基回弹模量城市道路0 前言我国道路路面设计方法中,路基力学性能参数都是采用的土基回弹模量,它是我国路面设计中的重要力学参数,它的确定直接影响到其他参数的选择与结构设计的结果。
本文主要叙述对土基回弹模量的确定及其变化对沥青路面路基工作区的影响分析。
1 设计土基回弹模量确定因素分析1.1 首先是根据规范要求,不能低于要求的设计值1.1.1《城镇道路路面设计规范》(CJJ169-2012)注:要求路床应处于干燥或中湿状态。
1.1.2《公路水泥混凝土路面设计规范》(JTG D40-2011)1.1.3《公路沥青路面设计规范》(JTG D50-2006)1.2 根据设计工程所在地区所处自然区划查表法估计土基回弹模量参考值如江苏省在自然区划Ⅳ1、Ⅳ1a,摘录列于表5中:经整理后见下表:表6 江苏省不同干湿状态下的土基回弹模量值注:1)c W 为土的平均稠度值;2)过湿状态的回弹模量是推算值 (图1)。
图1 过湿状态的回弹模量是推算值1.3 由于城市道路的路床顶面的80cm 范围大部分接近于地下水位,路基土均处于过湿状态,路基土的土基回弹模量均为15MPa 左右,不能作为设计所用的土基回弹模量值,均要经过处理后,才能达到设计采用值,并结合路床土在路基工作区范围,要求达到规定的压实度要求,一般采用翻挖回填压实,采用6%石灰土处理。
对土基进行处理时,处于过湿状态假定E 0=15MPa ,当用20~100cm6%石灰土处理时,经计算得出处理层顶面的弯沉值,再经换算成顶面的土基回弹模量值,见下表:表7 常州地区6%灰土处理地基厚度值计算表表8常州地区各种设计土基回弹模量值的6%石灰土处理厚度表按此处理方法,当路基工作区(规范要求的压实深度)为80cm时,则土基回弹模量值已经达到34MPa,已经满足于《城镇道路路面设计规范》(CJJ169-2012)的要求,不应小于30MPa和不应小于20MPa的要求。
二、土基回弹模量的确定方法回弹模量是指路基、路面及筑路材料在荷载作用下产生的应力与其相应的回弹应变的比值。
车辆荷载通过路面传至土基的垂直压力,使土基产生一定程度的竖向位移变形,假定土基为均质的弹性体,在圆形垂直均布荷载作用下,在应力与应变成直线关系时,可用弹性理论来建立荷载与变形之间的关系式:式中:Lr——路表距离荷载中心袖为r某点处的垂直位移,亦称弯沉值,cmP——圆形垂直均布荷载,MPa;E。
——土基回弹模量,MPa;δ——圆形均布荷载面积半径,m;u——土的泊松系数,取o. 35;a——竖向位移系数,是r/δ的函数, r/δ=0时,a=1;r/δ=1.5时,a=o 356。
由上式看出;在一定的车轮荷载作用下,土基的回弹模量E0值越大,所产生的回弹弯沉值L r就越小。
这标志着土基的承载能力大,抵抗变形的能力强。
土基的强度可用若干指标来表达(如抗剪强度、CBR值、回弹模量等)。
我国是以路表设计弯沉值作为路面整体强度的设计控制指标。
由式(2-7-15)或三层体系理论分析可知,影响路表弯沉的主要因素是路基的强度,70%~95%的弯沉取决于路基。
因此采用土基回弹模量Eo来表示土基的强度。
土基回弹模量确定可以通过现场实测、室内实验法、换算法或通过经验公式计算确定的查表法。
1.现场实测:在不利季节,在已竣工的路基上,用承载板通过逐级加荷卸载的方法测出每级荷载的回弹变形值,并采用间弹变形Lo=0.5~1mm的测定值,参考各地经验的综合式(2-7-16)计算土基回弹模量。
或用弯沉仪测定土基回弹模量值。
详细操作及计算可按《公路路基路面现场测试规程》(JTJ059—95)中T0944一95规定、《公路沥青路面设计视范》(JTJ014-97)中表8执行。
Eo=2430L0-0.7(2-7-16) 1.内实验法:按最佳含水量下制备三组土样试件,测得不同压实度与其相对应的回弹模量值,绘成压实度与回弹模量曲线;查图求得标准压实度条件下土的回弹模量值。
土体回弹模量土工材料的力学性能参数是土工工程设计的重要依据。
土体回弹模量是评价土工材料稳定性和变形能力的重要指标之一,与土工工程的安全性和使用寿命密切相关。
本文将从定义、测定方法和应用等方面详细阐述土体回弹模量。
一、定义土体回弹模量(rebound modulus)是指刚体撞击土体后,土体恢复弹性形变的能力与原形变大小之间的比值,也称回弹式混凝土模量。
该模量的计算方式为E = ρgH2r2/[3(h+r)Δh],其中ρ为土体的密度,g为重力加速度,H为撞击锤重,r为锤头半径,h为试件厚度,Δh为试件弹性压缩量。
土体回弹模量越大,土体弹性回复能力越强,抗压强度和变形能力越好。
二、测定方法1.回弹法回弹法是根据土体受重物打击后的反弹程度和打击能量之间的关系,来计算土体回弹模量。
这种方法比较简便,适用于较各种类型的土体。
2.压缩-回弹法压缩-回弹法是将土体在标准条件下进行压缩后,记下其压缩量和回弹量,通过对比得出土体回弹模量。
该方法在较高的应变范围内可以获得较精确的结果。
3.剪切-回弹法剪切-回弹法在测定泥土回弹模量时比较常用。
通过双镜头摄像记录土体在受力情况下的变形,进而计算回弹模量或者采用类似压缩回弹法的方式进行计算。
三、应用1.土工工程中的应用土体回弹模量是判断土工材料和结构性能的重要指标之一。
在土工工程中,土体回弹模量可以作为边坡稳定性和土工结构变形能力的评价指标,来选取适合的土工材料进行实际工程使用。
2.材料研究领域的应用土体回弹模量可以在材料研究领域中应用。
通过分析材料显著的回弹行为,评估材料的耐用性和吸震性能。
3.道路工程中的应用在道路工程中,设施的稳定性决定了安全和使用的寿命。
土体回弹模量的测定可以为道路工程提供更多的结构性能参数信息,为道路设计和维修提供支持。
四、结论土体回弹模量是土工工程和材料研究中的一个重要参数,对研究和评价土工材料和结构性能有着较大的意义。
各种测定方法不同,因此测定结果也存在一定的误差。
土的回弹模量计算根据《公路路基路面现场测试规程》(JTG E60—2008),现计算土的回弹模量如下:1、承载板法测定土的回弹模量计算资料见表1:承载板试验数据表1路基土类为粘性土,泊松比为0.35承载板试验(MPa)回弹变形(0。
01mm)0。
02 150。
04 310.06 420。
08 560。
10 770。
15 1160。
20 1710。
25 1620.30 205根据表中数据,舍去回弹变形大于1mm的数据,绘出p—L曲线如图1所示:图1 承载板实验荷载-变形曲线根据规范,由于曲线起始部分出现反弯,故应进行原点修正,并进行直线拟合,如图2所示:图2 原点修正图由图2读的各级荷载作用下图的回弹变形值如表2所示:各级荷载对应的土的回弹变形值表20.02 0.04 0。
06 0。
08 0。
1017 31 43 58 73由公式计算得:式中:土基回弹模量刚性承载板直径,规定为30cm土基泊松比,取为0.35回弹变形小于1mm的各级荷载单位压力总和各级荷载单位压力作用下,回弹变形小于1mm的回弹变形总和2、贝克曼梁弯沉试验法测定土的回弹模量2。
1计算资料见表3:贝克曼梁弯沉试验数据表3测点回弹弯沉(0.01mm)di=Li—L(mm)di/r01 177 5 0.322 151 —21 -1。
343 193 21 1。
344 159 —13 —0。
835 1786 0。
386 144 -28 —1.787 152 —20 -1.278 158 —14 -0。
899 198 26 1.6510 171 -1 —0.0611 147 —25 —1.5912 215 43 2。
7313 207 35 2。
2314 158 —14 -0.892。
2计算全部测定值得算术平均值、单次测量的标准差和自然误差式中: -—回弹弯沉的平均值(0.01mm)——回弹弯沉测定值的标准差(0.01mm)回弹弯沉测定值的自然误差(0。
改建路段原路面当量回弹模量计算原路面实测弯沉值(0.01mm)62 106 70 68 58 113 67 54 55 4735 53 70 33 38 79 81 90 45 6732 52 61 59 79 37 53 83 38 62舍去的过大或过小弯沉值为: L( 6 )= 113L( 2 )= 106原路面有效弯沉数: 28原路面平均弯沉值: 58 (0.01mm)原路面弯沉值标准差: 16 (0.01mm)测定汽车轴载100 kN改建公路等级二级公路与保证率有关的系数 1.5原路面沥青面层厚度50 (mm)季节影响系数 1.2 湿度影响系数 1 温度修正系数 1原路面计算弯沉值: 98 (0.01 mm)原路面当量回弹模量: 167.4 (MPa)轴载换算及设计弯沉值和容许拉应力计算序号车型名称前轴重(kN) 后轴重(kN) 后轴数后轴轮组数后轴距(m) 交通量1 黄河JN150 49 101.6 1 双轮组6002 交通SH141 25.55 55.1 1 双轮组14003 太脱拉138 51.4 80 2 双轮组<3 2004 三菱FR415 30 51 1 双轮组180 设计年限15 车道系数.3 交通量平均年增长率10 %一个车道上大客车及中型以上的各种货车日平均交通量Nh= 714 ,属中等交通等级当以设计弯沉值和沥青层层底拉应力为指标时:路面营运第一年双向日平均当量轴次: 1197设计年限内一个车道上的累计当量轴次: 4164467属中等交通等级当以半刚性材料结构层层底拉应力为设计指标时:路面营运第一年双向日平均当量轴次: 850设计年限内一个车道上的累计当量轴次: 2957224属轻交通等级路面设计交通等级为中等交通等级公路等级一级公路公路等级系数 1 面层类型系数 1 路面结构类型系数 1路面设计弯沉值: 28.5 (0.01mm)层位结构层材料名称劈裂强度(MPa) 容许拉应力(MPa)1 细粒式沥青混凝土 1 .392 中粒式沥青混凝土.8 .313 粗粒式沥青混凝土 1.5 .584 石灰粉煤灰碎石.6 .335 石灰土.25 .116 天然砂砾新建路面结构厚度计算公路等级: 一级公路新建路面的层数: 6标准轴载: BZZ-100路面设计弯沉值: 28.5 (0.01mm)路面设计层层位: 4设计层最小厚度: 30 (mm)层位结构层材料名称厚度20℃平均抗压标准差15℃平均抗压标准差容许应力(mm) 模量(MPa) (MPa) 模量(MPa) (MPa) (MPa)1 细粒式沥青混凝土30 1400 0 2000 0 .82 中粒式沥青混凝土40 1200 0 1600 0 .73 粗粒式沥青混凝土60 900 0 1200 0 .64 石灰粉煤灰碎石150 1500 0 1500 0 .145 石灰土250 550 0 550 0 .086 天然砂砾150 500 0 500 07 新建路基40按设计弯沉值计算设计层厚度:LD= 28.5 (0.01mm)H( 4 )= 80 mm LS= 30.2 (0.01mm)H( 4 )= 130 mm LS= 26.5 (0.01mm)H( 4 )= 102 mm(仅考虑弯沉)按容许拉应力计算设计层厚度:H( 4 )= 102 mm(第1 层底面拉应力计算满足要求)H( 4 )= 102 mm(第2 层底面拉应力计算满足要求)H( 4 )= 102 mm(第3 层底面拉应力计算满足要求)H( 4 )= 102 mm σ( 4 )= .14 MPaH( 4 )= 152 mm σ( 4 )= .123 MPaH( 4 )= 103 mm(第4 层底面拉应力计算满足要求)H( 4 )= 103 mm(第5 层底面拉应力计算满足要求)路面设计层厚度:H( 4 )= 102 mm(仅考虑弯沉)H( 4 )= 103 mm(同时考虑弯沉和拉应力)验算路面防冻厚度:路面最小防冻厚度500 mm验算结果表明,路面总厚度满足防冻要求.*公路新建路面设计成果文件汇总*******************************一、轴载换算及设计弯沉值和容许拉应力计算序号车型名称前轴重(kN) 后轴重(kN) 后轴数后轴轮组数后轴距(m) 交通量1 黄河JN150 49 101.6 1 双轮组6002 交通SH141 25.55 55.1 1 双轮组14003 太脱拉138 51.4 80 2 双轮组<3 2004 三菱FR415 30 51 1 双轮组180 设计年限15 车道系数.3 交通量平均年增长率10 %一个车道上大客车及中型以上的各种货车日平均交通量Nh= 714 ,属中等交通等级当以设计弯沉值和沥青层层底拉应力为指标时:路面营运第一年双向日平均当量轴次: 1197设计年限内一个车道上的累计当量轴次: 4164467属中等交通等级当以半刚性材料结构层层底拉应力为设计指标时:路面营运第一年双向日平均当量轴次: 850设计年限内一个车道上的累计当量轴次: 2957224属轻交通等级路面设计交通等级为中等交通等级公路等级一级公路公路等级系数 1 面层类型系数 1 路面结构类型系数 1路面设计弯沉值: 28.5 (0.01mm)层位结构层材料名称劈裂强度(MPa) 容许拉应力(MPa)1 细粒式沥青混凝土 1.4 .542 中粒式沥青混凝土 1 .393 粗粒式沥青混凝土.8 .314 石灰粉煤灰碎石.6 .335 石灰土.25 .116 天然砂砾二、新建路面结构厚度计算新建路面的层数: 6标准轴载: BZZ-100路面设计弯沉值: 28.5 (0.01mm)路面设计层层位: 4设计层最小厚度: 30 (mm)层位结构层材料名称厚度20℃平均抗压标准差15℃平均抗压标准差容许应力(mm) 模量(MPa) (MPa) 模量(MPa) (MPa) (MPa)1 细粒式沥青混凝土30 1400 0 2000 0 .542 中粒式沥青混凝土40 1200 0 1600 0 .393 粗粒式沥青混凝土60 900 0 1200 0 .314 石灰粉煤灰碎石200 1500 0 1500 0 .335 石灰土250 550 0 550 0 .116 天然砂砾150 500 0 500 07 新建路基40按设计弯沉值计算设计层厚度:LD= 28.5 (0.01mm)H( 4 )= 80 mm LS= 30.2 (0.01mm)H( 4 )= 130 mm LS= 26.5 (0.01mm)H( 4 )= 102 mm(仅考虑弯沉)按容许拉应力计算设计层厚度:H( 4 )= 102 mm(第1 层底面拉应力计算满足要求)H( 4 )= 102 mm(第2 层底面拉应力计算满足要求)H( 4 )= 102 mm(第3 层底面拉应力计算满足要求)H( 4 )= 102 mm(第4 层底面拉应力计算满足要求)H( 4 )= 102 mm(第5 层底面拉应力计算满足要求)路面设计层厚度:H( 4 )= 102 mm(仅考虑弯沉)H( 4 )= 102 mm(同时考虑弯沉和拉应力)验算路面防冻厚度:路面最小防冻厚度500 mm验算结果表明,路面总厚度满足防冻要求.三、交工验收弯沉值和层底拉应力计算层位结构层材料名称厚度20℃平均抗压标准差15℃平均抗压标准差综合影响系数(mm) 模量(MPa) (MPa) 模量(MPa) (MPa)1 细粒式沥青混凝土30 1400 0 2000 0 12 中粒式沥青混凝土40 1200 0 1600 0 13 粗粒式沥青混凝土60 900 0 1200 0 14 石灰粉煤灰碎石102 1500 0 1500 0 15 石灰土250 550 0 550 0 16 天然砂砾150 500 0 500 0 17 新建路基40 1 计算新建路面各结构层及路基顶面交工验收弯沉值:第1 层路面顶面交工验收弯沉值LS= 28.5 (0.01mm)第2 层路面顶面交工验收弯沉值LS= 31 (0.01mm)第3 层路面顶面交工验收弯沉值LS= 34.7 (0.01mm)第4 层路面顶面交工验收弯沉值LS= 40.3 (0.01mm)第5 层路面顶面交工验收弯沉值LS= 61.6 (0.01mm)第6 层路面顶面交工验收弯沉值LS= 187.8 (0.01mm)路基顶面交工验收弯沉值LS= 232.9 (0.01mm)计算新建路面各结构层底面最大拉应力:(未考虑综合影响系数)第1 层底面最大拉应力σ( 1 )=-.292 (MPa)第2 层底面最大拉应力σ( 2 )=-.116 (MPa)第3 层底面最大拉应力σ( 3 )=-.038 (MPa)第4 层底面最大拉应力σ( 4 )= .14 (MPa)第5 层底面最大拉应力σ( 5 )= .048 (MPa)。
路基路面现场试验检测方法之回弹模量试验检测方法回弹模量是指路基,路面及筑路材料在荷载作用下产生的应力与其相应的回弹应变的比值,土基回弹模量表示土基在弹性变形阶段内,在垂直荷载作用下,抵抗竖向变形的能力,如果垂直荷载为定值,土基回弹模量值愈大则产生的垂直位移就愈小;如果竖向位移是定值,回弹模量值愈大,则土基承受外荷载作用的能力就愈大,因此,路面设计中采用回弹模量作为土基抗压强度的指标。
测定回弹模量的方法,目前国内常用的主要有:承载板法、贝克曼梁法和其他间接测试方法(如贯人仪测定法和CBR测定法)。
一、承载板法1.目的和适用范围(1)本方法适用于在现场土基表面,通过承载板对土基逐级加载、卸载的方法,测出每级荷载下相应的土基回弹变形值,经过计算求得土基回弹模量。
(2)本方法测定的土基回弹模量可作为路面设计参数使用。
2.仪具与材料(1)加载设施:载有铁块或集料等重物、后轴重不小于60kN的载重汽车一辆。
在汽车大梁的后轴之后约80cm处,附设加劲小梁一根作反力架。
汽车轮胎充气压力为0.50MPa。
(2)现场测试装置,由千斤顶、测力计(测力环或压力表)及球座组成。
(3)刚性承载板一块,板厚20mm,直径为Φ30cm ,直径两端设有立柱和可以调整高度的支座供安放弯沉仪测头,承载板放在土基表面上。
(4)路面弯沉仪两台,由贝克曼梁、百分表及其支架组成。
(5)液压千斤顶一台,80~100KN,装有经过标定的压力表或测力环,其容量不小于土基强度,测定精度不小于测力什量程的1/1oo。
(6)秒表。
(7)水平尺。
(8)其他:细砂、毛刷、垂球、镐、铁锹、铲等。
3.试验前准备工作(1)根据需要选择有代表性的测点,测点应位于水平的路基上,土质均匀,不含杂物;(2)仔细平整土基表面,撒干燥洁净的细砂填平土基凹处,砂子不可覆盖全部土基表面避免形成一层。
(3)安置承载板,并用水平尺进行校正,使承载板置水平状态。
(4)将试验卒置于测点上,在加劲小梁中部悬挂垂球测试,使之恰好对准承载板中心,然后收起垂球。
试论公路土基回弹模量测试方法摘要:路基施工质量的好坏直接影响公路的整体质量,路基回弹模量是公路路面结构设计的主要参数之一,选择合理的方法,对路基回弹模量的快速检测方法尤为重要。
文章对路基回弹摸量的影响因素作了分析,并探讨了路基回弹模量的测试方法。
关键词:回弹模量;含水率;压实度;公路路基路基是道路的主体和路面的基础,路基施工质量的好坏直接影响公路的整体质量,影响到道路的使用品质及使用寿命。
如何构筑一个坚实、均匀、稳定的土基,提高土基的抗变形能力,是保证公路路面结构具有良好使用品质与经济效益的根本措施。
由于土基回弹模量是一个关于土的类型、含水量、压实度、测定方法、加荷频率和加荷循环次数等的复杂函数。
对特殊土路基回弹模量及其性质的研究对于公路路基路面设计、施工质量控制等都具有十分重要的作用和实际意义。
一、土基回弹模量的影响因素分析(一)含水率对同一种土质,压实度相同的条件下,土基回弹模量E。
随含水率的增加而降低,含水率平均增加1%,回弹模量平均降低2MPa。
公路在施工时一般在最佳含水率士2%以内进行压实,而公路在通车运营数年后路基填土的含水率较竣工时有大幅度增长,即路基的湿度增大。
(二)压实度压实度也是影响回弹模量的重要因素。
道路破坏其中80%是由路基变形引起的,而路基强度的大小是影响路基变形的主要因素,因此路基的压实是路基施工过程的一个重要工序,也是提高路基强度和稳定性的根本技术措施。
在相同应力级位、含水率为最佳含水量情况下,压实度由100%降至90%,粘土回弹模量最低约下降至原来的65%,粉土回弹模量最低约下降至原来的70%。
对于砂土来说,压实度对回弹模量的影响很小。
(三)土质不同类型的土回弹模量也有很大的差别。
尤其是在季节性冰冻地区,路基土的冻融过程会影响土颗粒的结构形态。
冻胀现象多发生在细粒土中,特别是粉土、粉质粘土中,冻结时水分迁移积聚最为强烈,冻胀现象严重。
因为这类土具有较明显的毛细现象,上升高度大,速度快,具有通畅的水源补给通道,土粒矿物成分亲水性强,土虽有较厚的结合水膜,能持有较多的结合水,同时,这类土的颗粒较细,表面能大,从而能使大量结合水迁移和积聚。
城市道路路面设计中的土基回弹模量值吴祖德(常州市市政工程设计研究院有限公司)内容提要在城市道路路面设计中,应综合诸多因素来确定设计的土基回弹模量值。
本文介绍土基回弹模量的确定方法,供设计人员参考。
关键词土基回弹模量城市道路0 前言我国道路路面设计方法中,路基力学性能参数都是采用的土基回弹模量,它是我国路面设计中的重要力学参数,它的确定直接影响到其他参数的选择与结构设计的结果。
本文主要叙述对土基回弹模量的确定及其变化对沥青路面路基工作区的影响分析。
1 设计土基回弹模量确定因素分析1.1 首先是根据规范要求,不能低于要求的设计值1.1.1《城镇道路路面设计规范》(CJJ169-2012)注:要求路床应处于干燥或中湿状态。
1.1.2《公路水泥混凝土路面设计规范》(JTG D40-2011)1.1.3《公路沥青路面设计规范》(JTG D50-2006)1.2 根据设计工程所在地区所处自然区划查表法估计土基回弹模量参考值如江苏省在自然区划Ⅳ1、Ⅳ1a,摘录列于表5中:经整理后见下表:表6 江苏省不同干湿状态下的土基回弹模量值注:1)c W 为土的平均稠度值;2)过湿状态的回弹模量是推算值 (图1)。
图1 过湿状态的回弹模量是推算值1.3 由于城市道路的路床顶面的80cm 范围大部分接近于地下水位,路基土均处于过湿状态,路基土的土基回弹模量均为15MPa 左右,不能作为设计所用的土基回弹模量值,均要经过处理后,才能达到设计采用值,并结合路床土在路基工作区范围,要求达到规定的压实度要求,一般采用翻挖回填压实,采用6%石灰土处理。
对土基进行处理时,处于过湿状态假定E 0=15MPa ,当用20~100cm6%石灰土处理时,经计算得出处理层顶面的弯沉值,再经换算成顶面的土基回弹模量值,见下表:表7 常州地区6%灰土处理地基厚度值计算表表8常州地区各种设计土基回弹模量值的6%石灰土处理厚度表按此处理方法,当路基工作区(规范要求的压实深度)为80cm时,则土基回弹模量值已经达到34MPa,已经满足于《城镇道路路面设计规范》(CJJ169-2012)的要求,不应小于30MPa和不应小于20MPa的要求。
土的回弹模量计算根据《公路路基路面现场测试规程》(JTG E60-2008),现计算土的回弹模量如下:1、承载板法测定土的回弹模量计算资料见表1:承载板试验数据表1路基土类为粘性土,泊松比为0.35承载板试验(MPa)回弹变形(0.01mm)0.02 150.04 310.06 420.08 560.10 770.15 1160.20 1710.25 1620.30 205根据表中数据,舍去回弹变形大于1mm的数据,绘出p-L曲线如图1所示:图1 承载板实验荷载-变形曲线根据规范,由于曲线起始部分出现反弯,故应进行原点修正,并进行直线拟合,如图2所示:图2 原点修正图由图2读的各级荷载作用下图的回弹变形值如表2所示:各级荷载对应的土的回弹变形值表20.02 0.04 0.06 0.08 0.1017 31 43 58 73由公式计算得:式中:土基回弹模量刚性承载板直径,规定为30cm土基泊松比,取为0.35回弹变形小于1mm的各级荷载单位压力总和各级荷载单位压力作用下,回弹变形小于1mm的回弹变形总和2、贝克曼梁弯沉试验法测定土的回弹模量2.1计算资料见表3:贝克曼梁弯沉试验数据表3 测点回弹弯沉(0.01mm) di=Li-L(mm) di/r01 177 5 0.322 151 -21 -1.343 193 21 1.344 159 -13 -0.835 1786 0.386 144 -28 -1.787 152 -20 -1.278 158 -14 -0.899 198 26 1.6510 171 -1 -0.0611 147 -25 -1.5912 215 43 2.7313 207 35 2.2314 158 -14 -0.892.2计算全部测定值得算术平均值、单次测量的标准差和自然误差式中:——回弹弯沉的平均值(0.01mm)——回弹弯沉测定值的标准差(0.01mm)回弹弯沉测定值的自然误差(0.01mm)各测点的回弹弯沉值(0.01mm)测点总数2.3计算各测点的测定值与算术平均值的偏差值,并计算较大的偏差值与自然误差值之比,计算值如表3所示,由表可知:,故所有测点数据均有效。
路基土回弹模量表示在路基土的加载和卸载过程中,土体的变形量与加载量之比,它是衡量路基土弹性变形能力的重要指标。
具体来说,它是土基在弹性变形阶段内,在垂直荷载作用下,抵抗竖向变形的能力。
如果垂直荷载为定值,土基回弹模量值愈大则产生的垂直位移就愈小;如果竖向位移为定值,回弹模量值愈大,则土基承受外荷载作用的能力就愈大。
路基土回弹模量是由路基土的物理性质决定的,它受路基土的结构、粒径分布、水分含量、孔隙结构、压实度等因素的影响。
在实际工程中,路基土回弹模量的大小可以通过实验测定,一般情况下,路基土的回弹模量越大,路基土的弹性变形能力越强,路基土的抗压强度也越高。
路基土回弹模量的大小对路基工程的设计和施工有重要的意义,它可以帮助工程设计人员更好地评估路基土的弹性变形能力,从而更好地设计路基结构,减少路基结构的变形,提高路基结构的使用寿命。
因此,在公路路面设计中,必须重视路基回弹模量衰减的重要性,并结合计算结果,全面提升设计合理性、规范性。
以上内容仅供参考,如需更多信息,建议查阅相关文献或咨询道路工程专家。
课程名称:学生姓名:学生学号:专业班级:指导教师:年月日路面结构设计计算1 试验数据处理路基干湿状态和回弹模量路基干湿状态路基土为粘性土,地下水位距路床顶面高度~。
查路基临界高度参考值表可知IV5区H1=~,H2=~,H3=~,本路段路基处于过湿~中湿状态。
土基回弹模量1) 承载板试验表承载板试验数据承载板压力(MPa)回弹变形(拟合后的回弹变形20 1035 2550 4165 5780 72119 剔除169 剔除220 剔除计算路基回弹模量时,只采用回弹变形小于1mm的数据,明显偏离拟合直线的点可剔除。
拟合过程如图所示:路基回弹模量:2101011000(1)4nii nii pDE lπμ===-=∑∑2)贝克曼梁弯沉试验表 弯沉试验数据测点 回弹弯沉()1 1552 1823 1704 1745 1576 2007 1478 1739 172 10 207 11 209 12 210 13 172 14170根据试验数据:l =∑li =155+⋯+170=178.4315.85(0.01mm)S =s=√∑(li−l )2n−1=式中:l ——回弹弯沉的平均值();S ——回弹弯沉测定值的标准差(0.01mm ); l i ——各测点的回弹弯沉值(0.01mm ); n ——测点总数。
根据规范要求,剔除超出(2~3)l S ±的测试数据,重新计算弯沉有效数据的平均值和标准差。
计算代表弯沉值:1174.79 1.64515.85200.86(0.01mm)a l l Z S -=+=+⨯=l 1=l +z a s =178.43+1.645×20.56=212.25Z a 为保证率系数,高速公路、一级公路取,二、三级公路取,四级公路取。
土基的回弹模量:220201220.70106.5(1)(10.35)0.71246.3(MPa)200.860.01p E l δμα⨯⨯=-=⨯-⨯=⨯二灰土回弹模量和强度 抗压回弹模量二灰土抗压回弹模量为:735MPa 。
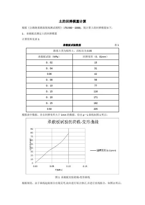
土的回弹模量计算
根据《公路路基路面现场测试规程》(JTG E60-2008),现计算土的回弹模量如下:
1、承载板法测定土的回弹模量
计算资料见表1:
承载板试验数据表1
路基土类为粘性土,泊松比为0.35
承载板试验(MPa)回弹变形(0.01mm)
0.02 15
0.04 31
0.06 42
0.08 56
0.10 77
0.15 116
0.20 171
0.25 162
0.30 205
根据表中数据,舍去回弹变形大于1mm的数据,绘出p-L曲线如图1所示:
图1 承载板实验荷载-变形曲线
根据规范,由于曲线起始部分出现反弯,故应进行原点修正,并进行直线拟合,如图2
所示:
图2 原点修正图
由图2读的各级荷载作用下图的回弹变形值如表2所示:
各级荷载对应的土的回弹变形值表2
0.02 0.04 0.06 0.08 0.10
17 31 43 58 73
由公式
计算得:
式中:土基回弹模量
刚性承载板直径,规定为30cm
土基泊松比,取为0.35
回弹变形小于1mm的各级荷载单位压力总和
各级荷载单位压力作用下,回弹变形小于1mm的回弹变形总和
2、贝克曼梁弯沉试验法测定土的回弹模量
2.1计算资料见表3:
贝克曼梁弯沉试验数据表3
测
点
回弹弯沉
(0.01mm)
di=Li-L(
mm)
di/r0 117750.32
2151-21-1.34
319321 1.34
4159-13-0.83
517860.38
6144-28-1.78
7152-20-1.27
8158-14-0.89
919826 1.65
10171-1-0.06
11147-25-1.59
1221543 2.73
1320735 2.23
14158-14-0.89 2.2计算全部测定值得算术平均值、单次测量的标准差和自然误差
式中:——回弹弯沉的平均值(0.01mm)
——回弹弯沉测定值的标准差(0.01mm)
回弹弯沉测定值的自然误差(0.01mm)
各测点的回弹弯沉值(0.01mm)
测点总数
2.3计算各测点的测定值与算术平均值的偏差值,并计算较大的偏差值与自然误差值之比,计算值如表3所示,由表可知:,故所有测点数据均有效。
2.4计算弯沉代表
式中:计算代表弯沉
2.5计算回弹模量
式中:土的回弹模量
测定车轮的平均垂直荷载(MPa)
测定用标准车双圆荷载单轮传压面当量圆的半径(cm)
测定层材料的泊松比
弯沉系数,为0.712。