土的回弹模量计算(道路工程)之欧阳家百创编
- 格式:doc
- 大小:174.51 KB
- 文档页数:3
土的回弹模量计算土的回弹模量是指土体在受到外力作用后,经过一定变形后能够重新恢复到原来的形态并保持稳定的能力。
回弹模量是土体的一项重要力学参数,它能够反映土体的变形和弹性特性。
土的回弹模量计算是土力学中的一个重要问题,涉及到土的物理性质、力学性质以及变形特性等方面的知识。
对于软弱黏性土,通常采用负荷-时间法进行回弹模量的计算。
在该方法中,首先将土样放入负荷器中施加一定的应力,并给予一个时间来进行变形。
然后,在预定的时间内解除应力,观察土样的回弹情况,并测量回弹变形。
通过重复实验,并根据不同的应力和变形条件,得出一组试验数据。
利用这组数据,可以采用回归分析等统计方法拟合得到一条回弹曲线,然后根据曲线的斜率和弹性模量的关系,计算出回弹模量。
对于砂土,通常采用动力法进行回弹模量的计算。
在该方法中,首先采用动力击实仪或冲击器对砂土施加一定的冲击力,并测量冲击力和冲击后固结应力的关系。
然后,通过回弹试验,测量砂土的回弹特性。
根据回弹试验数据,可以利用弹性力学的理论,基于冲击力和固结应力的关系,计算出回弹模量。
除了试验方法,还可以采用理论计算的方法得到土的回弹模量。
其中,一种常用的计算方法是波动理论。
在这种方法中,假设土体是弹性和均匀的介质,可以通过传播速度和土体的密度来计算回弹模量。
根据波动理论,土的回弹模量可以通过以下公式计算:Er=ρV^2其中,Er表示土的回弹模量,ρ表示土的密度,V表示波传播速度。
另外,还有一些其他的计算方法,如综合应力比法、双重回弹模量法等,可以根据具体的实际情况选择合适的方法进行土的回弹模量计算。
综上所述,土的回弹模量的计算是土力学中的一个重要问题,可以通过实验方法和理论计算方法得到。
无论采用哪种方法,都需要在实验和计算过程中考虑土体的物理性质、力学性质以及变形特性等因素,以保证计算结果的准确性和可靠性。
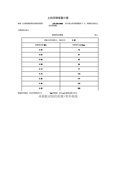
土的回弹模量计算根据《公路路基路面现场测试规程》(JTG E60-2008),现计算土的回弹模量如下:1、承载板法测定土的回弹模量计算资料见表1:承载板试验数据表1根据表中数据,舍去回弹变形大于1mm的数据,绘出p-L曲线如图1所示:图1 承载板实验荷载-变形曲线根据规范,由于曲线起始部分出现反弯,故应进行原点修正,并进行直线拟合,如图2所示:图2 原点修正图由图2读的各级荷载作用下图的回弹变形值如表2所示:各级荷载对应的土的回弹变形值表2由公式E0=πD4(1−μ02)∑p i∑L i计算得:E0=π×3004×(1−0.352)×(0.02+0.04+0.06+0.08+0.10)(17+31+43+58+73)×10−2=27.93(MPa)式中:E0——土基回弹模量D——刚性承载板直径,规定为30cmμ0——土基泊松比,取为0.35∑p i——回弹变形小于1mm的各级荷载单位压力总和∑L i——各级荷载单位压力作用下,回弹变形小于1mm的回弹变形总和2、 贝克曼梁弯沉试验法测定土的回弹模量 2.1计算资料见表3:贝克曼梁弯沉试验数据 表32.2计算全部测定值得算术平均值L̅、单次测量的标准差S 0和自然误差r 0 L̅=∑L iN=172 S 0=√∑(L i −L̅)2N −1=23.31r 0=0.675S 0=0.675×23.31=15.73式中: L̅——回弹弯沉的平均值(0.01mm ) S 0——回弹弯沉测定值的标准差(0.01mm ) r 0——回弹弯沉测定值的自然误差(0.01mm ) L i ——各测点的回弹弯沉值(0.01mm ) N——测点总数2.3计算各测点的测定值与算术平均值的偏差值d i =L i −L̅,并计算较大的偏差值与自然误差值之比d i r 0⁄,计算值如表3所示,由表可知:max (di r 0⁄)=2.73<3.2,故所有测点数据均有效。
土体回弹模量土工材料的力学性能参数是土工工程设计的重要依据。
土体回弹模量是评价土工材料稳定性和变形能力的重要指标之一,与土工工程的安全性和使用寿命密切相关。
本文将从定义、测定方法和应用等方面详细阐述土体回弹模量。
一、定义土体回弹模量(rebound modulus)是指刚体撞击土体后,土体恢复弹性形变的能力与原形变大小之间的比值,也称回弹式混凝土模量。
该模量的计算方式为E = ρgH2r2/[3(h+r)Δh],其中ρ为土体的密度,g为重力加速度,H为撞击锤重,r为锤头半径,h为试件厚度,Δh为试件弹性压缩量。
土体回弹模量越大,土体弹性回复能力越强,抗压强度和变形能力越好。
二、测定方法1.回弹法回弹法是根据土体受重物打击后的反弹程度和打击能量之间的关系,来计算土体回弹模量。
这种方法比较简便,适用于较各种类型的土体。
2.压缩-回弹法压缩-回弹法是将土体在标准条件下进行压缩后,记下其压缩量和回弹量,通过对比得出土体回弹模量。
该方法在较高的应变范围内可以获得较精确的结果。
3.剪切-回弹法剪切-回弹法在测定泥土回弹模量时比较常用。
通过双镜头摄像记录土体在受力情况下的变形,进而计算回弹模量或者采用类似压缩回弹法的方式进行计算。
三、应用1.土工工程中的应用土体回弹模量是判断土工材料和结构性能的重要指标之一。
在土工工程中,土体回弹模量可以作为边坡稳定性和土工结构变形能力的评价指标,来选取适合的土工材料进行实际工程使用。
2.材料研究领域的应用土体回弹模量可以在材料研究领域中应用。
通过分析材料显著的回弹行为,评估材料的耐用性和吸震性能。
3.道路工程中的应用在道路工程中,设施的稳定性决定了安全和使用的寿命。
土体回弹模量的测定可以为道路工程提供更多的结构性能参数信息,为道路设计和维修提供支持。
四、结论土体回弹模量是土工工程和材料研究中的一个重要参数,对研究和评价土工材料和结构性能有着较大的意义。
各种测定方法不同,因此测定结果也存在一定的误差。
根据《公路路基路面现场测试规程》土的回弹模量计算(JTG E60-2008),现计算土的回弹模量如下: 1、承载板法测定土的回弹模量计算资料见表1 :承载板试验的荷载•变形曲线承载板试验数据表1根据表中数据,舍去回弹变形大于1mm 的数据,绘出p-L 曲线如图1所示:/图1承载板实验荷载-变形曲线9030 10O.OS 0.12P(WPa)---- 回弾寰槪(0.01mm)0.02根据规范,由于曲线起始部分出现反弯, 故应进行原点修正,并进行直线拟合,如图2所示:承载板试验的荷载■变形曲线---- 回mrri)—线性〔回弹簣总 {0 Olmrin))图2原点修正图由图2读的各级荷载作用下图的回弹变形值如表2所示:各级荷载对应的土的回弹变形值表20.020.04 0.06 0.080.101731435873由公式Ji D计算得:Ji X 300 , 卞、 (0.02 + «.04 + O.OG + O.OH + 0.H))/i D = -------- ----- - X ([-035 ) X ------------------------------------------------------ =27.93(MPa)4 (17+ 31 + 43 + 58 + 7^) X 10 _式中:卫1==土基回弹模量.;; - 刚性承载板直径,规定为 30cmP(MPa)2“一-土基泊松比,取为0.35丄 < 各级荷载单位压力作用下,回弹变形小于1mm勺回弹变形总和2、贝克曼梁弯沉试验法测定土的回弹模量2.1计算资料见表3:测点回弹弯沉(0.01mm)di=Li-L(mm)di/r0117750.322151-21-1.34319321 1.344159-13-0.83517860.386144-28-1.787152-20-1.278158-14-0.89919826 1.6510171-1-0.0611147-25-1.591221543 2.731320735 2.2314158-14-0.89和自然误差IT匚=0.6755(1= 0.675 X 23.31 = 1573式中:工——回弹弯沉的平均值(0.01mm)――回弹弯沉测定值的标准差(0.01mm)回弹弯沉测定值的自然误差(0.01mm)各测点的回弹弯沉值(0.01mm)玲一一测点总数I /V-1=23.312 X 0.7D X1.9531213X(1 -0.35^) X有效。
土的回弹模量计算根据《公路路基路面现场测试规程》(JTG E60-2008),现计算土的回弹模量如下:1、承载板法测定土的回弹模量计算资料见表1:承载板试验数据表1路基土类为粘性土,泊松比为0.35承载板试验(MPa)回弹变形(0.01mm)0.02 150.04 310.06 420.08 560.10 770.15 1160.20 1710.25 1620.30 205根据表中数据,舍去回弹变形大于1mm的数据,绘出p-L曲线如图1所示:图1 承载板实验荷载-变形曲线根据规范,由于曲线起始部分出现反弯,故应进行原点修正,并进行直线拟合,如图2所示:图2 原点修正图由图2读的各级荷载作用下图的回弹变形值如表2所示:各级荷载对应的土的回弹变形值表20.02 0.04 0.06 0.08 0.1017 31 43 58 73由公式计算得:式中:土基回弹模量刚性承载板直径,规定为30cm土基泊松比,取为0.35回弹变形小于1mm的各级荷载单位压力总和各级荷载单位压力作用下,回弹变形小于1mm的回弹变形总和2、贝克曼梁弯沉试验法测定土的回弹模量2.1计算资料见表3:贝克曼梁弯沉试验数据表3 测点回弹弯沉(0.01mm) di=Li-L(mm) di/r01 177 5 0.322 151 -21 -1.343 193 21 1.344 159 -13 -0.835 1786 0.386 144 -28 -1.787 152 -20 -1.278 158 -14 -0.899 198 26 1.6510 171 -1 -0.0611 147 -25 -1.5912 215 43 2.7313 207 35 2.2314 158 -14 -0.892.2计算全部测定值得算术平均值、单次测量的标准差和自然误差式中:——回弹弯沉的平均值(0.01mm)——回弹弯沉测定值的标准差(0.01mm)回弹弯沉测定值的自然误差(0.01mm)各测点的回弹弯沉值(0.01mm)测点总数2.3计算各测点的测定值与算术平均值的偏差值,并计算较大的偏差值与自然误差值之比,计算值如表3所示,由表可知:,故所有测点数据均有效。
土的回弹模量计算道路工程TPMK standardization office【 TPMK5AB- TPMK08- TPMK2C- TPMK18】土的回弹模量计算根据《公路路基路面现场测试规程》(JTG E60-2008),现计算土的回弹模量如下:1、承载板法测定土的回弹模量计算资料见表1:承载板试验数据表1路基土类为粘性土,泊松比为0.35承载板试验(MPa)回弹变形(0.01mm)0.02 150.04 310.06 420.08 560.10 770.15 1160.20 1710.25 1620.30 205根据表中数据,舍去回弹变形大于1mm的数据,绘出p-L曲线如图1所示:图1 承载板实验荷载-变形曲线根据规范,由于曲线起始部分出现反弯,故应进行原点修正,并进行直线拟合,如图2所示:图2 原点修正图由图2读的各级荷载作用下图的回弹变形值如表2所示:各级荷载对应的土的回弹变形值表2 p i0.02 0.04 0.06 0.08 0.10 L i17 31 43 58 73由公式E0=πD4(1−μ02)∑p i∑L i计算得:E0=π×3004×(1−0.352)×(0.02+0.04+0.06+0.08+0.10)(17+31+43+58+73)×10−2=27.93(MPa)式中:E0——土基回弹模量D——刚性承载板直径,规定为30cmμ0——土基泊松比,取为0.35∑p i——回弹变形小于1mm的各级荷载单位压力总和∑L i——各级荷载单位压力作用下,回弹变形小于1mm的回弹变形总和2、贝克曼梁弯沉试验法测定土的回弹模量2.1计算资料见表3:贝克曼梁弯沉试验数据表32.2计算全部测定值得算术平均值L̅、单次测量的标准差S0和自然误差r0L̅=∑L iN=172S0=√∑(L i−L̅)2N−1=23.31r0=0.675S0=0.675×23.31=15.73式中:L̅——回弹弯沉的平均值(0.01mm)S0——回弹弯沉测定值的标准差(0.01mm)r0——回弹弯沉测定值的自然误差(0.01mm)L i——各测点的回弹弯沉值(0.01mm)N——测点总数2.3计算各测点的测定值与算术平均值的偏差值d i=L i−L̅,并计算较大的偏差值与自然误差值之比d ir0⁄,计算值如表3所示,由表可知:max(d i r⁄)=2.73<3.2,故所有测点数据均有效。
道路路床回弹模量计算公式道路路床回弹模量是评价道路路基材料抗变形能力的重要指标之一。
它是指在一定试验条件下,用回弹式动力触探仪测得的路基材料的回弹值,通过回弹值与试验条件的关系,计算出路基材料的回弹模量。
回弹模量的大小直接影响着路基材料的变形性能和承载能力,因此对于道路工程设计和施工来说具有重要的意义。
回弹模量计算公式是通过试验数据和理论分析得出的,它是根据路基材料的物理性质和试验条件来确定的。
一般来说,回弹模量计算公式包括材料参数、试验条件和回弹值之间的关系,通过这些参数的相互作用,可以准确地计算出路基材料的回弹模量。
在道路工程中,回弹模量的计算公式通常采用以下形式:E = K × (h/D)^n。
其中,E为回弹模量,单位为兆帕(MPa);K为材料参数,与路基材料的类型和性质有关;h为试验荷载的压实深度,单位为毫米(mm);D为试验荷载的直径,单位为毫米(mm);n为试验条件参数,与试验设备和试验方法有关。
在这个公式中,材料参数K是反映路基材料抗变形能力的重要参数之一,它与路基材料的类型、密实度、含水量等因素密切相关。
一般来说,K值越大,表示路基材料的抗变形能力越强;反之,K值越小,表示路基材料的抗变形能力越弱。
因此,在设计和施工中,需要根据路基材料的实际情况来确定K值,以保证路基材料的变形性能和承载能力。
试验荷载的压实深度h和直径D是影响回弹模量的重要试验条件参数。
一般来说,试验荷载的压实深度越大,回弹模量越小;试验荷载的直径越大,回弹模量也越小。
因此,在进行回弹模量试验时,需要合理选择试验荷载的压实深度和直径,以保证试验结果的准确性和可靠性。
除了上述计算公式外,还有一些修正公式用于修正回弹模量的计算结果。
这些修正公式通常是根据试验数据和理论分析得出的,用于考虑一些特殊情况下的影响因素,如试验条件的变化、路基材料的特殊性质等。
通过这些修正公式,可以更准确地计算出路基材料的回弹模量,为道路工程设计和施工提供更可靠的依据。
路基回弹模量计算什么是路基回弹模量:回弹模量是指路基,路面及筑路材料在荷载作用下产生的应力与其相应的回弹应变的比值,土基回弹模量表示土基在弹性变形阶段内,在垂直荷载作用下,抵抗竖向变形的能力,如果垂直荷载为定值,土基回弹模量值愈大则产生的垂直位移就愈小;如果竖向位移是定值,回弹模量值愈大,则土基承受外荷载作用的能力就愈大,因此,路面设计中采用回弹模量作为土基抗压强度的指标。
路基回弹模量计算方式:(1)用千斤顶开始加载,注视测力环或压力表,至预压0.05MPa,稳压1min,使承载板与土基紧密接触,同时检查百分表的工作情况是否正常,然后放松千斤顶油门卸载,稳压1min,将指针对零或记录初始读数。
(2)测定土基的压力--变形曲线。
用千斤顶加载采用逐级加载卸载法,用压力表或测力环控制加载量,荷载小于0.1MPa时,每级增加0.02MPa,以后每级增加0.04MPa左右。
为了使加载和计算方便,加载数值可适当调整为整数。
每次加载至预定荷载后,稳定1min,立即读记两台弯沉仪百分表数值,然后轻轻放开千斤顶油门卸载至0,待卸载稳定1min 后,再次读数,每次卸载后百分表不再对零。
当两台弯沉仪百分表读数之差小于平均值的30%时,取平均值。
如超过30%,则应重测。
当回弹变形值超过1mm时,即可停止加载。
(3)各级荷载的回弹变形和总变形,按以下方法计算:回弹变形L=(加载后读数平均值一卸载后读数平均值)×弯沉仪杠杆比总变形L”=(加载后读数平均值一加载初始前读数平均值)×弯沉仪杠杆比(4)测定汽车总影响量a。
最后一次加载卸载循环结束后,取走千斤顶,重新读取百分表初读数,然后将汽车开出10m以外,读取终值数,两只百分表的初、终读数差之平均值即为总影响量。
(5)在试验点下取样,测定材料含水量。
取样数量如下:最大粒径不大于4.75mm,试样数量约120g;最大粒径不大于19mm,试样数量约250g;最大粒径不大于31.5mm,试样数量约500g.(6)在紧靠试验点旁边的适当位置,用灌砂法或环刀法及其他方法测定土基的密度。
回弹模量计算公式回弹模量,又称为弹性模量或Young's Modulus,是材料在受力后回复到原始形状的能力的度量。
它代表了材料的刚度和弹性特性,是评估材料在弹性变形中的表现的重要指标。
回弹模量的计算公式取决于材料的形状和应力的方向。
回弹模量的计算可以根据应力与应变的关系进行。
在弹性变形下,应力和应变的关系遵循胡克定律:应力(σ)等于材料的弹性模量(E)乘以应变(ε),即σ=Eε。
其中,应变是指材料在受到力作用时发生的相对变形。
回弹模量的计算公式如下:E=(1+e)*(1-2v)/e其中,E表示回弹模量,e表示侧向收缩系数,v表示泊松比。
对于材料的大部分工程应用,可以忽略侧向收缩系数e,即e≈0。
在此情况下,回弹模量的计算公式简化为:E=2*(1+v)*σ/ε其中,σ表示应力,ε表示应变,v表示泊松比。
泊松比(Poison's Ratio)是为了描述材料在沿一个方向受拉伸时在另一个方向上收缩的变形程度而引入的一个参数。
泊松比是一个无量纲数,其计算公式为:v=-ε横/ε纵其中,ε横表示材料在垂直于拉伸方向的纵向应变,ε纵表示材料在拉伸方向的纵向应变。
回弹模量常用于描述金属材料的力学性能,可以通过各种实验方法进行测量,如拉伸试验、弯曲试验和压缩试验等。
实际应用中,通常使用标准试样进行实验,并测量在不同应力下的应变,据此可以计算出回弹模量。
需要注意的是,回弹模量是一个各向同性的材料性质。
在计算中需要考虑材料的各向异性对结果的影响。
对于非各向同性材料,需要根据不同的应力方向和应变方向使用相应的计算公式。
土的回弹模量计算之巴公井开创作根据《公路路基路面现场测试规程》(JTG E60),现计算土的回弹模量如下:1、承载板法测定土的回弹模量计算资料见表1:承载板试验数据表1根据表中数据,舍去回弹变形年夜于1mm的数据,绘出pL曲线如图1所示:图1 承载板实验荷载变形曲线根据规范,由于曲线起始部份呈现反弯,故应进行原点修正,并进行直线拟合,如图2所示:图2 原点修正图由图2读的各级荷载作用下图的回弹变形值如表2所示:各级荷载对应的土的回弹变形值表217 31 43 58 73由公式计算得:式中:土基回弹模量刚性承载板直径,规定为30cm回弹变形小于1mm的各级荷载单元压力总和各级荷载单元压力作用下,回弹变形小于1mm的回弹变形总和2、贝克曼梁弯沉试验法测定土的回弹模量2.1计算资料见表3:贝克曼梁弯沉试验数据表3测点回弹弯沉(0.01mm)di=LiL(mm)di/r0117750.32215121 1.34319321 1.344159130.83517860.38614428 1.78715220 1.278158140.89919826 1.651017110.061114725 1.591221543 2.731320735 2.2314158140.89、单次丈量的标准差和自然误差式中:——回弹弯沉的平均值(0.01mm)——回弹弯沉测定值的标准差(0.01mm)回弹弯沉测定值的自然误差(0.01mm)各测点的回弹弯沉值(0.01mm)测点总数,并计算较年夜的偏差值与自然误差值之比,计算值如表3所示,由表可知:,故所有测点数据均有效.式中:计算代表弯沉式中:土的回弹模量测定车轮的平均垂直荷载(MPa)测定用标准车双圆荷载单轮传压面当量圆的半径(cm)测定层资料的泊松比时间:二O二一年七月二十九日。
土基回弹模量参考值
欧阳引擎(2021.01.01)
表F.1 路基临界高度参考值
续上表
续上表
欧阳引擎创编 2021.01.01
续上表
欧阳引擎创编 2021.01.01
续上表
欧阳引擎创编 2021.01.01
续上表
注:①表中H1、H2、H3—分别为路基干燥、中湿、潮湿状态的临界高度;路床面至地下水位高度小于H3时为过湿路基,须经处治后方能铺筑路面;②Ⅵ,Ⅶ区有横线者,表示实测资料较
欧阳引擎创编 2021.01.01
少,有括号者表示没有实测资料,根据规律推算的;③Ⅲ2,Ⅲ3,Ⅵ2,Ⅶ3资料系甘肃省1984年所提建议值,其他地区供参考;④缺少资料的二级区可论证地参考相邻二级区数值,并应积极调研积累本地区的资料。
欧阳引擎创编 2021.01.01
表F.2 二级自然区划各土组土基回弹模量参考值(MPa)
欧阳引擎创编 2021.01.01
欧阳引擎创编 2021.01.01
欧阳引擎创编 2021.01.01。
GBJ97-87水泥混凝土路面施工及验收规范主编部门:中华人民共和国交通部批准部门:中华人民共和国国家诸委员会施行日期:1 9 8 7 年 10 月 1日关于发布《水泥混凝土路面施工及验收规范》的通知计标〔1987〕226号根据原国家建委(81)建发设字第546号文的通知。
由交通部会同有关部门共同制订的《水泥混凝土路面施工及验收规范》,已经有关部门会审。
现批准《水泥混凝土路面施工及验收规范》GBJ97-87为国家标准,自一九八七年十月一日起施行。
本标准由交通部管理,其具体解释等工作,由浙江省交通厅负责。
出版发行由我委基本建设标准定额研究所负责组织。
国家计算委员会一九八七年二月九日编制说明本规范是根据原国家建委〔81〕建发设字546号文通知,由浙江省交通厅负责主编,并会同广东省交通厅等十四个单位共同编制而成的。
本规范在编制过程中,进行了比较广泛的调查研究,总结了建国以来修筑水泥混凝土路面的经验,吸取了有关科研成果,并广泛征求全国各有关单位的意见,多次召开专题讨论会,经反复讨论修改,最后会同有关部门共同审查定稿。
本规范共分六章十一节和八个附录,主要内容有总则,施工准备,基层与垫层,水泥混凝土板施工,水泥混凝土路面质量检查和竣工验收,安全生产等。
本规范是首次编制,请各单位在执行过程中,注意积累资料,总结经验。
如发现需要修改和补充之处,请将意见和有关资料寄交浙江省交通厅(杭州梅花碑),以便今后修订时参考。
中华人民共和国交通部一九八七年二月主要符合σ3--混凝土计算抗折强度(MPa);σc--混凝土圆柱劈裂强度(MPa);σb--混凝土小梁抗折强度(MPa);C--混凝土试件抗压强度(MPa);Ce--水泥标号(抗压强度)(MPa);Coe--水泥实际抗压强度(MPa);Kc--水泥标号富余系数;C/W--混凝土灰水比;Ct--混凝土试配强度;σ--混凝土强度均方差;Et--基层顶面当量回弹模量(MPa);Es--基层顶面计算回弹模量(MPa);Eo--土基的回弹模量(MPa);lo--黄河JN-150汽车测得的计算回弹弯沉值(MM);P--试件破坏最大荷载(N);A--试件受压面积(cm2)。
路皋路而②禅參沉佃的讨愆一、公路回弹弯沉值的作用(-)欖述路基路面H1弹弯沉的设廿廿算与检测,是公路建设过程中必不可少的一部份,是勘察设廿、施工监理和检測单位都要进行的-fI作事顶。
首先由设廿单位设廿岀弯沉值,再由施工单位去执行施工自检,然后由监理、检测部门抽检鉴定,实现设廿意图。
在当前的规范规定中,《公路沥青路面设廿规范》JTJ 014-97 规定了路面顶层的设廿弯沉廿算公式和方法,但没有提出路基、路面基层的弯沉廿算方;在《公路工程质量检验评定标准》JTJ 071-98中只提出要求检测路面顶层和土质路基回弹弯沉,没有提岀检测路面基层弯沉的检渭顶;在《公路路面基层施工技术规范》JTJ 034-2000中则补充规定了路基、路面基层的相应回弹弯沉的廿算检测标准。
因此,对于很多工程技术人员来说,如果不同时熟悉上述三种规范,就容易混淆回弹弯沉的原意,造成錯误汰识,甚至做出錯误的数据和结果。
经笔者近年实师使用和研究发现,相当一部份勘察设廿、施工监理和检测单位部存在类做问题。
为帮助基层工程技术人员很好地撑握回弹弯沉在公路工程建设中的应用,本人在前辈及同行的肩背上,略作虫抄习发挥,特写此文,以示对本行作点贡献在阅读本文之前,请备好以下标准和规范:1、《公路工程技术标准》(2003)2、《公路沥青路面设廿规范》JTJ 014-973、《公路路面基层施:[技术规范》JTJ 034-20004、《公路工程质量检验评定标准》JTJ 071-98(二)弯沉的作用公路工程回弹弯沉分为容许弯沉、设廿弯沉和廿算弯沉。
容许弯沉容弁弯沉是合格路面在正常使用期未不利季节,路面处于临界破坏壮态时出现的最大回弹弯沉,是UiSit弯沉经过路面强度不斷衰减的一个变化值。
理论上是一个最低值。
廿算公式是LR = 720N *AC*AS。
《公路沥青路面设廿规范》JTJ 014-97 119页设廿弯沉设廿弯沉值即路面设廿控制弯沉值。
是路面竣工后第一年不利季节,路面在标准轴载作用下,所测得的最大回弾弯沉值,理论上是路面使用周期中的最小弯沉值。
土的回弹模量计算根据《公路路基路面现场测试规程》(JTG E60),现计算土的回弹模量如下:1、承载板法测定土的回弹模量计算资料见表1:承载板试验数据表1根据表中数据,舍去回弹变形大于1mm的数据,绘出pL曲线如图1所示:图1 承载板实验荷载变形曲线根据规范,由于曲线起始部分出现反弯,故应进行原点修正,并进行直线拟合,如图2所示:图2 原点修正图由图2读的各级荷载作用下图的回弹变形值如表2所示:各级荷载对应的土的回弹变形值表20.02 0.04 0.06 0.08 0.1017 31 43 58 73 由公式计算得:式中:土基回弹模量刚性承载板直径,规定为30cm土基泊松比,取为0.35回弹变形小于1mm的各级荷载单位压力总和各级荷载单位压力作用下,回弹变形小于1mm 的回弹变形总和2、贝克曼梁弯沉试验法测定土的回弹模量2.1计算资料见表3:贝克曼梁弯沉试验数据表3测点回弹弯沉(0.01mm)di=LiL(mm)di/r0117750.32215121 1.34319321 1.344159130.83517860.38614428 1.78715220 1.278158140.89919826 1.651017110.061114725 1.591221543 2.731320735 2.2314158140.892.2计算全部测定值得算术平均值、单次测量的标准差和自然误差式中:——回弹弯沉的平均值(0.01mm)——回弹弯沉测定值的标准差(0.01mm)回弹弯沉测定值的自然误差(0.01mm)各测点的回弹弯沉值(0.01mm)测点总数2.3计算各测点的测定值与算术平均值的偏差值,并计算较大的偏差值与自然误差值之比,计算值如表3所示,由表可知:,故所有测点数据均有效。
2.4计算弯沉代表式中:计算代表弯沉2.5计算回弹模量式中:土的回弹模量测定车轮的平均垂直荷载(MPa)测定用标准车双圆荷载单轮传压面当量圆的半径(cm)测定层材料的泊松比弯沉系数,为0.712时间2021.03.10 创作:欧阳治。
土的回弹模量盘算依据《公路路基路面现场测试规程》(JTG E60),现盘算土的回弹模量如下:1、承载板法测定土的回弹模量盘算材料见表1:承载板实验数据表1依据表中数据,舍去回弹变形大于1mm的数据,绘出pL曲线如图1所示:图1 承载板实验荷载变形曲线依据规范,因为曲线肇端部分消失反弯,故应进行原点修改,并进行直线拟合,如图2所示:图2 原点修改图由图2读的各级荷载感化下图的回弹变形值如表2所示:各级荷载对应的土的回弹变形值表217 31 43 58 73由公式盘算得:式中:土基回弹模量刚性承载板直径,划定为30cm回弹变形小于1mm的各级荷载单位压力总和各级荷载单位压力感化下,回弹变形小于1mm的回弹变形总和2、贝克曼梁弯沉实验法测定土的回弹模量2.1盘算材料见表3:贝克曼梁弯沉实验数据表3测点回弹弯沉(0.01mm)di=LiL(mm)di/r0117750.32215121 1.34319321 1.344159130.83517860.38614428 1.78715220 1.278158140.89919826 1.651017110.061114725 1.591221543 2.731320735 2.2314158140.89.单次测量的尺度差和天然误差式中:——回弹弯沉的平均值(0.01mm)——回弹弯沉测定值的尺度差(0.01mm)回弹弯沉测定值的天然误差(0.01mm)各测点的回弹弯沉值(0.01mm)测点总数,并盘算较大的误差值与天然误差值之比,盘算值如表3所示,由表可知:,故所有测点数据均有用.式中:盘算代表弯沉式中:土的回弹模量测定车轮的平均垂直荷载(MPa)测定用尺度车双圆荷载单轮传压面当量圆的半径(cm)测定层材料的泊松比。
混凝土回弹仪回弹值的计算
究竟什么是回弹仪呢?回弹仪简单易用,仪器用弹簧对重锤加力,当弹簧释放时,冲击杆以恒定的能量撞击测试表面。
当重锤受冲击弹回时,滑块回弹至最高处,同时通过标尺测出重锤被反弹回来的距离。
以回弹值(反弹距离与弹簧初始长度之比)作为与强度相关的指标,来推定混凝土强度。
而混凝土回弹仪是用以测试混凝土的抗压强度,它是现场检测用的最广泛的混凝土抗压强度无损检测仪器。
可以说混凝土回弹仪的使用是获取混凝土质量和强度的最简单、最快速和最经济的测试方法。
下面我们来了解一下混凝土回弹仪回弹值的计算方法。
混凝土回弹仪回弹值的计算方法
1、计算测区平均回弹值,应从该测区的16个回弹值中剔除3个最大值和3个最小值,余下的10个回
弹值按下式计算:10式中Rm—测区平均回弹值,精确至0.1;Ri—第i个测点的回弹值。
2、非水平方向时按下式修正:RmRi110iRmRmRa式中Rm—非水平检测时测区的平均回弹值,精确至0.1;Ra—非水平状态检测时的回弹修正值,按附表查询。
3、水平方向检测混凝土浇筑顶面或底面时按下式修正:ttRmRmRabbRmRmRatb式中Rm、Rm—水平方向检测混凝土浇筑表面、底面时的测区回弹值平均值;bRat、Ra—混凝土浇筑表面、底面回弹值的修正值,按附表查询。
4、当检测时回弹仪既非水平状态有非混凝土的浇筑侧面时,应先修正角度,再修正浇筑面。
上述的内容就是混凝土回弹仪回弹值的计算方法,此外,需要注意的是:混凝土回弹仪在检测时,回弹仪的轴线应始终垂直于结构或构件的检测面,缓慢施压,准确度数,快速复位。
时间2021.03.10 创作:欧阳治。
土的回弹模量计算
欧阳家百(2021.03.07)
根据《公路路基路面现场测试规程》(JTG E60),现计算土的回弹模量如下:
1、承载板法测定土的回弹模量
计算资料见表1:
承载板试验数据
表1
根据表中数据,舍去回弹变形大于1mm的数据,绘出pL曲线如图1所示:
图1 承载板实验荷载变形曲线
根据规范,由于曲线起始部分出现反弯,故应进行原点修正,并进行直线拟合,如图2所示:
图2 原点修正图
由图2读的各级荷载作用下图的回弹变形值如表2所示:
各级荷载对应的土的回弹变形值表2
0.02 0.04 0.06 0.08 0.10
17 31 43 58 73
由公式
计算得:
式中:土基回弹模量
刚性承载板直径,规定为30cm
土基泊松比,取为0.35
回弹变形小于1mm的各级荷载单位压力总和
各级荷载单位压力作用下,回弹变形小于1mm的回弹变形总和
2、贝克曼梁弯沉试验法测定土的回弹模量
2.1计算资料见表3:
贝克曼梁弯沉试验数据表3
测点回弹弯沉(0.01mm)di=LiL(mm)di/r0
117750.32
215121 1.34
319321 1.34
4159130.83
517860.38
614428 1.78
715220 1.27
8158140.89
919826 1.65
1017110.06
1114725 1.59
1221543 2.73
1320735 2.23
14158140.89
2.2计算全部测定值得算术平均值、单次测量的标准差和自然误差
式中:——回弹弯沉的平均值(0.01mm)
——回弹弯沉测定值的标准差(0.01mm)
回弹弯沉测定值的自然误差(0.01mm)
各测点的回弹弯沉值(0.01mm)
测点总数
2.3计算各测点的测定值与算术平均值的偏差值,并计算较大的偏差值与自然误差值之比,计算值如表3所示,由表可
知:,故所有测点数据均有效。
2.4计算弯沉代表
式中:计算代表弯沉
2.5计算回弹模量
式中:土的回弹模量
测定车轮的平均垂直荷载(MPa)
测定用标准车双圆荷载单轮传压面当量圆的半径(cm)
测定层材料的泊松比
弯沉系数,为0.712。