污泥浓缩池设计图
- 格式:pdf
- 大小:1.39 MB
- 文档页数:6
《水污染控制工程》课程设计学院:专业:XX:学号:指导老师:目录引言41设计任务及设计资料5 1.1设计任务与内容51.2设计原始资料51.2.1城市气象资料51.2.2地质资料51.2.3设计规模51.2.4进出水水质62、设计说明书6 2.1去除率的计算62.1.1溶解性BOD的去除率65的去除率:72.1.2 CODr2.1.3.SS的去除率:72.1.4.总氮的去除率:72.1.5.磷酸盐的去除率82.2城市污水处理工艺选择82.3、污水厂总平面图的布置92.4、处理构筑物设计流量(二级)92.5、污水处理构筑物设计92.5.1.中格栅和提升泵房(两者合建在一起)9 2.5.2、沉沙池102.5.3、厌氧池112.5.4、缺氧池112.5.5、好氧曝气池112.5.6、二沉池122.6、污泥处理构筑物的设计计算122.6.1污泥泵房122.6.2污泥浓缩池122.7、污水厂平面,高程布置132.7.1平面布置132.7.2管线布置132.7.3 高程布置143 污水厂设计计算书14 3.1污水处理构筑物设计计算143.1.1泵前中格栅143.1.2污水提升泵房163.1.3、泵后细格栅173.1.3、沉砂池183.1.4、厌氧池203.1.5、缺氧池计算203.1.6、好氧曝气池的设计计算213.1.8、二沉池283.2 污泥处理部分构筑物计算313.2.1污泥浓缩池设计计算:313.3、高程计算363.3.1污水处理部分高程计算:363.3.2高程图见CAD图363.3.3污水处理厂工艺流程图与总平面布置图36参考文献37XX市污水处理厂A/A/O工艺设计作者:闫赛红,指导教师:孙丰霞(XX农业大学资源与环境学院)【摘要】随着社会进步,人们对于城市污水的处理的要求愈加严格。
除了基本的去除污水中BOD和SS的要求外,通常还要求脱氮除磷,以保护水体环境。
本设计即采用了众多脱氮除磷工艺中较为经济合理的AAO工艺对进入污水厂的污水进行处理。
污水厂设计计算书第一章 污水处理构筑物设计计算一、粗格栅1.设计流量Q=20000m 3/d ,选取流量系数K z =则: 最大流量Q max =×20000m 3/d=30000m 3/d =0.347m 3/s2.栅条的间隙数(n )设:栅前水深h=0.4m,过栅流速v=0.9m/s,格栅条间隙宽度b=0.02m,格栅倾角α=60° 则:栅条间隙数85.449.04.002.060sin 347.0sin 21=⨯⨯︒==bhv Q n α(取n=45)3.栅槽宽度(B)设:栅条宽度s=0.01m则:B=s (n-1)+bn=×(45-1)+×45=1.34m 4.进水渠道渐宽部分长度设:进水渠宽B 1=0.90m,其渐宽部分展开角α1=20°(进水渠道前的流速为0.6m/s ) 则:m B B L 60.020tan 290.034.1tan 2111=︒-=-=α5.栅槽与出水渠道连接处的渐窄部分长度(L 2)m L L 30.0260.0212===6.过格栅的水头损失(h 1)设:栅条断面为矩形断面,所以k 取3则:m g v k kh h 102.060sin 81.929.0)02.001.0(4.23sin 2234201=︒⨯⨯⨯⨯===αε其中ε=β(s/b )4/3k —格栅受污物堵塞时水头损失增大倍数,一般为3 h 0--计算水头损失,mε--阻力系数,与栅条断面形状有关,当为矩形断面时形状系数β=将β值代入β与ε关系式即可得到阻力系数ε的值7.栅后槽总高度(H)设:栅前渠道超高h 2=0.3m 则:栅前槽总高度H 1=h+h 2=+=0.7m 栅后槽总高度H=h+h 1+h 2=++=0.802m 8.格栅总长度(L)L=L 1+L 2+++ H 1/tan α=++++tan60°= 9. 每日栅渣量(W)设:单位栅渣量W 1=0.05m 3栅渣/103m 3污水则:W=Q W 1=05.0105.130000100031max ⨯⨯=⨯⨯-Z K W Q =1.0m 3/d 因为W>0.2 m 3/d,所以宜采用机械格栅清渣 10.计算草图:α1αα图1-1 粗格栅计算草图二、集水池设计集水池的有效水深为6m,根据设计规范,集水池的容积应大于污水泵5 min的出水量,即:V>0.347m3/s×5×60=104.1m3,可将其设计为矩形,其尺寸为3 m×5m,池高为7m,则池容为105m3。
3.污泥干化场设计3.1 设计参数3.1.1 干化池四周用砖石、混凝土筑成高0.8-1.0m ,顶宽0.3m 围堤。
干化池泥管采用铸铁管或UPVC 管,坡向干化池,管内流速大于0.75m/s 。
3.1.2 干化池底设防渗层(为了防止渗出液污染地下水),用粘土(厚0.2-0.4 m ,夯实)、三和土(厚0.15-0.3m )、混凝土(厚0.1-0.15m )或其他防渗材料做,坡度取0.01-0.03 。
如果污泥干化池设在调节池上则无须设防渗层,因为渗出液正好回调节池。
3.1.3 防渗层上设排水层,以接纳下渗的污水并迅速排走以达到好的干化效果。
其排水层高度通常取100cm 。
其间用混凝土支墩将滤水层支撑住。
3.1.4 防渗层和排水层上设滤水层,一般分为三层:下层为厚100mm 的中间有许多孔洞的混凝土滤板,中间层为30 目的尼龙网,上层为厚300mm 粒径8-12 毫米的石英砂。
3.1.5 每次放泥厚度0.4-0.6m ,污泥含水率由99 %逐渐降至65 %-70%。
干化周期大致是春季为10 天,夏季4 天,秋季7 天,冬季8 天左右。
3.1.6 污泥干化池面积计算采用单位干化池面积可接纳污泥量或干固体量。
设两个干化池间歇使用。
干化池面积根据理论公式公及多年工程实践得出经验公式:Fs= (0.8-1.1 ) Q ,式中Q 为废水量,即电镀废水水量为1 m 3 /h 对应的干化池面积为0. 8-1.1m 2 。
3.2 为了即时将干化池中的水排走,每间隔1 米设DN65 的导流排水管,其上开许多小孔。
3.3 污泥干化池上设PVC 雨棚。
污泥干化池示意图如下:4 结论:4.1 自动化程度高,节约能源,可基本实现离人操作,污泥自动排入污泥干化池,而不需人为干预,只是将干化后的污泥运走即可4.2 投资省,不涉及设备保养及维修,因此也不会因为污泥处理不正常而导致整个废水处理站运行不正常;4.3 与机械脱水相比,其具有运行费用低,不需加药剂,不需再设污泥浓缩池及不需反冲洗等优点;4.4 采用了新式设计,在池底设了 300mm 厚的石英砂层及在干化池中加了很多导流排水管,干化效率高,而占地面积与采用机械脱水方式相差不多。
攀枝花攀甬浓缩池施工方案编制:审核:批准:目录1、编制说明2、编制依据3、工程概况4、工程实物量5、施工技术方案6、施工质量保证措施7、安全保证措施8、施工机具及手段用料一、编制说明本技术措施详细叙述了“钨精矿浓缩池、中矿浓缩池、钨细泥浓缩池、尾矿浓缩池”施工方案,以指导本工程施工。
二、编制依据:1、陕西城安矿业发展有限公司镇安钨矿1000T/d选厂工程总平面布置图。
2、“钨精矿浓缩池、中矿浓缩池、钨细泥浓缩池、尾矿浓缩池”施工图3、现行图家规范标准:(1)、《建筑工程施工质量验收统一标准》(GB 50300—2001)(2)、《建筑地基基础工程施工质量验收规范》(GB 50202—2002)(3)、《混凝土结构工程施工质量验收规范》(GBJ50204—2002)(4)、《工程测量规范》GB 8076—97(5)、《钢筋焊接及验收规范》JG 18—96(6)、《地下工程防水技术规范》GB50108-20084、施工组织设计三、工程概况:中矿浓缩池直径18m、钨细泥浓缩池直径24m、尾矿浓缩池直径24m、钨精矿浓缩池直径12m。
池底板下做100mm厚C15混凝土垫层。
地基处理为整片垫层法,素混凝土垫层下做50mm厚砂砾石垫层,每边宽出基础边缘0.5m。
拟建场地地坪绝对标高±0.00为1073.5,设计池底标高为1063.5,其基坑在自然地坪向下挖深10.0米。
四、工程实物量:土方开挖:15000m3钢筋:吨C15混凝土:300 m3C20混凝土:m3砾石垫层:150 m3五、施工技术方案:1、施工程序:定位放线土方开挖地基处理混凝土垫层池底及池壁钢筋绑扎池壁模板安装池底及池壁混凝土浇筑池底及池壁混凝土养护池壁模板拆除试水试验内外抹灰基坑回填土池顶模板安装池顶钢筋绑扎池顶混凝土浇筑池顶混凝土养护交工验收2、土方开挖根据图纸设计及施工规范要求按1:1.2进行放坡,并在基坑北面修筑一条材料运输通道按1:1.5进行放坡,保证底边宽度为4米。
《排⽔⼯程》第71讲:污⽔⼚污泥浓缩脱⽔相关计算【《排⽔⼯程》第71讲】重要指数:★★★★上⼀节主要讲解污泥处理的技术路线与⽅案选择以及污泥运输等内容,详见污泥运输的4种⽅式,都分别需要注意些什么?你都会了吗。
本节主要讲解污泥浓缩部分内容。
01 污泥所含⽔分分类污泥浓缩的含义就是把含⽔率⾼的污⽔中的空隙⽔份脱除出来,以此达到减少污泥体积的⽬的。
对于污泥中的⽔份分类,主要有以下四种:空隙⽔、⽑细⽔、吸附⽔和内部⽔,每⼀种⽔份的占⽐及适合应⽤什么⼯艺脱除,分别见如下分析。
1.空隙⽔:占⽐达到65%~85%,是污泥浓缩阶段主要脱除的⽬标;2.⽑细⽔:占⽐达到10%~25%,可以采⽤⾃然⼲化和机械脱⽔脱除;3.吸附⽔+内部⽔:这两部分⽔份占⽐仅有10%,可以通过⼲燥和焚烧⼯艺脱除⼀部分,完全脱除⾮常困难。
污泥⽔份⽰意图不同浓缩⼯艺的污泥浓缩能耗⽐较▲间歇式污泥浓缩池4.有效⽔深宜为4m;5.采⽤栅条浓缩机时,其外缘线速度⼀般宜为1~2m/min,池底坡向泥⽃的坡度不宜⼩于0.05。
对于⼆沉池的设计来说,⼀种⽅法是固体负荷法,⼀种⽅法是表⾯⽔⼒负荷法,之前讲解的⽣物反应池后⾯的⼆沉池来说,⽤表⾯⽔⼒负荷法设计,⽤固体通量法校核,⽽对于污泥浓缩池来说,应⽤固体通量法设计,⽤表⾯⽔⼒负荷法校核,这两者有着这样的区别。
重⼒浓缩池总⾯积⽤以下公式计算:▲秘五公式17-21·A——重⼒浓缩池总⾯积,m2;·Q——湿污泥量,m3/d;·C——污泥固体浓度,g/L,C=1000×(1-Pw);·Pw——污泥含⽔率;·M——浓缩池污泥固体通量,kg/(m2▪d)。
浓缩后的污泥量按如下公式计算:▲秘五公式17-26·V2——浓缩后污泥量,m3/d;·Q——原污泥量,m3/d;·P1——进泥含⽔率;·P2——出泥含⽔率。
04 ⽓浮浓缩⽓浮浓缩适合于处理易于上浮的疏⽔性污泥,或悬浮液很难沉降且易于凝聚的场合。
浮动槽排泥浓缩池工艺设计说明一、简述及工作原理浮动槽排泥浓缩池为调节浓缩一体化池型,该池型是中心进水、周边出水的辐流式调节浓缩池。
浮动槽浮在液面上可上下移动收集上清液,使上清液连续均匀出流,底泥经排泥池内的刮泥机浓缩收集;同时浮动槽排泥池的池容满足沉淀池排泥水调节容积的要求。
浮动槽系统见图1-8-4。
该池型目前应用在国内的水厂有北京市第九水厂,水厂规模为1.5×10°m³/d,采用浮动槽排泥池3座,单池平面尺寸24m×24m;北京市田村山水厂,水厂规模3.4×10°m²/d,采用浮动槽排泥池2 座,单池平面尺寸18m×18m;深圳笔架山水厂,水厂规模5.2×10°m³/d,采用浮动槽排泥池2 座,单池平面尺寸18m×18m。
二、主要组成及结构特点浮动槽排泥池包括进水系统、上清液收集系统(浮动槽系统)、溢流系统、排泥系统四部分组成。
1)进水系统排泥水由排泥池底部中央的进水管进入,经导流筒沿径向以逐渐变慢的速度流向周边。
进泥管按最大进泥量确定管径。
2)上清液收集系统(浮动槽系统)上清液收集系统包括排泥池内的浮动槽和虹吸系统的浮动槽系统以及排泥池外的集水池和上清液泵上清液排放系统两部分。
①浮动槽。
浮动槽由浮动箱、集水槽组成。
浮动槽位于池半径的(0.75~0.8)R处收集上清液。
浮动槽上下浮动幅度一般采用1.5m。
排泥池上清液通过浮动槽底开孔进入进水槽内。
集水槽断面采用"凹"形断面,槽内流速一般在控制在0.4~0.6m/s,超高采用0.2m。
集水槽底部开孔孔口直径采用10~20mm,过孔水头损失取0.05~0.07m。
②虹吸系统。
虹吸系统包括虹吸管、阀门、水射器及导向柱等。
集水槽内的上清液通过池子四角的虹吸管,被吸入四个导向柱中。
虹吸排水系统为倒U形结构,安装在浮动槽四角的法兰支座上,与浮动槽一起浮动,出水管上设有阀门、水射器及水封装置。
本设计污水处理厂综合设计包括15个图纸,十分全面,具体详见报告后附图。
本报告附图全面详细。
图纸内容如下:A2O池,初沉池,幅流式二沉池,隔栅,工艺简单图,工艺流程图(高程图),回转耙式格栅除污机图,平面布置图,污泥浓缩池,厌氧消化池,钟式沉砂池等。
全为CAD制图。
下载后复制放大或打印可看清!题目20000m3/d城市污水处理厂综合设计专业: 环境工程年级: 2005级学号: 3105001286姓名: 莫笑伟指导教师:2008年12 月摘要我国水体污染主要来自两方面,一是工业发展超标排放工业废水,二是城市化中由于城市污水排放和集中处理设施严重缺乏,大量生活污水未经处理直接进入水体造成环境污染。
工业废水近年来经过治理虽有所减少,但城市生活污水有增无减,占水质污染的51%以上。
我国水体污染主要来自两方面,一是工业发展超标排放工业废水,二是城市化中由于城市污水排放和集中处理设施严重缺乏,大量生活污水未经处理直接进入水体造成环境污染。
工业废水近年来经过治理虽有所减少,但城市生活污水有增无减,占水质污染的51%以上。
本设计要求处理水量为20000m3/d的城市生活污水,设计方案针对已运行稳定有效的A2/O活性污泥法工艺处理城市生活污水。
A2O工艺由于不同环境条件,不同功能的微)能生物群落的有机配合,加之厌氧、缺氧条件下,部分不可生物降解的有机物(CODNB被开环或断链,使得N、P、有机碳被同时去除,并提高对COD的去除效果。
它可以同NB--时完成有机物的去除,硝化脱氮、磷的过量摄取而被去除等功能,脱氮的前提是NH3N应完全硝化,好氧池能完成这一功能,缺氧池则完成脱氮功能。
厌氧池和好氧池联合完成除磷功能。
关键词:城市生活污水,活性污泥,A2/O目录摘要 (III)目录 (IV)第一章设计概述 ······································································- 7 -1设计任务 ······································································- 7 - 2设计原则 ······································································- 7 - 3设计依据 ······································································- 8 - 第二章工艺流程及说明 ·····························································- 8 -1工艺方案分析 ································································- 8 - 2工艺流程 ······································································- 9 - 3流程各结构介绍 ·····························································- 9 -3.1格栅······························································································· - 9 -3.2沉砂池··························································································- 10 -3.3初沉池··························································································- 10 -3.4生物化反应池··············································································- 10 -3.5二沉池··························································································- 12 -3.6浓缩池··························································································- 12 - 第三章构筑物设计计算 ··························································· - 12 -1格栅 ·········································································· - 12 -1.1设计说明······················································································- 12 -1.2设计计算······················································································- 13 -2沉砂池 ······································································· - 16 -2.1设计说明······················································································- 16 - 3初沉池 ······································································· - 17 -3.1设计说明······················································································- 17 -3.2设计计算······················································································- 17 - 4生化池 ······································································· - 19 -4.1设计说明······················································································- 19 -4.2设计计算······················································································- 19 - 5二沉池 ······································································· - 26 -5.1设计说明······················································································- 26 -5.2设计计算······················································································- 26 - 6液氯消毒 ···································································· - 29 -6.1设计说明······················································································- 29 -6.2设计计算······················································································- 29 - 7污泥浓缩池 ································································· - 30 -7.1设计说明······················································································- 30 -7.2设计计算······················································································- 30 -8 污泥消化池 ································································· - 31 -8.1设计说明······················································································- 31 -8.2设计计算······················································································- 32 - 9浓缩污泥提升泵房 ························································ - 38 -9.1设计选型······················································································- 38 -9.2提升泵房······················································································- 38 -9.3污泥回流泵站··············································································- 38 -10污泥脱水间 ······························································· - 39 -10.1设计说明······················································································- 39 -11鼓风机房 ·································································· - 39 - 12恶臭处理系统 ···························································· - 39 -12.1设计说明······················································································- 39 -12.2设计计算······················································································- 39 -12.3风机选型······················································································- 40 - 第四章污水处理厂总体布置 ····················································· - 41 -1总平面布置 ································································· - 41 -1.1总平面布置原则··········································································- 41 -1.2总平面布置结果··········································································- 41 -2高程布置································································································- 42 -2.1高程布置原则··············································································- 42 - 第五章参考文献 ···································································· - 42 -第一章设计概述1设计任务本次课程设计的主要任务是完成某城市污水厂的A2/O工艺设计处理生活污水,处理水量为20000m3/d,按近期规划人口10万人计算(自定)。
本设计污水处理厂综合设计包括15个图纸,十分全面,具体详见报告后附图。
本报告附图全面详细。
图纸内容如下:A2O池,初沉池,幅流式二沉池,隔栅,工艺简单图,工艺流程图(高程图),回转耙式格栅除污机图,平面布置图,污泥浓缩池,厌氧消化池,钟式沉砂池等。
全为CAD制图。
下载后复制放大或打印可看清!题目20000m3/d城市污水处理厂综合设计专业: 环境工程年级: 2005级学号: 3105001286姓名: 莫笑伟指导教师:2008年12 月摘要我国水体污染主要来自两方面,一是工业发展超标排放工业废水,二是城市化中由于城市污水排放和集中处理设施严重缺乏,大量生活污水未经处理直接进入水体造成环境污染。
工业废水近年来经过治理虽有所减少,但城市生活污水有增无减,占水质污染的51%以上。
我国水体污染主要来自两方面,一是工业发展超标排放工业废水,二是城市化中由于城市污水排放和集中处理设施严重缺乏,大量生活污水未经处理直接进入水体造成环境污染。
工业废水近年来经过治理虽有所减少,但城市生活污水有增无减,占水质污染的51%以上。
本设计要求处理水量为20000m3/d的城市生活污水,设计方案针对已运行稳定有效的A2/O活性污泥法工艺处理城市生活污水。
A2O工艺由于不同环境条件,不同功能的微)能生物群落的有机配合,加之厌氧、缺氧条件下,部分不可生物降解的有机物(CODNB被开环或断链,使得N、P、有机碳被同时去除,并提高对COD的去除效果。
它可以同NB--时完成有机物的去除,硝化脱氮、磷的过量摄取而被去除等功能,脱氮的前提是NH3N应完全硝化,好氧池能完成这一功能,缺氧池则完成脱氮功能。
厌氧池和好氧池联合完成除磷功能。
关键词:城市生活污水,活性污泥,A2/O目录摘要 (III)目录 (IV)第一章设计概述 ······································································- 7 -1设计任务 ······································································- 7 - 2设计原则 ······································································- 7 - 3设计依据 ······································································- 8 - 第二章工艺流程及说明 ·····························································- 8 -1工艺方案分析 ································································- 8 - 2工艺流程 ······································································- 9 - 3流程各结构介绍 ·····························································- 9 -3.1格栅······························································································· - 9 -3.2沉砂池··························································································- 10 -3.3初沉池··························································································- 10 -3.4生物化反应池··············································································- 10 -3.5二沉池··························································································- 12 -3.6浓缩池··························································································- 12 - 第三章构筑物设计计算 ··························································· - 12 -1格栅 ·········································································· - 12 -1.1设计说明······················································································- 12 -1.2设计计算······················································································- 13 -2沉砂池 ······································································· - 16 -2.1设计说明······················································································- 16 - 3初沉池 ······································································· - 17 -3.1设计说明······················································································- 17 -3.2设计计算······················································································- 17 - 4生化池 ······································································· - 19 -4.1设计说明······················································································- 19 -4.2设计计算······················································································- 19 - 5二沉池 ······································································· - 26 -5.1设计说明······················································································- 26 -5.2设计计算······················································································- 26 - 6液氯消毒 ···································································· - 29 -6.1设计说明······················································································- 29 -6.2设计计算······················································································- 29 - 7污泥浓缩池 ································································· - 30 -7.1设计说明······················································································- 30 -7.2设计计算······················································································- 30 -8 污泥消化池 ································································· - 31 -8.1设计说明······················································································- 31 -8.2设计计算······················································································- 32 - 9浓缩污泥提升泵房 ························································ - 38 -9.1设计选型······················································································- 38 -9.2提升泵房······················································································- 38 -9.3污泥回流泵站··············································································- 38 -10污泥脱水间 ······························································· - 39 -10.1设计说明······················································································- 39 -11鼓风机房 ·································································· - 39 - 12恶臭处理系统 ···························································· - 39 -12.1设计说明······················································································- 39 -12.2设计计算······················································································- 39 -12.3风机选型······················································································- 40 - 第四章污水处理厂总体布置 ····················································· - 41 -1总平面布置 ································································· - 41 -1.1总平面布置原则··········································································- 41 -1.2总平面布置结果··········································································- 41 -2高程布置································································································- 42 -2.1高程布置原则··············································································- 42 - 第五章参考文献 ···································································· - 42 -第一章设计概述1设计任务本次课程设计的主要任务是完成某城市污水厂的A2/O工艺设计处理生活污水,处理水量为20000m3/d,按近期规划人口10万人计算(自定)。
污泥浓缩机工作原理详解(附图片)时间:2010-11-15 09:44:52编辑:薇薇安来源:中国矿山机械网点击数:1425污泥浓缩机,是一种中心传动式连续或间歇式工作的浓缩和澄清设备。
那么污泥浓缩机工作原理是什么?污泥浓缩机有什么特点?污泥浓缩机的技术参数又是什么呢?下面,中国矿山机械网为您一一介绍,并为您公布污泥浓缩机的图片。
污泥浓缩机主要用于冶金工业中高炉、连铸、热轧和水厂等水处理系统或用于煤炭、化工、建材和水源、污水处理等工业中一切含固料浆液的浓缩或净化。
也可用于湿式选矿作业中的精、尾矿矿浆浓缩脱水。
污泥浓缩机的工作原理污泥浓缩机一般用作过滤之前的精矿或用作尾矿脱水。
浓缩机、高效浓缩机适用于过滤之前的精矿浓缩或尾矿脱水,还可广泛用于冶炼、煤炭、化工、建材及给水和污水处理等工业中含固料浆液的浓缩和净化。
CG型轻型中心传动浓缩机采用蜗杆传动(D>16m 采用中心回转齿轮),刮泥臂上设有纵向搅拌栅条,刮臂旋转时栅条起搅拌作用,加速活性污泥的下沉,刮泥板外缘线速度≤3m/min,整个刮泥机构可以手动调节±50mm。
CG重型中心传动浓缩机池径在9米以内,采用大模数蜗轮蜗杆传动,传动扭矩大。
该型浓缩机D≤6米时池体为钢质结构。
刮泥架整体钢性大,运转速度快,广泛适用于矿山、钢铁、冶炼等行业污水处理中污泥比重较大、下沉速度快的污泥浓缩池。
污泥浓缩机主要部件结构及特点:浓缩机由浓缩池、特殊设计的大扭矩水型桥架、主传机构、提升机构、渣耙等五部分组成。
1、主传动机构主传动机构是驱动耙架回转的系统,主要由电动机、摆线针轮减速器和主蜗轮副传动组成,为了保证运转中提升耙架的需要,蜗轮与竖轴间靠花键联结,在进行正常工作的情况下,竖轴可以自由上下做轴向运动。
2、提升机构和扭矩测定开关保护装置在运行中,如果浓缩机出现过载,提升机构可通过串动竖轴提起渣耙,以保证机械安全运转。
其主要结构由两部分组成:特殊设计制造的扭矩测定开关、报警、控制装置和执行机构。
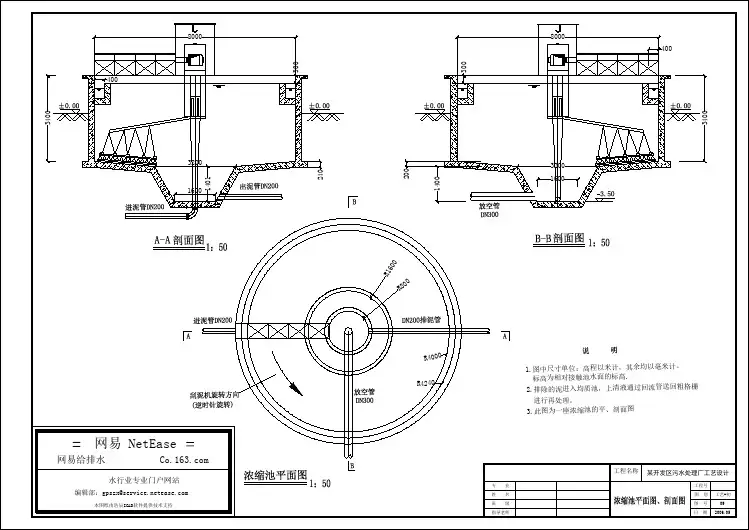
第一节 污泥重力浓缩池设计计算1.污水处理厂设计进水指标:BOD 5≤250mg/l COD ≤300mg/l SS ≤300mg/l PH=6.5~7.52.污水处理厂设计出水指标:BOD 5≤25mg/l COD ≤100mg/l SS ≤30mg/l PH=6.5~7.5①初沉池污泥量:h m d m p Q C Q /29.1/31)97100(106200%50300100)100(1010033630p ==-⨯⨯⨯=-=ρη %50%60~%40%SS ,取,一般为去除率,—初沉池—η;/g SS C 0L 浓度,—进水—由題目取300 mg/l ;计。
—沉淀污泥浓度,以—3/kg 1000m ρ ②二沉池污泥量rs fX XQ ∆=()VXv K Q S S Y X d e a --=∆式中:△X ——每日增长的污泥量,kg/d ; ;生活污约为—即—0.75,MLV SS/MLSS f Y ——产率系数,取0.5;Sa ——经过预先处理,污水含有的有机物(BOD )量,187.5mg/L ;Se ——经过活性系统处理,污水含有的有机物(BOD )量,18.6mg/L ;Kd ——衰减系数,取0.09; V ——曝汽池的容积,1177.38m 3; Xv ——MLVSS ,Xv =2.5kg/m 3; P ——污泥含水率; Xr ——回流污泥浓度。
代入各值可得:()()dVXvK Q S S Y X d e a /kg 68.27691.24659.5235.238.117709.062000186.01875.05.0=-=⨯⨯-⨯-⨯=--=∆ 则每日从曝气池中排除的剩余污泥量:h m d m fX X Q r s /92.1/11.46875.068.27633==⨯=∆=所以,排泥量h w /m 21.3/d 77.11m 46.1131.0Q 33==+=第二节 污泥泵房设计计算1. 污泥泵房设计说明二沉池活性污泥由吸泥管吸入,由池中心落泥管及排泥管排入池外套筒阀井中,然后由管道输送至回污泥泵房。
1绪论浓缩池简介浓缩池属于分层沉降,其基本工作状态为:污泥由中心进泥管连续进泥,浓缩污泥通过橡皮刮板刮到污泥斗中,并从池底排泥管排出;澄清池由溢流堰流出;浓缩池沿高程可大致分为三个区域:顶部为澄清池;中部为进泥池;底部为压缩池;浓缩池必须同时满足:1.上清液澄清;2.排出的污泥固体浓度达到设计要求;3.固体回收率高;浓缩池的作用及分类浓缩法主要用于污泥的脱水,污泥处理处置之前进行减容化和无害化的处理;浓缩是污泥减容效果最显着的一步,浓缩池的产生的污水通常返回到处理厂的进口处再次处理,浓缩同时产生了脱水处理的浓缩污泥,甚至可以用于土地会用;浓缩法的形式多样,主要有重力浓缩法、气浮浓缩法、离心浓缩法三大类;污泥浓缩工艺的选择主要取决于产生污泥的污水处理工艺、污泥的性质、污泥量和需达到的含固率要求;目前我国污泥处理中大多数采用重力浓缩工艺;12重力浓缩池重力浓缩池简介及原理重力浓缩池是污泥中的固体颗粒在重力作用下沉淀和进一步浓缩的过程,是一种沉淀工艺;采用该法可使污泥固体含量提高到4%~5%;2根据运行情况重力浓缩可分为间歇式和连续式两种;重力浓缩池是污泥在重力场的作用下自然沉降的分离方式,是一个物理过程,不需要外加能量,是一种最节能的污泥浓缩方法;重力浓缩沉降可分为四种形态:自由沉淀、干涉沉淀、区域沉淀和压缩沉淀;重力浓缩池结构与特点间歇式重力浓缩池是间歇进泥,因此,在投人污泥前必须先排除浓缩池已澄清的上清液,腾出池容,故在浓缩池不同高度上应设多个上清液排出管;间歇式操作管理麻烦,且单位处理污泥所需的池体积比连续式的大;连续式重力浓缩池可采用竖流式、辐流式沉淀池的型式,一般都是直径5~20m圆形或矩形钢筋混凝土构筑物;可分为有刮泥机与污泥搅动装置的浓缩池、不带刮泥机的浓缩池,以及多层浓缩池等3种;有刮泥机与搅拌装置的连续式浓缩池;池底面倾斜度很小,为圆锥形沉淀池,池底坡度为1%~10%;进泥口设在池中心,周围有溢流堰;为提高浓缩效果和浓缩时间,可在刮泥机上安装搅拌装置,刮泥机与搅拌装置的旋转速度应很慢,不至于使污泥受到搅动,其旋转周速度一般为~s;搅拌作用可使浓缩时间缩短4~5h;刮泥机上设置的垂直搅拌栅随刮泥机转动的线速度为1m/min,每条栅条后面可形成微小涡流,造成颗粒絮凝变大,并可造成空穴,使颗粒间的间隙水与气泡逸出,浓缩效果可提高20%以上;对于土地紧缺的地区,可考虑采用多层辐射式浓缩池;如不用刮泥机,可采用多斗连续式浓缩池,采用重力排泥,污泥斗锥角大于055,并设置可根据上清液液面位置任意调动的上清液排除管,排泥管从污泥斗底排除;通常,重力浓缩池进泥可用离心泵,排泥则需要用活塞式隔膜泵、柱塞泵等压力较高的5泥浆泵;重力浓缩池设计参数1.进泥含水率:当为初次污泥时,其含水率一般为95%~97%;当为剩余活性污泥时,其含水率一般为%~%;当为混合污泥时,其含水率一般为98%~%;2.污泥固体负荷:当为初次污泥时,污泥固体负荷宜采用80~120kg/()dm⋅2;当为剩余活性污泥时,污泥固体负荷宜采用30~60kg/()dm⋅2,当为混合污泥时,污泥固体负荷宜采用25~80kg/()dm⋅2;3.浓缩后污泥含水率;由曝气池后二次沉淀池进人污泥浓缩池的污泥含水率,当采用~%时,浓缩后污泥含水率宜为97~98%;4.浓缩停留时间:浓缩时间不宜小于10 h;但也不要超过18 h,以防止污泥厌氧腐化;5.有效水深:一般为4 m,最低不小于3 m.6.污泥室容积和排泥时间:应根据排泥方法和两次排泥间隔时间而定,当采用定期排泥时,两次排泥间隔一般可采用8 h.7.集泥设施:辐流式污泥浓缩池的集泥装置,当采用吸泥机时,池底坡度可采用,当采用刮泥机时,不宜小于;不设刮泥设备时,池底一般设有污泥斗,其污泥斗55;刮泥机的回转速度为~4r/d,吸泥机的回转速度与水平面的倾角,应不小于0为1r/d,其外缘线速度一般宜为1~2m/min;同时,在刮泥机上可安设栅条,以便提高浓缩效果,在水面设除浮渣装置;8.构造:浓缩池采用水密性钢筋混凝土建造;设污泥投人管、排泥管、排上清液管、排泥管等管道,最小管径采用150mm,一般采用铸铁管;9.竖流式浓缩池:当浓缩池较小时,可采用竖流式浓缩池,一般不设刮泥机,污55,中心管按污泥流量计泥室的截锥体斜壁与水平面所形成的角度,应不小于0算;沉淀区按浓缩分离出来的污水流量进行设计;10.上清液:浓缩池的上清液,应重新回流到初沉池前进行处理;其数量和有机物含量应参与全厂的物料平衡计算;11.二次污染:污泥浓缩池一般均散发臭气,必要时应考虑防臭或脱臭措施;臭气控制可以从以下三个方面着手,即封闭、吸收和掩蔽;所谓封闭,是指用盖子或其他设备封住臭气发生源或用引风机将臭气送人曝气池内吸收氧化;所谓吸收,是指用化学药剂来氧化或净化义气;所谓掩蔽,是指采用掩蔽剂使臭气暂时不向3外扩散;3重力浓缩池的计算公式重力浓缩池计算内容简述本课题设计计算主要内容:污泥总量及污泥浓度计算、浓缩污泥固体通量、浓缩池面积、浓缩池直径、浓缩池工作部分的高度、浓缩池总高度、浓缩后污泥体积;污泥总量及污泥浓度计算污泥总量1750350140021=+=+=Q Q Q m 3/d污泥混合后的浓度 浓缩物你固体通量设初次沉淀池污泥的固体通量为100kg/ m 2·d,剩余活性污泥的污泥固体通量宜采用30 kg/ m 2·d,则初次沉淀池污泥和生育活性污泥混合后的污泥固体通量为441750100350301400=⨯+⨯=M kg/ m 2·d75.4634466.111750=⨯==M QC A m2采用两个污泥浓缩池,每个池面积88.231275.4631==A m 2 缩池直径18.1714.388.231414=⨯=⨯=πA D m取D=浓缩池工作部分的高度取污泥浓缩时间T=20h,则浓缩池工作部分的高度15.375.46324175020241=⨯⨯==A TQ h m 浓缩池总高度设浓缩池超高2h =,缓冲层高度3h =,浓缩池总高度 75.33.03.015.3321=++=++=h h h H m 浓缩后污泥体积由于污泥混合后浓度为L,可以近似的认为浓缩池进泥的含水率1P =%;浓缩污泥的含水率2P =96%,浓缩后污泥体积()()41596.019834.01175011212=--⨯=--=P P Q V m 3/d 4结束语本次课程设计历经两周,通过不断地查资料、设计、计算、画CAD 图,使我对所学过的相关知识有了更深入的理解,同时拓宽了相关的知识面;在查阅大量资料的同时也引发了我的许多的思考,对污泥浓缩池的相关方面的知识有了较深刻的认识;本次课程设计是对我的一项综合性考察,需要在不断地学习中完成,是一个不断完善自己、充实自己的很重要的过程,也是一次锻炼自己的机会,能够察觉理论设计与实际工程设计的差异和欠缺,对于今后的社会工作中遇到的问题很有帮助,给我以较大的启发;5参考文献1 晋日亚、胡双启.水污染控制技术与工程.北京:兵器工业出版社, 2005;2 高廷耀.水污染控制工程.下册 .北京:高等教育出版社,19893 王宝贞.水污染控制工程.北京:高等教育出版社.19904 孙彗修.排水工程上.北京:中国建筑工业出版社.20005 张希衡.废水治理工程.北京:冶金工业出版社,1984。
污泥浓缩池说明书武汉凯迪电站设备有限公司二OO四年九月一、浓缩池的简要说明及基本工作原理:含有细粒物体的料浆,经槽架给入浓缩池的中心部位某一深度处,料浆做均匀辅射状向周边缓慢流动,在漫游中料浆的固体颗粒藉自重或絮凝作用而沉降。
最初由于浓度较低,颗粒基本上作自由沉降,沉速较快,继而沉入浓集带、沉速较慢。
最后沉到最下部一沉积带,也是浓度较高的压缩区,水份从沉降颗粒的间隙中不断析出。
在耙架连续回转时,耙齿对该部沉积物沿池底的锥形坡面逐级推向池底的中心处,最后由该处的排料口排出。
在耙齿推进沉积物时,也是刮板对沉积物的一个压缩过程,这也大大地促使析水作用的加强,因而从排料口排出的沉积物是经过浓缩的料浆。
池上部是澄清带,澄清水从池边溢流堰排出,从而构成浓缩池工作的全过程。
该浓缩池配有NZ系列浓缩机。
二、NZ系列浓缩机主要结构特点NZ系列浓缩机由桥架、传动机构、竖向栅条、刮泥耙和浓缩池等组成。
1. 传动机构传动机构是驱动耙架回转的系统,主要由电动机、减速器组成,为了保证运转中提升耙架的需要,减速机直接与机房相连,带动耙架与栅条转动,完成集泥刮泥过程。
2. 栅条竖向栅条在浓缩机工作时一起转动,其主要目的是为了搅拌泥水,因为搅拌度转慢,能起到缓慢搅拌作用,当栅条穿行于污泥层时,能为水提供从污泥中逸出的通道,以提供污泥浓缩的效果。
3. 刮泥耙浓缩池沉淀下来的泥,由刮板从四周向中心收集,然后进入集泥斗。
由排泥管排出浓缩池。
刮臂上安装的刮板与刮臂成45度角,两片重合15度角左右,这样的结构利用集泥。
三、设备设计参数污泥浓缩池数量1套;设计处理水量20m3/h;设计进泥含水率98-99% ;出泥含水率95%;直径/高度ø5000/4500 mm;设备壁厚10mm材质/防腐Q235-A/还氧树脂漆3道,厚度≥200μm 污泥固体负荷50kg/m2.d;刮泥机叶轮形式叶片刮板式刮板及轴材质1Cr18Ni9Ti刮臂直径ø 4600mm刮臂外缘线速度 1.2m/min减速机功率0.55kw储泥斗数量1台容积 3.5m3设备壁厚6mm材质/防腐Q235-A/还氧树脂漆3道,厚度≥200μm 四、操作维护说明浓缩机操作比较简单,盛水后只需开动电机就行。
某城市污水处理厂工艺设计课程设计前言水是一切生物生存必不可少的物质之一,没有水的世界是无法想象的。
虽然我国水资源总量非常丰富,年径流总量2.71×1012m3,居世界第六位,但是由于人口众多,人均占有仅2262m3,约为世界平均的1/4,属世界缺水国家之一。
我国幅员辽阔,各地气候迥异,经济发展水平差异也很大。
随着我国经济的快速发展和人们生活水平的不断提高,政府、企业、居民的环保意识不断增强,对生活质量和环境质量的要求越来越高,水污染治理也越来越受到人们的关注。
目前,各城市都面临着不同的水环境污染。
因此,根据城市规模,建立一套与自己经济发展相适应的控制水污染、保护水环境的方针、政策、标准和法规,同时建设与经济发展水平相适应的污水处理厂,就成为防止因水资源短缺而制约城市社会经济发展的必要手段,利用有限资源的必须部分。
在人们日常生活中,盥洗、淋浴、生活洗涤等都离不开水,用后便成为污水。
在工业企业中,几乎没有一种工业水是人们日常生活中不可或缺的宝贵资源,水的供给与排放处理水亦是合理不用到水。
水经生产过程使用后,绝大部分变成废水,生产废水携带着大量污染物质,这些物质多数是有害和有毒的,但也是有用的,必须妥善处理或加以回收利用。
水污染控制技术在我国社会主义建设中有着十分重要的作用。
从环境保护方面讲,水污染控制技术有保护和改善环境、消除污水危害的作用,是保障人民健康和造福子孙后代的大事;从卫生上讲,水污染控制技术的兴起对保障人民健康具有深远的意义;对预防和控制各种疾病、癌症或是“公害病”有着重要的作用;从经济上讲,城市污水资源化,可重复利用于城市或工业,这是节约用水和解决淡水资源短缺的重要途径,它将产生巨大的经济效益。
总之,在实现四个现代化过程中,水污染控制技术对环境保护、促进工农业生产和保障人民健康有现实意义和深远影响,并使经济建设、城乡建设与环境建设同步规划,同步实施,同步发展。
这样才能实现经济效益、社会效益和环境效益的统一。
目录第1章绪论错误!未定义书签。
1.1 造纸废水的简况错误!未定义书签。
1.2 造纸工业废水的来源及特点错误!未定义书签。
1.3 造纸废水的危害错误!未定义书签。
1.4 造纸工业废水处理常见方法错误!未定义书签。
1.4.1 吸附法错误!未定义书签。
1.4.2 絮凝法错误!未定义书签。
1.4.3 高级化学氧化法错误!未定义书签。
1.4.4 厌氧-好氧组合处理法错误!未定义书签。
1.4.5 物化方法和生化方法结合技术错误!未定义书签。
1.5 造纸废水研究现状及发展错误!未定义书签。
第2章设计说明书02.1 工程背景12.1.1 简况错误!未定义书签。
2.1.2 造纸厂废水的特点错误!未定义书签。
2.1.3 造纸厂废水处理水量、水质及排放标准12.2 设计内容12.3设计依据和设计原则22.3.1设计依据22.3.2 设计原则22.4 处理工艺的选择及确定22.4.1 处理工艺的选择22.4.2 处理工艺的确定3第3章污水处理方案33.1 工艺流程33.2出水水质效果预测43.3 污水处理构筑物、设备参数43.3.1筛网43.3.2 调节池53.3.3 混凝沉淀池53.3.4 二沉池83.3.5水解酸化池103.3.6接触氧化池103.3.7浅层气浮系统123.3.8 污泥浓缩池15第4章主要设施及设备174.1主要构筑物设施174.2 主要设备18第5章高程计算错误!未定义书签。
5.1水头损失错误!未定义书签。
5.2 处理构筑物的水头损失错误!未定义书签。
第6章运行成本及效益分析错误!未定义书签。
6.1 基本依据错误!未定义书签。
6.2 污水处理部分技术经济分析错误!未定义书签。
6.3 效益分析错误!未定义书签。
6.3.1 社会效益错误!未定义书签。
6.3.2 环境效益错误!未定义书签。
6.3.3 经济效益错误!未定义书签。
第7章结论与建议错误!未定义书签。
7.1 结论错误!未定义书签。
7.2建议错误!未定义书签。