深圳低压电工实操考试答案
- 格式:docx
- 大小:202.93 KB
- 文档页数:10
深圳市低压电工k2实操考试答案深圳市低压电工K2实操考试是一项专业技能考核,主要检验电工在低压电气设备操作、维护和故障排除等方面的实际操作能力。
以下是一些可能的实操考试题目及答案要点,供参考:1. 安全操作规程:- 穿戴好绝缘鞋和绝缘手套。
- 确保工具和设备符合安全标准。
- 在操作前检查工作环境,确保没有安全隐患。
2. 电路连接:- 正确识别电路图,了解电路的工作原理。
- 按照电路图的要求,使用合适的电线和连接方式进行连接。
- 确保所有连接点牢固,无裸露的导线。
3. 电气元件识别与使用:- 能够识别各种低压电气元件,如开关、断路器、接触器等。
- 了解各元件的功能和使用条件。
4. 电气故障诊断:- 能够使用万用表等工具进行电路测试。
- 根据测试结果,判断故障原因并提出解决方案。
5. 电气设备维护:- 定期检查电气设备,清洁接触点,确保设备运行正常。
- 了解设备维护周期和维护内容。
6. 紧急情况处理:- 了解并掌握紧急断电操作流程。
- 在发生电气火灾等紧急情况时,能够迅速采取措施,保障人员安全。
7. 电气设备安装:- 按照规范进行电气设备的安装工作。
- 确保安装后的设备符合电气安全标准。
8. 电路故障排除:- 能够根据故障现象,快速定位问题所在。
- 采取有效措施,排除电路故障。
9. 电气设备调试:- 能够对新安装或维修后的电气设备进行调试,确保其正常工作。
10. 电气安全知识:- 掌握电气安全的基本常识,如避免触电、电气火灾预防等。
请注意,以上内容仅为示例,具体的实操考试题目和答案会根据考试大纲和要求有所不同。
考生应根据实际的考试内容进行准备。
本套试卷为电工精选题库,总共300道题!题目几乎覆盖电工常考的知识点。
题库说明:本套电工题库包含(单项选择题200道,多选题50道,判断题50道)一、单选题(共计200题,每题1分)1.运转过程中易发生过负荷和需求避免起动或自起动时刻过长的电动机应装设( )。
A.过负荷维护B.低电压维护C.失步维护答案:A2. 变压器初级和次级绕组采用不同的匝数比时,就可以达到升高或降低( )的目的。
A.电压;B.电流;C.频率;D.电阻;答案:A3. 在半导体电路中,主要选用快速熔断器做( )保护。
A.短路B.过压C.过热答案:A4. 电容滤波电路中整流元件电流波形与电源电压波形是( )的。
A.不同B.相同C.近似D.不能确定答案:A5. 对于10KV变电所,要求电压互感器组采用( )接线。
A.Y,ynB.YN,ynC.V,v答案:C6. 在纯电感交流电路中,电路的无功功率( )。
A.小于电路电压与电流的有效值的乘积B.大于电路电压与电流的有效值的乘积C.等于电路电压与电流的有效值的乘积答案:C7. 在忽略变压器内部损耗的情况下,变压器的一.二次电流之比与( )之比互为倒数。
A.一.二次侧感应电势瞬时值B.一.二次侧感应电势最大值C.一.二次侧电压瞬时值D.一.二次绕组匝数答案:D8. 裸导线的长期使用工作温度不宜超过( )。
A.105℃C.45℃D.25℃答案:B9. 电气设备的绝缘是一个重要的技术指标,是安全检查的重要内容,电气绝缘检查主要是检查绝缘是否老化破损,受潮和( )等。
A.绝缘电阻B.绝缘层厚度C.设备服役年限答案:A10. 当系统频率下降时,负荷吸取的有功功率( )。
A.随着下降B.随着升高C.不变答案:A11. 作业票要用钢笔或圆珠笔填写一式( )份。
A.二B.三C.四答案:A12. 断路器的工作状态{断开或闭合}是由( )控制的。
A.工作电压B.负荷电流C.操动机构答案:C13. 按照《施工现场临时用电安全技术规范》JGJ46—2005的规定,施工现场临时用电设备在( )台及以上,或设备容量在50KW及以上者,应编制组织设计。
温馨提示:本套试卷全国通用,答案放到最后面几页了!试卷说明:本套试卷总共200道题(选择题100道,判断题100道)2024广东省深圳市电工证考试题模拟试题初级电工实操考试题库(含答案)学校:________ 班级:________ 姓名:________ 考号:________一、单选题(100题)1.我国常用导线标称截面2225mm与50mm的中间还有一级导线的截面是()mm2。
A.30B.35C.40D.452.在狭窄场所如锅炉.金属容器.管道内作业时应使用()工具。
A.II类B.I类C.Ⅲ类3.使用于高温物体上的钢丝绳,必须采取隔热措施,以免受高温后降低强度。
()A.√B.×4.某施工单位固定资产600万,从业人员1000人。
根据《安全生产法》规定,下述做法正确的是()。
A.应当建立应急救援组织B.可不建立应急救援组织,但应指定兼职应急救援人员C.可不建立应急救援组织,也可不指定兼职应急救援人员D.可不建立应急救援组织,但配备必要的应急救援器材设备5.值班人员巡视高压设备()。
A.一般由二人进行B.值班员可以干其它工作C.若发现问题可以随时处理6.判断三极管极性时常用指针万用表的( )档。
A.RF1B.RF10C.RF1KD.RF10K7.如隔离回路带有多台用电设备,则多台设备的金属外壳应采取()。
A.电气隔离B.等电位连接C.保护接地D.保护接零8.人体直接接触带电设备或线路中的一相时.电流通过人体流入大地.这种触电现象称为()触电。
A.单相B.两相C.三相9.ZN4-10/600型断路器可应用于额定电压为( )的电路中.A.6KVB.10KVC.35KV10.对触电者急救时,急救每隔数分钟后再鉴定一次,每次鉴定不超过( )A.5~7SB.8~15SC.15~20SD.20~30S11.三相鼠笼式异步电动机带动电动葫芦的绳轮常采用( )制动方法。
A.电磁抱闸B.电磁离合器C.反接D.能耗12.一只三极管型号为3AD6其中A表示()。
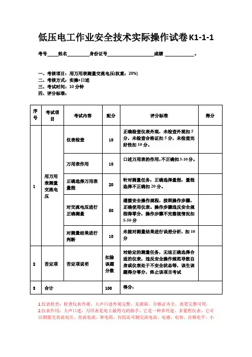
低压电工作业安全技术实际操作试卷K1-1-1 考号姓名身份证号成绩。
一、考核项目:用万用表测量交流电压(权重:20%)二、考核方式:实操+口述三、考试时间:10分钟四、评分标准:1.仪表检查:检查仪表外观,大声口述外观完整、无破损、合格证齐全,表笔完整可用。
2.仪表作用:大声口述,万用表是电工最得力的助手,它是一种多用途、多量程仪表。
它可以测量交直流电压、直流电流、和电阻,有的还可测交流电流、电感、电容、音频电平、小功率晶体管的直流放大倍数等。
3.选择档位和量程:根据试题《万用表测安全交流电压》若测交流42V、36V、24V、12V应挂交流50V档,若测6V则应挂交流10V档,使显现的电压值尽量靠在整表盘2/3以上位置为宜。
低压电工作业安全技术实际操作试卷K1-1-2 考号姓名身份证号成绩。
一、考核项目:用万用表测量直流电压(权重:20%)二、考核方式:实操+口述三、考试时间:10分钟四、评分标准:1.仪表检查:检查仪表外观,大声口述外观完整、无破损、合格证齐全,表笔完整可用。
2.仪表作用:大声口述,万用表是电工最得力的助手,它是一种多用途、多量程仪表。
它可以测量交直流电压、直流电流、和电阻,有的还可测交流电流、电感、电容、音频电平、小功率晶体管的直流放大倍数等。
3.测直流电压42V、36V、24V、12V应挂直流50V档,测直流电压9V、6v、5v,应挂直流10V 电压档即可,红笔对电池正极,黑笔对电池负极,表针所指数值即为读数。
要注意安全。
使显现的电压值尽量靠在整个表盘2/3以上位置为宜。
低压电工作业安全技术实际操作试卷K1-1-3 考号姓名身份证号成绩。
一、考核项目:用万用表测量电阻器的电阻(权重:20%)二、考核方式:实操+口述三、考试时间:10分钟四、评分标准:1.仪表检查:检查仪表外观,大声口述外观完整、无破损、合格证齐全,表笔完整可用。
2.仪表作用:大声口述,万用表是电工最得力的助手,它是一种多用途、多量程仪表。
本套试卷为电工精选题库,总共200道题!题目几乎覆盖电工常考的知识点。
题库说明:本套电工题库包含(单项选择题100道,判断题100道)一、单选题(共计100题,每题1分)1.胸外按压右手的食指和中指沿触电者的右侧肋弓下缘向上,找到肋骨和胸骨接合处的( )。
A.左点B.中点C.右点D.前点答案:B2. 在三相四线制电路中,中线的电流( )。
A.一定等于零B.一定不等于零C.不一定等于零答案:C3. 螺旋式熔断器的电源进线应接在( )A.下端B.上端C.前端答案:A4. 当消弧线圈的电感电流大于接地电容电流时,接地处具有多余的( )称为过补偿。
A.中性线{零线}N和保护线PE是合用的B.中性线{零线}N和保护线PE是分开的C.中性线{零线}N和保护线PE是部分合用的答案:C5. 单相异步电动机容量一般不超过( )。
A.0.6KWB.1KWC.10KWD.30KW答案:A6. 热继电器的保护特性与电动机过载特性贴近,是为了充分发挥电机的( )能力。
A.过载B.控制C.节流答案:A7. 刀开关在选用时,要求刀开关的额定电压要大于或等于线路实际的( )电压。
A.最高B.额定C.故障答案:A8. 直流电压表主要采用( )测量机构。
A.电磁系B.磁电系C.静电系D.电动系答案:B9. 当电流流经人体的不同部位时,体内电阻呈现的数值( )。
A.相同B.不同C.无联系答案:B10. 电气火灾的引发是由于危险温度的存在.危险温度的引发主要是由于( )A.设备负载轻B.电压波动C.电流过大答案:C11. 瓷瓶布线时,导线距地面高度不应低于( )m。
A. 1B. 2C. 3D. 4答案:C12. 国标规定变压器周围环境温度最高为( )。
A.30℃B.40℃C.35℃D.25℃答案:B13. ( )能说明变压器二次电压变化的程度大小,是衡量变压器供电质量好坏的数据。
A.电压波形B.电压相位C.电压幅值D.电压调整率答案:D14. 架空线路杆位的确定,先确定线路首端杆和( )的位置。
低压电工证实操试题及答案一、选择题1. 在进行电工安全操作时,下列哪项措施是正确的?a)穿戴适当的防护服并佩戴绝缘手套。
b)在操作过程中使用湿毛巾擦拭电器设备。
c)使用潮湿的手进行电器设备的操作。
答案:a)穿戴适当的防护服并佩戴绝缘手套。
2. 下列哪项是低压电气设备的重要检查事项?a)设备是否存在漏电现象。
b)设备是否接地良好。
c)设备外表是否有油污。
答案:b)设备是否接地良好。
3. 在使用电动工具时,以下哪种情况可能对人体造成伤害?a)工具插头的金属针脱落。
b)工具线缆被踩踏。
c)工具加电开关失灵。
答案:a)工具插头的金属针脱落。
4. 在电气设备中,下列哪项操作是不推荐的?a)触摸带电部位。
b)将金属物体插入开关的插槽。
c)忽略设备的接地状态。
答案:b)将金属物体插入开关的插槽。
5. 在进行电气设备维修时,下列哪项工具是必备的?a)绝缘胶带。
b)金属扳手。
c)钳子。
答案:a)绝缘胶带。
二、判断题1. 电气设备绝缘性能与设备的功能没有直接关系。
答案:错误2. 电工操作过程中发现设备接地不良,可以忽略该问题,不予修复。
答案:错误3. 在低压电气设备上工作时,可以不穿戴防护服。
答案:错误4. 电气设备的漏电保护装置是为了预防触电事故而设计的。
答案:正确5. 电工在操作过程中,可以用湿毛巾擦拭设备。
答案:错误三、问答题1. 请简要介绍低压电工证实操考试的目的。
答:低压电工证实操考试的目的是验证考生对低压电工操作的理论和实际技能的掌握程度,促使考生熟悉电器设备的维修维护操作与过程中的安全注意事项,确保其在实际工作中的操作安全和准确性。
2. 低压电气设备的接地为什么至关重要?答:低压电气设备的接地是为了保护人身安全和设备正常运行的重要措施。
接地能有效地将过电压导向大地,确保设备外壳不带电,从而预防漏电、触电等事故的发生。
3. 除了佩戴防护服和绝缘手套外,还有哪些注意事项需要在操作电气设备时遵守?答:在操作电气设备时,还应注意以下事项:- 工作环境应保持干燥,并避免与水接触。
本套试卷为电工精选题库,总共500道题!本套题库全国通用,题型为常考题。
题库说明:本套电工题库包含(单项选择题350道,多选题50道,判断题100道)一、单选题(共计350题,每题1分)1.胸外按压右手的食指和中指沿触电者的右侧肋弓下缘向上,找到肋骨和胸骨接合处的( )。
A.左点B.中点C.右点D.前点答案:B2. 在自动控制系统中,把输入的电信号转换成电机轴上的角位移或角速度的电磁装置称为( )。
A.伺服电动机B.测速发电机C.交磁放大机D.步进电机答案:A3. 特种作业操作证有效期为( )年,全国范围内有效。
A. 2B. 3C. 6答案:C4. 大接地电流系统中,发生单相金属性接地时,中性点电压为( )。
A.零B.相电压C.线电压答案:A5. 从制造角度考虑,低压电器是指在交流50HZ.额定电压( )V或直流额定电压1500V 及以下电气设备。
A.800B.400C.1000答案:C6. 已知正弦交流电电流为i=100Πsin(100∏t+φ),则该电流的有效值为( )。
A.70.7B.100C.70.7ΠD.100Π答案:C7. 带电水冲洗220kV变电设备时,水电阻率不应小于( )?。
A.1500;B.2000;C.3000;D.5000。
答案:C8. 组合开关用于电动机可逆操控时,( )答应反向接通。
A.不用在电动机彻底停转后就B.可在电动机停后就C.有必要在电动机彻底停转后才答案:C9. 手持单相电动工具的控制开关为( ),电源线应是护套线.绝缘应保持良好。
A.单极开关;B.双极开关;C.三极开关;D.没有要求;答案:B10. 高压负荷开关交流耐压试验在标准试验电压下持续时间为( )分钟。
A. 5B. 2C. 1D. 3答案:C11. 电容器中储存的能量是( )A.热能;B.机械能;C.磁场能;D.电场能。
答案:D12. 在容易产生粉尘的化工车间内,增加空气湿度是消除( )的有效措施。
低压电工作业安全技术实际操作试卷K4-1考号姓名身份证号成绩。
一、考核项目:触电事故现场的应急处理(权重:20%)1)发现有人低压触电,立即寻找最近的电源开关,进行紧急断电,不能断开关则采用绝缘的方法切断电源;2)在触电人脱离电源的同时,救护人应防止自身触电,还应防止触电人脱离电源后发生二次伤害;3)让触电者在通风暖和的处所静卧休息,根据触电者的身体特征,做好急救前的准备工作;4)如触电人触电后己出现外伤,处理外伤不应影响抢救工作;5)夜间有人触电,急救时应解决临时照明问题。
2、高压触电时脱离电源方法及注意事项:1)发现有人高压触电,应立即通知上级有关供电部门,进行紧急断电,不能断电则采用绝缘的方法挑开电线,设法使其尽快脱离电源;2)在触电人脱离电源的同时,救护人应防止自身触电,还应防止触电人脱离电源后发生二次伤害;3)根据触电者的身体特征,派人严密观察,确定是否请医生前来或送往医院诊察;4)让触电者在通风暖和的处所静卧休息,根据触电者的身体将征,做好急救前的准备工作;夜间有人触电,急救时应解决临时照明问题。
5)如触电人触电后己出现外伤,处理外伤不应影响抢救工作。
低压电工作业安全技术实际操作试卷K4-2 考号姓名身份证号成绩。
一、考核项目:单人徒手心肺复苏操作(权重:20%)(2)呼救:环顾四周,请人协助救助,解衣扣、松腰带,摆体位。
(3)判断颈动脉搏动:手法正确(单侧触摸,时间不少于5s)。
(4)定位:胸骨中下1/3处,一手掌根部放于按压部位,另一手平行重叠于该手手背上,手指并拢,以掌根部接触按压部位,双臂位于患者胸骨的正上方,双肘关节伸直,利用上身重量垂直下压。
(5)胸外技压:按压速率每分钟至少100次, 按压幅度至少5cm(每个循环按压30次,15—18s)。
(6)畅通气道:摘掉假牙,清理口腔。
(7)打开气道:常用仰头抬颏法、托颌法,标准为下颌角与耳垂的连线与地面垂直。
(8)吹气:吹气时看到胸廓起伏,吹气毕,立即离开口部,松开鼻腔,视患者胸廓下降后,再吹气(每个循环吹气2次)。
低压电工上岗实操考试题及答案一、选择题1. 电流的单位是:A. 伏特(V)B. 安培(A)C. 瓦特(W)D. 焦耳(J)答案:B2. 以下哪个电器是属于防爆电器?A. 电风扇B. 吹风机C. 变压器D. 电磁炉答案:C3. 下图是电气装置的接线图,请问该接线图代表的是哪个电器?(图略)A. 电灯开关B. 电源插座C. 高压开关D. 变频器答案:A4. 单相交流电路中,电压的波形是:A. 正弦波B. 方波C. 脉冲波D. 直流答案:A5. 以下哪个是在电气装置运行过程中,产生的电磁干扰?A. 短路B. 过载C. 噪声D. 漏电答案:C二、判断题1. 低压电工必须要有相关证书才能上岗。
A. 对B. 错答案:A2. 在进行电气装置检修时,可以带着戒指、手表等金属物品。
A. 对B. 错答案:B3. 低压电工需要掌握基本的电气知识和安全操作规程。
A. 对B. 错答案:A4. 低压电工只需要关注自己负责的电器设备,不需要考虑其他设备的安全问题。
A. 对B. 错答案:B5. 低压电工在处理电器故障时,可以直接使用手进行触摸检修。
A. 对B. 错答案:B三、问答题1. 请简要说明低压电工在上岗实操中需要注意的安全事项。
答:低压电工在上岗实操中需要注意以下安全事项:- 穿戴必要的劳保用品,如绝缘手套、绝缘鞋、安全帽等;- 在操作前,确保电器设备已经停电,并采取相应的断电保护措施;- 遵循操作规程,按照正确的方法和顺序进行操作;- 禁止在湿地或者有易燃易爆物质的环境中操作电器设备;- 遇到紧急情况,应立即停止操作并向相关人员报告。
2. 请简述低压电工的职责和工作内容。
答:低压电工的职责和工作内容包括但不限于:- 进行低压电气设备的安装、维修和保养;- 制定低压电气设备的操作规程和安全操作指南;- 定期检查电气设备的运行情况,发现问题及时修复;- 参与电气设备的改造和升级工作;- 及时处理低压电气故障,并进行相关记录和报告。
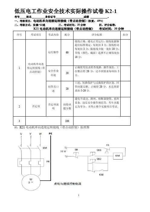
低压电工作业安全技术实际操作试卷K2-1 考号姓名身份证号成绩。
一、考核项目:电动机单向连续运转接线(带点动控制)(权重:40%)二、考核方式:实操+口述三、考试时间:30分钟四、评分标准:附:回答或口述题:短路保护与过载保护的区别?答:短路保护是指线路或设备发生短路时,能迅速切断电源。
过载保护是指当线路或设备的负荷超过允许范围时,能适当延时切断电源的一种保护低压电工作业安全技术实际操作试卷K2-2考号姓名身份证号成绩。
一、考核项目:三相异步电动机正反运行的接线及安全操作(权重:40%)二、考核方式:实操+口述三、考试时间:45分钟四、评分标准:附:K22三相异步电动机正反运行的接线及安全操作原理图口述:1、正确使用控制按钮(控制开关);1)根据使用场合,选择按钮的种类:如开启式、保护式、防水式、防腐式等2)根据用途,选用合适的形式:如手把旋钮式、钥匙式、紧急式、带灯式等。
3)按控制回路的需要,确定不同按钮数:如单钮、双钮、三钮、多钮等。
4)按工作状态指示和工作情况形式,选择按钮和指示灯的颜色。
5)核对按钮的额定电压、电流等指标是否满足要求。
2、正确选择电动机用的熔断器的熔体或断路器;1)保护一台感应电动机时,大于等于1.5~2.5倍的电动机的额定电流。
I R N≥(1.5~2.5)I N2)保护多台感应电动机时,大于等于1.5~2.5倍的最在电动机的额定电流加上其它电动机的额定电流之和。
3、正确选用保护接地、保护接零。
回答问题完整、正确,每项得10分。
未达到要求每项扣3-10分。
保护接地即适用于一般不接地的高低压电网,也适用于采取了其他安全措施(如装设漏电保护器)的低压电网;保护接零只适用于中性点直接接地的低压电网。
低压电工作业安全技术实际操作试卷K2-3考号姓名身份证号成绩。
一、考核项目:单相电能表带照明灯的安装及接线(权重:40%)二、考核方式:实操+口述三、考试时间:30分钟四、评分标准:附:K23 单相电能表带照明灯的安装及接线原理图口述:1、电能表的基本结构与原理;答:感应系列电能表是基于电磁感应的原理工作,它只能用于交流电路中测量交流电能,而不能用于直流电路。
科目一:(1)仪表作用(口述)只需回答非考核项目的另外三个。
)仪表作用(口述)只需回答非考核项目的另外三个。
(2)仪表的作用及使用前的检查考核要点)仪表的作用及使用前的检查考核要点 序号序号 名称名称 作用(口述) 使用前的检查使用前的检查1万用表主要用来测量电流、电压、电阻压、电阻1、 外观检查:外壳是否完整,无破损、无裂纹、表刻度清晰外观检查:外壳是否完整,无破损、无裂纹、表刻度清晰2、 指针检查:检查指针是否有弯曲指针检查:检查指针是否有弯曲3、 表笔检查:查看表笔连线有无破损、有无断线。
插线是否正确表笔检查:查看表笔连线有无破损、有无断线。
插线是否正确4、 档位检查:检查档位转盘旋动是否灵活,档位接触是否接触良好档位检查:检查档位转盘旋动是否灵活,档位接触是否接触良好5、 机械调零:平方时仪表指针应指向零电压或零电流的位置上机械调零:平方时仪表指针应指向零电压或零电流的位置上6、 欧姆调零:(检查电池的电量)。
调至电阻档,如将两支表笔短接,调零旋钮至最大,指针仍然达不到0位,这种现象通常是由于表内电池电压不足造成的,应跟换新电池电池电压不足造成的,应跟换新电池2钳形电流表可在不断电的情况下测量线路电流量线路电流 1、 外观检查:外壳是否完整,无破损、无裂纹、手柄应清洁干燥,表盘刻度清晰盘刻度清晰 2、 指针检查:检查指针是否有弯曲指针检查:检查指针是否有弯曲3、 档位检查:检查档位转盘旋动是否灵活,档位接触是否接触良好档位检查:检查档位转盘旋动是否灵活,档位接触是否接触良好4、 钳口检查:钳口闭合密封,无污物或锈迹,开合把手应灵活(钳口开合几次)开合几次) 5、 机械调零:平放时仪表指针应指向零位机械调零:平放时仪表指针应指向零位3 兆欧表用来测量被测设备的绝缘电阻缘电阻1、 外观检查:外壳是否完整,无破损、无裂纹,表盘刻度清晰外观检查:外壳是否完整,无破损、无裂纹,表盘刻度清晰2、 指针检查:检查指针是否有弯曲指针检查:检查指针是否有弯曲3、 表笔检查:查看表笔连线有无破损、有无断线表笔检查:查看表笔连线有无破损、有无断线4、 旋把检查:检查旋转把手是否正常旋把检查:检查旋转把手是否正常5、 电压等级检查:仪表的电压等级是否与被测设备的电压相适应电压等级检查:仪表的电压等级是否与被测设备的电压相适应6、 仪表效验:开路试验指针应指向无限大,短路试验指针应瞬间为零短路试验指针应瞬间为零 4接地电阻测试仪用来测量接地电阻地电阻1、 外观检查:外壳是否完整,无破损、无裂纹,表盘刻度清晰外观检查:外壳是否完整,无破损、无裂纹,表盘刻度清晰2、 指针检查:检查指针是否有弯曲,检查指针是否有弯曲,指针是否到中间零位,指针是否到中间零位,指针是否到中间零位,否则需要否则需要进行机械调零进行机械调零 3、 档位检查:检查档位转盘旋动是否灵活,档位接触是否接触良好档位检查:检查档位转盘旋动是否灵活,档位接触是否接触良好 4、 手柄检查:轻摇摇把,看是否灵活手柄检查:轻摇摇把,看是否灵活 5、 配件检查:检查配件引线是否齐全(5m 接地探针)、(20m 电位探针)、(40m 电流探针)电流探针)6、 仪表效验:短路调零仪表效验:短路调零提示:使用仪表测量时,不强调考生戴绝缘手套,新的仪表需要检查合格证。
2024年电工证《低压电工实操》考试题库含完整答案【历年真题】一、选择题(每题2分,共40分)1. 下列哪个电压等级属于低压范畴?A. 220VB. 380VC. 660VD. 1000V答案:B. 380V2. 下列哪个设备不属于低压配电柜?A. 断路器B. 电流表C. 变压器D. 电压表答案:C. 变压器3. 在进行低压线路停电操作时,下列哪个步骤是错误的?A. 断开电源总开关B. 检验确无电压C. 挂上警示牌D. 立即开始施工答案:D. 立即开始施工4. 下列哪种导线适用于低压动力线路?A. 铝芯导线B. 铜芯导线C. 钢芯导线D. 玻璃丝导线答案:B. 铜芯导线5. 下列哪个设备用于实现低压线路的保护?A. 断路器B. 隔离开关C. 负荷开关D. 熔断器答案:D. 熔断器(以下为历年真题)6. 下列哪种情况下,应立即停电处理?A. 低压线路短路B. 低压线路过载C. 低压线路漏电D. 低压线路停电答案:A. 低压线路短路7. 在低压配电柜中,下列哪个部件用于测量电流?A. 电流表B. 电压表C. 功率表D. 频率表答案:A. 电流表8. 下列哪种设备用于实现低压线路的自动控制?A. 接触器B. 继电器C. 断路器D. 隔离开关答案:A. 接触器9. 下列哪种设备用于实现低压线路的短路保护?A. 熔断器B. 断路器C. 隔离开关D. 负荷开关答案:A. 熔断器10. 在低压线路施工中,下列哪个步骤是必须的?A. 检查电源B. 检查导线C. 检查设备D. 检查接地答案:D. 检查接地二、判断题(每题2分,共20分)1. 低压线路施工时,可以先接电源,再接负载设备。
(错误)2. 断路器跳闸后,必须立即恢复供电。
(错误)3. 低压线路短路时,应立即停电处理。
(正确)4. 低压配电柜中的电流表和电压表可以互换使用。
(错误)5. 在低压线路施工中,必须按照设计图纸进行施工。
(正确)6. 低压线路过载时,可以暂时不停电处理。
本套试卷为电工精选题库,总共500道题!本套题库全国通用,题型为常考题。
题库说明:本套电工题库包含(单项选择题350道,多选题50道,判断题100道)一、单选题(共计350题,每题1分)1.低压带电作业时,( )。
A.既要戴绝缘手套,又要有人监护B.戴绝缘手套,不要有人监护C.有人监护不必戴绝缘手套答案:A2. 在室外.室内工作地点或施工设备上应悬挂( )的标示牌。
A.在此工作B.禁止合闸,有人工作C.止步,高压危险D.禁止攀登,高压危险答案:C3. 静电危害往往发生在( )A.湿度较大的季节B.春夏之交的季节C.夏秋季节D.秋冬干燥季节答案:D4. 在电力控制系统中,使用最广泛的是( )式交流接触器。
A.电磁B.气动C.液动答案:A5. 三段式电流保护中( )。
A.Ⅲ段灵敏性最好B.Ⅱ段灵敏性最好C.Ⅰ段灵敏性最好D.Ⅱ段速动性最好答案:A6. 在一定的有功功率下,功率因数表指示滞后,要提高电网的功率因数,就必须( )。
’A.增大感性无功功率B.减小感性无功功率C.减小容性无功功率D.增大容性有功功率答案:B7. 在建筑工地临时用电架空线,动力.照明线在同一横担上架设时。
导线相序是;面向负荷从左侧起依次为( )。
A.L1.L2.L3.N.PEB.L1.N.L2.L3,PEC.L1.L2.N.L3,PED.N.L1.L2.L3,PE8. 对新投入运行的变压器进行全电压冲击合闸( )次。
A.二B.三C.四D.五答案:D9. 跌落式熔断器在短路电流通过后,装在管子内的熔体快速( )断开一次系统。
A.切断B.熔断C.跳闸答案:B10. 电动势的方向是( )。
A.从正极指向负极B.从负极指向正极C.与电压方向相同D.与电压方向相反答案:B11. 并联电力电容器的作用是( )。
A.降低功率因数B.提高功率因数C.维持电流D.提高电流答案:B12. 在采用多级熔断器保护中,后级的熔体额定电流比前级大,目的是防止熔断器越级熔断而( )。
深圳低压电工证考试题库及答案一、选择题1. 以下哪项不是电器设备的三大基本要素?A. 电源B. 控制开关C. 房屋结构D. 负载2. 低压电工应具备的基本素质包括以下哪些?A. 掌握电气知识B. 具备安全意识C. 有较强的动手能力D. 具备组织协调能力E. 具备良好的沟通能力F. 掌握施工现场管理知识3. 下列哪个工具可以用于检测电压?A. 电流表B. 电压表C. 电位差计D. 电阻表4. 发生电击事故时,应迅速采取的紧急救护措施是?A. 施行心肺复苏术B. 心脏按摩C. 做人工呼吸D. 施行肢体按摩5. 在高温、潮湿、易燃、易爆和腐蚀性作业环境中,应戴着下列哪种安全防护用品?A. 导电手套B. 绝缘手套C. 防护手套D. 橡胶手套二、填空题1. 低压电气装置的额定电压一般为______伏。
2. 高于额定电压50%的电压称为______电压。
3. 在特殊情况下,低压电器开关可采用使用______方式。
4. 配电箱的冲击电流为______。
5. 低压电气装置中的接地电阻不应超过______欧姆。
三、简答题1. 简述低压电气装置的基本组成部分。
2. 什么是电气安装?3. 低压电气操作工应具备哪些技能和素质?4. 请简要说明安装低压电气设备的常用方法。
5. 低压电气装置的维护保养手段有哪些?四、案例分析题某公司的办公室装有一套低压电气系统,最近出现了频繁跳闸的问题。
请根据以下信息回答问题:1. 办公室中使用的主要电器设备有:空调、电脑、打印机、照明灯具。
2. 办公室用电小区的总电源电压为220伏,电流为100安培。
3. 办公室的总用电功率为5000瓦。
请回答以下问题:1. 跳闸问题可能的原因有哪些?2. 如何解决跳闸问题?3. 低压电工在日常操作中如何预防跳闸问题的发生?答案:一、选择题1. C2. A, B, C, E3. B4. A5. C二、填空题1. 2202. 过电压3. 双手4. 10倍5. 4三、简答题1. 低压电气装置的基本组成部分包括:电源系统、负载系统、控制系统、保护系统和监控系统。
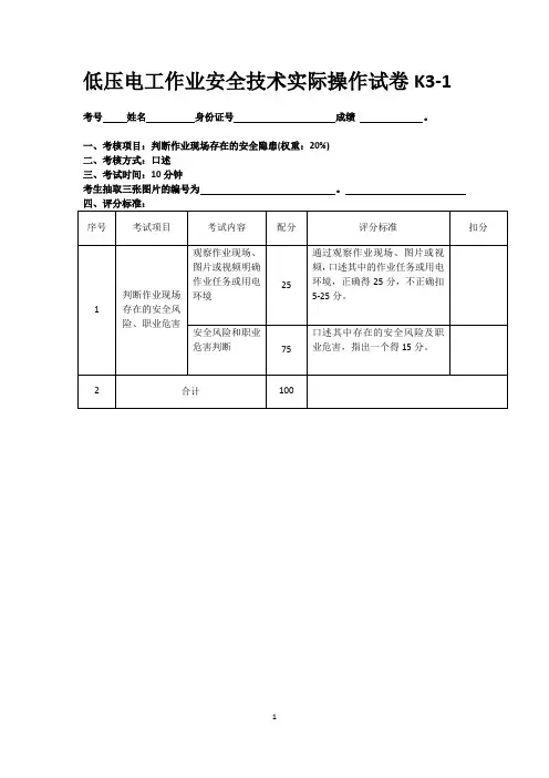
2023年广东省深圳市电工等级低压电工作业(应急管理厅)真题(含答案) 学校:________ 班级:________ 姓名:________ 考号:________一、单选题(10题)1.在不接地系统中,如发生单相接地故障时,其它相线对地电压会()。
A.升高B.降低C.不变2.电动机在额定工作状态下运行时,定子电路所加的()叫额定电压。
A.相电压B.线电压C.额定电压3.变压器并列运行的条件为()相等,组别相同,短路电压相同。
A.变流比B.变压比C.容量比D.空载电流4.在雷暴雨天气,应将门和窗户等关闭,其目的是为了防止()侵入屋内,造成火灾、爆炸或人员伤亡。
A.感应雷B.球形雷C.直接雷5.低压电工作业是指对()V以下的低压电气设备进行安装、调试、运行操作等的作业。
A.500B.250C.10006.低压配电线路其档距不一定超过( )m。
A.40B.30C.25D.207.热继电器的保护特性与电动机过载特性贴近,是为了充分发挥电机的( )能力。
A.过载B.控制C.节流8.成套接地线应用有透明护套的多股软铜线组成,其截面不得小于()mm2,同时应满足装设地点短路电流的要求。
A.35B.25C.15D.209.电路发生()或严重过载时,熔断器中的熔体将自动熔断。
A.短路B.过载C.过流D.过负荷10.电机在正常运行时的声音,是平稳、轻快、()和有节奏的。
A.尖叫B.均匀C.摩擦二、判断题(10题)11.继电器即可做过载保护,也可以做短路保护。
()A.是B.否12.TT系统是配电网中性点直接接地,用电设备外壳也采用接地措施的系统。
()A.正确B.错误13.在电压低于额定值的一定比例后能自动断电的称为欠压保护。
()A.是B.否14.几个电阻并联后的总电阻等于各并联电阻的倒数之和。
()A.是B.否15.安全间距可分为:线路间距、设备间距和检修间距。
()A.是B.否16.二氧化碳灭火器如果没有喷射软管,应把喇叭筒上扳70°~90°。
(2022年)广东省深圳市电工等级低压电工作业(应急管理厅)真题(含答案) 学校:________ 班级:________ 姓名:________ 考号:________一、单选题(10题)1.触电者处于高处,电源切断后触电者有高处坠落的可能,因此要采取( )。
A.预防措施B.保护措施C.抢救措施D.救护措施2.载流导体受到力作用的方向可由( )判断。
A.左手定则B.右手定则C.右手螺旋定则D.电磁感应3.在三相四线制配电系统中,中性线(N)的允许载流量不应()线路中最大不平衡负荷电流。
A.大于B.等于C.小于D.大于等于4.交流电的摆脱电流比直流电的摆脱电流( )。
A.大B.小C.一样D.强5.熔断器在电动机的电路中起()保护作用。
A.过载B.短路C.过载和短路6.更换和检修用电设备时,最好的安全措施是()。
A.站在凳子上操作B.切断电源C.戴橡皮手套操作7.对于低压配电网,配电容量在100kW以下时,设备保护接地的接地电阻不应超过()Ω。
A.10B.6C.48.非自动切换电器是依靠()直接操作来进行工作的A.外力(如手控)B.电动C.感应9.在不接地系统中,如发生单相接地故障时,其它相线对地电压会()。
A.升高B.降低C.不变10.电动机定子三相绕组与交流电源的连接叫接法,其中Y为()。
A.星形接法B.三角形接法C.延边三角形接法二、判断题(10题)11.在正常工作的情况下绝缘物也不会逐渐“老化”而失去绝缘性能。
()A.是B.否12.熔断器的文字符号为FU。
()A.是B.否13.变配电设备应有完善的屏护装置。
A.否B.是14.在带电维修线路时,应站在绝缘垫上。
A.否B.是15.过渡时期总路线的“两翼”是()A.实现社会主义工业化B.实现对农业的社会主义改造C.实现对手工业的社会主义改造D.实现对资本主义工商业的社会主义改造16.交流电动机铭牌上的频率是此电机使用的交流电源的频率。
()A.是B.否17.已装设的接地线要写明地线编号。
科目一:(1)仪表作用(口述)只需回答非考核项目的另外三个。
科目二问答题(一张试卷回答2个问题)
接线规范:
1、导线颜色
三相主线路U、V、W相分别用黄、绿、红三种颜色。
控制电路不能用黄绿双色线
单相线路,工作零线用蓝色(黑色);保护零线(地线)必须用黄绿双色线
2、开关(电源)下方接线端每个端子只能接1根导线(即正反转KM2主线路的进线端接线只能从
KM1主线路进线端引出)
3、露铜不超过2㎜
4、导线接头需用绝缘胶布包好
5、主回路横平竖直,弯成直角
6、导线与端子接触良好
7、无导线绝缘皮压入端子
科目三:开关箱安全隐患排查
1、三相四线颜色没用黄绿红
2、没用三相四线相对应的开关
3、进线处用塑料瓶,应用橡胶圈
4、高度1.3米
5、开关箱上端凹陷,容易进水
6、出线处有杂物(绝缘胶布)科目四
单手徒手心肺复苏操作
一.救治前的处理:
(1)确认周围环境安全,让围观的人员先散开,请求帮忙拨打120。
(2)判断意识:拍患者双肩,在患者两耳侧呼唤。
(3)判断颈动脉搏:触摸患者右侧颈动脉,触摸时间不少于5s,不大于10s。
(4)判断无自主呼吸、心跳,观察双侧瞳孔。
(5)报告考官:患者无脉搏、无心跳、无自主呼吸、瞳孔异常,(6)宽衣解带,检查无外伤摆正体位。
(7)畅通气道:侧头,摘掉假牙,清理口腔异物。
(8)打开气道:常用仰头抬颏法、托颌法,标准为下颌角与耳垂的连线与地面垂直。
二.胸外按压:
(1)定位:
①.两乳头之中为按压部位。
②.一手掌根放入按压部位,另一手重叠与手背上,手指并拢,以掌根部接触按压部位。
(2)按压:
①.双臂位于患者胸骨正上方,双肘关节伸直,利用上身垂直下压。
②.节律均匀,一次循环按压30次为15s~18s,按压幅度为5cm。
三.人工呼吸:
①.吹气时捏鼻孔,放气时松鼻孔。
②.吹气时看胸口起伏(吹2s停3s,每个循环吹2次)。
四.整体质量判定有效指征:
①.胸外按压30次和人工呼吸吹2次为一个整体循环。
②.应完成5次整体循环(有效吹气10次,有效按压150次)判断有无自主呼吸、心跳、颈动脉搏动、观察双侧瞳孔。
③.报告考官:患者有自主呼吸、心跳、颈动脉搏恢复,双侧瞳孔正常,抢救成功。
④.安置患者,整理服装,摆好体位,整理用物。
报告考官:抢救完毕。