水平管固定管单面焊双面成型评分标准
- 格式:doc
- 大小:27.16 KB
- 文档页数:4
管道各种位置焊接操作工艺技术指南(一)、水平固定管电弧焊接工艺1、管子对接焊缝只能单面焊双面成型,必须从工艺上保证根层焊缝的焊透,但又不能产生内凹和焊瘤。
2、由于焊接位置的不断变化,运条角度和焊工站立的高度必须适应变化的要求。
3、焊接热分布的规律是,上面的温度比下面高,应设置近前电阻式电流调节电器,但在焊接电流不能调正的情况下,主要靠摆动焊条来控制热量,达到均匀熔化的目的。
4、应选用有操作经验,证、质相当的焊工施焊。
5、操作技术点焊前应预先试好电流,然后检查对口是否符合要求,无误时方可点焊。
点焊使用的工艺应与正式焊接相同,一般点焊1-2点,点焊在水平或斜平焊位置上,长度为10-15mm,高度2-3mm,点焊后两端应修成缓坡形,以保持接头质量。
第一层的焊接:第一层的焊缝是决定焊接质量的关键。
采用击穿焊接法,即将钝边熔化,以保证焊缝焊透。
当对口间隙过大时,也可采用渗透法焊接,但必须焊透。
根据水平固定管的焊接特点,第一层仰焊位置采用直线运条法,平立焊位置可稍做摆动或灭弧来控制熔池温度。
每一层焊缝分两个半圆,先焊的一半称前半部,后焊的一半称后半部。
先焊一半的起头和收尾,焊到起过中心线约10-15mm,如图。
后焊的一半起头和收尾都要盖过前半的起头和收尾。
焊接从仰焊位置开始,按仰、立、平的焊接顺序进行焊接,随着焊接位置的不断变化,焊条角度也必须相应的变化,如图。
焊接时在坡口内引弧,采用酸性焊条焊接,引弧后拉长电弧预热2-3秒钟,待坡口两侧接近熔化状态,立即在低电弧开始焊接,给第一滴铁水,当铁水在坡口内形成熔池,将焊条抬起断弧,当熔池温度下降,熔池变小,再焊接形成第二个熔池,如此循环一直向前焊接。
焊接关键是要控制熔池的温度,也就是要控制电弧在熔池内停留的时间。
即要保证焊透,熔合良好,又要使铁水不往下落。
当采用碱性低氢型焊条焊接时,要直流反接,短弧操作。
引弧后就要给铁水进行焊接。
后半部焊接与前半部相同,但下接头、上收头难度较大,后半部起焊前先将接头处修成缓坡形,或用电弧接头处熔掉一部分形成缓坡状,然后再击穿焊接。
焊接技术竞赛规程一、竞赛方式与内容(一)竞赛方式本赛项为个人赛,每队参赛学生不超过2人。
技能比赛以现场实际操作方式进行。
(二)竞赛内容共分三个考核项目,请选手仔细阅读考核要求,并按要求完成操作。
操作时间:120分钟,总分300分。
项目1:板-板V形坡口立对接技术要求:1、焊接方法:焊条电弧焊(SMAW 111)。
2、焊材:根焊E5015,Φ3.2,填盖E5015 Ф4.0。
3、材质:Q235A,260х110х10mm。
4、坡口:V形坡口。
5、要求:①单面焊双面成形;②间隙、钝边自定。
项目2:板-板V形坡口横对接技术要求:1、焊接方法:二氧化碳气体保护焊(GMAW 135)2、焊材:ER50-6 Ф1.2。
3、材质:Q235A,260х110х10mm;4、坡口:V形坡口;5、要求:①单面焊双面成形;②间隙、钝边自定。
项目3:管-管水平固定焊接1、焊接方法:氩弧焊(GTAW 141);2、焊材:ER50-6 Ф2.5;3、材质:20#,Ф57×6×100mm;4、坡口:V形坡口;5、要求:①单道、单面焊双面成型水平如图固定;②不允许重熔;二、竞赛场地与设施1. 竞赛场地①竞赛工位:至少4个工位,标明工位号,并配备试件装配平台(架)和技术工作文件要求的焊接电源及附件。
②赛场每工位配备220伏电源插座二个,工位内的电缆线应符合安全要求。
③考场内必须有良好地通风设施,照明良好,安全设施齐全。
④每个工位内应设有焊接操作架。
2. 赛场设施①试件装配、焊接平台②焊接电源SMAW 111,GTAW 141(TIG), GMAW 135,FCAW 136:氩弧焊/手工直流电弧焊/气体保护焊机(实芯焊丝)/药芯焊丝,选用星云焊接设备有限公司生产(场地配备有手工、氩弧两功能组合一体焊机2台;手工、二保两功能组合一体焊机2台,要求选手在指定的工位上完成设备具有的两项焊接任务后,统一由组织人员协调更换焊接工位完成剩余任务)。
附件3:河北省职业技能鉴定统一试卷(电焊工)(初、中、高级)操作技能考核准备通知单(电焊考场钢构厂)姓名:准考证号:单位:试题技能鉴定考评项目(初级焊工实操技能)1、焊工技能鉴定实操考评项目(初级技能):设2个项目(见下表)。
焊工技能鉴定实操考评项目(初级技能)2、实际操作考评有关规定(1)考试人员应尊重并服从监考裁判员,按规定进行实际操作,考场内不得喧哗和相互讨论。
在操作中违反规则者,监考裁判员有权予以制止。
(2)参加考评人员按确定的场次及工位号按时到指定地点参加考评,并按规定时间完成实操焊接。
(3)组对时试件的间隙、钝边、反变形,均由参加考评人员自定。
(4)试件定位焊采用与正式焊接相同的焊接方法和焊接材料,对接板定位焊在坡口内的两端,不允许加引弧板和引出板,定位焊每段长≦20mm。
(5)管的定位焊在正面坡口内,定位焊数不得超过三点,每段长度≤20mm。
上架固定时。
(6)焊接过程中,试件不准取下、移动或改变焊接位置(转动焊除外)。
(7)板对接焊采用一个方向焊接,不得由中间向两端焊或由两端向中间焊,其余层数的方向和打底焊的方向要一致。
(8)管对接水平固定焊和45°固定焊均采用两半圆自下而上焊接。
(9)参加考评人员要严格按照项目规定发放的材料和指定的规格进行施焊。
(10)焊接完毕,参加考评人员应认真清理试件表面的焊渣、飞溅,但不能对焊缝表面修磨,和破坏试件焊缝的原始成形。
焊工技能鉴定实操项目一(初级工)电焊:Φ108×5mm钢管v形坡口对接水平固定焊接技术要求:1、要求单面焊接成形。
2、焊条直径自选,焊缝钝边、间隙3、焊接时自6点位到12点位焊接,焊件不可移动,4、完成焊缝要求表面干净,不得破坏焊缝原始状态,否则,焊件作废5、考试时间30分钟技术要求:1、要求单面焊,焊缝反变形、钝边、间隙自定。
2、焊条直径自选,焊缝钝边、间隙自定。
3、焊接时焊件不可移动,4、完成焊缝要求表面干净,不得破坏焊缝原始状态,否则,焊件作废5、考试时间30分钟3、评分标准见附表:技能鉴定考评项目(中级焊工实操技能)1、焊工技能鉴定实操考评项目(中级技能):设2个项目(见下表)。
课程教育研究 Course Education Ressearch 2015年2月 下旬刊 教学·信息131· ·有趣味性。
在对物体与图形的认知时,同学们对自身带来的茶叶罐、小瓶子、小皮球、魔方等等,经过触摸、爬滚、比较等各式各样的活动,更为深刻地明白物质与物质之间的相同处和不同处。
假若我们为师者仅凭同学们的联想,极难说出各类立体图形的特性。
四、在公平、宽松、融洽中上练习课在学习基数词和序数词时,同学们更是兴致勃勃。
举个例子:老师说:“目前本人要请8位同学一起做游戏,谁愿意?”(小朋友们很高兴,大家都举起小手。
)于是笔者选了8位性格较为内向、胆小又不爱表现的小朋友上讲台来。
老师说:某某同学对下面的同学说一下自己由左侧算起是第几位?右侧算起是第几位?第几位小朋友叫什么名字?猜一下,老师最喜欢哪位小朋友?他在左边数来是第7位,右边数来是第几位,叫什么名字?就此反复训练,小朋友们则对序数词很清晰了。
如此不仅能促进同学们之间的感情,而且在公平、宽松、融洽的学习环境下可以增长学识。
五、结束语总而言之,组建一门高效的练习课不是一件困难的事,训练是在清楚了解的前提下对学过的学识有更高一级再一次认知,为了更好的协助同学们打牢练习的基础,经过这类训练即时巩固全新的学识,经过集体练习进一步提高同学们对知识的认知,开发数学潜能。
参考文献:[1] 尤丽丽. 如何培养小学生的数学兴趣[J]. 快乐阅读. 2013(06)[2] 白晓林. 情境教学法在小学数学教学中的运用[J]. 学周刊. 2013(06) [3] 张坤. 巧设问题情景激发学生数学兴趣[J]. 学周刊. 2013(06)管—管垂直固定单面焊双面成形焊接王俊昌(保定高级技工学校 河北 保定 071000)【摘要】将管进行点固连接,然后进行定位(垂直固定),再进行起头、 运条、收尾的技能操作,焊接过程中,注意防止烧穿、焊瘤,并要注意接头的自然过渡。
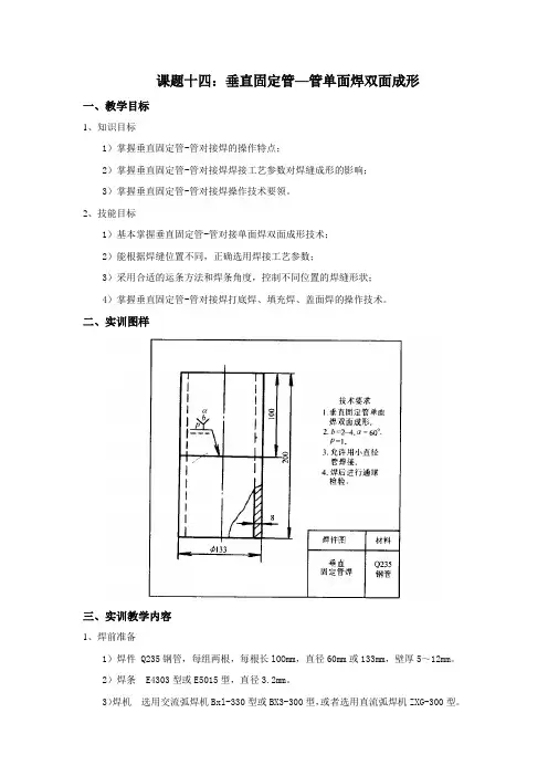
课题十四:垂直固定管—管单面焊双面成形一、教学目标1、知识目标1)掌握垂直固定管-管对接焊的操作特点;2)掌握垂直固定管-管对接焊焊接工艺参数对焊缝成形的影响;3)掌握垂直固定管-管对接焊操作技术要领。
2、技能目标1)基本掌握垂直固定管-管对接单面焊双面成形技术;2)能根据焊缝位置不同,正确选用焊接工艺参数;3)采用合适的运条方法和焊条角度,控制不同位置的焊缝形状;4)掌握垂直固定管-管对接焊打底焊、填充焊、盖面焊的操作技术。
二、实训图样三、实训教学内容1、焊前准备1)焊件 Q235钢管,每组两根,每根长lOOmm,直径60mm或133mm,壁厚5~12mm。
2)焊条 E4303型或E5015型,直径3.2mm。
3)焊机选用交流弧焊机Bxl-330型或BX3-300型,或者选用直流弧焊机ZXG-300型。
4)辅助工具渣锤、手锤、钢丝刷、活扳手、面罩、划线工具及个人劳保用品。
2、实训要求1)实训内容①填写焊接工艺卡②管子垂直固定,两点定位焊;③焊后焊缝表面不允许休整;④掌握垂直固定管-管对接焊的操作要领,工艺参数的选择与调节。
2)工时定额工时定额为40min3)安全文明生产①能正确执行安全技术操作规程。
②能按文明生产的规定,做到工作地整洁、工件、工具摆放整齐。
3、操作步骤1)熟悉图样,清理坡口表面并锉削钝边,留0.5~1mm。
装配定位焊,留2~3mm间隙,将管子垂直固定在工作台上。
2)由定位焊缝的对称面选定起焊处,用灭弧击穿法进行打底层焊接。
3)清理熔渣后,用多道焊焊接填充层和表面层。
采用直线形运条法,焊道间重叠2/3~l/2。
表面层焊道间渣壳待整体焊完后,一并清除。
4)清理熔渣及飞溅物,检查正、背面焊缝。
4、操作要领垂直固定管的焊接位置为横焊,其不同于板对接横焊的是:焊工在焊接过程中要不断地按着管子曲率移动身体,并调整焊条位置,这就给操作带来难度。
1)装配与定位焊在保证管子轴线中心对正的前提下,按圆周方向均布定位焊缝.大管可焊2~3处,小中管可焊1~2处,每处定位焊缝长10~15mm,根部间隙2~4mm。
浅谈固定管斜45°对接氩电联焊单面焊双面成形技术作者:陈安新来源:《科技创新导报》2017年第07期摘要:斜45°固定管管对接焊是介于垂直固定管和水平固定管焊接之间的一种焊接操作方法。
该文是采用氩弧焊方法进行打底层焊缝的焊接,而后再用焊条电弧焊进行填充层、盖面层焊缝的焊接,这是两种焊接方法的组合,简称氩电联焊。
氩电联焊既可以保证焊缝质量,又可提高生产率,也能达到节约材料的目的。
氩电联电的方法多用于重要或质量要求较高的管道焊接。
关键词:焊接斜45°固定管氩电联焊单面焊双面成形质量中图分类号:TG441 文献标识码:A 文章编号:1674-098X(2017)03(a)-0059-02斜45°固定管管对接焊是介于垂直固定管和水平固定管焊接之间的一种焊接操作方法,在焊接过程中如果操作不当就可能会出现咬边、熔合不良、焊瘤、下坠、夹渣等缺陷,所以,焊缝成形较为困难,其操作与水平固定管对接焊操作基本相似。
所不同的是在仰焊位置焊接时,焊条应作斜拉摆动,在坡口上侧多做停留;在平焊位置时,焊条斜拉方向与仰焊位置相反,无论管子怎样倾斜,尽可能地保持熔池为水平状态,避免出现坡口上侧咬边,坡口下侧液态金属下坠而堆积的缺陷。
焊接过程中由于设备、材料、工艺及操作等原因,使得形成的焊缝达不到质量要求,从而对结构的工作质量和使用寿命产生严重影响。
下面结合笔者教学工作经验,以Φ108 mm×8 mm固定管斜45°对接氩电联焊为例说明其操作过程。
1 焊前准备焊前准备主要是进行设备性能的调试确认,母材材质、坡口形式确认,焊材规格材质、烘干情况确认,劳保用品穿戴好,调整好心态,装配定位等。
1.1 焊件20钢无缝钢管,Φ108 mm×8 mm×100 mm,在管的一端开30°坡口,两件。
1.2 焊接材料焊丝:采用H08A。
焊条:采用E5015型,直径3.2 mm。
焊接评分标准及要求
工件号码:-------- 时间:20分钟分数:---------
一、考试要求:
1、考试所需工具(手锤、锉刀、钢丝刷、刨锤、扁铲等)自备。
2、设备为:NBC-350或NBC-250. 焊丝规格:Φ1.0mm或Φ1.2mm。
3、装配平齐,间隙、钝边自定,钝边在装配前已加工,允许采用反变形。
4、管型件直缝焊件单面焊双面成形,接方向采用一个方向焊接,不得由中间向两端或由两端向中间焊接。
6、管型角接试件定位焊缝不允许在仰焊(六点钟)位置。
单面焊双面成形。
管状试件离地面高度不高于850mm。
7、管型角接试件在焊接过程中,试件不准取下、移动或改变焊接位置。
8、试件在正式施焊后,不允许动用电动工具打磨、处理接头。
9、劳保品穿戴齐全(自备),执行安全技术操作规程,焊接作业结束清理焊位卫生。
10、对违反规定者将给予适当扣分处理。
0前言随着化工及电力工业的不断发展,中厚壁板的钢管得到越来越广范的应用。
在实际使用过程中往往局限与供货长度,因此钢管必须进行环形焊缝的拼接才能达到设计规定的要求,而管道内部一般为流动性液体或气体,且又不能够两面施焊,如采用加衬垫拉间隙的方式进行拼接焊接,而钢管内部衬垫、焊缝焊瘤以及焊缝塌腰往往防碍管内部介质的流动。
因此为了保证钢管焊缝质量,必须用单面焊双面成型焊接技术,从工艺上保证第一层焊缝焊透且背面成型良好。
1工艺措施1.1焊前准备a.搭设固定管子的支架由于焊接位置是沿圆形连续变化,这就要求施焊者站立的高度和运条角度必须适应焊接位置变化的需要。
根据实际经验支架的高低一般以钢管放上后管子最低处离地面约650mm为宜。
b.坡口形式采用火焰切割的方式或用切口机的方式把接口切割成300波口,顿边为1mm;用砂轮机修磨坡口上以及坡口附近15mm的氧化铁或毛刺。
c.焊接材料选用依据母材的材质选用相应焊条,一般由于水电行业钢管的应用较为严格,因此推荐选用相应牌号的低氢型碱性焊条,并在使用前根据说明书要求存放和烘干处理。
1.2组对如图将需要拼接的钢管放在支架上进行组兑,两管间隙保证3~4mm,错牙小于1mm,圆周进行定位焊,定位焊时管直径≤Ф133mm时定位焊取两点;>Ф133mm时定位焊取三点,但为保证焊缝质量定位焊时最好采用板条单面焊到管子外侧来临时固定管子,当焊缝焊到该位置时再把板条打掉。
定位焊的焊接电流应偏大些,以使起焊处有足够的温度;定位焊缝长度一般为10~20毫米,高度为3~5毫米。
定位焊缝一定要保证质量,不允许有缺陷存在。
焊后清理干净后,将定位焊两端磨成斜坡。
1.3焊接a.第一层的焊接第一层焊缝的焊接时由于熔池的温度和形状不易控制,根部焊缝常出现焊不透、焊瘤及塌腰等焊缝缺陷。
尤其在起焊点和收尾点如果处理不好,则非常容易出现多种缺陷。
因此焊缝质量的好坏最关键的就是第一层的的焊接,焊条采用Ф3.2mm焊条,焊接时采用稍作摆动的直线运条法。
2010~2011学年第一学期期末技能考试班级:姓名:成绩:水平固定管对接5G(焊条电弧焊)一、实际操作试件规格见附图:D:φ50mmS:mmα:32°±2b、p自定二、考试用设备、材料:试件材质:20G焊条型号:E4303 规格:φ焊机设备:交流弧焊机三、试件组对规定:1、应按规定穿戴劳动保护用品,否则不能参加考试2、比赛组对焊接时间为60分钟,迟到10分钟(含10分钟)以上者,按自动弃权处理。
3、选手试电流只能在专门统一发给的试板上进行,不准在夹具上试电流,否则按违反考场规则处理。
4、试件的焊接均采用两半圆自下而上焊接,试件点固处不许放在仰焊(5点钟~7点钟)位置,试件点固不得超过二段,每段长度≤10mm。
5、试件固定高度不得高于1.2m(以试件中心线为准)。
试件在施焊过程中(包括焊缝层间清理)均应在焊接支架上进行,不得再变换位置和方向。
如遇清理焊缝使试件移位,应在监考人员监督下恢复原位,试件焊完不准取下。
6、焊接完毕,选手应认真清理试件表面的焊渣、飞溅,但不能破坏试件焊缝的原始成形,清理好的试件交监考人。
项目:焊条电弧焊水平固定管焊(5G)管件φ50×50×试件明码:()得分:评判员:时间:2010~2011学年第一学期期末考试焊工材料单水平固定管对接管料:φ50×㎜L=50㎜2节/人焊条:E4303 φ6根/人焊工(2+2)3班30人焊工(2+2)4班30人立对接单面焊双面成型板料:300×30×4㎜2条/人焊条:E4303 φ5根/人焊工21班共计50人板对接单面焊双面成型(仰焊)板料:300×30×8㎜2条/人焊条:E4303 φ10根/人焊工(2+2)1、2班25人。
焊工国家职业标准规范-职业概况:焊工是指操作焊接和气割设备,进行金属工件的焊接或切割成型的人员。
该职业共设五个等级,分别为初级、中级、高级、技师和高级技师。
焊工的工作环境包括室内、外及高空作业,施工中会产生一定的光辐射、烟尘、有害气体和环境噪声。
该职业需要具备一定的研究理解和表达能力,手指、手臂灵活,动作协调,视力良好,具有分辨颜色色调和浓淡的能力。
初中毕业即可从事该职业。
培训要求:全日制职业学校教育是焊工培训的主要方式,培训期限根据其培养目标和教学计划确定。
晋级培训期限为:初级不少于280标准学时,中级不少于320标准学时,高级不少于240标准学时,技师不少于180标准学时,高级技师不少于200标准学时。
培训初、中、高级焊工的教师应具有本职业大专以上学历或高级以上职业资格证书,培训技师、高级技师的教师应具有高级技师职业资格证书或相应专业技术职称,口齿清楚、有较好的表达能力。
理论培训应具有可容纳30名以上学员的教室;实操培训场所应具有80 m2以上且能安排8个以上工位,有相适应的设备和必要工卡具,通风良好,安全设施完善的场地。
鉴定要求:从事或准备从事焊工职业的人员均可进行鉴定。
初级职业资格证书的申报条件为:经本职业初级正规培训达规定标准学时数,并取得毕(结)业证书,或在本职业连续见工作2年以上。
中级职业资格证书的申报条件为:取得本职业初级职业资格证书后,连续从事本职业工作3年以上,经本职业中级正规培训达规定标准学时数,并取得毕(结)业证书;取得本职业初级职业资格证书后,连续从事本职业工作5年以上;连续从事本职业工作6年以上;取得经劳动保障行政部门审核认定的,以中级技能为培养目标的中等以上职业学校本职业毕业证书。
高级职业资格证书的申报条件为:取得本职业中级职业资格证书后,连续从事本职业工作4年以上,经本职业高级正规培训达规定标准学时数,并取得毕(结)业证书。
要获得技师和高级技师的职业资格证书,需要满足一定的工作经验和培训要求。
20#钢管水平固定障碍氩弧焊单面焊双面成形焊接技术1 焊前准备(1)工件:20#钢管,直径60mm,壁厚4mm,长100mm,30度V型坡口。
(2)钝边厚:1.2mm,对口两侧各20~30mm打磨出金属光泽。
(3)对口间隙:2~2.5mm。
(4)点固点:在12点位置正式焊10mm(同打底焊缝),(也可在6点位置正式焊5~10mm)。
(5)支架固定要保证工件与地面平行,高度合适,点固点放置在12点与1点间,与上下障碍管距离均匀。
2 打底层焊接2.1 设备调节及参数直流逆变式氩弧焊机ZX7-315或ZX7-400型;极性采用正接(地线接电源正极),使用无收弧程序;风冷焊枪,喷嘴使用5#;氩气纯度99.99%,流量8~10L/min;焊丝TG50,直径2.5mm;钨极直径2.4mm,两端磨削成尖状(一般磨削4~5mm长度);焊接电流I=85A左右,起弧电流调至0,推力/衰减调至0。
2.2 打底焊操作要领2.2.1 焊枪角度按前后两半部分由下至上焊接,打底焊接钨极伸出长度可以随着焊接位置进行调整,在下部起焊处和上部收尾处钨极伸出长度可适当长些(因为此处有障碍管,对焊枪的位置受到限制),一般伸出8~10mm;焊枪与两侧工件垂直,钨极伸到起焊处5点钟位置的坡口间隙?龋?焊枪靠在下侧的障碍管壁上;焊丝前段弯成弧形,焊丝放在钨极前端的坡口根部,以便于送丝;戴好头盔焊帽引弧。
2.2.2 起头戴好头盔焊帽按下焊枪开关引燃电弧,预热5点钟起焊端两侧坡口根部的钝边处约0.5~1秒钟,看到钝边亮红状态,把焊丝前部送入到电弧下侧坡口根部的一侧钝边处,让熔化的焊丝铁水与这侧钝边熔合,然后电弧向另一侧摆动把铁水和另一侧的钝边熔合,形成一个完整的熔池,第一个熔池形成后,焊枪向前摆动继续熔化焊丝向前施焊。
2.2.3 正常焊接焊接中焊丝熔化的熔滴以滴状过渡到坡口根部与钝边处熔合形成焊缝,焊接管子下部时熔滴1/2送入到管子里侧,以防止内部凹陷,焊接到立焊部位时熔滴1/3送入到管子里侧,以保证内部成形均匀(该位置可以适当缩短钨极的伸出长度,可伸出5~6mm),焊接到平焊部位时熔滴1/4送入到管子里侧,以防止内部凸起过高;整个焊接焊枪与焊缝成70°~80°左右的夹角,焊丝与焊枪成90°~100°左右的夹角,焊枪做横向摆动切两侧稍作停留,以保证焊缝两侧与破口面熔合良好,填充量达到正面焊缝熔合管壁厚度的1/2和1/3为宜;焊至管子上方超过12点位置到11点钟位置收弧(焊至1点钟位置时需要恢复钨极的伸出长度,以保证在上障碍管的影响下确保钨极到达11点钟位置处)。
完好版本单面焊双面成型评分标准单面焊双面成型评分标准姓名:总分:一、考试用设施、资料:试件材质: Q235 钢板尺寸: 300× 200× 12mm坡口尺寸: 60° V 形坡口2mm钝边焊接地点:立焊焊接要求:单面焊双面成型焊条型号: E4303 或 E5016 规格 : φ 4mm、φ 3.2mm、φ 2mm焊机设施:沟通弧焊机或直流弧焊机二、试件组对规定:1、应按规定穿着劳动保护用品,不然不可以参加考试2、板状试件点固在试件两头,点固长度≤20nmm;采纳一个方向焊接,不得由中间向两端焊或由两头向中间焊,其他层数的方向和打底焊的方向要一致。
3、焊接完成,选手应仔细清理试件表面的焊渣、飞溅,但不可以损坏试件焊缝的原始成形评分项目评分细则配分得分1、整体不可型为0 分2、不可型超出 10mm扣 2反面成型分20 3、焊瘤一处扣 2 分4、成型不雅观扣 2 分5、宽窄不一致扣 2 分1、角变形扣 5 分2、余高过高扣 3 分焊缝尺寸3、焊缝太宽扣 3 分20 4、焊缝未焊满扣 3 分5、焊缝宽度不一致每处扣 1 分焊1、咬边一处扣 1 分2、未焊透一处扣 1 分缝3、未熔合一处扣 1 分表缺点204、焊瘤一处扣 2 分面5、气孔一处扣 2 分6、夹渣一处扣 2 分1、劳保工具运用不正确扣 2 分安全生产2、焊机使用违规扣10分103、焊后清理不到位扣5分注:焊件一经施焊不得改变焊件地点,如改变地点成绩按 0 分计算。
水平管打底的焊接采用断弧法,要求单面焊双面成形,焊接电流为60~70A,首先从底部偏左10㎜处采用直击法引弧,然后拉长电弧预热1~2秒后迅速压低电弧使其在坡口内壁燃烧,这时在坡口两侧各形成一个焊点,再使两个焊点充分熔合到一起后熄弧,形成一个完整的熔池。
这时在坡口两侧可看到一个熔孔,等到熔池颜色开始由亮变暗时再接弧,下次接弧要将电弧完全伸至管内壁使电弧在壁内燃烧,每次接弧的覆盖量只能压住原熔池的1/3左右,不能压得太多,否则不易焊透、背面产生内凹,接弧位置要准确,短弧操作。
每次引弧要听到管内有“噗、噗”的响声后再熄弧,熄弧时采用向上挑弧,动作要果断、利索。
更换焊条前收弧时要注意填满弧坑,以免产生冷缩孔。
接头时动作要迅速,在弧坑前方坡口处引弧并拉长电弧预热后,迅速压低电弧运条至接头处往上顶送焊条,使焊条端头和管内壁平齐,并稍作停顿一下后熄弧,再转入正常焊接。
立焊位焊接到此位置时,焊条的伸入量约是管壁的2/3左右,焊条的角度要随时调整。
反接头当焊接到离定位焊反接头处还有4㎜时,焊条作圆圈摆动后往里压一下电弧,听到击穿后,使焊条在接头处稍作摆动,填满弧坑后熄弧。
平焊位当焊接到此位置时,焊条不能伸入太多,大约是管壁的1/3左右,并要注意观察熔池的温度,避免产生焊瘤,并且焊过中心线10㎜左右,收弧时要填满弧坑。
2)后半部焊接后半部焊接后半部焊接后半部焊接:焊前首先要彻底清除仰焊接头处的缺陷,可用电弧或角向磨光机将接头处铲成缓坡形状,这样便于接头。
焊接时在仰焊反接头偏后10㎜处引弧,预热2~3秒后迅速压低电弧,随后马上将焊条往上顶,使其在壁内燃烧,形成完整的熔池后再熄弧,如此反复。
其余方法同前半部一致,当焊接到平焊位置封口时,采用划圆圈法往里轻压一下电弧,听到击穿声后,使焊条在接头处稍作摆动,填满弧坑后熄灭弧。
2010~2011学年第一学期期末技能考试成绩:
姓名:班级:
(焊条电弧焊)水平固定管对接5G一、实际操作试件规格见附图:
α
p
S100mm
:L D50mm :φD b
mm
:S L
α:32°±2
b、p自定
二、考试用设备、材料:20G材质:试件:φ规格E4303 焊条型号:焊机设备:交流弧焊机
三、试件组对规定: 1、应按规定穿戴劳动保护用品,否则不能参加考试2、比赛组对焊接时间为60分钟,迟到10分钟(含10分钟)以上者,按自动弃权处理。
3、选手试电流只能在专门统一发给的试板上进行,不准在夹具上试电流,否则按违反考场规则处理。
4、试件的焊接均采用两半圆自下而上焊接,试件点固处不许放在仰焊(5点位置,试件点固不得超过二段,每段长度≤10mm。
)点钟7钟~
5、试件固定高度不得高于1.2m(以试件中心线为准)。
试件在施焊过程中(包括焊缝层间清理)均应在焊接支架上进行,不得再变换位置和方向。
如遇清理焊缝使试件移位,应在监考人员监督下恢复原位,试件焊完不准取下。
6、焊接完毕,选手应认真清理试件表面的焊渣、飞溅,但不能破坏试件焊缝的
原始成形,清理好的试件交监考人。
项目焊条电弧焊水平固定管焊(5G)管件φ50×50×:试件明码:()得分:
评判员:时间:2010~2011学年第一学期期末考试焊工材料单
水平固定管对接
管料:φ50×㎜L=50㎜2节/人
焊条:E4303 φ6根/人
焊工(2+2)3班30人
焊工(2+2)4班30人
立对接单面焊双面成型
板料:300×30×4㎜2条/人
焊条:E4303 φ5根/人
焊工21班共计50人
板对接单面焊双面成型(仰焊)
板料:300×30×8㎜2条/人焊条:E4303 φ10根/人
人25 班2、1)2+2焊工(.。