04外照射剂量的计算
- 格式:docx
- 大小:24.95 KB
- 文档页数:13
应用Geant4计算光子外照射对人体产生的有效剂量李明生;欧向明;牛昊巍;程金生【摘要】在Geant4中构建ORNL程式化混合模体,应用此模体计算不同能量下平行光子入射的人体有效剂量.计算结果以吸收剂量与空气比释动能比值的形式呈现.计算结果与ICRP74值进行了对比验证.【期刊名称】《中国医学装备》【年(卷),期】2010(007)007【总页数】4页(P14-17)【关键词】ORNL模体;有效剂量;蒙特卡洛方法;光子【作者】李明生;欧向明;牛昊巍;程金生【作者单位】中国疾病预防控制中心辐射防护与核安全医学所,北京,100088;中国疾病预防控制中心辐射防护与核安全医学所,北京,100088;中国疾病预防控制中心辐射防护与核安全医学所,北京,100088;中国疾病预防控制中心辐射防护与核安全医学所,北京,100088【正文语种】中文【中图分类】R1441 引言有效剂量是辐射防护中的一个重要的危险评估量,有效剂量作为防护量,无法直接测量。
一种方法是应用蒙卡程序模拟出重要辐射敏感器官的当量剂量,根据ICRP60报告[1]中的辐射敏感器官组织权重因子得到有效剂量;另外一种是通过已经算好的器官剂量转化系数得到人体有效剂量,例如ICRP74报告[2]中的器官剂量转化系数。
在蒙卡软件Geant4中构建一个ORNL[3]混合模体,应用此模体计算人体侧面照射时的有效剂量。
混合模体是指把男性与女性的一些性器官组合到一起形成的模体,应用此模体可以直接计算各种几何条件下人体器官的当量剂量值和人体有效剂量。
模体主要器官体积与参考体积进行了对比,有效剂量值与ICRP74报告中的系数值进行了对比验证。
2 材料和方法2.1 Geant4中构建模体方法Geant是英文“几何与追踪”(Geometry And Tracking)的缩写,是一种利用蒙特卡洛模拟粒子通过物质整个物理过程的软件平台。
这个软件适用于几乎所有已知的物理粒子,并且可以覆盖绝大多数的粒子反映过程。
辐射剂量计算公式(二)辐射剂量计算公式辐射剂量计算是核科学和辐射防护领域的重要内容,通过计算辐射剂量可以评估辐射对人体的影响。
在实际计算过程中,我们需要使用一系列的公式来进行计算。
本文列举了一些常见的辐射剂量计算公式,并通过具体例子来解释说明。
线源辐射剂量计算公式1.线源辐射剂量计算公式可以用于计算距离线源一定距离处的辐射剂量。
基本公式如下:D=S⋅Q 4π⋅r2其中,D表示辐射剂量,S表示放射源的强度,Q表示放射性放射源的比活度,r表示距离线源的距离。
例如,某个放射源的比活度为2 Ci(居里),放射源距离人体10米,求该处的辐射剂量。
D=2 Ci×37×106 Bq/Ci4π×(10 m)22.若受辐射者和辐射源距离不同,则可以使用以下公式进行计算:D=S⋅Q4π⋅r12×r12r22其中,D表示辐射剂量,S表示放射源的强度,Q表示放射性放射源的比活度,r1表示距离辐射源的初始距离,r2表示距离辐射源的目标距离。
例如,某个放射源的比活度为1 Ci,距离人体10米时的剂量为8 mSv,问距离人体20米时的剂量为多少?D=1 Ci×37×106 Bq/Ci4π×(10 m)2×(10 m)2(20 m)2面源辐射剂量计算公式1.面源辐射剂量计算公式可以用于计算距离平面放射源一定距离处的辐射剂量。
基本公式如下:D=S⋅Q4π⋅r2⋅1−cosθ2π其中,D表示辐射剂量,S表示放射源的强度,Q表示放射性放射源的比活度,r表示距离放射源的距离,θ表示入射方向与垂直方向的夹角。
例如,某个平面放射源的比活度为Bq/cm²,放射源距离人体30米,入射方向与垂直方向的夹角为30度,求该处的辐射剂量。
D= Bq/cm²×(10−4 m/cm)24π×(30 m)2⋅1−cos30∘2π2.若受辐射者和面源放射源距离不同,则可以使用以下公式进行计算:D=S⋅Q4π⋅r12×1−cosθ2π×r12r22其中,D表示辐射剂量,S表示放射源的强度,Q表示放射性放射源的比活度,r1表示距离放射源的初始距离,r2表示距离放射源的目标距离,θ表示入射方向与垂直方向的夹角。
职业性外照射个人监测规范作者:国家标准转贴自:国家标准点击数:587 文章录入:xiaoyu前言本标准第4.1条、第4.2条和第9章为强制性的,其余为推荐性的。
根据《中华人民共和国职业病防治法》制定本标准,原标准GB5294-2001与本标准不一致的,以本标准为准。
本标准起草时主要依据卫生部令第52号《放射工作人员健康管理规定》,并参考ICRP第60号出版物《国际放射防护委员会1990年建议书》、ICRP第75号出版物《工作人员放射防护的一般原则》和IAEA安全丛书115号《国际电离辐射防护和辐射源安全的基本安全标准》等资料约有关内容。
本标准的附录A是规范性附录。
本标准由中华人民共和国卫生部提出并归口。
本标准起草单位:中国疾病预防控制中心辐射防护与核安全医学所。
本标准主要起草人:程荣林、王建超。
本标准由中华人民共和国卫生部负责解释。
职业性外照射个人监测规范Specifications of individual monitoring for occupational external exposureGBZ128-20021 范围本标准规定了职业照射中外照射(以下简称"职业外照射")个人监测的原则、方法、剂量评价以及质量保证等方面的基本要求。
本标准适用于放射工作人员职业外照射个人监测。
2 规范性引用文件下列文件中的条款通过本标准的引用而成为本标准的条款。
凡是注日期的引用文件,其随后所有的修改单(不包括勘误的内容)或修订版均不适用于本标准,然而,鼓励根据本标准达成协议的各方研究是否可使用这些文件的最新版本。
凡不注日期的引用文件,其最新版本适用于本标准。
GBZ/T151 放射事故个人外照射剂量估算原则3 术语和定义下列术语和定义适用于本标准。
3.1 职业照射 occupational exposure除了国家法规、标准所排除的照射和已规定予以豁免的实践或源产生的照射以外,工作人员在工作过程中所受的所有照射。
剂量率和距离公式典型γ辐射剂量计算方法γ辐射剂量计算是为辐射防护提供设计输入数据,判定屏蔽材料选择是否满足人员和公众辐射防护要求。
文章介绍了几种典型模型的γ辐射剂量计算方法,为同类核设施或核技术运行设施辐射防护屏蔽计算提供参考。
关键词:典型;辐射;计算引言在国内外核技术应用和核设施中,存在大量γ放射性核素,γ放射性核素会发出一定能量的γ射线。
人员接触后,会产生受照剂量,在不采取辐射防护措施的情况下,一旦超过限值,可能对人员产生辐射损伤。
在已建成的核技术运用设施和核设施,通常设置有固定式或者便携式γ剂量测量设备,用于监测工作现场γ剂量率,根据监测数据确定工作人员辐射防护措施,确保工作人员辐射安全。
但新建的核技术运用设施和核设施,需要通过新建设施内的源项进行γ剂量理论计算,计算结果作为设计输入,进行辐射防护屏蔽设计,确保设施运行过程中工作人员辐射安全。
目前国内外γ辐射剂量计算多数采用蒙卡计算,计算软件较为复杂,而且需要专业技术人员计算,科研研究院所使用较多,厂矿企业使用较少。
因此,为方便厂矿企业开展辐射剂量计算,特开展较为典型模型的辐射剂量计算开展研究。
对于较为复杂的模型,可采用点核计算后进行积分或叠加。
1 γ外照射辐射防护计算原理1.1 Γ常数放射性同位素的Γ常数表示从1mCi点源释放出的未经屏蔽的γ射线在距源1cm处所造成的剂量率(R/h)。
Γ常数分为微分Γ常数和总Γ常数,对某一给定放射性同位素的某一单能γ射线所计算的Γ常数为微分Γ常数,以Γi表示,放射性同位素的总Γ常数简称Γ常数,等于Γi之和。
即:上式可简化为:。
经计算,Cs-137的Γ常数为8.51E-14Gy.m2/(h.Bq),Co-60的Γ常数为3.42E-13Gy.m2/(h.Bq)。
1.2 γ屏蔽计算γ射线与物质的相互作用,主要是光电效应、电子对效应和康普顿散射。
究竟哪种效应是主要的,决定于射线的能量和屏蔽材料的原子序数,三种效应均随屏蔽材料原子序数的增加而不同程度的增加。
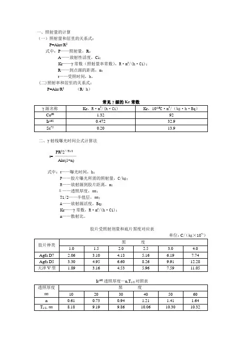
一、照射量的计算
(一)照射量和居里的关系式:
P=Akrt/R2
式中:P——照射量,R;
A——放射性活度,Ci;
Kr——γ常数(照射量率常数),R·m2/(h·Ci);
R——到点源的距离,m;
t——受照时间,h。
(二)照射率和居里的关系式:
P=Akr/R2 (R/ h)
二、γ射线曝光时间公式计算法
PR22δ/T1/2
t= —————
Akr(1+n)
式中:t——曝光时间,h;
P——胶片曝光所需的照射量,C/㎏;
R——放射源到胶片距离,m;
δ——透照厚度,㎜;
T1/2——半值层,㎜;
A——放射源活度,Bq;
Kr——γ常数,R·m2/(h·Ci);
n——散射比。
胶片受照射剂量和底片黑度对应表
-4)
192透照厚度—n,T对照表
三、安全距离计算公式:
Akr 1
Rx= (——·————)1/2
P2δo/T1/2
式中:Rx——安全距离,m;
P——安全剂量限值,放射工作人员P=5.42×10-7C/(㎏·h)(2.1MR/H);公众P=5.42×10-8C/(㎏·h) (0.21MR/H);
δo——γ射线穿透的球罐壁厚度,㎜;
A——放射源强度,Bq;
Kr——γ常数,R·m2/(h·Ci);
T1/2——半价层,㎜。
个人剂量计刻度情形 7 各实用量之间的关系 ™ 当指定方向与辐射入射方向相同时,即Ω Ω=0,则: ƒ H’(d, 0 = H’(d = H*(d ™ 辐射场均匀,且身体上指定点的外法线方向与定义H’(d的指定方向重合,则: ƒ H p ( d ≈ H ′( d ™ 在单向均匀辐射场中,如果指定点外法线的方向与入射辐射的方向反平行,则: ƒ H p (d ≈ H * (d 五实用量的测量测量示意图 1 绝对测量方法:按 H * (d 和H ′(d 的定义测量,测量仪器可用量热计、空腔电离室和硫酸亚铁等参考剂量计测定。
利用水、塑料或有机玻璃等组织有效材料做成直径为30cm的ICRU球体模,然后在球的指定深度开一个小 * 空腔安放参考剂量计,按照 H (d 和H ′(d 的定义来严格规定测量条件和手段,就可以进行测量。
五实用量的测量(续)六实用量的试验验证——热释光剂量计实验过程:有直径30cm球形、30×30×30cm立方形组织等效模型,利用LiF(Mg,Ti热释光2块,用黑色塑料布包装,其中一块薄的(0.2mm对着开口窗,厚的一块(0.4mm放在塑料滤板下,做能量响应的刻度实验,并对体模的散射差异进行了修正。
实验结果:对于30keV以上能量的光子,采用热释光剂量计可以用来测定H’(10和H’(0.07,因而也可以用来测定个人剂量当量Hp(10和Hs(0.07。
2 相对测量方法对环境监测仪在已知 Da , K a 或粒子注量Φ 的参考射束中,利用转换系数对环境监测仪按 H *或H ′ 进行刻度时,监测仪可直接放在射束中进行,转换系数可以从ICRP51号出版物、ICRU43号报告查找。
对于佩带在人身上的个人计,H p (10 ≈ H ′(10 、H p (0.07 ≈ H ′(0.07,故剂量计按 H p (10或H p (0.07 的刻度可应用H’(d的转换因子在ICRU球上进行;七结论 ™ *对于环境水平的照射,H 和H ′ 可给出居民外辐 * 八辐射剂量量、操作量及防护量之间的关系Φ K D Q(L ICRU WR WT 射有效剂量的近似估计值。
前言本标准第4.1条、第4.2条和第9章为强制性的,其余为推荐性的。
根据《中华人民共和国职业病防治法》制定本标准,原标准GB5294-2001与本标准不一致的,以本标准为准。
本标准起草时主要依据卫生部令第52号《放射工作人员健康管理规定》,并参考ICRP第60号出版物《国际放射防护委员会1990年建议书》、ICRP第75号出版物《工作人员放射防护的一般原则》和IAEA安全丛书115号《国际电离辐射防护和辐射源安全的基本安全标准》等资料约有关内容。
本标准的附录A是规范性附录。
本标准由中华人民共和国卫生部提出并归口。
本标准起草单位:中国疾病预防控制中心辐射防护与核安全医学所。
本标准主要起草人:程荣林、王建超。
本标准由中华人民共和国卫生部负责解释。
职业性外照射个人监测规范Specifications of individual monitoring for occupational external exposureGBZ128-20021 范围本标准规定了职业照射中外照射(以下简称"职业外照射")个人监测的原则、方法、剂量评价以及质量保证等方面的基本要求。
本标准适用于放射工作人员职业外照射个人监测。
2 规范性引用文件下列文件中的条款通过本标准的引用而成为本标准的条款。
凡是注日期的引用文件,其随后所有的修改单(不包括勘误的内容)或修订版均不适用于本标准,然而,鼓励根据本标准达成协议的各方研究是否可使用这些文件的最新版本。
凡不注日期的引用文件,其最新版本适用于本标准。
GBZ/T151 放射事故个人外照射剂量估算原则3 术语和定义下列术语和定义适用于本标准。
3.1 职业照射 occupational exposure除了国家法规、标准所排除的照射和已规定予以豁免的实践或源产生的照射以外,工作人员在工作过程中所受的所有照射。
3.2 个人监测 individual monitoring利用工作人员佩带剂量计进行的测量,或对其体内或排泄物中放射性核素的种类和活度进行的测量,以及对测量结果的解释。
职业性外照射个⼈监测规范职业性外照射个⼈监测规范1范围本标准规定了职业性外照射个⼈监测的要求和⽅法。
本标准适⽤于职业性外照射个⼈监测。
2规范性引⽤⽂件下列⽂件对于本⽂件的应⽤是必不可少的。
凡是注⽇期的引⽤⽂件,仅注⽇期的版本适⽤于本⽂件。
凡是不注⽇期的引⽤⽂件,其最新版本(包括所有的修改单)适⽤于本⽂件。
GB/T 10264—2014 个⼈和环境监测⽤热释光剂量测量系统GB 18871 电离辐射防护与辐射源安全基本标准GBZ 207 外照射个⼈剂量系统性能检验规范GBZ/T 261 外照射辐射事故中受照⼈员器官剂量重建规范GBZ/T 301 电离辐射所致眼晶状体剂量估算⽅法3术语和定义下列术语和定义适⽤于本⽂件。
3.13.1外照射个⼈监测individual monitoring of external exposure利⽤⼯作⼈员佩戴剂量计对个⼈剂量当量进⾏的测量,以及对测量结果的解释。
3.23.2个⼈剂量当量personal dose equivalent⼈体某⼀指定点下⾯适当深度d 处的软组织内的剂量当量H p(d)。
3.33.3最低探测⽔平minimum detectable level;MDL⽤于评价测量仪器探测能⼒的统计量值,在给定的置信度下,⼀种测量⽅法能够探测出的区别于本底值的最⼩量值。
3.43.4异常照射abnormal exposure当辐射源失去控制时,⼯作⼈员或公众中的成员所接受的可能超过剂量限值的照射。
注:异常照射可以分为事故照射和应急照射。
3.53.5调查⽔平investigation level诸如有效剂量、摄⼊量或单位⾯积或体积的污染⽔平等量的规定值,达到或超过此种值时应进⾏调查。
3.63.6名义剂量notional dose在个⼈剂量监测中,当⼯作⼈员佩戴的剂量计丢失、损坏或其他原因得不到读数或所得读数不能正确反映⼯作⼈员所接受的剂量时,⽤其他⽅法赋予该剂量计应有的剂量估算值。
12.7 外照射剂量计算算法12.7.1剂量计算算法的临床实现进程总的来说,剂量计算算法在被应用到临床之前要经历一系列变革步骤。
了解这个用户看不见的变革步骤以及这个步骤的组成项目是很有教育意义的。
对用户来说,了解了这一点能帮助建立治疗计划的QA项目。
12.7.1.1剂量计算算法的发展剂量计算算法就是尽可能精确的预测剂量在病人体内任意一点的分布。
因为射线与人体组织辐射反应的相当复杂,并且实际应用时为了增加计算速度,剂量计算算法必须取物理模型的近似值。
这是剂量计算算法的内在限制。
结果这些剂算法的应用在某些条件下是计算精度很高,但在其他另一些复杂条件下是精度不够。
通常来说,更长运算时间的复杂剂量计算算法的不确定度要小于简单的剂量计算算法。
常用的剂量计算算法会在下一节细节做详细的讨论。
剂量算法的优化是一个治疗计划系统中很重要的因素。
一些系统制造商在治疗计划系统中提供了不止一个的剂量算法。
12.7.1.2剂量计算算法软件的开发一旦剂量计算的数学公式被发现,算法就可以被转化成计算机代码。
这些编码过程需要软件的如下支持:(1)接受与病人影像资料或者轮廓数据;(2)允许描画靶体积和正常组织;(3)确定射线几何参数和射野形状;(4)允许对辅助设备的附加支持,例如楔形板,挡铅和多叶准直器(MLC)等;(5)可以为相关的机器和与病人有关的参数进行精确的剂量计算;(6)可以提供简易的治疗计划评估和优化;(7)可以在显示器上提供计划设计的结果;(8)可以通过网络或打印机对计划进行输出。
事实上,软件中大部分代码用来信息管理,只有相当少的代码被用来剂量计算。
尽管购买者可以通过选择不同的软件来选择想要的剂量算法,但是购买者并不能精确的知道算法如何被写成代码。
考虑到计算速度的需要,软件的有时候会简化原原来的数学公式,这样计算结果就会产生一定的误差。
12.7.1.3 剂量计算算法所需数据的输入所有算法都需要输入某些形式的治疗数据。
04外照射剂量的计算外照射剂量的计算主讲:崔莹1第四章外照射剂量的计算外照射是辐射源在机体外面时所产生的照射,对人体而言,外照射主要来自中子、γ射线和X射线,其次是β射线。
由于α粒子射程短,天然α粒子衣服即可挡住,所以,外照射剂量计算一般不涉及α射线(加速器产生的α粒子除外)。
外照射剂量计算是进行辐射防护及评价的基础21第四章外照射剂量的计算外照射防护的基本原则:尽量减少或避免射线从外部对人体的照射,使之所受照射不超过国家规定的剂量限值。
外照射防护的三要素:时间:充分准备距离:远距操作减少受照时间任何源不能直接用手操作屏蔽:根据辐射源的类型、射线能量、活度,选择适当材料和厚度进行屏蔽3第一节γ射线剂量的计算一.点源的剂量计算点源是指辐射源的线度远小于源至计算剂量点的距离的辐射源如果辐射场中某点与辐射源的距离,比辐射源本身的几何尺寸大十倍以上,即可把辐射源看成是点状的,称其为点状源,简称点源。
任何其他形状的源,都可视为若干点源的叠加。
42第一节γ射线剂量的计算照射量与吸收剂量的关系照射量的单位为:库仑每千克(C/kg),其专用单位为伦琴(R)1R = 2.58 ×10?4 C / kgDa = 33.85 X戈(国际单位制下) 戈(照射量X用伦琴为单位)Da = 8.69 ×10 ?3 XDa --空气中同一点处的吸收剂量(Gy) X --空气中同一点X 或γ射线的照射量(R)(μ / ρ )m 空气中同一点组织中的吸收剂量 D m = 8.69 ×10 ?3 en X = fX 戈( μen / ρ ) a5第一节γ射线剂量的计算一.点源的剂量计算1.γ点源的空气吸收剂量率计算γ射线在空气中吸收剂量率与照射量率之间的关系为:& & Da = 33.85 XGy / s在空气中同一点处γ射线在物质(m)中吸收剂量率与照射率关系为:& & Dm = f m X其中f m = 33.85( μen / ρ ) m ( μen / ρ ) aJ /C63第一节γ射线剂量的计算一.点源的剂量计算2.γ点源的吸收剂量率与粒子注量率之间的关系在带电粒子平衡条件下,光子注量率与吸收剂量率有下列关系:μ & D = ? ( en ) Er ρμen ρ戈/秒& D —γ射线在注量率为φ的某一点处,空气的吸收剂量率—空气中在计算剂量点处,γ射线的注量率(1/m2s)-γ射线在空气中的质能吸收系数(m2/kg)Er -γ射线的能量(J)7第一节γ射线剂量的计算一.点源的剂量计算2.γ点源的吸收剂量率与粒子注量率之间的关系在带电粒子平衡条件下,光子注量率与吸收剂量率有下列关系:μ& D = ? ( en ) Er ρ戈/秒例题:在工作场所某一点,测得能量为1.00MeV的γ射线的注量率为1.55×107光子/米2·秒,计算此点的吸收剂量率【查表可得:空气中的(μen/ρ)=2.787×10-3米2/千克】84第一节γ射线剂量的计算一.点源的剂量计算3.源的活度与照射率的关系γ照射率常数Γ把源的活度A和照射率联系起来,其物理意义:距离照射率常数Γ 活度为1居里的γ点源1米处,在1小时内所产生的照射率,即:Γδ =l 2 dX ( )δ A dtc ? m 2 / kg设源的活度为A居里,离源R米处的照射率用下式计算:& AΓ X = 2 c / kg ? s R 60Co源在1米处的照射率为多少?例题:试计算1居里的在空气和皮下组织内的吸收剂量率是多少?【Г=2.56×10-18库伦·米2/千克=1.32伦·米2/小时·居里, fm=9.5×10-3】9第一节γ射线剂量的计算二.非点源照射率计算在实际工作中,除点源外,如反应堆、放射性工艺管道、放射性料液贮存容器、用于辐射消毒的大型面源、大的表面污染等,必须考虑源的形状、体积、源内的多次散射及自吸收。
L dL 1.线状源a θ θ1 P 1 θ1 θ2 P2 a1 θ1θ2 P3105第一节γ射线剂量的计算二.非点源照射率计算1.线状源P点 1& dX =( A / L)ΓdL & ( A / L)Γ dθ 由dL = a sec 2 θdθ → dX = 2 r a θ1 ( A / L)Γ AΓ L & X1 = ∫ dθ = arctg c / kg ? s 0 a La aP2点 P3点2 AΓ L & X2 = arctg c / kg ? s 2a La AΓ L + a1 a & (arctg ? arctg 1 ) X3 = La a ac / kg ? s11第一节γ射线剂量的计算二.非点源照射率计算2.圆盘源(碟源)& 面源 dS=rdrdθ 在P1点的微分照射率为:dX=AΓ dS = f (r ,θ ) L2对整个圆盘积分,可以得到它在P1点产生的照射率:1 & & X = ∫∫ dX = πAΓ ln ?2 [a 2 + R02 ? d 2 + R04 + 2 R02(a 2 ? d 2 ) + (a 2 + d 2 ) 2 ? ? 2a ?对于P2点,距中心为a,d=0,上式可简化为:2 2 & = 2πAΓ ln a + R0 X a126第一节γ射线剂量的计算二.非点源照射率计算3.体源反应堆,盛有放射性溶液的各种形状的容器、由放射性物质污染的空 P 气等都是体源的例子。
(1).截头圆锥体φ0 φ r r2 r1LμsdV13第一节γ射线剂量的计算二.非点源照射率计算4.体源(1).截头圆锥体小体积元dV = rsin?d?dθdr 发出的γ射线在P点产生的微分照射率:& dX =Sv Γ dVe?μs ( r ? r1 ) 2 rP点的照射率:(若仅考虑自吸收)& 2πSv Γ [1 ? cos ? ? E (μ l) + cos ? E (μ l sec ? )] X= 0 2 s 0 2 s 0 μs147第一节γ射线剂量的计算二.非点源照射率计算3.体源(2).半无限大体源π 当?0 = , l = ∞ ,便是半无限大体源:(若仅考虑自吸收) 2& 2πS v Γ X=(3).无限大体源当?0 = π, l = ∞,便是无限大体源:(若仅考虑自吸收)μsc / kg ? s& 4πSv Γ X=μsc / kg ? s“无限大体源”并不是指源的几何形式无限大,而是指其线度的大小相对于γ射线在其中的减弱程度而言,一般其厚度大于γ射线的3-5个自15由程可以视为无限厚的。
第二节 X射线剂量的计算威尔姆·康拉德·伦琴(1845-1923),德国物理学家。
“我的发现属于所有的人。
但愿我的这一发现能被全世界科学家所利用。
这样,它就会更好地服务于全人类…… ”一.X射线的产生产生X射线的机理有两种,一种是轫致辐射;一种是特征X辐射。
在此两种发射的X射线中以轫致辐射为主,因此X射线是连续谱。
实际中我们利用X射线机产生的X射线应用于医疗、工业、农业及科学研究方面。
168第二节 X射线剂量的计算二.X射线剂量的计算实际应用的X射线机,主要由高压点源和X射线管组成。
高压电源? ?阴极:电子源,由钨丝构成的阴极灯丝? X射线机? ? ?X射线管?阳极:由铜或钼的金属块嵌上小块钨构成 ?聚焦器:聚焦,提高X射线输出额 ? ? ?在计算γ射线剂量时需要知道源的活度,在计算X射线剂量时,同样也需要知道X射线机的输出额。
就可以利用下式计算所受的吸收剂量:R & D = X 0 It( 0 ) 2 R17第二节 X射线剂量的计算二.X射线剂量的计算R & D = X 0 It( 0 ) 2 R & X 0 -离靶为R0处的X射线输出额(戈/毫安·分)I -X射线机的管电流(毫安) t -受照时间(分) R0 -在表中查出X输出额X0时,离靶的距离 R -实际受照点离靶的距离189第三节带电粒子的剂量计算一.单能电子及β射线的注量率与吸收剂量的关系单能电子束的吸收剂量,可以用电子在物质中的碰撞阻止本领计算手册中列出了不同能量的电子在不同元素及其他物质中的质量碰撞阻止本领,只要知道指定物质所接受的单能电子的注量率,可由下式计算指定物质的吸收剂量率:-电子的注量率 S ( ) col -能量为E(MeV)的电子,在指定物质中的质量碰撞阻止本领ρ同时只要知道β射线的注量率,也可以用上式计算吸收剂量率,但(S/ρ)col 对应β射线平均能量的质量阻止本领.19S & D = 3.6 ×106 ?( ) col ρ毫戈 / 小时第三节带电粒子的剂量计算二.计算β射线剂量的经验公式β射线是连续谱,虽然它在物质中的减弱近似服从指数规律,但其散射作用明显。
到目前为止,尚无满意的理论公式用于β源的剂量计算,故常用经验方法计算。
点源的剂量计算洛文格经验公式:当β射线的最大能量为0.167-2.24MeV时KA ? ? νr 1?( νr / c ) ? 1? νr & D= ?c 1 ? e ? + νre ( νr ) 2 ? ?c ? ?}2010第三节带电粒子的剂量计算二.计算β射线剂量的经验公式点源的剂量计算KA ? ? νr 1?( νr / c ) ? 1? νr & D= c 1? e 2 ? ? ? + νre ( νr ) ? ?c ?式中:}当νr ≥ 1时 cνr 1?( νr / c ) ? ?1 ? c e ?=0 ? ?& D -在吸收介质中距离点源r(克/厘米2)处的β剂量率(毫戈/小时)A -β点源的放射性活度(贝克) c -与β最大能量有关的参数ν-β射线的吸收系数 K -归一化系数21第三节带电粒子的剂量计算二.计算β射线剂量的经验公式点源的剂量计算 K -归一化系数K = 4.59 ×10 ?5 ρ 2ν 3 E β α = 4.59 ×10?5 ρ2 ν 3 E β 3c 2 ? e(c 2 ? 1)毫戈 / 小时 ? 贝克ρ-吸收介质的密度 e -自然对数的底α -等于1/[3c2-e(c2-1)]2211第三节带电粒子的剂量计算二.计算β射线剂量的经验公式点源的剂量计算当介质是空气时:参数c和ν按下列公式计算:c = 3.11e ?0.55E max ν= 16.0 Eβ [2 ? * ] 1.40 (E β max ? 0.036) Eβ2 ? 当吸收介质为软组织时:c = ?1.5 ?1 ? ν=0.17 < E β max < 0.5MeV 0.5 < E β max < 1.5MeV 1.5 ≤ E β max < 3.0MeV2318.6 Eβ [2 ? * ] 1.37 (E β max ? 0.036) Eβ第三节带电粒子的剂量计算二.计算β射线剂量的经验公式点源的剂量计算式中:E β max -β射线的最大能量(MeV)Eβ-β射线的平均能量(MeV)-理论计算的β谱平均能量(MeV)E* β2412第三节带电粒子的剂量计算三.辐射平衡辐射平衡常在气候学中提到,这里指:在放射性物质均匀分布的体积V 中,假定物质组成及密度均匀,在V内围绕P点取一小体积元dV;在小体积dV内产生的辐射,因射出该体积造成的能量损失,等于周围发射的辐射进入此小体积的能量补偿时,就说P点存在着辐射平衡达到辐射平衡的条件是dV的边界到V的边界距离等于或大于辐射的最大射程对于α或β射线,当dV的边界到V的边界的距离d≥Rmax时,P点容易达到辐射平衡;对于γ射线,由于它在物质中的减弱服从指数规律,实际上没有射程的概念,一般情况下也不存在辐射平衡条件。