清华大学机类机械制造实习综合试卷一
- 格式:doc
- 大小:295.50 KB
- 文档页数:7
机械专业综合试题考卷(带答案)一、选择题(每题1分,共5分)1. 下列哪种材料最适合用于制造齿轮?A. 塑料B. 铸铁C. 铝合金D. 钢答案:D2. 在四杆机构中,若最长杆与最短杆的长度之和小于其他两杆长度之和,则该机构为:A. 双曲柄机构B. 曲柄摇杆机构C. 双摇杆机构D. 摩擦机构答案:B3. 下列哪种液压元件用于控制液压系统的压力?A. 液压泵B. 液压缸C. 溢流阀D. 节流阀答案:C4. 下列哪种传动方式传动效率最高?A. 齿轮传动B. 带传动C. 链传动D. 摩擦传动答案:A5. 下列哪种加工方法适用于大批量生产?A. 车削B. 铣削C. 钻削D. 数控加工答案:D二、判断题(每题1分,共5分)1. 材料的硬度越高,其韧性越好。
(×)2. 在四杆机构中,曲柄摇杆机构可以实现转动转化为往复运动。
(√)3. 液压系统中的油箱主要用于储存液压油。
(√)4. 齿轮传动的噪声比带传动大。
(√)5. 数控机床加工精度不受操作者技能水平影响。
(√)三、填空题(每题1分,共5分)1. 材料的力学性能主要包括____、____、____等。
答案:强度、塑性、韧性2. 四杆机构的基本类型有____、____、____。
答案:曲柄摇杆机构、双曲柄机构、双摇杆机构3. 液压系统的三大元件是____、____、____。
答案:液压泵、液压缸、液压阀4. 齿轮传动的优点有____、____、____等。
答案:传动效率高、工作可靠、寿命长5. 数控加工的特点有____、____、____等。
答案:加工精度高、自动化程度高、生产效率高四、简答题(每题2分,共10分)1. 简述金属材料的热处理工艺及应用。
答案:热处理工艺包括退火、正火、淬火和回火等,主要用于改善材料的力学性能、降低硬度、提高切削性能等。
2. 什么是液压系统的压力损失?有哪些原因?答案:压力损失是指在液压系统中,液体流动过程中因摩擦、局部阻力等因素造成的压力下降。
清华金工实习答案【篇一:清华大学金工实习报告模板】ss=txt> 姓名:系别班级:学号:请推荐 2 名最佳师傅师傅姓名师傅所在工种第 1 名第 2 名清华大学基础工业训练中心——创新思维报告姓名:系别班级:报告摘要学号:【篇二:金工实习考试题库(含答案)】>一、车工(共22 道题)1. 车床变速箱内主轴变速由( a )实现。
a 齿轮b 链轮c 皮带轮d 凸轮2. 车刀刃倾角的主要作用是控制切屑流向,并影响刀头强度。
(a) a 对 b 错3. 对方形工件进行车削加工时,正确的装夹方法是采用(d)a 三爪卡盘b 花盘c 两顶尖d 四爪卡盘4. 切削加工时,主运动通常只能有一个。
(a)a 对b 错5. 若零件的锥面斜角为 a ,则用小刀架转位法车锥面时,小刀架应转动:(b) a 2a b 0.5ac a6. 试切法就是通过试切——测量——调整——再试切反复进行,使工件尺寸达到要求的加工方法。
(a)a 对b 错7. 下列哪一项不是小刀架转位法车锥面的特点( a)a 能采用自动进给b 可车内外锥面c 可车任意锥度的锥面8. 主运动是各类机床切削加工时速度最高,功率消耗最大的那个运动。
下列表述不正确的选项是:(d) a 车削加工的主运动是工件的旋转运动 b 铣削加工的主运动是刀具的旋转运动 c 刨削加工的主运动是刀具的往复运动 d 数控线切割加工的主运动是工件的移动9. 在常用机械加工方法中,钻削加工精度等级最低。
(a) a 对 b 错10. 在普通卧式车床上主要加工(c)a 支架类零件b 盘、轴、套类零件c 箱体类零件11. 车床中拖板可带动车刀沿大拖板上导轨做(a)a 纵向移动b 横向移动c 斜向移动d 任意方向移动12. c6136 车床型号中的“ 36”代表:(a)a 最大回转直径的1/10;b 最大加工长度360 毫米c 回转中心高360 毫米13. c616 车床型号中的“ 16”代表:(c)a 最大回转直径的1/10b 最大加工长度为1600 毫米c 主轴中心高d 最大回转半径a 镗b 钻--- 镗--- 磨c 钻--- 磨d 钻--- 镗a 镗b 钻--- 镗--- 磨c 钻--- 磨d 钻--- 镗16. 安装车刀时,刀尖:(b)a 应高于工件回转中心b 应低于工件回转中心;c 与工件回转中心等高17. 在车床上不可以进行的加工有(d)a 车外圆;车锥面b 钻孔;钻中心孔;镗孔c 车螺纹d 齿轮齿形加工18. C6136或C616车床的机械传动的传动副有下列哪几种:①皮带传动②齿轮传动③涡轮蜗杆传动④齿轮齿条传动⑤丝杆螺母传动(b )a ①②③④b ①②④⑤C ①③④⑤d ②③④⑤19. 在基本尺寸相同情况下,尺寸公差值越小,则尺寸精度越高(a) a 正确b 错误20. 在实习中车削小锤杆时采用的顶尖方式是(a)a 活动顶尖b 固定顶尖C 不用顶尖d 不确定21. 车床主轴通常采用空心结构,其目的是①减轻主轴重量②提高主轴刚性③降低机床振动④便于棒料零件(毛坯)装夹(c)a ①②③b ①②④C ①③④d ②③④22. 在各类机床中,加工精度最高的是(d)a 车床b 铣床c 镗床d 磨床1. 车刀刀尖运动轨迹若平行于工件轴线,则为( a) a 车端面 b 车外圆 c 车锥面2. 车削加工的进给量 f 表示( c)a 工件转速变化b 刀具在单位时间内移动的距离c 工件每转一周,刀具移动的距离d 切削速度的变化3. 车削加工切削用量三要素是指:(c)a 切削速度、工件转速和切削深度b 工件转速、进给量和切削深度c 切削速度、工件转速和进给量d 切削速度、进给量和切削深度4. a 对 b 错5. 大拖板与溜板箱相联,用于带动刀架(车刀)沿床身导轨作纵向运动。
机械原理综合测试卷及其参考解答(1)机械原理综合测试卷Ⅰ⼀、填空题(每空1分,共10分)1. 机器中,零件是______的基本单元;构件是______的基本单元。
2. 齿轮、带轮等回转件的平衡属于______问题;电动机转⼦、机床主轴、滚筒等回转件的平衡属于______问题。
3. 等效转动惯量的等效条件是______;等效⼒矩的等效条件是______。
4. 下图为⼀对⼼曲柄滑块机构,若以滑块3为机架,则该机构转化为______机构;若以构件2为机架,则该机构转化为______机构;若以曲柄1为机架,则该机构转化为______机构。
试卷Ⅰ-⼀-4图5. 滚⼦推杆盘形凸轮机构中,凸轮的实际廓线是理论廓线的______曲线。
⼆、判断题(每题1分,共10分)(认为正确的在题末括号中打√,否则打×)1. 机构的⾃由度就是构件的⾃由度。
()2. 在转动副中,设外加驱动⼒为⼀单⼒F ,则不论F 切于摩擦圆还是作⽤于摩擦圆之外,总反⼒R F 都恒切于摩擦圆。
()3. 为了调节机器运转的速度波动,在⼀部机器中可能需要既安装飞轮⼜安装调速器。
()4. 铰链四杆机构中,若有曲柄,曲柄不⼀定是最短杆。
()5. 四杆机构顶死在死点不能运动是由机构⾃锁造成的。
()6. 要想改善凸轮机构的受⼒状况,应适当减⼩凸轮的基圆半径。
()7. 平底与推杆导路垂直的对⼼直动平底推杆盘形凸轮机构的压⼒⾓始终为o0。
()8. 渐开线齿轮分度圆上压⼒⾓的变化,对齿廓的形状有影响。
()9. 正传动中的⼀对齿轮必定都是正变位齿轮。
()10. 斜齿轮的端⾯模数⼤于法⾯模数。
()三、选择题(每题2分,共20分)(选⼀正确答案,将其序号填⼊题中空格处)1. 当机构中原动件数⽬______机构⾃由度数时,该机构具有确定的相对运动。
A. ⼩于B. 等于C. ⼤于D. ⼤于或等于2. 速度瞬⼼是两个作平⾯运动构件______的重合点。
A. 瞬时绝对速度相等B. 瞬时绝对速度相等且为零C. 瞬时绝对速度相等且不为零3. 从效率的观点来看,机械⾃锁的条件是其效率______。
非机类机械制造实习综合试卷四班级__________ 学号____________ 姓名__________题号 1 2 3 4 5 6 7 8 9 10选项一、单选题,每题1分。
1. 铸造中, 熔炼铝合金常用什么炉子?A. 坩埚炉;B. 冲天炉;C. 感应电炉;D. 电弧炉。
2. 从铸钢件上除去冒口的方法是:A. 用工具打掉;B. 锯割;C. 氧气切割;D. 等离子切割。
3. 造型时, 铸型的型腔用什么复制出来?A. 零件;B. 模样;C. 芯盒;D. 铸件。
4. 机器造型适宜于成批大量生产。
A. 正确;B. 错误。
5 一铸造轴套外圆直径为φ100mm, 长度为50mm, 孔的直径为65mm,应选用哪种手工造型方法?A. 整体模造型;B. 分开模造型;C. 挖砂造型。
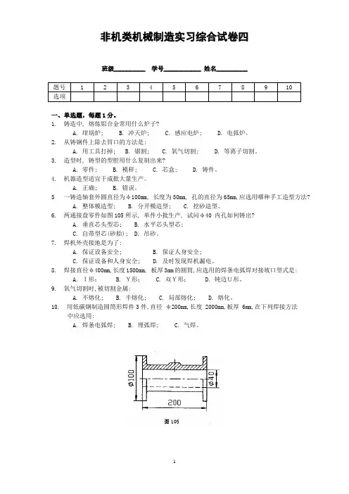
6. 两通接盘零件如图105所示, 单件小批生产, 试问φ40 内孔如何铸出?A. 垂直芯头型芯;B. 水平芯头型芯;C. 自带型芯(砂胎);D. 吊砂。
7. 焊机外壳接地是为了:A. 保证设备安全;B. 保证人身安全;C. 保证设备和人身安全;D. 及时发现焊机漏电。
8. 焊接直径φ400mm,长度1500mm, 板厚3mm的圆筒,应选用的焊条电弧焊对接坡口型式是:A. I形;B. Y形;C. 双Y形;D. 钝边U形。
9. 氧气切割时,被切割金属:A. 不熔化;B. 半熔化;C. 局部熔化;D. 熔化。
10. 用低碳钢制造圆筒形焊件3件,直径φ200mm,长度 2000mm,板厚 6mm,在下列焊接方法中应选用:A. 焊条电弧焊;B. 埋弧焊;C. 气焊。
11. 把铜管(熔点1083℃)和低碳钢管(熔点约1500℃)焊接起来, 应采用的焊接方法是:A. 气焊;B. 二氧化碳气体保护焊;C. 焊条电弧焊;D. 钎焊。
12. 低压容器结构如图305所示, 材料为20钢, 筒身板厚16mm, 焊缝A和B的适宜焊接方法有:A. 气焊;B. 焊条电弧焊;C. 埋弧焊。
《机械制造技术基础》期末考试试卷A选择题(在每小题的四个备选答案中,选出一个正确答案,并将正确答案的序号填在题干 后的括号内。
每小题2分,共20分) 1 .下列情况中,哪个的主运动不是刀具的旋转。
()A.立式钻床上钻孔B.卧式铳床上铳平面C.外圆磨床磨削外圆D.牛头刨床上刨导轨面2 .切削用量与切削力有密切关系,切削用量中对切削力影响最大的是() A.切削速度B.切削深度C.进给量口.三者一样3 .安装切断刀时,刀尖低于工件的回转中心时,与其标注角度相比,其工作角度将会 ()A.前角不变,后角变小B.前角变大,后角变小C.前角后角均不变D.前角变小,后角变大4 .车外圆时,能使切屑流向工件未加工表面的几何要素是 ()A.刃倾角大于零度B.刃倾角小于零度 。
前角大于零度D.前角小于零度5 .加工一测量用平板,保证其底面的高度尺寸,通常需要限制工件的几个自由度 () A.3B.4C.5D.66 .自为基准是以加工面本身为精基准,多用于精加工或光整加工工序,这是 由于( )A.符合基准重合原则B.符合基准统一原则C.保证加工面的余量小而均匀D.保证加工面的形状和位置精度7 .车床主轴轴颈和锥孔的同轴度要求很高,因此常采用哪种方法来保证。
() A.基准统一B.基准重合C.自为基准 D,互为基准8 .粗加工轴向间距较小的直齿多联小齿轮,常选用的机床是欢迎阅读(本试卷共5页)()在刀具的标注角度中,对切削力的各切削分力的大小和比例产生影响最大的是2.平面磨削时,考虑砂轮宽度B 和轴向进给量fa 的影响,单粒最大切削厚度的公式为欢迎阅读A. 滚齿机B.磨齿机C.剃齿机D.插齿机9. A. 前角 B.主后角 C.刃倾角 D.主偏角和副偏角10.在保证装配精度要求的情况下,尽量选择下面哪种装配形式 ()A.完全互换装配法B.选择装配法 D.修配装配法二、判断题(判断下列各小题,正确的在题后括号内打“J”,错的打 1 .磨具的硬度是指组成磨具中的硬度。
机械制造试题及答案第一部分:选择题(每题4分,共40分)1. 下列哪种工艺可以用于制造高精度零件?A. 铣削B. 增材制造C. 镗削D. 焊接答:C. 镗削2. 机械制造中的数控(Numerical Control)是指什么?A. 数字化的生产控制系统B. 使用数学方法进行工艺设计C. 数字化的产品设计过程D. 使用数学模型进行质量控制答:A. 数字化的生产控制系统3. 下列哪种材料在机械制造中常用于制造高强度零件?A. 铝合金B. 不锈钢C. 铜合金D. 碳钢答:B. 不锈钢4. 以下哪种设备常用于机械制造中的物料搬运?A. 机械手臂B. 注塑机C. 冲床D. 镗床答:A. 机械手臂5. 机械制造中的磨削是指什么过程?A. 用磁力将零件固定在工作台上B. 用砂轮将零件表面切削平整C. 用酸液清洗零件表面D. 用高温将零件焊接在一起答:B. 用砂轮将零件表面切削平整6. 下列哪种测量方法可以用于检查零件的尺寸精度?A. 三坐标测量机B. 压力传感器C. 硬度计D. 温度计答:A. 三坐标测量机7. 机械制造中的装配工序是指什么?A. 将各个零件组合成完整产品的过程B. 将产品出厂运输到客户的过程C. 将产品包装成纸箱的过程D. 将产品进行质量检验的过程答:A. 将各个零件组合成完整产品的过程8. 下列哪种表面处理方法可以提高零件的耐腐蚀性?A. 涂装B. 电镀C. 热处理D. 防锈油喷涂答:B. 电镀9. 机械制造中的数值控制指什么?A. 使用数学表达式进行工艺控制B. 使用编程语言进行工艺控制C. 使用传感器进行工艺控制D. 使用逻辑电路进行工艺控制答:B. 使用编程语言进行工艺控制10. 下列哪种传动装置在机械制造中常用于将旋转运动转换为直线运动?A. 齿轮传动B. 曲柄连杆机构C. 蜗杆传动D. 喷射泵答:B. 曲柄连杆机构第二部分:填空题(每题5分,共50分)1. 机械制造中常用的图纸标准是_________。
机类机械制造实习综合试卷(二)1. 小箱体零件如图108所示, 单件生产, 应选用哪种手工造型方法?A. 整体模+活块造型;B. 分开模+活块造型;C. 三箱+挖砂造型;D. 三箱+活块造型。
2. 砂型铸造手工造型条件下小型铸铁件的加工余量约为:A. 1.5-3.5mm;B. 4.5-5.5mm;C. 6.5-8.5mm。
3. 型腔内有散砂、合型时, 砂型局部挤坏、浇口开得不好, 冲坏砂型或砂芯; 浇注后, 铸件上易有什么缺陷?A. 砂眼;B. 夹杂物;C. 渣气孔;D. 夹砂。
4. 造型时, 铸型的型腔用什么复制出来?A. 零件;B. 模样;C. 芯盒;D. 铸件。
5. 分开模造型时, 分模面与分型面:A. 一致;B. 不一致;C. 有时一致, 有时不一致。
6. 造型时为了保证铸件形状正确, 应尽量使铸件全部或大部放在几个砂箱中?A. 两个砂箱中;B. 一个砂箱中;C. 三个砂箱中;D. 多个砂箱中。
7. 手柄零件如图102所示, 单件生产, 应选用哪种手工造型方法?A. 分开模造型;B. 整体模造型;C. 挖砂造型;D. 三箱造型。
8. 连续冲模与其它冲模的区别在于它是:A. 板料需连续送进的冲模;B. 在模具的同一部位同时完成多道冲压工序的冲模;C. 在模具的不同部位同时完成多道冲压工序的冲模。
9. 将一圆钢坯料锻成带孔圆盘状锻件,合理的变形工序应是:A. 拔长─镦粗─冲孔;B. 镦粗─冲孔;C. 冲孔─镦粗;D. 先镦粗或先冲孔均可。
10. 制造如图202所示的冲压件需要配备哪几种冲模?A. 弯曲模;B. 切边模;C. 拉深模;D. 落料模。
11. 氧气瓶的满瓶压力是:A. 15大气压(即1.5MPa);B. 50大气压(5MPa);C. 100大气压(10MPa);D. 150大气压(15MPa)。
12. 检查低碳钢厚板焊接接头内部缺陷一般采用:A. 磁粉探伤;B. 射线探伤;C. 渗透探伤;D. 超声探伤。
非机类机械制造实习综合试卷一班级___________ 学号____________ 姓名___________一、单选题(每题1分)1. 型腔内有散砂,合型时砂型局部挤坏、浇口开得不好, 冲坏砂型或砂芯; 浇注后铸件上易有什么缺陷?A. 砂眼;B. 夹杂物;C. 渣气孔;D. 夹砂。
2. 铸件中出现夹砂, 与浇注温度过高无关。
A. 正确;B. 错误。
3. 铸造的突出优点之一是能够制造:A. 形状复杂的毛坯;B. 形状简单的毛坯;C. 大件毛坯;D. 小件毛坯。
4. 砂芯中的气体是通过芯头排出的。
A. 正确;B. 错误。
5. 套筒零件如图101所示,φ50内表面质量要求较高, 单件小批生产, 应选用哪种手工造型方法?A. 分开模造型;B. 整体模造型;C. 挖砂造型。
6. 整体模造型适用于生产各种批量的形状简单的铸件。
A. 正确;B. 错误。
7. 一铸造轴套外圆直径为φ100mm, 长度为50mm, 孔的直径为65mm,应选用哪种手工造型方法?A. 整体模造型;B. 分开模造型;C. 挖砂造型。
8. 焊条电弧焊时,弧长变长,电弧电压增大。
A. 正确;B. 错误。
9. 酸性焊条比碱性焊条:A. 工艺性能和焊缝力学性能(塑性、韧性)都好;B. 工艺性能好,焊缝力学性能较差;C. 工艺性能差,焊缝力学性能较好;D. 工艺性能和焊缝力学性能都较差。
10. 使用酸性焊条时,应采用:A. 直流正接;B. 直流反接;C. 直流正接或反接;D. 交流或直流(正接、反接不限)。
11. 闪光对焊的接头内部质量比电阻对焊好。
A. 正确;B. 错误。
12. 把铜管(熔点1083℃)和低碳钢管(熔点约1500℃)焊接起来, 应采用的焊接方法是:A. 气焊;B. 二氧化碳气体保护焊;C. 焊条电弧焊;D. 钎焊。
13. 精车外圆时要进行“试切”,其目的是为保证:A. 表面粗糙度Ra值;B. 尺寸公差;C. 形状公差;D. 位置公差。
清华大学机械原理A 卷1. 凡是驱动机械产生运动的力统称为 力,其特征是该力与其作用点的速度方向 或成 ,其所作的功为 。
A .驱动;B .平衡;C .阻抗;D .消耗功;E .正功;F .相同;G .相反;H .锐角;I .钝角;J .负功 答:AFHE2. 简述进行质量代换需要满足的三个条件?动代换和静代换各应满足什么条件? 答:质量代换法需满足三个条件:1、 代换前后构件的质量不变;2、 代换前后构件的质心位置不变;3、 代换前后构件对质心轴的转动惯量不变;其中:动代换需要满足前面三个条件;静代换满足前两个条件便可。
3. 什么是当量摩擦系数?分述几种情况下的当量摩擦系数数值。
答:为了计算摩擦力简便,把运动副元素几何形状(接触面形状)对运动副的摩擦力的影响因素计入到摩擦系数中,这种转化后的摩擦系数称为当量摩擦系数。
对单一平面 f f V =;槽角为θ2时θsin f f v =;半圆柱面接触时kf f V =,2/~1π=k4.移动副中总反力的方位如何确定?答:1)总反力与法向反力偏斜一摩擦角2)总反力的偏斜方向与相对运动方向相反。
5. 移动副的自锁条件是 驱动力作用在移动副的摩擦角内 。
6. 转动副的自锁条件是 驱动力臂≤摩擦圆半径 。
7. 判定机械自锁的条件有哪些?答:1)驱动力位于摩擦锥或摩擦圆内;2)机械效率小于或等于03)能克服的工作阻力小于或等于08.判断对错,在括号中打上 √ 或 ×:在机械运动中,总是有摩擦力存在,因此,机械功总有一部分消耗在克服摩擦力上。
(√ )分析与计算:1.图示为一曲柄滑块机构的a)、b)、c)三个位置,F为作用在活塞上的力,转动副A及B上所画的虚线小圆为摩擦圆,试决定在此三个位置时作用在连杆AB 上的作用力的真实方向(构件重量及惯性力略去不计)。
2. 图示为一摆动推杆盘形凸轮机构,凸轮1沿逆时针方向回转,F为作用在推杆2上的外载荷,试确定各运动副中总反力(F R31、F R12及F R32)的方位(不考虑构件的重量及惯性力,图中虚线小圆为摩擦圆,运动副B处摩擦角φ如图所示)。
《机械制造工艺学》一、填空1. 获得形状精度的方法有_轨迹法_、成形法、_展成法_。
2. 主轴回转作纯径向跳动与漂移时,所镗出的孔是_椭圆__形。
3. 零件的加工质量包括_加工精度_和_加工表面质量__。
4. 表面残余_拉_(拉或压)应力会加剧疲劳裂纹的扩展。
5. 车削加工时,进给量增加会使表面粗糙度_变大_。
6. 切削液的作用有冷却、_润滑__、清洗与防锈等作用。
7. 在受迫振动中,当外激励频率近似等于系统频率时,会发生_共振_现象8. 刀具静止参考系的建立是以切削运动为依据,其假定的工作条件包括假定运动条件和假定安装条件。
9. 磨削加工的实质是磨粒对工件进行_刻划_、__滑擦(摩擦抛光)和切削三种作用的综合过程。
10.产品装配工艺中对“三化”程度要求是指结构的标准化、通用化和系列化。
11. 尺寸链的特征是_关联性和_封闭性_。
12. 零件光整加工的通常方法有_珩磨_、研磨、超精加工与_抛光_等方法。
13.机械加工工艺规程实际上就是指规定零件机械加工工艺过程和操作方法等的_工艺文件14. 工艺过程是指生产过程中,直接改变生产对象形状、尺寸、相对位置、与性质的过程。
15. 零件的几何精度、表面质量、物理机械性能是评定机器零件质量的主要指标。
16. 加工经济精度是指在正常加工条件下(采用符合标准的设备,工艺装备和标准技术等级的工人,不延长加工时间)所能保证的加工精度。
17. 工艺系统的几何误差主要加工方法的原理误差、制造和磨损所产生的机床几何误差和传动误差,调整误差、工件的安装误差、刀具、夹具和量具由于的制造误差与磨损引起。
18. 轴类零件加工中常用两端中心孔作为统一的定位基准。
19. 零件的加工误差指越小(大),加工精度就越高(低)。
20. 粗加工阶段的主要任务是获得高的生产率。
21. 工艺系统的几何误差包括加工方法的原理误差、制造和磨损所产生的机床几何误差和传动误差,调整误差、刀具、夹具和量具的制造误差、工件的安装误差。
(一)判断题1.车床的主运动是工件的旋转运动,进给运动是刀具的移动。
(√)2.钻床的主运动是钻头的旋转运动,进给运动是钻头的轴向移动。
(√)3.铣床的主运动是刀具的旋转运动,进给运动是工件的移动。
(√)4.牛头刨床刨斜面时,主运动是刨刀的往复直线运动,进给运动是工件的斜向间歇移动。
(X )5.龙门刨床刨水平面时,主运动是刨刀的往复直线运动,进给运动是工件的横向间隙移动。
(X )6.车床的主运动和进给运动是由两台电动机分别带动的。
(X )7.立铣的主运动和进给运动是由一台电动机带动的。
(X )8.牛头刨床的切削速度是指切削行程的平均速度。
(X)9.车槽时的背吃刀量(切削深度)等于所切槽的宽度。
(√)10.刀具前角是前刀面与基面的夹角,在正交平面中测量。
(√)11.刀具后角是主后刀面与基面的夹角,在正交平面中测量。
(X )12.刀具主偏角是主切削平面与假定工作平面间的夹角(即主切削刃在基面的投影与进给方向的夹角。
(√)13.工艺系统刚度较差时(如车削细长轴),刀具应选用较大的主偏角。
(√)14.在切削用量中,对切削力影响最大的是前角和后角。
(X )15.CA6140型机床是最大工件回转直径为140mm的卧式车床。
(X )16.X5020立式升降台铣床的工作台面宽度为200mm。
(√)17.在加工质量方面,铣削和刨削一般同级,但对于尺寸较大的平面,由于刨削无明显的接刀痕,故刨削优于铣削。
(√)18.磨削过程实际上是许多磨粒对工件表面进行切削、刻划和滑擦(摩擦抛光)的综合作用过程。
(√)19.磨具的组织标注出磨具中磨料、结合剂和气孔三者之间不同体积的比例关系。
(√)20.磨具的硬度是指组成磨具的磨料的硬度。
(X)21.光磨可提高工件的形状精度和位置精度。
(X)(二)单选题(请将正确选项的序号填入题后的括号内)1.通过切削刃选定点的基面是:①垂直于假定主运动方向的平面√;②与切削速度相平行的平面;③与过渡表面相切的表面。
非机类机械制造实习综合试卷二班级__________ 学号____________ 姓名__________一、单选题,每题1分。
1. 砂芯靠什么部位固定和支撑在砂型中?A. 芯头;B. 芯骨;C. 活块;D. 胶粘。
2. 型芯的主要作用是构成铸件的内腔。
A. 正确;B. 错误。
3. 两通接盘零件如图105所示, 单件小批生产, 试问φ40 内孔如何铸出?A. 垂直芯头型芯;B. 水平芯头型芯;C. 自带型芯(砂胎);D. 吊砂。
4. 手工造型适用于单件小批生产。
A. 正确;B. 错误。
5. 成批生产普通车床床头箱的材料和成形方法是:A. 低碳钢, 焊接成形;B. 低碳钢, 铸造成形;C. 灰铸铁, 铸造成形;D. 灰铸铁, 焊接成形。
6.低压容器结构如图305所示, 材料为20钢, 筒身板厚10mm, 采用焊条电弧焊时, 焊缝B的接头型式和坡口是:A. 搭接接头, I形坡口;B. 对接接头, I形坡口;C. 对接接头, Y形坡口;D. 对接接头, 双Y形坡口。
7. 焊接工字梁如图304所示, 板厚8mm, 对接焊缝C 适宜的坡口型式是:A. I形坡口;B. Y形坡口;C. 双Y形坡口;D. 钝边U形坡口。
8.低压容器结构如图305所示, 材料为20钢,筒身板厚16mm, 人孔管尺寸φ450×10(mm),焊缝C 应采用的焊接方法是:A. 气焊;B. 焊条电弧焊;C. 埋弧焊;D. 氩弧焊。
9. 氩弧焊的主要优缺点是:A. 焊接质量好,但生产成本高;B. 焊接质量好,但生产率低;C. 生产成本低,但焊接质量不稳定;D. 生产成本低,但劳动条件差。
10. 金属氧气切割的条件是:A. 金属的燃点要低于熔点;B. 金属的燃点要高于熔点;C. 金属的燃点及其氧化物的熔点都要低于金属本身的熔点;D. 金属的燃点及其熔点都要低于金属氧化物的熔点。
11. 车外圆时, 如主轴转速增大, 则进给量:A. 按比例变大;B. 不变;C. 变小;D. 因皮带可能打滑, 变与不变难确定。
机械制造总复习一、单项选择题(每题 1 分。
每题的备选项中 , 只有 1 个最符合题意)1.从功能角度分析机器的基本组成中,不包括()。
A.动力部分 B.工作部分 C.控制部分 D.制动部分2.一个输入转速对应按照某种数列排列的若干种输出转速时,称为()。
A.无级变速 B.定比传动 C.有级变速 D.周期变速3.要完成被控参数的调节,控制器应该有以下部分()组成。
A.给定值发生器、传动部分、执行部分B.动力部分、传动部分、工作部分、控制部分C.给定值发生器、比较器、驱动和执行机构、检测变换元件D.原动机、给定值发生器、检测变换元件4.输出端和输入端之间没有反馈通道的控制系统称之为()。
A.闭环控制系统 B.开环控制系统C.半闭环控制系统 D.半开环控制系统5.由零件和构件组成的,构件之间能够实现运动和动力的传递,但不能实现机械能和其他形式能量转换的,称之为()。
A.零件 B.部件 C.机构 D.机器6.通常,机械一词是指()的总称。
A.零件、构件、机器、机构 B.零件、机构、机器C.构件、机构、机器 D.机构、机器7.以下说法中正确的是()A.从功能角度分析,机器是由构件组合而成,各个构件之间能够实现运动和动力的传递B.机器是机械和机构的统称C.工作部分是直接完成机器预定功能的部分,是机器设备区分和分类的主要依据D.一台机器至少包括两种或更多的机构9.下列设备中,()是金属成型机床。
A.钢筋切割机 B.拉床C.闭式双点压力机 D.电火花成形机床11.在生产管理上,()是制定定额,计算劳动量,配备工人,核算生产能力,安排生产作业计划,进行质量检验和班组经济核算的基本单位。
A.生产纲领 B.生产过程 C.工艺 D.工序12.自由锻造锻件精度低、生产率低,适于()生产中。
A.单件、小批 B.成批 C.大量 D.任意生产量13.最小极限尺寸()基本尺寸。
A.必须大于 B.必须小于C.可以大于、可以小于也可以等于 D.必须小于等于15.相同基本尺寸的两个零件,甲零件的精度为IT5级,乙零件的精度为IT7级,由此条件作出的下列判断中,正确的是()。
清华大学机类机械制造实习综合试卷一
考试科目:机械制造
试卷类型:本科期末
1. 支架零件如图110所示, 材料HT150, 单件生产条件下选择手工造型方法时, 下列各项中适宜的有哪些? (直径25mm孔要求铸出)
A. 挖砂;
B. 活块;
C. 水平芯头型芯;
D. 垂直芯头型芯。
2. 冲天炉的大小, 常用什么单位来表示?
A. 吨/平方米.小时;
B. 吨;
C. 吨/小时;
D. 立方米/小时。
3. 浇口不正确, 挡渣作用差, 浇注时渣子没挡住, 铸件上容易产生什么缺陷?
A. 砂眼;
B. 渣眼;
C. 气孔;
D. 夹砂。
4. 普通砂型铸造时, 为了从砂型中取出模样, 造型时一定要有:
A. 分模面;
B. 分模面和分型面;
C. 分型面。
5. 型芯的主要作用是构成铸件的内腔.
A. 正确;
B. 错误。
6. 卡盘体铸件如图103所示, 底面 B 质量要求较高, 大批生产, 应选用哪种造型方法?
A. 手工整体模造型;
B. 机器造型(整体模);
C. 手工分开模造型;
D. 机器造型(分开模)。
7. 卡盘体铸件如图103所示, 底面B 质量要求较高, 单件生产, 应选用哪种手工造型方法?
A. 整体模造型;
B. 分开模造型;
C. 挖砂造型;
D. 三箱造型。
8. 冲床上制动器的作用是:
A. 随时停车,保证人身安全;
B. 保护冲模;
C. 使冲头停止在固定位置。
9. 胎模锻适用于:
A. 小型锻件的大批量生产;
B. 小型锻件的中、小批量生产;
C. 小型锻件的单件生产;
D. 中型锻件的批量生产。
10. 在锻压车间制造如图203所示台阶轴毛坯5件, 材料45钢, 合理的成形方法是:
A. 自由锻;
B. 胎模锻;
C. 模锻;
D. 冲压成形。
11. 焊接电流太小时,容易引起下列焊接缺陷中哪几种?
A. 夹渣;
B. 咬边;
C. 未焊透;
D. 未焊满。
12. AX-320 是一种交流弧焊机.
A. 正确;
B. 错误。
13. 气焊熔剂的作用是:
A. 保护熔池;
B. 填充焊缝;
C. 去除氧化物;
D. 增加液态金属流动性。
14. 焊条接直流弧焊机的负极,称为正接.
A. 正确;
B. 错误。
15. 用厚度δ=1.5mm的低碳钢板焊接生产如图301所示圆筒形工件, 应采用的下料方法是:
A. 气割;
B. 剪切;
C. 等离子弧切割;
D. 锯割。
16. 用厚度3mm的不锈钢板制作清洗槽100件,在下列焊接方法中可采用:
A. 手弧焊;
B. 钎焊;
C. 二氧化碳气体保护焊;
D. 氩弧焊。
17. 图406中螺纹与圆柱体之间的回转槽, 是螺纹退刀槽还是进刀槽?
A. 是螺纹退刀槽;
B. 是螺纹进刀槽;
C. 此槽与螺纹加工无关。
18. 车床小刀架有下列哪几种作用?
A. 滚花时纵向进给;
B. 车削多线螺纹时用来分线;
C. 车端面时进切深;
D. 车锥面。
19. 如图401所示,工件的数量为500件, 测量φ40H7孔的孔径, 应用什么量具?
A. 游标卡尺;
B. 卡规;
C. 百分尺;
D. 塞规。
20. 在相同切削条件下, 主偏角κr 为90度的车刀, 其切削径向分力比κr为45
度的车刀大.
A. 正确;
B. 错误。
21. 图416中的 a 是车刀的什么刀面?
A. 主后刀面;
B. 副后刀面;
C. 前刀面。
22. 轴上某直径φ60h6, 长度120mm, Ra=0.2μm 的外圆, 其加工方法及顺序为:
A. 粗车─精车;
B. 粗车─半精车─磨;
C. 粗车─磨。
23. 盘类零件上基本直径为φ80mm, 上偏差为0, 下偏差为0.05mm, Ra=1.6μm的
外圆, 应如何加工?
A. 粗车;
B. 粗车─精车;
C. 车─磨;
D. 粗磨─精磨。
24. 车床钻孔前, 一般先车端面, 主要目的是:
A. 减小钻头偏斜便于控制钻孔深度;
B. 为提高生产率;
C. 降低钻削的表面粗糙度;
D. 减小钻削力。
25. 图417中的 b 角是车刀的什么角度?
A. 刃倾角;
B. 主偏角;
C. 副后角;
D. 副偏角。
26. 四爪卡盘与三爪卡盘相比, 其结构和性能的不同点主要是:
A. 端面有一些同心圆, 便于观察找正;
B. 四个卡爪可独立移动, 以便装夹不规则形状的工件;
C. 四爪卡盘多一个卡爪。
27. 在车床和磨床上用双顶尖, 卡箍和拨盘安装工件时, 卡箍的作用是什么?
A. 防止工件轴向窜动;
B. 为了圆周定位;
C. 带动工件旋转。
28. 按机床刻度盘进刀, 多进了两格应如何处理?
A. 直接退回两格;
B. 把刀架移回原位再进刀;
C. 把手柄摇回半圈再进刀。
29. 图415中工件为1000件, 锥面可采用哪些车削方法?
A. 宽刀法;
B. 扳转小刀架法;
C. 偏移尾架法;
D. 靠模法。
30. 下列哪几种铣床可用来加工图502所示的封闭型键槽?
A. 键槽铣床;
B. 卧式铣床;
C. 立式铣床。
31. 毛坯为钢板下料, 六个平面均已加工。
铣削图504中的燕尾槽,下列哪种方法是正确的?
A. 直接用燕尾槽铣刀铣出;
B. 先铣出直槽, 再铣削燕尾槽;
C. 所列的两种方法均可。
32. 铣削图501中零件两个槽, 可选用哪些铣刀?
A. 镶齿端铣刀;
B. 三面刃铣刀;
C. 立铣刀;
D. 模数铣刀。
33. 三面刃铣刀可以铣直槽, 也可以铣小平面.
A. 正确;
B. 错误。
34. 毛坯为铸件, 未铸槽, 刨削图504中的燕尾槽, 正确的方法是哪一种?
A. 用符合燕尾槽形状的定形刨刀一次刨削完成;
B. 用左右两把定形刨刀, 先后刨削完成;
C. 先刨削宽度为A的直槽, 后分别刨削左右两边的燕尾部分。
35. 如图603所示,刨削垂直面, b 角是刀具的什么角?
A. 主偏角;
B. 副偏角;
C. 前角;
D. 后角。
36. 图601,在牛头刨床上刨削斜面, 如何加切深?
A. 刨刀水平向左移动;
B. 工件水平向右移动;
C. 刨刀沿斜面方向向下移动。
37. 图404示零件锥孔的Ra值改为0.8μm, 在内圆磨床上磨削锥孔应采用下列哪种方法?
A. 扳转工件头架;
B. 扳转上工作台;
C. 扳转砂轮头架。
38. 在万能外圆磨床上磨削图702示零件的锥孔, 可选用下列哪些方法?
A. 扳转上工作台;
B. 扳转工件头架;
C. 扳转砂轮头架。
39. 磨削右图所示小套的孔时,工件应如何装夹和找正?
A. 用三爪卡盘装夹;
B. 用四爪卡盘装夹, 划针盘找正;
C. 用四爪卡盘装夹, 百分表找正;
D. 用锥度心轴装夹。
40. 将图809中的滚动轴承压入轴颈上, 压力应施加在轴承的什么部位?
A. 外圈上;
B. 内圈上;
C. 内外圈同时受力。
41. 柱形埋头螺钉孔, 应如何加工?
A. 锪圆柱坑─钻小孔;
B. 钻小孔─在车床上镗圆柱坑;
C. 在车床上钻小孔和镗圆柱坑。
42. 图807所示镗刀杆上的螺孔应如何加工?
A. 钻孔—攻螺纹;
B. 扩孔—攻螺纹;
C. 镗孔—镗螺纹;
D. 钻孔—镗螺纹。
43. 在铸铁件上攻螺纹, 螺纹底孔直径=螺纹大径-螺距.
A. 正确;
B. 错误。
44. 粗锉图801所示有阴影的表面, 可应用哪些锉削方法?
A. 推锉法;
B. 顺锉法;
C. 交叉锉法;
D. 滚锉法。
45. 锉削图801所示有阴影的表面, 可应用哪些锉削方法?
A. 顺锉法;
B. 交叉锉法;
C. 推锉法;
D. 滚锉法。
46. 钢件上M12螺距为1.5mm的螺纹, 在攻螺纹前的钻孔直径应为多大?
A. 直径10mm;
B. 直径12mm;
C. 直径10.35mm;
D. 直径10.5mm。
47. 下列哪些机床可以进行钻、扩、铰孔的工作?
A. 车床;
B. 钻床;
C. 铣床;
D. 刨床。
48. 下列哪几种机床常用心轴安装工件?
A. 车床;
B. 内圆磨床;
C. 外圆磨床;
D. 铣床。
49. 下列哪几种机床主要用于平面和直线型沟槽的加工?
A. 车床;
B. 刨床;
C. 铣床;
D. 钻床。
50. 加工图504所示零件的燕尾槽, 可在下列哪些机床上进行?
A. 车床;
B. 牛头刨床;
C. 立式铣床;
D. 立式钻床。