大修前安全检查表
- 格式:doc
- 大小:32.00 KB
- 文档页数:1
建筑维修施工现场的安全检查模版一、现场周边环境安全检查1. 周边交通安全检查- 是否有交通标示牌、警示标识的设置- 是否有临时交通管制措施- 工地入口是否设置警示栏杆- 是否有临时的停车区域- 是否有行人通行的安全通道2. 周边建筑物安全检查- 周边建筑物是否有因施工而倾倒、倒塌的危险- 周边有无高空坠物的危险物品或设备- 周边是否有施工工具、材料堆放整齐,不影响周边建筑物的安全3. 周边环境污染安全检查- 是否有临时储存、处理污水、废弃物的设施- 是否有临时存放化学品、危险物品的储存区- 是否有恶劣的气味或有害气体的排放二、施工现场整体安全检查1. 施工现场布局安全检查- 是否设置了安全警示牌、警戒线以及安全标识- 是否设置了专门的安全通道和逃生通道- 施工区域是否清晰划分,设备、材料摆放整齐- 是否有遮挡物遮挡火灾应急设备或灭火器2. 施工人员安全检查- 是否佩戴安全帽和防护眼镜- 是否穿着合适的工作服和防护手套- 是否对施工人员进行过安全培训和技能培训- 是否实施施工人员入场安全检查3. 施工设备安全检查- 是否设有防护装置和安全锁- 是否按照规定进行设备的日常维护和检修- 是否遵守设备使用的操作规程- 是否存在悬挂物、高处作业等违规情况4. 施工材料安全检查- 是否按规定进行材料的存放和密封- 是否有相应的材料安全数据表和使用手册- 施工现场有无易燃易爆材料堆放且存放位置是否合理- 是否存在没有标识和分类的材料5. 火灾防护安全检查- 是否设置了有效的灭火器材和灭火装置- 是否设置了疏散指示标志和应急照明灯- 是否存在违规使用明火或存在电气设备安全隐患- 是否有建立灭火和疏散预案,进行应急演练6. 施工现场危险源安全检查- 是否有明显的危险源警示标识和隔离设施- 是否有临时用电、施工设备的安全设施- 是否存在易发生事故的施工工艺和作业方式- 是否存在高处作业、挖掘、爆破等危险作业7. 环境污染防护安全检查- 是否有设置防尘网、防护罩等措施- 是否对施工产生的粉尘、噪音进行有效防护- 是否进行过环境污染治理和现场清理- 是否存在对水、土壤等环境造成污染的行为三、施工过程安全检查1. 施工工艺安全检查- 是否按照工艺规范进行施工- 是否进行了施工工艺的技术交底- 是否存在违规操作和施工工艺冲突情况- 是否有安全风险的施工节点和措施2. 施工作业安全检查- 是否有临时施工安全措施和警示标识- 是否存在违规操作、违章搭设、违规使用设备等情况- 是否存在施工作业人员超负荷作业和疲劳驾驶现象- 是否存在施工作业相关的安全支持措施和人员保护措施3. 施工设备安全检查- 是否进行定期巡检和设备维护- 是否存在设备用电、液压、气压等安全隐患- 是否遵守设备使用的操作规程- 是否对设备进行技术交底和操作培训四、施工质量安全检查1. 施工工作面管理安全检查- 施工现场是否清洁整齐,有无杂乱物品堆放- 施工面是否平整,有无未及时清理的残留物- 施工人员是否有工作面管理的责任和义务- 施工工作面是否存在安全隐患或施工质量问题2. 施工材料质量安全检查- 是否按照技术规范采购和使用材料- 材料是否存放有序,有无贮存破损、变质的情况- 材料是否存在质量问题或与设计不符情况- 是否对施工材料进行质量检测和验收3. 施工工艺质量安全检查- 是否按照设计要求进行施工工艺流程- 施工过程中是否存在工艺质量缺陷或不符合规范的情况- 施工工艺是否存在隐患、质量缺陷或安全风险- 是否进行过施工工艺质量的验收和评估五、施工组织管理安全检查1. 施工现场安全管理人员安全检查- 是否按照规定配备安全管理人员- 安全管理人员的资质和专业技能是否合格- 安全管理人员是否有协调和监督施工现场安全的能力- 安全管理人员是否定期进行安全培训和学习更新2. 施工现场安全制度安全检查- 是否有施工现场安全管理制度和规范- 制度和规范是否得到全体施工人员的认可和遵守- 是否对施工现场安全制度进行定期检查和修订- 是否根据现场风险隐患更新和完善安全制度3. 施工作业人员安全教育培训安全检查- 是否进行了入场安全教育培训和安全技术交底- 是否进行了工种操作安全培训和技能培训- 是否定期组织安全教育培训和文明施工教育活动- 是否存在安全教育培训的隐患或问题结语:以上是建筑维修施工现场的安全检查模板,通过对整个施工现场的周边环境、施工整体、施工过程、施工质量、施工组织管理等方面的全面检查,可以及时发现施工现场的安全隐患和问题,并采取相应的预防和控制措施,确保施工现场的安全和施工质量的合格。
厂内交通安全管理制度一、目的与范围1.1为了规范企业交通运输安全管理,有效防范和控制交通事故,确保企业生产经营、物流运输、公务活动的顺利进行,特制定本制度。
1.2本制度规定了厂内机动车驾驶员、厂内机动车辆、厂内交通道路及厂内交通事故处理的程序、管理要点和内容。
1.3本制度适用于企业内厂内机动车驾驶员、厂内机动车辆、厂内交通道路及厂内交通事故处理等。
二、职责2.1办公室负责企业交通安全工作的统一管理,负责组织交通安全工作检查,组织或参与厂区道路交通事故的调查、统计、分析及考核,组织厂内机动车辆检验及驾驶人员安全培训。
2.2车队负责厂内交通事故的调查和处理,负责厂内机动车辆的资产管理和日常检查,负责厂内机动车辆驾驶人员的日常安全管理。
2.3办公室负责厂区道路的隐患整改。
三、厂内机动车辆安全管理3.1厂内机动车辆必须保持车容整洁、车身周正。
车辆的装备、安全防护装置及附件应齐全有效。
3.2新增以及经大修或者改造的厂内机动车辆,投入使用前,应当每年进行一次定期检验。
遇可能影响其安全技术性能的自然灾害或者发生设备事故后的厂内机动车辆,以及停止使用一年以上再次使用的厂内机动车辆,进行大修后,应当进行验收检验。
3.3全车各部位在发动机运转及停车时应无漏油、漏水、漏电、漏气现象。
3.4车辆转向应轻便灵活,行驶中不得轻飘、摆振、抖动、阻滞及跑偏现象。
在平直的道路上能保持车辆直线行驶,转向后能自动回正。
3.5行车制动装置的制动力、储备行程、踏板的自由行程及制动完全释放时间等指标应符合有关标准、规定及该车整车有关技术条件。
气压制动系统技术指标应符合有关标准及规定,必须装有放水装置和限压装置。
3.6车辆的制动距离、跑偏量、驻车制动性能要求等应符合有关标准及规定。
3.7车辆照明及指示灯具应安装牢固、齐全有效。
灯泡要有保护装置,不得因车辆震动而松脱、损坏、失效或改变光照方向。
所有灯光开关应安装牢固,开关自如,不得因车辆振动而自行开关。
建筑工程安全要点检查表范本建筑工程安全是施工现场管理的重要内容,为了确保工程安全,必须进行全面的检查和监督。
以下是建筑工程安全要点检查表的范本,包含了各类安全要点的检查内容。
1. 安全管理制度- 施工现场是否配备了必要的安全管理制度和文件;- 安全管理制度是否明确规定了责任和义务;- 管理制度是否得到有效执行。
2. 作业场所- 施工现场是否设置了合理的作业区域;- 作业场所是否通风良好,是否存在有害气体;- 施工现场是否存在异物、杂物,是否存在绊倒、坠落的危险。
3. 安全防护设施- 施工现场是否设置了有效的消防器材,并标明位置和使用方法;- 施工现场是否设置了必要的安全警示标志;- 施工现场是否配备了适当的个人防护用品,包括安全帽、防护鞋、防护手套等。
4. 施工设备- 施工设备是否符合相关标准和规定;- 施工设备是否经过安全检查,并取得相应的检验合格证明;- 施工设备是否存在故障、损坏或不合理使用的情况。
5. 高处作业- 高处作业是否设置了安全防护措施,如安全网、安全绳等;- 高处作业人员是否佩戴了安全帽,并正确使用安全绳;- 高处作业区域是否清洁整齐,是否存在坠落物的危险。
6. 电气设备- 施工现场的电气设备是否配备了漏电保护器,并定期检查、维护;- 电气设备是否有明显的电气隐患,如漏电、短路等;- 电气设备是否符合安全使用要求,如接地良好、不使用过期电线等。
7. 施工材料和工具- 施工材料是否符合相关标准和规定;- 施工材料和工具是否保持在安全使用状态,并进行定期检查;- 施工现场是否存在材料堆放不规范、工具散乱等安全隐患。
8. 环境卫生- 施工现场是否保持整洁,垃圾是否及时清理;- 施工现场的卫生设施是否完善,如洗手间、饮水设备等;- 施工现场是否存在有害物质的泄漏、散发等情况。
9. 废弃物处理- 施工现场是否设置了废弃物临时堆放区域,是否进行分类处理;- 废弃物处理区域是否与作业区域严格分离,并有相应的防护设施;- 废弃物管理是否符合环保要求和相关规定。
大规模工程安全检查表1. 工程基本信息- 工程名称:- 工程地点:- 工程规模:- 工程负责人:- 安全检查日期:2. 施工现场安全检查- [ ] 施工现场是否设置合理的安全警示标识?- [ ] 施工现场是否有明确的安全管理责任人?- [ ] 施工现场是否有足够的安全防护设施和安全设备?- [ ] 施工现场是否有疏散通道和应急出口?- [ ] 施工现场是否进行了足够的防火、防爆措施?- [ ] 施工现场是否存在危险源,并采取了相应的控制措施?- [ ] 施工现场是否有专人负责安全巡查和记录?3. 施工材料安全检查- [ ] 施工材料是否具有合格的检测报告?- [ ] 施工材料是否存放在安全、整齐的库房中?- [ ] 施工材料是否按照要求进行分类、标识和储存?- [ ] 施工材料是否存在过期、损坏或失效的情况?- [ ] 施工材料是否具备相应的防火、防爆性能?4. 施工设备安全检查- [ ] 施工设备是否具备合法的使用证照?- [ ] 施工设备是否经过定期检测和维护?- [ ] 施工设备是否设置了有效的安全保护装置?- [ ] 施工设备是否符合相关国家安全标准?- [ ] 施工设备是否存在故障、损坏或安全隐患?5. 施工人员安全检查- [ ] 施工人员是否具备相应的职业资格证书?- [ ] 施工人员是否进行了必要的安全培训和教育?- [ ] 施工人员是否佩戴个人防护装备?- [ ] 施工人员是否遵守安全操作规程?- [ ] 施工人员是否存在违反安全规定的行为?6. 安全应急措施检查- [ ] 施工现场是否制定了应急预案?- [ ] 施工现场是否配备了必要的应急设备?- [ ] 施工现场是否定期进行应急演练和培训?- [ ] 施工现场是否建立了紧急联络机制?- [ ] 施工现场是否存在应急响应漏洞?以上所列为大规模工程安全检查表的基本内容,根据具体情况可适当增减检查项。
在进行安全检查时,应根据相关法律法规和工程管理规范进行综合评估,确保工程安全运行。
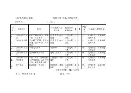
区域/工艺过程:装置装置/设备/设施:加热炉检查分析人员:日期::序号检查项目标准产生偏差的主要后果现有安全控制措施L S风险度(R)建议改正/控制措施1.加热炉平台护栏护栏无损坏腐蚀,要求牢固,外漆整洁造成人员高空坠落三级定期检查2 5 中定期检查,发现问题及时处理2.加热炉平台板平台板无开裂,无腐蚀减薄,要求牢固,外漆整洁造成人员高空坠落三级定期检查2 5 中定期检查,发现问题及时处理3.加热炉平台接地线在规定范围内着火爆炸三级定期检查2 3 低定期检查,发现问题及时处理4.加热炉平台卫生无杂物和废旧物品造成人员碰伤三级定期检查2 2 低定期检查,发现问题及时处理5.加热炉平台支撑和支座牢固、齐全、基础完整、无严重裂纹,无不均匀下沉,紧固螺栓完好人员受伤,着火爆炸三级定期检查2 3 低定期检查,发现问题及时处理6.炉体保温保温完好,无破损热量损失,能耗增加三级定期检查2 3 低定期检查,发现问题及时处理单位:加氢精制车间编号:006工作/任务:加热炉点火作业区域/工艺过程:装置炉区分析人员:日期:序号工作步骤危害或潜在事件主要后果现有安全控制措施L S风险度(R)建议改正/控制措施1.检查劳保穿戴劳保不齐全人身伤害作业前检查 2 1 低2.戴好专用防护眼睛防护镜不齐全人身伤害作业前检查 2 1 低3.现场确认流程错误、阀门泄漏财产损失专人负责检查2 3 低不确认、不懂流程人身伤害 2 3 低4.引瓦斯,高点放空;分析瓦斯氧含量≯0.5%瓦斯中氧含量过大形成爆炸气体人身伤害专人负责检查2 4 中使用非防爆工具、设备泄漏财产损失 2 4 中可燃气体5.炉膛爆炸气样分析,烃+氢<0.2%为合格炉膛中有爆炸气体人身伤害专人负责检查2 4 中现场杂乱财产损失 2 4 中6.先点火后开燃料手阀先开阀、后点火人身伤害专人负责检查2 3 低7.如一次点火不成,用蒸汽吹扫,再进行分析。
不吹扫、不分析人身伤害专人负责检查2 3 低安全检查表(SCL)分析单位:VCM车间设备名称:混合器序号检查项目检查标准产生偏差的主要后果以往发生频率现有安全控制措施L S R 建议改进措施偏差发生频率管理措施员工胜任程度安全设施2 温度表选型正确、合适温度上升从未发日常检查有规胜任温度报警3 2 4温度表坏生定严格执行3 法兰接口材料正确、无泄漏引起泄漏,着火爆炸从未发生日常检查有规定严格执行胜任可燃气体报警2 2 44 接地无腐蚀、无破损、接线牢固着火爆炸从未发生日常检查有规定严格执行胜任接地保护 2 2 45 压力表无泄露、显示正确泄漏气体爆炸着火从未发生日常检查有规定严格执行胜任压力报警 2 2 4 安全检查表(SCL)分析单位:VCM车间设备名称:转化器冷凝剂冷凝器序号检查项目检查标准产生偏差的主要后果以往发生频率现有安全控制措施L S R 建议改进措施偏差发生频率管理措施员工胜任程度安全设施1 安全阀资料齐全,在鉴定期内,前后手超压泄露氯乙烯易着火从未发生日常检查有规定严格执行胜任压力报警 2 2 4阀开无泄露2 压力表无泄露、显示正确泄漏气体爆炸着火从未发生日常检查有规定严格执行胜任压力报警 2 2 43 法兰接口材料正确、无泄漏引起泄漏,着火爆炸从未发生日常检查有规定严格执行胜任可燃气体报警2 2 44 压差变送器无泄漏指示正确法兰泄露庚烷,易着火从未发生日常检查有规定严格执行胜任压力报警 2 2 45 接地无腐蚀、无破损、接线牢固着火爆炸从未发生日常检查有规定严格执行胜任接地保护 2 2 4安全检查表(SCL)分析单位:VCM车间设备名称:转化器序号检查项目检查标准产生偏差的主要后果以往发生频率现有安全控制措施L S R 建议改进措施偏差发生频率管理措施员工胜任程度安全设施1 压力表无泄露、显示正确泄漏气体爆炸着火从未发生日常检查有规定严格执行胜任压力报警 2 2 42 罐体壁厚无腐蚀、无破损、符合安全要求泄露氯乙烯,着火从未发生定期测厚,有规定严格执行胜任可燃气体报警2 3 63 法兰接口材料正确、无泄漏引起泄漏,着火爆炸从未发生日常检查有规定严格执行胜任可燃气体报警2 2 44 接地无腐蚀、无破损、接线牢固着火爆炸从未发生日常检查有规定严格执行胜任接地保护 2 2 45 压差变送器无泄漏指示正确法兰泄露庚烷,易着火从未发生日常检查有规定严格执行胜任压力报警 2 2 46 视镜玻璃显示干净泄漏爆炸从未发生定期检查有规定严格执行胜任可燃气体报警2 2 47安全检查表(SCL)分析单位:VCM车间设备名称:硫酸干燥塔序检查项目检查产生偏差的主以往发生频率现有安全控制措施L S R 建议改进措号标准要后果偏差发生频率管理措施员工任程度安全设施施1 温度表选型正确、合适温度过低结晶,过高和乙炔反应从未发生日常检查有规定严格执行胜任温度报警 3 2 42 硫酸浓度浓度控制在35.5-95.5发生日常检查有规定严格执行胜任 2 3 63 罐体壁厚无腐蚀、无破损、符合安全要求泄露混合气,着火从未发生定期测厚,有规定严格执行胜任 2 3 64 法兰接口材料正确、无泄漏引起泄漏,着火爆炸从未发生日常检查有规定严格执行胜任可燃气体报警2 2 45 压力表无泄露、显示正确泄漏气体爆炸着火从未发生日常检查有规定严格执行胜任压力报警 2 2 4安全检查表(SCL)分析单位:VCM车间设备名称:尾气冷凝器序检查项目检产生偏差的主以往发生频率现有安全控制措施L S R 建议改进措号查标准要后果偏差发生频率管理措施员工胜任程度安全设施施1 下液管是否通畅无结霜,尾排无带料系统压力增大,影响生产偶尔发生日常检查有规定严格执行胜任有蒸汽伴热 3 2 62 法兰接口材料正确、无泄漏引起泄漏,着火爆炸从未发生日常检查有规定严格执行胜任可燃气体报警2 2 43 接地无腐蚀、无破损、接线牢固着火爆炸从未发生日常检查有规定严格执行胜任接地保护 2 2 44 压力表无泄露、显示正确泄漏气体爆炸着火从未发生日常检查有规定严格执行胜任 2 2 45 列管壁厚无泄漏引起爆炸从未发生日常检查有规定严格执行胜任化验检测 2 2 4安全检查表(SCL)分析单位:VCM车间设备名称:全凝器序检查项目检产生偏差的主以往发生频率现有安全控制措施L S R 建议改进措号查标准要后果偏差发生频率管理措施员工胜任程度安全设施施1 列管壁厚无腐蚀、无破损、符合安全要求引起爆炸曾经发生日常检查有规定严格执行胜任 3 2 62 法兰接口材料正确、无泄漏引起泄漏,着火爆炸从未发生日常检查有规定严格执行胜任可燃气体报警2 2 43 接地无腐蚀、无破损、接线牢固着火爆炸从未发生日常检查有规定严格执行胜任接地保护 2 2 44 压力表无泄露、显示正确泄漏气体爆炸着火从未发生日常检查有规定严格执行胜任 2 2 4567安全检查表(SCL)分析单位:VCM车间设备名称:回收塔序号检查项目检查标准产生偏差的主要后果以往发生频率现有安全控制措施L S R 建议改进措施偏差发生频率管理措施员工胜任程度安全设施1 压力表无泄露、显示正确泄漏气体爆炸着火从未发生日常检查有规定严格执行胜任压力报警 1 3 32 双法兰液位计选型正确合适,指示正确无泄漏泄露氯乙烯,爆炸着火从未发生日常检查有规定严格执行胜任 3 2 63 罐体壁厚无腐蚀、无破损、符合安全要求泄露混合气,着火从未发生定期测厚,有规定严格执行胜任 2 2 44 法兰接口材料正确、无泄漏引起泄漏,着火爆炸从未发生日常检查有规定严格执行胜任可燃气体报警2 2 45 接地静电跨接无腐蚀、无破损、接线牢固着火爆炸从未发生日常检查有规定严格执行胜任接地保护 2 2 46 安全阀资料齐全,在鉴定期内,前后手阀开无泄露超压泄露氯乙烯易着火从未发生日常检查有规定严格执行胜任压力报警 2 3 67安全检查表(SCL)分析单位:VCM车间设备名称:高低沸塔序号检查项目检查标准产生偏差的主要后果以往发生频率现有安全控制措施L S R 建议改进措施偏差发生频率管理措施员工胜任程度安全设施1 压力表无泄露、显示正确泄漏气体爆炸着火从未发生日常检查有规定严格执行胜任压力报警 3 2 62 双法兰液位计选型正确合适,指示正确无泄漏泄露氯乙烯,爆炸着火从未发生日常检查有规定严格执行胜任液位、可燃气体报警3 2 63 罐体壁厚无腐蚀、无破损、符合安全要求泄露混合气,着火从未发生定期测厚,有规定严格执行胜任可燃气体报警2 3 64 法兰接口材料正确、无泄漏引起泄漏,着火爆炸从未发生日常检查有规定严格执行胜任可燃气体报警2 2 45 接地静电跨接无腐蚀、无破损、接线牢固着火爆炸从未发生日常检查有规定严格执行胜任接地保护 2 2 46 安全阀资料齐全,在鉴定期内,前后手阀开无泄露超压泄露氯乙烯易着火从未发生日常检查有规定严格执行胜任压力报警 2 2 47安全检查表(SCL)分析单位:VCM车间设备名称:氯乙烯压缩机序号检查项目检查标准产生偏差的主要后果以往发生频率现有安全控制措施L S R 建议改进措施偏差发生频率管理措施员工胜任程度安全设施1 基础无裂痕、无明显沉降、地脚螺丝无松动设备损坏从未发生大修时检测胜任 2 2 42 缓冲罐无腐蚀、减薄耐压不够引起爆炸从未发生次/年检测胜任 3 2 6出口无堵塞超压引起爆炸从未发生日常检查有规定严格执行胜任 3 2 6法兰螺栓无锈蚀泄露引起爆炸从未发生日常检查有规定严格执行胜任 2 2 43 主机磨损度在范围内氯乙烯泄露燃爆曾经发生盘车、大修校轴胜任 3 2 6无异常声音设备损坏燃爆曾经发生定期检查有规定严格执行胜任 2 2 44 接地无腐蚀、无破损、接线牢固着火爆炸从未发生日常检查有规定严格执行胜任接地保护 2 2 4安全检查表(SCL)分析单位:VCM车间设备名称:反应冷剂槽序号检查项目检查标准产生偏差的主要后果以往发生频率现有安全控制措施L S R 建议改进措施偏差发生频率管理措施员工胜任程度安全设施1 安全阀资料齐全,在鉴定期内,前后手阀开无泄露超压泄露庚烷易着火从未发生日常检查有规定严格执行胜任压力报警 2 4 82 双法兰液位计选型正确合适,指示正确无泄漏泄露庚烷,爆炸着火从未发生日常检查有规定严格执行胜任液位报警 3 2 63 槽体壁厚无腐蚀、无破损、符合安全要求泄露庚烷,着火从未发生定期测厚,有规定严格执行胜任可燃气体报警2 3 64 法兰接口材料正确、无泄漏引起泄漏,着火爆炸从未发生日常检查有规定严格执行胜任可燃气体报警2 3 65 接地无腐蚀、无破损、接线牢固着火爆炸从未发生日常检查有规定严格执行胜任接地保护 1 3 36 压力表无泄露、显示正确泄漏气体爆炸着火从未发生日常检查有规定严格执行胜任压力报警 1 5 57 温度表大于110度影响系统从未发生定期检查有规定严格执行胜任报警 2 2 4安全检查表(SCL)分析单位:VCM车间设备名称:反应冷剂排放罐序号检查项目检查标准产生偏差的主要后果以往发生频率现有安全控制措施L S R 建议改进措施偏差发生频率管理措施员工胜任程度安全设施1 法兰接口材料正确、无泄漏引起泄漏,污染环境从未发生日常检查有规定严格执行胜任可燃气体报警2 3 62 接地无腐蚀、无破损、接线牢固着火爆炸从未发生日常检查有规定严格执行胜任接地保护 2 3 63 压力微正压过低进入空气危险,过高冒顶从未发生日常检查有规定严格执行胜任压力报警 1 2 24 呼吸阀通畅爆破曾经发生日常检查有规定严格执行胜任主控检测 2 2 45 液位计>10%抽空从未发生日常检查有规定严格执行胜任液位计报警 2 2 467安全检查表(SCL)分析单位:VCM车间设备名称:碱液循环槽序号检查项目检查标准产生偏差的主要后果以往发生频率现有安全控制措施L S R 建议改进措施偏差发生管理措施员工胜任程度安全设施频率1 法兰接口材料正确、无泄漏引起泄漏,污染环境从未发生日常检查有规定严格执行胜任可燃气体报警2 2 42 接地无腐蚀、无破损、接线牢固着火爆炸从未发生日常检查有规定严格执行胜任接地保护 2 2 43 槽体壁厚无腐蚀、无破损、符合安全要求泄露碱液污染环境从未发生定期测厚,有规定严格执行胜任有毒气体报警2 3 64 压差变送器无泄漏指示正确泄露碱液污染环境从未发生日常检查有规定严格执行胜任主控检测 3 1 35 双法兰液位计选型正确合适,指示正确无泄漏泄露碱液污染环境从未发生日常检查有规定严格执行胜任液位报警 3 2 667安全检查表(SCL)分析单位:VCM车间设备名称:碱洗塔序号检查项目检查标准产生偏差的主要后果以往发生频率现有安全控制措施L S R 建议改进措施偏差发生频率管理措施员工胜任程度安全设施1 压力表无泄露、显示正确泄漏气体爆炸着火从未发生日常检查有规定严格执行胜任压力报警 2 3 62 塔盘塔盘无损坏影响去出HCL效果形成液封曾经发生日常检查有规定严格执行胜任减少进碱量 3 2 63 罐体壁厚无腐蚀、无破损、符合安全要求泄漏氯乙烯爆炸曾经发生定期测厚,有规定严格执行胜任可燃气体报警3 3 94 法兰接口材料正确、无泄漏引起泄漏,着火爆炸曾经发生日常检查有规定严格执行胜任可燃气体报警3 2 65 接地无腐蚀、无破损、接线牢固着火爆炸从未发生日常检查有规定严格执行胜任接地保护 2 2 467安全检查表(SCL)分析单位:VCM车间设备名称:水洗塔序号检查项目检查标准产生偏差的主要后果以往发生频率现有安全控制措施L S R 建议改进措施偏差发生频率管理措施员工胜任程度安全设施1 压力表无泄露、显示正确泄漏气体爆炸着火从未发生日常检查有规定严格执行胜任压力报警 3 1 32 塔盘塔盘无损坏影响去出HCL效果形成液封曾经发生日常检查有规定严格执行胜任减少进水量 3 2 63 塔体壁厚无腐蚀、无破损、符合安全要求泄漏氯乙烯爆炸从未发生定期测厚,有规定严格执行胜任可燃气体报警3 3 94 法兰接口材料正确、无泄漏引起泄漏,着火爆炸曾经发生日常检查有规定严格执行胜任可燃气体报警2 3 65 双法兰液位计选型正确合适,指示正确无泄漏泄漏氯乙烯爆炸从未发生日常检查有规定严格执行胜任液位报警 2 3 66 接地无腐蚀、无破损、接线牢固着火爆炸从未发生日常检查有规定严格执行胜任接地保护 2 3 67安全检查表(SCL)分析单位:VCM车间设备名称:脱析塔序号检查项目检查标准产生偏差的主要后果以往发生频率现有安全控制措施L S R 建议改进措施偏差发生频率管理措施员工胜任程度安全设施1 压力表无泄露、显示正确泄漏气体爆炸着火从未发生日常检查有规定严格执行胜任 2 2 42 接地无腐蚀、无破损、接线牢固着火爆炸从未发生日常检查有规定严格执行胜任接地保护 2 2 43 塔体壁厚无腐蚀、无破损、符合安全要求泄漏盐酸,污染环境从未发生定期测厚,有规定严格执行胜任 4 1 44 法兰接口材料正确、无泄漏泄漏盐酸,污染环境曾经发生日常检查有规定严格执行胜任 2 3 65 双法兰液位计选型正确合适,指示正确无泄漏泄漏盐酸,污染环境曾经发生日常检查有规定严格执行胜任液位报警 2 3 667安全检查表(SCL)分析单位:VCM车间设备名称:盐酸槽序号检查项目检查标准产生偏差的主要后果以往发生频率现有安全控制措施L S R 建议改进措施偏差发生管理措施员工胜任程度安全设施频率1 压力表无泄露、显示正确泄漏盐酸,污染环境从未发生日常检查有规定严格执行胜任 2 2 42 接地无腐蚀、无破损、接线牢固易着火从未发生日常检查有规定严格执行胜任接地保护 2 2 43 槽体壁厚无腐蚀、无破损、符合安全要求泄漏盐酸,污染环境从未发生定期测厚,有规定严格执行胜任 2 2 44 法兰接口材料正确、无泄漏泄漏盐酸,污染环境曾经发生日常检查有规定严格执行胜任 2 1 25 双法兰液位计选型正确合适,指示正确无泄漏泄漏盐酸,污染环境曾经发生日常检查有规定严格执行胜任液位报警 3 1 367安全检查表(SCL)分析单位:VCM车间设备名称:汞处理槽序号检查项目检查标准产生偏差的主要后果以往发生频率现有安全控制措施L S R 建议改进措施偏差发生频率管理措施员工胜任程度安全设施1 酸碱度PH值7-8 污水不达标污染环境曾经发生日常检查有规定严格执行胜任定期取样分析2 2 42 液位冒槽低于85%冒槽从未发生日常检查有规定严格执行胜任液位报警 1 2 23 搅拌无异常声音设备损坏从未发生日常检查有规定严格执行胜任定期检查 2 2 44 管道法兰无渗漏污染环境曾经发生日常检查有规定严格执行胜任有毒气体报警1 3 35 容器壁完好腐蚀设备从未发生日常检查有规定严格执行胜任有毒气体报警2 3 667安全检查表(SCL)分析单位:VCM车间设备名称:合格球罐序号检查项目检查标准产生偏差的主要后果以往发生频率现有安全控制措施L S R 建议改进措施偏差发生频率管理措施员工胜任程度安全设施1 安全阀资料齐全,在鉴定期内,前后手阀开无泄露超压泄露氯乙烯易着火爆炸从未发生日常检查有规定严格执行胜任压力报警 2 4 82 雷达液位计选型正确,合适指示正确无泄露超压,泄露,着火爆炸从未发生日常检查有规定严格执行胜任液位报警 2 2 43 罐体壁厚无腐蚀、无破损、符合安全要求泄漏氯乙烯爆炸从未发生定期测厚,有规定严格执行胜任可燃气体报警1 2 24 法兰接口材料正确、无泄漏泄漏氯乙烯爆炸从未发生日常检查有规定严格执行胜任可燃气体报警2 1 25 接地无腐蚀、无破损、接线牢固易着火从未发生日常检查有规定严格执行胜任接地保护 1 1 16 压差变送器无泄漏指示正确泄漏氯乙烯爆炸从未发生日常检查有规定严格执行胜任可燃气体报警2 2 47安全检查表(SCL)分析单位:VCM车间设备名称:气柜序号检查项目检查标准产生偏差的主要后果以往发生频率现有安全控制措施L S R 建议改进措施偏差发生频率管理措施员工胜任程度安全设施1 安全阀资料齐全,在鉴定期内,前后手阀开无泄露超压泄露氯乙烯易着火爆炸从未发生日常检查有规定严格执行胜任压力报警 2 4 82 液位计选型正确合适,指示正确无泄露罐超压,泄露氯乙烯,着火爆炸从未发生日常检查有规定严格执行胜任液位报警 2 2 43 罐体壁厚无腐蚀、无破损、符合安全要求泄漏氯乙烯爆炸从未发生定期测厚,有规定严格执行胜任可燃气体报警1 2 24 法兰接口材料正确、无泄漏泄漏氯乙烯爆炸从未发生日常检查有规定严格执行胜任可燃气体报警2 1 25 接地无腐蚀、无破损、接线牢固易着火从未发生日常检查有规定严格执行胜任接地保护 1 1 16 压差变送器无泄漏指示正确泄漏氯乙烯爆炸从未发生日常检查有规定严格执行胜任可燃气体报警2 2 47 正逆水封指示正确氯乙烯泄露从未发生定期检查有规定严格执行胜任可燃气体报警2 2 4安全检查表(SCL)分析单位:VCM车间设备名称:空气呼吸器序号检查项目检查标产生偏差的主要后果以往发生频率现有安全控制措施L S R 建议改进措施偏管理措施员工安全准差发生频率胜任程度设施1 气瓶压力气瓶压力不准低于25MPa无法使用从未发生日常检查有规定严格执行胜任 2 2 42 支架无破损、无腐蚀无法使用从未发生日常检查有规定严格执行胜任 1 2 23 肩带、胸带、腰带无破损、无腐蚀无法使用从未发生日常检查有规定严格执行胜任 2 2 24 气源管气源管无破损、无老化人员中毒窒息从未发生日常检查有规定严格执行胜任 1 3 35 供气阀无漏气无堵塞人员中毒窒息从未发生日常检查有规定严格执行胜任 2 3 66 压力表无泄漏指示正确无法使用从未发生日常检查有规定严格执行胜任 1 3 37 报警装置报警哨良好人员中毒窒息从未发生定期检查有规定严格执行胜任 1 4 4安全检查表(SCL)分析单位:VCM车间设备名称:防毒面具序号检查项目检查标准产生偏差的主要后果以往发生频率现有安全控制措施L S R 建议改进措施偏差发生频率管理措施员工胜任程度安全设施1 防护罩无破损、无老化无法使用从未发生日常检查有规定严格执行胜任 2 4 82 呼吸口无堵塞、畅通人员窒息从未发生日常检查有规定严格执行胜任 1 3 33 滤毒罐无破损、堵头良好人员中毒从未发生日常检查有规定严格执行胜任 2 3 6安全检查表(SCL)分析单位:聚合车间设备名称:聚合釜序号检查项目检查产生偏差的主要后以往发生频率现有安全控制措施L S R 建议改进措施偏管理措施员工安全标准果差发生频率胜任程度设施1 爆破片选型正确,完好无泄露釜超压,单体泄露曾经发生日常检查有规定严格执行胜任有毒气体报警2 4 82 上、下人孔完好无泄露单体泄露曾经发生日常检查有规定严格执行胜任有毒气体报警3 3 93 喷淋阀正常不过载无泄露单体泄露曾经发生釜反应中加强巡检胜任有毒气体报警3 3 94 大鸭尾阀正常不过载无泄露原料泄露曾经发生日常操作有规定严格执行胜任有毒气体报警2 4 85 小鸭尾阀正常不过载无泄露原料泄露曾经发生日常操作有规定严格执行胜任有毒气体报警1 5 56 循环水调节阀正常指示正确釜反应异常曾经发生日常操作有规定严格执行胜任手动调节 1 5 57 压力表正常指示正确误差大影响判断曾经发生定期效验胜任多个压力表对比1 5 5安全检查表(SCL)分析。
大型设备小修、中修、大修检修制度大型设备检修制度主扇风机一、检查(一)、日检1、检查风机运转时有无异常声音,风压是否正常.2、检查轴承有无震动,各轴承温度是否正常。
3、检查基础是否有裂纹,基础螺丝及其它连接螺丝有无松脱现象,并及时处理。
4、检查润滑油量是否正常。
5、检查各种保护装置与仪表是否完整良好、工作正常.6、检查联接螺栓有无松动。
(二)、旬检1、检查反风设备是否灵活完善牢固。
2、检查机壳完好情况,并作处理.3、检查轴承运转情况,并添注润滑油。
4、检查备用风机完好情况,并进行试运转。
5、包括日检的全部内容。
(三)、月检1、检查风叶有无松动,风叶与扩散器间隙是否正常和一致,有无磨损等现象。
2、检查风门是否严密,风筒有无裂纹,变形和漏风。
3、检查导轮有无伤痕,及水平度、挠度情况。
5、检查轴承磨损情况。
6、检查风门绞车、钢丝绳及防爆门情况。
7、倒台检查、检修.8、包括全部旬检内容.二、检修(一)、小修(三个月)1、清除机壳及内外部各部件尘垢。
测量绝缘电阻.2、更换、添注或过滤润滑油。
3、拧紧各部件松动的螺丝,如有磨损、损伤和变形必须更换。
4、更换损坏钢丝绳及风门等。
5、进行机壳、风叶、隔风板及钢丝绳涂油。
6、检查轴承润滑脂是否变脏、干涸,缺少时须适量补充,检查轴承是否有杂声,必要时更换.7、配电柜、电控柜除尘。
(二)、中修(一年)1、清除机壳内部及风叶等尘垢,检修损坏的风叶等.2、检修损坏、漏风的挡风皮子及闸门.3、检修风门小绞车及钢丝绳,必要时加以更换。
4、调整风叶角度。
5、轴承超温保护,半年试验一次.6、仪表校验.7、过流和无压释放动作可靠,接地良好(每年试验一次)。
8、定期(一年)拧紧各个接点螺钉、螺母.9、检查定子绕组污染和损伤情况,清除定子灰尘和污垢,检查绕组绝缘是否出现老化痕迹或有无脱落,若有应补修、刷漆。
10、检查定、转子铁心有无磨损变形,如有则应予修整.11、检查定子绕组和转子绕组是否有相间短路、匝间短路、断路、脱焊、烧坏等现象,针对发现的问题予以修理.12、包括全部小修内容。
各类大型挖掘机械安全检查表以下是大型挖掘机械的安全检查表,以确保设备在使用过程中的安全性和有效性。
根据不同类型的挖掘机械,可能需要额外考虑特定的安全事项和检查点。
请根据具体情况进行适当修改和补充。
总体安全检查- 确保挖掘机械处于稳定状态,无明显倾斜或不稳定的迹象。
- 检查油液、燃料和冷却液水平,并确保在允许范围内。
- 检查电池的电量和电线连接是否良好。
- 检查刹车、转向和驱动系统是否正常工作。
- 检查所有操作杆和控制按钮是否灵活可靠。
- 检查挖斗、铲斗和其他附件的磨损情况,确保其安装牢固且没有松动的螺栓。
- 检查挖掘机械周围是否有足够的清晰空间,以避免与其他设备或障碍物碰撞。
发动机和燃料系统- 检查发动机的运转是否平稳,并观察是否有异常噪音或排放。
- 检查燃油管路和连接件是否紧固无漏油。
- 确保燃油过滤器和空气滤清器的清洁度,并及时更换。
- 定期检查和保养发动机冷却系统,确保冷却液循环正常。
液压系统- 检查液压油的水平和质量,确保在设备要求的压力和温度范围内。
- 检查液压管路和接头是否有漏油、裂纹或异常磨损。
- 检查液压缸和液压泵的密封性能,确保无泄漏现象。
- 定期清洗和更换液压过滤器。
电气系统- 检查电气线路和接线盒是否完好,并检查绝缘性能。
- 检查所有灯具和信号装置是否正常工作。
- 检查警报器和报警装置是否正常。
轮胎和履带- 检查轮胎或履带的磨损程度,并定期进行轮胎气压和履带张紧的调整。
- 确保轮胎或履带没有裂纹、破损或严重磨损。
以上是一份大型挖掘机械的安全检查表,可以作为起点,根据实际需求适当增删和修改检查项目。
请注意,此检查表仅供参考,并应结合相关法规和制造商的建议进行使用,以确保操作人员的安全和设备的可靠性。
厂内机动车辆安全检查表厂内机动车辆标准化安全检查表使用部门车辆名称车辆牌照规格型号序号检查项目检查要求检查结果备注1 合格证、使用维护说明书、出厂随机文件厂内机动车辆出厂时,必须附有制造企业关于厂内机动车辆的出厂合格证、使用维护说明书、备品配件和专用工具等,出厂随机文件合格证上除标有主要参数外,还应当标明车辆主要部件(如发动机、底盘等)的型号和编号2 安全技术管理档案车辆出厂的技术文件和产品合格证使用、维护、修理的自检记录安全技术检验报告车辆事故记录3 特种设备安全监察与注册登记新增厂内机动车辆的单位,是否按照本规定要求到所在地、市级以上特种设备安全监察机构注册登记监督检验机构发给厂内的机动车辆安全检验合格标志厂内机动车辆是否安装牌照并粘贴安全检验合格标志4 交通安全标志和交通安全管理制度是否有厂内机动车辆安全管理规章制度是否有生产作业区或者施工现场设置的交通安全标志是否有交通安全管理制度是否有驾驶员培复训制度是否有事故应急措施和救援预案5 定期检验在用厂内机动车辆定期检验周期为一年定期检验不合格或者安全检验合格标志超过有效期的不得使用6 大修、改造大修、改造机动车辆验收合格后,使用单位是否有施工单位移交的施工技术文件和资料等,并存入该机动车辆的技术档案其他说明:检查人:检查日期:机动车辆现场检查表使用部门车辆名称车辆编号规格型号序号检查项目检查内容检查结果备注1 车辆铭牌车容车貌厂牌、型号、发动机功率、总质量、载重量或载客人数、出厂编号、出厂年、月、日及厂名齐全车辆应车容整洁、车身周正,车辆的装备、安全防护装置及附件应齐全有效2 整车检查车辆牌照完整无缺,行驶证、驾驶证齐全有效车容整洁,车身各部机件齐全、完整不得有异常噪声和污染物排放全车各部位在发动机运转及停车时应无漏油、漏水、漏电、漏气现象3 驾驶室驾驶室的技术状况应能保证驾驶员有正常的劳动条件车辆驾驶室必须视线良好,挡风玻璃不得使用有机玻璃或普通玻璃必须装设后视镜、刮水器驾驶室配备了CO2或干粉灭火器4 灯光、电气系统车辆照明及指示灯具应安装牢固、齐全有效,灯泡要有保护装置,不得因车辆震动而松脱、损坏、失效或改变光照方向。
特种设备安全专项检查内容及检查表一、特种设备专项安全检查内容:(一)特种设备安全管理检查1.安全管理机构的建立或专(兼)职管理人员配备情况;2.安全责任制建立和执行情况;3.教育培训、操作规程等制度建立和执行情况;4.设备安全技术档案、作业人员档案的建立和管理情况;5.建立事故报告、处理、责任追究制度和执行情况;6.隐患治理、监控情况;7.应急救援预案制定和演练工作情况。
(二)特种设备安全检查1.使用的特种设备是否经过制造监督检验和安装(改造、重大维修)监督检验,并检验合格;2.购买或租赁特种设备是否选择具有相应特种设备制造许可证资质单位制造的特种设备,购置或租赁是否存在严重事故隐患,无改造、维修价值,超过安全技术规范规定使用年限,或者已在特种设备监督管理部门办理注销手续予以报废的特种设备。
购置的特种设备是否附有安全技术规范要求的设计文件,产品质量证明书、安装及使用维护说明、监督检验证明等文件。
3.特种设备安、拆队伍资质、人员配置及持证情况是否满足要求。
4.特种设备的使用是否按行政许可要求进行使用登记,并在检验有效期内;5.特种设备的操作人员是否经过安全教育培训,是否按规定持有有效证件;6.特种设备的安全附件和安全保护装置是否按规定进行检验(校验),是否灵敏可靠;7.特种设备的运行记录是否齐全且真实有效,是否在规定参数范围内运行;8.特种设备的维护保养是否有效落实,日常维护保养记录是否齐全,对维护保养中发现的问题是否得到及时、合理的处置;9.是否制定具有针对性的真实专项应急预案,是否具备应急救援能力,是否按预案要求进行演练,对应急救援装备和急救物品的配备、存放、检查维护是否符合要求;10.使用单位是否存在下列违规行为:(1)非煤矿山用桅杆起重机及载货升降机使用是否存在事故隐患。
(2)常压锅炉是否承压使用,小型汽水两用炉是否超压使用,是否存在非法改造行为。
(3)电梯及升降机使用单位是否制定电梯管理办法和三角钥匙管理制度。