IRF540驱动电磁阀电路分析
- 格式:doc
- 大小:469.00 KB
- 文档页数:11
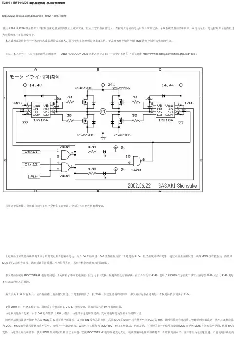
R2104 + IRF540 MOS电机驱动全桥学习与实践过程/bbs/article_1012_130178.html使用L293或L298等全桥芯片来控制直流电机虽然简便而且成本低廉,但由于它们的内阻较大,在控制大电流的马达时芯片常常过热,导致系统的整体效率较低。
在电动车上,马达控制芯片的内阻过大会导致车子的加速度变小。
本人设想在暑假制作一个大的轮式或者履带式机器人,并且希望它能跑到公交车那么快,于是开始研究如何使用MOS管来控制更大电流的电机。
首先,本人参考了《大功率直流马达的驱动——ABU ROBOCON 2005比赛之动力方案》一文中的电路图(原文地址 /article.php?sid=192 )按照这个原理图,我热转印制作了单个全桥的实验电路。
个别的电阻电容值有所变动。
上电并给予有效的持续高电平信号后发现电路不能驱动马达,而2104开始发烫,540没有任何反应。
于是更换2104,但仍出现同样的现象。
通过示波器检测发现,高端MOS没有被驱动,而低端MOS的G端信号正常,因而桥没有被导通。
更换信号方向,另外半桥仍然出现相同的现象。
本人开始怀疑是BOOTSTRAP电容的问题,于是实验了不同的电容值。
但无论怎么变换,问题仍然没有被解决。
由于手头没有4148,使用了IN5819作为续流二极管,按道理5819只会比4148更好,不应该成为问题的原因。
由于手头2104只有6片,而所有的都上电并且发热过,于是重新购买了一批2104。
在这里感谢周顺同学,那天刚好他毕业考考好,帮我到科技京城买了2104。
更换2104后,电路工作正常。
周顺看了看我原来的2104,恍然大悟:原来的芯片是97年前的旧货。
马达欢快地转了起来。
由于540的内阻要比298小很多,马达的加速度明显提高,变向时电刷更是发出了闪亮的火星。
回到家后用示波器开始研究高端MOS的G端驱动电压波形。
发现在EN端为高的初期,高端MOS的驱动电压突然升至比VCC高10V。
二位五通电磁阀原理图解————————————————————————————————作者:————————————————————————————————日期:二位五通电磁阀原理图解电-气转化组件将电讯号转化为气动讯号,电气讯号输入控制了气动输出。
最常用的电-气转换组件是电磁阀(Solenoid actuated valves) 。
电磁阀既是电器控制部分和气动执行部分的接口,也是和气源系统的接口。
电磁阀接受命令去释放,停止或改变压缩空气的流向,在电-气动控制中,电磁阀可以实现的功能有:气动执行组件动作的方向控制,ON/OFF开关量控制,OR/NOT/AND 逻辑控制。
在电磁阀家族中,最重要的是电磁控制换向阀(Solenoid actuated directional control valves) 。
电磁控制换向阀的工作原理在气动回路中,电磁控制换向阀的作用是控制气流通道的通、断或改变压缩空气的流动方向。
主要工作原理是利用电磁线圈产生的电磁力的作用,推动阀芯切换,实现气流的换向。
按电磁控制部分对换向阀推动方式的不同,可以分为直动式电磁阀和先导式电磁阀。
直动式电磁阀直接利用电磁力推动阀芯换向,而先导式换向阀则利用电磁先导阀输出的先导气压推动阀芯换向。
图4.2a表示3/2(三路二位)直动式电磁阀(常断型)结构的简单剖面图及工作原理。
线圈通电时,静铁芯产生电磁力,阀芯受到电磁力作用向上移动,密封垫抬起,使1、2接通,2、3断开,阀处于进气状态,可以控制气缸动作。
当断电时,阀芯靠弹簧力的作用恢复原状,即1、2断,2、3通,阀处于排气状态。
二位五通双电控电磁阀的工作原理2009-10-20 21:47在气路(或液路)上来说,两位三通电磁阀具有1个进气孔(接进气气源)、1个出气孔(提供给目标设备气源)、1个排气孔(一般安装一个消声器,如果不怕噪音的话也可以不装@_@)。
两位五通电磁阀具有1个进气孔(接进气气源)、1个正动作出气孔和1个反动作出气孔(分别提供给目标设备的一正一反动作的气源)、1个正动作排气孔和1个反动作排气孔(安装消声器)。
电磁阀的工作原理及测试方法某型号电磁阀结构简图如图1所示,该阀有三个油口,其中P口和A口为供油口,T口为回油口。
随着电流变化,衔铁所受电磁力、阀芯位移和出油口油压也随之变化。
根据电流、阀芯位移之间的对应关系,不断调整电流大小,控制阀芯位移,进而达到控制出油口油压的目的。
存在两种工作状态,电磁阀断电时阀芯处于原始位置,A-T 油口相通; 通电时电磁圈得电,使阀芯克服弹簧阻力向另一侧移动,与阀套配合实现油路切换,P-A油口相通。
为了实现阀的可靠工作,需要进行以下性能测试。
电磁阀1、泄漏测试阀在工作时是否有内部泄漏是衡量其质量的一个关键性指标。
由于密封和磨损等因素,泄漏不可避免,所以测试指标是泄漏量不可超过最大泄漏值,均需要<0.5L/min。
具体测试方式如下:阀未开启时A-T口通,此时通过给P口供油,慢慢增加P口压力由最小值到最大值,阀芯会在压力油的作用下移动到另一侧使阀的状态变为P-A通,在这个过程中测得在A-T口相通状态下阀内部由P 口泄漏到T口的流量,然后再将压力由最大值下降至最小值,阀芯返回到初始状态A-T口通,在这个过程中测得在P-A口相通时阀内部泄漏到T口的流量。
由于泄漏量很小,所以需要使用高精度齿轮流量传感器来测试阀的泄漏量,量程范围为(5~1000)ml/min,精度为0.5%FS。
2、输出流量-电流信号特性测试通过该测试可以得到在不同的压力下,随着电信号变化,阀的输出流量变化曲线,分析阀的稳态特性。
测试时,设定电流起始点和终止点,先将入口油压稳定至所需值,然后将被试阀的电信号从最小值升至最大值,再回到起点,绘制出流量-电流特性曲线。
3、阶跃响应时间测试电磁阀的响应时间测试有两种情况,分别为阀得电响应时间和断电响应时间,根据厂家要求均需小于30ms。
(1)初始状态为断电:此时阀芯处于原始状态A-T通,A口关闭,稳定P口油压,给电磁阀一个额定的电流信号,检测在电磁圈通电瞬间,到阀芯反应使A口油压上升至P口油压的百分之九十时所用的时间,即为得电响应时间。
电磁阀的工作原理及故障排除电磁阀电磁阀是用来控制流体的自动化基础元件,属于执行器;并不限于液压或气动,用于控制液压流动方向,工厂的机械装置一般都由液压钢控制,所以就会用到电磁阀。
工作原理电磁阀里有密闭的腔,在的不同位置开有通孔,每个孔都通向不同的油管,腔中间是阀,两面是两块电磁铁,哪面的磁铁线圈通电阀体就会被吸引到哪边,通过控制阀体的移动来档住或漏出不同的排油的孔,而进油孔是常开的,液压油就会进入不同的排油管,然后通过油的压力来推动油刚的活塞,活塞又带动活塞杆,活塞竿带动机械装置动。
这样通过控制电磁铁的电流就控制了机械运动。
上图为2YDFW-10电磁阀结构示意图,这是一种插装式两位三通阀。
主要由外壳、阀体、阀芯、阀座、压盖、衔铁、线圈和电插针等组成。
工作原理为:当线圈不通电时,在弹簧力的作用下,阀芯与阀体上的密封面密封,切断供应口和控制口之间的通道,同时控制口与排泄口接通。
当线圈通电时,在电磁力的作用下,衔铁带动阀芯克服弹簧力和摩擦力,使阀芯与阀座密封,从而切断控制口与排泄口之间的通道,并接通供应口和控制口之间的通道。
当给线圈施加的电压为脉宽调制信号时,阀芯在弹簧力与电磁力等的共同作用下快速开关运动,并根据给定的占空比来调节开启的时间,由此对进入或流出控制腔的液体流量进行控制,从而达到对控制腔内的压力控制。
电磁阀的最高工作频率取决于电磁阀的响应时间,响应时间包括电磁阀的吸合时间和释放时间。
分类直动式电磁阀:原理:通电时,电磁线圈产生电磁力把关闭件从阀座上提起,阀门打开;断电时,电磁力消失,弹簧把关闭件压在阀座上,阀门关闭。
特点:在真空、负压、零压时能正常工作,但通径一般不超过25mm。
分布直动式电磁阀:原理:它是一种直动和先导式相结合的原理,当入口与出口没有压差时,通电后,电磁力直接把先导小阀和主阀关闭件依次向上提起,阀门打开。
当入口与出口达到启动压差时,通电后,电磁力先导小阀,主阀下腔压力上升,上腔压力下降,从而利用压差把主阀向上推开;断电时,先导阀利用弹簧力或介质压力推动关闭件,向下移动,使阀门关闭。
IRF540 MOS管应用VDSS=100V RDS<0.077 ID=22AVGS(th)=4VVGS=10. RDS接近0.007 ID=11A负载电流小的情况下可以5V驱动IRF540,IN4007 MOS管内部等效,100/10W(可用2W)功率电阻,电磁阀驱动电路原理图ABS压力调节器的4个常开进油电磁阀的最大起动电流约为3.6 A;4个常闭出油电磁阀最大起动电流约为2.4 A。
而L9349的工作电压4.5~32 V,两路通道内阻0.2Ω,最大负载电流3A;另两路内阻0.3Ω,最大负载电流5A,恰好能满足ABS常开和常闭电磁阀的驱动电流要求,而且较低的导通内阻又能保证低功耗,因此L9349非常适合进行ABS电磁阀的驱动控制。
电磁阀驱动电路原理图见图。
电磁阀驱动电路原理图在图中,每片L9349能驱动4个电磁阀工作,属于典型的低端驱动。
通过Vs端口给芯片提供12V供电电压;当给输入端IN1~IN4 PWM控制信号,就能方便地控制输出端以驱动4路电磁阀工作,OUT1和OUT2端口的最大驱动能力为5A,应该连接ABS的常闭电磁阀;OUT3和OUT4端口最大驱动能力为3A,应连接ABS常开电磁阀,不可接反;EN 端口为使能端,能通过MCU快速关闭芯片;L9349的数字地和模拟地分开,提高了驱动模块的抗干扰能力。
24V电磁阀驱动电路8推荐说明:驱动24V直流电磁阀的驱动电路:,此电路已经在实际应用中,稳定,可靠。
此电路虽然在现场已经稳定运行很久,但有不合理的地方,不知道大家有没有发现。
---2007-07-24此电路驱动24V的电磁阀,电流只能在2A左右,不能太大,因为 Vgs 只有5V,IRF540没有达到完全的导通状态,如果要增大电流得重新设计驱动电路,使Vgs在10V左右才能充分发挥IRF540的驱动能力。
这么久了都没人提出这问题,还是出来补充下,以免大家误解 ---2007-09-07欢迎大家交流探讨!-------------------------------- 最新更新 2008.04.16 -----------------------------------重新设计了驱动电路,已经在实际电路可靠工作,供参考!(如果浏览器不能看到全图,请把图片保存到你的电脑即可)posted @ 2007-1-18 9:24:00 AVR猎手阅读全文(8305) | 回复(35) |反映问题 | 引用通告(0) | 编辑∙标签:单片机电磁阀驱动电路∙上一篇:24V继电器的驱动电路∙下一篇:★卷布机(布料、薄膜等)光电对边控制器纠偏控制器(纠偏器_对边器)★2007-7-30 15:12:00Re:24V电磁阀驱动电路图不全,后面的看不清楚,大哥能不能把全图给小妹看看啊!谢谢!!!!!以下为blog主人的回复:点右键,图片另存为,放到你的电脑上就看清楚,看不清楚后面的是因为你电脑的尺寸的问题。
最新!电磁阀的工作原理以及常见故障来源:头条号诺伊曼。
一、电磁阀的分类1、直动式电磁阀原理:常闭型直动电磁阀通电时,电磁线圈产生电磁吸力把阀芯提起,是关闭键离开阀座密封副打开;断电时,电磁力消失,靠弹簧力把关闭元件压在阀座上阀门关闭。
(常开型与此相反)特点:在真空,负压,零压差时能正常工作,DN50以下可任意安装,但电磁头体积较大。
2、反冲型电磁阀原理:它的原理是一种直动和先导相结合,通电时,电磁阀先将辅阀打开,主阀下腔压力大于上腔压力而利用压差及电磁阀的同时作用把阀门开启;断电时,辅阀利用弹簧力或介质压力推动关闭键,向下移动便阀门关闭。
特点:在零压差或高压时也能正常工作,但功率及体积较大,要求竖直安装。
3、先导式电磁阀原理:通电时,电磁力驱动先导阀打开先导阀,主阀上腔压力迅速下降,在主阀上下腔内形成压差,依靠介质压力推动主阀关闭件上移,阀门开启。
断电时,弹簧力把先导阀关闭,入口介质压力通过先导孔迅速进入主阀上腔在上腔内形成压差,从而使主阀关闭。
特点:体积小,功率低,但介质压差范围受限,必须满足压差条件。
二、电磁阀的工作原理电磁阀是用来控制流体的自动化基础元件,属于执行器,并不限于液压,气动。
电磁阀用于控制液压流动方向,工厂的机械装备一般都由液压缸控制,所以就会用到电磁阀。
电磁阀的工作原理,电磁阀里有密闭的腔,在不同位置开有通孔,每个孔都通向不同的油管,腔中间是阀,两面是两块电磁铁,哪面的磁铁线圈通电阀体就会被吸引到哪边,通过控制阀体的移动来挡住或漏出不同的排油的孔而进油孔是常开的,液压油就会进入不同的排油管,然后通过油的压力来推动油缸的活塞,活塞又带动活塞管,活塞管带动机械装置动。
这样通过控制电磁铁的电流就控制了机械运动。
三、电磁阀常见故障(1)电磁阀接线头松动或线头松动,电磁阀不得电,可紧固线头。
(2)电磁阀线圈烧坏,可拆下电磁阀的接线,用万用表测量,如果开路,则电磁阀线圈烧坏。
原因有线圈受潮,引起绝缘不好而漏磁,造成线圈内电流过大而烧毁,因此要防止雨水进入电磁阀。
多功能挤奶脉动控制器设计作者:张东程琳来源:《电子乐园·上旬刊》2019年第01期摘要:本文介绍了多功能挤奶机脉动控制器原理及其实现,该控制器以单片机控制电磁阀驱动为主要组件,是全自动挤奶机控制的核心,可控制挤奶机对动物奶的自动采集。
虽然各型脉动控制器参数有国家标准,但控制器的频率比、周期等参数各奶厂(挤奶设备厂家)都有自己的使用习惯。
笔者采用了参数可设置的设计,囊括了市面上常用的频率比、周期(频率)等参数,增加了激震按摩功能和启动时间的随机设置功能,提高了该设备的使用范围和功能。
整个设计精巧、可靠、成本较低,适用于大部分国内外的挤奶设备厂家,有广阔的应用前景。
关键词:脉动控制器;参数;多功能;电子设计一、引言挤奶机设备被广泛应用于奶牛、水牛、绵羊、山羊、马等养殖动物的挤奶,它必须模拟动物小崽吸奶的行为,确保动物母亲的奶头不被伤害。
挤奶机是牧场的重要设备,而脉动控制器就是这个挤奶设备的核心。
市场常见的脉动器有气动脉动器、液阻尼脉动器、再就是电控制的脉动器。
不管哪种脉动器都要遵守严格规定的ISO国家标准。
如果没有达到标准,会造成产奶动物的奶头括约肌受到损伤、乳头口外翻、乳头排奶管变硬、两边的乳房产奶量不均衡等问题。
轻者会导致奶产量和奶品质下降,重则导致产奶动物乳房发炎,严重危害产奶动物的健康。
而脉动器控制方式因动物的不同而要求各有不同,如奶牛动物有4个奶头、2对奶,有前后乳区和左右乳区之分。
驴、羊一般是一对奶头。
针对不同产奶动物的脉动器是各不相同的,一般左、右为对称式的,前后分对称和不对称式三种,脉动频率的要求一般40到90次/分钟,按脉动比率分有55:45、60:40、65:35、70:30等。
按此要求既可以用于羊、牛、马、骆驼等动物挤奶脉动控制,且脉动器的各项指标都应符合ISO标准,保证挤奶动作的正确性,也是确保产奶动物健康产奶的保障。
目前市场上脉动控制器都为单一功能的,即频率比单一、周期单一、功能单一,笔者设计款频率比可设置、周期可设置、启动时间可设置、激震按摩功能的脉动控制器。
电磁阀工作原理及八款动态示意图
泵阀信息2017-09-14 13:15
电磁阀
电磁阀(Electromagnetic valve)是用电磁控制的工业设备,是用来控制流体的自动化基础元件,属于执行器,并不限于液压、气动。
用在工业控制系统中调整介质的方向、流量、速度和其他的参数。
电磁阀可以配合不同的电路来实现预期的控制,而控制的精度和灵活性都能够保证。
电磁阀有很多种,不同的电磁阀在控制系统的不同位置发挥作用,最常用的是单向阀、安全阀、方向控制阀、速度调节阀等。
工作原理
电磁阀里有密闭的腔,在不同位置开有通孔,每个孔连接不同的油管,腔中间是活塞,两面是两块电磁铁,哪面的磁铁线圈通电阀体就会被吸引到哪边,通过控制阀体的移动来开启或关闭不同的排油孔,而进油孔是常开的,液压油就会进入不同的排油管,然后通过油的压力来推动油缸的活塞,活塞又带动活塞杆,活塞杆带动机械装置。
这样通过控制电磁铁的电流通断就控制了机械运动。
二位二通电磁阀
二位三通电磁阀
二位四通电磁阀
三位三通电磁阀
三位四通电磁阀
管道联系式电磁阀
直接控制式电磁阀
直接联系式电磁阀。
电磁阀原理图,电磁阀工作原理图作者:佚名文章来源:本站原创点击数:更新时间:2006-8-3国内外的电磁阀从原理上分为三大类(即:直动式、分步童先导式),而从阀瓣结构和材料上的不同与原理上的区别又分为六个分支小类(直动膜片结构、分步重片结构、先导膜式结构、直动活塞结构、分步直动活塞结构、先导活塞结构)。
直动式电磁阀:原理:通电时,电磁线圈产生电磁力把关闭件从阀座上提起,阀门打开;断电时,电磁力消失,弹簧把关闭件压在阀座上,阀门关闭。
特点:在真空、负压、零压时能正常工作,但通径一般不超过25mm。
分布直动式电磁阀:原理:它是一种直动和先导式相结合的原理,当入口与出口没有压差时,通电后,电磁力直接把先导小阀和主阀关闭件依次向上提起,阀门打开。
当入口与出口达到启动压差时,通电后,电磁力先导小阀,主阀下腔压力上升,上腔压力下降,从而利用压差把主阀向上推开;断电时,先导阀利用弹簧力或介质压力推动关闭件,向下移动,使阀门关闭。
特点:在零压差或真空、高压时亦能可靠动作,但功率较大,要求必须水平安装。
先导式电磁阀:原理:通电时,电磁力把先导孔打开,上腔室压力迅速下降,在关闭件周围形成上低下高的压差,流体压力推动关闭件向上移动,阀门打开;断电时,弹簧力把先导孔关闭,入口压力通过旁通孔迅速腔室在关阀件周围形成下低上高的压差,流体压力推动关闭件向下移动,关闭阀门。
特点:流体压力范围上限较高,可任意安装(需定制)但必须满足流体压差条件。
国内外的电磁阀从原理上分为三大类(即:直动式、分步童先导式),而从阀瓣结构和材料上的不同与原理上的区别又分为六个分支小类(直动膜片结构、分步重片结构、先导膜式结构、直动活塞结构、分步直动活塞结构、先导活塞结构)。
直动式电磁阀:原理:通电时,电磁线圈产生电磁力把关闭件从阀座上提起,阀门打开;断电时,电磁力消失,弹簧把关闭件压在阀座上,阀门关闭。
特点:在真空、负压、零压时能正常工作,但通径一般不超过25mm。
电磁阀电路原理
电磁阀电路原理是通过电磁力作用控制阀门的开关。
电磁阀是利用电磁力原理工作的装置,通过控制电流的通断来控制阀门的开合。
电磁阀电路主要包括电源、继电器、开关和电磁阀本身。
当电源通电时,电流通过继电器的线圈,产生电磁场。
继电器将电流从一组接点切换到另一组接点,从而改变电路的连接关系。
当电流通过继电器的线圈时,电磁场作用于开关,使开关闭合。
开关的闭合导致电流通过电磁阀的线圈,产生磁场。
这个磁场与电磁阀内部的活塞相互作用,使活塞移动,从而控制阀门的开度。
当电源断电时,电磁场消失,开关断开,电磁阀回到初始状态,阀门关闭。
在实际应用中,电磁阀电路常常与传感器、控制器等组合使用,实现对阀门运行状态的监测与控制。
例如,当需要监测液位时,可以将液位传感器与电磁阀电路连接,当液位达到一定高度时,传感器将信号发送给控制器,控制器通过电磁阀电路切换阀门状态,实现对液位的控制。
总之,电磁阀电路通过控制电流的通断,利用电磁力来控制阀门的开合,实现对流体的控制。
它在工业自动化控制、液压传动、液位控制等领域得到广泛的应用。
汽油机喷油器工作电路一、可以满足的教学功能本电路板模拟发动机控制模块根据各种传感器的信号控制喷油器喷油时刻和喷油脉冲宽度的控制过程,重点在于执行器的驱动电路上。
通过该电路板的学习,可以:1、掌握汽油机喷油器工作电路的组成和工作原理;2、掌握电路构成主要部件的作用和工作原理;3、学会电路板工作性能的检测方法;4、学会电路板常见故障的诊断和维修方法;5、掌握万用表、数字存储示波器的使用方法。
二、电路板工作原理电路原理图如下:元器件参数表:元件编号元件类型参数R1、R2、R3、R4 电阻10KR5、R6 电阻5W/10ΩR7 电阻470ΩR8 电阻1KCT1、CT2 电解电容22ufCT3 电解电容10ufC1、C2 瓷片电容0.1ufD1 二极管1N4007Q1 场效应晶体管IRF540Q2 集成稳压电源7805U1 单片机STC12C5204ADU2 光耦TLP521-1S1、S2、S3、S4 不自锁按键SW-PBY1 晶振2MC3、C4 瓷片电容10pf本电路模拟汽油机喷油器工作的基本原理。
在本电路中使用单片机模拟汽车中的ECU控制单元,在按动按键S2、S3、S4时,ECU 产生相关的频率方波信号,信号通过光耦由5V方波信号转为12V的方波信号,12V的方波信号使场效应功率管(IRF540)处于不停的导通(12V)和断开(0V)状态,使汽油机喷油器处于工作状态。
在本电路板中,按动开关S2、S3、S4可使汽油机喷油器工作在不同的工作频率状态。
通过按动开关可使汽油机喷油器在不同工作频率下切换,观察工作状态的变化。
电路同时提供端子AD、AC、AC2。
学生可使用信号发生器调节产生不同脉宽的数字、模拟信号来驱动汽油机喷油器在不同信号下工作。
三、主要组成元件的作用和工作原理1、汽油机喷油器喷油器接受ECU送来的喷油脉冲信号,精确的控制燃油喷射量。
喷油器是一种加工精度非常高的精密器件,要求其动态流量范围大,抗堵塞和抗污染能力强以及雾化性能好。
电磁阀工作机制解析
电磁阀是一种常用的控制装置,广泛应用于各种工业领域。
本
文将详细解析电磁阀的工作机制。
电磁阀的结构
电磁阀由电磁铁和阀体组成。
电磁铁通常由线圈、铁芯和阀芯
组成。
阀体上有进出口孔和阀座,通过控制阀芯的位置来控制流体
的通断。
电磁阀的工作原理
当电磁阀接通电源时,电磁铁中的线圈产生电磁力,吸引铁芯
向线圈方向移动。
阀芯随之移动,使得阀芯与阀座之间的密封断开,流体可以通过进出口孔流通。
当电磁阀断开电源时,电磁铁中的电磁力消失,铁芯受到弹簧
力的作用,回到初始位置。
阀芯也随之回到初始位置,与阀座之间
再次形成密封,阻止流体通过。
电磁阀的应用
电磁阀广泛应用于液压系统、气动系统和自动化控制系统中的流体控制。
例如,它可以用于控制液压缸的运动方向、调节气体的流量等。
总结
电磁阀是一种通过电磁力控制流体通断的装置。
它的工作原理简单明了,结构紧凑。
在各个工业领域中有着广泛的应用。
了解电磁阀的工作机制有助于我们更好地理解它的工作原理和应用场景。
如果您需要更加详细的信息或有其他问题,请随时告诉我。
电磁阀控制电路(1)试制作一个电磁阀控制电路[68]一个参考设计的电磁阀控制电路和印制电路板图如图6.3.8和6.3.9所示,印制电路板的实际尺寸约为65nmiX40nmi。
霍耳传感器U和小磁铁等构成了铁片检测电路。
“555”时基集成电路1U和电位器RP、电阻器R、电容器C等构成了典型单稳态触发电路。
交流固态继电器SSR和2142压敏电阻器RV、限流电阻器R等构成了交流无触点开关电路,它的负载是一个交流电磁阀。
电5源变压器T和硅全桥QD,固定式三端集成稳压器U、滤波电容器C等构成了电源电路,将220V35交流变换成平滑的9V直流,供控制电路使用。
图6.3.8电磁阀控制电路电原理图图6.3.9电磁阀控制电路印制电路板图当无铁片插入时,霍耳传感器U受小磁铁磁力线的作用,其输出端第3脚处于低电平,发光1二极管D亮,晶体三极管Q1截止,与其集电极相接的时基集成电路U的低电平触发端第2脚通12过电阻器R接电源正极,单稳态电路处于复位状态。
此时,U内部导通的放电三极管(第7脚)32将电容器C短路,U输出端第3脚为低电平,发光二极管D不亮,交流固态继电器SSR因无控222制电流而处于截止状态,电磁阀无电不吸动,处在闭阀状态。
当将铁片投入专门的投票口时,铁片沿着滑槽迅速下滑,在通过检测电路时,小磁铁与U之间的磁力线被铁片暂时短路,使U第311脚输出高电平脉冲,经Q1反相后作为U的触发脉冲。
于是,单稳态电路翻转进入暂稳态,U的22第3脚输出高电平,D发光;同时SSR导通,使控制电磁阀得电自动开阀。
这时,U内部放电三22极管截止,延时电路中的C通过R和R开始充电,并使U的阀值输入端(高电平触发端)第62P42 脚电位不断上升。
当。
两端充电电压大于号V时,单稳态电路复位,U的第 3 脚又恢复为低电DD2平,D熄灭,SSR截止,电磁阀断电关闭。
与此同时,U内部放电三极管导通,C经第7脚快速222放电,电路又恢复到常态。
540v开关电源的主电路540V开关电源是一种常见的电源供应器件,广泛应用于各种电子设备中。
它的主电路是由多个部件组成的,包括输入滤波器、整流桥、电容滤波器、变压器、开关管、控制电路和输出滤波器等。
输入滤波器是主电路的第一部分,它的作用是将输入电源的交流信号转换为直流信号,并滤除输入电源中的高频噪声和干扰。
输入滤波器通常由电感和电容组成,通过对输入电源信号进行滤波和降噪,保证了后续电路的正常工作。
接着是整流桥,它的作用是将输入滤波器输出的交流信号转换为直流信号。
整流桥一般采用四个二极管组成的桥式整流电路,将输入信号的负半周和正半周都转换为正向的直流信号。
通过整流桥的作用,电源信号得到了有效的整流和稳定。
然后是电容滤波器,它的作用是进一步平滑整流后的直流信号,减小其波动和纹波。
电容滤波器一般由电容器和电阻器组成,通过电容器的充电和放电过程来平滑输出电压波动。
电容滤波器能够有效地降低输出端的纹波和噪声,提供稳定的直流电源。
接下来是变压器,它的作用是将电源输入的高电压转换为所需的低电压。
变压器是通过电磁感应原理工作的,通过变压器的升降压作用,将输入电压转换为适合电子设备工作的电压。
变压器通常由铁芯和线圈组成,通过变压器的绕组关系来实现电压的变换。
然后是开关管,它是整个开关电源的核心部件。
开关管一般采用晶体管或者场效应管,通过开关管的导通和截止来控制电源输出。
开关管能够快速地切换电源的通断状态,通过控制开关管的导通时间和截止时间来调节输出电压的大小和稳定性。
控制电路是开关电源的重要组成部分,它的作用是对开关管进行控制和保护。
控制电路一般由控制芯片、反馈电路和保护电路组成,通过对输入和输出电压进行采样和比较,实现对开关管的控制和保护。
控制电路能够确保开关电源的稳定输出和安全工作。
最后是输出滤波器,它的作用是进一步滤波和平滑输出电压,减小输出端的纹波和噪声。
输出滤波器一般由电感和电容组成,通过电感和电容的串联和并联组合,实现对输出电压的滤波和稳定。
电磁阀的工作原理及故障诊断1.电磁阀的工作原理双向电磁阀属于电气、制冷双用件。
只有双温双控或多温多控(机械控制或微电脑控制)电冰箱,才设置有这种器件,并通过冷藏温控器或微电脑控制电磁阀得电与否来控制阀芯位置,自动切换两输出管口谁与输入管口接通,即控制冷冻、冷藏两个毛细管哪只被接通,哪只被切断,从而实现对电冰箱冷冻、冷藏室同时制冷、还是单独制冷的自动转换。
2.常见故障处理2.1.压敏电阻击穿:它击穿后表面会有裂纹、炸裂、有黑焦炭点、呈现烧焦状,但测量电阻一般仍为无穷大(正常值也是无穷大),所以检查此件不能用电阻法。
压敏电阻击穿,多是电冰箱工作电压过高导致,如购买不到压敏电阻可去掉不用,但家庭用电压过高保护功能随之消失。
2.2.保险管熔断:其熔断的表现是内部金属丝中断或消失管内发黑,测量两端电阻为无穷大(正常0Ω)。
保险管熔断,尤其是内部发黑,是因电磁阀中压敏电阻、二极管、电容击穿所致;极个别是家庭用电过高或保险自身的问题,但一般只是金属线熔断,内部不发黑。
保险管熔断后要更换同规格保险管,过大起不到保护作用,过小易熔断、误保护。
2.3.晶体管损坏:二极管损坏形式有击穿、开路、阻值变大三种,最常见的是击穿。
用万用表R×1OΩ~R×1kΩ挡位测量两端电阻。
正常时,正向电阻因测量挡位不同,在300Ω~5kΩ之间,反向电阻应为无穷大。
如果正、反向电阻均近于零或很小,是二极管击穿;正、反向电阻均为无穷大,是开路;正向电阻大于10kΩ,反向电阻无穷大,是阻值变大。
2.4.电容损坏:电容损坏形式有击穿、失效两种,最常见的是击穿。
电容爆炸、有击穿黑点、电解电容顶或低部鼓胀均为损坏,用万用表R×1kΩ挡测量两端电阻判断电容好坏。
电解电容测量之初阻值小,然后逐渐增大直到近于无穷大;其他电容始终为过大。
如果电容两端电阻近于零是击穿,有较大阻值是漏电,电解电容阻值不变化是失效。
用数字表电容挡测量无容量为失效。
IRF540 MOS管应用VDSS=100V RDS<0.077 ID=22AVGS(th)=4VVGS=10. RDS接近0.007 ID=11A负载电流小的情况下可以5V驱动IRF540,IN4007 MOS管内部等效,100/10W(可用2W)功率电阻,电磁阀驱动电路原理图ABS压力调节器的4个常开进油电磁阀的最大起动电流约为3.6 A;4个常闭出油电磁阀最大起动电流约为2.4 A。
而L9349的工作电压4.5~32 V,两路通道内阻0.2Ω,最大负载电流3A;另两路内阻0.3Ω,最大负载电流5A,恰好能满足ABS常开和常闭电磁阀的驱动电流要求,而且较低的导通内阻又能保证低功耗,因此L9349非常适合进行ABS电磁阀的驱动控制。
电磁阀驱动电路原理图见图。
电磁阀驱动电路原理图在图中,每片L9349能驱动4个电磁阀工作,属于典型的低端驱动。
通过Vs端口给芯片提供12V供电电压;当给输入端IN1~IN4 PWM控制信号,就能方便地控制输出端以驱动4路电磁阀工作,OUT1和OUT2端口的最大驱动能力为5A,应该连接ABS的常闭电磁阀;OUT3和OUT4端口最大驱动能力为3A,应连接ABS常开电磁阀,不可接反;EN 端口为使能端,能通过MCU快速关闭芯片;L9349的数字地和模拟地分开,提高了驱动模块的抗干扰能力。
24V电磁阀驱动电路8推荐说明:驱动24V直流电磁阀的驱动电路:,此电路已经在实际应用中,稳定,可靠。
此电路虽然在现场已经稳定运行很久,但有不合理的地方,不知道大家有没有发现。
---2007-07-24此电路驱动24V的电磁阀,电流只能在2A左右,不能太大,因为 Vgs 只有5V,IRF540没有达到完全的导通状态,如果要增大电流得重新设计驱动电路,使Vgs在10V左右才能充分发挥IRF540的驱动能力。
这么久了都没人提出这问题,还是出来补充下,以免大家误解 ---2007-09-07欢迎大家交流探讨!-------------------------------- 最新更新 2008.04.16 -----------------------------------重新设计了驱动电路,已经在实际电路可靠工作,供参考!(如果浏览器不能看到全图,请把图片保存到你的电脑即可)posted @ 2007-1-18 9:24:00 AVR猎手阅读全文(8305) | 回复(35) |反映问题 | 引用通告(0) | 编辑∙标签:单片机电磁阀驱动电路∙上一篇:24V继电器的驱动电路∙下一篇:★卷布机(布料、薄膜等)光电对边控制器纠偏控制器(纠偏器_对边器)★2007-7-30 15:12:00Re:24V电磁阀驱动电路图不全,后面的看不清楚,大哥能不能把全图给小妹看看啊!谢谢!!!!!以下为blog主人的回复:点右键,图片另存为,放到你的电脑上就看清楚,看不清楚后面的是因为你电脑的尺寸的问题。
irf540场效应管参数IRF540场效应管参数一、IRF540场效应管简介IRF540是一种N沟道MOSFET,是国际上常用的高功率场效应管之一。
它具有低开启电压、高控制灵敏度和大电流能力等特点,广泛应用于各种开关电源、逆变器、电机驱动器等高频高压开关电路中。
二、IRF540场效应管参数1. 最大耗散功率(Pd):150W最大耗散功率是指场效应管在正常工作状态下能够承受的最大功率。
超过这个值会导致场效应管过热甚至烧毁。
2. 最大漏极-源极电压(Vds):100V最大漏极-源极电压是指场效应管在正常工作状态下能够承受的最大电压。
超过这个值会导致场效应管击穿损坏。
3. 最大漏极电流(Id):33A最大漏极电流是指场效应管在正常工作状态下能够承受的最大电流。
超过这个值会导致场效应管过载损坏。
4. 静态漏极-源极电阻(Rds(on)):0.077Ω静态漏极-源极电阻是指场效应管在正常工作状态下漏极-源极间的电阻值。
该值越小,表示场效应管的导通能力越强。
5. 门极-源极开启电压(Vgs(th)):4V ~ 5V门极-源极开启电压是指场效应管开始导通的门极-源极电压。
该值越小,表示场效应管的控制灵敏度越高。
6. 门极最大电压(Vgs(max)):20V门极最大电压是指场效应管能够承受的最大门极-源极电压。
超过这个值会导致场效应管损坏。
三、IRF540场效应管特性曲线IRF540场效应管特性曲线反映了其在不同工作条件下的漏电流与漏极-源极电压之间的关系。
通过分析特性曲线可以得到IRF540的一些重要参数,如开启电压、截止电流等。
四、IRF540场效应管使用注意事项1. 在使用前必须仔细阅读数据手册,并按照手册规定进行正确连接和使用。
2. 需要注意场效应管的静态电压和电流,避免超过最大值。
3. 在使用场效应管时需要注意散热,以免过热损坏。
4. 在选择场效应管时需要根据实际需求选择合适的型号和参数,以免出现过载或不足的情况。
IRF540 MOS管应用VDSS=100V RDS<0.077 ID=22AVGS(th)=4VVGS=10. RDS接近0.007 ID=11A负载电流小的情况下可以5V驱动IRF540,IN4007 MOS管内部等效,100/10W(可用2W)功率电阻,24V电磁阀驱动电路8推荐说明:驱动24V直流电磁阀的驱动电路:,此电路已经在实际应用中,稳定,可靠。
此电路虽然在现场已经稳定运行很久,但有不合理的地方,不知道大家有没有发现。
---2007-07-24此电路驱动24V的电磁阀,电流只能在2A左右,不能太大,因为 Vgs 只有5V,IRF540没有达到完全的导通状态,如果要增大电流得重新设计驱动电路,使Vgs在10V左右才能充分发挥IRF540的驱动能力。
这么久了都没人提出这问题,还是出来补充下,以免大家误解 ---2007-09-07欢迎大家交流探讨!-------------------------------- 最新更新 2008.04.16 -----------------------------------重新设计了驱动电路,已经在实际电路可靠工作,供参考!(如果浏览器不能看到全图,请把图片保存到你的电脑即可)posted @ 2007-1-18 9:24:00 AVR猎手阅读全文(8305) | 回复(35) |反映问题 | 引用通告(0) | 编辑∙标签:单片机电磁阀驱动电路∙上一篇:24V继电器的驱动电路∙下一篇:★卷布机(布料、薄膜等)光电对边控制器纠偏控制器(纠偏器_对边器)★2007-7-30 15:12:00Re:24V电磁阀驱动电路图不全,后面的看不清楚,大哥能不能把全图给小妹看看啊!谢谢!!!!!以下为blog主人的回复:点右键,图片另存为,放到你的电脑上就看清楚,看不清楚后面的是因为你电脑的尺寸的问题。
posted @ 2007-7-30 15:12:00 Miss Li(游客) 个人主页 | 引用 | 返回 | 删除 | 回复2007-8-1 8:28:00Re:24V电磁阀驱动电路看到了,谢谢啊!以下为blog主人的回复:呵呵,不用谢!posted @ 2007-8-1 8:28:00 missLi(游客) 个人主页 | 引用 | 返回 | 删除| 回复2007-9-7 14:46:00Re:24V电磁阀驱动电路驱动24V的电磁阀,电流只能在2A左右,不能太大,因为 Vgs 只有5V,如果要增大电流得重新设计驱动电路,使Vgs在10V左右才能充分发挥IRF540的驱动能力。
posted @ 2007-9-7 14:46:00 benladn911 个人主页 | 引用 | 返回 | 删除 |回复2008-4-15 18:39:00Re:24V电磁阀驱动电路为什么您认为电流只能在2A左右?以下为AVR猎手的回复:可以去参考下IRF540的器件手册里的Vgs参数曲线。
在5V的Vgs电压下,Ids的电流大概在2A左右,并且内阻比较大。
现在已经更新驱动电路,请参考。
posted @ 2008-4-15 18:39:00 访客w06Eu2(游客) 个人主页 | 引用 | 返回| 删除 | 回复2008-4-15 22:49:00Re:24V电磁阀驱动电路R15接法不对吧,这样的话,不就是一个电阻和电磁阀并联么???有保护二极管不就可以么。
以下为AVR猎手的回复:自己好好看看吧,如果没有R15,那当IRF540驱动导通后的后果是什么。
---是把24V电源直接短路掉了,啪!!posted @ 2008-4-15 22:49:00 访客w06Evi(游客) 个人主页 | 引用 | 返回| 删除 | 回复2008-7-22 21:19:00Re:24V电磁阀驱动电路电路基础知识太差!回复2008-8-27 22:41:00Re:24V电磁阀驱动电路太感谢了。
posted @ 2008-8-27 22:41:00 水木之(游客) 个人主页 | 引用 | 返回 | 删除 | 回复2008-8-28 16:52:00Re:24V电磁阀驱动电路请问,照此电路搭建好,怎么发现输出不是24V,测量发现4k7上分压23V,10V稳压管上只有0. 8V?我将MCU连接到地了?谢谢!posted @ 2008-8-28 16:52:00 foryou(游客) 个人主页 | 引用 | 返回 | 删除 | 回复2008-8-29 16:32:00Re:24V电磁阀驱动电路以下引用foryou(游客)在undefined发表的评论:请问,照此电路搭建好,怎么发现输出不是24V,测量发现4k7上分压23V,10V稳压管上只有0.8V?我将MCU连接到地了?谢谢!已修复好,4k7电阻的飞线重新焊接再测试通过。
不知是和原因。
还是谢谢提供电路了。
posted @ 2008-8-29 16:32:00 foryou(游客) 个人主页 | 引用 | 返回 | 删除 | 回复2008-9-7 17:40:00Re:24V电磁阀驱动电路如果电磁阀短路,很容易烧管子,最好有短路保护posted @ 2008-9-7 17:40:00 SWQWXG(游客) 个人主页 | 引用 | 返回 | 删除 | 回复2008-9-7 17:42:00Re:24V电磁阀驱动电路为啥要用100/10W电阻,可以用大的吗?电阻体积太大,站用电路板空间| 回复2008-10-1 8:39:00Re:24V电磁阀驱动电路这个100/10W电阻去掉也可以吧?以下为AVR猎手的回复:这个100欧姆的电阻用 2W 的就可以了。
posted @ 2008-10-1 8:39:00 xiaoliang(游客) 个人主页 | 引用 | 返回 | 删除 | 回复2008-10-16 16:19:00Re:24V电磁阀驱动电路终于见到回复了,谢谢!以下为AVR猎手的回复:不客气哈~posted @ 2008-10-16 16:19:00 xiaoliang(游客) 个人主页 | 引用 | 返回 |删除 | 回复2008-11-26 6:23:00Re:24V电磁阀驱动电路请问12v的电磁阀和24v的电磁阀有什么不同的地方吗posted @ 2008-11-26 6:23:00 ABS电磁阀(游客) 个人主页 | 引用 | 返回 |删除 | 回复2008-11-28 3:47:00Re:24V电磁阀驱动电路我怎么也觉得IRF540上的5K1的电阻没什么用,去掉它也没什么影响啊,不会有什么短路发生啊posted @ 2008-11-28 3:47:00 xiaoliangxu(游客) 个人主页 | 引用 | 返回| 删除 | 回复2008-12-10 8:07:00Re:24V电磁阀驱动电路直接去掉R15,5K1在这里就是多余.Q2IRF540为MOSFET电压控制电流,为什么一定要10V去驱动呢,5V直接能驱动并有余量,就没必要在往10V跑posted @ 2008-12-10 8:07:00 losterwan(游客) 个人主页 | 引用 | 返回 | 删除 | 回复2008-12-10 8:16:00Re:24V电磁阀驱动电路IN4007应该换成1N4003这类电压比较低的,R21十瓦电阻不便宜,节省点,去掉;如果不放心IRF54 0的驱动能力,可以加个增压电路去驱动IRF540.posted @ 2008-12-10 8:16:00 losterwan(游客) 个人主页 | 引用 | 返回 | 删除 | 回复2009-1-7 14:23:00Re:24V电磁阀驱动电路好posted @ 2009-1-7 14:23:00 突然特(游客) 个人主页 | 引用 | 返回 | 删除 | 回复2009-2-5 14:14:00Re:24V电磁阀驱动电路最近也在研究电磁铁驱动,有点心得。
你的电路可以改进的地方:1.IFR540 余量太大了,体积也太大了,可选sop8或sot89封装的mos管或sot89 的三极管,我仔细估算,功率是够用的。
推荐SI9945AEY 和 2SC55662.100/10W +5819 ,可以直接换为双向TVS,26V以上的。
3.G极电阻分压也是可以的。
以下为AVR猎手的回复:谢谢经验分享。
MOS管功率大点,比较保险,在一般应用不是非常注重空间问题。
那个100/10W的电阻功率偏大了,用2W左右的就可以了。
TVS没用过,也不便宜吧?posted @ 2009-2-5 14:14:00 21ele(游客) 个人主页 | 引用 | 返回 | 删除| 回复2009-3-17 6:21:00Re:24V电磁阀驱动电路自己好好看看吧,如果没有R15,那当IRF540驱动导通后的后果是什么。
---是把24V电源直接短路掉了,啪!!首先你的经验分享!不过去掉怎么会啪呢!本身就是并联的!UGS5V时电流应该是接近10A吧!posted @ 2009-3-17 6:21:00 LDW(游客) 个人主页 | 引用 | 返回 | 删除 | 回复2009-3-17 6:42:00Re:24V电磁阀驱动电路请问你这个电路能驱动比例电磁阀吗PWM能用吗,频率为1K以内的posted @ 2009-3-17 6:42:00 LDW(游客) 个人主页 | 引用 | 返回 | 删除 | 回复2009-3-19 11:08:00Re:24V电磁阀驱动电路请问lz,你这个电磁阀电路有没有做过流保护和电磁阀关断瞬间反电动势保护措施posted @ 2009-3-19 11:08:00 elezone(游客) 个人主页 | 引用 | 返回 | 删除 | 回复2009-4-2 12:19:00Re:24V电磁阀驱动电路谢谢!blog 的引言很有韵味以下为AVR猎手的回复:谢谢支持。
posted @ 2009-4-2 12:19:00 昊天(游客) 个人主页 | 引用 | 返回 | 删除 |回复2009-4-14 8:33:00Re:24V电磁阀驱动电路好文章,最近我也在做这个,谢谢分享了!posted @ 2009-4-14 8:33:00 天际(游客) 个人主页 | 引用 | 返回 | 删除 |回复2009-4-15 13:44:00Re:24V电磁阀驱动电路IRF540旁边画的一个二极管是等效的还是外加保护用的,我看过很多用场效应管都画有这个,有的说是内部的等效的?这介不太明白还请指教一下?posted @ 2009-4-15 13:44:00 真水无色(游客) 个人主页 | 引用 | 返回 | 删除 | 回复2009-4-16 0:54:00Re:24V电磁阀驱动电路IRF540旁边画的一个二极管是内部等效的posted @ 2009-4-16 0:54:00 猎手(游客) 个人主页 | 引用 | 返回 | 删除 |回复2009-4-20 3:07:00Re:24V电磁阀驱动电路最近头让作个12V电磁阀驱动电路,我用第二个电路,请问下电路中的参数都怎么确定啊(主要是功率电阻,MOS管,续流二极管和稳压管的参数如何定)?我是08的新手加菜鸟,很多东西向大家学习,谢谢各位了!希望最近有高手相助!posted @ 2009-4-20 3:07:00 KEEP_MISSING(游客) 个人主页 | 引用 | 返回| 删除 | 回复2009-6-4 11:14:00Re:24V电磁阀驱动电路你好,你想请问一下你这个电路在实际应用中是怎么处理散热问题的,你是做成PCB板吗,如果是的话,大电流线走线要多宽呀?能不能给些指导.因为我也做了一个这样的板子,不知道如何处理这个散热的问题.优其布线.期待你的回复.谢谢posted @ 2009-6-4 11:14:00 谢涛(游客) 个人主页 | 引用 | 返回 | 删除 |回复2009-6-4 13:54:00Re:24V电磁阀驱动电路上面的朋友,你好。