理正岩土计算5.6版 破解版结果
- 格式:rtf
- 大小:87.12 KB
- 文档页数:14
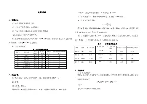
计算说明1、计算方法1)内力计算采用弹性支点法;2)土的水平抗力系数按M法确定;3)主动土压力与被动土压力采用矩形分布模式;4)采用力法分析环形内支撑内力;5)采用"理正深基坑支护结构软件FSPW 5.2"计算,计算采用单元计算与协同计算相结合,并采用FLAC-3D进行验证;6)土层参数选取2、单元计算1)基坑分为4个区,安全等级为一级,基坑重要性系数为1.1;2)荷载:施工荷载:10kPa;地面超载:4区活动荷载为25kPa,1区、2区和3区超载按10kPa考虑;水压力;基坑外侧为常水位,内侧坑底以下0.5m。
3)基坑开挖深度:根据现场地形确定,按开挖12.50m确定;4)支撑水平刚度系数:2aTsEAKL sα=式中α取0.8,E取28000MPa,L取7.0m,sa取1.20m,s取7.0m,经计算,kT 大于800 MN/m,本计算中,取800MN/m。
5)计算过程详见附件1,其中1区选用钻孔ZK1,2区选用钻孔ZK4,3区选用钻孔ZK16,4区选用钻孔ZK5。
各区计算结果汇总如下:表2 计算结果汇总表3、协同计算1)计算方法简介协同计算采用考虑支护结构、内支撑结构及土空间整体协同作用有限元的计算方法。
有限元方程如下:([K n]+[Kz]+[Kt]){W)}={F}式中:[K n]-内支撑结构的刚度矩阵;[K z]-支护结构的刚度矩阵;[Kt]-开挖面以下桩侧土抗力的刚度矩阵;{W}-位移矩阵;{F}-荷载矩阵。
计算时采用如下简化计算方法:(1)将基坑周边分成几个计算区域,同一计算区域的支护信息相同,地质条件相同。
(2)将每一个桩或每单位长度的墙看成是一个超级的子结构,这一子结构包括桩墙,土,主动和被动土压力。
(3)将第三道锚索等效为弹性支承点,作为支承系统的一部份进行计算。
(4)单独求解(2)中的子结构,可采用单桩内力计算的一套方法,将刚度和荷载凝聚到与支锚的公共节点上,这是一个一维梁计算问题。
一、图件的模板设置问题。
“修改剖面图的签字栏?单位要求签字栏统一,需要修改,具体过程是:1、进入LiZhengGICAD6.7Supportblock下任选一图框文件,如tk_dl_1.dwg,修改成你所需要的,存盘退出。
2、在剖面图生成过程中选择你所创建的图框。
二、关于探井等的输入问题输入探井,在定制栏内将探井深度勾上就可以,我用的是正版,不知道破解版的有没有这些功能探井需在<岩心钻孔数据录入>中输入三、理正和excel相互转化的问题理正和EXCEL都是活的,操作的步骤如下:1)理正中可以设置个参数的顺序,建立模板2)将EXCEL数据生成“制表符分隔的” txt文件3)在土工试验程序中导入,再生成标准的理正接口数据4)在理正勘察程序中导入土工标准的理正接口数据理正软件在录入单孔基本数据时,每个孔的地质时代、地质成因、岩土名称等都要输入吗,这样重复劳动不是太大了吗,请指教!项目配置表里面可以设置标准土层表第一步,点击项目配置表第二步,点击标准土层第三步,进入标准土层表,进行设置自己的标准土层第四步,在输入钻孔基本数据时,点击标准层边的箭头选择标准层,自己更改深度就可以了先把一个钻孔的描述内容复制,到下一个孔直接粘贴追加就可以了,挺快的以上两种方法都挺实用的,还可以通过复制层比较齐全的那个钻孔的数据到目的孔,只需要更改一下深度就好了!钻孔数据也可以几个人分工录入,通过导入备份库数据就可以合并到一块来的,钻孔录入工作量较大时可采用这个办法!勘察点数据表录入:可先在软件中录入孔号及孔类型(可同一类的一块输,可避免每次选择孔类型,这后按F5刷新,孔号自动按升序排列)→导出数据*.txt文件→在EXCEL中打开进行编辑(因为EXCEL中可对数据进行编辑较为方便,如计算、拖动等)→后还保存成“制表符分隔的文本文件” →在勘探点表中“导入”数据即可。
四、理正使用过程中的其他问题理正勘察软件地质成因为h+al时,在柱状图中不能显示在上标中,需打开一个一个柱状图去修改,有没有更好的方法,请指教!在其前加@ ,在其后加!即输入“@h+al!”即可实现上标;若为下标,可加$下标内容!,“!”后若有括号时,则“!”可省还有一种就是1 输入一个钻孔数据2 在顶栏的辅助中找"复制勘探孔数据"然后把你已经输入数据的钻孔数据复制到目标钻孔中3 按每个钻孔的实际情况更改深度和层数本人的经验:1、耕土下无填充图例,可将岩性对照表中“耕土”一行删除后,重新在菜单“辅助”下的二级菜单中“输入岩性对照信息”进行设置,填充图例可直接采用素填土或杂填土的填充图例。
1、选择行业:水利行业;然后选择挡墙形式,确认。
2、根据“堤防工程设计规范”确定“滑动稳定安全系数”
目前最新版(GB 50286-2013)规定5级堤防安全系数取值和4级相同。
3、根据堤防高度,选最不利工况堤防高程(最高堤防),做出堤防。
4、在“坡线土柱”中,坡面线段数一般选择2段,坡面起始不低于墙顶,地面横坡角度一般选30°~45°(开挖线的开挖角度),墙顶标高为“0”,挡墙背侧常年水位标高为“负安全加高”,挡墙面侧常年水位标高为“设计洪水位”,
竖向投影长为“0”
墙前土高度为冲刷深度,也就是基础埋置深度,
在物理参数中,先选择挡土墙类型,再选择填土类型,。
挡土墙计算软件(破解)(二)引言概述:本文旨在介绍一个名为「挡土墙计算软件(破解)」的软件,该软件具备破解功能,可以提供用户免费使用。
本文将围绕该软件的功能特点、使用方法、系统要求、安装步骤和常见问题等方面进行详细阐述,并最终总结该软件的优势和适用性。
正文内容:一、功能特点1. 提供挡土墙计算所需的各项参数和计算公式。
2. 能够自动化进行挡土墙的设计和优化,节省设计师的工作时间和精力。
3. 具备强大的计算能力,可以同时处理多个挡土墙项目,并给出相应的计算结果。
4. 支持多种挡土墙类型,如重力式挡土墙、钢筋混凝土挡土墙等,满足不同项目的设计需求。
5. 提供可视化的计算结果展示,能够直观地展示挡土墙的受力和变形情况。
二、使用方法1. 下载并安装「挡土墙计算软件(破解)」。
2. 打开软件并导入需要计算的挡土墙项目。
3. 输入相关参数,如土壤的物理力学特性、挡土墙的几何形状等。
4. 运行计算并等待结果生成。
5. 查看计算结果,并根据需要进行调整和优化。
三、系统要求1. 操作系统:Windows 7及以上版本。
2. 处理器:1GHz或更高。
3. 内存:2GB或更多。
4. 存储空间:至少200MB的可用空间。
四、安装步骤1. 下载「挡土墙计算软件(破解)」安装包。
2. 双击安装包并按照提示完成软件的安装。
3. 启动软件并按照注册步骤完成软件的注册。
4. 配置软件的相关设置,如语言、单位等。
5. 完成安装并开始使用「挡土墙计算软件(破解)」。
五、常见问题1. 无法启动软件:请检查操作系统和硬件是否满足系统要求,并重新安装软件。
2. 计算结果不准确:请核实输入的参数是否正确,并检查计算过程中是否存在任何错误或疏漏。
3. 无法导入项目:请确保项目文件的格式正确,并尝试重新导入。
4. 软件运行缓慢:请优化计算机性能或减少同时处理的项目数量。
5. 其他问题:请参阅软件的帮助文档或联系软件开发商获取支持。
总结:「挡土墙计算软件(破解)」是一款功能强大的免费软件,具备自动化设计和优化能力,支持多种挡土墙类型。
电脑是WIN8 64位的,网上的PKPM2005破解版去下一个就好,最好和我一样的就是…绝对可行…
下载的PKPM是这样的
安装完后
现在开始安装点这个
然后点这个安装或者右键管理员什么的
最好不要安装在C盘,其他都可以.中间出现选择的选单机,然后就都是下一步,地区是全国的,最后会说什么错误,不理它,,,不要重启…
关键的来了,装好后发现只能打开主界面,这时只要点开这些
将这个”WinSCard.DLL”文件复制到PKPM安装目录中的每个文件夹下
最重要的一步来了
把这里面的
复制到C盘根目录下(注意不要复制错!!!)
然后就大功了!!!
开心吧!!!!第一次发东东,请谅解!!。
理正岩土6.5使用讲解一、软件安装与启动1.下载理正岩土6.5软件安装包,解压后按照提示进行安装。
2.安装完成后,启动软件,输入用户名和密码,进入软件主界面。
二、界面介绍与操作1.软件主界面包括菜单栏、工具栏、绘图区、属性栏等部分。
2.菜单栏包括文件、编辑、绘图、参数、分析等选项,用于实现各项操作。
3.工具栏包括常用工具按钮,方便用户快速执行常用操作。
4.绘图区用于显示和分析岩土工程数据。
5.属性栏用于显示和编辑当前选中图形的属性信息。
三、土性参数输入与编辑1.在软件中打开土性参数输入界面,输入土性参数,包括土名、密度、含水量、液限、塑限等。
2.可以对输入的参数进行编辑和修改,确保数据的准确性和完整性。
四、岩土分析计算1.在软件中选择合适的分析方法,如强度分析、变形分析等。
2.输入相关参数,如应力条件、边界条件等。
3.点击计算按钮,软件将自动进行岩土分析计算,并生成相应的计算结果。
五、报告生成与导出1.在软件中选择报告类型,如岩土工程勘察报告、设计报告等。
2.根据需要调整报告格式和内容,包括表格、图表等。
3.点击生成按钮,软件将自动生成报告文件。
4.可以将报告文件导出为PDF或Word格式,方便用户查看和使用。
六、工程实例演示1.在软件中打开工程实例演示模块,选择合适的工程实例。
2.可以查看工程实例的详细信息和数据,并进行相应的分析和计算。
3.通过工程实例演示,用户可以更好地了解软件的功能和应用范围。
七、问题解答与技巧分享1.在使用过程中遇到问题或疑问,可以通过软件的帮助文档或在线论坛寻求帮助和解答。
2.此外,还可以通过技巧分享区学习其他用户的经验和技巧,提高使用效率和质量。
理正岩土系列软件使用问题解答1、浸水地区挡墙设计中,浮力系数如何输入?答:该参数只在公路行业《公路路基设计手册》(第二版)中有定义表格p739,其他行业可直接取1.0.(以下表格序号为规范中序号)常见问题边坡1.边坡软件中,如何考虑锚杆作用?答:软件要求输入锚杆抗拉力、锚杆总长、锚固段长度、锚固段周长、粘结强度等参数,当锚杆穿过圆弧滑动面时,则锚杆的有效作用力=min{锚杆抗拔力、锚杆抗拉力}锚杆抗拔力=圆弧滑动面外锚杆锚固段长度*锚固段周长*粘结强度锚杆抗拉力=锚杆抗拉力2.土工布或锚杆的抗拉力和水平间距的关系是什么?答:软件是先用交互的抗拉力除以水平间距,得出单位宽度的抗拉力,以单位宽度的抗拉力带入计算。
如果土工布时满铺的,水平间距要输入1,抗拉力输入单位宽度土工布的抗拉力。
3.软件是否考虑锚杆力法向分力产生的抗滑力?答:软件可以考虑锚杆力法向分力产生的抗滑力,但要注意在“加筋”表中有个参数“法向力发挥系数”,该值输0则表示不考虑法向分力产生的抗滑力。
4.通常情况下认为:“简化Bishop法不适用于折线滑动法”,软件为何采用?答:传统意义上经典简化Bishop法确实只能应用在圆弧滑面上,但是在岩土力学杂志的论文中有学者提出了扩展简化Bishop法,可以用于非圆弧滑面安全系数的求解,理正软件正是参考了这种算法。
5.软件如何设置,才能用传递系数法计算安全系数?答:计算目标设置成“剩余下滑力计算”,剩余下滑力计算目标设置成“计算安全系数”。
安全系数使用方法设为“扩大自重下滑力”时,使用的是传递系数法中的KT模型;安全系数使用方法设为“降低抗剪强度”时,使用的是传递系数法中的R/K模型。
6.软件中用的传递系数法和《公路路基设计规范》JTG D30-2004中63页所用的方法是否是相同的?答:和安全系数使用方法设为“扩大自重下滑力”时是相同的,都是传递系数法中的KT模型。
7.计算结果中,筋带力输出的“材料抗拉力”和加筋界面上输入的抗拉力不相等,为什么?答:出现这种情况,是因为锚杆的水平间距不为1,软件计算时用输入的抗拉力除以锚杆的水平间距,换算成每延米的筋带力带入计算,因此输出的计算书中的筋带力表上的材料抗拉力=抗拉力/锚杆的水平间距,锚固抗拔力同理。
重力式挡土墙验算[执行标准:公路]计算项目:重力式挡土墙 3计算时间:2013-01-19 16:32:29 星期六------------------------------------------------------------------------ 原始条件:墙身尺寸:墙身高: 6.500(m)墙顶宽: 0.660(m)面坡倾斜坡度: 1:0.250背坡倾斜坡度: 1:0.200采用1个扩展墙址台阶:墙趾台阶b1: 0.300(m)墙趾台阶h1: 0.500(m)墙趾台阶与墙面坡坡度相同墙底倾斜坡率: 0.200:1物理参数:圬工砌体容重: 23.000(kN/m3)圬工之间摩擦系数: 0.400地基土摩擦系数: 0.500墙身砌体容许压应力: 2100.000(kPa)墙身砌体容许弯曲拉应力: 280.000(kPa)墙身砌体容许剪应力: 110.000(kPa)材料抗压极限强度: 1.600(MPa)材料抗力分项系数: 2.310系数醩: 0.0020挡土墙类型: 一般挡土墙墙后填土内摩擦角: 35.000(度)墙后填土粘聚力: 0.000(kPa)墙后填土容重: 19.000(kN/m3)墙背与墙后填土摩擦角: 17.500(度)地基土容重: 18.000(kN/m3)修正后地基承载力特征值: 500.000(kPa)地基承载力特征值提高系数:墙趾值提高系数: 1.200墙踵值提高系数: 1.300平均值提高系数: 1.000墙底摩擦系数: 0.500地基土类型: 土质地基地基土内摩擦角: 30.000(度)土压力计算方法: 库仑坡线土柱:坡面线段数: 2折线序号水平投影长(m) 竖向投影长(m) 换算土柱数1 3.000 2.000 02 5.000 0.000 0坡面起始距离: 0.000(m)地面横坡角度: 20.000(度)填土对横坡面的摩擦角: 35.000(度)墙顶标高: 0.000(m)挡墙分段长度: 10.000(m)=====================================================================第 1 种情况: 组合1=============================================组合系数: 1.0001. 挡土墙结构重力分项系数 = 1.000 √2. 墙顶上的有效永久荷载分项系数 = 1.000 √3. 墙顶与第二破裂面间有效荷载分项系数 = 1.000 √4. 填土侧压力分项系数 = 1.000 √5. 车辆荷载引起的土侧压力分项系数 = 1.000 √=============================================[土压力计算] 计算高度为 7.309(m)处的库仑主动土压力无荷载时的破裂角 = 28.322(度)按实际墙背计算得到:第1破裂角: 28.322(度)Ea=244.313(kN) Ex=214.072(kN) Ey=117.736(kN) 作用点高度 Zy=2.627(m) 因为俯斜墙背,需判断第二破裂面是否存在,计算后发现第二破裂面不存在墙身截面积 = 15.518(m2) 重量 = 356.925 (kN)(一) 滑动稳定性验算基底摩擦系数 = 0.500采用倾斜基底增强抗滑动稳定性,计算过程如下:基底倾斜角度 = 11.310 (度)Wn = 349.993(kN) En = 157.432(kN) Wt = 69.999(kN) Et = 186.825(kN) 滑移力= 116.827(kN) 抗滑力= 253.713(kN)滑移验算满足: Kc = 2.172 > 1.300滑动稳定方程验算:滑动稳定方程满足: 方程值 = 164.582(kN) > 0.0地基土层水平向: 滑移力= 214.072(kN) 抗滑力= 252.070(kN)地基土层水平向: 滑移验算不满足: Kc2 = 1.177 <= 1.300(二) 倾覆稳定性验算相对于墙趾点,墙身重力的力臂 Zw = 2.186 (m)相对于墙趾点,Ey的力臂 Zx = 3.521 (m)相对于墙趾点,Ex的力臂 Zy = 1.818 (m)验算挡土墙绕墙趾的倾覆稳定性倾覆力矩= 389.154(kN-m) 抗倾覆力矩= 1194.777(kN-m)倾覆验算满足: K0 = 3.070 > 1.500倾覆稳定方程验算:倾覆稳定方程满足: 方程值 = 649.588(kN-m) > 0.0(三) 地基应力及偏心距验算基础类型为天然地基,验算墙底偏心距及压应力取倾斜基底的倾斜宽度验算地基承载力和偏心距作用于基础底的总竖向力 = 507.426(kN) 作用于墙趾下点的总弯矩=805.624(kN-m) 基础底面宽度 B = 4.127 (m) 偏心距 e = 0.476(m)基础底面合力作用点距离基础趾点的距离 Zn = 1.588(m)基底压应力: 趾部=208.010 踵部=37.895(kPa)最大应力与最小应力之比 = 208.010 / 37.895 = 5.489作用于基底的合力偏心距验算满足: e=0.476 <= 0.167*4.127 = 0.688(m)墙趾处地基承载力验算满足: 压应力=208.010 <= 600.000(kPa)墙踵处地基承载力验算满足: 压应力=37.895 <= 650.000(kPa)地基平均承载力验算满足: 压应力=122.952 <= 500.000(kPa)(四) 基础强度验算基础为天然地基,不作强度验算(五) 墙底截面强度验算验算截面以上,墙身截面积 = 13.946(m2) 重量 = 320.764 (kN)相对于验算截面外边缘,墙身重力的力臂 Zw = 2.134 (m)相对于验算截面外边缘,Ey的力臂 Zx = 3.521 (m)相对于验算截面外边缘,Ex的力臂 Zy = 1.818 (m)[容许应力法]:法向应力检算:作用于验算截面的总竖向力 = 438.499(kN) 作用于墙趾下点的总弯矩=710.016(kN-m) 相对于验算截面外边缘,合力作用力臂 Zn = 1.619(m)截面宽度 B = 3.885 (m) 偏心距 e1 = 0.323(m)截面上偏心距验算满足: e1= 0.323 <= 0.250*3.885 = 0.971(m)截面上压应力: 面坡=169.227 背坡=56.513(kPa)压应力验算满足: 计算值= 169.227 <= 2100.000(kPa)切向应力检算:剪应力验算满足: 计算值= 9.954 <= 110.000(kPa)[极限状态法]:重要性系数0 = 1.000验算截面上的轴向力组合设计值Nd = 438.499(kN)轴心力偏心影响系数醟= 0.923挡墙构件的计算截面每沿米面积A = 3.885(m2)材料抗压极限强度Ra = 1600.000(kPa)圬工构件或材料的抗力分项系数鉬= 2.310偏心受压构件在弯曲平面内的纵向弯曲系数豮= 0.997计算强度时:强度验算满足: 计算值= 438.499 <= 2484.440(kN)计算稳定时:稳定验算满足: 计算值= 438.499 <= 2478.063(kN)(六) 台顶截面强度验算[土压力计算] 计算高度为 6.000(m)处的库仑主动土压力无荷载时的破裂角 = 29.162(度)按实际墙背计算得到:第1破裂角: 29.162(度)Ea=172.939(kN) Ex=151.533(kN) Ey=83.340(kN) 作用点高度 Zy=2.150(m) 因为俯斜墙背,需判断第二破裂面是否存在,计算后发现第二破裂面不存在[强度验算]验算截面以上,墙身截面积 = 12.060(m2) 重量 = 277.380 (kN)相对于验算截面外边缘,墙身重力的力臂 Zw = 1.738 (m)相对于验算截面外边缘,Ey的力臂 Zx = 2.930 (m)相对于验算截面外边缘,Ex的力臂 Zy = 2.150 (m)[容许应力法]:法向应力检算:作用于验算截面的总竖向力 = 360.720(kN) 作用于墙趾下点的总弯矩=400.595(kN-m) 相对于验算截面外边缘,合力作用力臂 Zn = 1.111(m)截面宽度 B = 3.360 (m) 偏心距 e1 = 0.569(m)截面上偏心距验算满足: e1= 0.569 <= 0.250*3.360 = 0.840(m)截面上压应力: 面坡=216.527 背坡=-1.813(kPa)压应力验算满足: 计算值= 216.527 <= 2100.000(kPa)拉应力验算满足: 计算值= 1.813 <= 280.000(kPa)切向应力检算:剪应力验算满足: 计算值= 2.156 <= 110.000(kPa)[极限状态法]:重要性系数0 = 1.000验算截面上的轴向力组合设计值Nd = 360.720(kN)轴心力偏心影响系数醟= 0.744挡墙构件的计算截面每沿米面积A = 3.360(m2)材料抗压极限强度Ra = 1600.000(kPa)圬工构件或材料的抗力分项系数鉬= 2.310偏心受压构件在弯曲平面内的纵向弯曲系数豮= 0.994计算强度时:强度验算满足: 计算值= 360.720 <= 1730.414(kN)计算稳定时:稳定验算满足: 计算值= 360.720 <= 1720.167(kN)=====================================================================第 2 种情况: 组合2=============================================组合系数: 1.0001. 挡土墙结构重力分项系数 = 1.000 √2. 墙顶上的有效永久荷载分项系数 = 1.000 √3. 墙顶与第二破裂面间有效荷载分项系数 = 1.000 √4. 填土侧压力分项系数 = 1.000 √5. 车辆荷载引起的土侧压力分项系数 = 1.000 √=============================================[土压力计算] 计算高度为 7.309(m)处的库仑主动土压力无荷载时的破裂角 = 28.322(度)按实际墙背计算得到:第1破裂角: 28.322(度)Ea=244.313(kN) Ex=214.072(kN) Ey=117.736(kN) 作用点高度 Zy=2.627(m) 因为俯斜墙背,需判断第二破裂面是否存在,计算后发现第二破裂面不存在墙身截面积 = 15.518(m2) 重量 = 356.925 (kN)(一) 滑动稳定性验算基底摩擦系数 = 0.500采用倾斜基底增强抗滑动稳定性,计算过程如下:基底倾斜角度 = 11.310 (度)Wn = 349.993(kN) En = 157.432(kN) Wt = 69.999(kN) Et = 186.825(kN) 滑移力= 116.827(kN) 抗滑力= 253.713(kN)滑移验算满足: Kc = 2.172 > 1.300滑动稳定方程验算:滑动稳定方程满足: 方程值 = 164.582(kN) > 0.0地基土层水平向: 滑移力= 214.072(kN) 抗滑力= 252.070(kN)地基土层水平向: 滑移验算不满足: Kc2 = 1.177 <= 1.300(二) 倾覆稳定性验算相对于墙趾点,墙身重力的力臂 Zw = 2.186 (m)相对于墙趾点,Ey的力臂 Zx = 3.521 (m)相对于墙趾点,Ex的力臂 Zy = 1.818 (m)验算挡土墙绕墙趾的倾覆稳定性倾覆力矩= 389.154(kN-m) 抗倾覆力矩= 1194.777(kN-m)倾覆验算满足: K0 = 3.070 > 1.500倾覆稳定方程验算:倾覆稳定方程满足: 方程值 = 649.588(kN-m) > 0.0(三) 地基应力及偏心距验算基础类型为天然地基,验算墙底偏心距及压应力取倾斜基底的倾斜宽度验算地基承载力和偏心距作用于基础底的总竖向力 = 507.426(kN) 作用于墙趾下点的总弯矩=805.624(kN-m) 基础底面宽度 B = 4.127 (m) 偏心距 e = 0.476(m)基础底面合力作用点距离基础趾点的距离 Zn = 1.588(m)基底压应力: 趾部=208.010 踵部=37.895(kPa)最大应力与最小应力之比 = 208.010 / 37.895 = 5.489作用于基底的合力偏心距验算满足: e=0.476 <= 0.167*4.127 = 0.688(m)墙趾处地基承载力验算满足: 压应力=208.010 <= 600.000(kPa)墙踵处地基承载力验算满足: 压应力=37.895 <= 650.000(kPa)地基平均承载力验算满足: 压应力=122.952 <= 500.000(kPa)(四) 基础强度验算基础为天然地基,不作强度验算(五) 墙底截面强度验算验算截面以上,墙身截面积 = 13.946(m2) 重量 = 320.764 (kN)相对于验算截面外边缘,墙身重力的力臂 Zw = 2.134 (m)相对于验算截面外边缘,Ey的力臂 Zx = 3.521 (m)相对于验算截面外边缘,Ex的力臂 Zy = 1.818 (m)[容许应力法]:法向应力检算:作用于验算截面的总竖向力 = 438.499(kN) 作用于墙趾下点的总弯矩=710.016(kN-m) 相对于验算截面外边缘,合力作用力臂 Zn = 1.619(m)截面宽度 B = 3.885 (m) 偏心距 e1 = 0.323(m)截面上偏心距验算满足: e1= 0.323 <= 0.250*3.885 = 0.971(m)截面上压应力: 面坡=169.227 背坡=56.513(kPa)压应力验算满足: 计算值= 169.227 <= 2100.000(kPa)切向应力检算:剪应力验算满足: 计算值= 9.954 <= 110.000(kPa)[极限状态法]:重要性系数0 = 1.000验算截面上的轴向力组合设计值Nd = 438.499(kN)轴心力偏心影响系数醟= 0.923挡墙构件的计算截面每沿米面积A = 3.885(m2)材料抗压极限强度Ra = 1600.000(kPa)圬工构件或材料的抗力分项系数鉬= 2.310偏心受压构件在弯曲平面内的纵向弯曲系数豮= 0.997计算强度时:强度验算满足: 计算值= 438.499 <= 2484.440(kN)计算稳定时:稳定验算满足: 计算值= 438.499 <= 2478.063(kN)(六) 台顶截面强度验算[土压力计算] 计算高度为 6.000(m)处的库仑主动土压力无荷载时的破裂角 = 29.162(度)按实际墙背计算得到:第1破裂角: 29.162(度)Ea=172.939(kN) Ex=151.533(kN) Ey=83.340(kN) 作用点高度 Zy=2.150(m) 因为俯斜墙背,需判断第二破裂面是否存在,计算后发现第二破裂面不存在[强度验算]验算截面以上,墙身截面积 = 12.060(m2) 重量 = 277.380 (kN)相对于验算截面外边缘,墙身重力的力臂 Zw = 1.738 (m)相对于验算截面外边缘,Ey的力臂 Zx = 2.930 (m)相对于验算截面外边缘,Ex的力臂 Zy = 2.150 (m)[容许应力法]:法向应力检算:作用于验算截面的总竖向力 = 360.720(kN) 作用于墙趾下点的总弯矩=400.595(kN-m)相对于验算截面外边缘,合力作用力臂 Zn = 1.111(m)截面宽度 B = 3.360 (m) 偏心距 e1 = 0.569(m)截面上偏心距验算满足: e1= 0.569 <= 0.250*3.360 = 0.840(m)截面上压应力: 面坡=216.527 背坡=-1.813(kPa)压应力验算满足: 计算值= 216.527 <= 2100.000(kPa)拉应力验算满足: 计算值= 1.813 <= 280.000(kPa)切向应力检算:剪应力验算满足: 计算值= 2.156 <= 110.000(kPa)[极限状态法]:重要性系数0 = 1.000验算截面上的轴向力组合设计值Nd = 360.720(kN)轴心力偏心影响系数醟= 0.744挡墙构件的计算截面每沿米面积A = 3.360(m2)材料抗压极限强度Ra = 1600.000(kPa)圬工构件或材料的抗力分项系数鉬= 2.310偏心受压构件在弯曲平面内的纵向弯曲系数豮= 0.994计算强度时:强度验算满足: 计算值= 360.720 <= 1730.414(kN)计算稳定时:稳定验算满足: 计算值= 360.720 <= 1720.167(kN)=====================================================================第 3 种情况: 组合3=============================================组合系数: 1.0001. 挡土墙结构重力分项系数 = 1.000 √2. 墙顶上的有效永久荷载分项系数 = 1.000 √3. 墙顶与第二破裂面间有效荷载分项系数 = 1.000 √4. 填土侧压力分项系数 = 1.000 √5. 车辆荷载引起的土侧压力分项系数 = 1.000 √=============================================[土压力计算] 计算高度为 7.309(m)处的库仑主动土压力无荷载时的破裂角 = 28.322(度)按实际墙背计算得到:第1破裂角: 28.322(度)Ea=244.313(kN) Ex=214.072(kN) Ey=117.736(kN) 作用点高度 Zy=2.627(m) 因为俯斜墙背,需判断第二破裂面是否存在,计算后发现第二破裂面不存在墙身截面积 = 15.518(m2) 重量 = 356.925 (kN)(一) 滑动稳定性验算基底摩擦系数 = 0.500采用倾斜基底增强抗滑动稳定性,计算过程如下:基底倾斜角度 = 11.310 (度)Wn = 349.993(kN) En = 157.432(kN) Wt = 69.999(kN) Et = 186.825(kN) 滑移力= 116.827(kN) 抗滑力= 253.713(kN)滑移验算满足: Kc = 2.172 > 1.300滑动稳定方程验算:滑动稳定方程满足: 方程值 = 164.582(kN) > 0.0地基土层水平向: 滑移力= 214.072(kN) 抗滑力= 252.070(kN)地基土层水平向: 滑移验算不满足: Kc2 = 1.177 <= 1.300(二) 倾覆稳定性验算相对于墙趾点,墙身重力的力臂 Zw = 2.186 (m)相对于墙趾点,Ey的力臂 Zx = 3.521 (m)相对于墙趾点,Ex的力臂 Zy = 1.818 (m)验算挡土墙绕墙趾的倾覆稳定性倾覆力矩= 389.154(kN-m) 抗倾覆力矩= 1194.777(kN-m)倾覆验算满足: K0 = 3.070 > 1.500倾覆稳定方程验算:倾覆稳定方程满足: 方程值 = 649.588(kN-m) > 0.0(三) 地基应力及偏心距验算基础类型为天然地基,验算墙底偏心距及压应力取倾斜基底的倾斜宽度验算地基承载力和偏心距作用于基础底的总竖向力 = 507.426(kN) 作用于墙趾下点的总弯矩=805.624(kN-m) 基础底面宽度 B = 4.127 (m) 偏心距 e = 0.476(m)基础底面合力作用点距离基础趾点的距离 Zn = 1.588(m)基底压应力: 趾部=208.010 踵部=37.895(kPa)最大应力与最小应力之比 = 208.010 / 37.895 = 5.489作用于基底的合力偏心距验算满足: e=0.476 <= 0.167*4.127 = 0.688(m)墙趾处地基承载力验算满足: 压应力=208.010 <= 600.000(kPa)墙踵处地基承载力验算满足: 压应力=37.895 <= 650.000(kPa)地基平均承载力验算满足: 压应力=122.952 <= 500.000(kPa)(四) 基础强度验算基础为天然地基,不作强度验算(五) 墙底截面强度验算验算截面以上,墙身截面积 = 13.946(m2) 重量 = 320.764 (kN)相对于验算截面外边缘,墙身重力的力臂 Zw = 2.134 (m)相对于验算截面外边缘,Ey的力臂 Zx = 3.521 (m)相对于验算截面外边缘,Ex的力臂 Zy = 1.818 (m)[容许应力法]:法向应力检算:作用于验算截面的总竖向力 = 438.499(kN) 作用于墙趾下点的总弯矩=710.016(kN-m) 相对于验算截面外边缘,合力作用力臂 Zn = 1.619(m)截面宽度 B = 3.885 (m) 偏心距 e1 = 0.323(m)截面上偏心距验算满足: e1= 0.323 <= 0.250*3.885 = 0.971(m)截面上压应力: 面坡=169.227 背坡=56.513(kPa)压应力验算满足: 计算值= 169.227 <= 2100.000(kPa)切向应力检算:剪应力验算满足: 计算值= 9.954 <= 110.000(kPa)[极限状态法]:重要性系数0 = 1.000验算截面上的轴向力组合设计值Nd = 438.499(kN)轴心力偏心影响系数醟= 0.923挡墙构件的计算截面每沿米面积A = 3.885(m2)材料抗压极限强度Ra = 1600.000(kPa)圬工构件或材料的抗力分项系数鉬= 2.310偏心受压构件在弯曲平面内的纵向弯曲系数豮= 0.997计算强度时:强度验算满足: 计算值= 438.499 <= 2484.440(kN)计算稳定时:稳定验算满足: 计算值= 438.499 <= 2478.063(kN)(六) 台顶截面强度验算[土压力计算] 计算高度为 6.000(m)处的库仑主动土压力无荷载时的破裂角 = 29.162(度)按实际墙背计算得到:第1破裂角: 29.162(度)Ea=172.939(kN) Ex=151.533(kN) Ey=83.340(kN) 作用点高度 Zy=2.150(m) 因为俯斜墙背,需判断第二破裂面是否存在,计算后发现第二破裂面不存在[强度验算]验算截面以上,墙身截面积 = 12.060(m2) 重量 = 277.380 (kN)相对于验算截面外边缘,墙身重力的力臂 Zw = 1.738 (m)相对于验算截面外边缘,Ey的力臂 Zx = 2.930 (m)相对于验算截面外边缘,Ex的力臂 Zy = 2.150 (m)[容许应力法]:法向应力检算:作用于验算截面的总竖向力 = 360.720(kN) 作用于墙趾下点的总弯矩=400.595(kN-m) 相对于验算截面外边缘,合力作用力臂 Zn = 1.111(m)截面宽度 B = 3.360 (m) 偏心距 e1 = 0.569(m)截面上偏心距验算满足: e1= 0.569 <= 0.250*3.360 = 0.840(m)截面上压应力: 面坡=216.527 背坡=-1.813(kPa)压应力验算满足: 计算值= 216.527 <= 2100.000(kPa)拉应力验算满足: 计算值= 1.813 <= 280.000(kPa)切向应力检算:剪应力验算满足: 计算值= 2.156 <= 110.000(kPa)[极限状态法]:重要性系数0 = 1.000验算截面上的轴向力组合设计值Nd = 360.720(kN)轴心力偏心影响系数醟= 0.744挡墙构件的计算截面每沿米面积A = 3.360(m2)材料抗压极限强度Ra = 1600.000(kPa)圬工构件或材料的抗力分项系数鉬= 2.310偏心受压构件在弯曲平面内的纵向弯曲系数豮= 0.994计算强度时:强度验算满足: 计算值= 360.720 <= 1730.414(kN)计算稳定时:稳定验算满足: 计算值= 360.720 <= 1720.167(kN)=================================================各组合最不利结果=================================================(一) 滑移验算安全系数最不利为:组合1(组合1)抗滑力 = 253.713(kN),滑移力 = 116.827(kN)。
理正岩土计算理正岩土计算是指根据地质勘探资料和设计要求,通过一定的方法和公式来进行岩土工程的计算和分析,以确定工程的稳定性和安全性。
在进行岩土计算时,需要考虑到多方面的因素,如土的物理力学性质、岩土体的变形特性、地下水位等。
下面给出一些参考内容。
1. 岩土工程的基本原理:岩土工程是将土和岩体作为材料进行分析和计算的一门学科。
其中,土的物理力学性质和岩石的变形特性是岩土计算中最重要的两个方面。
土的物理力学性质包括土体的形变特性、抗剪强度、抗拉强度等,而岩石的变形特性主要包括岩石的压缩、剪切、弯曲等。
2. 岩土计算中的参数:在进行岩土计算时,常常需要通过试验或根据经验得到一些参数值,如土的密度、含水率、体积变形模量、剪切强度参数等。
这些参数值是岩土计算的基础,对于计算结果的准确性和可靠性具有重要意义。
3. 岩土计算的方法:岩土计算可以采用不同的方法和公式进行,其中最常用的方法包括极限平衡法、有限元法、变形体积法等。
极限平衡法是岩土计算中最常用的方法之一,其基本原理是通过假设土体和岩体处于临界平衡状态,通过平衡方程和强度准则来确定工程的稳定性。
4. 岩土计算的应用范围:岩土计算在岩土工程中的应用范围非常广泛,包括基础工程、地基处理、边坡工程、隧道工程等。
在进行岩土计算时,需要根据具体的工程要求和地质情况来选择适当的计算方法和参数值。
5. 岩土计算的案例分析:以某个具体的岩土工程为例,可以进行岩土计算的案例分析。
例如,在隧道工程中,需要通过岩土计算来确定隧道的稳定性和安全性。
这涉及到岩石的强度参数、地下水位、变形特性等多个因素,通过合理的计算方法和参数值,可以得到隧道的合理设计方案。
综上所述,岩土计算是岩土工程中非常重要的一部分,通过合理的方法和参数值,可以对岩土工程进行稳定性和安全性的评估。
在进行岩土计算时,需要综合考虑土的物理力学性质和岩石的变形特性,选择适当的计算方法和参数值。
岩土计算的应用范围广泛,涉及到基础工程、地基处理、边坡工程、隧道工程等多个领域。
挡土墙计算(理正岩土)1. 挡土墙计算(理正岩土)1.1 挡土墙的定义和用途挡土墙是一种结构,用于抵御土壤的压力,防止土壤坍塌。
它通常用于控制土壤侵蚀、保护基础设施和提供支撑。
1.2 挡土墙的类型1.2.1 重力挡土墙1.2.2 填土挡土墙1.2.3 加筋土挡土墙1.2.4 桶形挡土墙2. 挡土墙的设计方法2.1 土壤力学参数的确定2.1.1 地基土壤的重度和孔隙比2.1.2 坡度土壤的内摩擦角和抗剪强度2.1.3 土壤的背填率和土壤密度2.2 挡土墙的几何参数2.2.1 基宽和顶宽2.2.2 墙高和坡度2.2.3 墙的高度和宽度比例2.3 挡土墙的稳定性计算2.3.1 土壤力的计算2.3.2 应力和应变分析2.3.3 挡土墙倾覆的稳定性2.3.4 挡土墙滑动的稳定性2.3.5 挡土墙底端的稳定性3. 挡土墙的施工和维护3.1 施工材料的选择3.2 施工方法和程序3.3 挡土墙的维护和修复4. 本文所涉及的法律名词及注释4.1 挡土墙:根据《城市房屋建筑设计规范》中的定义,挡土墙是指用于抵御土壤的压力的墙体结构。
4.2 土壤力:土壤对结构物施加的水平和垂直力。
4.3 摩擦角:土壤颗粒之间的内摩擦角度。
4.4 抗剪强度:土壤抵抗剪切力的能力。
4.5 应力:物体上受到的力的作用。
4.6 应变:物体在受力情况下发生的变形。
5. 本文档涉及附件附件1:挡土墙设计图纸附件2:挡土墙施工方案附件3:挡土墙施工材料列表2. 挡土墙计算(山河土工)1. 挡土墙的定义和用途挡土墙是一种人工结构,用于抵抗土壤的压力,防止土壤发生变形和坍塌。
它主要用于土方工程、河道治理和土地利用等领域。
2. 挡土墙的类型及特点2.1 重力挡土墙:通过墙体的自重抵抗土壤压力。
2.2 土石挡土墙:利用土石结构的摩擦力抵抗土壤压力。
2.3 钢筋混凝土挡土墙:在土石挡土墙上加入钢筋混凝土墙体,增强抵抗土壤压力的能力。
2.4 土工格栅挡土墙:利用土工格栅的抗拉性能,增加土壤的抗剪强度。
理正岩土计算什么是理正岩土计算?它是一种有效控制地基及地基上建筑物沉降的技术。
它指的是从理论上综合考虑岩土力学考虑,采用计算机辅助的方法,计算地基及地基上建筑物沉降量与变形量,控制地基及地基上建筑物沉降。
它与有限元法和改进变形法结合使用可获得更优良的计算结果。
理正岩土计算主要由力学模型,物理地理模型,算法模型,边界条件模型等构成,其中,力学模型是指建立正确的岩土力学有限元模型,其中,要考虑岩土的基本力学性质,从而模拟岩土的实际变形行为,从而确定沉降量和变形量;物理地理模型,指的是建立相应的地理场景,对地形,水位等参数进行模拟;算法模型一般采用有限元法以及改进变形法来求解岩土有限元;边界条件模型,指的是模拟计算岩土有限元与改进变形法所需的边界条件,以及外加的系统及支撑条件等。
通过建立完整的理正岩土计算模型,可以将沉降量和变形量进行模拟计算,用于研究地基及地基上建筑物沉降情况以及改善措施等。
理正岩土计算有其独特的优势,它利用了计算机技术,建立模型,准确模拟岩土行为,从而可以较精确地刻画地基沉降特征,从而减少设计人员对地基沉降量的因素偏差,提高计算精度,为改善工程质量提供有力的保障。
此外,理正岩土计算有利于综合考虑岩土力学,采用系统化的方法来计算地基沉降,同时也可以考虑建筑物沉降情况,有利于准确评估建筑物地基沉降及其对建筑物的影响,减少设计师对地基变形量的偏差,有助于提高工程质量。
另一方面,理正岩土计算还具有计算过程可控的特点,由于其采用数值及模拟分析,可以更好地模拟和估算工程的沉降量,用于改善设计,从而提高工程质量及平安性,也可以更加精确地控制沉降量和变形量,从而有效地控制地基及地基上建筑物沉降,保障建筑物安全性。
综上所述,理正岩土计算具有计算精度高、准确性强、计算过程可控等优点,可以准确估算地基沉降量和变形量,从而提高工程质量及平安性,具有重要的实用价值。
因此,开展理正岩土计算是控制地基及地基上建筑物沉降研究的重要方法。
理正岩土软件各种参数的设置目录一、理正岩土5.0 常见问题解答(挡墙篇) (1)二、理正岩土5.0 常见问题解答(边坡篇) (7)三、理正岩土5.0 常见问题解答(软基篇) (7)四、理正岩土5.0 常见问题解答(抗滑桩篇) (8)五、理正岩土5.0 常见问题解答(渗流篇) (11)六、理正岩土5.0 常见问题解答(基坑支护篇) (11)一、理正岩土5.0 常见问题解答(挡墙篇)1.“圬工之间摩擦系数”意义,如何取值?答:用于挡墙截面验算,反应圬工间的摩阻力大小。
取值与圬工种类有关,一般采用0.4(主要组合)~0.5(附加组合),该值取自《公路设计手册》第603页。
2.“地基土的粘聚力”意义,如何取值?答:整体稳定验算时滑移面所在地基土的粘聚力,由地勘报告得到。
3.“墙背与墙后填土摩擦角”意义,如何取值?答:用于土压力计算。
影响土压力大小及作用方向。
取值由墙背粗糙程度和填料性质及排水条件决定,无试验资料时,参见相关资料《公路路基手册》591页,具体内容如下:墙背光滑、排水不良时:δ=0;混凝土墙身时:δ=(0~1/2)φ一般情况、排水良好的石砌墙身:δ=(1/2~2/3)φ台阶形的石砌墙背、排水良好时:δ=2/3φ第二破裂面或假象墙背时:δ=φ4.“墙底摩擦系数”意义,如何取值?答:用于滑移稳定验算。
无试验资料时,参见相关资料《公路路基手册》,592页表3-3-25.“地基浮力系数”如何取值?答:该参数只在公路行业《公路路基手册》中有定义表格,其他行业可直接取1.0,具体《公路路基手册》定义表格如下:6.“地基土的内摩擦角”意义,如何取值?答:用于防滑凸榫前的被动土压力计算,影响滑移稳定验算;从勘察报告中取得。
7.“圬工材料抗力分项系数”意义,如何取值?答:按《公路路基设计规范》JTG D30-2004,采用极限状态法验算挡墙构件正截面强度和稳定时用材料抗力分项系数,取值参见《公路路基设计规范》表5.4.4-1。
理正岩土5.6更新内容更新内容:挡土墙:1. 新增《水工挡土墙设计规范》(SL 379-2007)附录A土压力计算;2. 新增《铁路路基支挡结构设计规范》(TB10025-2006)中的土压力计算;3. 新增《公路钢筋混凝土与预应力混凝土桥涵设计规范》(JTGD62-2004);4. 新增《公路污工桥涵设计规范》(JTG D61-2005);5. 新增墙身材料参数查询器(公路行业);6. 新增支持库仑理论有限范围填土土压力;7. 新增锚杆式、锚定板式挡土墙支持肋柱倾斜;8. 新增以附加集中力和附加分布力考虑被动土压力;9. 新增水利行业支持挡墙全浸水的情况;10. 新增挡墙凸榫检查和凸榫自动设计功能;11. 新增支持基底倾斜、基础、凸榫之间能共存;12. 修改面侧水位恰好与墙顶齐平时,面侧水压力计算错误;13. 修改卸荷板挡墙背侧和底侧的水压力计算错误;14. 修改台阶式基础,界面无法交互锚杆的水平间距的问题;15. 改进公路铁路行业抗滑移验算,被动土压力作为滑动力的计算;16. 改进抗滑移验算,当下滑力为负时,安全系数无意义仍在计算书中输出;17. 改进抗倾覆验算:水压力对抗倾覆验算的影响按不抵消的原则处理;18. 改进基底倾斜时地基验算和抗滑移验算;18. 修改墙身截面验算,有第二破裂面时,主动土压力参与截面验算方式的问题;19. 修改墙背垂直且坡线低于墙顶时,朗肯土压力错误;20. 修改了锚杆式挡土墙,在选择非公路行业时,交互的分项系数未起作用的问题;21. 修改扶壁挡土墙施工图未按计算书中结果绘制施工图的问题(扶肋考虑分段长度);22. 修改挡墙台阶基础“各组合最不利结果”输出错误;23. 改进铁路行业,按《铁路路基支挡结构设计规范》,倾覆稳定安全系数改为1.6;24. 修改多工况地基验算结果最不利情况取错的问题。
抗滑桩:1. 修改存在第二破裂面时,抗滑挡墙主动土压力计算错误2. 修改抗滑桩综合分析,板的混凝土抗剪强度验算,计算书输出错误3. 修改抗滑桩综合分析,地震情况,锚杆内力取最大值的错误问题4. 修改重力式和垂直预应力锚杆式挡土墙考虑抗震时,存在崩溃的问题;5. 修改综合分析模块浸水抗震水位没有用正确的问题;6. 抗滑桩模块桩前覆土与桩顶齐平土层厚度取错的问题;7. 修改抗滑桩综合分析土层厚度取错的问题;8. 抗滑桩模块土反力限值曲线绘制问题。
计算项目:地基处理计算5[计算简图][计算条件][基本参数]地基处理方法:换填垫层法[基础参数]矩形基础 5.050(m) 33.650(m) 58.325(m)基础类型基础埋深基础宽度 基础长度基础覆土容重: 竖向荷载:20.000(kN/m3) 325542.0(kN)[土层参数]土层层数:7地下水埋深: 6.850(m)压缩层深度:22.500(m)沉降经验系数: 1.000地基承载力修正公式:兀二九承载力修正基准深度d0:0.500(m)序号土类型土层容重饱和容重压缩模-承载力蠲金曾(m)(kN/m人3) (kN/m(MPa)(kPa)1细砂 4.900 18.5—15.000 90.0 0.000 1.0002 中砂 6.800 18.5 18.5 20.000 100.0 0.000 1.0003 淤泥质土 11.100 16.8 18.0 2.190 55.0 0.000 1.0004 角砾 1.500 19.0 19.0 30.000 230.0 0.000 1.0005 粘性土 5.100 16.8 18.0 5.360 160.0 0.000 1.0006 淤泥质土 2.200 16.8 18.0 2.600 60.0 0.000 1.0007 碎石 4.000 20.0 20.0 15.000 500.0 0.000 1.000***蠲--基础宽度地基承载力修正系数***金曾--基础深度地基承载力修正系数[换填垫层参数]材料类型: A***A类:中砂、粗砂、砾砂、圆砾、角砾、石屑、卵石、碎石、矿渣等***B类:粉质粘土、粉煤灰等***C类:灰土等压缩模量:20.000(MPa)承载力:100.000(kPa)厚度: 5.950(m)顶面宽度:33.850(m)底面宽度:33.850(m)顶面长度:58.525(m)底面长度:58.525(m)压力扩散角:0.000(° )计算结果:1.垫层承载力验算基底平均压力pk:266.9(kPa)基底最大压力pkmax: 266.9(kPa)基底最小压力pkmin:266.9(kPa)基底自重压力pc:93.4(kPa)垫层承载力特征值fz:184.2(kPa)pk > fz,不满足! pkmax > 1.2*fz,不满足! 因此换土垫层承载力不满足要求!2.换填垫层底面处承载力验算垫层应力扩散角瑁0.0(度)垫层底附加应力pz:173.4(kPa)垫层底自重应力pcz: 162.0(kPa)垫层底 pz + pcz:335.4(kPa)垫层底地基土承载力特征值fz: 254.6(kPa)pz + pcz > fz,垫层底面地基土的承载力不满足要求!3.垫层尺寸验算按照构造要求验算垫层顶面宽度和长度:基础底面宽度B:33.650(m)垫层顶面宽度B1:33.850(m)(B1-B)/2<300mm,不满足构造要求:垫层顶面宽度超出基础底边宽度不小于300mm !基础底面长度L:58.325(m)垫层顶面长度L1:58.525(m)(L1-L)/2<300mm,不满足构造要求:垫层顶面长度超出基础底边宽度不小于300mm !按应力扩散角验算垫层底面宽度和长度:垫层底面宽度B2: 33.850(m)基底压应力传递到垫层底面处的应力分布宽度B + 2ztg : 33.650(m)垫层底面宽度B2 >= B + 2ztg,垫层底面满足应力扩散要求!垫层底面长度L2: 58.525(m)基底压应力传递到垫层底面处的应力分布长度L + 2ztg : 58.325(m)垫层底面长度L2 >= L + 2ztg,垫层底面满足应力扩散要求!4.下卧层承载力验算土层■深度pz pcz pz + pcz fz是否满足(m) (度) (kPa) (kPa) (kPa) (kPa)3 11.70 0.0 173.4 168.0 341.4 215.8 不满4 22.80 23.0 116.7 256.8 373.4 481.1 满足!5 24.30 25.6 110.5 270.3 380.8 424.7 满足!6 29.40 23.0 94.8 311.1 405.9 365.8 不满731.60 23.0 89.1 328.7 417.7 823.4 满足!835.60 23.0 79.9 368.7 448.5 863.5 满足!*** -- 土层的应力扩散角***pz --下卧层顶面处的附加应力值***pcz --下卧层顶面处土的自重压力值***fz --下卧层顶面处经深度修正后的地基承载力特征值5.沉降计算层号厚度压缩模量Z1 Z2 压缩量应力系数积分值(m) (MPa) (m) (m) (mm) (z2a2-z1a1)1 5.95 20.000 0.00 5.95 51.35 5.92182 0.70 20.000 5.95 6.65 5.94 0.68513 11.10 2.190 6.65 17.75 776.96 9.81034 1.50 30.000 17.75 19.25 6.52 1.12705 3.25 5.360 19.25 22.50 73.41 2.2685压缩模量的当量值: 3.759(MPa)沉降计算经验系数: 1.000总沉降量:)* 914.18 =! 914.18(mm)***Z1 --基础底面至本计算分层顶面的距离***Z2 --基础底面至本计算分层底面的距离。
挡土墙计算软件(破解)(一)引言概述:挡土墙计算软件是一种在土木工程领域广泛应用的软件工具。
它能够帮助工程师准确计算挡土墙的稳定性和承载能力,以及设计合适的坡度、墙身厚度和材料选择等参数。
然而,由于该软件通常是商业化产品,需要购买授权使用。
本文将介绍一种破解挡土墙计算软件的方法,使用户能够免费使用该软件。
正文:1. 获取破解软件1.1 在网上搜索破解软件的下载链接1.2 下载并安装破解软件到计算机2. 破解软件的功能特点2.1 可以完全模拟正版软件的所有功能2.2 提供与正版软件相同的用户界面和操作流程2.3 可以读取和处理各种挡土墙相关的数据3. 使用破解软件进行挡土墙计算3.1 导入工程数据,包括挡土墙的几何参数和土体材料属性3.2 进行稳定性计算,包括土体的内摩擦角和抗剪强度等参数3.3 分析承载能力,确定墙身的合理厚度和坡度3.4 进行不同场景的模拟和优化设计3.5 输出计算结果和生成报告,便于工程实施和审查4. 破解软件的风险与注意事项4.1 非正版软件存在法律风险,可能会导致侵权问题4.2 破解软件可能存在病毒和恶意代码,需要谨慎使用4.3 使用破解软件需注意网络安全,不要将计算结果上传网络5. 探索合法替代方案5.1 寻找开源的挡土墙计算软件5.2 学习和使用编程语言编写自己的计算程序5.3 参考专业书籍和论文,手动计算挡土墙的稳定性和承载能力总结:破解挡土墙计算软件可以提供免费使用的便利,但也存在法律和安全风险。
鉴于这些问题,推荐用户寻找合法替代方案,如开源软件或自行编写计算程序。
通过不断学习和实践,提升自己的挡土墙计算能力,并做到合法、安全地进行工程设计和评估。
目录一、理正岩土5、0常见问题解签(挡墙篇) (1)二、理正岩土5、0常见问题解答(边坡篇) (7)三、理正岩土5、0常见问题解答(较基篇) (7)四、理正岩土5、0常见问题解答(抗滑桩篇) (8)五、理正岩土5、0常见问题解答(渗流篇) (11)六、理正岩土5. 0常见问题解答(基坑支护篇) (11)一、理正岩土5、0常见问题解答(挡墙篇)1.“屿工之间摩擦系數”意义,知何取值?答:用于档墙战而脸算•反应巧工何埒庠阻力大小。
取值与坷工种类有关■-4殳采用0、4(主要纽合厂0、5(卅加纽合)•该值取自《公路沒计手册》第603页。
2.“地基土碍耙聚力”意义,如何取值?答:能体穩定脸算时滑移而所在地基土埒粘聚力,由地勘抿告埒到。
3.“墙背与墙总填土障擦角”意戈,如何取值?各:用于土压力计算。
那响土压力大小及作用方向。
取值由堆背机槌程虞与填料性用及排术条件决定■无试脸资料时•炊见相关资料《公跑路基手册》591页•具体内磔如下:埼背光淆、琳水不良时:6=0;混彼土蜻今时:右=(0"1/2) 0一般悄况、排水良好埒石躅埼身:6=(1/2"2/3) e台阶形埒石躅塢沂、排水良好时:6=2/34>第二疏裂而或假象焙并时:6 = 04.“冷底摩擦系数”意义,如何取值?各:用于滑移佗定脸算。
无试脸资针时■歇见粕关资料《公路路基手册》・592页表3-3-25.“地基浮力系數”如何取值7答:该参数只在公路行业《公路路基孑册》中有定义表格,其地行业可直按取仁0,具体《公路路基手册》定义表“地基土得内斥擦角”意爻,如何取值?13・“挣堆分役长度”就是何意义7答:用于车柄荷我接算。
车辆荷我換算公式•其中“档土墙珞计算长度L”由档炜分段长度计几磅科:分段长度取值.为施工缝之间磅长度。
14.在《建筑基础规范2002》P42中规定,挡墙随高度变化,土压力要乘一个调整系敦,软件如何实现?答:由于单层土得土压力调整系敛就赴内设得,因此只能用多层土来*俞入。
重力式挡土墙验算[执行标准:公路]计算项目:重力式挡土墙 3计算时间:2013-01-19 16:32:29 星期六------------------------------------------------------------------------ 原始条件:墙身尺寸:墙身高: 6.500(m)墙顶宽: 0.660(m)面坡倾斜坡度: 1:0.250背坡倾斜坡度: 1:0.200采用1个扩展墙址台阶:墙趾台阶b1: 0.300(m)墙趾台阶h1: 0.500(m)墙趾台阶与墙面坡坡度相同墙底倾斜坡率: 0.200:1物理参数:圬工砌体容重: 23.000(kN/m3)圬工之间摩擦系数: 0.400地基土摩擦系数: 0.500墙身砌体容许压应力: 2100.000(kPa)墙身砌体容许弯曲拉应力: 280.000(kPa)墙身砌体容许剪应力: 110.000(kPa)材料抗压极限强度: 1.600(MPa)材料抗力分项系数: 2.310系数醩: 0.0020挡土墙类型: 一般挡土墙墙后填土内摩擦角: 35.000(度)墙后填土粘聚力: 0.000(kPa)墙后填土容重: 19.000(kN/m3)墙背与墙后填土摩擦角: 17.500(度)地基土容重: 18.000(kN/m3)修正后地基承载力特征值: 500.000(kPa)地基承载力特征值提高系数:墙趾值提高系数: 1.200墙踵值提高系数: 1.300平均值提高系数: 1.000墙底摩擦系数: 0.500地基土类型: 土质地基地基土内摩擦角: 30.000(度)土压力计算方法: 库仑坡线土柱:坡面线段数: 2折线序号水平投影长(m) 竖向投影长(m) 换算土柱数1 3.000 2.000 02 5.000 0.000 0坡面起始距离: 0.000(m)地面横坡角度: 20.000(度)填土对横坡面的摩擦角: 35.000(度)墙顶标高: 0.000(m)挡墙分段长度: 10.000(m)=====================================================================第 1 种情况: 组合1=============================================组合系数: 1.0001. 挡土墙结构重力分项系数 = 1.000 √2. 墙顶上的有效永久荷载分项系数 = 1.000 √3. 墙顶与第二破裂面间有效荷载分项系数 = 1.000 √4. 填土侧压力分项系数 = 1.000 √5. 车辆荷载引起的土侧压力分项系数 = 1.000 √=============================================[土压力计算] 计算高度为 7.309(m)处的库仑主动土压力无荷载时的破裂角 = 28.322(度)按实际墙背计算得到:第1破裂角: 28.322(度)Ea=244.313(kN) Ex=214.072(kN) Ey=117.736(kN) 作用点高度 Zy=2.627(m) 因为俯斜墙背,需判断第二破裂面是否存在,计算后发现第二破裂面不存在墙身截面积 = 15.518(m2) 重量 = 356.925 (kN)(一) 滑动稳定性验算基底摩擦系数 = 0.500采用倾斜基底增强抗滑动稳定性,计算过程如下:基底倾斜角度 = 11.310 (度)Wn = 349.993(kN) En = 157.432(kN) Wt = 69.999(kN) Et = 186.825(kN) 滑移力= 116.827(kN) 抗滑力= 253.713(kN)滑移验算满足: Kc = 2.172 > 1.300滑动稳定方程验算:滑动稳定方程满足: 方程值 = 164.582(kN) > 0.0地基土层水平向: 滑移力= 214.072(kN) 抗滑力= 252.070(kN)地基土层水平向: 滑移验算不满足: Kc2 = 1.177 <= 1.300(二) 倾覆稳定性验算相对于墙趾点,墙身重力的力臂 Zw = 2.186 (m)相对于墙趾点,Ey的力臂 Zx = 3.521 (m)相对于墙趾点,Ex的力臂 Zy = 1.818 (m)验算挡土墙绕墙趾的倾覆稳定性倾覆力矩= 389.154(kN-m) 抗倾覆力矩= 1194.777(kN-m)倾覆验算满足: K0 = 3.070 > 1.500倾覆稳定方程验算:倾覆稳定方程满足: 方程值 = 649.588(kN-m) > 0.0(三) 地基应力及偏心距验算基础类型为天然地基,验算墙底偏心距及压应力取倾斜基底的倾斜宽度验算地基承载力和偏心距作用于基础底的总竖向力 = 507.426(kN) 作用于墙趾下点的总弯矩=805.624(kN-m) 基础底面宽度 B = 4.127 (m) 偏心距 e = 0.476(m)基础底面合力作用点距离基础趾点的距离 Zn = 1.588(m)基底压应力: 趾部=208.010 踵部=37.895(kPa)最大应力与最小应力之比 = 208.010 / 37.895 = 5.489作用于基底的合力偏心距验算满足: e=0.476 <= 0.167*4.127 = 0.688(m)墙趾处地基承载力验算满足: 压应力=208.010 <= 600.000(kPa)墙踵处地基承载力验算满足: 压应力=37.895 <= 650.000(kPa)地基平均承载力验算满足: 压应力=122.952 <= 500.000(kPa)(四) 基础强度验算基础为天然地基,不作强度验算(五) 墙底截面强度验算验算截面以上,墙身截面积 = 13.946(m2) 重量 = 320.764 (kN)相对于验算截面外边缘,墙身重力的力臂 Zw = 2.134 (m)相对于验算截面外边缘,Ey的力臂 Zx = 3.521 (m)相对于验算截面外边缘,Ex的力臂 Zy = 1.818 (m)[容许应力法]:法向应力检算:作用于验算截面的总竖向力 = 438.499(kN) 作用于墙趾下点的总弯矩=710.016(kN-m) 相对于验算截面外边缘,合力作用力臂 Zn = 1.619(m)截面宽度 B = 3.885 (m) 偏心距 e1 = 0.323(m)截面上偏心距验算满足: e1= 0.323 <= 0.250*3.885 = 0.971(m)截面上压应力: 面坡=169.227 背坡=56.513(kPa)压应力验算满足: 计算值= 169.227 <= 2100.000(kPa)切向应力检算:剪应力验算满足: 计算值= 9.954 <= 110.000(kPa)[极限状态法]:重要性系数0 = 1.000验算截面上的轴向力组合设计值Nd = 438.499(kN)轴心力偏心影响系数醟= 0.923挡墙构件的计算截面每沿米面积A = 3.885(m2)材料抗压极限强度Ra = 1600.000(kPa)圬工构件或材料的抗力分项系数鉬= 2.310偏心受压构件在弯曲平面内的纵向弯曲系数豮= 0.997计算强度时:强度验算满足: 计算值= 438.499 <= 2484.440(kN)计算稳定时:稳定验算满足: 计算值= 438.499 <= 2478.063(kN)(六) 台顶截面强度验算[土压力计算] 计算高度为 6.000(m)处的库仑主动土压力无荷载时的破裂角 = 29.162(度)按实际墙背计算得到:第1破裂角: 29.162(度)Ea=172.939(kN) Ex=151.533(kN) Ey=83.340(kN) 作用点高度 Zy=2.150(m) 因为俯斜墙背,需判断第二破裂面是否存在,计算后发现第二破裂面不存在[强度验算]验算截面以上,墙身截面积 = 12.060(m2) 重量 = 277.380 (kN)相对于验算截面外边缘,墙身重力的力臂 Zw = 1.738 (m)相对于验算截面外边缘,Ey的力臂 Zx = 2.930 (m)相对于验算截面外边缘,Ex的力臂 Zy = 2.150 (m)[容许应力法]:法向应力检算:作用于验算截面的总竖向力 = 360.720(kN) 作用于墙趾下点的总弯矩=400.595(kN-m) 相对于验算截面外边缘,合力作用力臂 Zn = 1.111(m)截面宽度 B = 3.360 (m) 偏心距 e1 = 0.569(m)截面上偏心距验算满足: e1= 0.569 <= 0.250*3.360 = 0.840(m)截面上压应力: 面坡=216.527 背坡=-1.813(kPa)压应力验算满足: 计算值= 216.527 <= 2100.000(kPa)拉应力验算满足: 计算值= 1.813 <= 280.000(kPa)切向应力检算:剪应力验算满足: 计算值= 2.156 <= 110.000(kPa)[极限状态法]:重要性系数0 = 1.000验算截面上的轴向力组合设计值Nd = 360.720(kN)轴心力偏心影响系数醟= 0.744挡墙构件的计算截面每沿米面积A = 3.360(m2)材料抗压极限强度Ra = 1600.000(kPa)圬工构件或材料的抗力分项系数鉬= 2.310偏心受压构件在弯曲平面内的纵向弯曲系数豮= 0.994计算强度时:强度验算满足: 计算值= 360.720 <= 1730.414(kN)计算稳定时:稳定验算满足: 计算值= 360.720 <= 1720.167(kN)=====================================================================第 2 种情况: 组合2=============================================组合系数: 1.0001. 挡土墙结构重力分项系数 = 1.000 √2. 墙顶上的有效永久荷载分项系数 = 1.000 √3. 墙顶与第二破裂面间有效荷载分项系数 = 1.000 √4. 填土侧压力分项系数 = 1.000 √5. 车辆荷载引起的土侧压力分项系数 = 1.000 √=============================================[土压力计算] 计算高度为 7.309(m)处的库仑主动土压力无荷载时的破裂角 = 28.322(度)按实际墙背计算得到:第1破裂角: 28.322(度)Ea=244.313(kN) Ex=214.072(kN) Ey=117.736(kN) 作用点高度 Zy=2.627(m) 因为俯斜墙背,需判断第二破裂面是否存在,计算后发现第二破裂面不存在墙身截面积 = 15.518(m2) 重量 = 356.925 (kN)(一) 滑动稳定性验算基底摩擦系数 = 0.500采用倾斜基底增强抗滑动稳定性,计算过程如下:基底倾斜角度 = 11.310 (度)Wn = 349.993(kN) En = 157.432(kN) Wt = 69.999(kN) Et = 186.825(kN) 滑移力= 116.827(kN) 抗滑力= 253.713(kN)滑移验算满足: Kc = 2.172 > 1.300滑动稳定方程验算:滑动稳定方程满足: 方程值 = 164.582(kN) > 0.0地基土层水平向: 滑移力= 214.072(kN) 抗滑力= 252.070(kN)地基土层水平向: 滑移验算不满足: Kc2 = 1.177 <= 1.300(二) 倾覆稳定性验算相对于墙趾点,墙身重力的力臂 Zw = 2.186 (m)相对于墙趾点,Ey的力臂 Zx = 3.521 (m)相对于墙趾点,Ex的力臂 Zy = 1.818 (m)验算挡土墙绕墙趾的倾覆稳定性倾覆力矩= 389.154(kN-m) 抗倾覆力矩= 1194.777(kN-m)倾覆验算满足: K0 = 3.070 > 1.500倾覆稳定方程验算:倾覆稳定方程满足: 方程值 = 649.588(kN-m) > 0.0(三) 地基应力及偏心距验算基础类型为天然地基,验算墙底偏心距及压应力取倾斜基底的倾斜宽度验算地基承载力和偏心距作用于基础底的总竖向力 = 507.426(kN) 作用于墙趾下点的总弯矩=805.624(kN-m) 基础底面宽度 B = 4.127 (m) 偏心距 e = 0.476(m)基础底面合力作用点距离基础趾点的距离 Zn = 1.588(m)基底压应力: 趾部=208.010 踵部=37.895(kPa)最大应力与最小应力之比 = 208.010 / 37.895 = 5.489作用于基底的合力偏心距验算满足: e=0.476 <= 0.167*4.127 = 0.688(m)墙趾处地基承载力验算满足: 压应力=208.010 <= 600.000(kPa)墙踵处地基承载力验算满足: 压应力=37.895 <= 650.000(kPa)地基平均承载力验算满足: 压应力=122.952 <= 500.000(kPa)(四) 基础强度验算基础为天然地基,不作强度验算(五) 墙底截面强度验算验算截面以上,墙身截面积 = 13.946(m2) 重量 = 320.764 (kN)相对于验算截面外边缘,墙身重力的力臂 Zw = 2.134 (m)相对于验算截面外边缘,Ey的力臂 Zx = 3.521 (m)相对于验算截面外边缘,Ex的力臂 Zy = 1.818 (m)[容许应力法]:法向应力检算:作用于验算截面的总竖向力 = 438.499(kN) 作用于墙趾下点的总弯矩=710.016(kN-m) 相对于验算截面外边缘,合力作用力臂 Zn = 1.619(m)截面宽度 B = 3.885 (m) 偏心距 e1 = 0.323(m)截面上偏心距验算满足: e1= 0.323 <= 0.250*3.885 = 0.971(m)截面上压应力: 面坡=169.227 背坡=56.513(kPa)压应力验算满足: 计算值= 169.227 <= 2100.000(kPa)切向应力检算:剪应力验算满足: 计算值= 9.954 <= 110.000(kPa)[极限状态法]:重要性系数0 = 1.000验算截面上的轴向力组合设计值Nd = 438.499(kN)轴心力偏心影响系数醟= 0.923挡墙构件的计算截面每沿米面积A = 3.885(m2)材料抗压极限强度Ra = 1600.000(kPa)圬工构件或材料的抗力分项系数鉬= 2.310偏心受压构件在弯曲平面内的纵向弯曲系数豮= 0.997计算强度时:强度验算满足: 计算值= 438.499 <= 2484.440(kN)计算稳定时:稳定验算满足: 计算值= 438.499 <= 2478.063(kN)(六) 台顶截面强度验算[土压力计算] 计算高度为 6.000(m)处的库仑主动土压力无荷载时的破裂角 = 29.162(度)按实际墙背计算得到:第1破裂角: 29.162(度)Ea=172.939(kN) Ex=151.533(kN) Ey=83.340(kN) 作用点高度 Zy=2.150(m) 因为俯斜墙背,需判断第二破裂面是否存在,计算后发现第二破裂面不存在[强度验算]验算截面以上,墙身截面积 = 12.060(m2) 重量 = 277.380 (kN)相对于验算截面外边缘,墙身重力的力臂 Zw = 1.738 (m)相对于验算截面外边缘,Ey的力臂 Zx = 2.930 (m)相对于验算截面外边缘,Ex的力臂 Zy = 2.150 (m)[容许应力法]:法向应力检算:作用于验算截面的总竖向力 = 360.720(kN) 作用于墙趾下点的总弯矩=400.595(kN-m)相对于验算截面外边缘,合力作用力臂 Zn = 1.111(m)截面宽度 B = 3.360 (m) 偏心距 e1 = 0.569(m)截面上偏心距验算满足: e1= 0.569 <= 0.250*3.360 = 0.840(m)截面上压应力: 面坡=216.527 背坡=-1.813(kPa)压应力验算满足: 计算值= 216.527 <= 2100.000(kPa)拉应力验算满足: 计算值= 1.813 <= 280.000(kPa)切向应力检算:剪应力验算满足: 计算值= 2.156 <= 110.000(kPa)[极限状态法]:重要性系数0 = 1.000验算截面上的轴向力组合设计值Nd = 360.720(kN)轴心力偏心影响系数醟= 0.744挡墙构件的计算截面每沿米面积A = 3.360(m2)材料抗压极限强度Ra = 1600.000(kPa)圬工构件或材料的抗力分项系数鉬= 2.310偏心受压构件在弯曲平面内的纵向弯曲系数豮= 0.994计算强度时:强度验算满足: 计算值= 360.720 <= 1730.414(kN)计算稳定时:稳定验算满足: 计算值= 360.720 <= 1720.167(kN)=====================================================================第 3 种情况: 组合3=============================================组合系数: 1.0001. 挡土墙结构重力分项系数 = 1.000 √2. 墙顶上的有效永久荷载分项系数 = 1.000 √3. 墙顶与第二破裂面间有效荷载分项系数 = 1.000 √4. 填土侧压力分项系数 = 1.000 √5. 车辆荷载引起的土侧压力分项系数 = 1.000 √=============================================[土压力计算] 计算高度为 7.309(m)处的库仑主动土压力无荷载时的破裂角 = 28.322(度)按实际墙背计算得到:第1破裂角: 28.322(度)Ea=244.313(kN) Ex=214.072(kN) Ey=117.736(kN) 作用点高度 Zy=2.627(m) 因为俯斜墙背,需判断第二破裂面是否存在,计算后发现第二破裂面不存在墙身截面积 = 15.518(m2) 重量 = 356.925 (kN)(一) 滑动稳定性验算基底摩擦系数 = 0.500采用倾斜基底增强抗滑动稳定性,计算过程如下:基底倾斜角度 = 11.310 (度)Wn = 349.993(kN) En = 157.432(kN) Wt = 69.999(kN) Et = 186.825(kN) 滑移力= 116.827(kN) 抗滑力= 253.713(kN)滑移验算满足: Kc = 2.172 > 1.300滑动稳定方程验算:滑动稳定方程满足: 方程值 = 164.582(kN) > 0.0地基土层水平向: 滑移力= 214.072(kN) 抗滑力= 252.070(kN)地基土层水平向: 滑移验算不满足: Kc2 = 1.177 <= 1.300(二) 倾覆稳定性验算相对于墙趾点,墙身重力的力臂 Zw = 2.186 (m)相对于墙趾点,Ey的力臂 Zx = 3.521 (m)相对于墙趾点,Ex的力臂 Zy = 1.818 (m)验算挡土墙绕墙趾的倾覆稳定性倾覆力矩= 389.154(kN-m) 抗倾覆力矩= 1194.777(kN-m)倾覆验算满足: K0 = 3.070 > 1.500倾覆稳定方程验算:倾覆稳定方程满足: 方程值 = 649.588(kN-m) > 0.0(三) 地基应力及偏心距验算基础类型为天然地基,验算墙底偏心距及压应力取倾斜基底的倾斜宽度验算地基承载力和偏心距作用于基础底的总竖向力 = 507.426(kN) 作用于墙趾下点的总弯矩=805.624(kN-m) 基础底面宽度 B = 4.127 (m) 偏心距 e = 0.476(m)基础底面合力作用点距离基础趾点的距离 Zn = 1.588(m)基底压应力: 趾部=208.010 踵部=37.895(kPa)最大应力与最小应力之比 = 208.010 / 37.895 = 5.489作用于基底的合力偏心距验算满足: e=0.476 <= 0.167*4.127 = 0.688(m)墙趾处地基承载力验算满足: 压应力=208.010 <= 600.000(kPa)墙踵处地基承载力验算满足: 压应力=37.895 <= 650.000(kPa)地基平均承载力验算满足: 压应力=122.952 <= 500.000(kPa)(四) 基础强度验算基础为天然地基,不作强度验算(五) 墙底截面强度验算验算截面以上,墙身截面积 = 13.946(m2) 重量 = 320.764 (kN)相对于验算截面外边缘,墙身重力的力臂 Zw = 2.134 (m)相对于验算截面外边缘,Ey的力臂 Zx = 3.521 (m)相对于验算截面外边缘,Ex的力臂 Zy = 1.818 (m)[容许应力法]:法向应力检算:作用于验算截面的总竖向力 = 438.499(kN) 作用于墙趾下点的总弯矩=710.016(kN-m) 相对于验算截面外边缘,合力作用力臂 Zn = 1.619(m)截面宽度 B = 3.885 (m) 偏心距 e1 = 0.323(m)截面上偏心距验算满足: e1= 0.323 <= 0.250*3.885 = 0.971(m)截面上压应力: 面坡=169.227 背坡=56.513(kPa)压应力验算满足: 计算值= 169.227 <= 2100.000(kPa)切向应力检算:剪应力验算满足: 计算值= 9.954 <= 110.000(kPa)[极限状态法]:重要性系数0 = 1.000验算截面上的轴向力组合设计值Nd = 438.499(kN)轴心力偏心影响系数醟= 0.923挡墙构件的计算截面每沿米面积A = 3.885(m2)材料抗压极限强度Ra = 1600.000(kPa)圬工构件或材料的抗力分项系数鉬= 2.310偏心受压构件在弯曲平面内的纵向弯曲系数豮= 0.997计算强度时:强度验算满足: 计算值= 438.499 <= 2484.440(kN)计算稳定时:稳定验算满足: 计算值= 438.499 <= 2478.063(kN)(六) 台顶截面强度验算[土压力计算] 计算高度为 6.000(m)处的库仑主动土压力无荷载时的破裂角 = 29.162(度)按实际墙背计算得到:第1破裂角: 29.162(度)Ea=172.939(kN) Ex=151.533(kN) Ey=83.340(kN) 作用点高度 Zy=2.150(m) 因为俯斜墙背,需判断第二破裂面是否存在,计算后发现第二破裂面不存在[强度验算]验算截面以上,墙身截面积 = 12.060(m2) 重量 = 277.380 (kN)相对于验算截面外边缘,墙身重力的力臂 Zw = 1.738 (m)相对于验算截面外边缘,Ey的力臂 Zx = 2.930 (m)相对于验算截面外边缘,Ex的力臂 Zy = 2.150 (m)[容许应力法]:法向应力检算:作用于验算截面的总竖向力 = 360.720(kN) 作用于墙趾下点的总弯矩=400.595(kN-m) 相对于验算截面外边缘,合力作用力臂 Zn = 1.111(m)截面宽度 B = 3.360 (m) 偏心距 e1 = 0.569(m)截面上偏心距验算满足: e1= 0.569 <= 0.250*3.360 = 0.840(m)截面上压应力: 面坡=216.527 背坡=-1.813(kPa)压应力验算满足: 计算值= 216.527 <= 2100.000(kPa)拉应力验算满足: 计算值= 1.813 <= 280.000(kPa)切向应力检算:剪应力验算满足: 计算值= 2.156 <= 110.000(kPa)[极限状态法]:重要性系数0 = 1.000验算截面上的轴向力组合设计值Nd = 360.720(kN)轴心力偏心影响系数醟= 0.744挡墙构件的计算截面每沿米面积A = 3.360(m2)材料抗压极限强度Ra = 1600.000(kPa)圬工构件或材料的抗力分项系数鉬= 2.310偏心受压构件在弯曲平面内的纵向弯曲系数豮= 0.994计算强度时:强度验算满足: 计算值= 360.720 <= 1730.414(kN)计算稳定时:稳定验算满足: 计算值= 360.720 <= 1720.167(kN)=================================================各组合最不利结果=================================================(一) 滑移验算安全系数最不利为:组合1(组合1)抗滑力 = 253.713(kN),滑移力 = 116.827(kN)。