手术室质量检查表
- 格式:doc
- 大小:82.00 KB
- 文档页数:4
手术科室医疗质量检查表检查部门:时间:评估评估方法评估标准问题反馈质量标准项目1.实行科主任负责制;成立医疗质量与管理小组,有工作制度、计划、总结,每月活动 1 次,有明确的质量与安全指 1.查质量与管理小组标,定期进行统计与分析(每月有完整的记录,每季度有分材料,有无记录。
析),有能够显示持续改进效果的记录。
2.有各核心制度落实登记本。
2.查看制度落实登记本,有无记录不全。
3.独立工作的医生必须具备执业医师资格。
3.有无人员资质不符合要求1. 到科室访谈、现场跟交4.在班医师佩戴胸牌,挂牌上岗。
班、查阅资料及查看各核心 4.有无挂牌上岗现象;制度登记本、培训与核查记5.临床路径:有本科的临床路径、严格按临床路径执行(入录、试卷、了解科主任负责科室制情况,查科室人员资质经率≥ 50%、入组完成率≥70%)、临床路径管理病种死亡率管理证,查在班医师挂牌上岗情 5.同比下降或合理、临床路径管理病种治愈率及好转率较前升查看有无临床路径高或持平、临床路径管理病种平均住院日较前缩短或持平;况; 2. 提问工作人员对安及履行临床路径制度。
完成合并症发生率统计、再手术率统计、 30 日内再住院统计、全目标的知晓度; 3. 查阅并发症发生率统计)。
信息系统及科室资料6.单病种管理:按规定对单病种病人进行管理。
我院单病种包括:(一)急性心肌梗死、(二)急性心力衰竭、(三)社区获得性肺炎—住院、成人、(四)脑梗死、(五)髋关节臵管术、膝关节臵管术、(六)冠状动脉旁路移植术、(七) 6.是否按规定对单病围术期预防感染、(八)社区获得性肺炎—住院、儿童、(九)种和病人进行管理。
剖宫产、(十)慢性阻塞性肺疾病(急性加重期)住院、(十一)围手术期预防深静脉血栓。
相关质量控制指标详见附件(单病种质量指标)。
7.是否定期进行技术7.定期进行技术能力与质量绩效的评价。
能力与质量绩效的评价。
8.是否对资格许可授8.对资格许可授权实行动态管理,至少每两年复评一次。
手术室护理工作质量检查评价表
日期:检查人:总分:
产房质量考核评分标准
日期:检查人:得分:
护士定岗定职实行弹性排班避免忙闲不均。
床单位物品齐全摆放整齐。
床头柜清洁整齐床底无杂物。
产妇离开待产室后床单位行终末消毒待产室环境安静、安全、
整洁、温馨待产室空气清新、无异味。
掌握产程进展及病情变化熟知产妇床号、姓名、诊断、症状、
体征,了解产妇主要检查结果包括胎心监护、HIV、血型等,
知道产程观察要点并做好详细记录,产妇用药目的及其副作用
了解产妇心理状态。
供应室护理质量考核表。
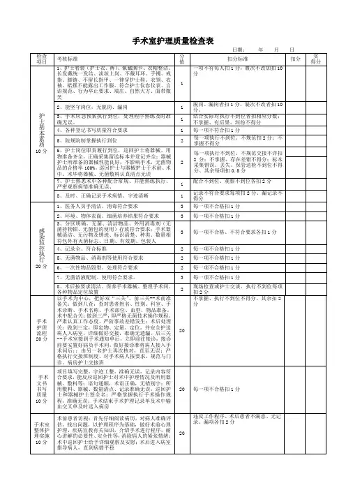
手术室护理质量检查登记表(表一)年月项目检查内容分值评分细则检查日期及扣分原因得分管理20分各项制度健全(手术室护理管理核心制度、消毒隔离制度、各类人员职责等)。
并认真落实。
3 一项不合格扣1分。
手术费收取合理。
3 一项不合格扣1分。
环境清洁、安静、室内布局合理、限制区、半限制区、非限制区分清。
2 一项不合格扣1分。
各种抢救药品、抢救用物、仪器等做到“五定”完好率100%。
3一项不合格扣1分。
各种物资保管,有定期清点、领取、维修制度贵重仪器专人管理、用时有交接制度并记录。
2 一项不合格扣1分。
护士长工作周有重点,月有计划,有小结。
2 一项不合格扣1分。
无菌间、手术间、一次性物品间、液体间等辅助用房内物品存放整齐,符合要求,固定位置,专人管理。
3一项不合格扣1分。
科室一级质控小组认真落实小组职责。
做到质量持续改进,记录规范。
2一次未认真落实或记录不规范扣1分。
劳动纪律10分严格遵守医院及科室各项规章制度10迟到、早退每次扣1分;脱岗扣5分;原则上不允许请假,特殊情况除外,请假按医院请销假制度扣除相应的工资。
私自换班一次扣2分。
电话24小时畅通,联系不上者每次扣5分。
优质服务15分在岗期间着装、头发、指甲、仪表合乎要求。
2 发现一次仪表不整扣1分。
优质服务、语言文明、解释耐心、做好宣教、不与医生或病人争吵。
3被病人提名不满意或投诉者经核实每次扣3分;与医生或病人争吵者扣3分。
坚持首问责任制。
2 病人提出的问题未认真解答或未及时处理的每次扣2分。
及时迎接患者进手术间,术后将患者安全送返病房,并与病房护士进行交接并签名。
3 违者一次扣2分。
注意保护患者隐私,保暖措施到位。
2 违者一次扣1分。
按时对择期手术病人进行术前访视。
3 未进行访视扣1分/人。
备注【表一、表二100分】检查次数检查人员平均分手术室护理质量检查登记表(表二)年月项目检查内容分值评分细则检查日期及扣分原因得分工作态度10分责任心强,工作积极认真、主动、细心。
手术室护理质量检查表
1. 检查目的
本检查表旨在评估手术室护理质量,确保手术室操作符合标准,并提供改进建议。
2. 检查内容
3. 检查方法
1. 随机选取若干手术室进行检查。
2. 观察手术室的整体环境和设备是否符合卫生要求。
3. 观察手术室操作人员的行为是否规范。
4. 与手术室操作人员进行简要交流,了解其对手术室护理的理
解和操作情况。
4. 检查结果评价
- 如果所有检查项目均符合评价标准,则手术室护理质量良好。
- 如果有少数检查项目不符合评价标准,则手术室护理质量一般,需要改进。
- 如果多个检查项目不符合评价标准,则手术室护理质量不达标,需要立即采取措施进行改进。
5. 改进建议
- 加强手术室操作人员的培训,提高其对手术室护理的理解和执行能力。
- 定期进行手术室护理质量的检查和评估,及时发现问题并解决。
- 强调团队协作和沟通,提高手术室内工作人员之间的配合效率。
6. 结论
手术室护理质量检查表是评估手术室护理质量的有效工具,通过定期检查和评估,可以及时发现问题并进行改进,提高手术室护理质量,确保手术室操作的安全和顺利进行。
手术室护理质量检查表手术室护理是医院工作中至关重要的部分,对患者安全和手术效果有着直接影响。
为了确保手术室护理质量,需要建立一套完善的质量检查表,以便对护理工作进行全面、系统的评估。
•确保手术室护理符合国家标准和相关规定•发现手术室护理中存在的问题和不足,及时进行改进•提升手术室护理工作的质量和水平,保障患者安全和手术效果手术室护理质量检查表适用于所有手术室护理工作,包括但不限于手术室卫生、器械消毒、患者护理、手术室操作等方面。
1.手术室卫生–手术室地面、墙面、天花板的清洁情况–手术台、手术灯、手术器械的清洁情况–手术室内空气质量检测结果2.器械消毒–器械消毒过程中的温度、湿度、时间控制情况–消毒后器械包装完整性和标识情况–消毒记录的完整性和准确性3.患者护理–患者入院后的护理计划制定和执行情况–术前体检和准备工作的完整性和准确性–术后护理工作的配合和执行情况4.手术室操作–手术室内人员的着装和手卫生情况–手术室内环境温度、湿度和洁净度合格率–手术室内各项操作规程的执行情况责任部门手术室护理质量检查表的执行和评估由手术室护理部门负责,护理部门负责人负责具体执行和整改工作。
手术室护理质量检查表每季度进行一次全面检查和评估,每月进行一次抽查和监测,以确保护理质量能够得到有效提升和控制。
手术室护理质量检查表是手术室护理质量管理工作中的重要内容,定期进行检查和评估,发现问题及时进行整改,对提升手术室护理工作的质量和水平具有重要意义。
希望通过质量检查表的建立和执行,能够保障患者的安全和手术效果,为医院的发展和争创一流的医疗服务作出积极的贡献。
特殊应用场合:1.创伤手术室•伤口清洁处理情况•术中失血量记录和护理•创伤患者恢复情况的观察和护理问题及注意事项:•问题:创伤手术室要求术后患者伤口愈合情况较为关注,不同患者的创伤情况也不尽相同,需要针对性的护理和观察。
•解决办法:制定详细的创伤手术护理方案,根据不同患者的伤口特点,制定个性化的伤口清洁处理方案,术后加强对患者术后恢复情况的观察和护理。
医院手术室安全质量检查验收表
一、基本信息
- 医院名称:
- 手术室名称:
- 检查日期:
二、手术室设施和设备检查
1. 手术室内设施是否完善,包括但不限于照明、通风、消毒等方面。
2. 手术室内设备是否齐全,并符合相关的安全要求。
3. 器械、设备的存放、维护是否符合规定,是否有损坏或污染现象。
三、手术室操作规范检查
1. 手术室内是否有明确的操作规范,包括手卫生、佩戴防护用品等。
2. 手术室内人员是否按照操作规范进行工作,包括手术台前后换床、戴手套等。
四、手术室安全管理检查
1. 手术室是否进行定期演练和培训,提高应急反应和处理意外事件的能力。
2. 手术室内是否有完善的紧急情况处理设备和药品,以及相应的应急预案。
3. 手术室内消防设施是否齐全、有效,并定期检查和维护。
五、手术过程质量检查
1. 手术室内手术操作是否标准、规范,是否存在违反操作规程的情况。
2. 手术室内是否保持足够的清洁和卫生环境。
六、其他问题
1. 是否存在其他需要关注的问题。
七、检查结论
- 本次检查结果是否合格:是 / 否
- 不合格原因及改进意见:
八、验收人员
- 验收人员1:- 验收人员2:。